预应力筋理论伸长量两种计算方法及比较_pdf
- 格式:pdf
- 大小:120.54 KB
- 文档页数:3
预应力筋的理论伸长量计算预应力筋的理论伸长量计算1. 简介预应力筋是一种常用于混凝土结构中的钢筋,它通过施加预先计算好的压力来抵消混凝土的收缩和变形,提高结构的承载能力和耐久性。
在设计和施工过程中,准确计算预应力筋的理论伸长量是至关重要的,本文将详细介绍预应力筋的理论伸长量计算方法。
2. 弹性伸长量计算预应力筋的弹性伸长量,即在施加压力前筋材由于受拉而伸长的长度。
弹性伸长量可以通过以下公式计算:$$\\Delta L = \\frac{P \\cdot L}{A \\cdot E}$$其中,$\\Delta L$为弹性伸长量;$P$为施加的预应力力值;$L$为筋材的原始长度;$A$为筋材的截面面积;$E$为筋材的弹性模量。
3. 长期伸长量计算在混凝土结构中,预应力筋还存在一定的长期伸长量。
长期伸长量主要由以下几个因素构成:3.1 混凝土收缩混凝土在干燥过程中会发生收缩,对预应力筋产生拉力。
混凝土的收缩量可以通过实际试验或经验公式得到,然后乘以预应力筋的长度即可得到长期伸长量。
3.2 温度变化温度变化也会导致预应力筋产生伸缩变形。
根据材料的线膨胀系数和温度变化量,可以计算出预应力筋的长期伸长量。
3.3 板间摩擦力预应力筋与混凝土之间存在一定的摩擦力,也会对预应力筋的伸长量产生影响。
通过计算预应力筋的长度与混凝土之间的相对滑移量,可以得到摩擦力引起的长期伸长量。
4. 总伸长量计算预应力筋的总伸长量等于弹性伸长量加上长期伸长量,即:$$\\Delta L_{\\text{总}} = \\Delta L_{\\text{弹性}} + \\Delta L_{\\text{长期}}$$根据以上的计算方法,我们可以准确计算预应力筋的理论伸长量,并在实际工程中进行应用。
这样可以保证结构的稳定性和安全性。
扩展内容:1. 本文档所涉及附件如下:- 预应力筋伸长量计算表格- 混凝土收缩试验数据- 温度变化数据记录2. 本文档所涉及的法律名词及注释:- 预应力筋:指施加预先计算好的压力的钢筋- 弹性伸长量:筋材在施加压力前由于受拉而伸长的长度- 混凝土收缩:混凝土在干燥过程中产生的收缩变形- 温度变化:结构受到温度变化时引起的伸缩变形- 板间摩擦力:预应力筋与混凝土之间由于摩擦力产生的伸长量。
设计伸长量复核一、计算公式及参数:1、预应力平均张拉力计算公式及参数:式中:Pp—预应力筋平均张拉力(N)P—预应力筋张拉端的张拉力(N)X—从张拉端至计算截面的孔道长度(m)θ—从张拉端至计算截面的曲线孔道部分切线的夹角之和(rad)k—孔道每米局部偏差对摩檫的影响系数,取0.002μ—预应力筋与孔道壁的摩檫系数,取0.142、预应力筋的理论伸长值计算公式及参数:式中:Pp—预应力筋平均张拉力(N)L—预应力筋的长度(mm)Ap—预应力筋的截面面积(mm2),取140 mm2Ep—预应力筋的弹性模量(N/ mm2),取1.95×105 N/ mm2二、伸长量计算:1、N1束一端的伸长量:单根钢绞线张拉的张拉力P=0.75×1860×140=195300NX=15.812/2=7.906mθ=11.4×π/180=0.19897radkx+μθ=0.002×7.906+0.14×0.19897=0.0436678Pp=195300×(1-e-0.0436678)/0.0436678=191097NΔL= PpL/(Ap Ep)=191097×7.906/(140×1.95×105)=55.3mm 与设计比较(55.3-57.1)/57.1=-3.15%2、N2束一端的伸长量:单根钢绞线张拉的张拉力P=0.75×1860×140=195300NX=15.821/2=7.9105mθ=12.8×π/180=0.2234radkx+μθ=0.002×7.9105+0.14×0.2234=0.047097Pp=195300×(1-e-0.047097)/0.047097=190772NΔL= PpL/(Ap Ep)=190772×7.9105/(140×1.95×105)=55.27mm 与设计比较(55.27-57.1)/57.1=-3.2%张拉时理论伸长量计算一、计算参数:1、K—孔道每米局部偏差对摩檫的影响系数:取0.0022、μ—预应力筋与孔道壁的摩檫系数:取0.143、Ap—预应力筋的实测截面面积:140 mm24、Ep—预应力筋实测弹性模量:2.02×105 N/ mm25、锚下控制应力:σk=0.75Ryb=0.75×1860=1395 N/ mm26、锚圈口摩阻损失:3.3%σk7、单根钢绞线张拉端的张拉控制力:P=103.3%×σkAp=201745N8、千斤顶计算长度:56cm9、工作锚长度:7cm10、限位板计算长度:2.5cm11、工具锚计算长度:不计二、张拉时理论伸长量计算:1、N1束一端的伸长量:X=15.812/2=7.906mL=7.906+(0.56+0.07+0.025)=8.561mθ=11.4×π/180=0.19897radkx+μθ=0.002×7.906+0.14×0.19897=0.0436678Pp=201745×(1-e-0.0436678)/0.0436678=197404NΔL= PpL/(Ap Ep)=197404×8.561/(140×2.02×105)=59.8mm 2、N2束一端的伸长量:X=15.821/2=7.9105mL=7.9105+(0.56+0.07+0.025)=8.566mθ=12.8×π/180=0.2234radkx+μθ=0.002×7.9105+0.14×0.2234=0.047097Pp=201745(1-e-0.047097)/0.047097=197068NΔL= PpL/(Ap Ep)=197068×8.566/(140×2.02×105)=59.7mm 第三章千斤顶张拉力与对应油表读数计算一、钢绞线的张拉控制应力:12根钢绞线束:σcon=103.3σk=103.3%×2343=2420.32KN二、1523号千斤顶张拉、0050号油表时:千斤顶回归方程:P=-0.35+0.01035F式中:P——油压表读数(MPa)F——千斤顶拉力(KN)(1)、10%σcon=242.032 KN时:P=-0.35+0.01035F=-0.35+0.01035×242.032=2.16MPa(2)、40%σcon=968.13KN时:P=-0.35+0.01035F=-0.35+0.01035×968.13=9.67 MPa(3)、70%σcon=1694.22KN时:P=-0.35+0.01035F=-0.35+0.01035×1694.22=17.19 MPa(4)、100%σcon=2420.32KN时:P=-0.35+0.01035F=-0.35+0.01035×2420.32=24.7 MPa三、1524号千斤顶张拉、0054号油表时:千斤顶回归方程:P=0.21+0.01022F:式中:P——油压表读数(MPa)F——千斤顶拉力(KN)(1)、10%σcon=242.032KN时:P=0.21+0.01022F=0.21+0.01022×242.032=2.68 MPa(2)、40%σcon=968.13KN时:P=0.21+0.01022F=0.21+0.01022×968.13=10.10 MPa (3)、70%σcon=1694.22KN时:P=0.21+0.01022F=0.21+0.01022×1694.22=17.52 MPa (4)、100%σcon=2420.32KN时:P=0.21+0.01022F=0.21+0.01022×2420.32=24.95 MPa 四、1525号千斤顶张拉、0077号油表时:千斤顶回归方程:P=-0.47+0.01024F:式中:P——油压表读数(MPa)F——千斤顶拉力(KN)(1)、10%σcon=242.032KN时:P=-0.47+0.01024F=-0.47+0.01024×242.032=2.0 MPa (2)、40%σcon=968.13KN时P=-0.47+0.01024F=-0.47+0.01024×968.13=9.44 MPa (3)、70%σcon=1694.22KN时:P=-0.47+0.01024F=-0.47+0.01024×1694.22=16.88 MPa (4)、100%σcon=2420.32KN时:P=-0.47+0.01024F=-0.47+0.01024×2420.32=24.31 MPa 五、1526号千斤顶张拉、0064号油表时:千斤顶回归方程:P=-0.05+0.01021F:式中:P——油压表读数(MPa)F——千斤顶拉力(KN)(1)、10%σcon=242.032KN时:P=-0.05+0.01021F=-0.05+0.01021×242.032=2.42 MPa (2)、40%σcon=968.13KN时P=-0.05+0.01021F=-0.05+0.01021×968.13=9.83 MPa (3)、70%σcon=1694.22KN时:P=-0.05+0.01021F=-0.05+0.01021×1694.22=17.24 MPa (4)、100%σcon=2420.32KN时:P=-0.05+0.01021F=-0.05+0.01021×2420.32=24.66 MPa。
关于预应力筋理论伸长值和张拉实际伸长值△L的计算据《公路桥涵施工技术规范》(JTJ041-2000)简称“桥施规”第12.8.3条规定:“预应力筋采用预应力控制方法张拉时,应以伸长值进行校核。
实际伸长值与理论伸长值的差值应符合设计要求,设计无规定时,实际伸长值与理论伸长值的差值应控制在6%以内,否则应暂停张拉,待查明原因并采取措施予以调整后,方可继续张拉”。
对预应力筋采用预应力控制张拉及预应力筋伸长量校核的情况,作如下介绍:一、预应力筋理论伸长值△L的计算,按“桥施规”129页(12.8 3-1)公式采用,即:△L=P P L/A P E P公式中各参数的选用:P P-------预应力筋张拉端的平均张拉力(N)直线段:P P=P(1-e-kL)/KL曲线段:P p=P[1-e-(KL+μθ)]/(KL+μθ)式中:P-------预应力筋张拉端的拉力(KN);e-------自然对数的底数e=2.718281828;K、μ------参数,按“桥施规”第339页附表G—8选用,当采用塑料波纹管时,μ值可用0.14;K值可用0.0015;θ-------从张拉端到计算截面曲线孔道的部分切线夹角之和(rad);当钢束全长中,即有平曲线孔道,或者平、竖曲线组合孔道时,可取其切线夹角θP(平曲线切线夹角),θS竖向切线夹角的平方和的平方根计算即:θ=∑n1(QP2+θs2)1/2L---------预应力筋长度,是从计算截面至张拉端前锚夹片间各直线、曲线段的长度。
钢束计算截面确定:当两端张拉时,钢束布置多是以构件中心线对称布置,是以构件中线(跨中)为计算截面;当钢束布置不是以构件中心对称布置时,应以钢束两端张拉力克服摩阻力后终点力相等处为计算截面。
预应力筋的截面面积Ap;采用厂家提供的面积。
预应力筋的弹性模量Ep;采用厂家提供的弹模。
二、预应力筋的理论伸长值△L计算:一般采用精确计算法分段计算,即按直线段、曲线段长度(X),分别计算出其伸长量(△L i)再总加起来,故:△L=∑n1△Li△Li=Pi﹒X/A p﹒E pX(=△L i)---------直线段或曲线段的长度(m)三、预应力筋张拉时,实际伸长值据“桥施规”应当为:△L=△L1+△L2-C-△a式中:△L1----------从初始加力20%σcon开始,到控制张拉力100%σcon为此,期间的实测伸长量为(mm)。
关于预应力筋理论伸长值和张拉实际伸长值△L的计算据《公路桥涵施工技术规范》(JTJ041-2000)简称“桥施规”第12.8.3条规定:“预应力筋采用预应力控制方法张拉时,应以伸长值进行校核。
实际伸长值与理论伸长值的差值应符合设计要求,设计无规定时,实际伸长值与理论伸长值的差值应控制在6%以内,否则应暂停张拉,待查明原因并采取措施予以调整后,方可继续张拉”。
对预应力筋采用预应力控制张拉及预应力筋伸长量校核的情况,作如下介绍:一、预应力筋理论伸长值△L的计算,按“桥施规”129页(12.8 3-1)公式采用,即:△ L=P P L/A P E P公式中各参数的选用:P P-------预应力筋张拉端的平均张拉力(N)直线段:P P=P(1-e-kL)/KL曲线段:P p=P[1-e-(KL+μθ)]/(KL+μθ)式中:P-------预应力筋张拉端的拉力(KN);e-------自然对数的底数e=2.718281828;K、μ------参数,按“桥施规”第339页附表G—8选用,当采用塑料波纹管时,μ值可用0.14;K值可用0.0015;θ-------从张拉端到计算截面曲线孔道的部分切线夹角之和(rad);当钢束全长中,即有平曲线孔道,或者平、竖曲线组合孔道时,可取其切线夹角θP(平曲线切线夹角),θS竖向切线夹角的平方和的平方根计算即:θ=∑n1(QP2+θs2)1/2L---------预应力筋长度,是从计算截面至张拉端前锚夹片间各直线、曲线段的长度。
钢束计算截面确定:当两端张拉时,钢束布置多是以构件中心线对称布置,是以构件中线(跨中)为计算截面;当钢束布置不是以构件中心对称布置时,应以钢束两端张拉力克服摩阻力后终点力相等处为计算截面。
预应力筋的截面面积Ap;采用厂家提供的面积。
预应力筋的弹性模量Ep;采用厂家提供的弹模。
二、预应力筋的理论伸长值△L计算:一般采用精确计算法分段计算,即按直线段、曲线段长度(X),分别计算出其伸长量(△L i)再总加起来,故:△L=∑n1△Li△Li=Pi﹒X/A p﹒E pX(=△L i)---------直线段或曲线段的长度(m)三、预应力筋张拉时,实际伸长值据“桥施规”应当为:△L=△L1+△L2-C-△a式中:△L1----------从初始加力20%σcon开始,到控制张拉力100%σcon为此,期间的实测伸长量为(mm)。
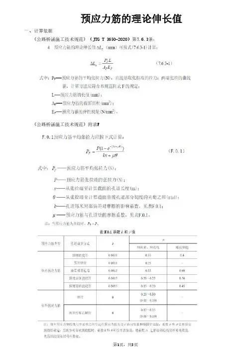
一、计算依据《公路桥涵施工技术规范》(JTG T 3650-2020)第7.6.3条:《公路桥涵施工技术规范》附录F二、相关参数取值控到每米局部偏差对摩擦的影响系数k=0.0015预应力筋与孔道壁的摩擦系数μ=0.25张拉控制应力σcon=1395.0MPa 预应力筋截面面积:钢束束数8截面面积Ap=1112.0mm2预应力筋弹性模量:Ep=195000.0MPa 预应力张拉端的张拉力P=1551240.0N三、根据图纸,钢绞线的相关参数【对于两端张拉,按半跨计算】1、锚外直线段长度:xo=0.0mmθo=0.0000rad2、斜直线段长度:x1=3508.3mmθ1=0.0000rad3、竖弯曲线段长度:x2=3403.4mmθ2=0.1134rad4、水平直线段长度:x3=5317.5mmθ3=0.0000rad四、预应力筋的平均张拉力:1、斜直线段预应力筋平均张拉力P1:P1=1547165.5N斜直线段末端张拉力P1'P1'=1543098.1N2、竖弯曲线段预应力筋平均张拉力P2:P2=1517562.6N竖弯曲线段末端张拉力P2'P2'=1492310.3N3、水平直线段预应力筋平均张拉力P3:P3=1486374.6N五、伸长量计算:1、锚外直线段(工作段)理论伸长量:ΔL1=0.0mm2、斜直线段预应力筋理论伸长量:ΔL2=25.0mm3、竖弯曲线段预应力筋理论伸长量:ΔL3=23.8mm4、水平直线段预应力筋理论伸长量:ΔL4=36.4mm预应力筋的理论伸长值ΔL=85.3mm。
预应力钢绞线张拉理论伸长量计算公式:ΔL=(PpL)/(ApEp)式中:Pp――预应力筋的平均张拉力(N)L――预应力筋的长度(mm)Ap――预应力筋的截面面积(mm2)Ep――预应力筋的弹性模量(N/mm2)Pp=P(1-e-(kx+μθ))/(kx+μθ)式中:Pp――预应力筋平均张拉力(N)P――预应力筋张拉端的张拉力(N)x――从张拉端至计算截面的孔道长度(m)θ――从张拉端至计算截面曲线孔道部分切线的夹角之和(rad)k――孔道每米局部偏差对摩擦的影响系数μ――预应力筋与孔道壁的摩擦系数注:当预应力筋为直线时Pp=P如果还不会算的话我这里有做好的EXCEL表格,你可以直接输入各种数进行计算。
理论伸长值计算公式曲线预应力筋的理论张拉伸长值△LT按以下近似公式计算:△LT=(1+exp[-(k LT+ uθ)]) Fj/(2ApEp) LT式中:Fj ——预应力筋的张拉力;Ap ——预应力筋的截面面积;Ep ——预应力筋的弹性模量;LT ——从张拉端至固定端的孔道长度(m);K ——每米孔道局部偏差摩擦影响系数;u ——预应力筋与孔道壁之间的摩擦系数;θ ——从张拉端至固定端曲线孔道部分切线的总夹角(rad)预应力束摩擦系数表预应力筋种类k u有粘结钢绞线(预埋波纹管)无粘结钢绞线25m箱梁预应力张拉计算书管理提醒:本帖被6 从【桥梁隧道】移动到本区(2007-10-25)CK0+立交桥箱梁,设计采用标准强度fpk=1860MPa的高强低松弛钢绞线,公称直径,公称面积Ag=139mm2,弹性模量Eg=×105MP。
为保证施工符合设计要求,施工中采用油压表读数和钢绞线拉伸量测定值双控。
理论伸长量计算采用《公路桥梁施工技术规范》JTJ041-200 2附表G-8预应力钢绞线理论伸长量及平均张拉应力计算公式。
一、计算公式及参数:1、预应力平均张拉力计算公式及参数:式中:Pp—预应力筋平均张拉力(N)P—预应力筋张拉端的张拉力(N)X—从张拉端至计算截面的孔道长度(m)θ—从张拉端至计算截面的曲线孔道部分切线的夹角之和(rad)k—孔道每米局部偏差对摩擦的影响系数:取u—预应力筋与孔道壁的磨擦系数,取2、预应力筋的理论伸长值计算公式及参数:△L=PpL/(ApEp)式中:Pp—预应力筋平均张拉力(N)L—预应力筋的长度(mm)Ap—预应力筋的截面面积(mm2),取139mm2Ep—预应力筋的弹性模量(N/mm2),取×105N/mm2二、伸长量计算:1、N1束一端的伸长量:单根钢绞线张拉的张拉力P=×1860×139=193905NX直=;X曲=θ=×180=KX曲+uθ=×+×=Pp=193905×()/=187644N△L曲=PpL/(ApEp)=187644×(139××105)=△L直=PpL/(ApEp)=187644×(139××105)=△L曲+△L直=+=2、N2束一端的伸长量:单根钢绞线张拉的张拉力:P=×1860×139=193905NX直=;X曲=θ=×π/180=KX曲+uθ=×+×=Pp=193905×(1-)/=187653N△L曲=PpL/(ApEp)=187653×(139××105)=△L直=PpL/(ApEp)=187653×(139××105)=(△L曲+△L直)*2=(+)*2=第二章张拉时理论伸长量计算一、计算参数:1、K—孔道每米局部偏差对摩擦的影响系数:取2、u—预应力筋与孔道壁的摩擦系数:取3、Ap—预应力筋的实测截面面积:139mm24、Ep—预应力筋实测弹性模量:×105N/mm25、锚下控制应力:σk==×1860=1395N/mm26、单根钢绞线张拉端的张拉控制力:P=σkAp=193905N7、千斤顶计算长度:60cm8、工具锚长度:7cm二、张拉时理论伸长量计算:以N1束钢绞线为例:N1束一端的伸长量:式中:P—油压表读数(MPa)F—千斤顶拉力(KN)P=P1时,(1)15%σcon=时:P=-+=-+×=(3)30%σcon=时:P=-+=-+×=(4)100%σcon=时:P=-+=-+×=(5)103%σcon=时:P=-+=-+×=P=P2时,(1)15%σcon=时:P=-+=-+×203. 6= (3)30%σcon=时:P=-+=-+×=(4)100%σcon=时:P=-+=-+×=(5)103%σcon=时:。
1、预应力筋的理论伸长值L (mm)的计算:式中:P P——预应力筋的平均张拉力(N),直线筋取张拉端的拉力,两端张拉的曲线筋,计算方法见附后。
L——预应力筋的长度(mm);A P——预应力筋的截面面积(mm2);E P——预应力筋的弹性模量(N/mm2)。
关于P p的计算:P p= P[1-e-(kx+uθ)]/(kx+uθ):P:张拉端钢绞线张拉力。
将钢绞线分段计算后,为每分段的起点张拉力P q。
即为前段的终点张拉力P z=P q* e-(kx+uθ)(N)X:从张拉端至计算截面的孔道长度(m);θ:从张拉端至计算截面曲线孔道部分切线的切角之和(rad);K:孔道每m局部偏差对摩擦的影响系数;U:预应力钢材与孔道壁的摩擦系数;2、计算中有关数据A P1=140×3=420mm2;A P2=140×4=560mm2R by=1860Mpaσk= 0.75R by=1395MpaE g=1.95×105MpaK=0.0015;U=0.253、20m预制箱梁中跨(0度)N1#钢绞线伸长量计算如下:(1)考虑到实际施工中采用穿心式千斤顶,所以钢绞线长度应计入千斤顶长度,YDC1500型千斤顶回程后的长度为450mm。
(2)钢绞线箱梁钢绞线为对称布置,为方便计算,以下计算取半块箱梁考虑。
直线段长L1:0.72+0.45=1.17m;曲线段长L2:0.786m;θ = 0.0314159rad直线段长L3:4.315m;曲线段长L4:3.05m;θ =0.087266rad直线段长L5:0.929m;4、P p的计算P =σcon×420 =бk×560 = 1395×560=781200NP p1 =P q [1-e-(kx+uθ)]/(kx+uθ)=781200×(1-)/0.001755=780514.9NP p2 =P q[1-e-(kx+uθ)]/(kx+uθ)=781200××(1-0.9910077)/0.009033=776318.68NP p3 =P q[1-e-(kx+uθ)]/(kx+uθ)=781200××0.9910077×(1-)/0.0064725=770322.08NP p4 =P q[1-e-(kx+uθ)]/(kx+uθ)=781200××0.9910077××(1-)/0.0263915=757788.25NP p5 =P q[1-e-(kx+uθ)]/(kx+uθ)=781200××0.9910077×××(1-)/0.0013935=747311.84N5、钢绞线理论伸长值计算①当σ=σcon时直线L1部分:△L = P p1×L1/(A p×E p)=780514.9×1170/(560×1.95×105)=8.36mm曲线L2部分:△L = P p2×L2/(A p×E p)=776318.68×786/(560×1.95×105)=5.59mm直线L3部分:△L = P p3×L3/(A p×E p)=770322.08×4315/(560×1.95×105)=30.4mm曲线L4部分:△L = P p4×L4/(A p×E p)=757788.25×3050/(560×1.95×105)=21.2mm直线L5部分:△L = P p5×L5/(A p×E p)=747311.84×929/(560×1.95×105)=6.36mm∑△L = (8.36+5.59+30.4+21.2+6.36)×2=143.8mm ②当σ= 0.15σcon时△L = 0.15×143.8=21.6mm③当σ= 0.3σcon时△L=0.3×143.8=43.1mm。
预应力筋理论伸长值△L 计算方法计算预应力筋理论伸长值时,将直线段与曲线段拆分开,分段计算各个伸长量,再将各段的伸长值一次相加,可得整个钢绞线的伸长值,具体计算如下:1、预应力筋理论伸长值△L(mm)计算: △L=PP P E A L P式中:Pp ——预应力筋的平均张拉力(N ),直线段取张拉端的拉力,曲线是按下一步的2式计算; L ——预应力筋的长度(mm ); Ap ——预应力筋的截面面积(mm 2); Ep ——预应力筋的弹性模量(N/mm 2); 2、预应力筋的平均张拉Pp (N )计算: Pp=P con ×[1-e-(kx+µθ)]/(kx+µθ)式中:P con ——预应力筋张拉端张拉力(N ); X ——从张拉端至尾端的孔道长度(m );θ ——曲线孔道切线夹角(rad );弧度θ=角度α×л÷180;k ——孔道每米局部偏差对摩擦系数的影响k=0.0015; µ——钢绞线与孔道壁的摩擦系数;取0.2~0.25; e ——取2.718;3、预应力筋张拉端张拉力P coni 经孔道摩擦阻力后尾端的张拉力P wj :P wj=P coni×e-(kx+µθ)式中:P wj——经过长度L后预应力筋的终点处张拉力,N;P coni——预应力筋起点处张拉力,N;注:i、j为连续两断面点;后一段钢绞线张拉端张拉力P con 等于前一段钢绞线尾端张拉力P w;例:以环岛路(太阳岛—仙足岛)衔接改造工程中第一联4×30.5m 底板B2为例计算预应力钢绞线理论伸长量(已知如下图,预应力筋采用7-Φs15.20高强度低松弛钢绞线,标准强度f pk=1860MPa,Ep=195000MPa,控制张拉力б=0.75f pk)解:如上图,B2预应力筋可分成直线AB(L=2173mm)、曲线BC (L=1260mm,θ=90,R=8000,rad=90×л÷180=0.1571)、直线CD(L=33519mm )、曲线DE (L=487mm ,θ=60,R=6000,rad=60×л÷180=0.1047)、直线EF(L=1237mm),1、AB 段:张拉端的控制张拉力:P AB =f pk ×75%×A P ×n=1860×0.75×140×7=1367100NAB 端的平均张拉力:Pp=P AB =1367100N △L AB =PP P E A LP =1367100×2173÷(140×7×195000)=15.56mm2、BC 段:张拉端的控制张拉力:P BC =P WAB =P AB ×e-(kx+µθ)=1367100×e-(0.0015×2.173)=1362651.192NBC 段平均张拉力:Pp=P BC ×[1-e-(kx+µθ)]/(kx+µθ)=1362651.192×[1-e-(0.00151.26+0.250.157)]÷(0.0015×1.26+0.25×0.1571) =1334985.344N △L BC =PP P E A L P =1334985.344×1260÷(140×7×195000)=8.8mm30、CD 段:张拉端的张拉力:P CD =P WBC =P BC ×e-(kx+µθ)=1307696.520NCD 段平均张拉力:Pp=P CD =1307696.520N △L CD =PP P E A L P =229.37mm40、DE 段:张拉端的张拉力:P DE =P WCD =P CD ×e -(kx+µθ)=1243573.025NDE 段平均张拉力:Pp=P DE ×[1-e-(kx+µθ)]/(kx+µθ)=1226992.582N △LDE=PP P E A L P =3.12mm50、EF 段:张拉端的张拉力:P EF =P WDE =P DE ×e-(kx+µθ)=1210560.176NEF 段平均张拉力:Pp=P EF =1210560.176N △L EF =7.836mm则预应力筋B2最终理论伸长量:△LEF=△L AB +△L BC +△L CD +△L DE +△L EF=264.686mm (设计263mm )。
预应力筋张拉力及钢束伸长量计算伸长量计算按下式计算:∆=PpL/ApEp预应力筋平均张拉力按下式计算:Pp=P(1-e-(κχ +μθ))/(κχ +μθ)式中:Pp—预应力筋平均张拉力(N);P—预应力筋张拉端的张拉力(N);x—从张拉端至计算截面的孔道长度(m);θ—从张拉端至计算截面曲线孔道部分切线的夹角之和(rad);k—孔道每米局部偏差对磨擦的影响系数k=0.0015;μ—预应力筋与孔壁的磨擦系数μ=0.15;Ep—预应力筋的弹性模量Ep=1.95×105Mpa;Ap—预应力筋的截面面积Ap=139mm2;L—预应力筋的长度(mm)。
注:当预应力筋为直线时Pp=P。
计算结果如下:中跨、边跨(负弯矩)T1 P=1860×139×5×0.75=969525(N)θ=2.86π/180=0.04991641661(rad)χ=8.3/2-0.65+0.4-2.099=1.801(m)κχ=0.0015×1.801=0.0027015μθ=0.15×0.04991641661=0.007487462492κχ+μθ=0.01018896Pp=969525 ×(1-e-0.01018896)/ 0.01018896=964602.5068(N)∆=(969525×2.099+964602.5068×1.801)×2/(139×5×1.95×105)=5.6cmT2 P=1860×139×4×0.75=775620(N)θ=2.86π/180=0.04991641661 (rad)χ=14.3/2-0.65+0.4-5.099=1.801(m)κχ=0.0015×1.801=0.0027015μθ=0.15×0.04991641661=0.007487462κχ+μθ=0.010188962Pp=775620×(1-e-0.010188962)/ 0.010188962=771682.0047(N)∆=(775620×5.099+771682.0047×1.801)×2/(139×4×1.95×105)=9.9cmT3= T2=9.9cm钢束伸长量一览表单位:cm后背沟中桥箱梁张拉伸长量统计表钢束伸长量一览表单位:cm。
后张法预应力张拉伸长 量计算与测定分析一、理论伸长量计算 1、理论公式:(1)根据《公路桥涵施工技术规范》(JTJ041—2000),钢绞线理论伸长量计算公式如下:PP P E A LP L =∆ ①()()μθμθ+-=+-kx e P P kx P 1 ②式中:P P ——预应力筋的平均张拉力(N ),直线筋取张拉端的拉力,曲线筋计算方法见②式;L ——预应力筋的长度;A P ——预应力筋的截面面积(mm 2);E P ——预应力筋的弹性模量(N/mm 2); P ——预应力筋张拉端的张拉力(N );x ——从张拉端至计算截面的孔道长度(m);θ——从张拉端至计算截面的孔道部分切线的夹角之和(rad);k ——孔道每米局部偏差对摩擦的影响系数;μ——预应力筋与孔道壁的摩擦系数。
(2)计算理论伸长值,要先确定预应力筋的工作长度和线型段落的划分。
后张法钢绞线型既有直线又有曲线,由于不同线型区间的平均应力会有很大差异,因此需要分段计算伸长值,然后累加。
于是上式中:i L L L L ∆+∆+∆=∆ 21PP ip iE A L P L i =∆ P p 值不是定值,而是克服了从张拉端至第i —1段的摩阻力后的剩余有效拉力值,所以表示成“Pp i ”更为合适;(3)计算时也可采取应力计算方法,各点应力公式如下:()()()()111--+--⨯=i i kx i i eμθσσ各点平均应力公式为:()()ii kx i pikx e iiμθσσμθ+-=+-1 各点伸长值计算公式为:pip i E x L iσ=∆ 2、根据规范中理论伸长值的公式,举例说明计算方法:某后张预应力连续箱梁,其中4*25米联内既有单端张拉,也有两端张拉。
箱梁中预应力钢束采用高强度低松弛钢绞线(Φ),极限抗拉强度f p =1860Mpa ,锚下控制应力б0==1395Mpa 。
K 取m ,µ=。
(1)单端张拉预应力筋理论伸长值计算:预应力筋分布图(1)伸长值计算如下表:(2)两端非对称张拉计算:预应力筋分布图(2)伸长值计算如下表:若预应力钢筋为两端对称张拉,则只需计算出一半预应力筋的伸长值,然后乘以2即得总的伸长量。
T形刚构桥预应力筋张拉伸长值的计算与校核预应力筋张拉时的控制应力,应以张拉时的实际伸长值与理论计算伸长值进行校核。
实际伸长值与理论伸长值相差应控制在6%以内,否则应暂停张拉,查明原因并采取措施加以调整后,再继续进行张拉。
理论伸长值的计算及实际伸长值的量测方法如下:一、预应力筋理论伸长值及预应力筋平均张拉力的计算公式如下:△L=P P×L/(A P×E P) (1)P P=P×〔1-e-(kL+μθ)〕/(KL+μθ) (2)式中:△L----预应力筋理论伸长值,cmP P----预应力筋的平均张拉力,NL ---- 从张拉端至计算截面孔道长度,cmA P ----预应力筋截面面积,mm2取139E P ----预应力筋的弹性模量,Mpa,取产品出厂合格证中的平均弹性模量2.0×105Mpa(本次计算按1.95×105Mpa)P----预应力筋张拉端的张拉力,Nθ----从张拉端至计算截面曲线孔道部分切线的夹角之和,rad k----孔道每米局部偏差对磨擦的影响系数,取0.0015μ----预应力筋与孔道壁的摩擦系数,取0.17当孔道为直线时,θ=0,预应力筋理论伸长值可简化如下:△L=P×L/(A P×E P) (3)式中预应力筋的张拉力P按下式计算P=σk×A g×n×b (4)式中:P----预应力筋的张拉力, Nσk----预应力筋的张拉控制应力,Mpa,取1395 MpaA g ----每根预应力筋的截面面积,mm2,取139 mm2n ----同时张拉预应力筋的根数。
b ----超张拉系数,不超张拉时为1.0二、σk为1395Mpa时预应力筋理论伸长值的具体计算过程(N1)设计图中给定各钢束的控制张拉力Ni=193.9×股数(KN) 钢绞线N1的理论伸长值由公式(4)可得出P平=581.7 KN由公式(3)可得出△L= 5.526cm扣除10%的初张值后为4.9735cm,与设计理论值误差仅为0.136cm 主要原因为:钢绞线的截面面积与弹性模量取值不同,设计院是按规范标准取值,而我单位是根据钢绞线出厂合格证取值。
预应力张拉与伸长量计算在建筑工程和桥梁建设等领域,预应力技术的应用日益广泛。
预应力张拉作为其中的关键环节,直接关系到结构的安全性和稳定性。
而伸长量的计算则是对预应力张拉效果的重要评估手段。
预应力,简单来说,就是在结构承受荷载之前,预先对其施加一定的压力,以提高结构的承载能力和抗裂性能。
预应力张拉就是通过特定的设备和方法,将预应力筋按照设计要求施加拉力,使其达到预定的应力状态。
在进行预应力张拉时,需要选择合适的张拉设备。
常见的有千斤顶、油泵等。
千斤顶的类型和规格应根据预应力筋的类型、数量和张拉力大小来确定。
油泵则为千斤顶提供动力,确保张拉过程的平稳和可控。
预应力筋的布置也是至关重要的。
它需要根据结构的受力特点和设计要求,合理地分布在结构内部。
在布置时,要考虑到预应力筋的走向、间距以及锚固位置等因素,以保证预应力能够有效地传递到结构中。
接下来,我们重点谈谈预应力伸长量的计算。
伸长量的计算是为了检验预应力张拉是否达到了设计要求。
如果伸长量与理论计算值相差过大,就可能意味着预应力施工存在问题。
预应力筋的伸长量主要由两部分组成:一是初始伸长量,二是在张拉过程中的弹性伸长量。
初始伸长量通常较小,可以通过实验或经验数据来确定。
弹性伸长量则可以通过材料力学的公式进行计算。
计算弹性伸长量时,需要用到预应力筋的弹性模量、截面积以及张拉力等参数。
弹性模量是材料的固有属性,表示材料在受力时抵抗变形的能力。
截面积则决定了预应力筋的受力面积。
张拉力则是施加在预应力筋上的外力。
具体的计算公式为:ΔL =(P×L) /(A×E) ,其中ΔL 表示伸长量,P 表示张拉力,L 表示预应力筋的长度,A 表示预应力筋的截面积,E 表示预应力筋的弹性模量。
在实际计算中,还需要考虑一些修正因素。
例如,摩擦损失会导致张拉力在传递过程中逐渐减小,从而影响伸长量。
因此,需要对张拉力进行修正。
此外,预应力筋的实际长度可能与计算长度存在差异,也需要进行相应的调整。
预应力筋伸长量计算与量测(全文)模板一:学术风格正文:1. 引言预应力筋是工程中常用的结构材料,它通过预先给钢筋施加一定的拉力,使其在工作状态下能够承受更大的拉力,提高结构的稳定性和承载能力。
预应力筋伸长量是在预应力构件受到外力作用时,筋材产生的变形量。
本文将介绍预应力筋伸长量的计算与量测方法。
2. 预应力筋伸长量计算方法2.1 线性弹性理论根据线性弹性理论,预应力筋的伸长量可以通过应力和截面的刚度计算得到。
公式如下:ΔL = (F * L) / (E * A)其中,ΔL为伸长量,F为预应力筋的拉力,L为筋材的长度,E为材料的弹性模量,A为截面的面积。
2.2 非线性弹性理论在某些情况下,预应力筋会超过线性弹性阶段,此时需要采用非线性弹性理论进行计算。
非线性弹性理论考虑了材料的强度和刚度的变化。
通常可以采用有限元分析等方法进行计算。
3. 预应力筋伸长量量测方法3.1 传统测量方法传统的预应力筋伸长量量测方法主要是通过测量筋材两端的位移差来计算得到。
可以使用激光测距仪、位移传感器等设备进行测量。
3.2 光纤传感测量方法光纤传感测量方法是近年来发展起来的一种新型测量方法。
通过将光纤布置在预应力筋附近,通过测量光纤传感器的信号变化来计算预应力筋的伸长量。
4. 法律名词及注释4.1 预应力技术预应力技术是一种通过给结构施加预先设置的张拉力或压力来改善结构性能的技术。
4.2 弹性模量弹性模量是材料在受到外力作用时产生应变的能力,是描述材料刚性程度的物理量。
5. 结束语通过本文的介绍,我们了解了预应力筋伸长量的计算方法和量测方法,希望对相关研究和工程实践有所。
附件:本文无附件法律名词及注释:1. 预应力技术:是指通过预先施加张拉力或压力来改善结构性能的技术。
2. 弹性模量:是材料在受到外力作用时产生应变的能力,是描述材料刚性程度的物理量。
模板二:实用风格正文:1. 简介预应力筋是建筑工程中常用的结构材料,通过施加拉力提高结构的稳定性和承载能力。
预应⼒张拉伸长量计算公式预应⼒张拉伸长量计算公式预应⼒筋理论伸长值△Lcp按以下公式计算:(由张拉10%到100%的伸长值)△Lcp = 0.9 Fpm Lp / Ap Ep式中:0.9 ——系数(由10% ~ 100%的伸长值折减系数)Fpm——预应⼒筋的平均张拉⼒NLp ——预应⼒筋的计算长度mmAp ——预应⼒筋的截⾯⾯积mm2Ep ——预应⼒筋的弹性模量=1.95×105 N/mm2 式中的“Fpm——预应⼒筋的平均张拉⼒N”较难求得。
由张拉⼒和第⼆项摩擦损失求得。
摩擦损失⼜有⼀个公式去求得:δl2=δcon*(1-1/e(kx+uθ))。
(kx+uθ)是指数。
15.24钢绞线公称⾯积钢铰线应是15.24mm的是美国标准,截⾯⾯积是140mm2,单位重是1.102每⽶。
15.2mm2的是中国的标准,截⾯是⼀样的为140mm2,单位重是1.101每⽶。
钢绞线张拉伸长量的计算桥梁结构常⽤钢绞线的规格⼀般是ASTM A416、270级低松弛钢绞线,公称直径为15.24mm,标准强度为1860MPa,弹性模量为195000MPa,桥梁施⼯中张拉控制应⼒(本⽂中⽤Ycon表⽰)⼀般为标准强度的75%即1395MPa。
本⽂重点介绍曲线布置的钢绞线伸长量计算,并给出CASIO fx-4800P计算器的计算程序,另外简要介绍千⽄顶标定的⼀些注意问题。
参照技术规范为《公路桥涵施⼯技术规范》(JTJ 041-2000)(以下简称《桥规》)。
⼀、直线布置的钢绞线伸长量计算:直线布置的钢绞线伸长量计算有两种计算⽅式:1、按照《桥规》第129页公式12.8.3-1计算,其中Pp平均张拉⼒在直线布置时即为张拉控制⼒,其余参数按照实际使⽤的钢绞线相应参数代⼊即可。
2、简化公式公式中Pp(单位:N)/Ap(单位:mm2)即平均张拉⼒/截⾯⾯积就是平均张拉应⼒(单位为MPa),本⽂中⽤Y表⽰,则公式可以简化为⊿L=Y*L/Ep。