电机使用说明书
- 格式:doc
- 大小:237.70 KB
- 文档页数:13
偏航电机使用说明书本手册介绍了YEJ电磁制动三相异步电机的安装及使用方法,请仔细阅读并妥善保管,以使电机能够安全可靠有效的运行。
一.概述YEJ电磁制动三相异步电机用于驱动风力发电机偏航用齿轮箱,电机设计电压及频率为400/690V 50Hz,也可根据用户需要派生制造。
电机非驱动端安装有电磁制动器,用于电机制动,具体使用方法将在本说明书第六部分给出。
电机安装有加热带,工作电压及频率为230V 50Hz。
同时,电机还安装有温度传感器,保护温度为100℃。
二.工作条件1.海拔不超过1000m。
2.运行时环境温度:-40℃~+55℃。
3.相对湿度不超过100%。
4.空气允许含盐且含有细沙。
5.电源电压变化不超过额定值的±5%。
6.电源频率变化不超过额定值的±1%。
7.电机工作制为S3,最长连续运行时间不超过1小时。
三.运输与储存1.装卸及运输中不得拆箱,避免雨淋和剧烈震动。
2.如不立即使用,对电机的轴伸应涂防锈剂或临时性涂封材料,包装箱内需衬油毛毡纸及塑料膜,并加干燥剂。
3.存放地点应清洁,通风良好,不得有腐蚀性气体,环境温度最好不低于+3℃,避免雨淋。
四.安装和使用1.清除机体内的灰尘及轴伸的防锈层。
2.仔细检查各零部件装配是否良好,紧固件有无松动现象。
3.检查导电接触部分是否良好,如有锈斑应清除之。
4.用手轻转电机轴伸,查看转动是否灵活,并细听内部有无摩擦或碰装等杂声。
5.检查电机铭牌数据是否符合要求。
6.用500兆欧表测量绕组相间及对机壳绝缘电阻,若测得的电阻不低于表1即可使用。
低于上述值时,需将电机拆开进行干燥处理,一般情况下保持100~110℃温度烘8~10小时,干燥过程中应做好测量记录,开始每小时测一次,以后每半小时测一次,直到绝缘电阻稳定合格为止。
若无烘干装置,亦可采用通入短路电流的方法进行,此时转子应堵转,定子输入 1.5倍以下额定电流,保持发热温度70~75℃。
表17.检查接地装置是否妥善并接好地线,地线应用裸线。
P05 Attentions P10 P11 Troubleshooti Quick cse _g u ide P04technical p aramete,PO7EC92 Electrostatic Air PurifierP08Speed,_Wlnd speed』wlnd speed ls dlvlded lnto three $talls lt /, ! 勺'as a comsponding wind 5peed,con on the contml panel宅?夕C.gn..,r,dn8加,3d迁n8galfe,gn六m忒心ggh伈”e市,l比n叫$h.2nbucn rdmg`2,汕"tr,noh”e ot9:wg比2hcssn-9勺on心吐.总rob39er�它芒tne'呤尸mkg旧气nCPhdty"戏AeP5cg_htd nhnllt.DnhACUV 芯忑芯芯aloto匹h心1佃nl伍,屈,“'心叩.“四chReset三千a;22二二.0:::立了二二芯°:,·肋飞:二”:车2aho n soquo n cat`O沁“如心.旧庙ou1中heo ld,hmI',/仓,J/夕J3�y芍i忽,/f勾气j'倡冒三,以户、立=n匀罢亏王仁==;_,purify functionI ntelligent ai「purifierfilte『S+8sf tBge pu『ification;::p::三::::三n ep;勹::,c.『e:r”:三:e;f::m5.:.二;i.h l;:「f二:::;u;?'::“二d c a nhepa亡:二,.二“二.二.。
二二°C:二:2:;二二.::::,二勹。
二二:二'.6.p.尸"'"叩r l n,h..凡m喊n l y知tho p心沁9`d P M 2.5. l t h邸·一毗中ngL中^`.l ll a nd l m l l l l l.ca『bon::三三芒芒:'s:0:0,::0:',三三三'",三二三了p:::三:二二can bo中".,...,..芒5三三立:芷二?忒u":二::二。
电机使用说明书Operati ng Manual概述本说明书适用于我公司生产的 YX3 YET 丫2、YVP YD 系列低压三相异步电动机及其派 生系列产品OverviewThe manual serves YX3 YET Y2、YVP YDSeries low voltage asynchronous motors and it's derivative products as well.开始使用Putt ing into use (start ing)收货检查Recepti on check收到电机后立即检查是否有损坏,如发现请立即拨打电话:0086-21-6463-1777,或发传真至0086-21-6463-7180,检查铭牌数据特别是额定电压、接线方式(星形或三角形) 是否与合同订货要求相符,用手转动电机轴检查轴转动是否灵活。
Immediately check the motor for exter nal damage upon receipt and if found, please inform us by telepho ne or fax without delay (Tel:0086-21-6463-1777, Fax:0086-21-6463-7180). Check all rating plate data, especially voltage and winding connection (star or delta). Turn shaft by hand to check for free rotati on.绝缘电阻检查In sulatio n resista nee check在电机调试前或怀疑线圈受潮时要测量电机的绝缘电阻, 在25C 时的绝缘电阻值应超过 以下表达式的值,表达式中:Measure the motor's in sulati on resista nee before commissi oning or whe n wi nding damp ness is suspected. in sulati on Resista nee, measured at 25 P = output power, kW.警告.温度每升高20C,绝缘电阻将降低一半,如果绝缘电阻值达不到计算值, 表明线圈已经C, shall exceed the followi ng refere nee value, i.e. where R:单位兆欧(用500V 绝缘电阻表测量) U 表示电压,单位V P 表示功率,单位kWR: M Q ( measured with 500 V dc Megger ) U = voltage, Volts; R=1000+P 100测量完绝缘电阻后应立即将测量线从电机上断开, 以免线圈再次受到高电压冲击。
目录第1章概述 (3)1.1说明 (3)1.2电动机概述 (3)1.2.1 基本技术参数及要求 (3)1.2.2 结构概述 (4)第2章运输与储存 (5)2.1运输 (5)2.2吊装电动机 (5)2.2.1 吊装一般电动机 (5)2.2.2 吊装带安装底板的电动机 (5)2.2.3 吊装立式电动机 (5)2.3拆箱 (5)2.4储存 (6)第3章安装及调整 (7)3.1安装前的准备 (7)3.1.1 检查 (7)3.1.2 联轴器的组装 (7)3.2安装 (8)3.3调正 (8)3.4绝缘性能测试 (8)3.4.1 用兆欧表测量定子和转子的绝缘电阻 (8)3.4.2 干燥处理 (9)第4章机械和电气 (10)4.1机械连接 (10)4.1.1 冷却器连接 (10)4.1.2 滑动轴承供油 (10)4.2电气连接 (10)4.2.1 接线 (10)4.2.2 电气及附属设备检查 (10)第5章起动及停车 (12)5.1试起动 (12)5.2转动方向 (12)5.3起动与停车 (12)第6章日常维护 (13)6.1润滑 (13)6.1.1 滚动轴承的润滑 (13)6.1.2 滑动轴承的润滑 (13)6.2振动和噪音 (13)6.3湿度 (13)6.4温度 (13)6.5绝缘电阻的最小值 (14)6.6轴承的更换 (14)6.7定期检查 (15)第7章常见故障及原因分析 (16)第1章概述1.1 说明本说明书为我公司电动机的随机文件。
其中介绍了电动机的结构、储运、安装的要求和注意事项,以及使用、维护电动机的要求、方法和注意事项,使用维护人员必须认真阅读此说明书。
认真审阅电动机上的铭牌、标牌、警示牌等。
使用单位应对操作人员进行专业培训后,方能上岗作业。
只有严格按照本使用说明书、铭牌、标牌、接线牌和警示牌进行安装、使用和维护电动机,我公司才承担相关“三包”责任。
本说明书不可能包括安装、使用和维护方面一切可能发生的问题,如果所发生的问题未包括在本使用说明书和其他随机资料中,用户自己又难以解决,请与本公司联系。
2、在额定工作状态下,电动机外壳表面温度,煤矿用+彳1丨超过+200°C,但有煤粉堆积在电动机外表面是,不得超过+150°C,工厂用不得超过表4的规比。
进线口外的温度不得高于所3、电动机与电源电缆的连接。
★电源引入电缆的外经要与密封圈的孔径相符,密封圈规格见及5(町根据引入电缆外径大小剥去密封圈同心圆)。
配合直径差不人于1mm,当压紧接线盒斗/T;•,应保证密封圈与电缆之间及密封圈与接线盒座之间无间隙,否则将失去隔爆性能。
(密封圈结构见图3)表5'请用A在安装和使用电动机之前,各方面的专业技术人员和操作人员必须认真阅读此使用维护说叫书,并参照执行。
1、安装前的准备★ 1电动机汗箱前应检杳包装箱是否完整无损;★电动机开箱后应小心淸除电动机的尘土和防锈涂封;★电动机安装前须进行下列各项检查,如不符合耍求,则不准投入使用。
.a、有防爆标志和防爆合格证编号,并与电动机的使爪场所要求一致;b、隔爆外壳各零部件连接正确,紧固可靠;c、所有隔爆零件应无裂纹和影响隔爆性能的缺陷(未拆过的新电机可不检查);d、轴承润滑脂注排油装置畅通;e、定子绕组与机壳间绝缘电阻:额定电压660V时,不低于;额定电压1140V 时,不低于。
2、电动机采用弹性联轴器传动,电动机与被传动的主机轴中心线要保持一致,否则会引起轴承损坏和轴断裂。
★引入的电线芯线要接在两弓形垫圈之间,注意芯线的飞刺不要突出,引入电缆还须用接线压板和弓形垫圈压紧固定,防止窜动。
★六端子接线盒通过连接片改变接法,可适应两种不同电压需要(见图3),有两个进线口可引入两根多芯电缆的接线盒,当引入一根多芯电缆只使用一个进线口时,另一个进线口的堵棒不得拿掉,否则将失去防爆性能。
★电动机的相序U、V、W须与接入外电源相序A、B、C相对应,电动机转向从轴伸端视之为顺时针方向,否则电动机将反转,见表6Y接U2产品使用维护说明书表6★电动机接线U,经检汽确认无误后方可接通电源进行空载试运转,并观察电机打尤片常现象,待9转正常后投入负荷运行。
电动机使用方法说明书使用方法说明书1. 概述电动机是一种将电能转换为机械能的设备。
本说明书旨在向用户介绍电动机的正确使用方法,以确保其安全性和性能。
2. 安装a. 安装环境:选择干燥、通风良好的地方安装电动机,确保周围无易燃、易爆或腐蚀性气体。
b. 安装基础:确保电动机安装基础坚固平整,以减少振动和噪音。
c. 安装定位:根据设备要求,正确定位电动机,确保与传动系统连接紧密。
3. 连接电源a. 选择电源:根据电动机额定电压和频率选择相应的电源。
b. 连接电源:使用正确的电源连接器将电动机连接到电源线路。
确保连接正确牢固,避免产生电火花等危险。
4. 操作a. 开启电动机:在电动机前方找到电源开关,并将其调到“ON”位置,确保电源供应正常。
b. 调节转速:根据需要,使用速度调节器调节电动机的转速。
注意根据额定负载和加速度要求来调节转速,避免超负荷运行。
c. 停止电动机:将电源开关调到“OFF”位置,停止电动机运行。
5. 维护a. 定期检查:定期检查电动机的外观、电缆连接等是否正常,如有异常及时采取维修措施。
b. 清洁保养:保持电动机表面清洁,定期清除灰尘和杂质,以保证散热良好。
c. 润滑维护:根据使用要求,定期给电动机润滑部位添加适量的润滑剂。
d. 维修保养:如需更换零部件或进行维修保养,请联系专业技术人员进行操作。
6. 安全注意事项a. 高温:电动机在运行过程中会产生高温,避免长时间触摸电动机表面,以免烫伤。
b. 电击:在操作或维护时,确保电动机与电源断开连接,避免电击伤害。
c. 超负荷:根据设备要求,避免将电动机用于超负荷运行,以免引起设备故障或人身伤害。
7. 故障排除a. 停电:如电动机突然停电,请检查电源连接是否良好,并排除可能的电路故障。
b. 异常噪音:如电动机运行时发出异常噪音,请检查电动机及传动系统是否正常,如需更换零部件请联系专业技术人员。
c. 异常震动:如电动机运行时产生明显震动,请检查其安装是否牢固,并确保与传动系统配合正常。
1 概述本说明书提供了有关同步电机(含同步发电机、同步电动机及同步调相机)的收货、存放、安装、运行以及维护方面的说明及指导。
本说明书仅涉及各类卧式同步电机、对于立式同步电机,除了采用本说明书外,尚需专用说明书予以充实。
在本说明书或外形图中,未曾涉及到的有关安装、运行、维护方面所发生的问题,请与我厂联系。
只有严格按照外形图及使用说明书的要求,进行安装、运行及维护,方能确保电机长期、安全、可靠的使用。
电机的基本技术要求按GB 755,IEC 34-1。
1.1 电机的主要部件电机的主要部件有:定子、转子、滑动轴承(端盖式滑动轴承或座式滑动轴承)或滚动轴承、端盖、出线盒、底架、集电环或无刷励磁机等。
有时还可能有通风顶罩、冷却器、静止励磁装置等。
通风顶罩是可变部件,通过变更顶罩的结构,可以达到具体运行条件所需的各种防护等级或噪声控制等目的。
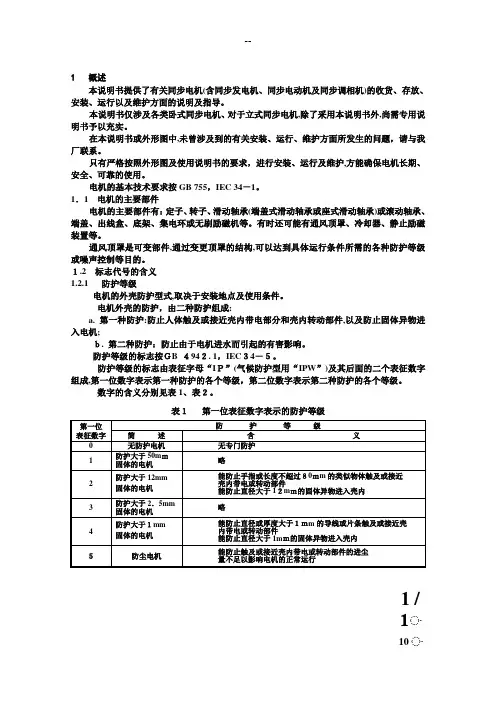
1.2 标志代号的含义1.2.1防护等级电机的外壳防护型式,取决于安装地点及使用条件。
电机外壳的防护,由二种防护组成:a. 第一种防护:防止人体触及或接近壳内带电部分和壳内转动部件,以及防止固体异物进入电机;b. 第二种防护:防止由于电机进水而引起的有害影响。
防护等级的标志按GB 4942. 1,IEC34-5。
防护等级的标志由表征字母“IP”(气候防护型用“IPW”)及其后面的二个表征数字组成,第一位数字表示第一种防护的各个等级,第二位数字表示第二种防护的各个等级。
数字的含义分别见表1、表2。
表1第一位表征数字表示的防护等级1 /1ּּ第二位表征数字6(防海浪电机)、7(防浸水电机)、8(潜水电机)略1.2.2 冷却方法冷却方法的标志按GB 1993,IEC 34-6。
冷却方法的标志由表征字母“IC”及其后面的表征数字及字母组成。
表3列出了部分冷却方法标志的含义。
表31.2.3 安装型式电机的安装型式,是用轴线方向和固定用构件的状况来全面表达电机的安装情况。
安装型式的标志按GB 997,IEC34-7。
4. 检查及维护4.1 引言——为了保证连续安全可靠使用,必须制定维护大纲。
4.2 电动机在运行时的常规检查上海电机厂建议要经常检查润滑油系统。
应检查所有油位表中的油位。
通过油环视察窗查看油环的旋转情况。
如果发现漏油,应追查根源并加以纠正。
监视润滑油的变色及污染情况。
注意任何噪声或振动的突然增大或过大,并应迅速纠正。
在连续运行期间定期检查轴承温度,检查定、转子之间的间隙,清理集电环和刷架上的积灰和油污,至少每星期一次。
4.3维护计划4.3.1 对于一般的使用条件,推荐以下维修计划。
4.3.1.1 在提供的测温装置处测量温度,它们时为了测量定子绕组、冷却空气及轴承的温度。
(例如埋入式电阻测温元件)。
4.3.1.2 查听整个电动机是否有不正常的机械噪声或者出现变化的响声(例如摩擦或敲击声等)。
4.3.1.3 当具有水——空气交换器装置时,用目检查水管是否漏水。
4.3.1.4 当采用过滤器装置时,检查过滤器的沾污程度。
4.3.1.5 用手检查或用温度计(如果装有)在测温装置处测量并记录轴承温度。
检查定、转子之间的间隙,清理集电环和刷架上的积灰和油污。
4.3.2 每月的检查。
4.3.2.1 用轻便型测量设备测量振动。
测量点位置在轴承室中部。
4.3.2.2 检查所有电缆,联接线及其紧固情况。
4.3.2.3 如果是线绕式转子,检查在滑环、导电螺杆及电刷装置上灰尘沉积的程度。
需要时清除沉积的灰尘。
检查电刷的摩损及在刷握中自由活动的情况。
如果需要,则更换电刷。
4.3.2.4 当具有过滤器装置时,在过滤监视器动作后(例如压差开关)则应更换或清理过滤器。
4.3.2.5 在油润滑的轴承中,检查油环运转是否平稳以及带油情况。
检查轴承密封是否漏油,如果已弄脏,则清除脏物。
检查供油设备。
4.3.3 每季的检查。
4.3.3.1 测量定、转子绕组的绝缘电阻。
4.3.3.2 用一只额定电压为500至625伏的兆欧计测量绝缘的轴承或座与钢的基础之间的绝缘电阻。
电机使用说明书简介:本使用说明书旨在向用户提供电机的相关信息和使用指导。
请用户在使用电机前仔细阅读本手册,并按照指示正确操作电机,以确保安全使用并延长电机的使用寿命。
1. 产品概述本电机为直流电机(以下简称“电机”),具有高效、可靠和稳定的特点。
适用于各类机械设备和电子设备的驱动。
本电机具备以下特性:- 高效节能:采用先进的技术,能够最大程度地提高能量转化效率,减少能源浪费。
- 高转速范围:能够满足不同应用领域的需求,提供多种转速选择。
- 静音运行:内部结构设计合理,运行过程中噪音低,不会对环境和使用者造成干扰。
2. 技术参数在选购电机时,务必了解电机的技术参数,以便选择适合自身需求的电机。
2.1 电源要求:- 输入电压:XXV- 频率:XXHz2.2 输出参数:- 转速范围:XXrpm- 功率:XXW- 扭矩:XXNm3. 安装和使用在安装和使用电机之前,请确保已经断开电源,并仔细阅读以下指引。
3.1 安装步骤:a) 确保安装环境干燥、通风良好,并远离易燃或腐蚀性物质。
b) 将电机正确固定在机械设备上,确保电机与设备之间的传动装置连接稳固。
c) 安装完毕后,检查电机是否牢固固定,接线是否正确。
3.2 使用前准备:a) 检查电机工作环境是否符合要求,如温度、湿度等。
b) 检查电源线路是否符合电机的电源要求,确保电源稳定。
c) 检查电机及相关部件是否正常运转,如有异常现象请勿使用,及时联系售后服务。
3.3 使用方法:a) 打开电源,待电机正常运转后,可进行操作。
b) 如需调节转速,请根据需要调整控制器或外部设备的参数,确保电机运行在合适的转速范围内。
c) 在使用过程中,注意观察电机的运行情况,如有异常现象或噪音过大,请立即停机并查找问题原因。
4. 维护与保养为了保证电机的正常运行和延长使用寿命,请遵循以下维护与保养指南:4.1 定期清洁:定期清洁电机外观,防止灰尘和杂物对电机造成损害,并确保通风孔畅通。
电机使用手册
电机使用手册
引言
本文档旨在向用户提供关于电机的详细使用指南。
电机是一种将电能转化为机械能的设备,广泛应用于各种工业和家用设备中。
本手册将介绍电机的原理、安装、操作、维护以及常见故障处理等方面的内容。
目录
1、电机基础知识
1.1 电机的工作原理
1.2 电机的分类
1.3 电机的主要构成部分及功能
2、电机的选型与安装
2.1 电机选型的考虑因素
2.2 电机安装前的准备工作
2.3 电机的安装步骤与注意事项
3、电机的操作与控制
3.1 电机的启动与停止
3.2 电机的运行参数调整
3.3 电机的速度控制方法
3.4 电机的保护措施与安全操作规范
4、电机的维护与保养
4.1 电机的日常检查与维护
4.2 电机的定期维护与保养
4.3 电机故障排除与维修
附件
本文档涉及以下附件:
1、电机安装图纸
2、电机操作手册
3、电机维护记录表
法律名词及注释
1、电机:指将电能转化为机械能的设备。
2、选型:根据具体需求和条件选择合适的电机型号和规格。
3、安装:将电机固定在指定位置并与其他设备连接起来。
4、启动:使电机开始运转。
5、停止:使电机停止运转。
6、控制:对电机的参数进行调整和控制。
7、维护:保养电机,包括检查、清洁和更换损坏部件等工作。
8、保养:对电机进行定期的维护工作。
9、故障排除:查找电机故障的原因并进行修复。
10、维修:对电机进行故障修复和更换零部件的工作。
全文结束。
饪霖电机YVF变频调速电动机使用维护手册Usage Handbook注童事项使用前请务必仔细阅渎手册,理解各项容,以便正确地安装、连接、使用和维护本手册应妥善保管在实际安装及使用者手中刖百首先感您购买本公司的YVF系列变频调速电动机,谓在使用前仔细阅读本手册的各项容,以保证电机的正确使用,不正确的使用将造成不正常的运行,引起故障或降低使用寿命。
产品介绍WF系列变频调速电动机是在Y2系列电机基础上更新设计的,可广泛使用于各种机械领域,且符合国家和企业的相关技术标准,与国外同类产品水平相当。
到货检查收到您订购的产品后,谓开箱检査以下各项,如发现产品有任何问题或不符合您的订购要求,谓您与本公司联系。
1 •请核对产品的铭牌,确认您订购的规格2•请检査外观有无在运输中受损3•除电机本体及使用说明书外,确认您所订购的附件有无完整4.检査零部件的装配应良好,紧固件应无松动。
搬运和存储4.1本电机产品为精密制造零件,搬运时只允许在其规格的运输吊攀上进行起吊(小规格可以用手搬运),必须轻吊、轻拿、轻放、防止碰撞。
不得在搬运过程中抱持轴承头部。
且在安装调试中对轴承头部要妥善防护,否则将导致运转精度失准。
4.2电机的存储场所应符合以下条件:(D周围温度:・15度——+40度(2)相对湿度:5 —80%(3)周围环境:不受直晒,周围介质必须无灰尘、腐蚀性气体、可燃气体、油券、蒸汽、滴水和農动。
并尽■避免含盐较多的场合。
不得放在会发生温度急剧变化而结18和冰冻的地方。
(4)电机不可直接或倒■放在地面上,应放鬣在合适的台架上,且应放平稳。
(5)如周围环境恶劣则应用塑料薄膜包好进行保管,可在塑料薄膜中加干燥剂防止受潮。
如要长期保存,则应严格封装。
使用环境(1)海拔:1000米以下(2)环境温度:・15度——+40度(3)电动机安装场所必须干燥,清洁。
具有良好的通风不受直晒,周围介质必须、无灰尘、腐蚀性气体、可燃气体、油雰、蒸汽、滴水和農动。
SEW伺服电机使用说明一、硬件连接[1] X1:电源连接 L1 (1) / L2 (2) / L3 (3),可分离[2] X4:DC 侧连接 –U Z / +U Z,可分离[3] 记忆卡[4] 7 段数码管显示[5] X 终端:DBG60B 操作面板的插口或串行接口 UWS21A[6] DIP 开关 S11 ~ S14[7] X12:电子接线板,用于系统总线 (SBus)[8] X11:电子接线板,设定值输入端 AI1 和 10V 基准电压[9] X13:电子接线板,用于二进制输入端和RS-485 接口[10] X16:电子接线板,用于二进制输入端和二进制输出端[11] X10:电子接线板,用于二进制输出端和TF/TH 输入端[12] X17:电子接线板,用于安全停机的安全触头[13] X2:电机连线 U (4) / V (5) / W (6) 和 PE 连接,可分离[14] 电子屏蔽夹和 PE 连接[15] X3:制动电阻连接 R+ (8) / R– (9) 和 PE 连接,可分离[16] 编码器插槽[17] 扩展插槽[18] 现场总线插槽电器原理图及接线图见附件4(硬件图纸)。
不同编码器接线图见附件3(相关资料)中MDX61B中文操作手册55-65页。
制动电阻选型:根据电机功率和应用方式进行选择。
1.制动电阻参数:配合11kw控制器:大于22欧姆,推荐39欧姆 2.5kw配合4kw控制器:大于68欧姆,推荐100欧姆 2kw 升降驱动配合1.5kw控制器:大于68欧姆,推荐100欧姆 800w 升降驱动配合1.1kw控制器:大于68欧姆,推荐100欧姆600w配合1kw控制器:大于68欧姆,推荐100欧姆500w配合0.75kw控制器:大于68欧姆,推荐100欧姆400w配合0.55kw控制器:大于68欧姆,推荐100欧姆 200w配合0.37kw控制器:大于68欧姆,推荐100欧姆 450w2. 上海鹰峰科技(制动电阻厂家)电话:021-57847739(直线)021-57810277-801、802 王扶林其他注意事项:1、再调试时,要在伺服控制器X13接口板的DI00管脚处串入急停按钮,以确保发生紧急情况时,能够紧急停止;同时,在对伺服控制器参数进行调整时,也必须断掉DI00处使能,然后经过改动的数据才能下载。
深圳市雷赛智能控制股份有限公司地址:深圳市南山区学苑大道1001号南山智园A3栋10-11楼邮编:518000电话:400-885-5521传真:*************Email:********************网址:ICL42-06一体式(脉冲型)闭环步进电机使用说明书版本:V1.00版权所有不得翻印【使用前请仔细阅读本手册,以免损坏驱动器】深圳市雷赛智能控制股份有限公司目录一、产品简介 (2)1.概述 (2)2.特点 (2)3.应用领域 (2)二、电气、机械和环境指标 (2)1.电气指标 (2)2.使用环境及参数 (3)3.机械安装图 (3)三、驱动器接口和接线介绍 (4)1.接口定义 (4)2.控制信号接口电路 (5)3.控制信号模式设置 (7)4.串口接线 (7)四、拨码开关设定 (7)五、典型接线案例 (8)雷赛产品保修条款 (10)ICL42-06一体式闭环步进电机一、产品简介1、概述ICL42-06是雷赛公司基于十几年步进与伺服研发经验开发成功的一款新型电机驱动一体化电机,采用最新专用电机控制DSP芯片,提升电机的高速性能、降低电机的发热程度和减小电机的振动,提升机器的加工速度和精度以及降低机器的能耗。
2、技术特点◆采用全新32位电机控制专用DSP芯片;◆电机和驱动一体化,增加抗干扰,节省接线人工,无需设置电流;◆光耦隔离差分信号输入;◆脉冲响应频率最高可达200KHz,具有数字滤波功能;◆每转脉设定(4位拨码16档200---51200Pulse/r范围内);◆高速加速能力提升;◆具有过流、过压保护功能;3、应用领域适合各种中小型自动化设备和仪器,如医疗设备等,满足客户低噪声、低发热、布线方便,抗干扰性更强等要求。
二、电气、机械和环境指标1.电气指标参数ICL42-06最小值典型值最大值单位连续输出电流0.3 1.5 2.1A输入电源电压182436(包含泵升)Vdc逻辑输入电流71016mA逻辑输入电压-5-Vdc脉冲频率0-200kHz 绝缘电阻100MΩ2.使用环境及参数冷却方式自然冷却或外加散热器使用环境使用场合尽量避免粉尘、油雾及腐蚀性气体温度0℃-40℃湿度40-90%RH 震动5.9m/s 2Max保存温度0℃-50℃重量约0.8kg 3.机械安装尺寸图三、驱动器接口与接线介绍1.接口定义1)控制端口及电源端口端子号符号名称1PUL+控制脉冲输入信号正输入端2PUL-控制脉冲输入信号负输入端3DIR+控制方向输入信号正输入端4DIR-控制方向输入信号负输入端5ENA+使能输入信号正输入端6ENA-使能输入信号负输入端7ALM+报警输出正输出端集电极开路输出8ALM-报警输出负输出端9GND 电源接入地10+VDC电源输入正端,推荐电压为24VDC2)485通讯(土色2.0mm molex 端子)端子号图示管脚号信号名称端子11485Bus+485总线正端2485Bus-485总线负端3GND 485电源地端子号图示管脚号信号名称端子21485Bus+485总线正端2485Bus-485总线负端3GND485电源地ICL42-06目前不支持485组网,485接口仅仅支持参数设置和保存4)状态指示ICL42-06有2个LED 指示灯。
电动机使用说明书1. 引言电动机是一种用电能转换为机械能的设备,广泛应用于各个领域。
本使用说明书旨在帮助用户正确使用电动机,并提供相关安全注意事项。
2. 产品概述2.1 型号:本产品型号为xxx(根据实际产品型号填写)。
2.2 技术参数:请参考附带的产品技术参数表。
3. 安全须知3.1 本产品只能由合格人员使用,不得让未接受相关培训的人员操作。
3.2 在使用电动机前,请确保配备了符合安全标准的电气设备。
3.3 使用过程中,应遵守相关的安全操作规程,并配备必要的个人防护设备。
3.4 请勿在电动机工作时触摸旋转部件,以避免危险发生。
3.5 若发现电动机异常噪音、异味或其他异常情况,请立即停用并联系售后服务。
4. 安装与连接4.1 在安装前,请确认电动机的安装位置符合产品要求,并保持通风良好。
4.2 请使用合适的工具,确保电动机与传动装置等设备连接稳固可靠。
4.3 连接电源时,请确保电压和频率与产品标识一致,并按照电路图正确接线。
5. 启动与运行5.1 在正式启动前,确认电动机及其连接的设备已完成预热等准备工作。
5.2 通过启动开关将电动机启动,确保启动过程平稳无异常。
5.3 在运行过程中,应随时观察电动机的工作状态,如有异常请立即停机检查。
5.4 不要长时间以超负荷运行电动机,以免损坏设备并导致安全事故。
6. 维护与保养6.1 定期检查电动机的绝缘电阻,确保其达到产品要求。
6.2 保持电动机的清洁,防止灰尘和异物进入设备中。
6.3 检查电动机的润滑情况,并按要求进行润滑添加。
6.4 若电动机在长期停用后再次启动,请进行必要的检查和维护。
7. 故障排除7.1 若电动机无法启动,请检查电源连接是否正确、保险丝是否损坏等。
7.2 若电动机运行异常或出现异音,请停机检查,并联系售后服务。
7.3 对于需要维修的情况,请务必联系专业人员进行处理。
8. 售后服务若在使用过程中有任何问题或需要技术支持,请联系我们的售后服务部门。
电机使用说明书Operating Manual概述本说明书适用于我公司生产的YX3、YET、Y2、YVP、YD系列低压三相异步电动机及其派生系列产品OverviewThe manual serves YX3、YET、Y2、YVP、YD Series low voltage asynchronous motors and it's derivative products as well.开始使用Putting into use (starting)收货检查Reception check收到电机后立即检查是否有损坏,如发现请立即拨打电话:0086-21-6463-1777,或发传真至0086-21-6463-7180,检查铭牌数据特别是额定电压、接线方式(星形或三角形)是否与合同订货要求相符,用手转动电机轴检查轴转动是否灵活。
Immediately check the motor for external damage upon receipt and if found, please inform us by telephone or fax without delay (Tel:0086-21-6463-1777, Fax:0086-21-6463-7180). Check all rating plate data, especially voltage and winding connection (star or delta). Turn shaft by hand to check for free rotation.绝缘电阻检查Insulation resistance check在电机调试前或怀疑线圈受潮时要测量电机的绝缘电阻,在25℃时的绝缘电阻值应超过以下表达式的值,表达式中:Measure the motor's insulation resistance before commissioning or when winding dampness is suspected. insulation Resistance, measured at 25°C, shall exceed the following reference value, i.e. where:R:单位兆欧(用500V绝缘电阻表测量)Array U表示电压,单位VP表示功率,单位kWR: MΩ( measured with 500 V dc Megger )U = voltage, Volts;P = output power, kW.警告:测量完绝缘电阻后应立即将测量线从电机上断开,以免线圈再次受到高电压冲击。
电动机使用说明书目录第1章概述 (4)1.1说明 (4)1.2电动机概述 (5)基本技术参数及要求 (5)结构概述 (7)第2章运输与储存 (8)2.1运输 (8)2.2吊装电动机 (8)吊装一般电动机 (9)吊装带安装底板的电动机 (9)吊装立式电动机 (9)2.3拆箱 (10)2.4储存 (10)第3章安装及调整 (11)3.1安装前的准备 (11)检查 (11)联轴器的组装 (13)3.2安装 (13)3.3调正 (14)3.4绝缘性能测试 (15)用兆欧表测量定子和转子的绝缘电阻 15干燥处理 (15)第4章机械和电气 (17)4.1机械连接 (17)冷却器连接 (17)滑动轴承供油 (17)4.2电气连接 (17)接线 (17)电气及附属设备检查 (18)第5章起动及停车 (20)5.1试起动 (20)5.2转动方向 (20)5.3起动与停车 (21)第6章日常维护 (23)6.1润滑 (23)滚动轴承的润滑 (23)滑动轴承的润滑 (23)6.2振动和噪音 (24)6.3湿度 (24)6.4温度 (25)6.5绝缘电阻的最小值 (26)6.6轴承的更换 (27)6.7定期检查 (28)第7章常见故障及原因分析 (31)1.1 说明本说明书为我公司电动机的随机文件。
其中介绍了电动机的结构、储运、安装的要求和注意事项,以及使用、维护电动机的要求、方法和注意事项,使用维护人员必须认真阅读此说明书。
认真审阅电动机上的铭牌、标牌、警示牌等。
使用单位应对操作人员进行专业培训后,方能上岗作业。
只有严格按照本使用说明书、铭牌、标牌、接线牌和警示牌进行安装、使用和维护电动机,我公司才承担相关“三包”责任。
本说明书不可能包括安装、使用和维护方面一切可能发生的问题,如果所发生的问题未包括在本使用说明书和其他随机资料中,用户自己又难以解决,请与本公司联系。
注意:为保证设备安全和正确的安装、操作和维护,请务必遵守本说明书的相关条款。
电机使用说明书Operating Manual概述本说明书适用于我公司生产的YX3、YET、Y2、YVP、YD系列低压三相异步电动机及其派生系列产品OverviewThe manual serves YX3、YET、Y2、YVP、YD Series low voltage asynchronous motors and it's derivative products as well.开始使用Putting into use (starting)收货检查Reception check收到电机后立即检查是否有损坏,如发现请立即拨打电话:0086-21-6463-1777,或发传真至0086-21-6463-7180,检查铭牌数据特别是额定电压、接线方式(星形或三角形)是否与合同订货要求相符,用手转动电机轴检查轴转动是否灵活。
Immediately check the motor for external damage upon receipt and if found, please inform us by telephone or fax without delay (Tel:0086-21-6463-1777, Fax:0086-21-6463-7180). Check all rating plate data, especially voltage and winding connection (star or delta). Turn shaft by hand to check for free rotation.绝缘电阻检查Insulation resistance check在电机调试前或怀疑线圈受潮时要测量电机的绝缘电阻,在25℃时的绝缘电阻值应超过以下表达式的值,表达式中:Measure the motor's insulation resistance before commissioning or when winding dampness is suspected. insulation Resistance, measured at 25°C, shall exceed the following reference value, i.e. where:R:单位兆欧(用500V绝缘电阻表测量)Array U表示电压,单位VP表示功率,单位kWR: MΩ( measured with 500 V dc Megger )U = voltage, Volts;P = output power, kW.警告:测量完绝缘电阻后应立即将测量线从电机上断开,以免线圈再次受到高电压冲击。
环境温度每升高20℃,绝缘电阻将降低一半,如果绝缘电阻值达不到计算值,表明线圈已经受潮需进行烘干处理。
先在90℃温度下烘12-16小时再在105℃下烘6-8小时。
WARNINGWindings should be discharged immediately after measurement to avoid risk for electric shock. Insulation resistance reference value is halved for each 20°C rise in ambient temperature. If the reference resistance value is not attained, the winding is too damp and must be oven dried. Oven temperature should be 90°C for 12-16 hours followed by 105°C for 6-8 hours.电机启动Motor starting①单速电机启动(直接或Y/∆启动)标准单速三相异步电动机的出线盒内有6个接线头和至少1个接地接头,接地须根据操作规程在电机接上电源前进行,接线方式和电压应根据接线指示牌及铭牌指示。
Start of single speed motor (Direct-on-line or star/delta starting)The terminal box on standard single speed motors normally contains 6 winding terminals and at least one earth terminal. Earthing shall be carried out according to local regulations before the machine is connected to the power supply . The voltage and connection are stamped on the nameplate.出线与旋转方向电机的旋转方向:当相序为L1、L2、L3时,在电机拖动端面对轴伸视为顺时针旋转。
如要改变转向,只需改变任意两根电源电缆的相序,如果单向旋转的电机,需检查电机转向是否与指示牌上的方向一致。
(接线应严格按照接线盒中示意图)Terminals and direction of rotationDirection of rotation is clockwise when viewing the shaft face at the motor drive end, when the line phase sequence L1, L2, L3 is connected to the terminals as shown in the figure. To alter the direction of rotation, interchange the connection of any two-line cables. For the unidirectional motor, checkthat the direction of rotation is according to the arrow marked on the direction board.(The terminals shall be connected in strict accordance with the terminal box drawing.)②多速电机启动多速电机一般应低速档启动后切换到高速,对多套绕组的变速电机在不同转速档切换时,应在一绕组断电后才能向另一绕组送电。
Start-up of multi-speed motorThe multispeed motor should start at low-speed then shifted to high-speed. For multispeed motors that with many separate windings the speed shift shall be fulfilled when one winding has to be lost power.示意图1:定速电机(△/Y)Fig 1: Fixed motor (△/Y)应为U1 V1 W1 U2 V2 W2示意图2:单绕组双速(△/YY)Fig 2: Single-winding double speed示意图3:单绕组双速(Y/YY)Fig 3: Single-winding double speed示意图4:双绕组双速(Y/Y)Fig4: Double-winding double speed③变频电机启动变频电机启动时,电机冷却风机也必须同时启动。
冷却风机应接工频电源,其转向必须与风机外壳上的指示矢方向一致.VVVF变频器可以转矩提升以提高启动转矩,提升电压的幅度应不大于10%,且起动电流不大于额定电流的1.5倍。
变频器的开关频率设置应不小于1.5kHz。
Start-up of variable frequency motorWhen the variable frequency motor starts, the cooling blower shall starts simultaneously. The cooling blower must be connected to the power frequency supply, and the rotating direction shall be as specified in the nameplate of blower. Adjust the value of v/f, the motor can obtain different start performance, but if over compensate of voltage will cause overload.使用运行条件电机是用来驱动其他机械,通常环境温度为-25°C 到 +40°C,海拔高度为1000米以下。
(当环境温度与海拔高度不符合上述规定时,铭牌上会注明)UseOperating conditionsThe motors are intended for use in industrial drive applications. Normal ambient temperature limits -25°C to +40°C. Maximum altitude 1000 m above sea level. When ambient temperature and altitude are not same asthe requirement said above, the special note will be showed on the nameplate.处理储存所有电机应储存于干燥,通风以及干净的室内,裸露的表面如轴伸和法兰面应涂以防锈脂。
建议定期用手转动电机轴,以免润滑脂流掉,带有加热器的应接通加热器。
HandlingStorageAll motors should be stored indoors, in dry, well ventilation and dust free conditions. Unprotected machined surfaces (shaft-ends and flanges) should be given anti-corrosion coatings. It is recommended that shafts be rotated periodically by hand to prevent grease migration. Anti condensation heaters, if fitted, should preferably be energized.3.4 储存超过一年的,须检查润滑脂,如润滑脂已变质干涸或弄脏,应先用煤油清洗,然后用汽油清洗轴承后再加入新的润滑脂。