打钻质量标准化标准及考核评级办法制度范本.格式
- 格式:docx
- 大小:14.70 KB
- 文档页数:6
钻孔质量管理考核办法(修订版)为进一步推进精品工程战略实施,强化钻孔质量管理考核力度,公司决定按月对各钻探队施工钻孔按照钻孔质量标准考核,特制订本办法。
第一部分钻孔质量管理模式分管副经理为钻孔质量考核的管理主体,负责每月钻孔从设计到组织施工管理工作,监督终审设计的整体合理性,管理研治中心在钻孔质量考核过程中的认定工作及设计编制合理性;组织生产施工安排的合理性,管理工程技术科在钻孔质量考核过程中组织管理工作。
工程技术科为钻孔质量考核主体,负责每月钻孔质量考核整体工作,主要监督施工队每个钻孔施工是否严格按照设计轨迹施工,是否在设计目标层位施工,施工工程中保证质量措施是否达到设计要求,施工结束后现场标准化是否达到设计要求。
灾害研治中心负责每月对施工完成钻孔认定质量工作,参与工程技术科组织的实钻轨迹调整会审工作及钻孔质量考核工作。
钻探队为钻孔质量考核施工主体,负责每月钻孔施工工作,首次施工工作面前两个钻孔按照下发设计严格施工,遇到与设计不符情况及时汇报研治中心和工程技术科;其余钻孔施工参数施工前两天发至工程技术科进行审定并执行(实际施工过程中与设计不符及时汇报工程技术科)。
第二部分钻孔质量考核模式一、考核内容每月严格按公司制定的钻孔质量考核办法对施工队、地面定向人员及管理科室进行考核。
二、考核方式分为现场考核、内业考核。
1.现场考核每月由公司现场跟班、带班、日常检查以及本安体系检查时,检查人员对各钻探队统一进行现场考核。
⑴现场检查各钻探队原始记录等各项报表,尤其是井下定向瓦斯抽放钻孔,要现场查看岩性描述,现场抽查拷贝实钻参数,现场查看施工的联抽情况,以及定向人员原始记录填写是否真实、准确、完整、整洁。
⑵现场检查钻孔施工过程中封孔质量是否符合设计或措施要求,是否存在漏气、漏水,套管下设施工是否符合设计或措施要求,是否按要求连接(焊接)、是否加装满足要求的扶正器,地面钻孔洗井、排水、通孔等工作是否符合设计或措施要求。
矿井钻孔施工、验收管理及考核办法模版第一章总则第一条为规范矿井钻孔施工、验收管理,提高工作质量和安全水平,保障矿井生产安全,根据《矿井安全法》及相关法律法规,制定本办法。
第二条本办法适用于矿井的钻孔施工、验收管理工作。
第三条矿井钻孔施工、验收管理的目标是确保矿井钻孔施工工作按规定进行,质量合格,安全可靠,符合法规要求。
第四条矿井钻孔施工、验收管理的原则是安全第一,质量为重,依法办事,科学管理,严肃考核,及时奖惩。
第五条矿井钻孔施工、验收管理实行责任制,矿井钻孔施工、验收管理人员对矿井钻孔施工、验收质量负直接责任。
第二章施工管理第六条矿井钻孔施工前,必须严格组织,确保施工人员素质达标,持有相关证书,并熟悉工艺流程。
第七条钻孔施工前,必须进行现场勘察,了解地质条件,确定钻孔位置和孔口尺寸。
第八条钻孔设备、工具、材料必须符合质量要求,操作人员必须熟悉设备的使用和安全操作规程。
第九条施工过程中,必须严格执行安全生产规定,防范事故发生。
第十条施工现场必须保持整洁,符合环保要求,杜绝污染。
第十一条钻孔施工完成后,必须进行验收,确保孔口位置、尺寸、倾角等质量符合要求。
第十二条钻孔施工过程中,如遇特殊情况,必须及时上报矿井管理部门,并做出相应处置。
第三章验收管理第十三条钻孔验收按照矿井管理部门的要求进行,由钻孔施工负责人和验收人员共同参与。
第十四条钻孔验收前,必须确保钻孔施工记录和相关资料完备,包括勘察报告、施工方案、现场照片等。
第十五条钻孔验收主要内容包括孔口位置、尺寸、倾角、孔壁质量等。
第十六条钻孔验收结果分为合格和不合格两种情况,验收人员必须填写相应的验收报告,并在规定时间内上报给矿井管理部门。
第十七条钻孔不合格的,必须及时采取措施进行整改,整改完成后重新进行验收。
第十八条矿井管理部门对钻孔验收结果进行审核,并及时通知钻孔施工负责人。
第四章考核办法第十九条钻孔施工质量评价按照签订的合同和技术要求进行,主要评价指标包括孔口位置、尺寸、倾角、孔壁质量等。
打钻队管理制度范本第一章总则第一条管理制度的目的和依据为了规范和优化打钻队的管理,提高作业效率,保障安全生产,加强队伍建设和管理,制定本管理制度。
本管理制度适用于打钻队的全体人员。
第二条管理制度的适用范围本管理制度适用于打钻队的日常工作和管理。
其中特殊情况的处理和解释由钻队领导根据实际情况进行。
第二章队伍建设第三条人员招聘和考核1. 打钻队在需要招聘新成员时,应经过队伍领导批准,并按照招聘程序进行招聘。
2. 新成员需参加面试、体检以及岗位培训,根据表现及时进行考核。
第四条培训和技能提升1. 钻队积极组织钻井、装备、安全等相关培训。
2. 钻队成员应根据自身工作需要,积极参加培训,提高专业技能和工作能力。
第五条奖励和惩罚1. 钻队将根据个人绩效和工作表现,进行奖励和激励。
2. 钻队将建立健全惩罚机制,对不遵守管理制度、不履行职责、影响队伍正常工作等行为进行纪律处分。
第三章日常工作第六条工作安排和任务分配1. 钻队领导根据工作需要,制定每天的工作计划和任务分配,明确责任人和时间节点。
2. 钻队成员应按照工作安排和任务分配,认真完成工作。
第七条工作记录和报告1. 钻队成员应按要求做好工作记录,详细记录工作过程和结果。
2. 钻队成员应按要求及时报告工作进展和情况。
第八条安全生产1. 钻队严格遵守相关的安全生产法律法规,加强安全生产管理,确保作业安全。
2. 钻队成员应参加安全培训,熟悉安全操作规程,严格执行安全操作措施。
第四章管理机制第九条会议制度1. 钻队定期召开工作例会和安全会议,听取工作汇报、安全情况汇报等。
2. 钻队成员应积极参加会议,提出工作意见和建议。
第十条绩效考核1. 钻队将定期进行绩效考核,评估个人和钻队的工作成果。
2. 钻队绩效考核内容包括工作完成情况、工作质量、工作态度等。
第十一条督查与评估1. 钻队领导将进行督查和评估,对工作计划的执行情况、工作效果进行评估。
2. 钻队成员应积极配合督查和评估工作,提供相关数据和信息。
打钻管理制度及考核细则为了保证井下瓦斯抽采钻孔施工质量符合设计要求,加强钻孔验收管理,完善钻孔验收程序,保证钻孔验收工作的顺利进行,现结合我矿实际情况,特制定本管理制度及考核细则如下:一、管理制度1、瓦斯抽采工程必须有施工设计。
瓦斯抽采施工设计必须经技术矿长批准,没有施工设计或设计内容不齐全的,对抽采队长罚款300元,对抽采技术员罚款200元。
2、抽采钻孔设计由抽采技术员负责设计,由技术矿长进行审批,不按时审批的,对抽采队长罚款200元,对抽采技术员罚款100元/次,且后果自负。
3、现场施工人员必须熟悉钻孔设计要求,钻孔施工地点必须设置钻孔施工牌板,牌板内容为钻孔编号、方位角、钻孔角度、钻孔深度等。
否则对抽采队长罚款100元,对当班负责人罚款50元。
4、不按设计施工钻孔的对施工人员每人罚款100元/孔。
5、打钻工必须严格按打钻工安全操作规程,钻机推进压力均匀。
否则发现一次对当班施工人员罚款50元,对当班负责人罚款100元。
6、因操作不当造成钻机或零部件损坏、丢失钻杆钻头,要分析处理,并按责任进行处罚、赔偿。
7、钻孔施工过程中施工人员必须认真对岩性详细记录,准确记录当班钻孔在各岩层中的施工钻孔深度、角度等,否则对打钻工罚款50元。
8、每班钻孔施工中,当班负责人要及时填写钻孔施工记录,钻孔施工完后,由施工人员、瓦检员、观测工确认无误后,在验收单上签字确认;当班负责人向通风调度室汇报打钻及进尺情况,否则罚款50元。
9、假报或虚报打钻进度,对当班负责人、施工人员各罚款100元/孔。
10、打钻施工完毕后,抽采技术员必须及时绘出钻孔施工竣工图,填写钻孔竣工验收报告,由部门相关负责人进行签字确认,否则对抽采队长和抽采技术员各罚款50元。
11、对破坏抽采系统的由安监部门负责组织处理,同时对责任人罚款1000元,对责任单位罚款2000元,性质严重的,按非伤亡事故进行分析处理。
12、停止打钻期间,要加强钻机的维修保养,保证钻机的完好可靠。
钻井工程“安全质量标准化”达标考核标准5、机房、车间、加工棚设计不规范,场地不整齐、平整的。
6、施工现场道路布置不合理,不畅通、平坦、整洁,存在散落物的。
7、地面施工场地未积极推行硬化地坪。
8、未制定并实施防粉尘、防噪音等措施。
9、施工现场未设置排水系统,排水不畅通,存在积水的;泥浆、污水、废水等未按照规定进行处理,随意排放的;水沟侧作为人行道时,盖板不齐全、稳固的。
10、在用设备安装不规范,布置不合理,标识不统一、不清晰、不完整,账物不相符;设备外观不整洁、锈蚀;存在“跑冒滴漏”现象的。
11、施工现场未张贴悬挂与现场施工相符的操作规程及规章制度;电气设备的系统原理图等张挂不合理。
12、管路、线路安装不规范,敷设悬挂不整齐。
13、电缆沟内存在杂物、积水;盖板不完整、齐全、稳固。
14、机房、车间、加工棚内外环境不整洁,卫生差;室内存在杂物、烟头。
15、照明设备配置不符合现场使用要求。
16、未根据季节变化,适当进行绿化布置,积极美化施工现场环境的。
17、施工材料、构件、料具未按施工现场总平面布置图堆放,布置合理。
18、闲置设备未分类摆放或摆放不整齐,标识不清晰,未执行上盖下垫的;材料未做到上盖下垫,并未采取防火、防锈蚀、防雨等相关措施的。
19、建筑材料、构配件及其他料具等堆放(存放)不整齐或超高堆放的;堆料未分门别类、未悬挂标识牌或标识牌不统一,未标明名称、品种、规格数量等。
20、未建立材料收发管理制度,仓库、工具间材料堆放不整齐,标识不明确、帐卡物不一致;易燃易爆物品未分类堆放,未设专人负责的。
21、未建立施工现场清扫制度并落实到人;不能做到工完料尽、场地清;施工现场未设置废料集中存储区。
22、建筑垃圾未及时清运,临时存放现场的建筑垃圾未集中堆放整齐、悬挂标牌。
23、施工现场作业区与办公、生活区划分不明显;确因场地狭窄不能划分的,未采取可靠的隔离栏护措施。
办公及生活设施主体结构不安全,防火等级不符合规范要求、消防设施不完好。
矿井钻孔施工、验收管理及考核办法范本第一章总则第一条为规范矿井钻孔施工、验收管理和加强钻孔施工人员的考核工作,制定本办法。
第二条本办法适用于矿井钻孔施工、验收管理及考核工作。
第三条钻孔施工应遵守国家有关法律、法规、安全生产标准和规程。
第四条钻孔施工单位和人员应具备相应的资质和技术要求。
第五条钻孔施工必须按照设计文件、施工方案进行,确保施工质量和安全。
第六条钻孔施工单位应按照规定进行钻孔验收,确保钻孔质量达到要求。
第七条钻孔施工单位应建立健全施工记录和档案。
第八条钻孔施工单位应建立健全考核制度,对施工人员进行考核。
第二章施工管理第九条钻孔施工前,应编制详细的施工方案,包括施工工艺、施工设备、施工工序和人员安排等。
第十条施工前,应对施工人员进行培训,确保其具备必要的技能和知识。
第十一条施工单位应落实安全防护措施,确保施工人员的安全。
第十二条施工单位应派驻专人负责现场施工管理和协调工作。
第十三条施工单位应定期检查施工设备的安全性能,确保设备正常运行。
第十四条施工单位应按照规定对施工现场进行定期检查,及时消除安全隐患。
第十五条施工期间,应根据施工进度和质量要求进行中间检查。
第十六条施工单位应确保施工现场的清洁和整洁,减少环境污染。
第十七条施工单位应按照规定进行施工记录和档案的归档工作。
第三章验收管理第十八条钻孔施工完成后,应进行验收。
第十九条验收前,应对钻孔进行测量和检测,确保钻孔质量符合要求。
第二十条验收应当由设计、施工、监理等相关单位共同参与。
第二十一条验收应按照设计文件、施工方案和相关规范进行。
第四章考核办法第二十二条施工单位应按照规定对施工人员进行考核。
第二十三条考核应包括技术能力、安全意识、工作态度和工作质量等方面。
第二十四条考核结果应实事求是、公正公平,对考核达标的人员进行奖励,对考核不达标的人员进行处罚。
第二十五条考核结果应及时通知被考核人员。
第二十六条被考核人员对考核结果有异议的,可以向有关部门申请复核。
XXXXXXX煤矿钻孔施工验收及指标考察制度编制:通防部XXXX年X月X日XXX煤矿钻孔施工验收及指标考察制度为切实贯彻落实先抽后采的方针,加强瓦斯抽放技术管理,保证瓦斯抽放工程的安全,提高瓦斯抽放效果,防止瓦斯事故。
更近一步加强钻孔施工管理,规范钻孔施工竣工验收工作,保证井下现场钻孔施工质量,有效预防和治理瓦斯、矿井水等灾害,提高瓦斯抽放效果。
结合矿井当前钻孔施工的实际,特制定《钻孔施工验收及指标考察制度》。
一、验收范围瓦斯抽放钻孔、地质钻孔、探放水钻孔等各类钻孔。
二、检查验收内容;(一)每个钻孔进尺:终孔深度。
(二)钻孔位置:开孔高度、平面距离、孔间距。
(三)钻孔技术参数:方位、倾角、开孔及终孔直径、施工质量.(四)钻孔封孔:抽放钻孔封孔长度、质量符合施工措施要求。
(五)钻孔施工设备的使用及保养、钻具的摆放,文明生产等。
三、验收方式(一)钻孔进尺验收各采掘工作面的瓦检员负责所管辖范围内的钻孔验收。
钻孔施工负责人在钻孔终孔撤钻前与当班瓦检员联系,由瓦检员现场清点钻杆数量以确定该钻孔进尺并现场签字确认;无瓦检员的施工地点由通防部负责安排专人进行进尺验收,并现场签字确认。
(二)质量验收及抽查1、由安全部负责每旬组织一次瓦斯抽放钻孔抽查验收,技术部、通防部、机运部、施工单位安排人员参加;2、地质孔(探煤孔、探放水孔)由技术部牵头组织,安全部、、通防部、施工单位参加抽查验收;3、安全部、技术部、管理人员日常下井有权对正在施工和已施工完而没有封孔的钻孔,现场进行检查。
(三)瓦斯抽放巷钻场、高位钻场施工完一个钻场内全部钻孔后,由施工单位向安全部申请进行钻场钻孔预验收,安全部接到施工单位提交的验收单后及时组织相关人员进行验收。
验收合格后,施工单位方可对钻孔进行封孔,并与支干瓦斯抽放管路搭接连抽。
钻场完成后,由安全部负责组织相关人员进行全面验收,合格后该钻场工程方可峻工。
(四)矿领导在日常下井时可随时对各项施钻工作进行检查考核。
打钻封孔效检管理制度模版为进一步加强我矿瓦斯治理及管理,切实提高我矿瓦斯治理水平,保证治理效果,结合我矿实际情况,制定本制度,现申请矿领导及公司领导给予审批。
一、操作规定1、钻机工必须熟练掌握操作本钻机后才能上岗。
2、严禁操作人员正对钻杆操作,在场所有人员应与钻机保持一定距离,经确认人员和设备均安全后才能起动钻机运转。
3、在钻孔过程中,钻杆前方严禁站人或正对钻杆操作。
钻机起动前,仔细检查电路电缆,检查漏电保护装置状态,停机不用时应切断电源。
4、非专业人员不得随意拆装和维修钻机,液压件损坏时或需要更换时,要及时停机检查更换。
二、钻孔施工规定及验收制度1、在钻孔施工过程中,必须严格按设计图施工钻孔,并掌控调准稳固钻机方位、倾角后方可施钻,否则,对予不合格的钻孔或废孔不给予验收。
2、必须打到设计终孔深度才算有效钻孔,才能取出钻杆。
取出钻杆前必须通知当班跟班矿长或安全员、瓦检员____人以上在场才能验收签字有效,无签字不支付工资。
3、不按设计达不到设计深度的钻孔不给支付工资,不按设计超过钻孔深度的不计算钻孔工资,并追查原因。
4、施工完工的钻孔必须填写好原始记录,在原始记录上填写好钻孔见煤见岩水等情况,特别是探放水孔、地质钻孔见煤见岩等情况,必须记录清楚。
5、原始票据记录不完善的填写不符现场图表设计规定的视为废孔,不支付工资。
6、因操作不当造成机器设备损坏,造成掉杆取不出来的,损失损坏的必须分析处理,报矿备案,钻机消耗的材料及零配件必须下班前升井交库房以旧换新。
7、在施钻过程中,发现顶钻、卡钻、喷孔等现象时,必须立即停止钻进,并汇报调度室报相关领导负责人到现场分析处理。
8、打探放水钻孔时,发现有遇水情况时,立即停止钻进,不得撤出钻杆,立即撤出人员后汇报调度室报相关领导负责人到现场分析处理。
9、单价支付按煤层____元/m,岩层____元/m进行计价。
10、钻机搬运安装维修等矿安排的工程杂活,按当班工程量由带班领导考核后计算后开出票据。
矿井钻孔施工、验收管理及考核办法范文第一章总则第一条为规范矿井钻孔施工、验收管理及考核,提高矿井钻孔施工质量,确保矿井钻孔施工安全,制定本办法。
第二条本办法适用于矿井钻孔施工、验收管理及考核工作。
第三条矿井钻孔施工、验收应遵循“安全第一,质量为主”的原则。
第四条矿井钻孔施工、验收应符合国家相关规定,以及矿井钻孔施工、验收技术规程和标准。
第五条矿井钻孔施工、验收所需资质应满足相关要求并进行相应的备案或登记。
第六条矿井钻孔施工、验收人员应具备相应的资质和技术能力,并接受培训和考核。
第七条矿井钻孔施工、验收应做好安全防护措施,确保工作场所的安全。
第八条矿井钻孔施工、验收应严格履行相关质量控制和验收标准。
第九条矿井钻孔施工、验收应及时报备相关信息,确保工作的顺利进行。
第十条矿井钻孔施工、验收应加强与相关部门的沟通和协调,共同推动矿井钻孔施工、验收工作的发展。
第二章矿井钻孔施工第十一条矿井钻孔施工应制定详细的施工方案,包括施工方法、工艺流程、施工措施等内容。
第十二条矿井钻孔施工前,施工人员应进行安全培训,并取得相应的证书。
第十三条矿井钻孔施工前应做好施工准备工作,包括场地清理、设备调试等。
第十四条矿井钻孔施工应确保设备的正常运转和施工的顺利进行。
第十五条矿井钻孔施工过程中应加强监控和质量检验,确保施工质量符合要求。
第十六条矿井钻孔施工中发现问题应及时整改,并记录相关信息。
第十七条矿井钻孔施工完成后应进行清理工作,保持现场整洁。
第十八条矿井钻孔施工完毕后应编制施工总结报告,并提交相关部门审核备案。
第三章矿井钻孔验收第十九条矿井钻孔验收由相关部门负责组织,验收人员应具备相应的资质和技术能力。
第二十条矿井钻孔验收前应进行必要的准备工作,包括验收申请、资料准备等。
第二十一条矿井钻孔验收应根据相关标准进行,包括钻孔直径、孔深、孔壁稳定性、孔内情况等。
第二十二条矿井钻孔验收过程中应进行现场检查和取样,并做好相应记录。
文件编号:RHD-QB-K4190 (管理制度范本系列)编辑:XXXXXX查核:XXXXXX时间:XXXXXX矿井钻孔施工、验收管理及考核办法标准版本矿井钻孔施工、验收管理及考核办法标准版本操作指导:该管理制度文件为日常单位或公司为保证的工作、生产能够安全稳定地有效运转而制定的,并由相关人员在办理业务或操作时必须遵循的程序或步骤。
,其中条款可根据自己现实基础上调整,请仔细浏览后进行编辑与保存。
一、钻孔施工管理及考核办法1、井下钻孔包括瓦斯抽放钻孔、地质钻孔、探放水钻孔等。
所有钻孔施工均由打钻抽放队负责。
2、钻孔施工部署由矿总工程师确定。
矿总工程师决策失误,造成损失和影响正常安全生产的,视其程度处罚5000-10000元/次。
3、安全副总、地测副总负责按矿总工程师的决策编制钻孔施工设计和施工安全技术措施,并按规定程序报批后,下发打钻抽放队组织实施。
设计和下发不及时影响安全生产的,处罚200-500元。
4、打钻抽放队长负责组织及时组织施工,组织不力,延误工期造成损失和影响正常安全生产的,视其程度处罚500-1000元/次。
5、钻孔施工必须严格按设计和措施规定执行,同时必须使用现场放线法确定钻孔挂孔地点和参数。
严禁施工“任意钻”,否则,处罚100-500元/孔。
6、钻孔施工前必须按措施规定和钻机操作规程牢固可靠地架设钻机,严禁违章作业和危险蛮干。
施钻地点必须通风可靠,并悬挂瓦斯传感器或便携式瓦斯报警仪。
否则,视其违章程度和后果处罚200-1000元/次。
7、打钻工必须爱护打钻设备、材料和工器具。
每班开钻前必须对钻机性能、防爆可靠性、作业场所安全性进行仔细检查,违章作业的处罚200-500元/次。
设备、材料和工器具按规定摆放整齐有序,违反规定的,处罚100-200元/次。
8、钻进过程中必须严密观查进钻情况和瓦斯变化情况,及时测定钻进进尺,掌握岩层或煤层及其他构造情况,并及时做好观测原始记录备查。
单孔施工完毕退出钻杆时,必须及时或提前通知瓦检员一起清点钻杆数量,并按规定填写好钻杆清点记录备查。
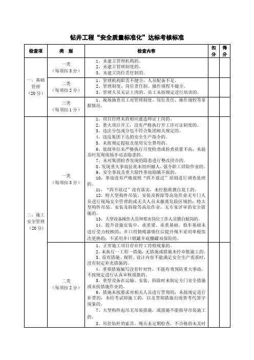
质量标准化考核方案4000L(P)钻机质量标准一、支机1、顶部防坠装置4处未固定,考核50元/处;2、不按规定角度开孔视为无效孔,不予结算;3、不接预抽管考核100元,并承担检查问题责任;4、不挂便携考核100元,并承担检查问题责任;二、封孔1、封孔漏气视为无效孔,考核封孔人100元;2、连管漏气,考核50元;3、封孔后未用水泥堵口,考核30元;4、封孔后没有挂钻孔管理牌,考核50元;5、钻孔管理牌填写错误,考核30元;6、连管后不开负压,考核50元;7、管路连接不规格未整改,考核50元;三、钻机保养1、钻机漏油仍继续施工,考核班组长50元;2、下班之前未清理打钻卫生,考核50元/人;3、钻机上缺螺丝,每个考核20元/人;4、当班未使用冷却装置,考核班组长50元;5、行走闭锁装置未使用,对当班所有人员进行停班处罚,考核班组长100元,组员50元;6、下班时,开关未打到闭锁位置,考核钻机司机100元;7、钻机电缆悬挂混乱,考核当班班组长50元;四、环境卫生1、下班前未清理钻机,考核50元/人;2、钻机油腻过厚,未及时清理,考核当班副队长100元,三班班组长50元,仍未整改加倍考核;3、下班前使用材料随意堆放,未整理入库,当班人员工资下浮50%;4、交接班现场浮煤未清理干净,当班人员工资下浮30%;5、下班前未清理抽放管上的浮煤,考核50元/人;6、当班人员下班前负责清理打钻前后20米范围内抽放管连接口处煤渣,未清理考核50元/人;五、现场交接班1、接班时发现现场有隐患的可不接班,上班进行处理,隐患整改不了可汇报科室,接班后一切隐患本班负责承担。
接管质量标准化一、接管1、抽放管吊挂平直,总管离巷道帮距控制在0.6-0.8米间,离顶部不大于1米,辅助管(Φ219)离底部不低于0.3米;2、螺丝齐全,管内无杂物、积煤;3、安装三通、弯头、放水器;4、一管双吊,绝缘皮包抽放管;5、吊Φ426、Φ529抽放管时,锚杆、托盘上必须安装球头;6、吊Φ219抽放管钢丝绳必须吊在钢带上;7、拆除管路和安装管路及时安装挡板;8、安装阀门时,按阀门的气流方向安装,阀门的开关轮必须装在管路的左右两侧;9、钢丝绳吊挂时起到受力作用,不能出现松动;10、接管后及时安装挡板,试负压,漏气及时处理;二、材料管理1、接管人员对所领取的接管材料进行保管,接完管后,及时清理现场,剩余材料入库;2、班组长负责管理领取的接管工具,若丢失科室不予重新领取并追究责任。
打钻工程安全质量标准化标准及检查评分表矿别:施工地点:得分:检查项目安全质量标准化标准基准分评分细则得分一、总体目标1.完成矿下达的任务计划。
20完不成当月矿下达的任务计划,每低于一个百分点,扣0.2分。
2.杜绝轻伤及以上事故,安全质量标准化达一级。
出现轻伤及以上非伤亡事故扣20分,安全质量标准化达不到一级标准扣10分。
3.完工钻孔通过矿方验收。
验收率低于95%时,每低一个百分点,扣0.5分。
二、技术管理1.建立健全各项安全生产责任制、质量管理规定以及各项操作规程等规定并贯彻落实到位。
5少一项制度扣1分,未贯彻落实一项扣0.5分。
2.编制施工组织设计及安全技术措施。
措施按要求审批,内容齐全。
根据实际情况需要变更设计时,及时编制补充设计并进行会审,或出具经矿方主要技术负责人签字的设计变更说明书。
10一项工程未编制施工组织设计及安全技术措施,扣10分。
未经矿方审批的,扣5分。
措施内容不齐全,图、表、文不对照,每发现一处扣0.1分。
未经矿方相关负责人签字认可而擅自修改设计的,每发现一处扣5分。
贯彻未落实到位的扣1分,贯彻缺、错或代签等每一人次扣0.5分。
3.钻孔平面布置图、钻孔剖面图、钻孔预想柱状图、避灾线路图等图纸,措施贯彻记录、措施考试记录等记录,固管报告、验收报告、钻孔柱状图、工程施工总结报告等报告,应齐全、正确。
5少一种扣0.5分,错一处扣0.2分。
4.按时完成打钻技术创新攻关任务,积极推广和应用打钻新技术、新工艺。
5不积极参与技术创新攻关任务,扣2分。
未能完成创新攻关任务,每一项扣0.5分。
不积极推广和应用打钻新技术、新工艺,扣0.5分。
三、安全管理1.钻机的运输和安装符合措施要求。
3发现一处不符合要求扣0.2分。
2.“一通三防”符合相关规定要求。
防尘、防喷设施齐全。
10发现一处不符合要求扣0.2分。
防尘、防喷设施不齐全,一处扣1分。
3.现场交接班记录、安全确认记录、隐患排查记录、设备检维修记录齐全、正确。
打钻质量标准化标准及考
核评级办法
The pony was revised in January 2021
井下钻孔施工工程安全质量标准化标准及
检查评分办法说明(试行)
第一条井下钻孔施工工程安全质量标准化考核评级必须具备以下条件:
(一)考核期内未发生生产性责任死亡事故。
(二)重要地面勘探钻孔(如陷落柱勘探钻孔等)按合同要求进度按期完成。
第二条井下钻孔施工工程安全质量标准化分三个等级:
一级:总分为90分及以上;
二级:总分为80分及以上;
三级:总分为70分及以上。
第三条考核评级办法
(一)检查评分执行《淮南矿业集团井下钻孔施工工程安全质量标准化标准及考核评分细则》。
(二)检查项目共4大项,满分100分,考核评级采用扣分方法,扣分原则,本项分数扣完为止。
(三)考核期内每发生一起重大非人身事故或生产性责任重伤事故,总分扣10分。
(四)检查方式
实行季度动态监管,半年统一检查、验收、考核。
井下钻孔施工工程安全质量标准化得分=(动态抽查得分*50%)+(统一检查得分*50%)。
淮南矿业集团井下钻孔施工安全质量标准化标准及检查评分细则单位:得分:评定等级:检查时间:年月日
生产单位:检查负责人:参与人员:。
选煤厂安全质量标准化标准及检查评分说明(试行)第一条选煤厂安全质量标准化工作是选煤厂各项管理的基础,是实现安全生产的前提,是建设现代化选煤厂的保证。
为贯彻选煤专业化管理工作要求,充分发挥生产能力,提高经济效益,夯实安全基础,特制定《淮南矿业集团选煤厂安全质量标准化标准及检查评分细则》。
第二条本标准及考核评级办法适用于淮南矿业集团下属各类选煤厂。
第三条全面推进选煤专业化管理,规范员工管理行为和操作行为,实施安全质量标准化精细化管理,加大技术创新力度,努力建设安全、高效、现代化选煤厂。
第四条安全质量标准化选煤厂必须具备以下基本条件:(一)考核期内未发生生产性责任死亡事故和二类及以上重大机电责任事故。
(二)考核期内未发生省级以上抽查的质量事故。
(三)考核期内未发生环境污染事故,排放水达到国家环保要求。
第五条安全质量标准化选煤厂等级划分及考核标准:一级:安全质量标准化检查得分在90分以上(不含90分),洗水闭路循环达一级。
二级:安全质量标准化检查得分在80分以上(不含80分),洗水闭路循环达二级及以上标准。
三级:安全质量标准化检查得分在70分以上(不含70分),洗水闭路循环达二级及以上标准。
第六条检查和考核(一)考核标准:《淮南矿业集团选煤厂安全质量标准化标准及检查评分细则》、《选煤厂安全规程》、《选煤厂机电设备完好标准》、《选煤厂洗水闭路循环等级标准》等。
(二)考核办法:1、考核分为所有选煤厂都需要做到的基础的共性标准和一厂一策的个性标准,基础共性标准占考核分的70%,一厂一策的个性标准占考核分的30%。
2、实行季度动态监管与半年检查考核相结合。
各专业管理部门按相关专业类别考核范围,将各选煤厂动态检查情况记录在动态检查表中,做为动态检查分值。
每半年组织一次集中检查,集中检查分值占总分值50%。
半年基础考核分值=动态检查分×50%+集中检查分×50%半年考核分值=个性考核分值×30%+共性考核分值×70%3、各厂必须坚持旬查月验收制度,每月上报自查情况和自查评分表。
井下钻孔施工工程安全质量标准化标准及
检查评分办法说明(试行)
第一条井下钻孔施工工程安全质量标准化考核评级必须具备以下条件:
(一)考核期内未发生生产性责任死亡事故。
(二)重要地面勘探钻孔(如陷落柱勘探钻孔等)按合同要求进度按期完成。
第二条井下钻孔施工工程安全质量标准化分三个等级:
一级:总分为90分及以上;
二级:总分为80分及以上;
三级:总分为70分及以上。
第三条考核评级办法
(一)检查评分执行《淮南矿业集团井下钻孔施工工程安全质量标准化标准及考核评分细则》。
(二)检查项目共4大项,满分100分,考核评级采用扣分方法,扣分原则,本项分数扣完为止。
(三)考核期内每发生一起重大非人身事故或生产性责任重伤事故,总分扣10分。
(四)检查方式
实行季度动态监管,半年统一检查、验收、考核。
井下钻孔施工工程安全质量标准化得分=(动态抽查得分
*50%)+(统一检查得分*50%)。
淮南矿业集团井下钻孔施工安全质量标准化标准及检查评分细则
单位:得分:评定等级:检查时间:年月日
生产单位:检查负责人:参与人员:。