常用磁芯规格参数
- 格式:doc
- 大小:286.00 KB
- 文档页数:3
常用磁芯参数表【EER磁芯】■ 用途:高频开关电源变压器、匹配变压器、扼流变压器等。
【EE磁芯】■ 用途:电源转换用变压器及扼流圈、通讯及其他电子设备变压器、滤波器、电感器及扼流圈、脉冲变压器等。
【ETD磁芯】■ 用途:电源转换用变压器及扼流圈、通讯及其他电子设备变压器、滤波器。
【EI 磁芯】■ 用途:高频开关电源变压器、功率变压器、整流变压器、电压互感器等。
【ET 磁芯】■ 用途:滤波变压器【EFD 磁芯】■ 用途:高频开关电源变压器器、整流变压器、开关变压器等。
【UF 磁芯】■ 用途:整流变压器、脉冲变压器、扼流变压器、电源变压器等。
【PQ 磁芯】■ 用途高频开关电源变压器、整流变压器等。
【RM 磁芯】■ 用途:高频开关电源变压器、整流变压器、屏蔽变压器、脉冲变压器、脉冲功率变压器、扼流变压器、滤波变压器。
【EP 磁芯】■ 用途:功率变压器、宽频变压器、屏蔽变压器、脉冲变压器等。
【H 磁芯】■ 用途:宽带变压器、脉冲变压器、脉冲功率变压器、隔离变压器、滤波变压器、扼流变压器、匹配变压器等。
软磁铁氧体磁芯形状与尺寸标准(一)软磁铁氧体磁芯形状软磁铁氧体是软磁铁氧体材料和软磁铁氧体磁芯的总称。
软磁铁氧体磁芯是用软磁铁氧体材料制成的元件或零件,或是由软磁铁氧体材料根据不同形式组成的磁路。
磁芯的形状基本上由成型(形)模具决定,而成型(形)模具又根据磁芯的形状进行设计与制造。
磁芯按磁力线的路径大致可分两大类;磁芯按具体形状分,有各种各样:磁芯按磁力线路径分类磁芯按使用时磁化过程所产生磁力线的路径可分为开路磁芯和闭路磁芯两类。
第一类为开路磁芯。
这类磁芯的磁路是开启的(open magnetic circuits),通过磁芯的磁通同时要通过周围空间(气隙)才能形成闭合磁路。
开路磁芯的气隙占磁路总长度的相当部分,磁阻很大,磁路中的部分磁通在达到气隙以前就已离开磁芯形成漏磁通。
因而,开路磁芯在磁路各个截面上的磁通不相等,这是开路磁芯的特点。
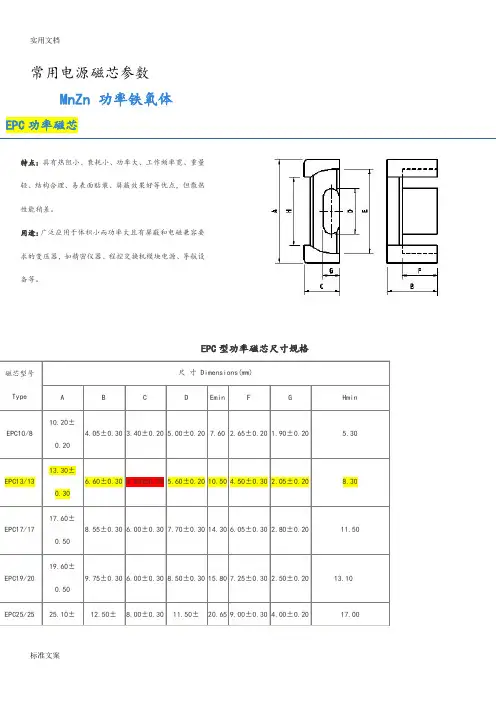
常用电源磁芯参数MnZn 功率铁氧体EPC功率磁芯轻、结构合理、易表面贴装、屏蔽效果好等优点,但散热性能稍差。
用途:广泛应用于体积小而功率大且有屏蔽和电磁兼容要求的变压器,如精密仪器、程控交换机模块电源、导航设备等。
EPC型功率磁芯尺寸规格EPC功率磁芯电气特性及有效参数注:AL值测试条件为1KHz,0.25v,100Ts,25±3℃Pc值测试条件为100KHz,200mT,100℃EE、EEL、EF型功率磁芯特点:引线空间大,绕制接线方便。
适用范围广、工作频率高、工作电压范围宽、输出功率大、热稳定性能好用途:广泛应用于程控交换机电源、液晶显示屏电源、大功率UPS逆变器电源、计算机电源、节能灯等领域。
EE、EEL、EF型功率磁芯尺寸规格EE、EEL、EF型功率磁芯电气特性及有效参数注:AL值测试条件为1KHz,0.25v,100Ts,25±3℃Pc值测试条件为100KHz,200mT,100℃EI型功率磁芯特点:结构紧凑、体积小、工作频率高、工作电压范围广、气隙在线圈顶端耦合紧、损耗低。
损耗与温度成负相关,可防止温度的持续上升。
用途:电源转换变压器及扼流圈、DVD电源、照相机闪光灯、通讯设备及其它电子设备。
EI型功率磁芯尺寸规格EI型功率磁芯电气特性及有效参数注:AL值测试条件为1KHz,0.25v,100Ts,25±3℃Pc值测试条件为100KHz,200mT,100℃PEE、PEI功率磁芯PEE、PEI型功率磁芯尺寸规格PEE、PEI型功率磁芯电气特性及有效参数注:AL 值测试条件为1KHz,0.25v,100Ts,25±3℃ Pc 值测试条件为100KHz,200mT,100℃ER 功率磁芯特点:耦合位置好,中柱为圆形,便于绕线且绕线面积增大,可设计功率大而漏感小的变压器。
用途:开关电源变压器,脉冲变压器,电子镇流器等。
ER 型功率磁芯尺寸规格ER型功率磁芯电气特性及有效参数注:AL值测试条件为1KHz,0.25v,100Ts,25±3℃Pc值测试条件为100KHz,200mT,100℃ETD型功率磁芯设计出功率大且漏感小的变压器。
常常利用磁芯参数表【EER磁芯】■ 用途:高频开关电源变压器、匹配变压器、扼流变压器等。
【EE磁芯】■ 用途:电源转换用变压器及扼流圈、通讯及其他电子设备变压器、滤波器、电感器及扼流圈、脉冲变压器等。
【ETD磁芯】■ 用途:电源转换用变压器及扼流圈、通讯及其他电子设备变压器、滤波器。
【EI 磁芯】■ 用途:高频开关电源变压器、功率变压器、整流变压器、电压互感器等。
【ET 磁芯】■ 用途:滤波变压器【EFD 磁芯】■ 用途:高频开关电源变压器器、整流变压器、开关变压器等。
【UF 磁芯】■ 用途:整流变压器、脉冲变压器、扼流变压器、电源变压器等。
【PQ 磁芯】■ 用途高频开关电源变压器、整流变压器等。
【RM 磁芯】■ 用途:高频开关电源变压器、整流变压器、屏蔽变压器、脉冲变压器、脉冲功率变压器、扼流变压器、滤波变压器。
【EP 磁芯】■ 用途:功率变压器、宽频变压器、屏蔽变压器、脉冲变压器等。
【H 磁芯】■ 用途:宽带变压器、脉冲变压器、脉冲功率变压器、隔离变压器、滤波变压器、扼流变压器、匹配变压器等。
软磁铁氧体磁芯形状与尺寸标准(一)软磁铁氧体磁芯形状软磁铁氧体是软磁铁氧体材料和软磁铁氧体磁芯的总称。
软磁铁氧体磁芯是用软磁铁氧体材料制成的元件或零件,或是由软磁铁氧体材料按照不同形式组成的磁路。
磁芯的形状大体上由成型(形)模具决定,而成型(形)模具又按照磁芯的形状进行设计与制造。
磁芯按磁力线的路径大致可分两大类;磁芯按具体形状分,有各类各样:磁芯按磁力线路径分类磁芯按使历时磁化进程所产生磁力线的路径可分为开路磁芯和闭路磁芯两类。
第一类为开路磁芯。
这种磁芯的磁路是开启的(open magnetic circuits),通过磁芯的磁通同时要通过周围空间(气隙)才能形成闭合磁路。
开路磁芯的气隙占磁路总长度的相当部份,磁阻专门大,磁路中的部份磁通在达到气隙以前就已离开磁芯形成漏磁通。
因此,开路磁芯在磁路各个截面上的磁通不相等,这是开路磁芯的特点。
1,磁芯向有效截面积:Ae2,磁芯向有效磁路长度:le3,相对幅值磁导率:μa4,饱和磁通密度:Bs功率铁氧体磁芯常用功率铁氧体材料牌号技术参数EI型磁芯规格及参数PQ型磁芯规格及参数EE型磁芯规格及参数EC、EER型磁芯规格及参数1 磁芯损耗:正弦波与矩形波比较一般情况下,磁芯损耗曲线是按正弦波+/-交流(AC)激励绘制的,在标准的和正常的时候,是不提供极大值曲线的。
涉及到开关电源电路设计的一个共同问题是正弦波和矩形波激励的磁芯损耗的关系。
对于高电阻率的磁性材料如类似铁氧体,正弦波和矩形波产生的损耗几乎是相等的,但矩形波的损耗稍微小一些。
材料中存在高的涡流损耗(如大型叠片式或大型切割磁芯)时,矩形波损耗是正弦波损耗的1/2~2/3。
D.Y.Chen提供的参考资料解释了这种现象。
一般情况下,具有矩形波的磁芯损耗比具有正弦波的磁芯损耗低一些。
但在元件存在铜损的情况下,这是不正确的。
在变压器中,用矩形波激励时的铜损远远大于用正弦波激励时的铜损。
高频元件的损耗在铜损方面显得更多,集肤效应损耗比矩形波激励磁芯的损耗给人们的印象更深刻。
举个例子,在20kHz、用17#美国线规导线的绕组时,矩形波激励的磁芯损耗几乎是正弦波激励磁芯损耗的两倍。
例如,对于许多开关电源来说,具有矩形波激励磁芯的5V、20A和30A输出的电源,必须采用多股绞线或利兹(Litz)线绕制线圈,不能使用粗的单股导线。
2 Q值曲线所有磁性材料制造厂商公布的Q值曲线都是低损耗滤波器用材料的典型曲线。
这些测试参数通常是用置于磁芯上的最适用的绕组完成的。
对于罐形磁芯,Q值曲线指出了用作生成曲线时的绕组匝数和导线尺寸,导线是常用的利兹线,并且绕满在线圈骨架上。
对于钼坡莫合金磁粉芯同样是正确的。
用最适合的绕组,并且导线绕满了磁芯窗口时测试,则Q值曲线是标准的。
Q值曲线是在典型值为5高斯或更低的低交流(AC)激励电平下测量得出的。
由于在磁通密度越高时磁芯的损耗越大,故人们警告,在滤波电感器工作在高磁通密度时,磁芯的Q值是较低的。
常用电源磁芯参数MnZn 功率铁氧体EPC功率磁芯特点:具有热阻小、衰耗小、功率大、工作频率宽、重量轻、结构合理、易表面贴装、屏蔽效果好等优点,但散热性能稍差。
用途:广泛应用于体积小而功率大且有屏蔽和电磁兼容要求的变压器,如精密仪器、程控交换机模块电源、导航设备等。
EPC型功率磁芯尺寸规格磁芯型号Type尺寸 Dimensions(mm)A B C D Emin F G HminEPC10/810.20±0.204.05±0.30 3.40±0.205.00±0.20 7.60 2.65±0.20 1.90±0.20 5.30 EPC13/1313.30±0.306.60±0.30 4.60±0.20 5.60±0.20 10.50 4.50±0.30 2.05±0.20 8.30 EPC17/1717.60±0.508.55±0.30 6.00±0.30 7.70±0.30 14.30 6.05±0.30 2.80±0.20 11.50 EPC19/2019.60±0.509.75±0.30 6.00±0.30 8.50±0.30 15.80 7.25±0.30 2.50±0.20 13.10 EPC25/25 25.10±12.50±8.00±0.30 11.50±20.65 9.00±0.30 4.00±0.20 17.00EPC功率磁芯电气特性及有效参数注:AL值测试条件为1KHz,0.25v,100Ts,25±3℃Pc值测试条件为100KHz,200mT,100℃EE、EEL、EF型功率磁芯特点:引线空间大,绕制接线方便。