铁氧体磁芯_经典
- 格式:ppt
- 大小:6.04 MB
- 文档页数:140
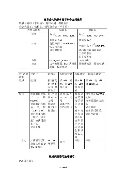
磁芯分为铁氧体磁芯和合金类磁芯铁氧体磁芯(常用的):锰锌系列,镍锌系列合金类磁芯:铁粉芯,钼坡莫合金根据变压器用途选磁芯:PQ功率磁芯:功率传输变压器,开关电源变压器,滤波电感器,宽频及脉冲变压器,转换电源变压器主要材质:TP3, TP4EP型高导磁芯:主要用于滤波器波形整理,消除杂波,使视频清晰或音频保真根据工作频率,功率大小,电感量大小,安装空间选择磁芯:根据滤波器电感量大小:AL= (L/N2)*1000000 (辿)N2(准确的说法是叫电感系数,他是为了便于开关电源的匝数引入的,(N*N=Lp/Al 其中N为线圈的匝数,Lp为线圈的电感量,Al为电感系数)一般手册上给的是1匝线圈的电感量,有的给出的是1000的电感量.1mH=1000uH 1uH=1nH,nH(纳亨)(不常用)磁芯结构的选择:选择时要尽量降低漏磁和漏感,增加线圈散热面积,有利于屏蔽,线圈绕线容易,装配接线方便。
不同磁芯对变压器的工作影响:的输出功率,并且占用最小的PCB安装空间可以使用一付夹子进行安装固定这种有效的设计也使的磁芯的磁路截面积更加统一,因此这种磁芯结构也使得比其它的磁芯结构设计有更少的工作热点。
EP型磁芯EP型磁芯的圆形中心柱立体形结构,除了与PCB板接触的末端外,完全的把绕组包裹了起来,屏敝非常好这种独特的形状最小化了在两片磁芯装配时接触面形成的气隙的影响,并且提供了一个更大的体积和总的空间利用率的比例。
环形磁芯」:对于制造商来说,环型磁芯是最经济的,在与其可比较的各种磁芯中,它的花费是最低的;由于使用骨架,附加的和组装的费用等于零;适合时可以使用绕线机进行绕制;它的屏敝也是非常不错的。
常用的PQ和EP磁芯参数PQ型磁芯参数:特点:有10种形状构成系列供选用。
为高密度(定义)安装而设计的磁芯形状。
用途:开关电源用变压器,扼流圈等。
TYPE 类型Dimensions规模AP cm4AE mm2磁芯有效截面积AW mm2卷线截面积AL nH/N2 磁芯无气隙时的等效电感LE mm磁路长度VE mm2磁芯体积WT g磁芯重量PQ20/1620.5*8.1*140.291462.0047.003880.0037.402310.0013.00 PQ20/2020.5*10.1*140.408062.0065.803150.0045.702790.0015.00 PQ26/2026.5*10.0*190.7188117.0060.406170.0046.305490.0031.00 PQ26/2526.5*12.3*190.9971118.0084.505250.0055.506590.0036..00 PQ32/2 032*10.27*22 1.3736170.0080.807310.0055.509420.0042.00 PQ32/3 032*15.17*22 2.4086161.00149.605140.0074.6011970.0055.50PQ35/3535.1*17.37*264.3238196.00220.604860.0087.9019260.0073.00PQ40/4 040.5*19.87*286.5526201.00326.004300.00101.9020450.0095.00PQ50/5 050*24.97*3214.2024328.00433.006720.00113.0037238.00195.00 EP型磁芯参数:产品型号TYPE 类型Dimensions 规模AP cm4AE mm2 磁芯有 效截面 积AW mm2 卷线截面积AL nH/N2 磁芯无 气隙时 的等效 电感LE mm 磁路长 度VE mm2 磁芯体积WT g 磁芯重 量EP7 9.4*3.75*6.5 0.0102 10.70 9.50 1120.00 15.50 165.00 0.80 EP10 11.5*5.1*7.6 0.0255 11.30 22.57 1025.00 19.30 215.00 1.10 EP13 12,8*6.5*9.0 0.0456 19.50 23.40 1475.00 24.20 472.00 2.40 EP1718,0*8.4*11.0 0.1210 33.70 35.90 2230.00 29.50 999.00 5.00 EP2024*10.7*150.499778.7063.503950.0041.103230.0016.00AP 法选磁芯:令初次绕组的有效值电压为U 1,初次线圈的匝数为N °,所选磁芯的交流磁通密 度为%c ,磁通量为仍开关周期为T ,开关频率为f ,初次侧电流的波形系数是 勺,磁芯有效横截面积为4有关系式: U = N 皿=N "r/K/ x 10-41「dt 「 T=¥/x 10-4⑴考虑到勺=4k f 关系式之后 波形系数",:\= 4*k(2)k 工 krms 波形因数与:f U ave (3) U^s 采用有效值,采用整流平均值(均绝值)正弦波的有效值为峰值的近倍,整流平均值为峰值的2倍2 1可推导出:FBN s _ us-04(5)设绕组的电流密度为J (400A/cm 2),导线截面积为S=I/J ,高频变压器的窗口 利用系数为勺,初次绕组有效值电流分别为/1,12,绕组面积被完全利用时:(6)A _”x /1+^x /2W 5 J K w /将(4)(5)整理进(7)后得: A_一“1。
电感磁芯结构
电感磁芯是一种用于增强电感线圈磁导率的材料,它可以极大地提高电感器的感量(L)。
电感磁芯的结构主要有以下几种:
1. 铁氧体磁芯:铁氧体磁芯是以Fe2O3为主成分的亚铁磁性氧化物,有Mn-Zn、Cu-Zn、Ni-Zn 等几类,其中Mn-Zn 最为常用。
铁氧体磁芯具有良好的磁性能和较高的电阻率,广泛应用于高频变压器、小功率的储能电感等。
2. 硅钢片磁芯:硅钢片磁芯是在纯铁中加入少量的硅(一般在 4.5%以下)形成的铁硅系合金。
硅钢片磁芯具有较高的饱和磁通和较低的电阻率,常用于电力变压器、低频电感、CT等。
3. 铁镍合金磁芯:铁镍合金磁芯又称坡莫合金或MPP,通常指铁镍系合金,镍含量在30~90%范围内。
铁镍合金磁芯具有很高的磁导率和损耗很低,高频性能好,但成本较高。
4. 铁粉芯磁芯:铁粉芯磁芯是由铁磁性粉粒与绝缘介质混合压制而成的一种软磁材料,存在分散气隙(效果类似与铁磁材料开气隙)。
常用铁粉芯是由碳基铁磁粉及树脂碳基铁磁粉构成。
铁粉芯磁芯磁导率随频率的变化较为稳定,随直流电感量较大,适用于功率电感器、变压器、电抗器等。
这些磁芯结构在不同的应用场景中具有各自的优点和特点,可以根据实际需求选择合适的电感磁芯结构。
镍锌铁氧体磁芯
镍锌铁氧体磁芯是一种高频软磁铁氧体材料,具有尖晶石结构,相对初始磁导率μ在15~70之间,矫顽力为238.8~557.2A/m,居里点为350~450℃。
它的主要原料包括铁、镍、锌的氧化物或盐类。
镍锌铁氧体磁芯由于具有高频、宽频、高阻抗、低损耗的特点,在近几年越来越受到重视,成为在高频范围(1-100MHz)内应用最广、性能优异的软磁铁氧体材料。
镍锌铁氧体磁芯的磁导率从15-2000不等均有应用,常用的材料磁导率在100-1000之间。
此外,它还具有极高的阻抗率,不到几百的低磁导率等特性。
在电子设备中,镍锌铁氧体磁芯广泛应用于线圈和变压器中,因为它具有高的饱和磁感应强度,机械应力影响小,价格便宜等优点。
请注意,对于任何关于电子设备或材料的详细技术问题,最好咨询相关的专业人员或查阅专门的技术资料,以确保安全和准确性。
东磁铁氧体磁芯1. 简介东磁铁氧体磁芯是一种特殊的磁性材料,被广泛应用于电子和电气领域,特别是在电感器、变压器和滤波器等设备中。
它具有优异的磁性能和稳定性,是现代电子技术中不可或缺的关键元件。
2. 磁芯材料东磁铁氧体磁芯主要由铁、镍、锌以及其他稀土元素组成。
这些元素的合理配比能够使得磁芯具有良好的饱和磁通密度、低矫顽力以及高导磁率等特性。
此外,通过控制材料中晶粒的尺寸和形态,可以进一步改善其性能。
3. 磁芯制备工艺3.1 粉末制备首先,将所需的金属元素按一定比例混合,并进行球磨处理,使得各种金属粉末均匀混合。
然后,在惰性气氛下进行干法或湿法过程,将混合粉末加热并还原,得到所需的磁芯材料粉末。
3.2 成型将磁芯材料粉末与有机粘结剂混合,形成可塑性的磁芯浆料。
然后,通过注塑、压制或挤出等工艺将浆料制成所需形状的磁芯坯体。
3.3 烧结将磁芯坯体置于高温环境下进行烧结处理。
在这个过程中,有机粘结剂会被分解和挥发,金属粉末颗粒之间发生相互扩散和连结,最终形成致密的磁芯。
3.4 加工和处理经过烧结后的磁芯需要进行一系列的加工和处理步骤,以达到所需的尺寸、形态和表面状态。
这些步骤包括切割、铣削、打孔、抛光等,确保最终的产品符合设计要求。
4. 磁性能东磁铁氧体磁芯具有优异的磁性能,主要包括以下几个方面:4.1 饱和磁通密度饱和磁通密度是指磁芯在饱和状态下能够承受的最大磁感应强度。
东磁铁氧体磁芯具有高饱和磁通密度,能够提供更强的磁场。
4.2 矫顽力矫顽力是指需要施加到磁芯上的磁场强度,使得其磁感应强度降至零。
东磁铁氧体磁芯具有低矫顽力,能够在较小的外部场强下实现快速反转。
4.3 导磁率导磁率是指材料对外加交变电场产生的感应电流的导引能力。
东磁铁氧体具有高导磁率,使得它在电感器和变压器中可以有效地集中和传输电能。
4.4 热稳定性东磁铁氧体具有良好的温度稳定性,即在高温环境下仍然保持较好的性能。
这使得它适用于各种高温应用场景。
磁芯分为铁氧体磁芯和合金类磁芯铁氧体磁芯(常用的):锰锌系列,镍锌系列合金类磁芯:铁粉芯,钼坡莫合金(不常见)铁氧体磁芯锰锌系镍锌系组成71%,MnO 20%,其他为ZnO50%,NiO 24%,其他为ZnO特点电阻率高(10omh-cm)铁芯损耗低居里温度高电阻率高(omh-cm)铁芯损耗较锰锌系高工作频率高居里温度高形状EE,ER,EI,PQ,RM,POT DR,R,环形用途功率变压器,EMI共模滤波器,储能电感常模滤波器,储能电感合金类磁芯硅钢片铁粉芯铁硅铝合金铁镍合金钼坡莫合金组成硅,钢极细的铁粉和有机材料粘合铝6%,硅9%,铁85%组合成镍50%,铁50%组合而成钼2%,铁17%,镍81%组成特点极高的磁导率(μ约60000)很高的饱和磁通密度(0.6T~1.9T)电阻率非常低(取决于硅含量),故使用频率不高成本低廉磁导率在10~75之间低成本铁芯损耗很高磁导率在26~125之间成本中等铁芯损耗低饱和磁通密度高于铁硅铝合金成本高于铁硅铝合金铁芯损耗于铁硅铝合金和铁粉芯之间磁导率在14~550之间饱和磁通密度最高成本最高铁芯损耗最低,稳定性最好型式片状或带状以及加工后的O型,R型等EE,ER,环形等环形环形环形根据变压器用途选磁芯:PQ功率磁芯:功率传输变压器,开关电源变压器,滤波电感器,宽频及脉冲变压器,转换电源变压器主要材质:TP3,TP4EP型高导磁芯:主要用于滤波器波形整理,消除杂波,使视频清晰或音频保真根据工作频率,功率大小,电感量大小,安装空间选择磁芯:根据工作频率选择磁芯适用的工作频率范围TP3材质温度升高,功率呈下降趋势,中心工作频率25KHz—200KHzTP4材质中心工作频率在200KHz—300KHzTH7,TH10,TH12材质中心工作频率小于150KHz根据功率大小选择磁芯小于5W可用磁芯ER9.5,ER11.5,EE8.3,EE10,EE13,EP7,EP10,RM4,UI19.8,URS7 5—10W可用磁芯ER20,EE19,RM5,GU14,EI22,EF16,EP13,UI11.510—20W可用磁芯ER25,EE20,EE25,RM6,GU18,EF2020—50W可用磁芯ER28,EI28,EE28,EE30,EF25,RM8,GU22,PQ20系列,EFD20 50—100W可用磁芯ER35,ETD34,EE35,EI35,EF30,RM10,GU30,PQ26系列100—200W可用磁芯ER40,ER42,EI40,RM12,GU36,PQ32系列200—500W可用磁芯ER49,EC53,EE42,EE55,RM14,GU42,PQ35系列,PQ40系列,UU66 500W以上可用磁芯ER70,EE65,EE85,GU59,PQ50系列,UU80,UU93根据滤波器电感量大小:AL=(L/)*1000000()(准确的说法是叫电感系数,他是为了便于开关电源的匝数引入的,(N*N=Lp/Al 其中N为线圈的匝数,Lp为线圈的电感量,Al为电感系数)一般手册上给的是1匝线圈的电感量,有的给出的是1000的电感量.1mH=1000uH 1uH=1nH ,nH(纳亨)(不常用)磁芯结构的选择:选择时要尽量降低漏磁和漏感,增加线圈散热面积,有利于屏蔽,线圈绕线容易,装配接线方便。
gu9铁氧体磁芯参数
gu9铁氧体磁芯是一种常用的磁性材料,常用于制造变压器、
电感器和其他电子元件。
它的参数包括饱和磁感应强度、矫顽力、
剩磁和磁导率等。
首先,饱和磁感应强度是指在给定的温度下,材料中磁感应强
度达到最大值时的磁感应强度。
对于gu9铁氧体磁芯来说,其饱和
磁感应强度通常在4000高斯以上。
其次,矫顽力是指在磁化过程中,需要施加的磁场强度才能将
材料从饱和状态还原到无磁化状态。
gu9铁氧体磁芯的矫顽力通常
在1000安培/米以上。
此外,剩磁是指在去除外部磁场后,材料中残留的磁感应强度。
gu9铁氧体磁芯的剩磁较低,通常在0.3特斯拉以下。
最后,磁导率是描述材料对磁场的响应能力的参数,它是磁感
应强度与磁场强度的比值。
gu9铁氧体磁芯的磁导率通常在200以上。
总的来说,gu9铁氧体磁芯具有较高的饱和磁感应强度和矫顽力,以及较低的剩磁,适用于各种电子元件的制造。
当然,具体的参数还需要根据具体的工程需求进行选择和设计。
最小二乘法求解磁芯损耗系数变压器是开关电源设备中的重要元件,它对开关电源设备的体积、效率有很大影响。
在高频下,变压器损耗占整个电源损耗的比重有点大。
而变压器的损耗除了铜线的损耗就是磁芯的损耗。
研究磁芯的损耗很有必要磁芯损耗与磁性材料特性和工作频率等密切相关。
在交流磁化过程中,磁芯损耗功率(Pv)由磁滞损耗(Ph)、涡流损耗(Pe)和剩余损耗(Pc)组成。
磁滞损耗(Ph)是磁性材料在磁化过程中,磁畴要克服磁畴壁的摩擦而损失的能量,这部分损失最终使磁芯发热而消耗掉。
单位体积磁芯损耗的能量正比于磁滞回线包围的面积。
每磁化一个周期,就要损耗与磁滞回线包围面积成正比的能量,所以可以得出:磁滞曲线面积越小,磁滞损耗就越小;频率越高,损耗功率越大。
涡流损耗(Pe)是因磁芯材料的电阻率不是无限大,有一定的电阻值,在高频时还是会由于激磁磁场在磁芯中产生涡流而导致损耗。
剩余损耗(Pc)是由于磁化弛豫效应或磁性滞后效应引起的损耗。
所谓弛豫是指在磁化或反磁化的过程中,磁化状态并不是随磁化强度的变化而立即变化到它的最终状态,而是需要一个过程,这个‘时间效应’便是引起剩余损耗的原因。
二、磁芯损耗的经典计算方法前面对磁芯损耗的构成进行了分析,磁芯损耗功率(Pv)由磁滞损耗(Ph)、涡流损耗(Pe)和剩余损耗(Pc)组成:c e h P P P Pfe ++=对于软磁铁氧体,S te inmetz 总结出一个实用于工程计算磁芯损耗的经验公式:βαB f Cm P v **=这个公式表明单位体积的损耗Pv 是重复磁化频率和磁通密度的指数函数。
Cm ,α 和β 是经验参数,但公式和参数仅仅适用于正弦的磁化情况。
而且这个公式是steinmetz 通过很多实验数据分析得来的公式,不是理论推导出来的。
三、Steinmetz 经验公式的调整3.1 频率和温度的影响借助 Steinmetz 模型计算磁损在工程上的应用十分广泛,然而该模型的参数随频率变化,也就是说用来反映频率和最大磁感应强度与磁损关系的幂指数α 和β 的拟合值在不同频率时是不同的,同时温度对磁芯损耗的影响也很大。
u型铁氧体磁芯
U型铁氧体磁芯是一种常见的磁性材料,由于其具有较高的磁导率和较低的损耗,因此在各种电子设备和系统中得到了广泛的应用。
U型铁氧体磁芯是由铁氧化物和其他添加剂经过高温烧结而成的。
其形状通常为“U”型,因此得名。
由于其特殊的形状和制造工艺,U型铁氧体磁芯具有较高的磁导率和较低的磁损耗。
这使得它成为制造变压器、电感器、滤波器等电子设备的理想材料。
在电子设备中,U型铁氧体磁芯通常与线圈配合使用,以实现电磁转换和信号处理。
例如,在变压器中,U型铁氧体磁芯与线圈配合使用,可以将输入的电压或电流转换成所需的输出电压或电流。
在电感器中,U型铁氧体磁芯与线圈一起形成电感,可以用来存储电能或过滤信号。
除了其磁性性能外,U型铁氧体磁芯还具有良好的机械性能和环境适应性。
它的硬度较大,不易变形,因此可以承受较大的机械应力和温度变化。
此外,U型铁氧体磁芯还具有良好的绝缘性能和化学稳定性,可以在各种环境中稳定工作。
总之,U型铁氧体磁芯是一种重要的磁性材料,在电子设备和系统中得到了广泛的应用。
它的高磁导率和低磁损耗性能使得它成为制造变压器、电感器、滤波器等设备的理想选择。
随着科技的不断进步和应用需求的不断提高,U型铁氧体磁芯将会在更多的领域得到应用和发展。
铁氧体磁芯是由铁氧体材料制成的磁性元件,广泛应用于电子和电气工程中。
以下是铁氧体磁芯的主要特性和应用:
特性:
1.高频性能:由于铁氧体的特性,它在高频应用中表现出色,减少了磁芯损耗。
2.高磁导率:铁氧体磁芯能够有效地集中和传导磁场,这意味着它们可以在更小的体积下实现相同的性能。
3.热稳定性:与其他磁性材料相比,铁氧体在高温下仍然保持其磁性特性。
应用:
1.电源电子:在变压器、电感和滤波器中,铁氧体磁芯提供了高效率和小体积的解决方案。
2.射频与通讯:铁氧体磁芯被广泛应用于射频变压器、阻抗匹配和电磁屏蔽中。
3.数据存储:某些硬盘驱动器技术使用铁氧体磁芯来增强存储密度和性能。
4.电磁干扰(EMI)滤波:铁氧体环或磁珠用于缠绕电缆,以抑制和减少电磁干扰。
种类:
铁氧体磁芯可以根据其成分和应用,分为不同的类型。
例如,锰锌铁氧体(用于低频应用)和镍锌铁氧体(用于高频应用)。
总的来说,铁氧体磁芯因其高频性能、高磁导率和热稳定性等特性,在电源电子、射频与通讯、数据存储和电磁干扰滤波等多个领域都有着广泛的应用。
磁芯说明E、I形磁芯特点:具有高的导磁率,高饱和的磁通密度和很小的损耗。
由于铁损和温度成负相关,因而可以防止温度的逐步上升,特别在100℃附近,功率损失最小。
用途:电源转换用变压器及扼流圈,通讯设备用变压器。
E形磁芯比罐形磁芯便宜,并有易缠绕和易组装的优点。
然而,E形磁芯没有自屏蔽的功能。
我们提供迭片尺寸的E形磁芯,可与市场上原本设计用于标准迭片尺寸的绕带冲压件的线圈管搭配。
同时提供公制和DIN尺寸。
E形磁芯可压制成各种厚度,提供不同截面的选择。
E形磁芯的典型应用包括差模、功率和电信电感器,以及宽带变压器、电源、变换式和逆变式变压器。
E FD磁芯特点: 卧式安装,可降低高度,备有多路输出,适用于密集型贴装。
用途: 适用于小功率开关电源。
符合行业标准的经济型平面设计(E FD)磁芯可为变压器或电感器节省大量空间。
其横截面特别针对超薄变压器而优化。
E FD磁芯非常适合超薄变压器和电感器使用。
E TD磁芯E TD磁芯是变压器或电感器的经济型选择。
其圆形中柱可减小绕组电阻。
而且,专门针对提高电源变压器效率而优化尺寸。
E TD磁芯的典型应用包括差模电感器和电源变压器。
E E R磁芯E E R磁芯是变压器和电感器的经济型选择。
在缩短缠绕路径长度上,其圆形中柱比方形中柱更具有优势。
美磁E ER磁芯的典型应用包括差模电感器和电源变压器。
E C磁芯特点:磁芯中心部份的断面呈圆形,绕线十分方便。
绕线面积增加,可设计出大功率的开关变压器。
用途:1、各类开关电源Dc-Dc、Ac-Dc、Ac-Ac2、适宜各种电源形式:如:单端反激式、正激式推挽、半桥、全桥。
3、适用于家电、通讯、照明、办公自动化、卫星电视接收系统、军品等领域设计功率参考表型号25KHZ 50KHZ 100KHZTYPEEC 28 40 65 104EC 35 70 113 180EC 40 118 190 300EC 49 150 240 385EC 54 205 330 528EC 70 450 730 1160E C磁芯的横截面介于罐形磁芯和E形磁芯之间,其圆形中柱每边都有很大的开口,因而使绕组电阻减到最小。
镍锌铁氧体磁芯电感
镍锌铁氧体磁芯电感是一种电子元器件,用于电路中的电感元件。
镍锌铁氧体是一种由镍、锌、铁和氧元素组成的磁性材料,具有高磁导率、低磁滞和低损耗等特点,被广泛应用于电子电路中的电感器。
镍锌铁氧体磁芯电感的主要特点包括:1. 高感受性:镍锌铁氧体磁芯具有较高的磁导率,可以实现较高的电感值。
2. 低磁滞:镍锌铁氧体磁芯具有低磁滞特性,可以实现较高的磁性能和较低的能量损耗。
3. 宽频带:镍锌铁氧体磁芯在宽频率范围内都具有较好的性能,适用于不同频率的电路设计。
4. 温度稳定性:镍锌铁氧体磁芯具有较好的温度稳定性,可在不同温度条件下保持较稳定的电感值。
镍锌铁氧体磁芯电感广泛应用于电子电路中,例如电源滤波、信号隔离、电感匹配等领域。
其优点包括体积小、重量轻、性能稳定等,可以满足复杂的电路设计需求。
软磁铁氧体磁芯的有效参数(一)
铁氧体磁芯的电磁性能与磁芯的材料和磁芯的尺寸有关。
许多材料参数的计算,如磁导率,损耗和饱和磁感应强度等,都要涉及到磁芯的几何尺寸。
通常将磁场分布不均匀的磁芯—如E型磁芯,复杂的罐形磁芯等—等效为具有均匀磁场分布的假想磁芯,这种假想的等效磁芯近似于一个薄壁的环形磁芯,而且壁厚与内径之比越小,近似程度越准确。
这个磁芯具有各处相等的截面,并用各种材料构成,可用有效截面Ae 和有效磁路长度le 来表示。
在计算时还应假设,总磁通能穿过每个位置的截面积,在磁芯旁边走过的漏磁通忽略不计。
最简单的情况如图2-20 的矩形截面的环形磁芯。
当沿环形磁芯均匀缠绕线圈并通电以后,在环形磁芯内部的磁力线各处是不均匀的,在靠近内径处磁路长度短,磁阻小;在靠近外径处,磁路长度长,磁阻大。
磁力线形成许多同心圆。
我们把磁芯设想成由许多壁厚为dr 的理想薄壁环组成,其中IN=N2πr,并将单元环形的高度定为h,截面积定为dA=hdr,则单元环相应的单元电感为:
由B=μ0μiH 代入,可得单元初始电感值为:
将所有的单元环加起来,即由内径到外径积分,可得
环形磁芯的初始电感值为:
(1-34) 于是,环形磁芯的初始磁导率为:
(1-35) 或简化为:
(1-36) 式中,L = 电感(亨利)
N = 匝数
h = 磁芯高度(米)
D = 环形磁芯外径(米)
d = 环形磁芯内径(米)
图 1-20 矩形截面的环形磁芯。
锰锌铁氧体磁芯介绍
1、锰锌功率铁氧体材料(用于开关电源、节能灯等大功率设备)
TDK PC30(国产R2KB),相对磁导率2000,最高工作频率100kHz。
TDK PC40(国产R2KB1),相对磁导率2000,最高工作频率500kHz。
TDK PC50(国产R2KB2),相对磁导率2000,最高工作频率可达1MHz。
一般电子市场中绕制开关电源变压器的,都是这类材料,国产材料一般只说“磁导率2000”,好一点的相当于PC40,差一点的相当于PC30,相当于PC50的较少见。
廉价节能灯中的磁环和电感,一般是相当于PC30的材料,因为其工作频率一般在50kHz以下。
2、一般锰锌铁氧体材料(用于收音机中波磁棒、AM中周等)
R400,最常见的材料,相对磁导率400。
改进的材料,例如R750、R800等,其相对磁导率比MXO-400高,高频损耗小,绕制的线圈Q值高,但绕制匝数要比MXO-400 材料少,需要实测。
目前很多中波磁棒都是此类改进材料,使用时不宜盲目按照过去的参数绕制线圈,需要实测一下电感系数,方法是用漆包线在磁棒一端密绕数十匝,测出电感量,根据电感量与线圈匝数的平方成正比,可以计算出达到预定电感量所需匝数。
铁氧体磁芯铁氧体磁芯是一种十分重要的电子元件,在电子设备中广泛应用,用于转换电磁能。
据估计,该元件在全球电气市场中,占比高达90%以上。
铁氧体磁芯是一种电子元件,它包括一种磁性材料,即铁氧体,它含有晶粒、自旋码和颗粒等,具有很强的磁性。
此外,它还包括一种半导体材料,如硅材料,可以在特定波长和频率范围内通过电磁能改变它们的电阻以调节电流。
铁氧体磁芯有多种类型,每种型号都具有特定的性能特征。
常见的类型包括单棒型、叠层型、螺旋型、微型型等。
这些型号在尺寸、频率、最大转矩、功率、损耗等方面有很大的不同。
在电子设备中,铁氧体磁芯的应用十分广泛。
它可以作为放大器、变压器和滤波器的元件,可以用来调节电流和电压,以更好地提高工作效率,也可以帮助降低故障率。
此外,它还可以用作电机的磁芯,控制调速器的转速,以达到预定的转速和功率等目标。
铁氧体磁芯在电子设备中的使用,有一系列严格的要求,包括温度和电磁辐射等。
要正确使用这种元件,就必须考虑它的机械结构、材料性能和电子磁场性能。
除了调节电流和电压以外,铁氧体磁芯还有很多特殊应用。
例如,它可以作为脉冲发生器的元件,可以在特定的时间周期内发出高频率的脉冲信号用于控制机器的运行。
此外,铁氧体磁芯还可以用于检测和记录设备的电磁场变化,以识别特定设备的功能和质量。
由于铁氧体磁芯抗损耗性能优良、可靠性高、体积小、重量轻,因此在电子设备中广泛应用。
此外,微型化的铁氧体磁芯具有非常优异的性能,可以满足电子设备的复杂要求。
总的来看,铁氧体磁芯是一种电子元件,具有高可靠性和抗损耗性,它可以用于改变电流和电压,以提高设备的工作性能,也可以用于检测设备的特定功能,是不可或缺的重要组件。