电气工程项目划分表
- 格式:doc
- 大小:31.00 KB
- 文档页数:1
目录1 编制目得与适用范围 (1)2 实施本办法得依据 (1)3 职责 (2)4 检验、报验及评定办法 (2)5 材料报验及检验 (3)6 施工过程质量控制 (3)7 其她规定 (3)8 附录 (4)1 编制目得与适用范围为规范工程质量检验工作,加强施工工序得质量控制,确保工程质量检验工作能够真实反映施工质量,特制定本办法。
本办法适用于公司所承建得B标段所有电气安装项目得工程检验。
2 实施本办法得依据2、1 施工图及有关文件;2、2 设备制造厂提供得技术文件;2、3 电力行业《电气装置安装工程质量检验及评定规程》 DL/T5161、1—5761、17—2002;2、4 GBJ 147—90 《电气装置安装工程高压电器施工及验收规范》;2、5 GBJ 148—90 《电气装置安装工程电力变压器、油浸电抗器、互感器施工及验收规范》;2、6 GBJ 149—90 《电气装置安装工程母线装置施工及验收规范》;2、7 GB 50150—2006 《电气装置安装工程电气交接试验标准》;2、8 GB 50168—2006 《电气装置安装工程电缆线路施工及验收规范》;2、9 GB 50169—2006 《电气装置安装工程接地装置施工及验收规范》;2、10 GB 50170—2006 《电气装置安装工程旋转电机施工及验收规范》;2、11 GB 50171—92 《电气装置安装工程盘、柜及二次线路接线施工及验收规范》;2、12 GB 50172—92 《电气装置安装工程蓄电池施工及验收规范》;2、13 GB 50254—96 《电气装置安装工程低压电器施工及验收规范》;2、14 GB 50255—96 《电气装置安装工程电力变流设备施工及验收规范》;2、15 GB 50256—96 《电气装置安装工程起重机电气装置施工及验收规范》;2、16 经监理部门审批得专业工程质量检验评定项目划分表。
3 职责3、1项目部质检工程师负责编制质量检验及评定项目范围划分表,并征得监理部门同意。
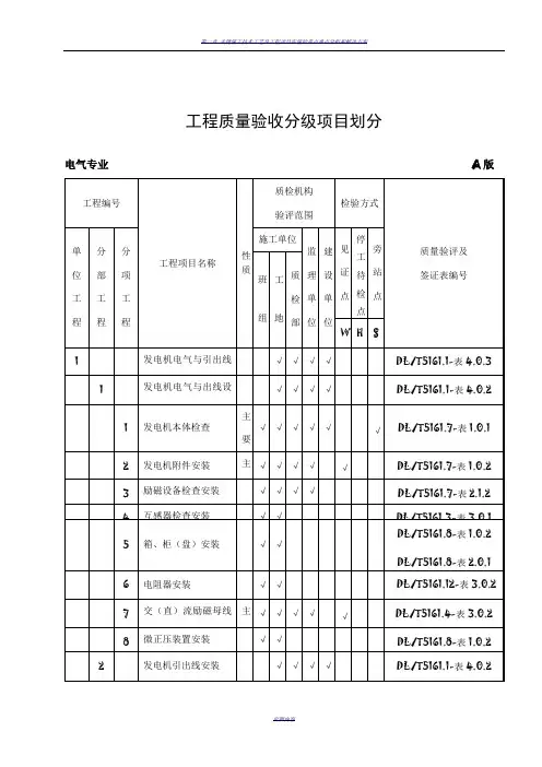
工程质量验收分级项目划分
电气专业A版
工程质量验收分级项目划分
电气专业A版
工程质量验收分级项目划分
电气专业A版
工程质量验收分级项目划分
电气专业A版
工程质量验收分级项目划分
电气专业A版
工程质量验收分级项目划分
电气专业A版
工程质量验收分级项目划分
电气专业A版
工程质量验收分级项目划分
电气专业A版
工程质量验收分级项目划分
电气专业A版
工程质量验收分级项目划分
电气专业A版
工程质量验收分级项目划分
电气专业A版
工程质量验收分级项目划分
电气专业A版。
工程质量控制点等级划分表
电气工程
工程质量控制点等级划分表
仪表工程
注:A级:关键过程或工序质量控制点,由业主项目组、监理(EPCM承包商)、工程建设承包商专业技术人员共同参加的质量检查、检测或见证。
B级:重要过程或工序质量控制点,由监理(EPCM承包商)、EPC承包商、施工承包商专业技术人员共同参加的质量检查、检测或见证。
C级:一般过程或工序质量控制点,由EPC承包商、施工承包商专业技术人员自行实施的质量检查、检测。
H点:既质量停检控制点。
表示未经业主专业人员见证或参加检查通过,承包商不得以任何理由进行下步工序。
若因此业主原因造成承包商工期延误或费用增加,承包商有权向业主索赔。
FH点:既首件样板质量停检控制点。
表示承包商在多人次、多部位重复发生的工序或应用新材料、新技术的工序时,必须策划首件样板工程,待通过业主项目组、监理(EPCM承包商)、工程建设承包商专业技术人员共同参加的质量检查、检测后,后续重复工作方可全面开展。
详见《首件样板施工管理规定》(SHEC-P07-10)。
W点:既质量观察控制点。
表示若业主专业人员未按事先约定或承包商通知时间到场参加检查验证,承包商有权继续进行下步工序,业主专业人员事后应对承包商质量检查、检测结果予以认可。
关于征求输电线路及变电站工程项目划分意见的通知
输电线路工程项目划分说明
一、本划分表的编制依据为:《110-500kV架空送电线路工程施工质量检验及评定规程》及《110-500kV架空送电线路工程施工及验收规范》。
二、本划分表将每两个变电站之间的架空送电线路工程定为1个单位工程。
每个单位工程分为6个分部工程;每个分部工程分为若干个分项工程;每个分项工程又分为若干个单元工程;每个单元工程中规定有若干个检查(检验)项目。
三、项目的质量要求和检查方法按照《110kV~500kV架空电力线路工程施工质量检验及评定规程》执行。
变电站工程项目划分说明
每个变电站划分为1个单位工程,2个子单位工程,包括土建工程及电气安装工程。
一、变电站电气安装子单位工程划分为以下9个分部工程:
1.***kV配电装置;
2.***kV配电装置;
3.***kV配电装置及无功补偿系统;
4.主变压器系统;
5.站用电系统;
6.防雷接地系统;
7.电气二次系统;
8.通信系统;
9.调试系统。
二、变电站土建工程划分为以下6个分部工程:
1.主控制楼综合楼;
2.户外构支架分部工程;
3.所区性建筑;
4.消防分部工程;
5.辅助生产建筑分部工程;
6.生活福利建筑分部工程。
输电线路项目划分表
输电线路项目划分表
输电线路项目划分表
输电线路项目划分表
输电线路项目划分表
输电线路项目划分表
输电线路项目划分表
输电线路项目划分表
输电线路项目划分表
输电线路项目划分表
变电站电气安装子单位工程项目划分表
变电站土建子单位工程项目划分表。
关于征求输电线路及变电站工程项目划分意见的通知
输电线路工程项目划分说明
一、本划分表的编制依据为:《110-500kV架空送电线路工程施工质量检验及评定规程》及《110-500kV架空送电线路工程施工及验收规范》。
二、本划分表将每两个变电站之间的架空送电线路工程定为1个单位工程。
每个单位工程分为6个分部工程;每个分部工程分为若干个分项工程;每个分项工程又分为若干个单元工程;每个单元工程中规定有若干个检查(检验)项目。
三、项目的质量要求和检查方法按照《110kV~500kV架空电力线路工程施工质量检验及评定规程》执行。
变电站工程项目划分说明
每个变电站划分为1个单位工程,2个子单位工程,包括土建工程及电气安装工程。
一、变电站电气安装子单位工程划分为以下9个分部工程:
1.***kV配电装置;
2.***kV配电装置;
3.***kV配电装置及无功补偿系统;
4.主变压器系统;
5.站用电系统;
6.防雷接地系统;
7.电气二次系统;
8.通信系统;
9.调试系统。
二、变电站土建工程划分为以下6个分部工程:
1.主控制楼综合楼;
2.户外构支架分部工程;
3.所区性建筑;
4.消防分部工程;
5.辅助生产建筑分部工程;
6.生活福利建筑分部工程。
(此文档部分内容来源于网络,如有侵权请告知删除,文档可自行编辑修改内容,供参考,
感谢您的支持)。
建筑电气工程分部、分项工程划分表一、建筑电气工程分部建筑电气工程分部是指建筑工程中与电气设备、电气系统相关的工程部分,主要包括以下几个方面:1. 送电与配电系统送电与配电系统是建筑电气工程中最基础的部分,主要包括电源接入、配电盘、配电线路等。
建筑电气工程需要保证电能的供应和分配,以满足建筑内部各种电气设备的用电需求。
2. 照明系统照明系统是建筑电气工程中非常重要的一部分,用于提供建筑内部的照明需求。
照明系统设计需要考虑照明效果、能耗、灯具选择等因素,以达到舒适、节能的目的。
3. 火灾报警与消防控制系统火灾报警与消防控制系统是建筑电气工程中必不可少的一项工程,用于提供火灾报警、自动灭火、排烟等功能,确保建筑内部的火灾安全。
4. 通信与安防系统通信与安防系统是在建筑电气工程中越来越重要的一部分,包括对讲系统、监控系统、门禁系统等。
这些系统的设计与安装需要充分考虑建筑的安全性和便利性。
5. 弱电系统弱电系统主要包括建筑内部的数据网络、电话系统、广播系统等,用于提供各种数据和通信服务。
弱电系统的设计和施工需要满足高速、稳定、安全的要求。
二、建筑电气工程分项工程划分表建筑电气工程分项工程划分表是对建筑电气工程进行更加详细的划分,包括具体的工程项目和工作内容。
下面是一个示例的建筑电气工程分项工程划分表:1. 送电与配电系统1.1 电源接入1.2 主配电盘1.3 分配电盘1.4 配电线路1.5 照明配电1.6 弱电配电2. 照明系统2.1 照明设计2.2 灯具选择2.3 照明线路布置2.4 照明控制系统3. 火灾报警与消防控制系统3.1 火灾报警系统设计3.2 自动灭火系统设计3.3 排烟系统设计3.4 火灾报警控制盘安装4. 通信与安防系统4.1 对讲系统设计4.2 监控系统设计4.3 门禁系统设计4.4 安防系统集成5. 弱电系统5.1 数据网络设计5.2 电话系统设计5.3 广播系统设计5.4 弱电线路布置以上是建筑电气工程分部、分项工程划分表的内容,建筑电气工程的设计和施工需要根据实际情况进行具体的划分和安排,以确保建筑的电气系统能够满足各种需求,并保证安全可靠。