板式楼梯计算实例
- 格式:docx
- 大小:298.71 KB
- 文档页数:17
现浇板式楼梯计算设计资料:某教学楼楼梯为板式楼梯:采用砼为C25(fc=11.9N/mm2);钢筋:梁中受力钢筋采用HRB335级钢筋;其余钢筋采用HPB235级钢筋,踏步面层为20㎜厚水泥砂浆,底板为20㎜厚混合砂浆抹灰,采用金属栏杆,楼梯活荷载查得为2.5KN/m2(一)、斜板TB1设计1、荷载计算斜板厚度h=(1/25~1/30)LO=(1/25~1/30 )×3280=131~109mm故取h=120mm a=150arcsin280=28.18°cos a=0.88板的折算厚度h=c/2+d/cos a=(150/2+120/0.88)㎜=211.4㎜对斜板TB1取1m宽作为计算单元横载:踏步板自重(1.2*0.2114*25*1)KN/m=6.34KN/m踏步面层重{1.2*(0.28+0.15)*0.02*20*1/0.28}KN/m=0.737KN/m板底抹灰重(1.2*1/0.88*0.02*17)KN/m=0.464 KN/m栏杆重(1.2*0.10)KN/m=0.12KN/mg=7.661 KN/m活荷载:(1.4*2.5)KN/m=3.5 KN/m总荷载:7.661+3.5=11.161 KN/m恒载分项系数取1.2,活载分项系数取1.42.内力计算计算简图如右所示:因为斜板的内力,一般需要计算跨中最大弯矩处,考虑大斜板两端均有与梁整结,对板有约束作用,故取跨中最大弯矩为:Mmin=(g+q)L2/10=11.161*3.282/10=12.01kn.m配筋计算ho=h-20=120-20=100mmαs=M/a1f c bh o2=12.01*106/(11.9*1000*1002)=0.101ξ<ξb=0.614As=10c ya f bh f ξ =11.9*1000*100*0.107/210=606mm2 故可选用: 受力钢筋为φ10@125, As=628mm2可满足要求 分布钢筋为φ6@250(二)、平台板TB 2设计平台板取1m 宽作为计算单元平台板厚度取为h=90mm取计算跨度(1.50+0.2/2+0.24/2)m=1.72m(1) 荷载计算恒载:平台板自重(1.2*0.09*25)kn/m =2.7 kn/m平台板面层重(1.2*0.02*20)kn/m=0.48 kn/m板底抹灰重(1.2*0.02*17)kn/m=0.41 kn/mg=3.59 KN/m活荷载:(1.4*2.5)KN/m=3.5 KN/m总荷载:g+q=3.59+3.5=7.09 KN/m(2)内力计算考虑平台板两端的嵌固作用,跨中弯矩最大为M=1/8QL 2=1/8*7.09*1.722=2.62 KN.m配筋计算ho=h-20=90-20=70mmαs=M/a 1f c bho 2=2.62*106/(11.9*1000*702)=0.0449ξ<ξb =0.614 As=10c ya f bh f ξ =11.9*1000*70*0.046/210=182mm 2 故可选用: 受力钢筋为φ6@150, (As=189mm2)分布钢筋为φ6@250(三)、平台梁TL 1设计取平台梁的截面b×h=200×400mm计算跨度为L=3600mm,净跨为(3.6-0.24)m=3.36m1、荷载计算斜板传来的荷载:(11.161*3.08/2)KN/m=17.19 KN/m平台板传来的荷载:{7.09*(1.5/2+0.2)}KN/m =6.74 KN/m平台梁自重:{0.2*(0.4-0.09)*25*1.2}KN/m =1.86 KN/m平台梁底和梁侧抹灰:{0.02*2*(0.4-0.09)*17*1.2}KN/m =0.25 KN/m 总计:Q=g+q=26.04+3.5=29.54 KN/m2、内力计算平台梁看中最大弯矩为:M=1/8QL 2 =1/8*29.54*3.62=47.85kN.m 平台梁支座初最大剪力:V=1/2QL n =1/2*29.54*3.36=49.63kN.3、配筋设计正截面承载力计算:采用Ⅱ级钢筋,fy=300kn/mm2,C25砼,fcm=11.9kn/mm2则 ho=h-35=400-35=365mm翼縁计算宽度bt=L O /6=3600/6=600㎜判别T 形截面类型:a 1f cb t h t (h 0-h t /2)=11.9*600*90*(365-90/2)N.㎜=205.6*106 N.㎜>40.03KN.m故属第一类T 形截面。
板式楼梯计算书一丶楼梯按整体现浇板式楼梯设计计算,使用活荷载标准值为2.5kN/m²,踏步面层采用20mm厚水泥砂浆,底面为20mm厚混合砂浆抹灰层,采用C30混凝土,fc=14.3N/mm²,ft=1.43N/mm²。
其中受力钢筋板采用HPB300,fy=270/mm²,梁筋采用HRB400,fy= 360.00 N/mm2;箍筋采用HPB300级钢筋,fy=270N/mm ²。
下面进行2号楼梯的结构设计,其中2号楼梯的建筑平面图如下:2号楼梯标准层建筑尺寸平面图二、基本资料:1. 几何参数:楼梯计算跨LN= 3920 mm 层高: H = 4500 mm梯板厚: t = 130 mm 踏步数: n = 15(阶)上平台楼梯梁宽度: b1= 200 mm2.荷载标准值:可变荷载:q = 2.50kN/m2面层荷载:qm= 1.70kN/m2 3.材料信息:混凝土强度等级: C30 fc= 14.30 N/mm2f t = 1.430 N/mm2Rc=25.0 KN/m3钢筋强度等级: HRB400 fy= 360.00 N/mm2抹灰厚度:c = 20.0 mm Rs=17 kN/m3三、计算过程:楼梯几何参数:踏步高度:h = 150m m踏步宽度:b = 280m m计算跨度:L N=3920mm梯段板与水平方向夹角正切值tanα=150/280=0.536,余弦值:cosα = 0.882 1梯段板计算:取1m板宽计算;梯段板荷载恒载分项系数γG=1.2;活荷载分项系数γG=1.4。
总荷载设计值p=1.2x6.1+1.4x2.5=10.82KN/m2)截面设计²=16.63KN·m。
αs=M/(α1f c bh02)=16.63x106/(1.0x14.3x1000x1102)=0.059计算得γs=0.97。
As=M/(γsfyh0)=11.59x10^6/(0.965x270x80)=553mm²选配10@120,As=654mm²,分布筋每级踏步一根8。
板式楼梯计算书项目名称_____________日期_____________设计者_____________校对者_____________一、构件编号:LT-1二、示意图:三、基本资料:1.依据规范:《建筑结构荷载规范》(GB 50009-2001)《混凝土结构设计规范》(GB 50010-2010)2.几何参数:楼梯净跨: = 3240 mm 楼梯高度: H = 2184 mm梯板厚: t = 130 mm 踏步数: n = 13(阶)上平台楼梯梁宽度: = 250 mm下平台楼梯梁宽度: = 250 mm3.荷载标准值:可变荷载:q = 3.50kN/ 面层荷载: = 1.50kN/栏杆荷载: = 0.20kN/m永久荷载分项系数: = 1.20 可变荷载分项系数: = 1.40准永久值系数: = 0.504.材料信息:混凝土强度等级: C30 = 14.30 N/m= 1.43 N/m =25.0 kN/= 2.01 N/m = 3.00*1 N/m钢筋强度等级: HRB400 = 360 N/m= 2.00*1 N/m保护层厚度:c = 20.0 mm =20 kN/受拉区纵向钢筋类别:光面钢筋梯段板纵筋合力点至近边距离: = 25.00 mm考虑支座嵌固作用求配筋时弯矩折减α1 = 0.8求裂缝时弯矩折减α2 = 0.8求挠度时弯矩折减α3 = 0.8四、计算过程:1. 楼梯几何参数:踏步高度:h = 0.1680 m踏步宽度:b = 0.2700 m计算跨度: = +(+)/2 = 3.24+(0.25+0.25)/2 = 3.49 m梯段板与水平方向夹角余弦值:cosα = 0.8492. 荷载计算( 取 B = 1m 宽板带):(1) 梯段板:面层:k = (B+B*h/b)* = (1+1*0.17/0.27)*1.50 = 2.43 kN/m自重:k = *B*(t/cosα+h/2) = 25*1*(0.13/0.849+0.17/2) = 5.93 kN/m抹灰:k = *B*c/cosα = 20*1*0.02/0.849 = 0.47 kN/m恒荷标准值: = k+k+k+ = 2.43+5.93+0.47+0.20 = 9.03 kN/m恒荷控制:(G) = 1.35*+*0.7*B*q = 1.35*9.03+1.40*0.7*1*3.50 = 15.62 kN/m活荷控制:(L) = *+*B*q = 1.20*9.03+1.40*1*3.50 = 15.74 kN/m荷载设计值: = max{ (G) , (L) } = 15.74 kN/m3. 正截面受弯承载力计算:左端支座反力: = 27.46 kN右端支座反力: = 27.46 kN最大弯矩截面距左支座的距离: ma = 1.75 m最大弯矩截面距左边弯折处的距离: x = 1.75 mma = *ma-*/2= 27.46*1.75-15.74*1.7/2= 23.96 kN·m考虑支座嵌固折减后的最大弯矩:ma' = *ma = 0.80*23.96 = 19.17 kN·m相对受压区高度:ζ= 0.130048 配筋率:ρ= 0.005166纵筋(1号)计算面积: = 542.41 m支座负筋(2、3号)计算面积:'= = 542.41 m五、计算结果:(为每米宽板带的配筋)1.1号钢筋计算结果(跨中)计算面积:542.41 m采用方案: 10@100实配面积: 785 m2.2号钢筋计算结果(支座)计算面积':542.41 m采用方案: 10@100实配面积: 785 m3.3号钢筋计算结果采用方案: 6@200实配面积: 141 m六、跨中挠度计算:Mk -------- 按荷载效应的标准组合计算的弯矩值Mq -------- 按荷载效应的准永久组合计算的弯矩值1.计算标准组合弯距值Mk:Mk = *)= * +)/8= 0.80*(9.03 + 3.500)*3.4/8= 15.264 kN*m2.计算永久组合弯距值Mq:Mq = *)= * + )/8= 0.80*(9.03 + 0.50*3.500)*3.4/8= 13.133 kN*m3.计算受弯构件的短期刚度1) 计算按荷载荷载效应的两种组合作用下,构件纵向受拉钢筋应力= Mk/(0.87**As) 混规(7.1.4-3)= 15.264*1/(0.87*105*785)= 212.755 N/mm= Mq/(0.87**As) 混规(7.1.4-3)= 13.133*1/(0.87*105*785)= 183.046 N/mm2) 计算按有效受拉混凝土截面面积计算的纵向受拉钢筋配筋率矩形截面积: = 0.5*b*h = 0.5*1000*130= 65000 m= As 混规(7.1.2-5)= 785/65000= 1.208%3) 计算裂缝间纵向受拉钢筋应变不均匀系数ψψk = 1.1-0.65/) 混规(7.1.2-2)= 1.1-0.65*2.01/(1.208%*212.755)= 0.592ψq = 1.1-0.65/) 混规(7.1.2-2)= 1.1-0.65*2.01/(1.208%*183.046)= 0.5094) 计算钢筋弹性模量与混凝土模量的比值αE = /= 2.00*1/(3.00*1)= 6.6675) 计算受压翼缘面积与腹板有效面积的比值矩形截面, = 06) 计算纵向受拉钢筋配筋率ρρ = As/(b*)= 785/(1000*105)= 0.748%7) 计算受弯构件的短期刚度s = *As/[1.15*+0.2+6*αE*ρ/(1+ 3.5*)] 混规(7.2.3-1) = 2.00*1*785*10/[1.15*0.592+0.2+6*6.667*0.748%/(1+3.5*0.0)]= 14.679*1 kN*s = *As/[1.15*+0.2+6*αE*ρ/(1+ 3.5*)] 混规(7.2.3-1) = 2.00*1*785*10/[1.15*0.509+0.2+6*6.667*0.748%/(1+3.5*0.0)]= 15.963*1 kN*4.计算受弯构件的长期刚度B1) 确定考虑荷载长期效应组合对挠度影响增大影响系数θ当ρ`=0时,θ=2.0 混规(7.2.5)2) 计算受弯构件的长期刚度 BBk = Mk/(Mq*(θ-1)+Mk)*s混规(7.2.2-1)= 15.264/(13.133*(2.0-1)+15.264)*14.679*1= 7.891*1 kN*Bq = s/θ混规(7.2.2-2)= 15.963/2.000*1= 7.981*1 kN*B = min(Bk,Bq)= min(7.891,7.981= 7.891*1 kN*5.计算受弯构件挠度max = 5**+)/(384*Bk)= 5*0.80*(9.03+0.5*3.500)*3.4/(384*7.891*1)= 17.181 mm6.验算挠度挠度限值=/200=3.49/200=17.450 mmma=17.181mm≤=17.450mm,满足规范要求!七、裂缝宽度验算:1.计算准永久组合弯距值Mq:Mq = *+)= * + )/8= 0.80*(9.03 + 0.50*3.500)*3.4/8= 13.133 kN*m2.光面钢筋,所以取值=0.73.C = 204.计算按荷载荷载效应的准永久组合作用下,构件纵向受拉钢筋应力s = Mq/(0.87**As) 混规(7.1.4-3)= 13.133*1/(0.87*105.00*785)= 183.046 N/mm5.计算按有效受拉混凝土截面面积计算的纵向受拉钢筋配筋率矩形截面积: = 0.5*b*h = 0.5*1000*130= 65000 m= As 混规(7.1.2-5)= 785/65000= 1.208%6.计算裂缝间纵向受拉钢筋应变不均匀系数ψψ = 1.1-0.65/) 混规(7.1.2-2)= 1.1-0.65*2.01/(1.208%*183.046)= 0.5097.计算单位面积钢筋根数nn = 1000/s= 1000/100= 108.计算受拉区纵向钢筋的等效直径ee= (∑)/(∑**)= 10*1/(10*0.7*10)= 149.计算最大裂缝宽度ma =c*ψ*s/*(1.9*C+0.08*e/t) 混规(7.1.2-1)= 1.9*0.509*183.046/2.0*1*(1.9*20+0.08*14/1.208%) = 0.1157 mm≤ 0.30 mm,满足规范要求。
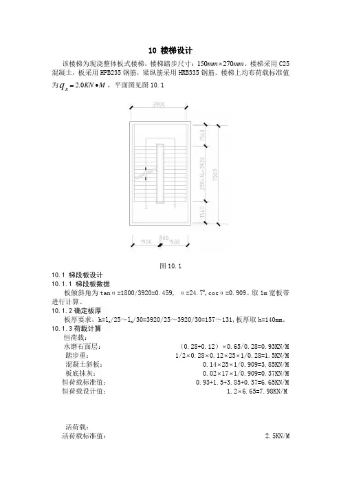
10 楼梯设计该楼梯为现浇整体板式楼梯,楼梯踏步尺寸:150270mm mm ⨯,楼梯采用C25混凝土,板采用HPB235钢筋,梁纵筋采用HRB335钢筋。
楼梯上均布荷载标准值为 2.0KKN M q =∙,平面图见图10.1图10.110.1 梯段板设计 10.1.1 梯段板数据板倾斜角为tan α=1800/3920=0.459, α=24.70,cos α=0.909。
取1m 宽板带进行计算。
10.1.2确定板厚板厚要求,h=l n /25~l n /30=3920/25~3920/30=157~131,板厚取h=140mm 。
10.1.3荷载计算恒荷载:水磨石面层: (0.28+0.12)⨯0.65/0.28=0.93KN/M 踏步重: 1/2⨯0.28⨯0.12⨯25⨯1/0.28=1.5KN/M 混凝土斜板: 0.14⨯25⨯1/0.909=3.85KN/M 板底抹灰: 0.02⨯17⨯1/0.909=0.37KN/M 恒荷载标准值: 0.93+1.5+3.85+0.37=6.65KN/M 恒荷载设计值: 1.2⨯6.65=7.98KN/M活荷载: 活荷载标准值: 2.5KN/M活荷载设计值: 1.4⨯2.5=3.5KN/M 荷载总计:荷载设计值: g+q=11.48KN/M 10.1.4 内力计算跨中弯矩: M=(g+q )l n 2 /10=11.48⨯3.922/10=18.194KN M ∙ 10.1.5 配筋计算板保护层15mm ,有效高度h 0=140-20=120mmαα⨯===⨯⨯⨯622118.194100.0881.014.31000120S C Mb f h则ξ=-=10.0923,ξγ=-=10.50.954Sγ⨯===⨯⨯62018.19410756.80.954210120S ySMA mm f h选配12@150φ,=2754S A mm sww另外每踏步配一根8φ分布筋10.2 平台板设计 10.2.1 确定板厚板厚取h=70mm,板跨度l 0=1.54-0.1-0.1=1.34m,取1m 宽板带进行计算。
板式楼梯结构计算实例板式楼梯由梯段板、休息平台和平台梁组成(图8-2)0梯段是斜放的齿形板,支承在平台梁上和楼层梁上,底层下端一般支承在地垄墙上。
板式楼梯的优点是下表而平整,施工支模较方便,外观比较轻巧。
缺点是斜板较厚,约为梯段板斜长的1 / 25—1 / 30,苴混凝丄ni山|川用|山川mil弓板式楼梯的计算特点:梯段斜板按斜放的简支梁讣算(图8-3),斜板的汁算跨度取平台梁间的斜长净距/”。
设楼梯单位水平长度上的竖向均布荷载P=g+你与水平而垂直),则沿斜板单位斜长上的竖向均布荷载〃=P cosa(与斜而垂直)(三角形斜边了),此处a为梯段板与水平线间的夹角(图8-4),将"分解为:p'=〃'cosa = pcQsa cosap「=刃sin a = p cos ar sin a此处P「'P「分别为"在垂直于斜板方向及沿斜板方向的分力,忽略几'对梯段板的影响,只考虑"「对梯段板的弯曲作用。
设为梯段板的水平净跨长,为其斜向净跨长,因1)简支斜梁在竖向均布荷载"(沿单位水平长度)作用下的最大弯矩,等于其水平投影长度的简支梁在户作用下的最大弯矩;2)最大剪力等于斜梁为水平投影长度的简支粱在P作用下的最大剪力值乘以cosa ;3)截面承载力计算时梁的截而高度应垂直于斜而虽取。
虽然斜板按简支计算,但由于梯段与平台梁整浇,平台对斜板的变形有一据约朿作用, 故讣算板的跨中弯如时,也可以近似取甌咖=么:/1°。
为避免板在支唯处产生裂缝,应 &板上而配置一定量钢筋,一般取08@2OOmm,长度为Z"/40分布钢筋可采用或68, 每级踏步一根。
平台板一般都是单向板,可取Im宽板带进行计算,平台板一端与平台梁整体连接,另M =-pl2 一端可能支承在砖墙上,也可能与过梁整浇,跨中弯矩可近似取为8 ,或取M = — pl'10 。
板式楼梯手算计算书(2013年版规范)解:1)斜板TB1设计除底层第一跑楼梯的斜板外,其余斜板均相同,而第一跑楼梯斜板的下端为混凝土基础,可按净跨计算。
这里只对标准段斜板TB1进行设计。
对斜板TB1取1m 宽作为其计算单元。
(1)确定斜板厚度t斜板的水平投影净长为l 1n =3300mm 斜板的斜向净长为11223691cos 300/150300n n l l mm α===+ 斜板厚度为t 1=(1/25~1/30)l 1n =(1/25~1/30)×3300=110~120mm,取t 1=120mm 。
(根据“混凝土结构构造手册(第四版)”384页)(2)荷载计算,楼梯斜板荷载计算见表2.3。
表2.3楼梯斜板荷载计算荷载种类 荷载标准值(KN/m )荷载分项系数荷载设计值(KN/m)恒 荷 载栏杆自重0.51.20.6三角形踏板自重1(0.150.3)1225[0.30.1211] 5.230.894⨯⨯⨯⨯⨯⨯+=1.2 6.2830厚水磨石面层 0.65(0.150.3)/0.30.98⨯+= 1.2 1.18 板底20厚水泥砂浆粉刷 0.02200.450.894⨯= 1.2 0.54 小计g 7.16 1.2 8.60 活荷载q3.51.44.9总 计p 9.66 13.50水磨石面层的容重为0.65KN/m ²(GB50009-2012,附录A-15,84页);纸筋灰容重16KN/m ³(GB50009-2012,附录A-6,75页,实际工程中已被水泥砂浆代替)以上计算的荷载设计值是由可变荷载控制的组合,计算由永久荷载控制的组合 1.357.160.98 3.513.10/p KN m =⨯+⨯=,综合取p=13.50KN/m(3)计算简图如前所述,斜板的计算简图可用一根假想的跨度为l 1n 的水平梁替代,如图2.9所示。
其计算跨度取斜板水平投影净长l 1n =3300mm 。
第8章楼梯结构设计计算楼梯的平面布置,踏步尺寸、栏杆形式等由建筑设计确定。
板式楼梯和梁式楼梯是最常见的现浇楼梯,宾馆和公共建筑有时也采用一些特种楼梯,如螺旋板式楼梯和剪刀式楼梯(图8-1 。
此外也有采用装配式楼梯的。
这里主要介绍板式楼梯和梁式楼梯的计算机构造特点。
(a剪刀式楼梯 (b螺旋板式楼梯图8-1 特种楼梯楼梯的结构设计包括以下内容:1 根据建筑要求和施工条件,确定楼梯的结构型式和结构布置;2 根据建筑类别,按《荷载规范》确定楼梯的活荷载标准值。
需要注意的是楼梯的活荷载往往比所在楼面的活荷载大。
生产车间楼梯的活荷载可按实际情况确定,但不宜小于3.5kN /m(按水平投影面计算。
除以上竖向荷载外,设计楼梯栏杆时尚应按规定考虑栏杆顶部水平荷载0.5kN /m(对于住宅、医院、幼儿园等或1.0kN /m(对于学校、车站、展览馆等;3. 进行楼梯各部件的内力计算和截面设计;4 绘制施工图,特别应注意处理好连接部位的配筋构造。
1.板式楼梯板式楼梯由梯段板、休息平台和平台梁组成(图8-2 。
梯段是斜放的齿形板,支承在平台梁上和楼层梁上,底层下端一般支承在地垄墙上。
板式楼梯的优点是下表面平整,施工支模较方便,外观比较轻巧。
缺点是斜板较厚,约为梯段板斜长的1/25—1/30,其混凝土图8-2 板式楼梯的组成图8-3 梯段板的内力用量和钢材用量都较多,一般适用于梯段板的水平跨长不超过3m 时。
板式楼梯的计算特点:梯段斜板按斜放的简支梁计算(图8-3 ,斜板的计算跨度取平台梁间的斜长净距l n 。
设楼梯单位水平长度上的竖向均布荷载p =g +q (与水平面垂直,则沿斜板单位斜长上的竖向均布荷载p =p cos α(与斜面垂直,此处α为梯段板与水平线间的夹角(图8-4 ,将p 分解为: ' ' 's =p c o αs ⋅c o αs p x ' =p ' c o αp y ' =p ' s i n α=p c o αs ⋅s i n α此处p x ' , p y ' 分别为p ' 在垂直于斜板方向及沿斜板方向的分力,p ' 忽略y 对梯段板的影响,只考虑p x ' 对梯段板的弯曲作用。
板式楼梯计算书(五种类型)类型一一、构件编号:LT-1二、示意图:三、基本资料:1.依据规范:《建筑结构荷载规范》(GB 50009-2001)《混凝土结构设计规范》(GB 50010-2002)2.几何参数:楼梯净跨: L1 = 2000 mm 楼梯高度: H = 1500 mm梯板厚: t = 100 mm 踏步数: n = 10(阶)上平台楼梯梁宽度: b1 = 200 mm下平台楼梯梁宽度: b2 = 200 mm3.荷载标准值:可变荷载:q = 2.50kN/m2面层荷载:q m = 1.70kN/m2栏杆荷载:q f = 0.20kN/m永久荷载分项系数: γG = 1.20 可变荷载分项系数: γQ = 1.40准永久值系数: ψq = 0.504.材料信息:混凝土强度等级: C20 f c = 9.60 N/mm2f t = 1.10 N/mm2R c=25.0 kN/m3f tk = 1.54 N/mm2E c= 2.55×104 N/mm2钢筋强度等级: HPB235 f y = 210 N/mm2E s= 2.10×105 N/mm2保护层厚度:c = 20.0 mm R s=20 kN/m3受拉区纵向钢筋类别:光面钢筋梯段板纵筋合力点至近边距离:a s = 25.00 mm支座负筋系数:α = 0.25四、计算过程:1. 楼梯几何参数:踏步高度:h = 0.1500 m踏步宽度:b = 0.2222 m计算跨度:L0 = L1+(b1+b2)/2 = 2.00+(0.20+0.20)/2 = 2.20 m梯段板与水平方向夹角余弦值:cosα = 0.8292. 荷载计算( 取 B = 1m 宽板带):(1) 梯段板:面层:g km = (B+B*h/b)*q m = (1+1*0.15/0.22)*1.70 = 2.85 kN/m自重:g kt = R c*B*(t/cosα+h/2) = 25*1*(0.10/0.829+0.15/2) = 4.89 kN/m抹灰:g ks = R S*B*c/cosα = 20*1*0.02/0.829 = 0.48 kN/m恒荷标准值:P k = g km+g kt+g ks+q f = 2.85+4.89+0.48+0.20 = 8.42 kN/m恒荷控制:P n(G) = 1.35*P k+γQ*0.7*B*q = 1.35*8.42+1.40*0.7*1*2.50 = 13.82 kN/m活荷控制:P n(L) = γG*P k+γQ*B*q = 1.20*8.42+1.40*1*2.50 = 13.61 kN/m荷载设计值:P n = max{ P n(G) , P n(L) } = 13.82 kN/m3. 正截面受弯承载力计算:左端支座反力: R l = 15.20 kN右端支座反力: R r = 15.20 kN最大弯矩截面距左支座的距离: L max = 1.10 m最大弯矩截面距左边弯折处的距离: x = 1.10 mM max = R l*L max-P n*x2/2= 15.20*1.10-13.82*1.102/2= 8.36 kN·m相对受压区高度:ζ= 0.169123 配筋率:ρ= 0.007731纵筋(1号)计算面积:A s = 579.85 mm2支座负筋(2、3号)计算面积:A s'=α*A s = 0.25*579.85 = 144.96 mm2五、计算结果:(为每米宽板带的配筋)1.1号钢筋计算结果(跨中)计算面积A s:579.85 mm2采用方案:d10@100实配面积: 785 mm22.2/3号钢筋计算结果(支座)计算面积A s':144.96 mm2采用方案:d6@140实配面积: 202 mm23.4号钢筋计算结果采用方案:d6@200实配面积: 141 mm2六、跨中挠度计算:Mk -------- 按荷载效应的标准组合计算的弯矩值Mq -------- 按荷载效应的准永久组合计算的弯矩值1.计算标准组合弯距值Mk:Mk = M gk+M qk= (q gk + q qk)*L02/8= (8.42 + 2.500)*2.202/8= 6.607 kN*m2.计算永久组合弯距值Mq:Mq = M gk+M qk= (q gk+ ψq*q qk)*L02/8= (8.42 + 0.50*2.500)*2.202/8= 5.851 kN*m3.计算受弯构件的短期刚度 B s1) 计算按荷载荷载效应的标准组合作用下,构件纵向受拉钢筋应力σsk = Mk/(0.87*h0*As) (混凝土规范式 8.1.3-3)= 6.607×106/(0.87*75*785)= 128.932 N/mm2) 计算按有效受拉混凝土截面面积计算的纵向受拉钢筋配筋率矩形截面积: A te = 0.5*b*h = 0.5*1000*100= 50000 mm2ρte = As/A te (混凝土规范式 8.1.2-4)= 785/50000= 1.571%3) 计算裂缝间纵向受拉钢筋应变不均匀系数ψψ = 1.1-0.65*f tk/(ρte*σsk) (混凝土规范式 8.1.2-2)= 1.1-0.65*1.54/(1.571%*128.932)= 0.6064) 计算钢筋弹性模量与混凝土模量的比值αEαE = E S/E C= 2.10×105/(2.55×104)= 8.2355) 计算受压翼缘面积与腹板有效面积的比值γf矩形截面,γf = 06) 计算纵向受拉钢筋配筋率ρρ = As/(b*h0)= 785/(1000*75)= 1.047%7) 计算受弯构件的短期刚度 B SB S = E S*As*h02/[1.15*ψ+0.2+6*αE*ρ/(1+ 3.5*γf)](混凝土规范式8.2.3--1)= 2.10×105*785*752/[1.15*0.606+0.2+6*8.235*1.047%/(1+3.5*0.0)]= 6.561×102 kN*m24.计算受弯构件的长期刚度B1) 确定考虑荷载长期效应组合对挠度影响增大影响系数θ当ρ`=0时,θ=2.0 (混凝土规范第 8.2.5 条)2) 计算受弯构件的长期刚度 BB = Mk/(Mq*(θ-1)+Mk)*B S (混凝土规范式 8.2.2)= 6.607/(5.851*(2.0-1)+6.607)*6.561×102= 3.480×102 kN*m25.计算受弯构件挠度f max = 5*(q gk+q qk)*L04/(384*B)= 5*(8.42+2.500)*2.204/(384*3.480×102)= 9.574 mm6.验算挠度挠度限值f0=L0/200=2.20/200=11.000 mmf max=9.574mm≤f0=11.000mm,满足规范要求!七、裂缝宽度验算:1.计算标准组合弯距值Mk:Mk = M gk+M qk= (q gk + q qk)*L02/8= (8.42 + 2.500)*2.202/8= 6.607 kN*m2.光面钢筋,所以取值V i=0.73.C = 204.计算按荷载荷载效应的标准组合作用下,构件纵向受拉钢筋应力σsk = Mk/(0.87*h0*As) (混凝土规范式 8.1.3-3)= 6.607×106/(0.87*75.00*785)= 128.932 N/mm5.计算按有效受拉混凝土截面面积计算的纵向受拉钢筋配筋率矩形截面积: A te = 0.5*b*h = 0.5*1000*100= 50000 mm2ρte = As/A te (混凝土规范式 8.1.2-4)= 785/50000= 1.571%6.计算裂缝间纵向受拉钢筋应变不均匀系数ψψ = 1.1-0.65*f tk/(ρte*σsk) (混凝土规范式 8.1.2-2)= 1.1-0.65*1.54/(1.571%*128.932)= 0.6067.计算单位面积钢筋根数nn = 1000/s= 1000/100= 108.计算受拉区纵向钢筋的等效直径d eqd eq= (∑n i*d i2)/(∑n i*V i*d i)= 10*102/(10*0.7*10)= 149.计算最大裂缝宽度ωmax=αcr*ψ*σsk/E S*(1.9*C+0.08*d eq/ρte) (混凝土规范式 8.1.2-1)= 2.1*0.606*128.932/2.1×105*(1.9*20+0.08*14/1.571%)= 0.0854 mm≤ 0.30 mm,满足规范要求类型二一、构件编号:LT-1二、示意图:三、基本资料:1.依据规范:《建筑结构荷载规范》(GB 50009-2001)《混凝土结构设计规范》(GB 50010-2002)2.几何参数:楼梯净跨: L1 = 2000 mm 楼梯高度: H = 1500 mm梯板厚: t = 100 mm 踏步数: n = 10(阶)上平台楼梯梁宽度: b1 = 200 mm上平台楼梯梁宽度: b1 = 200 mm3.荷载标准值:可变荷载:q = 2.50kN/m2面层荷载:q m = 1.70kN/m2栏杆荷载:q f = 0.20kN/m永久荷载分项系数: γG = 1.20 可变荷载分项系数: γQ = 1.40准永久值系数: ψq = 0.504.材料信息:混凝土强度等级: C20 f c = 9.60 N/mm2f t = 1.10 N/mm2R c=25.0 kN/m3f tk = 1.54 N/mm2E c= 2.55×104 N/mm2钢筋强度等级: HPB235 f y = 210 N/mm2E s= 2.10×105 N/mm2保护层厚度:c = 20.0 mm R s=20 kN/m3受拉区纵向钢筋类别:光面钢筋梯段板纵筋合力点至近边距离:a s = 25.00 mm支座负筋系数:α = 0.25四、计算过程:1. 楼梯几何参数:踏步高度:h = 0.1500 m踏步宽度:b = 0.2222 m计算跨度:L0 = L1+b1/2-b = 2.00+0.20/2-0.22 = 1.88 m梯段板与水平方向夹角余弦值:cosα = 0.8292. 荷载计算( 取 B = 1m 宽板带):(1) 梯段板:面层:g km = (B+B*h/b)*q m = (1+1*0.15/0.22)*1.70 = 2.85 kN/m自重:g kt = R c*B*(t/cosα+h/2) = 25*1*(0.10/0.829+0.15/2) = 4.89 kN/m抹灰:g ks = R S*B*c/cosα = 20*1*0.02/0.829 = 0.48 kN/m恒荷标准值:P k = g km+g kt+g ks+q f = 2.85+4.89+0.48+0.20 = 8.42 kN/m恒荷控制:P n(G) = 1.35*P k+γQ*0.7*B*q = 1.35*8.42+1.40*0.7*1*2.50 = 13.82 kN/m活荷控制:P n(L) = γG*P k+γQ*B*q = 1.20*8.42+1.40*1*2.50 = 13.61 kN/m荷载设计值:P n = max{ P n(G) , P n(L) } = 13.82 kN/m3. 正截面受弯承载力计算:左端支座反力: R l = 12.97 kN右端支座反力: R r = 12.97 kN最大弯矩截面距左支座的距离: L max = 0.94 m最大弯矩截面距左边弯折处的距离: x = 0.94 mM max = R l*L max-P n*x2/2= 12.97*0.94-13.82*0.942/2= 6.09 kN·m相对受压区高度:ζ= 0.119990 配筋率:ρ= 0.005485纵筋(1号)计算面积:A s = 411.39 mm2支座负筋(2、3号)计算面积:A s'=α*A s = 0.25*411.39 = 102.85 mm2五、计算结果:(为每米宽板带的配筋)1.1号钢筋计算结果(跨中)计算面积A s:411.39 mm2采用方案:d10@100实配面积: 785 mm22.2/3号钢筋计算结果(支座)计算面积A s':102.85 mm2采用方案:d6@140实配面积: 202 mm23.4号钢筋计算结果采用方案:d6@200实配面积: 141 mm2六、跨中挠度计算:Mk -------- 按荷载效应的标准组合计算的弯矩值Mq -------- 按荷载效应的准永久组合计算的弯矩值1.计算标准组合弯距值Mk:Mk = M gk+M qk= (q gk + q qk)*L02/8= (8.42 + 2.500)*1.882/8= 4.814 kN*m2.计算永久组合弯距值Mq:Mq = M gk+M qk= (q gk+ ψq*q qk)*L02/8= (8.42 + 0.50*2.500)*1.882/8= 4.263 kN*m3.计算受弯构件的短期刚度 B s1) 计算按荷载荷载效应的标准组合作用下,构件纵向受拉钢筋应力σsk = Mk/(0.87*h0*As) (混凝土规范式 8.1.3-3)= 4.814×106/(0.87*75*785)= 93.930 N/mm2) 计算按有效受拉混凝土截面面积计算的纵向受拉钢筋配筋率矩形截面积: A te = 0.5*b*h = 0.5*1000*100= 50000 mm2ρte = As/A te (混凝土规范式 8.1.2-4)= 785/50000= 1.571%3) 计算裂缝间纵向受拉钢筋应变不均匀系数ψψ = 1.1-0.65*f tk/(ρte*σsk) (混凝土规范式 8.1.2-2)= 1.1-0.65*1.54/(1.571%*93.930)= 0.4224) 计算钢筋弹性模量与混凝土模量的比值αEαE = E S/E C= 2.10×105/(2.55×104)= 8.2355) 计算受压翼缘面积与腹板有效面积的比值γf矩形截面,γf = 06) 计算纵向受拉钢筋配筋率ρρ = As/(b*h0)= 785/(1000*75)= 1.047%7) 计算受弯构件的短期刚度 B SB S = E S*As*h02/[1.15*ψ+0.2+6*αE*ρ/(1+ 3.5*γf)](混凝土规范式8.2.3--1)= 2.10×105*785*752/[1.15*0.422+0.2+6*8.235*1.047%/(1+3.5*0.0)]= 7.717×102 kN*m24.计算受弯构件的长期刚度B1) 确定考虑荷载长期效应组合对挠度影响增大影响系数θ当ρ`=0时,θ=2.0 (混凝土规范第 8.2.5 条)2) 计算受弯构件的长期刚度 BB = Mk/(Mq*(θ-1)+Mk)*B S (混凝土规范式 8.2.2)= 4.814/(4.263*(2.0-1)+4.814)*7.717×102= 4.093×102 kN*m25.计算受弯构件挠度f max = 5*(q gk+q qk)*L04/(384*B)= 5*(8.42+2.500)*1.884/(384*4.093×102)= 4.320 mm6.验算挠度挠度限值f0=L0/200=1.88/200=9.389 mmf max=4.320mm≤f0=9.389mm,满足规范要求!七、裂缝宽度验算:1.计算标准组合弯距值Mk:Mk = M gk+M qk= (q gk + q qk)*L02/8= (8.42 + 2.500)*1.882/8= 4.814 kN*m2.光面钢筋,所以取值V i=0.73.C = 204.计算按荷载荷载效应的标准组合作用下,构件纵向受拉钢筋应力σsk = Mk/(0.87*h0*As) (混凝土规范式 8.1.3-3)= 4.814×106/(0.87*75.00*785)= 93.930 N/mm5.计算按有效受拉混凝土截面面积计算的纵向受拉钢筋配筋率矩形截面积: A te = 0.5*b*h = 0.5*1000*100= 50000 mm2ρte = As/A te (混凝土规范式 8.1.2-4)= 785/50000= 1.571%6.计算裂缝间纵向受拉钢筋应变不均匀系数ψψ = 1.1-0.65*f tk/(ρte*σsk) (混凝土规范式 8.1.2-2)= 1.1-0.65*1.54/(1.571%*93.930)= 0.4227.计算单位面积钢筋根数nn = 1000/s= 1000/100= 108.计算受拉区纵向钢筋的等效直径d eqd eq= (∑n i*d i2)/(∑n i*V i*d i)= 10*102/(10*0.7*10)= 149.计算最大裂缝宽度ωmax=αcr*ψ*σsk/E S*(1.9*C+0.08*d eq/ρte) (混凝土规范式 8.1.2-1) = 2.1*0.422*93.930/2.1×105*(1.9*20+0.08*14/1.571%)= 0.0433 mm≤ 0.30 mm,满足规范要求类型三一、构件编号:LT-1二、示意图:三、基本资料:1.依据规范:《建筑结构荷载规范》(GB 50009-2001)《混凝土结构设计规范》(GB 50010-2002)2.几何参数:楼梯净跨: L1 = 2000 mm 楼梯高度: H = 1500 mm梯板厚: t = 100 mm 踏步数: n = 10(阶)上平台楼梯梁宽度: b1 = 200 mm下平台楼梯梁宽度: b2 = 200 mm下平台宽: L2 = 300 mm3.荷载标准值:可变荷载:q = 2.50kN/m2面层荷载:q m = 1.70kN/m2栏杆荷载:q f = 0.20kN/m永久荷载分项系数: γG = 1.20 可变荷载分项系数: γQ = 1.40准永久值系数: ψq = 0.504.材料信息:混凝土强度等级: C20 f c = 9.60 N/mm2f t = 1.10 N/mm2R c=25.0 kN/m3f tk = 1.54 N/mm2E c = 2.55×104 N/mm2钢筋强度等级: HPB235 f y = 210 N/mm2E s = 2.10×105 N/mm2保护层厚度:c = 20.0 mm R s=20 kN/m3受拉区纵向钢筋类别:光面钢筋梯段板纵筋合力点至近边距离:a s = 25.00 mm支座负筋系数:α = 0.25四、计算过程:1. 楼梯几何参数:踏步高度:h = 0.1500 m踏步宽度:b = 0.2222 m计算跨度:L0 = L1+L2+(b1+b2)/2 = 2.00+0.30+(0.20+0.20)/2 = 2.50 m梯段板与水平方向夹角余弦值:cosα = 0.8292. 荷载计算( 取 B = 1m 宽板带):(1) 梯段板:面层:g km = (B+B*h/b)*q m = (1+1*0.15/0.22)*1.70 = 2.85 kN/m自重:g kt = R c*B*(t/cosα+h/2) = 25*1*(0.10/0.829+0.15/2) = 4.89 kN/m抹灰:g ks = R S*B*c/cosα = 20*1*0.02/0.829 = 0.48 kN/m恒荷标准值:P k = g km+g kt+g ks+q f = 2.85+4.89+0.48+0.20 = 8.42 kN/m恒荷控制:P n(G) = 1.35*P k+γQ*0.7*B*q = 1.35*8.42+1.40*0.7*1*2.50 = 13.82 kN/m活荷控制:P n(L) = γG*P k+γQ*B*q = 1.20*8.42+1.40*1*2.50 = 13.61 kN/m荷载设计值:P n = max{ P n(G) , P n(L) } = 13.82 kN/m(2) 平台板:面层:g km' = B*q m = 1*1.70 = 1.70 kN/m自重:g kt' = R c*B*t = 25*1*0.10 = 2.50 kN/m抹灰:g ks' = R S*B*c = 20*1*0.02 = 0.40 kN/m恒荷标准值:P k' = g km'+g kt'+g ks'+q f = 1.70+2.50+0.40+0.20 = 4.80 kN/m 恒荷控制:P l(G) = 1.35*P k'+γQ*0.7*B*q = 1.35*4.80+1.40*0.7*1*2.50 = 8.93 kN/m活荷控制:P l(L) = γG*P k+γQ*B*q = 1.20*4.80+1.40*1*2.50 = 9.26 kN/m荷载设计值:P l = max{ P l(G) , P l(L) } = 9.26 kN/m3. 正截面受弯承载力计算:左端支座反力: R l = 17.13 kN右端支座反力: R r = 15.60 kN最大弯矩截面距左支座的距离: L max = 1.24 m最大弯矩截面距左边弯折处的距离: x = 1.24 mM max = R l*L max-P n*x2/2= 17.13*1.24-13.82*1.242/2= 10.61 kN·m相对受压区高度:ζ= 0.220978 配筋率:ρ= 0.010102纵筋(1号)计算面积:A s = 757.64 mm2支座负筋(2、3号)计算面积:A s'=α*A s = 0.25*757.64 = 189.41 mm2五、计算结果:(为每米宽板带的配筋)1.1号钢筋计算结果(跨中)计算面积A s:757.64 mm2采用方案:d10@100实配面积: 785 mm22.2/3号钢筋计算结果(支座)计算面积A s':189.41 mm2采用方案:d6@140实配面积: 202 mm23.4号钢筋计算结果采用方案:d6@200实配面积: 141 mm24.5号钢筋计算结果采用方案:d10@100实配面积: 785 mm2六、跨中挠度计算:Mk -------- 按荷载效应的标准组合计算的弯矩值Mq -------- 按荷载效应的准永久组合计算的弯矩值1.计算标准组合弯距值Mk:Mk = M gk+M qk= (q gk + q qk)*L02/8= (8.42 + 2.500)*2.502/8= 8.532 kN*m2.计算永久组合弯距值Mq:Mq = M gk+M qk= (q gk + ψq*q qk)*L02/8= (8.42 + 0.50*2.500)*2.502/8= 7.556 kN*m3.计算受弯构件的短期刚度 B s1) 计算按荷载荷载效应的标准组合作用下,构件纵向受拉钢筋应力σsk = Mk/(0.87*h0*As) (混凝土规范式 8.1.3-3)= 8.532×106/(0.87*75*785)= 166.493 N/mm2) 计算按有效受拉混凝土截面面积计算的纵向受拉钢筋配筋率矩形截面积: A te = 0.5*b*h = 0.5*1000*100= 50000 mm2ρte = As/A te (混凝土规范式 8.1.2-4)= 785/50000= 1.571%3) 计算裂缝间纵向受拉钢筋应变不均匀系数ψψ = 1.1-0.65*f tk/(ρte*σsk) (混凝土规范式 8.1.2-2) = 1.1-0.65*1.54/(1.571%*166.493)= 0.7174) 计算钢筋弹性模量与混凝土模量的比值αEαE = E S/E C= 2.10×105/(2.55×104)= 8.2355) 计算受压翼缘面积与腹板有效面积的比值γf矩形截面,γf = 06) 计算纵向受拉钢筋配筋率ρρ = As/(b*h0)= 785/(1000*75)= 1.047%7) 计算受弯构件的短期刚度 B SB S = E S*As*h02/[1.15*ψ+0.2+6*αE*ρ/(1+ 3.5*γf)](混凝土规范式8.2.3--1)= 2.10×105*785*752/[1.15*0.717+0.2+6*8.235*1.047%/(1+3.5*0.0)]= 6.015×102 kN*m24.计算受弯构件的长期刚度B1) 确定考虑荷载长期效应组合对挠度影响增大影响系数θ当ρ`=0时,θ=2.0 (混凝土规范第 8.2.5 条)2) 计算受弯构件的长期刚度 BB = Mk/(Mq*(θ-1)+Mk)*B S (混凝土规范式 8.2.2)= 8.532/(7.556*(2.0-1)+8.532)*6.015×102= 3.190×102 kN*m25.计算受弯构件挠度f max = 5*(q gk+q qk)*L04/(384*B)= 5*(8.42+2.500)*2.504/(384*3.190×102)= 17.412 mm6.验算挠度挠度限值f0=L0/200=2.50/200=12.500 mmf max=17.412mm>f0=12.500mm,不满足规范要求!七、裂缝宽度验算:1.计算标准组合弯距值Mk:Mk = M gk+M qk= (q gk + q qk)*L02/8= (8.42 + 2.500)*2.502/8= 8.532 kN*m2.光面钢筋,所以取值V i=0.73.C = 204.计算按荷载荷载效应的标准组合作用下,构件纵向受拉钢筋应力σsk = Mk/(0.87*h0*As) (混凝土规范式 8.1.3-3)= 8.532×106/(0.87*75.00*785)= 166.493 N/mm5.计算按有效受拉混凝土截面面积计算的纵向受拉钢筋配筋率矩形截面积: A te = 0.5*b*h = 0.5*1000*100= 50000 mm2ρte = As/A te (混凝土规范式 8.1.2-4)= 785/50000= 1.571%6.计算裂缝间纵向受拉钢筋应变不均匀系数ψψ = 1.1-0.65*f tk/(ρte*σsk) (混凝土规范式 8.1.2-2)= 1.1-0.65*1.54/(1.571%*166.493)= 0.7177.计算单位面积钢筋根数nn = 1000/s= 1000/100= 108.计算受拉区纵向钢筋的等效直径d eqd eq= (∑n i*d i2)/(∑n i*V i*d i)= 10*102/(10*0.7*10)= 149.计算最大裂缝宽度ωmax =αcr*ψ*σsk/E S*(1.9*C+0.08*d eq/ρte) (混凝土规范式 8.1.2-1)= 2.1*0.717*166.493/2.1×105*(1.9*20+0.08*14/1.571%)= 0.1305 mm≤ 0.30 mm,满足规范要求类型四一、构件编号:LT-1二、示意图:三、基本资料:1.依据规范:《建筑结构荷载规范》(GB 50009-2001)《混凝土结构设计规范》(GB 50010-2002)2.几何参数:楼梯净跨: L1 = 2000 mm 楼梯高度: H = 1500 mm梯板厚: t = 100 mm 踏步数: n = 10(阶)上平台楼梯梁宽度: b1 = 200 mm下平台楼梯梁宽度: b2 = 200 mm上平台宽: L3 = 300 mm3.荷载标准值:可变荷载:q = 2.50kN/m2面层荷载:q m = 1.70kN/m2栏杆荷载:q f = 0.20kN/m永久荷载分项系数: γG = 1.20 可变荷载分项系数: γQ = 1.40准永久值系数: ψq = 0.504.材料信息:混凝土强度等级: C20 f c = 9.60 N/mm2f t = 1.10 N/mm2R c=25.0 kN/m3f tk = 1.54 N/mm2E c= 2.55×104 N/mm2钢筋强度等级: HPB235 f y = 210 N/mm2E s= 2.10×105 N/mm2保护层厚度:c = 20.0 mm R s=20 kN/m3受拉区纵向钢筋类别:光面钢筋梯段板纵筋合力点至近边距离:a s = 25.00 mm支座负筋系数:α = 0.25四、计算过程:1. 楼梯几何参数:踏步高度:h = 0.1500 m踏步宽度:b = 0.2222 m计算跨度:L0 = L1+L3+(b1+b2)/2 = 2.00+0.30+(0.20+0.20)/2 = 2.50 m梯段板与水平方向夹角余弦值:cosα = 0.8292. 荷载计算( 取 B = 1m 宽板带):(1) 梯段板:面层:g km = (B+B*h/b)*q m = (1+1*0.15/0.22)*1.70 = 2.85 kN/m自重:g kt = R c*B*(t/cosα+h/2) = 25*1*(0.10/0.829+0.15/2) = 4.89 kN/m抹灰:g ks = R S*B*c/cosα = 20*1*0.02/0.829 = 0.48 kN/m恒荷标准值:P k = g km+g kt+g ks+q f = 2.85+4.89+0.48+0.20 = 8.42 kN/m恒荷控制:P n(G) = 1.35*P k+γQ*0.7*B*q = 1.35*8.42+1.40*0.7*1*2.50 = 13.82 kN/m活荷控制:P n(L) = γG*P k+γQ*B*q = 1.20*8.42+1.40*1*2.50 = 13.61 kN/m荷载设计值:P n = max{ P n(G) , P n(L) } = 13.82 kN/m(2) 平台板:面层:g km' = B*q m = 1*1.70 = 1.70 kN/m自重:g kt' = R c*B*t = 25*1*0.10 = 2.50 kN/m抹灰:g ks' = R S*B*c = 20*1*0.02 = 0.40 kN/m恒荷标准值:P k' = g km'+g kt'+g ks'+q f = 1.70+2.50+0.40+0.20 = 4.80 kN/m 恒荷控制:P l(G) = 1.35*P k'+γQ*0.7*B*q = 1.35*4.80+1.40*0.7*1*2.50 = 8.93 kN/m活荷控制:P l(L) = γG*P k+γQ*B*q = 1.20*4.80+1.40*1*2.50 = 9.26 kN/m荷载设计值:P l = max{ P l(G) , P l(L) } = 9.26 kN/m3. 正截面受弯承载力计算:左端支座反力: R l = 15.60 kN右端支座反力: R r = 17.13 kN最大弯矩截面距左支座的距离: L max = 1.26 m最大弯矩截面距左边弯折处的距离: x = 0.86 mM max = R l*L max-[P l*L3*(x+L3/2)+P n*x2/2]= 15.60*1.26-[9.26*0.40*(0.86+0.40/2)+13.82*0.862/2]= 10.61 kN·m相对受压区高度:ζ= 0.220978 配筋率:ρ= 0.010102纵筋(1号)计算面积:A s = 757.64 mm2支座负筋(2、3号)计算面积:A s'=α*A s = 0.25*757.64 = 189.41 mm2五、计算结果:(为每米宽板带的配筋)1.1号钢筋计算结果(跨中)计算面积A s:757.64 mm2采用方案:d10@100实配面积: 785 mm22.2/3号钢筋计算结果(支座)计算面积A s':189.41 mm2采用方案:d6@140实配面积: 202 mm23.4号钢筋计算结果采用方案:d6@200实配面积: 141 mm24.5号钢筋计算结果采用方案:d10@100实配面积: 785 mm2六、跨中挠度计算:Mk -------- 按荷载效应的标准组合计算的弯矩值Mq -------- 按荷载效应的准永久组合计算的弯矩值1.计算标准组合弯距值Mk:Mk = M gk+M qk= (q gk + q qk)*L02/8= (8.42 + 2.500)*2.502/8= 8.532 kN*m2.计算永久组合弯距值Mq:Mq = M gk+M qk= (q gk+ ψq*q qk)*L02/8= (8.42 + 0.50*2.500)*2.502/8= 7.556 kN*m3.计算受弯构件的短期刚度 B s1) 计算按荷载荷载效应的标准组合作用下,构件纵向受拉钢筋应力σsk = Mk/(0.87*h0*As) (混凝土规范式 8.1.3-3)= 8.532×106/(0.87*75*785)= 166.493 N/mm2) 计算按有效受拉混凝土截面面积计算的纵向受拉钢筋配筋率矩形截面积: A te = 0.5*b*h = 0.5*1000*100= 50000 mm2ρte = As/A te (混凝土规范式 8.1.2-4)= 785/50000= 1.571%3) 计算裂缝间纵向受拉钢筋应变不均匀系数ψψ = 1.1-0.65*f tk/(ρte*σsk) (混凝土规范式 8.1.2-2)= 1.1-0.65*1.54/(1.571%*166.493)= 0.7174) 计算钢筋弹性模量与混凝土模量的比值αEαE = E S/E C= 2.10×105/(2.55×104)= 8.2355) 计算受压翼缘面积与腹板有效面积的比值γf矩形截面,γf = 06) 计算纵向受拉钢筋配筋率ρρ = As/(b*h0)= 785/(1000*75)= 1.047%7) 计算受弯构件的短期刚度 B SB S = E S*As*h02/[1.15*ψ+0.2+6*αE*ρ/(1+ 3.5*γf)](混凝土规范式8.2.3--1)= 2.10×105*785*752/[1.15*0.717+0.2+6*8.235*1.047%/(1+3.5*0.0)]= 6.015×102 kN*m24.计算受弯构件的长期刚度B1) 确定考虑荷载长期效应组合对挠度影响增大影响系数θ当ρ`=0时,θ=2.0 (混凝土规范第 8.2.5 条)2) 计算受弯构件的长期刚度 BB = Mk/(Mq*(θ-1)+Mk)*B S (混凝土规范式 8.2.2)= 8.532/(7.556*(2.0-1)+8.532)*6.015×102= 3.190×102 kN*m25.计算受弯构件挠度f max = 5*(q gk+q qk)*L04/(384*B)= 5*(8.42+2.500)*2.504/(384*3.190×102)= 17.412 mm6.验算挠度挠度限值f0=L0/200=2.50/200=12.500 mmf max=17.412mm>f0=12.500mm,不满足规范要求!七、裂缝宽度验算:1.计算标准组合弯距值Mk:Mk = M gk+M qk= (q gk + q qk)*L02/8= (8.42 + 2.500)*2.502/8= 8.532 kN*m2.光面钢筋,所以取值V i=0.73.C = 204.计算按荷载荷载效应的标准组合作用下,构件纵向受拉钢筋应力σsk = Mk/(0.87*h0*As) (混凝土规范式 8.1.3-3)= 8.532×106/(0.87*75.00*785)= 166.493 N/mm5.计算按有效受拉混凝土截面面积计算的纵向受拉钢筋配筋率矩形截面积: A te = 0.5*b*h = 0.5*1000*100= 50000 mm2ρte = As/A te (混凝土规范式 8.1.2-4)= 785/50000= 1.571%6.计算裂缝间纵向受拉钢筋应变不均匀系数ψψ = 1.1-0.65*f tk/(ρte*σsk) (混凝土规范式 8.1.2-2)= 1.1-0.65*1.54/(1.571%*166.493)= 0.7177.计算单位面积钢筋根数nn = 1000/s= 1000/100= 108.计算受拉区纵向钢筋的等效直径d eqd eq= (∑n i*d i2)/(∑n i*V i*d i)= 10*102/(10*0.7*10)= 149.计算最大裂缝宽度ωmax=αcr*ψ*σsk/E S*(1.9*C+0.08*d eq/ρte) (混凝土规范式 8.1.2-1) = 2.1*0.717*166.493/2.1×105*(1.9*20+0.08*14/1.571%) = 0.1305 mm≤ 0.30 mm,满足规范要求类型五一、构件编号:LT-1二、示意图:三、基本资料:1.依据规范:《建筑结构荷载规范》(GB 50009-2001)《混凝土结构设计规范》(GB 50010-2002)2.几何参数:楼梯净跨: L1 = 2000 mm 楼梯高度: H = 1500 mm梯板厚: t = 100 mm 踏步数: n = 10(阶)上平台楼梯梁宽度: b1 = 200 mm下平台楼梯梁宽度: b2 = 200 mm下平台宽: L2 = 300 mm 上平台宽: L3 = 300 mm3.荷载标准值:可变荷载:q = 2.50kN/m2面层荷载:q m = 1.70kN/m2栏杆荷载:q f = 0.20kN/m永久荷载分项系数: γG = 1.20 可变荷载分项系数: γQ = 1.40准永久值系数: ψq = 0.504.材料信息:混凝土强度等级: C20 f c = 9.60 N/mm2f t = 1.10 N/mm2 R c=25.0 kN/m3f tk = 1.54 N/mm2 E c= 2.55×104 N/mm2钢筋强度等级: HPB235 f y = 210 N/mm2E s= 2.10×105 N/mm2保护层厚度:c = 20.0 mm R s=20 kN/m3受拉区纵向钢筋类别:光面钢筋梯段板纵筋合力点至近边距离:a s = 25.00 mm支座负筋系数:α = 0.25四、计算过程:1. 楼梯几何参数:踏步高度:h = 0.1500 m踏步宽度:b = 0.2222 m计算跨度:L0 = L1+L2+L3+(b1+b2)/2 = 2.00+0.30+0.30+(0.20+0.20)/2 = 2.80 m 梯段板与水平方向夹角余弦值:cosα = 0.8292. 荷载计算( 取 B = 1m 宽板带):(1) 梯段板:面层:g km = (B+B*h/b)*q m = (1+1*0.15/0.22)*1.70 = 2.85 kN/m自重:g kt = R c*B*(t/cosα+h/2) = 25*1*(0.10/0.829+0.15/2) = 4.89 kN/m抹灰:g ks = R S*B*c/cosα = 20*1*0.02/0.829 = 0.48 kN/m恒荷标准值:P k = g km+g kt+g ks+q f = 2.85+4.89+0.48+0.20 = 8.42 kN/m恒荷控制:P n(G) = 1.35*P k+γQ*0.7*B*q = 1.35*8.42+1.40*0.7*1*2.50 = 13.82 kN/m 活荷控制:P n(L) = γG*P k+γQ*B*q = 1.20*8.42+1.40*1*2.50 = 13.61 kN/m荷载设计值:P n = max{ P n(G) , P n(L) } = 13.82 kN/m(2) 平台板:面层:g km' = B*q m = 1*1.70 = 1.70 kN/m自重:g kt' = R c*B*t = 25*1*0.10 = 2.50 kN/m抹灰:g ks' = R S*B*c = 20*1*0.02 = 0.40 kN/m恒荷标准值:P k' = g km'+g kt'+g ks'+q f = 1.70+2.50+0.40+0.20 = 4.80 kN/m恒荷控制:P l(G) = 1.35*P k'+γQ*0.7*B*q = 1.35*4.80+1.40*0.7*1*2.50 = 8.93 kN/m 活荷控制:P l(L) = γG*P k+γQ*B*q = 1.20*4.80+1.40*1*2.50 = 9.26 kN/m荷载设计值:P l = max{ P l(G) , P l(L) } = 9.26 kN/m3. 正截面受弯承载力计算:左端支座反力: R l = 17.52 kN右端支座反力: R r = 17.52 kN最大弯矩截面距左支座的距离: L max = 1.40 m最大弯矩截面距左边弯折处的距离: x = 1.00 mM max = R l*L max-[P l*L3*(x+L3/2)+P n*x2/2]= 17.52*1.40-[9.26*0.40*(1.00+0.40/2)+13.82*1.002/2] = 13.18 kN·m相对受压区高度:ζ= 0.284503 配筋率:ρ= 0.013006纵筋(1号)计算面积:A s = 975.44 mm2支座负筋(2、3号)计算面积:A s'=α*A s = 0.25*975.44 = 243.86 mm2五、计算结果:(为每米宽板带的配筋)1.1号钢筋计算结果(跨中)计算面积A s:975.44 mm2采用方案:d10@100实配面积: 785 mm22.2/3号钢筋计算结果(支座)计算面积A s':243.86 mm2采用方案:d6@140实配面积: 202 mm23.4号钢筋计算结果采用方案:d6@200实配面积: 141 mm24.5号钢筋计算结果采用方案:d10@100实配面积: 785 mm25.6号钢筋计算结果采用方案:d6@140实配面积: 202 mm2六、跨中挠度计算:Mk -------- 按荷载效应的标准组合计算的弯矩值Mq -------- 按荷载效应的准永久组合计算的弯矩值1.计算标准组合弯距值Mk:Mk = M gk+M qk= (q gk + q qk)*L02/8= (8.42 + 2.500)*2.802/8= 10.703 kN*m2.计算永久组合弯距值Mq:Mq = M gk+M qk= (q gk+ ψq*q qk)*L02/8= (8.42 + 0.50*2.500)*2.802/8= 9.478 kN*m3.计算受弯构件的短期刚度 B s1) 计算按荷载荷载效应的标准组合作用下,构件纵向受拉钢筋应力σsk = Mk/(0.87*h0*As) (混凝土规范式 8.1.3-3)= 10.703×106/(0.87*75*785)= 208.848 N/mm2) 计算按有效受拉混凝土截面面积计算的纵向受拉钢筋配筋率矩形截面积: A te = 0.5*b*h = 0.5*1000*100= 50000 mm2ρte = As/A te (混凝土规范式 8.1.2-4)= 785/50000= 1.571%3) 计算裂缝间纵向受拉钢筋应变不均匀系数ψψ = 1.1-0.65*f tk/(ρte*σsk) (混凝土规范式 8.1.2-2)= 1.1-0.65*1.54/(1.571%*208.848)= 0.7954) 计算钢筋弹性模量与混凝土模量的比值αEαE = E S/E C= 2.10×105/(2.55×104)= 8.2355) 计算受压翼缘面积与腹板有效面积的比值γf矩形截面,γf = 06) 计算纵向受拉钢筋配筋率ρρ = As/(b*h0)= 785/(1000*75)= 1.047%7) 计算受弯构件的短期刚度 B SB S = E S*As*h02/[1.15*ψ+0.2+6*αE*ρ/(1+ 3.5*γf)](混凝土规范式8.2.3--1) = 2.10×105*785*752/[1.15*0.795+0.2+6*8.235*1.047%/(1+3.5*0.0)] = 5.686×102 kN*m24.计算受弯构件的长期刚度B1) 确定考虑荷载长期效应组合对挠度影响增大影响系数θ当ρ`=0时,θ=2.0 (混凝土规范第 8.2.5 条)2) 计算受弯构件的长期刚度 BB = Mk/(Mq*(θ-1)+Mk)*B S (混凝土规范式 8.2.2)= 10.703/(9.478*(2.0-1)+10.703)*5.686×102= 3.016×102 kN*m25.计算受弯构件挠度f max = 5*(q gk+q qk)*L04/(384*B)= 5*(8.42+2.500)*2.804/(384*3.016×102)= 28.983 mm6.验算挠度挠度限值f0=L0/200=2.80/200=14.000 mmf max=28.983mm>f0=14.000mm,不满足规范要求!七、裂缝宽度验算:1.计算标准组合弯距值Mk:Mk = M gk+M qk= (q gk + q qk)*L02/8= (8.42 + 2.500)*2.802/8= 10.703 kN*m2.光面钢筋,所以取值V i=0.73.C = 204.计算按荷载荷载效应的标准组合作用下,构件纵向受拉钢筋应力σsk = Mk/(0.87*h0*As) (混凝土规范式 8.1.3-3)= 10.703×106/(0.87*75.00*785)= 208.848 N/mm5.计算按有效受拉混凝土截面面积计算的纵向受拉钢筋配筋率矩形截面积: A te = 0.5*b*h = 0.5*1000*100= 50000 mm2ρte = As/A te (混凝土规范式 8.1.2-4)= 785/50000= 1.571%6.计算裂缝间纵向受拉钢筋应变不均匀系数ψψ = 1.1-0.65*f tk/(ρte*σsk) (混凝土规范式 8.1.2-2)= 1.1-0.65*1.54/(1.571%*208.848)= 0.7957.计算单位面积钢筋根数nn = 1000/s= 1000/100= 108.计算受拉区纵向钢筋的等效直径d eqd eq= (∑n i*d i2)/(∑n i*V i*d i)= 10*102/(10*0.7*10)= 149.计算最大裂缝宽度ωmax=αcr*ψ*σsk/E S*(1.9*C+0.08*d eq/ρte) (混凝土规范式 8.1.2-1) = 2.1*0.795*208.848/2.1×105*(1.9*20+0.08*14/1.571%)= 0.1814 mm≤ 0.30 mm,满足规范要求。
板式楼梯计算书- 结构理论板式楼梯计算书项目名称_____________构件编号_____________日期_____________ 设计_____________校对_____________审核_____________一、设计示意图二、基本资料1.设计规范《建筑结构荷载规范》(GB50009—2001)《混凝土结构设计规范》(GB50010—2002)2.几何参数楼梯类型:板式D型楼梯(_/ ̄)约束条件:两端简支斜梯段水平投影长度:L1=3000mm楼梯上部平台水平段长度:L2=500mm楼梯下部平台水平段长度:L3=500mm梯段净跨:Ln=L1+L2+L3=3000+500+500=4000mm 楼梯高度:H=1650mm 楼梯宽度:W=1200mm踏步高度:h=150mm 踏步宽度:b=300mm楼梯级数:n=11(级)梯段板厚:C=100mm面层厚度:C2=20mm抹灰厚度:C3=20mm上部平台梯梁宽度:b1=200mm下部平台梯梁宽度:b2=200mm3.荷载参数楼梯混凝土容重:gb=25.00kN/m3楼梯面层容重:gc1=25.00kN/m3楼梯顶棚抹灰容重:gc2=25.00kN/m3楼梯栏杆自重:qf=0.50kN/m楼梯均布活荷载标准值:q=2.50kN/m2可变荷载组合值系数:yc=0.70可变荷载准永久值系数:yq=0.504.材料参数混凝土强度等级:C30混凝土抗压强度设计值:fc=14.30N/mm2混凝土抗拉强度标准值:ftk=2.01N/mm2混凝土抗拉强度设计值:ft=1.43N/mm2混凝土弹性模量:Ec=3.00×104N/mm2钢筋强度等级:HPB235(Q235) fy=210.00N/mm2钢筋弹性模量:Es=210000N/mm2受拉纵筋合力点到斜梯段板底边的距离:as=15mm三、荷载计算过程1.楼梯几何参数梯段板与水平方向夹角余弦值:cosa=3002 + 1502(300)=0.89斜梯段的计算跨度:L0=Min{Ln+(b1+b2)/2,1.05Ln}=Min{4000+(200+ 200)/2,1.05×4000}=Min{4200,4200}=4200mm梯段板的平均厚度:T=(h+C/cosa×2)/2=(150+100/0.89×2)/2=187mm2.荷载设计值2.1均布恒载标准值2.1.1L1段梯板自重gk1’=gb×T/1000=25.00×187/1000=4.67kN/m2gk1=gk1’×L1/Ln=4.67×3000/4000=3.50kN/m22.1.2L2、L3段梯板自重gk2’=gb×C/1000=25.00×100/1000=2.50kN/m2gk2=gk2’×(L2+L3)/Ln=2.50×(500+500)/4000=0.63kN/m22.1.3L1段梯板面层自重gk3’=gc1×C2×(H+L1)/L1/1000=25.00×20×(1650+3000)/3000/1000=0.78kN/m2gk3=gk3’×L1/Ln=0.78×3000/4000=0.58kN/m22.1.4L2、L3段梯板面层自重gk4’=gc1×C2/1000=25.00×20/1000=0.50kN/m2gk4=gk4’×(L2+L3)/Ln=0.50×(500+500)/4000=0.13kN/m22.1.5楼梯顶棚自重gk5’=gc2×C3/1000=25.00×20/1000=0.50kN/m2gk5=gk5’×[Ln+L1×(1/cosa-1)]/Ln=0.50×[4000+3000×(1/0.89-1)]/ 4000=0.54kN/m22.1.6将栏杆自重由线荷载折算成面荷载gk6=qf/W×1000=0.50/1200×1000=0.42kN/m2永久荷载标准值gk=gk1+gk2+gk3+gk4+gk5+gk6=3.50+0.63+0.58+0.13+0.54+0.42=5.79kN/m22.2均布荷载设计值由活荷载控制的梯段斜板荷载设计值:pL=1.2gk+1.4q=1.2×5.79+1.4×2.50=10.45kN/m2由恒荷载控制的梯段斜板荷载设计值:pD=1.35gk+1.4ycq=1.35×5.79 +1.4×0.70×2.50=10.27kN/m2最不利的梯段斜板荷载设计值:p=Max{pL,pD}=Max{10.45,10.27} =10.45kN/m2四、正截面承载能力计算1.斜梯段配筋计算h0=T-as=100-15=85mm跨中最大弯矩,Mmax=8(1)×10-6=23.05kN·m1)相对界限受压区高度xbecu=0.0033-(fcu,k-50)×10-5=0.0033-(30-50)×10-5=0.0035>0.0033取ecu=0.0033按规范公式(7.1.4-1)xb=beEscu(fy)2.10 × 105 × 0.00330(210)2)受压区高度x按规范公式(7.2.1-1),’(s)=0,’(p)=0Ma2(x)a1fcb(2M)1.00 × 14.30 × 1000(2 × 23.05 × 106)V=22.0kN斜截面承载力满足要求六、施工配筋图。
板式和梁式楼梯手算及实例1. 板式楼梯手算:板式楼梯是由一块平板作为阶梯的楼梯形式,可以根据需要调整阶梯的宽度和高度。
步骤如下:- 确定楼梯的总高度(H)和阶梯的总数目(n)。
- 计算每个阶梯的高度(h):h = H / n。
- 确定每个阶梯的宽度(w):w = 总宽度 / n。
- 如果需要,可以调整每个阶梯的前沿(前沿高度不应该超过阶梯高度的3/4)。
例如,假设楼梯的总高度为300 cm,总宽度为100 cm,要求有10个阶梯。
- 每个阶梯的高度:h = 300 cm / 10 = 30 cm。
- 每个阶梯的宽度:w = 100 cm / 10 = 10 cm。
所以该板式楼梯手算结果为:每个阶梯的高度为30 cm,宽度为10 cm。
2. 梁式楼梯手算:梁式楼梯是由一根梁作为支撑的楼梯形式,可以根据需要调整梁的高度、宽度和长度。
步骤如下:- 确定楼梯的总高度(H)和总长度(L)。
- 计算每个阶梯的高度(h):h = H / n。
- 计算每个阶梯的梁长度(l):l = L / n。
- 确定梁的尺寸,包括宽度(w)和厚度(t)。
- 如果需要,可以调整每个阶梯的前沿(前沿高度不应该超过阶梯高度的3/4)。
例如,假设楼梯的总高度为300 cm,总长度为500 cm,要求有10个阶梯。
- 每个阶梯的高度:h = 300 cm / 10 = 30 cm。
- 每个阶梯的梁长度:l = 500 cm / 10 = 50 cm。
假设梁的宽度为15 cm,厚度为10 cm。
所以该梁式楼梯手算结果为:每个阶梯的高度为30 cm,梁长度为50 cm,梁宽度为15 cm,梁厚度为10 cm。
板式楼梯计算书项目名称_____________日期_____________设计者_____________校对者_____________一、构件编号:LT-1二、示意图:三、基本资料:1.依据规范:《建筑结构荷载规范》(GB 50009-2001)《混凝土结构设计规范》(GB 50010-2010)2.几何参数:楼梯净跨: L1 = 4200 mm 楼梯高度: H = 2500 mm梯板厚: t = 200 mm 踏步数: n = 16(阶)上平台楼梯梁宽度: b1 = 250 mm上平台楼梯梁宽度: b1 = 250 mm3.荷载标准值:可变荷载:q = 2.50kN/m2面层荷载:q m = 1.70kN/m2栏杆荷载:q f = 0.20kN/m永久荷载分项系数: γG = 1.20 可变荷载分项系数: γQ = 1.40准永久值系数: ψq = 0.504.材料信息:混凝土强度等级: C25 f c = 11.90 N/mm2f t = 1.27 N/mm2R c=25.0 kN/m3f tk = 1.78 N/mm2E c = 2.80*104 N/mm2钢筋强度等级: HRB335 f y = 300 N/mm2E s = 2.00*105 N/mm2保护层厚度:c = 20.0 mm R s=20 kN/m3受拉区纵向钢筋类别:光面钢筋梯段板纵筋合力点至近边距离:a s = 25.00 mm支座负筋系数:α = 0.25四、计算过程:1. 楼梯几何参数:踏步高度:h = 0.1563 m踏步宽度:b = 0.2800 m计算跨度:L0 = L1+b1/2-b = 4.20+0.25/2-0.28 = 4.04 m梯段板与水平方向夹角余弦值:cosα = 0.8732. 荷载计算( 取 B = 1m 宽板带):(1) 梯段板:面层:g km = (B+B*h/b)*q m = (1+1*0.16/0.28)*1.70 = 2.65 kN/m自重:g kt = R c*B*(t/cosα+h/2) = 25*1*(0.20/0.873+0.16/2) = 7.68 kN/m抹灰:g ks = R S*B*c/cosα = 20*1*0.02/0.873 = 0.46 kN/m恒荷标准值:P k = g km+g kt+g ks+q f = 2.65+7.68+0.46+0.20 = 10.99 kN/m恒荷控制:P n(G) = 1.35*P k+γQ*0.7*B*q = 1.35*10.99+1.40*0.7*1*2.50 = 17.28 kN/m活荷控制:P n(L) = γG*P k+γQ*B*q = 1.20*10.99+1.40*1*2.50 = 16.68 kN/m荷载设计值:P n = max{ P n(G) , P n(L) } = 17.28 kN/m3. 正截面受弯承载力计算:左端支座反力: R l = 34.95 kN右端支座反力: R r = 34.95 kN最大弯矩截面距左支座的距离: L max = 2.02 m最大弯矩截面距左边弯折处的距离: x = 2.02 mM max = R l*L max-P n*x2/2= 34.95*2.02-17.28*2.022/2= 35.34 kN·m相对受压区高度:ζ= 0.102203 配筋率:ρ= 0.004054纵筋(1号)计算面积:A s = 709.46 mm2支座负筋(2、3号)计算面积:A s'=α*A s = 0.25*709.46 = 177.37 mm2五、计算结果:(为每米宽板带的配筋)1.1号钢筋计算结果(跨中)计算面积A s:709.46 mm2采用方案:10@100实配面积: 785 mm22.2号钢筋计算结果(支座)计算面积A s':177.37 mm2采用方案:12@200实配面积: 565 mm23.3号钢筋计算结果采用方案:8@250实配面积: 201 mm2六、跨中挠度计算:Mk -------- 按荷载效应的标准组合计算的弯矩值Mq -------- 按荷载效应的准永久组合计算的弯矩值1.计算标准组合弯距值Mk:Mk = M gk+M qk= (q gk + q qk)*L02/8= (10.99 + 2.500)*4.042/8= 27.582 kN*m2.计算永久组合弯距值Mq:Mq = M gk+M qk= (q gk + ψq*q qk)*L02/8= (10.99 + 0.50*2.500)*4.042/8= 25.025 kN*m3.计算受弯构件的短期刚度 B sk1) 计算按荷载荷载效应的两种组合作用下,构件纵向受拉钢筋应力σsk = Mk/(0.87*h0*As) 混规(7.1.4-3)= 27.582*106/(0.87*175*785)= 230.660 N/mmσsq = Mq/(0.87*h0*As) 混规(7.1.4-3)= 25.025*106/(0.87*175*785)= 209.280 N/mm2) 计算按有效受拉混凝土截面面积计算的纵向受拉钢筋配筋率矩形截面积: A te = 0.5*b*h = 0.5*1000*200= 100000 mm2ρte = As/A te混规(7.1.2-5)= 785/100000= 0.785%3) 计算裂缝间纵向受拉钢筋应变不均匀系数ψψk = 1.1-0.65*f tk/(ρte*σsk) 混规(7.1.2-2)= 1.1-0.65*1.78/(0.785%*230.660)= 0.461ψq = 1.1-0.65*f tk/(ρte*σsq) 混规(7.1.2-2)= 1.1-0.65*1.78/(0.785%*209.280)= 0.3964) 计算钢筋弹性模量与混凝土模量的比值αEαE = E S/E C= 2.00*105/(2.80*104)= 7.1435) 计算受压翼缘面积与腹板有效面积的比值γf矩形截面,γf = 06) 计算纵向受拉钢筋配筋率ρρ = As/(b*h0)= 785/(1000*175)= 0.449%7) 计算受弯构件的短期刚度 B SB sk = E s*As*h02/[1.15*ψk+0.2+6*αE*ρ/(1+ 3.5*γf)] 混规(7.2.3-1)= 2.00*105*785*1752/[1.15*0.461+0.2+6*7.143*0.449%/(1+3.5*0.0)]= 52.125*102 kN*m2B sq = E s*As*h02/[1.15*ψq+0.2+6*αE*ρ/(1+ 3.5*γf)] 混规(7.2.3-1)= 2.00*105*785*1752/[1.15*0.396+0.2+6*7.143*0.449%/(1+3.5*0.0)]= 56.738*102 kN*m24.计算受弯构件的长期刚度B1) 确定考虑荷载长期效应组合对挠度影响增大影响系数θ当ρ`=0时,θ=2.0 混规(7.2.5)2) 计算受弯构件的长期刚度 BBk = Mk/(Mq*(θ-1)+Mk)*B sk混规(7.2.2-1)= 27.582/(25.025*(2.0-1)+27.582)*52.125*102= 27.329*102 kN*m2Bq = B sq/θ混规(7.2.2-2)= 56.738/2.000*102= 28.369*102 kN*m2B = min(Bk,Bq)= min(27.329,28.369= 27.329*102 kN*m25.计算受弯构件挠度f maxk = 5*(q gk+Ψq*q qk)*L04/(384*Bk)= 5*(10.99+0.5*2.500)*4.044/(384*27.329*102)= 17.201 mm6.验算挠度挠度限值f0=L0/200=4.04/200=20.225 mmf max=17.201mm≤f0=20.225mm,满足规范要求!七、裂缝宽度验算:1.计算准永久组合弯距值Mq:Mq = M gk+ψM qk= (q gk + ψq qk)*L02/8= (10.99 + 0.50*2.500)*4.042/8= 25.025 kN*m2.光面钢筋,所以取值V i=0.73.C = 204.计算按荷载荷载效应的准永久组合作用下,构件纵向受拉钢筋应力σsq = Mq/(0.87*h0*As) 混规(7.1.4-3)= 25.025*106/(0.87*175.00*785)= 209.280 N/mm5.计算按有效受拉混凝土截面面积计算的纵向受拉钢筋配筋率矩形截面积: A te = 0.5*b*h = 0.5*1000*200= 100000 mm2ρte = As/A te混规(7.1.2-5)= 785/100000= 0.785%因为ρte < 1.000%,所以取ρte = 1.000%6.计算裂缝间纵向受拉钢筋应变不均匀系数ψψ = 1.1-0.65*f tk/(ρte*σsq) 混规(7.1.2-2)= 1.1-0.65*1.78/(1.000%*209.280)= 0.5477.计算单位面积钢筋根数nn = 1000/s= 1000/100= 108.计算受拉区纵向钢筋的等效直径d eqd eq= (∑n i*d i2)/(∑n i*V i*d i)= 10*102/(10*0.7*10)= 149.计算最大裂缝宽度ωmax =αcr*ψ*σsq/E S*(1.9*C+0.08*d eq/ρte) 混规(7.1.2-1) = 1.9*0.547*209.280/2.0*105*(1.9*20+0.08*14/1.000%) = 0.1632 mm≤ 0.30 mm,满足规范要求。
楼梯计算实例已知条件:某公共建筑三跑现浇板式楼梯,楼梯平面布置见图1所示。
图1 楼梯平面设计信息:层高3.0m,踏步尺寸为176mm×240mm,采用C30混凝土,HRB400钢筋。
楼梯建筑做法如下表1所示,设计该楼梯。
1、地面砖楼面10厚磨光花岗石(大理石)板板背面刮水泥浆粘贴稀水泥浆擦缝20厚1:3水泥砂浆结合层素水泥浆一道120厚现浇混凝土楼板2、水泥砂浆顶棚120厚现浇混凝土楼板素水泥浆一道,局部底板不平时,聚合物水泥砂浆找补7厚1:2.5水泥砂浆打底扫毛或划出纹道7厚1:2水泥砂浆找平q=2.0kN/m2。
参考《建筑结构荷载规范》,可知设计均布活荷载标准值为k设计步骤:一、熟读建筑平面图,了解建筑做法与结构布置,该楼梯为三跑形式,台阶数n=17,划分梯板为三个:TB1、TB2、TB3,如图2所示。
图2 梯板划分二、梯板TB3结构设计1、荷载计算:1)梯段板荷载板厚取t=120mm,板的倾斜角的正切tanа=176/240=0.733,cosа=0.806。
取1m宽板带计算。
恒荷载与活荷载具体计算如表2所示。
总荷载设计值为p1=1.35*7.95+1.4*0.7*2.0=12.69kN/m。
荷载种类荷载标准值kN/m恒荷载1、面层荷载(0.01*28+0.02*20)*(0.176+0.24)/0.24=1.1792、三角形踏步0.5*0.176*0.24*25/0.24=2.23、混凝土斜板0.12*25/0.806=3.7224、板底抹灰0.014*20/0.806=0.3475、栏杆线荷载0.5小计7.95活荷载 2.0设平台板的厚度t=120mm,取1m宽板带计算。
恒荷载与活荷载具体计算列于表3。
总荷载设计值p2=1.2*4.46+1.4*2.0=8.15kN/m 荷载种类荷载标准值恒荷载大理石面层(0.01*28+0.02*20)=0.68 120厚混凝土板0.12*25=3.00底板抹灰0.014*20=0.28栏杆线荷载0.5小计 4.46活荷载 2.0计算跨度:L0 = L1+L3+(b1+b2)/2 = 0.95+0.85+(0.20+0.20)/2 = 2.0m图3 计算跨度3、楼梯配筋计算:图4 计算简图左端支座反力: R 1*2.0=8.15*0.952/2+12.69*1.05*(0.5*1.05+0.95) R 1=11.67kN 右端支座反力: R 1+R 2=12.69*1.05+8.15*0.95 R 1=9.40kN最大弯矩截面距左支座的距离: L max = 11.67/12.69=0.92 mM max = R l ·L max = 11.67×0.92-12.69*0.922/2= 5.37 kN·m考虑支座嵌固折减后的最大弯矩:M max ' = 0.8×M max = 0.80×5.37 = 4.30 kN·m板的有效高度h 0=t-as=120-20=100mm ,所以аs = 21c 0Mmax' f bh α=0.030,计算的s γ==0.985,计算面积s A = 0Mmax' s y f h γ121mm 2,相对受压区高度:ζ=10.0305,配筋率:ρ= 0s A bh =0.00121,ρ < ρmin = 0.001500,所以配筋率按照最小配筋率取值为0.0015。
板式楼梯计算实例【例题 2。
1《楼梯、阳台和雨篷设计》37页,PDF 版47页】 图2。
1为某实验楼楼梯的平面图和剖面图.采用现浇板式楼梯,混凝土强度等级为C25,2211.9/, 1.27/c t f N mm f N mm ==钢筋直径d ≥12mm 时采用HRB400级钢筋,2360/y f N mm =;d ≤10mm 时采用HPB300级钢筋,2270/y f N mm =,楼梯活荷载为3.5KN/m ²。
楼梯的结构布置如图2.8所示。
斜板两端与平台梁和楼梯梁整结,平台板一端与平台梁整结,平台板一端与平台梁整结,另一端则与窗过梁整结,平台梁两端都搁置在楼梯间的侧墙上.试对此现浇板式楼梯进行结构设计。
解:1)斜板TB1设计除底层第一跑楼梯的斜板外,其余斜板均相同,而第一跑楼梯斜板的下端为混凝土基础,可按净跨计算。
这里只对标准段斜板TB1进行设计。
对斜板TB1取1m 宽作为其计算单元。
(1)确定斜板厚度t斜板的水平投影净长为l 1n =3300mm 斜板的斜向净长为112233003691cos 300/150300n n l l mmα===+ 斜板厚度为t 1=(1/25~1/30)l 1n =(1/25~1/30)×3300=110~120mm,取t 1=120mm.(根据“混凝土结构构造手册(第四版)”384页)(2)荷载计算,楼梯斜板荷载计算见表2.3。
表2.3楼梯斜板荷载计算水磨石面层的容重为0。
65KN/m²(GB50009—2012,附录A—15,84页);纸筋灰容重16KN/m³(GB50009—2012,附录A—6,75页,实际工程中已被水泥砂浆代替)以上计算的荷载设计值是由可变荷载控制的组合,计算由永久荷载控制的组合1.357.160.98 3.513.10/=⨯+⨯=,综合取p=13.50KN/mp KN m(3)计算简图如前所述,斜板的计算简图可用一根假想的跨度为l1n的水平梁替代,如图2.9所示.其计算跨度取斜板水平投影净长l1n=3300mm.对于底层第一跑楼梯的计算跨度,视下端与基础的结合情况而定。
板式楼梯计算实例"OU 1OT 用U ----------------------------------------- ------------------------------------- r58C 11X300=3500 1800 - 2401------------ :——:——:------------- 75800B2J有承就戕碱板式儀粕桝f【例题2.1《楼梯、阳台和雨篷设计》37页,PDF版47页】图 2.1为某实验楼楼梯的平面图和剖面图。
采用现浇板式楼梯,混凝土强度等级为C25, f c -11.9N/mm2, f t -1.27N/mm2钢筋直径d> 12mm9寸采用HRB40(级钢筋,f y =360N/mm2; d< 10mrtJ寸采用HPB300级钢筋,f y =270N / mm2,楼梯活荷载为 3.5KN/m2。
楼梯的结构布置如图 2.8所示。
斜板两端与平台梁和楼梯梁整结,平台板一端与平台梁整结,平台板一端与平台梁整结,另一端则与窗过梁整结,平台梁两端都搁置在楼梯间的侧墙上。
580 11X3003300 1800 120d 1——11 ---------------------------------------------------------- p *--------------------------------- 屮580002.8试对此现浇板式楼梯进行结构设计。
解:1)斜板TB1设计除底层第一跑楼梯的斜板外,其余斜板均相同,而第一跑楼梯斜板的下端为混凝土基础,可按净跨计算。
这里只对标准段斜板TB1进行设计。
对斜板TB1取1m宽作为其计算单元。
(1) 确定斜板厚度t斜板的水平投影净长为I in=3300mm斜板的斜向净长为 -= ------------ = 3691mmcosa 300 / J150+002斜板厚度为t i= (1/25 〜1/30 )l in=(1/25 〜1/30)X 3300=110〜120mm取t i=120mm(根据“混凝土结构构造手册(第四版)” 384页)(2)荷载计算,楼梯斜板荷载计算见表 2.3。
表2.3楼梯斜板荷载计算水磨石面层的容重为0.65KN/m2(GB50009-2012,附录A-15,84页);纸筋灰容重16KN/n3(GB50009-2012附录A-6,75页,实际工程中已被水泥砂浆代替)以上计算的荷载设计值是由可变荷载控制的组合,计算由永久荷载控制的组合p=1.35 7.16 0.98 3.5 =13.10KN /m,综合取p=13.50KN/m(3)计算简图如前所述,斜板的计算简图可用一根假想的跨度为l 1n的水平梁替代,如图2.9所示。
其计算跨度取斜板水平投影净长g=3300mm 对于底层第一跑楼梯的计算跨度,视下端与基础的结合情况而定。
当下端是搁置在砖砌地垄墙上时,则应从地垄墙中心线起算;当下端与混凝土基础相连时,则可按净跨计算。
(4)内力计算剪力7=112 x p x I i n=0.5 x 13.50 x 3.3=22.28KN<0.7f t bh o=O.7X 1.27 x 1000x 100=88.9KN满足条件(GB50010-201Q 6.33 )斜板的内力,一般只需计算跨中最大弯矩即可。
考虑到斜板两端均与梁整结,对板有约束作用,所以跨中最大弯矩取:四版)” 384页)(5)配筋计算h0= t 1-20=120-20=100mm(GB50010-2010 表8.2.1 ,1类环境,板的受力筋的保护层厚度为15mm a^20mm,受力筋拟使用HRB400级钢筋)XF- h2「2M:100「1002 _ 2 1 4.70 1 06 ,3.23mm:::bh^ 0.518 100 \ 0rf c b : 1 11.9 1000 b0.2%,0.45 卫二max 0.2%,0.45 旦二0.002f y J I 360 JA s=些fcbx=〔疋11.9汽1000汉13.23 = 437口口 2 >0.002^1000X120 = 240mm2选f 360 ,选_ pl1n _ 13.50 3.32一10 一10 = 14.70KN .m (根据“混凝土结构构造手册(第0.8b=_10.0033 E s0.83601 50.0033 2 105= 0.51851.8mm 'min 二max用:①下部受力筋12@150 As=754m2,② 下部分布筋,As>max{0.15x 754 , 0.15%x 120 x 1000}= max{113.1 , 180}=180 mm2 (GB50010-2010, 9.1.7 当按单向板设计 时,应在垂直于受力的方向布置分布钢筋,单位宽度上的配筋不宜小于单位宽度上的受力钢筋的15%,且配筋率不宜小于0.15 %;分布 钢筋直径不宜小于6mm 间距不宜大于250mm 当集中荷载较大时, 分布钢筋的配筋面积尚应增加,且间距不宜大于200mm 当有实践经验或可靠措施时,预制单向板的分布钢筋可不受本条的限制; 若按最 小配筋率计算 As>0.002 x 120x 1000=240mm 8@20QAs=251mm .. ' ■8@200 见构造手册383 页。
③ 上部支座负筋(GB50010-201Q 9.1.6按简支边或非受力边设 计的现浇混凝土板,当与混凝土梁、墙整体浇筑或嵌固在砌体墙内时, 应设置板面构造钢筋,并符合下列要求:1钢筋直径不宜小于8mm 间距不宜大于200mm 且单位宽度内的配 筋面积不宜小于跨中相应方向板底钢筋截面面积的 1/ 3。
与混凝土 梁、混凝土墙整体浇筑单向板的非受力方向, 钢筋截面面积尚不宜小 于受力方向跨中板底钢筋截面面积的 1/3。
2钢筋从混凝土梁边、柱边、墙边伸入板内的长度不宜小于I 。
/4,f y .A sx 二f b360 754 1 11.9 1000=22.8mm ::: b h 0 = 0.518 100= 51.8mm 不超筋砌体墙支座处钢筋伸入板边的长度不宜小于I。
/ 7,其中计算跨度I0对单向板按受力方向考虑,对双向板按短边方向考虑。
3在楼板角部,宜沿两个方向正交、斜向平行或放射状布置附加钢筋。
4钢筋应在梁内、墙内或柱内可靠锚固。
构造手册384页建议支座配筋一般取跨中配筋量的1/3,配筋范围为ln/4 ),贝S As>1/3x754=251mm 12@2O0 As=565m2 我单位要求通长配置,以利于抗震。
④上部分布筋同卜部分衍筋的配置力法:选配8@200图2.9上部③号钢筋TB的配筋图如图2.9 ,300X11-3300. ______________________ .图2.92)平台板设计(1)平台板计算简图平台板取1m板宽作为计算单元。
平台板这里近似地按受力方向为短跨方向的简支板计算(即为单向板3.6/1.6=2.25 ,GB50010-201Q 9.1.1.2-2 )当长边与短边长度之比大于2.Q,但小于3.Q时,宜按双向板计算;),计算简图如图 2.1Q所示。
计算跨度:由于平台板两端均与梁整结,所以计算跨度取净跨l2n=16QQmm平台板厚度取t 2=1QQmm(GB5QQ1Q-2Q1,Q 9.121,板的跨厚比:钢筋混凝土单向板不大于3Q, 1/3Q x 16QQ=53.3mm。
B2J0 PTBWMB (2) 荷载计算平台板荷载计算见表2.4表2.4按永久荷载控制的组合 P=1.35 X 3.55+0.98 X 3.5=8.22KN/m, 综合取 P=9.16KN/m (3) 内力计算剪力 V=1/2 X 9.16 X 1.55=7.099KN<0.7f t bh o =O.7 X 1.27 X 1000X 80=71.12KN 承载力满足条件。
(GB50010-201Q 6.3.3 )计算长度取净跨I 2n=1.55m 考虑平台板两端梁的嵌固作用,跨中 最大设计弯矩取(4) 配筋计算h 0=100-20=80mm 选配 HPB30C 级钢筋bh^ 0.576 80 = 46.08mm1 f n,8。
2—; 1;了 10;0f t I「127) max 0.2%,0.45 -二 max 0.2%,0.45 0.00212[ fy jI270 J1 X11 9 x 1000 x2 3452 2103.35mm 2::r min . bh= 0.00212 1000 100 = 212mm 2 270故As>212m2 选用①板底纵向受力钢筋 8@180 As=279mm②板底纵向分布钢筋 8@180 As=279mmGB50010-201Q 9.1.7当按单向板设计时,应在垂直于受力的方向布置分布钢筋, 单位宽度 上的配筋不宜小于单位宽度上的受力钢筋的15%,且配筋率不宜小于0.15 %;分布钢筋直径不宜小于 6mm 间距不宜大于250mm 当集 中荷载较Plf n 109.16 1.55210= 2.20KN .m0.8b =——10.0033 E s0.8 27010.0033 2.1 105二 0.5762 2.20 106:min 二A s“ f c bx大时,分布钢筋的配筋面积尚应增加,且间距不宜大于200mm当有实践经验或可靠措施时,预制单向板的分布钢筋可不受本条的限制。
)③板上部纵向构适钢筋8@180 As=279m(9. 1. 6.1按简支边或非受力边设计的现浇混凝土板,当与混凝土梁、墙整体浇筑或嵌固在砌体墙内时,应设置板面构造钢筋,并符合下列要求:钢筋直径不宜小于8mm间距不宜大于200mm且单位宽度内的配筋面积不宜小于跨中相应方向板底钢筋截面面积的1/3。
与混凝土梁、混凝土墙整体浇筑单向板的非受力方向,钢筋截面面积尚不宜小于受力方向跨中板底钢筋截面面积的1/3。
)④板丄部纵向分布钢筋8@180As=279mm理由:GB50010-201Q9.1.7当按单向板设计时,应在垂直于受力的方向布置分布钢筋,单位宽度上的配筋不宜小于单位宽度上的受力钢筋的15%,且配筋率不宜小于0.15 %;分布钢筋直径不宜小于6mm间距不宜大于25Qmm)3 )平台梁TL1设计(1)平台梁两端搁置在楼梯间的侧墙上,所以计算跨度取L= min{l 3n+a,1.05ln}二min{3600 , 1.05 x 3360}=3528mm(《混凝土结构设计》课本30页)平台梁(TL1)的截面尺寸取h=400mm b=250mm(2)荷载计算平台梁的荷载计算见表2.5由永久荷载控制的组合:P=1.35g+0.98q=1.35 X 17.57+0.98 x 9.36=32.89KN/m由可变荷载控制的组合:P=1.2g+1.4q=1.2 X 17.57+1.4 x 9.36=34.19KN/m所以取P=34.19KN/m(3)TL支座处的最大剪力:V=PLn/2=34.19 X 3.528/2=60.31KN<0.7f t bh o=O.7 X 1.27 X 250X 365=81.121KN,构造配箍即可。