参考:自动化仪表安装检验批表格(4)
- 格式:doc
- 大小:500.00 KB
- 文档页数:20
自动化仪表工程施工及验收规范仪表安装检验批The latest revision on November 22, 2020表温度仪表安装报审、报验表工程名称:XX 编号:致:河南兴mi理仃限公同(项目监理机构)我方已完成XX工程温度仪表安装工作,经自检合格,请予以审查或验收。
附件:□隐蔽工程质量检验资料□检验批质量检验资料□分项工程质量检验资料□施工试验室证明资料□其他施工项LI经理部(盖章)XX有限公司项U经理或项LI技术负责人(签字)年月日审查或验收意见:项U监理机构(盖章)专业监理工程师(签字)年月日温度取源部件安装工程检验批质量验收记录温度仪表安装工程检验批质量验收记录编号:温度仪表安装工程检验批质量验收记录表电缆支架安装报审、报验表工程名称:XX 编号:致:河南兴V 1[程管理仃限公川(项目监理机构)我方已完成XX仪表电缆支架安装工作,经自检合格,请予以审查或验收。
附件:□隐蔽工程质量检验资料□检验批质量检验资料□分项工程质量检验资料□施工试验室证明资料□其他施工项LI经理部(盖章)XX有限公司项U经理或项LI技术负责人(签字)年月日审查或验收意见:项L1监理机构(盖章)专业监理丄程师(签字)年月日支架制作.安装工程检验批质量验收记录编号:表电缆桥架安装报审.报验表工程名称:XX 编号:致:河南兴平工程管理有限公司_______________ (项目监理机构)我方已完成XX仪表电缆桥架安装工作,经自检合格,请予以审查或验收。
附件:□隐蔽工程质量检验资料□检验批质量检验资料□分项工程质量检验资料□施丄试验室证明资料□其他施工项L1经理部(盖章)XX有限公司项U经理或项LI技术负责人(签字)年月日审查或验收意见:项L1监理机构(盖章)专业监理工程师(签字)电缆槽安装工程检验批质量验收记录表电缆保护管安装报审.报验表工程名称:XX 编号:致:河南兴平工程管理有限公司(项目监理机构)我方已完成XX仪表电缆保护管安装工作,经自检合格,请予以审查或验收。
表 B . 0 . 7 温度仪表安装报审、报验表工程名称:XX 编号:致:河南兴平工程管理有限公司(项目监理机构)我方已完成XX工程温度仪表安装工作,经自检合格,请予以审查或验收附件:□隐蔽工程质量检验资料□检验批质量检验资料□分项工程质量检验资料□施工试验室证明资料□其他施工项目经理部(盖章)xx_有限公司_________________________项目经理或项目技术负责人(签字)年月日审查或验收意见:项目监理机构(盖章) ___________________________专业监理工程师(签字)年月日温度取源部件安装工程检验批质量验收记录编号编号编号表B.0.7 电缆支架安装报审、报验表工程名称:XX 编号:致:河南兴平工程管理有限公司(项目监理机构)我方已完成XX仪表电缆支架安装工作,经自检合格,请予以审查或验收附件:□隐蔽工程质量检验资料□检验批质量检验资料□分项工程质量检验资料□施工试验室证明资料□其他施工项目经理部(盖章)xx_有限公司_________________________项目经理或项目技术负责人(签字)年月日审查或验收意见:项目监理机构(盖章) ___________________________专业监理工程师(签字)年月日支架制作、安装工程检验批质量验收记录编号支架制作、安装工程检验批质量验收记录编号表B.0.7 电缆桥架安装报审、报验表工程名称:XX 编号:致:河南兴平工程管理有限公司(项目监理机构)我方已完成XX仪表电缆桥架安装工作,经自检合格,请予以审查或验收附件:□隐蔽工程质量检验资料□检验批质量检验资料□分项工程质量检验资料□施工试验室证明资料□其他施工项目经理部(盖章)xx_有限公司_________________________项目经理或项目技术负责人(签字)年月日审查或验收意见:项目监理机构(盖章) ___________________________专业监理工程师(签字)年月日电缆槽安装工程检验批质量验收记录编号电缆槽安装工程检验批质量验收记录编号表B.0.7 电缆保护管安装报审、报验表工程名称:XX 编号:致:河南兴平工程管理有限公司(项目监理机构)我方已完成XX仪表电缆保护管安装工作经自检合格,请予以审查或验收附件:□隐□检验批质量检验资料□分项工程质量检验资料□施工试验室证明资料□其他施工项目经理部(盖章)_xx_有限公司________________________项目经理或项目技术负责人(签字)年月日审查或验收意见:项目监理机构(盖章)专业监理工程师(签字)年月日电缆保护管加工、敷设工程检验批质量验收记录表B.0.7 电缆敷设安装报审、报验表工程名称:XX 编号:致:河南兴平工程管理有限公司(项目监理机构)我方已完成XX仪表电缆敷设安装工作,经自检合格,请予以审查或验收附件:□隐蔽工程质量检验资料□检验批质量检验资料□分项工程质量检验资料□施工试验室证明资料□其他施工项目经理部(盖章)xx_有限公司_________________________项目经理或项目技术负责人(签字)年月日审查或验收意见:项目监理机构(盖章) ___________________________专业监理工程师(签字)年月日电缆敷设工程检验批质量验收记录表B.0.7 电缆接线工程报审、报验表工程名称:XX 编号:致:河南兴平工程管理有限公司(项目监理机构)我方已完成XX 仪表电缆接线工程安装工作,经自检合格,请予以审查或验收。
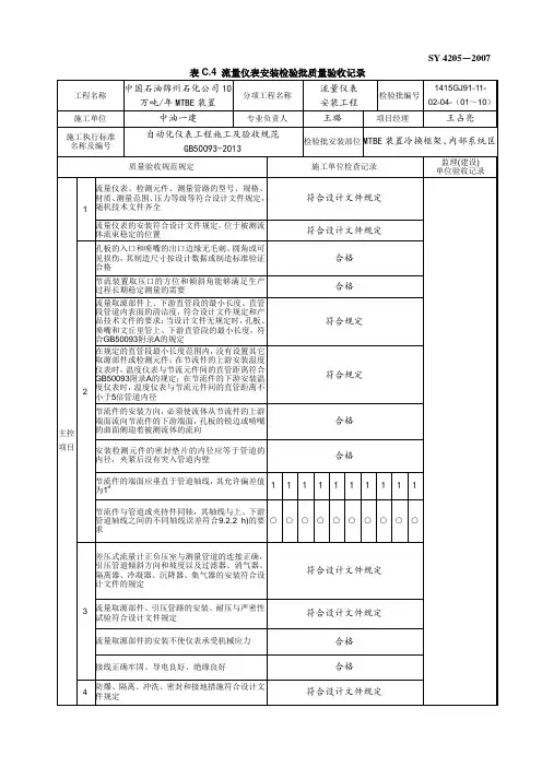
表C.4 流量仪表安装检验批质量验收记录工程名称中国石油锦州石化公司10万吨/年MTBE装置分项工程名称流量仪表安装工程检验批编号1415GJ91-11-02-04-(01~10)施工单位中油一建专业负责人王璐项目经理王占亮施工执行标准名称及编号自动化仪表工程施工及验收规范GB50093-2013检验批安装部位MTBE装置冷换框架、内部系统区质量验收规范规定施工单位检查记录监理(建设)单位验收记录主控项目1流量仪表、检测元件、测量管路的型号、规格、材质、测量范围、压力等级等符合设计文件规定,随机技术文件齐全符合设计文件规定流量仪表的安装符合设计文件规定,位于被测流体流束稳定的位置符合设计文件规定2孔板的入口和喷嘴的出口边缘无毛刺、圆角或可见损伤,其制造尺寸按设计数据或制造标准验证合格合格节流装置取压口的方位和倾斜角能够满足生产过程长期稳定测量的需要合格流量取源部件上、下游直管段的最小长度、直管段管道内表面的清洁度,符合设计文件规定和产品技术文件的要求;当设计文件无规定时,孔板、喷嘴和文丘里管上、下游直管段的最小长度,符合GB50093附录A的规定符合规定在规定的直管段最小长度范围内,没有设置其它取源部件或检测元件;在节流件的上游安装温度仪表时,温度仪表与节流元件间的直管距离符合GB50093附录A的规定;在节流件的下游安装温度仪表时,温度仪表与节流元件间的直管距离不小于5倍管道内径符合规定节流件的安装方向,必须使流体从节流件的上游端面流向节流件的下游端面,孔板的锐边或喷嘴的曲面侧迎着被测流体的流向合格安装检测元件的密封垫片的内径应等于管道的内径,夹紧后没有突入管道内壁合格节流件的端面应垂直于管道轴线,其允许偏差值为1º1 1 1 1 1 1 1 1 1 1节流件与管道或夹持件同轴,其轴线与上、下游管道轴线之间的不同轴线误差符合9.2.2 h)的要求○○○○○○○○○○3差压式流量计正负压室与测量管道的连接正确,引压管道倾斜方向和坡度以及过滤器、消气器、隔离器、冷凝器、沉降器、集气器的安装符合设计文件的规定符合设计文件规定流量取源部件、引压管路的安装、耐压与严密性试验符合设计文件规定符合设计文件规定流量取源部件的安装不使仪表承受机械应力合格接线正确牢固、导电良好、绝缘良好合格4防爆、隔离、冲洗、密封和接地措施符合设计文件规定符合设计文件规定表C.4 (续)工程名称中国石油锦州石化公司10万吨/年MTBE装置分项工程名称流量仪表安装工程检验批编号1415GJ91-11-02-04-(01~10)施工单位中油一建专业负责人王璐项目经理王占亮施工执行标准名称及编号自动化仪表工程施工及验收规范GB50093-2013检验批安装部位MTBE装置冷换框架、内部系统区质量验收规范规定施工单位检查记录监理(建设)单位验收记录一般项目1仪表外观完整、附件齐全,安装位置便于观察、操作维护○○○○○○○○○○仪表的可读性符合设计文件规定○○○○○○○○○○保温箱、保护箱的安装标高符合设计文件规定,固定牢固、平正/ / / / / / / / / /集中安装的仪表、保温箱、保护箱排列整齐、美观○○○○○○○○○○2仪表支架的材质、规格符合设计文件规定○○○○○○○○○○仪表的安装支撑方式符合设计文件规定,固定牢固○○○○○○○○○○3转子流量计应安装在无振动的管道上,其中心线与铅垂线间的夹角不应超过2º,被测流体流向为自下而上,上游直管段长度不宜小于2倍管道直径/ / / / / / / / / /靶式流量计的靶中心应与管道轴线同心,靶面应迎着流向且与管道轴线垂直,上下游直管段长度符合设计文件规定/ / / / / / / / / /超声波流量计的被测管道内壁没有影响测量精度的结垢层或涂层○○○○○○○○○○电磁流量计的外壳、被测流体、管道连接法兰三者之间的等电位连接和接地符合随机技术文件的要求○○○○○○○○○○质量流量计的安装方式能够满足对被测流体的正确测量○○○○○○○○○○专用信号电缆长度符合设计文件规定或随机技术文件的要求○○○○○○○○○○均速管流量计的总压测孔应迎着流向,其角度允许偏差值不大于3º,检测杆应通过并垂直于管道中心线,其偏离中心和与轴线不垂直的误差均不大于3º/ / / / / / / / / / 4仪表位号标志牌符合设计文件规定○○○○○○○○○○检测元件上标有“+”号的一侧在被测流体流向的上游侧,当用箭头标明流向时,箭头的指向与被测流体的流向一致○○○○○○○○○○电缆头及接线整齐、美观,编号齐全、符合设计文件规定○○○○○○○○○○施工单位检查结果项目专业质量检查员年月日监理(建设)单位验收结论监理工程师(建设单位项目代表) 年月日表C.4 流量仪表安装检验批质量验收记录工程名称中国石油锦州石化公司10万吨/年MTBE装置分项工程名称流量仪表安装工程检验批编号1415GJ91-11-02-04-(11~20)施工单位中油一建专业负责人王璐项目经理王占亮施工执行标准名称及编号自动化仪表工程施工及验收规范GB50093-2013检验批安装部位MTBE装置冷换框架、内部系统区质量验收规范规定施工单位检查记录监理(建设)单位验收记录主控项目1流量仪表、检测元件、测量管路的型号、规格、材质、测量范围、压力等级等符合设计文件规定,随机技术文件齐全符合设计文件规定流量仪表的安装符合设计文件规定,位于被测流体流束稳定的位置符合设计文件规定2孔板的入口和喷嘴的出口边缘无毛刺、圆角或可见损伤,其制造尺寸按设计数据或制造标准验证合格合格节流装置取压口的方位和倾斜角能够满足生产过程长期稳定测量的需要合格流量取源部件上、下游直管段的最小长度、直管段管道内表面的清洁度,符合设计文件规定和产品技术文件的要求;当设计文件无规定时,孔板、喷嘴和文丘里管上、下游直管段的最小长度,符合GB50093附录A的规定符合规定在规定的直管段最小长度范围内,没有设置其它取源部件或检测元件;在节流件的上游安装温度仪表时,温度仪表与节流元件间的直管距离符合GB50093附录A的规定;在节流件的下游安装温度仪表时,温度仪表与节流元件间的直管距离不小于5倍管道内径符合规定节流件的安装方向,必须使流体从节流件的上游端面流向节流件的下游端面,孔板的锐边或喷嘴的曲面侧迎着被测流体的流向合格安装检测元件的密封垫片的内径应等于管道的内径,夹紧后没有突入管道内壁合格节流件的端面应垂直于管道轴线,其允许偏差值为1º1 1 1 1 1 1 1 1 1 1节流件与管道或夹持件同轴,其轴线与上、下游管道轴线之间的不同轴线误差符合9.2.2 h)的要求○○○○○○○○○○3差压式流量计正负压室与测量管道的连接正确,引压管道倾斜方向和坡度以及过滤器、消气器、隔离器、冷凝器、沉降器、集气器的安装符合设计文件的规定符合设计文件规定流量取源部件、引压管路的安装、耐压与严密性试验符合设计文件规定符合设计文件规定流量取源部件的安装不使仪表承受机械应力合格接线正确牢固、导电良好、绝缘良好合格4防爆、隔离、冲洗、密封和接地措施符合设计文件规定符合设计文件规定表C.4 (续)工程名称中国石油锦州石化公司10万吨/年MTBE装置分项工程名称流量仪表安装工程检验批编号1415GJ91-11-02-04-(11~20)施工单位中油一建专业负责人王璐项目经理王占亮施工执行标准名称及编号自动化仪表工程施工及验收规范GB50093-2013检验批安装部位MTBE装置冷换框架、内部系统区质量验收规范规定施工单位检查记录监理(建设)单位验收记录一般项目1仪表外观完整、附件齐全,安装位置便于观察、操作维护○○○○○○○○○○仪表的可读性符合设计文件规定○○○○○○○○○○保温箱、保护箱的安装标高符合设计文件规定,固定牢固、平正/ / / / / / / / / /集中安装的仪表、保温箱、保护箱排列整齐、美观○○○○○○○○○○2仪表支架的材质、规格符合设计文件规定○○○○○○○○○○仪表的安装支撑方式符合设计文件规定,固定牢固○○○○○○○○○○3转子流量计应安装在无振动的管道上,其中心线与铅垂线间的夹角不应超过2º,被测流体流向为自下而上,上游直管段长度不宜小于2倍管道直径/ / / / / / / / / /靶式流量计的靶中心应与管道轴线同心,靶面应迎着流向且与管道轴线垂直,上下游直管段长度符合设计文件规定/ / / / / / / / / /超声波流量计的被测管道内壁没有影响测量精度的结垢层或涂层○○○○○○○○○○电磁流量计的外壳、被测流体、管道连接法兰三者之间的等电位连接和接地符合随机技术文件的要求○○○○○○○○○○质量流量计的安装方式能够满足对被测流体的正确测量○○○○○○○○○○专用信号电缆长度符合设计文件规定或随机技术文件的要求○○○○○○○○○○均速管流量计的总压测孔应迎着流向,其角度允许偏差值不大于3º,检测杆应通过并垂直于管道中心线,其偏离中心和与轴线不垂直的误差均不大于3º/ / / / / / / / / / 4仪表位号标志牌符合设计文件规定○○○○○○○○○○检测元件上标有“+”号的一侧在被测流体流向的上游侧,当用箭头标明流向时,箭头的指向与被测流体的流向一致○○○○○○○○○○电缆头及接线整齐、美观,编号齐全、符合设计文件规定○○○○○○○○○○施工单位检查结果项目专业质量检查员年月日监理(建设)单位验收结论监理工程师(建设单位项目代表) 年月日表C.4 流量仪表安装检验批质量验收记录工程名称中国石油锦州石化公司10万吨/年MTBE装置分项工程名称流量仪表安装工程检验批编号1415GJ91-11-02-04-(21~27)施工单位中油一建专业负责人王璐项目经理王占亮施工执行标准名称及编号自动化仪表工程施工及验收规范GB50093-2013检验批安装部位MTBE装置冷换框架、内部系统区质量验收规范规定施工单位检查记录监理(建设)单位验收记录主控项目1流量仪表、检测元件、测量管路的型号、规格、材质、测量范围、压力等级等符合设计文件规定,随机技术文件齐全符合设计文件规定流量仪表的安装符合设计文件规定,位于被测流体流束稳定的位置符合设计文件规定2孔板的入口和喷嘴的出口边缘无毛刺、圆角或可见损伤,其制造尺寸按设计数据或制造标准验证合格合格节流装置取压口的方位和倾斜角能够满足生产过程长期稳定测量的需要合格流量取源部件上、下游直管段的最小长度、直管段管道内表面的清洁度,符合设计文件规定和产品技术文件的要求;当设计文件无规定时,孔板、喷嘴和文丘里管上、下游直管段的最小长度,符合GB50093附录A的规定符合规定在规定的直管段最小长度范围内,没有设置其它取源部件或检测元件;在节流件的上游安装温度仪表时,温度仪表与节流元件间的直管距离符合GB50093附录A的规定;在节流件的下游安装温度仪表时,温度仪表与节流元件间的直管距离不小于5倍管道内径符合规定节流件的安装方向,必须使流体从节流件的上游端面流向节流件的下游端面,孔板的锐边或喷嘴的曲面侧迎着被测流体的流向合格安装检测元件的密封垫片的内径应等于管道的内径,夹紧后没有突入管道内壁合格节流件的端面应垂直于管道轴线,其允许偏差值为1º1 1 1 1 1 1 1 ///节流件与管道或夹持件同轴,其轴线与上、下游管道轴线之间的不同轴线误差符合9.2.2 h)的要求○○○○○○○/// 3差压式流量计正负压室与测量管道的连接正确,引压管道倾斜方向和坡度以及过滤器、消气器、隔离器、冷凝器、沉降器、集气器的安装符合设计文件的规定符合设计文件规定流量取源部件、引压管路的安装、耐压与严密性试验符合设计文件规定符合设计文件规定流量取源部件的安装不使仪表承受机械应力合格接线正确牢固、导电良好、绝缘良好合格4防爆、隔离、冲洗、密封和接地措施符合设计文件规定符合设计文件规定表C.4 (续)工程名称中国石油锦州石化公司10万吨/年MTBE装置分项工程名称流量仪表安装工程检验批编号1415GJ91-11-02-04-(21~27)施工单位中油一建专业负责人王璐项目经理王占亮施工执行标准名称及编号自动化仪表工程施工及验收规范GB50093-2013检验批安装部位MTBE装置冷换框架、内部系统区质量验收规范规定施工单位检查记录监理(建设)单位验收记录一般项目1仪表外观完整、附件齐全,安装位置便于观察、操作维护○○○○○○○///仪表的可读性符合设计文件规定○○○○○○○/ / /保温箱、保护箱的安装标高符合设计文件规定,固定牢固、平正/ / / / / / / / / /集中安装的仪表、保温箱、保护箱排列整齐、美观○○○○○○○/ / / 2仪表支架的材质、规格符合设计文件规定○○○○○○○/ / /仪表的安装支撑方式符合设计文件规定,固定牢固○○○○○○○/ / / 3转子流量计应安装在无振动的管道上,其中心线与铅垂线间的夹角不应超过2º,被测流体流向为自下而上,上游直管段长度不宜小于2倍管道直径/ / / / / / / / / /靶式流量计的靶中心应与管道轴线同心,靶面应迎着流向且与管道轴线垂直,上下游直管段长度符合设计文件规定/ / / / / / / / / /超声波流量计的被测管道内壁没有影响测量精度的结垢层或涂层○○○○○○○/ / /电磁流量计的外壳、被测流体、管道连接法兰三者之间的等电位连接和接地符合随机技术文件的要求○○○○○○○/ / /质量流量计的安装方式能够满足对被测流体的正确测量○○○○○○○/ / /专用信号电缆长度符合设计文件规定或随机技术文件的要求○○○○○○○/ / /均速管流量计的总压测孔应迎着流向,其角度允许偏差值不大于3º,检测杆应通过并垂直于管道中心线,其偏离中心和与轴线不垂直的误差均不大于3º/ / / / / / / / / / 4仪表位号标志牌符合设计文件规定○○○○○○○/ / /检测元件上标有“+”号的一侧在被测流体流向的上游侧,当用箭头标明流向时,箭头的指向与被测流体的流向一致○○○○○○○/ / /电缆头及接线整齐、美观,编号齐全、符合设计文件规定○○○○○○○/ / /施工单位检查结果项目专业质量检查员年月日监理(建设)单位验收结论监理工程师(建设单位项目代表) 年月日。
表B.0.7 温度仪表安装报审、报验表
温度取源部件安装工程检验批质量验收记录
编号:
温度仪表安装工程检验批质量验收记录
编号:
表B.0.7 电缆支架安装报审、报验表
支架制作、安装工程检验批质量验收记录
编号:
表B.0.7 电缆桥架安装报审、报验表
电缆槽安装工程检验批质量验收记录
编号:
表B.0.7 电缆保护管安装报审、报验表
电缆保护管加工、敷设工程检验批质量验收记录
编号:
表B.0.7 电缆敷设安装报审、报验表
电缆敷设工程检验批质量验收记录
编号:
表B.0.7 电缆接线工程报审、报验表
电缆接线工程检验批质量验收记录
编号:。
表B.0.1 仪表盘(柜、台、箱)安装检验批质量验收记录
续表B.0.1
表B.0.2 温度检测仪表安装检验批质量验收记录
续表B.0.2
表B.0.3 压力检测仪表安装检验批质量验收记录
续表B.0.3
表B.0.4 流量检测仪表安装检验批质量验收记录
续表B.0.4
续表B.0.4
表B.0.5 物位检测仪表安装检验批质量验收记录
续表B.0.5
表B.0.6 成分分析和物性检测仪表安装检验批质量验收记录
续表B.0.6
表B.0.7 机械量和其他检测仪表安装检验批质量验收记录
续表B.0.7
表B.0.8 执行器安装检验批质量验收记录
续表B.0.8
表B.0.9 仪表线路安装检验批质量验收记录
续表B.0.9
续表B.0.9
续表B.0.9
表B.0.10 仪表管道安装检验批质量验收记录
续表B.0.10
表B.0.11仪表单体调校检验批质量验收记录
表B.0.12 仪表联校检验批质量验收记录
续表B.0.12。
仪表设备和材料检验质量验收
物位取源部件安装检验批质量验收记录
压力取源部件安装检验批质量验收记录
流量取源部件安装检验批质量验收记录
分析取源部件质量验收记录
仪表设备安装一般质量验收
仪表盘丶柜丶箱质量验收
压力检测仪表质量验收
流量检测仪表质量验收
物位检测仪表质量验收
机械量检测仪表质量验收
其他检测仪表质量验收
执行器质量验收
控制仪表和综合控制系统丶仪表电源设备质量验收
仪表线路安装一般规定质量验收
支架制作与安装定质量验收
电缆桥架安装质量验收
电缆导管安装质量验收
电缆丶电信丶光缆敷设规定质量验收。
自动化仪表安装工程质量检验评定表.. . z 自动化仪表安装工程质量检验评定标准GBJ131—90目录第一章总则第二章质量检验评定法与质量等级的划分第三章取源部件的安装第一节检验数量第二节温度取源部件第三节压力取源部件第四节流量取源部件第五节物位取源部件第六节分析取源部件第四章仪表盘(箱、操作台)的安装第一节检验数量第二节仪表盘(操作台)型钢底座第三节单独仪表盘(操作台)第四节成排仪表盘(操作台)第五节仪表箱(板)、保温箱、保护箱第五章仪表设备的安装第一节检验数量第二节温度、湿度仪表第三节压力仪表第四节流量仪表第五节物位仪表第六节分析仪表第七节调节阀、执行机构和电磁阀2 自动化仪表安装工程质量检验评定标准第八节盘装仪表第六章仪表供电设备及供气、供液系统的安装第一节检验数量第二节供电设备第三节供气系统第四节供液系统第七章仪表用电气线路的敷设第一节检验数量第二节支架、汇线槽、桥架制作及安装第三节电线(缆)保护管敷设第四节电缆敷设、电缆头制作和接线第五节电线和补偿导线的敷设第六节仪表盘(箱、操作台)配线第八章防爆和接地第一节检验数量第二节防爆第三节接地第九章表用管路的敷设第一节检验数量第二节管路敷设第三节仪表盘(箱、操作台)配管第十章脱脂和防护第一节检验数量第二节脱脂第三节防护第十一章仪表调校第一节检验数量第二节单体调校第三节系统调试附录一检验工具和仪器附录二仪表安装分项工程质量检验评定表附录三仪表安装分部工程质量检验评定表附录四本标准用词说明附加说明.主编部门:中华人民国化学工业部批准部门:中华人民国建设部施行日期:1991年3月1日关于发布标准《自动化仪表安装工程质量检验评定标准》的通知(90)建标字第242号根据计委计综〔1986〕250号文的要求,由化学工业部会同有关部门共同修订的《自动化仪表安装工程质量检验评定标准》,已经有关部门会审,现批准《自动化仪表安装工程质量检验评定标准》GBJ131—90为标准,自1991年3月1日起施行。
仪表盘(柜、台、箱)安装检验批质量验收记录
温度仪表安装检验批质量验收记录
(SY4205-2007)
表5.2
压力仪表安装检验批质量验收记录
(SY4205-2007)
表5.3
流量仪表安装检验批质量验收记录
(SY4205-2007)
表5.4(共两页)
物位仪表安装检验批质量验收记录
(SY4205-2007)
表5.5
成分分析和物性检测仪表安装检验批质量验收记录
(SY4205-2007)
表5.6
(SY4205-2007)
表5.7
执行器安装检验批质量验收记录
(SY4205-2007)
表5.8
仪表线路安装检验批质量验收记录
(SY4205-2007)
表5.9(共两页)
(SY4205-2007)
(SY4205-2007)
附录C
(规范性附录)
自动化仪表工程质量控制资料核查记录
自动化仪表工程质量控制资料核查记录应按表C.8进行。
表C.8 自动化仪表工程质量控制资料核查记录。
仪表设备和材料检验质量验收工程名称分项工程名称施工单位专业工长项目经理分包单位分包项目经理施工班组长施工执行标名称及编号验收部位序号项目施工单位检查评定记录监理(建设)单位验收记录1 仪表设备和材料应具有产品技术文件和质量证明文件,特性数据应符合设计文件的规定□合格□不合格2 仪表设备铭牌标志应清晰牢固,附件、备件应符合设计文件规定□合格□不合格3 仪表盘丶柜丶箱内仪表丶电源设备及部件的型号丶规格应符合设计文件规定□合格□不合格4 放射性仪表的放射源应处于锁闭状态,锁定装置安全可靠□合格□不合格5 分析仪表配套的试验标准样品丶数量和浓度应符合设计文件的规定,并应包装良好,无泄漏□合格□不合格主控项目6 仪表设备和材料按保管条件分区,分类保管□合格□不合格1 仪表设备和材料数量丶标识丶几何尺寸应符合设计文件的规定,并应无残损或短缺,标识应清晰完整□合格□不合格一般项目 2 □合格□不合格施工单位检查评定结果专业技术负责人年月日质量检查员年月日监理(建设)单位验收结论监理工程师(建设单位项目专业技术负责人)年月日工程名称分项工程名称施工单位专业工长项目经理分包单位分包项目经理施工班组长施工执行标名称及编号验收部位主控项目序号项目施工单位检查评定记录监理(建设)单位验收记录1取源部件得结构尺寸、材质和安装位置应符合设计文件得规定□合格□不合格2在设备或管道上安装取源部件得开孔和焊接工作,应符合本规范第5.1.3条得规定□合格□不合格3456一般项目1取源部件安装完毕后,应随同设备和管道进行压力试验□合格□不合格2在砌体和混凝土浇筑体上安装得取源部件,埋入深度,露出长度应符合设计文件得规定,安装孔周围应用设计文件要求得材料填充密实,封堵严密□合格□不合格施工单位检查评定结果专业技术负责人年月日监理(建设)单位验收结论监理工程师(建设单位项目专业技术负责人)年月日工程名称分项工程名称施工单位专业工长项目经理分包单位分包项目经理施工班组长施工执行标名称及编号验收部位主控项目序号项目施工单位检查评定记录监理(建设)单位验收记录1取源部件得结构尺寸、材质和安装位置应符合设计文件得规定□合格□不合格2在设备或管道上安装取源部件得开孔和焊接工作,应符合本规范第5.1.3条得规定□合格□不合格3压力取源部件得安装位置应在介质流束稳定得位置□合格□不合格4压力取源部件与温度取源部件在同一管段上时,应安装在温度取源部件上游侧□合格□不合格5压力取源部件得端部不应超出设备或管道得内壁□合格□不合格6当检测带有灰尘、固体颗粒或沉淀物等混浊物料得压力时,取源部件得安装应符合本规范第5.3.4条得规定□合格□不合格7在水平和倾斜管道上安装压力取源部件时,取压点得方位应符合本规范第5.3.5条得规定□合格□不合格一般项目1取源部件安装完毕后,应随同设备和管道进行压力试验□合格□不合格2在砌体和混凝土浇筑体上安装得取源部件,埋入深度、露出长度应符合设计文件得规定,安装孔周围应用设计文件要求得材料填充密实、封堵严密□合格□不合格施工单位检查评定结果专业技术负责人年月日质量检查员年月日监理(建设)单位验收结论监理工程师(建设单位项目专业技术负责人)年月日流量取源部件安装检验批质量验收记录工程名称分项工程名称施工单位专业工长项目经理分包单位分包项目经理施工班组长施工执行标名称及编号验收部位主控项目序号项目施工单位检查评定记录监理(建设)单位验收记录1取源部件得结构尺寸、材质和安装位置应符合设计文件得规定□合格□不合格2在设备或管道上安装取源部件得开孔和焊接工作,应符合本规范第5.1.3条得规定□合格□不合格3流量取源部件上,下游直管段得最小长度,应符合设计文件得规定□合格□不合格4在规定得直管段最小长度范围内,不得设置其他取源部件或检测元件,直管段管子内表面应清洁,无凹坑和凸出物□合格□不合格5在节流件得上游安装温度计时,温度计与节流件间得直管段距离应符合本规范得5.4.4条得规定□合格□不合格6在节流件得下游安装温度计时,温度计与节流件间得直管段距离应符合本规范第5.4.5条得规定□合格□不合格7节流装置在水平和倾斜得管道上安装时,取压口得方位应符合本规范第5.4.6条得规定□合格□不合格8孔板或喷嘴采用单独钻孔得角接取压时,应符合本规范第5.4.7条得规定□合格□不合格9孔板采用法兰取压时,应符合本规范第5.4.8条得规定□合格□不合格10孔板采用D和D/2取压时,应符合本规范第5.4.9条得规定□合格□不合格11 采用均压环取压时,取压孔得位置和数量应符合本规范第5.4.10条得规定□合格□不合格12 皮托管得丶文丘里式皮托管和均速管等流量检测单元件取源部件得轴线,应与管道轴线垂直相交□合格□不合格一般项目1取源部件安装完毕后,应随同设备和管道进行压力试验□合格□不合格2在砌体和混凝土浇筑体上安装得取源部件,埋入深度,露出长度应符合设计文件得规定,安装孔周围应用设计文件要求得材料填充密实,封堵严密□合格□不合格施工单位检查评定结果专业技术负责人年月日质量检查员年月日监理(建设)单位验收结论监理工程师(建设单位项目专业技术负责人)年月日分析取源部件质量验收记录工程名称分项工程名称施工单位专业工长项目经理分包单位分包项目经理施工班组长施工执行标名称及编号验收部位主控项目序号项目施工单位检查评定记录监理(建设)单位验收记录1取源部件得结构尺寸、材质和安装位置应符合设计文件得规定□合格□不合格2在设备或管道上安装取源部件得开孔和焊接工作,应符合本规范第5.1.3条得规定□合格□不合格3分析取源部件得安装位置,应符合本规范第5.6.1条得规定□合格□不合格4 在水平或倾斜管道上安装分析取源部件时,安装方位应符合本规范第5.3.5条得规定□合格□不合格5 被分析得气体内含有固体或液体杂质时,取源部件得轴线与水平线之间得仰角应大于15°□合格□不合格一般项目1取源部件安装完毕后,应随同设备和管道进行压力试验□合格□不合格2在砌体和混凝土浇筑体上安装得取源部件,埋入深度,露出长度应符合设计文件得规定,安装孔周围应用设计文件要求得材料填充密实,封堵严密□合格□不合格施工单位检查评定结果专业技术负责人年月日质量检查员年月日监理(建设)单位验收结论监理工程师(建设单位项目专业技术负责人)年月日仪表设备安装一般质量验收工程名称分项工程名称施工单位专业工长项目经理分包单位分包项目经理施工班组长施工执行标名称及编号验收部位主控项目序号项目施工单位检查评定记录监理(建设)单位验收记录1现场仪表得安装位置应符合规范第6.1.1条得规定□合格□不合格2仪表得安装应牢固丶平正,不应承受非正常外力□合格□不合格3设计文件规定需要脱脂得仪表,应经脱脂检查合格后安装□合格□不合格4 直接安装在设备或管道上得仪表安装完毕应进行压力试验□合格□不合格5 仪表毛细管得敷设应有保护措施,其弯曲半径不应小于50mm□合格□不合格6 核辐射式仪表在安装现场应有明显得警戒标识□合格□不合格一般项目1仪表接线箱(盒)应采取密封措施,引入口不宜朝上□合格□不合格2 仪表铭牌和仪表位号标识应齐全丶牢固丶清晰□合格□不合格3施工单位检查评定结果专业技术负责人年月日质量检查员年月日监理(建设)单位验收结论监理工程师(建设单位项目专业技术负责人)年月日仪表盘丶柜丶箱质量验收工程名称分项工程名称施工单位专业工长项目经理分包单位分包项目经理施工班组长施工执行标名称及编号验收部位主控项目序号项目施工单位检查评定记录监理(建设)单位验收记录1现场仪表得安装位置应符合规范第6.1.1条得规定□合格□不合格2仪表得安装应牢固丶平正,不应承受非正常外力□合格□不合格3 设计文件规定需要脱脂得仪表,应经脱脂检查合格后安装□合格□不合格4 直接安装在设备或管道上得仪表安装完毕应进行压力试验□合格□不合格5 仪表毛细管得敷设应有保护措施,其弯曲半径不应小于50mm□合格□不合格6 核辐射式仪表在安装现场应有明显得警戒标识□合格□不合格7 仪表盘丶柜丶操作台得安装位置和平面布置应符合设计文件得规定□合格□不合格8 现场仪表箱丶保温箱和保护箱得位置应符合设计文件得规定□合格□不合格9 仪表盘丶柜丶操作台之间及盘丶柜丶操作台内各设备构件之间得连接应牢固,用于安装得紧固件应为防锈材料,安装固定不应采用焊接方式□合格□不合格10 仪表盘丶柜丶操作台,箱应无安装变形和表面涂层损伤□合格□不合格一般项目1仪表接线箱(盒)应采取密封措施,引入口不宜朝上□合格□不合格2 仪表铭牌和仪表位号标识应齐全丶牢固丶清晰□合格□不合格3仪表盘丶柜丶操作台得型钢底座得制作应符合本规范第6.2.2条得规定□合格□不合格4仪表盘丶柜丶操作台得型钢底座得制作应符合本规范第6.2.3条得规定□合格□不合格5单独得仪表盘丶柜丶操作台得安装应符合本规范第6.2.8条得规定□合格□不合格6成排得仪表盘丶柜丶操作台得安装应符合本规范第6.2.8条和第6.2.9条得规定□合格□不合格7仪表箱丶保温箱丶保护箱得安装应符合本规范第6.2.10条得规定□合格□不合格8接线箱应密封并应标明编号,箱内接线应标明线号□合格□不合格9不锈钢材质得接线箱固定时,不得与碳钢材料直接接触□合格□不合格施工单位检查评定结果专业技术负责人年月日质量检查员年月日监理(建设)单位验收结论年月日工程名称分项工程名称施工单位专业工长项目经理分包单位分包项目经理施工班组长施工执行标名称及编号验收部位主控项目序号项目施工单位检查评定记录监理(建设)单位验收记录1现场仪表得安装位置应符合规范第6.1.1条得规定□合格□不合格2仪表得安装应牢固丶平正,不应承受非正常外力□合格□不合格3设计文件规定需要脱脂得仪表,应经脱脂检查合格后安装□合格□不合格4直接安装在设备或管道上得仪表安装完毕应进行压力试验□合格□不合格5仪表毛细管得敷设应有保护措施,其弯曲半径不应小于50mm□合格□不合格6 核辐射式仪表在安装现场应有明显得警戒标识□合格□不合格7表面温度计得感温面与被测对象表面应紧密接触,并应固定牢固□合格□不合格8 压力式温度计得温包应全部浸入被测对象中□合格□不合格一般项目1仪表接线箱(盒)应采取密封措施,引入口不宜朝上□合格□不合格2 仪表铭牌和仪表位号标识应齐全丶牢固丶清晰□合格□不合格施工单位检查评定结果专业技术负责人年月日质量检查员年月日监理(建设)单位验收结论年月日压力检测仪表质量验收工程名称分项工程名称施工单位专业工长项目经理分包单位分包项目经理施工班组长施工执行标名称及编号验收部位主控项目序号项目施工单位检查评定记录监理(建设)单位验收记录1现场仪表得安装位置应符合规范第6.1.1条得规定□合格□不合格2仪表得安装应牢固丶平正,不应承受非正常外力□合格□不合格3设计文件规定需要脱脂得仪表,应经脱脂检查合格后安装□合格□不合格4直接安装在设备或管道上得仪表安装完毕应进行压力试验□合格□不合格5仪表毛细管得敷设应有保护措施,其弯曲半径不应小于50mm□合格□不合格6 核辐射式仪表在安装现场应有明显得警戒标识□合格□不合格7安装在操作岗位附件,测量高压得压力表,宜距操作面1.80m以上,或在仪表正面加设保护罩□合格□不合格8现场安装得压力表不应固定在有强烈振动得设备或管道上□合格□不合格一般项目1仪表接线箱(盒)应采取密封措施,引入口不宜朝上□合格□不合格2 仪表铭牌和仪表位号标识应齐全丶牢固丶清晰□合格□不合格3测量低压得压力表或变送器得安装高度,宜与取压点得高度一致□合格□不合格施工单位检查评定结果专业技术负责人年月日质量检查员年月日监理(建设)单位验收结论监理工程师(建设单位项目专业技术负责人)年月日流量检测仪表质量验收工程名称分项工程名称施工单位专业工长项目经理分包单位分包项目经理施工班组长施工执行标名称及编号验收部位主控项目序号项目施工单位检查评定记录监理(建设)单位验收记录1现场仪表得安装位置应符合规范第6.1.1条得规定□合格□不合格2仪表得安装应牢固丶平正,不应承受非正常外力□合格□不合格3设计文件规定需要脱脂得仪表,应经脱脂检查合格后安装□合格□不合格4直接安装在设备或管道上得仪表安装完毕应进行压力试验□合格□不合格5仪表毛细管得敷设应有保护措施,其弯曲半径不应小于50mm□合格□不合格6 核辐射式仪表在安装现场应有明显得警戒标识□合格□不合格7节流件安装前应进行外观检查,应无损伤,并应按设计数据测量验证其制造尺寸□合格□不合格8水平和倾斜得管道上安装得孔板或喷嘴,排泄孔得位置应符合本规范第6.5.1条第5款得规定□合格□不合格9 节流件上“+”号得一侧应在被测流体流向得上游侧,当用箭头标明流向时,箭头得指向应与被测流体得流向一致□合格□不合格10 差压计或差压变送器正负压室与测量管道得连接应正确□合格□不合格11 转子流量计丶靶式流量计丶涡轮流量计丶涡街流量计丶超声波流量计丶均速管流量计等流量计,上丶下游直管段长度应符合设计文件得规定□合格□不合格12 电磁流量计得安装应符合本规范第6.5.7条得规定□合格□不合格13 椭圆齿轮流量计得刻度盘面应处于垂直平面内;椭圆齿轮流量计和腰轮流量计在垂直管道上安装时,管道内流体流向应自下而上□合格□不合格14 质量流量计得安装应符合本规范第6.5.11条得规定□合格□不合格一般项目1仪表接线箱(盒)应采取密封措施,引入口不宜朝上□合格□不合格2 仪表铭牌和仪表位号标识应齐全丶牢固丶清晰□合格□不合格3 □合格□不合格施工单位检查评定结果专业技术负责人年月日质量检查员年月日监理(建设)单位验收结论监理工程师(建设单位项目专业技术负责人)年月日物位检测仪表质量验收工程名称分项工程名称施工单位专业工长项目经理分包单位分包项目经理施工班组长施工执行标名称及编号验收部位主控项目序号项目施工单位检查评定记录监理(建设)单位验收记录1现场仪表得安装位置应符合规范第6.1.1条得规定□合格□不合格2仪表得安装应牢固丶平正,不应承受非正常外力□合格□不合格3设计文件规定需要脱脂得仪表,应经脱脂检查合格后安装□合格□不合格4直接安装在设备或管道上得仪表安装完毕应进行压力试验□合格□不合格5仪表毛细管得敷设应有保护措施,其弯曲半径不应小于50mm□合格□不合格6 核辐射式仪表在安装现场应有明显得警戒标识□合格□不合格7浮筒液位计得安装应使浮筒呈垂直状态,垂直度允许偏差为2mm/m;浮筒中心应处于正常操作液位或分界液位得高度□合格□不合格8钢带液位计得导向管应垂直安装,钢带应处于导向管得中心并滑动自如。
仪表设备和材料检验质量验收
流量取源部件安装检验批质量验收记录
分析取源部件质量验收记录
仪表设备安装一般质量验收
仪表盘丶柜丶箱质量验收
压力检测仪表质量验收
流量检测仪表质量验收
物位检测仪表质量验收
机械量检测仪表质量验收
其他检测仪表质量验收
执行器质量验收
控制仪表和综合控制系统丶仪表电源设备质量验收
仪表线路安装一般规定质量验收
支架制作与安装定质量验收
电缆桥架安装质量验收
电缆导管安装质量验收
电缆丶电信丶光缆敷设规定质量验收
仪表线路配线质量验收
仪表管道安装一般规定质量验收
测量管道质量验收
气动信号管道质量验收
气源管道质量质量验收
液压管道质量验收
盘丶柜丶箱内管道质量验收
管道试验质量验收
脱脂质量验收
爆炸和火灾危险环境仪表装置质量验收
接地质量验收
隔离与吹洗质量验收
防腐丶绝热质量验收
伴热质量验收
仪表试验一般规定质量验收。
SY4205-2007石油天然气建设工程施工质量验收规范自动化仪表检验批质量验收记录表格目录1、表A.1自动化仪表工程质量检验用计量器具表 (2)2、表B.1自动化仪表工程单位工程(或分部工程)质量控制资料核查记录 (3)3、表C.1仪表盘(柜、台、箱)安装检验批质量验收记录 (5)4、表C.2温度仪表安装检验批质量验收记录 (7)5、表C.3压力仪表安装检验批质量验收记录表 (8)6、表C.4流量仪表安装检验批质量验收记录表 (9)7、表C.5物位仪表安装检验批质量验收记录表 (11)8、表C.7机械量和其他仪表安装检验批质量验收记录表 (12)9、表C.8执行器安装检验批质量验收记录表 (13)10、表C.9 仪表线路安装检验批质量验收记录表 (14)11、表C.10仪表管道安装检验批质量验收记录表 (16)12、表C.11仪表试验检验批质量验收记录表 (18)表A.1自动化仪表工程质量检验用计量器具表表A.1自动化仪表工程质量检验用计量器具表(续)表B.1自动化仪表工程单位工程(或分部工程)质量控制资料核查记录表C.1 仪表盘(柜、台、箱)安装检验批质量验收记录表C.1 仪表盘(柜、台、箱)安装检验批质量验收记录(续)表C.2 温度仪表安装检验批质量验收记录表C.4 流量仪表安装检验批质量验收记录表(续)表C.7 机械量和其他仪表安装检验批质量验收记录表表C.9 仪表线路安装检验批质量验收记录表表C.9 仪表线路安装检验批质量验收记录表(续)表C.10 仪表管道安装检验批质量验收记录表表C.10 仪表管道安装检验批质量验收记录表(续)表C.11 仪表试验检验批质量验收记录表表C.11 仪表试验检验批质量验收记录表(续)。
物位检测仪表设备检验批质量验收记录她含着笑,切着冰屑悉索的萝卜,她含着笑,用手掏着猪吃的麦糟,她含着笑,扇着炖肉的炉子的火,她含着笑,背了团箕到广场上去晒好那些大豆和小麦,大堰河,为了生活,在她流尽了她的乳液之后,她就用抱过我的两臂,劳动了。
大堰河,深爱着她的乳儿;在年节里,为了他,忙着切那冬米的糖,为了他,常悄悄地走到村边的她的家里去,为了他,走到她的身边叫一声“妈”,大堰河,把他画的大红大绿的关云长贴在灶边的墙上,大堰河,会对她的邻居夸口赞美她的乳儿;大堰河曾做了一个不能对人说的梦:在梦里,她吃着她的乳儿的婚酒,坐在辉煌的结彩的堂上,而她的娇美的媳妇亲切的叫她“婆婆”…………大堰河,深爱她的乳儿!大堰河,在她的梦没有做醒的时候已死了。
她死时,乳儿不在她的旁侧,她死时,平时打骂她的丈夫也为她流泪,五个儿子,个个哭得很悲,她死时,轻轻地呼着她的乳儿的名字,大堰河,已死了,她死时,乳儿不在她的旁侧。
大堰河,含泪的去了!同着四十几年的人世生活的凌侮,同着数不尽的奴隶的凄苦,同着四块钱的棺材和几束稻草,同着几尺长方的埋棺材的土地,同着一手把的纸钱的灰,大堰河,她含泪的去了。
这是大堰河所不知道的:她的醉酒的丈夫已死去,大儿做了土匪,第二个死在炮火的烟里,第三,第四,第五而我,我是在写着给予这不公道的世界的咒语。
当我经了长长的飘泊回到故土时,在山腰里,田野上,兄弟们碰见时,是比六七年保洁员协议书甲方:村村民委员会乙方:,身份证号:为了确保本村的清洁卫生得到正常有序地运行,使全村的环境卫生保持清洁.干净。
切实做好全村生活垃圾的收集处置工作。
经甲.乙双方协商同意,特订如下协议:一.垃圾收集范围:屯主要道路的路边.溪边经常保持整洁,及时清理白色污染.无明显垃圾堆积物:清除屯主要道路两边杂草:对屯内公共树木养护:沟渠如有堵塞做到及时清理:对乱张贴.乱涂写.乱刻画.乱散发.乱悬挂等非法广告做到及时制止和清理。
二.保洁员报酬工资合计元,要求做到每周清洁2次以上,确保路面干净.整洁。
仪表设备和材料检验质量验收
流量取源部件安装检验批质量验收记录
分析取源部件质量验收记录
仪表设备安装一般质量验收
仪表盘丶柜丶箱质量验收
压力检测仪表质量验收
流量检测仪表质量验收
物位检测仪表质量验收
机械量检测仪表质量验收
其他检测仪表质量验收
执行器质量验收
控制仪表和综合控制系统丶仪表电源设备质量验收
仪表线路安装一般规定质量验收
支架制作与安装定质量验收
电缆桥架安装质量验收
电缆导管安装质量验收
电缆丶电信丶光缆敷设规定质量验收
仪表线路配线质量验收
仪表管道安装一般规定质量验收
测量管道质量验收
气动信号管道质量验收
气源管道质量质量验收
液压管道质量验收
盘丶柜丶箱内管道质量验收
管道试验质量验收
脱脂质量验收
爆炸和火灾危险环境仪表装置质量验收
接地质量验收
隔离与吹洗质量验收
防腐丶绝热质量验收
伴热质量验收
仪表试验一般规定质量验收
仪表试验一般规定质量验收。
SY4205-2007石油天然气建设工程施工质量验收规范
自动化仪表检验批质量验收记录表格
目录
1、表A.1自动化仪表工程质量检验用计量器具表 (2)
2、表B.1自动化仪表工程单位工程(或分部工程)质量控制资料核查记录 (3)
3、表C.1仪表盘(柜、台、箱)安装检验批质量验收记录 (5)
4、表C.2温度仪表安装检验批质量验收记录 (7)
5、表C.3压力仪表安装检验批质量验收记录表 (8)
6、表C.4流量仪表安装检验批质量验收记录表 (9)
7、表C.5物位仪表安装检验批质量验收记录表 (11)
8、表C.7机械量和其他仪表安装检验批质量验收记录表 (12)
9、表C.8执行器安装检验批质量验收记录表 (13)
10、表C.9 仪表线路安装检验批质量验收记录表 (14)
11、表C.10仪表管道安装检验批质量验收记录表 (16)
12、表C.11仪表试验检验批质量验收记录表 (18)
表A.1自动化仪表工程质量检验用计量器具表
表A.1自动化仪表工程质量检验用计量器具表(续)
表B.1自动化仪表工程单位工程(或分部工程)质量控制资料核查记录
表C.1 仪表盘(柜、台、箱)安装检验批质量验收记录
表C.1 仪表盘(柜、台、箱)安装检验批质量验收记录(续)
表C.2 温度仪表安装检验批质量验收记录
表C.4 流量仪表安装检验批质量验收记录表(续)
表C.7 机械量和其他仪表安装检验批质量验收记录表
表C.9 仪表线路安装检验批质量验收记录表
表C.9 仪表线路安装检验批质量验收记录表(续)
表C.10 仪表管道安装检验批质量验收记录表
表C.10 仪表管道安装检验批质量验收记录表(续)
表C.11 仪表试验检验批质量验收记录表
表C.11 仪表试验检验批质量验收记录表(续)。