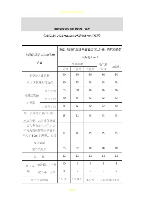
加油站周边安全距离标准一览表
- 格式:doc
- 大小:29.50 KB
- 文档页数:3
加油站周边安全距离标准一览表1、明火或散发火花地点和甲、乙类物品及甲、乙类液体的定义应符合现行国家标准建筑设计防火规范的规定。
2、重要公共建筑物及其它民用建筑物保护类别划分应符合附件二的规定。
3、对柴油罐及其通气管管口和柴油加油机,本表的距离可减少30%。
4、对汽油罐及其通气管管口,若设有卸油油气回收系统,本表的距离可减少20%;当同时设置卸油和加油油气回收系统时,本表的距离可减少30%,但均不得小于5m。
5、油罐、加油机与站外小于或等于1000KVA箱式变压器、杆装变压器的防火距离,可按本表的室外变配电站防火距离减少20%。
6、油罐、加油机与郊区公路的防火距离按城市道路确定:高速公路、Ⅰ级和Ⅱ级公路按城市快速路、主干路确定,Ⅲ级和Ⅳ级公路按照城市干路、支路确定。
民用建筑物保护类别划分C.0.1 重要公共建筑物。
1 地市级及以上的党政机关办公楼。
2 高峰使用人数或座位数超过1500人(座)的体育馆、会堂、影剧院、娱乐场所、车站、证券交易所等人员密集的公共室内场所。
3 藏书量超过50万册的图书馆;地市级及以上的文物古迹、博物馆、展览馆、档案馆等建筑物。
4 省级及以上的邮政楼、电信楼等通信、指挥调度建筑物。
5 省级及以上的银行等金融机构办公楼,省级及以上的广播电视建筑物。
6 高峰使用人数超过5000人的露天体育场、露天游泳场和其它露天公众聚会娱乐场所。
7 使用人数超过500人的中小学校;使用人数超过200人的幼儿园、托儿所、残障人员康复设施;150床位及以上的养老院、疗养院、医院的门诊楼和住院楼等医疗、卫生、教育建筑物(有围墙者,从围墙边算起)。
8 总建筑面积超过15000m2的商店建筑和旅馆建筑,商业营业场所的建筑面积超过15000m2的综合楼(商住楼),以及总建筑面积超过30000m2的办公楼、写字楼、科研楼等其它公共建筑物。
9 地铁出入口、隧道出入口。
C.0.2 一类保护物。
除重要公共建筑物以外的下列建筑物:1 县级党政机关办公楼。
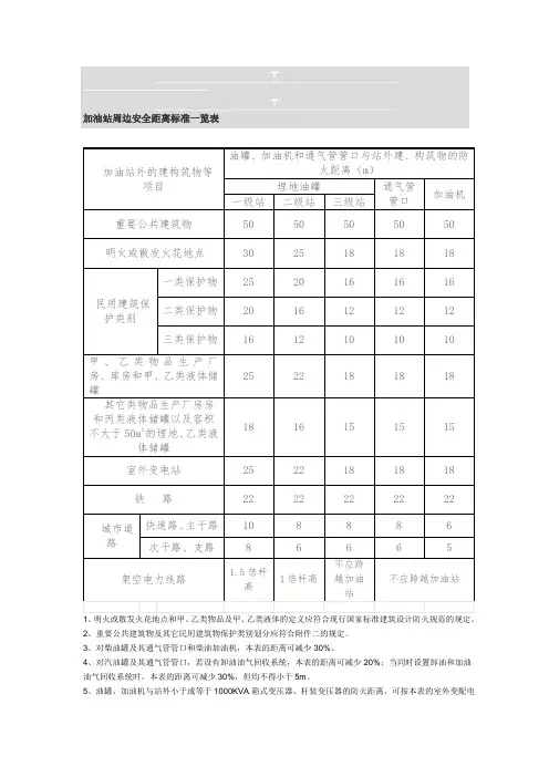
加油站周边安全距离标准一览表加油站外的建构筑物等项目油罐、加油机和通气管管口与站外建、构筑物的防火距离(m)埋地油罐通气管管口加油机一级站二级站三级站重要公共建筑物50 50 50 50 50 明火或散发火花地点30 25 18 18 18民用建筑保护类别一类保护物25 20 16 16 16 二类保护物20 16 12 12 12 三类保护物16 12 10 10 10甲、乙类物品生产厂房、库房和甲、乙类液体储罐25 22 18 18 18其它类物品生产厂房房和丙类液体储罐以及容积不大于50m3的埋地、乙类液体储罐18 16 15 15 15室外变电站25 22 18 18 18铁路22 22 22 22 22城市道路快速路、主干路10 8 8 8 6 次干路、支路8 6 6 6 5架空电力线路1.5倍杆高1倍杆高不应跨越加油站不应跨越加油站1、明火或散发火花地点和甲、乙类物品及甲、乙类液体的定义应符合现行国家标准建筑设计防火规范的规定。
2、重要公共建筑物及其它民用建筑物保护类别划分应符合附件二的规定。
3、对柴油罐及其通气管管口和柴油加油机,本表的距离可减少30%。
4、对汽油罐及其通气管管口,若设有卸油油气回收系统,本表的距离可减少20%;当同时设置卸油和加油油气回收系统时,本表的距离可减少30%,但均不得小于5m。
5、油罐、加油机与站外小于或等于1000KVA箱式变压器、杆装变压器的防火距离,可按本表的室外变配电站防火距离减少20%。
6、油罐、加油机与郊区公路的防火距离按城市道路确定:高速公路、Ⅰ级和Ⅱ级公路按城市快速路、主干路确定,Ⅲ级和Ⅳ级公路按照城市干路、支路确定。
民用建筑物保护类别划分C.0.1 重要公共建筑物。
1 地市级及以上的党政机关办公楼。
2 高峰使用人数或座位数超过1500人(座)的体育馆、会堂、影剧院、娱乐场所、车站、证券交易所等人员密集的公共室内场所。
3 藏书量超过50万册的图书馆;地市级及以上的文物古迹、博物馆、展览馆、档案馆等建筑物。
加油站周边安全距离标准一览表文档编制序号:[KKIDT-LLE0828-LLETD298-POI08]注:1、明火或散发火花地点和甲、乙类物品及甲、乙类液体的定义应符合现行国家标准建筑设计防火规范的规定。
2、重要公共建筑物及其它民用建筑物保护类别划分应符合附件二的规定。
3、对柴油罐及其通气管管口和柴油加油机,本表的距离可减少30%。
4、对汽油罐及其通气管管口,若设有卸油油气回收系统,本表的距离可减少20%;当同时设置卸油和加油油气回收系统时,本表的距离可减少30%,但均不得小于5m。
5、油罐、加油机与站外小于或等于1000KVA箱式变压器、杆装变压器的防火距离,可按本表的室外变配电站防火距离减少20%。
6、油罐、加油机与郊区公路的防火距离按城市道路确定:高速公路、Ⅰ级和Ⅱ级公路按城市快速路、主干路确定,Ⅲ级和Ⅳ级公路按照城市干路、支路确定。
加油站的安全距离取决于两方面的因素:一是内部因素,二是外部因素。
内部因素,主要是指加油站的建筑规模,规模越大,安全距离越大;规模越小,安全距离越小。
现行的国家标准GB50156-2002《汽车加油加气站设计与施工规范》(以下简称《规范》)将加油站的建筑规模分为三类,由大到小依次为一级、二级和三级。
确定加油站级别的指标有两个,当总容积为≤180m3、≤120m3、≤60m3,单罐容积为≤50m3、≤50m3、≤30m3时,则依次确定为一级、二级和三级。
为了降低加油站潜在的油品火灾爆炸事故的危险性,《规范》规定城市建成区内一般不应建一级加油站,以尽量减少易燃易爆品的储存量。
外部因素,主要是指加油站周边建筑设施的性质及规模。
外部因素的种类繁多,难以一一列举,主要有重要公共建筑、民用建筑、明火或散发火花地点、企业厂矿、交通道路、电力线路及通信线路等。
不同种类、不同规模的建筑物及设施,拥有不同的安全距离要求。
加油站与各种建筑、设施之间的安全距离,主要从油罐(外壁)、通气管管口(中心线)和加油机(中心线)三个部位起算。
加油站周边安全距离标准一览表注:1、明火或散发火花地点和甲、乙类物品及甲、乙类液体的定义应符合现行国家标准建筑设计防火规范的规定。
2、重要公共建筑物及其它民用建筑物保护类别划分应符合附件二的规定。
3、对柴油罐及其通气管管口和柴油加油机,本表的距离可减少30% o4、对汽油罐及其通气管管口,若设有卸油油气回收系统,本表的距离可减少20% ;当同时设置卸油和加油油气回收系统时,本表的距离可减少30% ,但均不得小于5m o5、油罐、加油机与站外小于或等于1000KVA箱式变压器、杆装变压器的防火距离,可按本表的室外变配电站防火距离减少20% o6、油罐、加油机与郊区公路的防火距离按城市道路确定:高速公路、I级和II级公路按城市快速路、主干路确定,III级和IV级公路按照城市干路、支路确定。
加油站的安全距离取决于两方面的因素:一是内部因素,二是外部因素。
内部因素,主要是指加油站的建筑规模,规模越大,安全距离越大;规模越小,安全距离越小。
现行的国家标准GB50156— 2002《汽车加油加气站设计与施工规范》(以下简称《规范》)将加油站的建筑规模分为三类,由大到小依次为一级、二级和三级。
确定加油站级别的指标有两个,当总容积为W 180m3. W120m3、W 60m3, 单罐容积为W 50m3、W 50m3> W 30m3时,则依次确定为一级、二级和三级。
为了降低加油站潜在的油品火灾爆炸事故的危险性,《规范》规定城学习参考市建成区内一般不应建一级加油站,以尽量减少易燃易爆品的储存量。
外部因素,主要是指加油站周边建筑设施的性质及规模。
外部因素的种类繁多,难以一一列举,主要有重要公共建筑、民用建筑、明火或散发火花地点、企业厂矿、交通道路、电力线路及通信线路等。
不同种类、不同规模的建筑物及设施,拥有不同的安全距离要求。
加油站与各种建筑、设施之间的安全距离,主要从油罐(外壁)、通气管管口(中心线)和加油机(中心线)三个部位起算。
加油站周边安全距离标准一览表
注: 1、明火或散发火花地点和甲、乙类物品及甲、乙类液体的定义应符合现行国家标准建筑设计防火规范的规定。
2、重要公共建筑物及其它民用建筑物保护类别划分应符合附件二的规定。
3、对柴油罐及其通气管管口和柴油加油机,本表的距离可减少30%。
4、对汽油罐及其通气管管口,若设有卸油油气回收系统,本表的距离可减少20%;当同时设置卸油和加油油气回收系统时,本表的距离可减少30%,但均不得小于5m。
5、油罐、加油机与站外小于或等于1000KVA箱式变压器、杆装变压器的防火距离,可按本表的室外变配电站防火距离减少20%。
6、油罐、加油机与郊区公路的防火距离按城市道路确定:高速公路、Ⅰ级和Ⅱ级公路按城市快速路、主干路确定,Ⅲ级和Ⅳ级公路按照城市干路、支路确定。
加油站周边安全距离标准一览表注: 1、明火或散发火花地点和甲、乙类物品及甲、乙类液体的定义应符合现行国家标准建筑设计防火规范的规定。
2、重要公共建筑物及其它民用建筑物保护类别划分应符合附件二的规定。
3、对柴油罐及其通气管管口和柴油加油机,本表的距离可减少30%。
4、对汽油罐及其通气管管口,若设有卸油油气回收系统,本表的距离可减少20%;当同时设置卸油和加油油气回收系统时,本表的距离可减少30%,但均不得小于5m。
5、油罐、加油机与站外小于或等于1000KVA箱式变压器、杆装变压器的防火距离,可按本表的室外变配电站防火距离减少20%。
6、油罐、加油机与郊区公路的防火距离按城市道路确定:高速公路、Ⅰ级和Ⅱ级公路按城市快速路、主干路确定,Ⅲ级和Ⅳ级公路按照城市干路、支路确定。
加油站的安全距离取决于两方面的因素:一是内部因素,二是外部因素。
内部因素,主要是指加油站的建筑规模,规模越大,安全距离越大;规模越小,安全距离越小。
现行的国家标准GB50156-2002《汽车加油加气站设计与施工规范》(以下简称《规范》)将加油站的建筑规模分为三类,由大到小依次为一级、二级和三级。
确定加油站级别的指标有两个,当总容积为≤180m3、≤120m3、≤60m3,单罐容积为≤50m3、≤50m3、≤30m3时,则依次确定为一级、二级和三级。
为了降低加油站潜在的油品火灾爆炸事故的危险性,《规范》规定城市建成区内一般不应建一级加油站,以尽量减少易燃易爆品的储存量。
外部因素,主要是指加油站周边建筑设施的性质及规模。
外部因素的种类繁多,难以一一列举,主要有重要公共建筑、民用建筑、明火或散发火花地点、企业厂矿、交通道路、电力线路及通信线路等。
不同种类、不同规模的建筑物及设施,拥有不同的安全距离要求。
加油站与各种建筑、设施之间的安全距离,主要从油罐(外壁)、通气管管口(中心线)和加油机(中心线)三个部位起算。
其中,油罐、通气管管口和加油机与地市级以上党政机关办公楼、1500人以上座位的体育馆(影剧院)、500人以上的学校、藏书50万册以上的图书馆、车站等重要公共建筑物之间的安全距离要求最严,无论加油站级别大小均为50m;而与一般公路的安全距离要求均低,仅有5~8m。
加油站周边安全距离标准一览表《GB50156-2002汽车加油加气站设计与施工规范》注:1、明火或散发火花地点和甲、乙类物品及甲、乙类液体的定义应符合现行国家标准建筑设计防火规范的规定。
2、重要公共建筑物及其它民用建筑物保护类别划分应符合附件二的规定。
3、对柴油罐及其通气管管口和柴油加油机,本表的距离可减少30%。
4、对汽油罐及其通气管管口,若设有卸油油气回收系统,本表的距离可减少20%;当同时设置卸油和加油油气回收系统时,本表的距离可减少30%,但均不得小于5m。
5、油罐、加油机与站外小于或等于1000KVA箱式变压器、杆装变压器的防火距离,可按本表的室外变配电站防火距离减少20%。
6、油罐、加油机与郊区公路的防火距离按城市道路确定:高速公路、Ⅰ级和Ⅱ级公路按城市快速路、主干路确定,Ⅲ级和Ⅳ级公路按照城市干路、支路确定。
加油站的安全距离取决于两方面的因素:一是内部因素,二是外部因素。
内部因素,主要是指加油站的建筑规模,规模越大,安全距离越大;规模越小,安全距离越小。
现行的国家标准GB50156-2002《汽车加油加气站设计与施工规范》(以下简称《规范》)将加油站的建筑规模分为三类,由大到小依次为一级、二级和三级。
确定加油站级别的指标有两个,当总容积为≤180m3、≤120m3、≤60m3,单罐容积为≤50m3、≤50m3、≤30m3时,则依次确定为一级、二级和三级。
为了降低加油站潜在的油品火灾爆炸事故的危险性,《规范》规定城市建成区内一般不应建一级加油站,以尽量减少易燃易爆品的储存量。
外部因素,主要是指加油站周边建筑设施的性质及规模。
外部因素的种类繁多,难以一一列举,主要有重要公共建筑、民用建筑、明火或散发火花地点、企业厂矿、交通道路、电力线路及通信线路等。
不同种类、不同规模的建筑物及设施,拥有不同的安全距离要求。
加油站与各种建筑、设施之间的安全距离,主要从油罐(外壁)、通气管管口(中心线)和加油机(中心线)三个部位起算。
加油站周边安全距离标准一览表注:1、明火或散发火花地点和甲、乙类物品及甲、乙类液体的定义应符合现行国家标准建筑设计防火规范的规定。
2、重要公共建筑物及其它民用建筑物保护类别划分应符合附件二的规定。
3、对柴油罐及其通气管管口和柴油加油机,本表的距离可减少30%。
4、对汽油罐及其通气管管口,若设有卸油油气回收系统,本表的距离可减少20%;当同时设置卸油和加油油气回收系统时,本表的距离可减少30%,但均不得小于5m。
5、油罐、加油机与站外小于或等于1000KVA箱式变压器、杆装变压器的防火距离,可按本表的室外变配电站防火距离减少20%。
6、油罐、加油机与郊区公路的防火距离按xx道路确定:高速公路、Ⅰ级和Ⅱ级公路按xx快速路、主干路确定,Ⅲ级和Ⅳ级公路按照xx干路、支路确定。
加油站的安全距离取决于两方面的因素:一是内部因素,二是外部因素。
内部因素,主要是指加油站的建筑规模,规模越大,安全距离越大;规模越小,安全距离越小。
现行的国家标准GB50156-2002《汽车加油加气站设计与施工规范》(以下简称《规范》)将加油站的建筑规模分为三类,由大到小依次为一级、二级和三级。
确定加油站级别的指标有两个,当总容积为≤1803、≤1203、≤60m3,单罐容积为≤503、≤503、≤30m3时,则依次确定为一级、二级和三级。
为了降低加油站潜在的油品火灾爆炸事故的危险性,《规范》规定xx建成区内一般不应建一级加油站,以尽量减少易燃易爆品的储存量。
外部因素,主要是指加油站周边建筑设施的性质及规模。
外部因素的种类繁多,难以一一列举,主要有重要公共建筑、民用建筑、明火或散发火花地点、企业厂矿、交通道路、电力线路及通信线路等。
不同种类、不同规模的建筑物及设施,拥有不同的安全距离要求。
加油站与各种建筑、设施之间的安全距离,主要从油罐(外壁)、通气管管口(中心线)和加油机(中心线)三个部位起算。
其中,油罐、通气管管口和加油机与地市级以上党政机关办公楼、1500人以上座位的体育馆(影剧院)、500人以上的学校、藏书50万册以上的图书馆、车站等重要公共建筑物之间的安全距离要求最严,无论加油站级别大小均为50m;而与一般公路的安全距离要求均低,仅有5~8m。
注: 1、明火或散发火花地点和甲、乙类物品及甲、乙类液体的定义应符合现行国家标准建筑设计防火规范的规定。
2、重要公共建筑物及其它民用建筑物保护类别划分应符合附件二的规定。
3、对柴油罐及其通气管管口和柴油加油机,本表的距离可减少30%。
4、对汽油罐及其通气管管口,若设有卸油油气回收系统,本表的距离可减少20%;当同时设置卸油和加油油气回收系统时,本表的距离可减少30%,但均不得小于5m。
5、油罐、加油机与站外小于或等于1000KVA箱式变压器、杆装变压器的防火距离,可按本表的室外变配电站防火距离减少20%。
6、油罐、加油机与郊区公路的防火距离按城市道路确定:高速公路、Ⅰ级和Ⅱ级公路按城市快速路、主干路确定,Ⅲ级和Ⅳ级公路按照城市干路、支路确定。
加油站的安全距离取决于两方面的因素:一是内部因素,二是外部因素。
内部因素,主要是指加油站的建筑规模,规模越大,安全距离越大;规模越小,安全距离越小。
现行的国家标准GB50156-2002《汽车加油加气站设计与施工规范》(以下简称《规范》)将加油站的建筑规模分为三类,由大到小依次为一级、二级和三级。
确定加油站级别的指标有两个,当总容积为≤180m3、≤120m3、≤60m3,单罐容积为≤50m3、≤50m3、≤30m3时,则依次确定为一级、二级和三级。
为了降低加油站潜在的油品火灾爆炸事故的危险性,《规范》规定城市建成区内一般不应建一级加油站,以尽量减少易燃易爆品的储存量。
外部因素,主要是指加油站周边建筑设施的性质及规模。
外部因素的种类繁多,难以一一列举,主要有重要公共建筑、民用建筑、明火或散发火花地点、企业厂矿、交通道路、电力线路及通信线路等。
不同种类、不同规模的建筑物及设施,拥有不同的安全距离要求。
加油站与各种建筑、设施之间的安全距离,主要从油罐(外壁)、通气管管口(中心线)和加油机(中心线)三个部位起算。
其中,油罐、通气管管口和加油机与地市级以上党政机关办公楼、1500人以上座位的体育馆(影剧院)、500人以上的学校、藏书50万册以上的图书馆、车站等重要公共建筑物之间的安全距离要求最严,无论加油站级别大小均为50m;而与一般公路的安全距离要求均低,仅有5~8m。
注: 1、明火或散发火花地点和甲、乙类物品及甲、乙类液体的定义应符合现行国家标准建筑设计防火规范的规定。
2、重要公共建筑物及其它民用建筑物保护类别划分应符合附件二的规定。
3、对柴油罐及其通气管管口和柴油加油机,本表的距离可减少30%。
4、对汽油罐及其通气管管口,若设有卸油油气回收系统,本表的距离可减少20%;当同时设置卸油和加油油气回收系统时,本表的距离可减少30%,但均不得小于5m。
5、油罐、加油机与站外小于或等于1000KVA箱式变压器、杆装变压器的防火距离,可按本表的室外变配电站防火距离减少20%。
6、油罐、加油机与郊区公路的防火距离按城市道路确定:高速公路、Ⅰ级和Ⅱ级公路按城市快速路、主干路确定,Ⅲ级和Ⅳ级公路按照城市干路、支路确定。
加油站的安全距离取决于两方面的因素:一是内部因素,二是外部因素。
内部因素,主要是指加油站的建筑规模,规模越大,安全距离越大;规模越小,安全距离越小。
现行的国家标准GB50156-2002《汽车加油加气站设计与施工规范》(以下简称《规范》)将加油站的建筑规模分为三类,由大到小依次为一级、二级和三级。
确定加油站级别的指标有两个,当总容积为≤180m3、≤120m3、≤60m3,单罐容积为≤50m3、≤50m3、≤30m3时,则依次确定为一级、二级和三级。
为了降低加油站潜在的油品火灾爆炸事故的危险性,《规范》规定城市建成区内一般不应建一级加油站,以尽量减少易燃易爆品的储存量。
外部因素,主要是指加油站周边建筑设施的性质及规模。
外部因素的种类繁多,难以一一列举,主要有重要公共建筑、民用建筑、明火或散发火花地点、企业厂矿、交通道路、电力线路及通信线路等。
不同种类、不同规模的建筑物及设施,拥有不同的安全距离要求。
加油站与各种建筑、设施之间的安全距离,主要从油罐(外壁)、通气管管口(中心线)和加油机(中心线)三个部位起算。
其中,油罐、通气管管口和加油机与地市级以上党政机关办公楼、1500人以上座位的体育馆(影剧院)、500人以上的学校、藏书50万册以上的图书馆、车站等重要公共建筑物之间的安全距离要求最严,无论加油站级别大小均为50m;而与一般公路的安全距离要求均低,仅有5~8m。
注: 1、明火或散发火花地点和甲、乙类物品及甲、乙类液体的定义应符合现行国家标准建筑设计防火规范的规定。
2、重要公共建筑物及其它民用建筑物保护类别划分应符合附件二的规定。
3、对柴油罐及其通气管管口和柴油加油机,本表的距离可减少30%。
4、对汽油罐及其通气管管口,若设有卸油油气回收系统,本表的距离可减少20%;当同时设置卸油和加油油气回收系统时,本表的距离可减少30%,但均不得小于5m。
5、油罐、加油机与站外小于或等于1000KVA箱式变压器、杆装变压器的防火距离,可按本表的室外变配电站防火距离减少20%。
6、油罐、加油机与郊区公路的防火距离按城市道路确定:高速公路、Ⅰ级和Ⅱ级公路按城市快速路、主干路确定,Ⅲ级和Ⅳ级公路按照城市干路、支路确定。
加油站的安全距离取决于两方面的因素:一是内部因素,二是外部因素。
内部因素,主要是指加油站的建筑规模,规模越大,安全距离越大;规模越小,安全距离越小。
现行的国家标准GB50156-2002《汽车加油加气站设计与施工规范》(以下简称《规范》)将加油站的建筑规模分为三类,由大到小依次为一级、二级和三级。
确定加油站级别的指标有两个,当总容积为≤180m3、≤120m3、≤60m3,单罐容积为≤50m3、≤50m3、≤30m3时,则依次确定为一级、二级和三级。
为了降低加油站潜在的油品火灾爆炸事故的危险性,《规范》规定城市建成区内一般不应建一级加油站,以尽量减少易燃易爆品的储存量。
外部因素,主要是指加油站周边建筑设施的性质及规模。
外部因素的种类繁多,难以一一列举,主要有重要公共建筑、民用建筑、明火或散发火花地点、企业厂矿、交通道路、电力线路及通信线路等。
不同种类、不同规模的建筑物及设施,拥有不同的安全距离要求。
加油站与各种建筑、设施之间的安全距离,主要从油罐(外壁)、通气管管口(中心线)和加油机(中心线)三个部位起算。
其中,油罐、通气管管口和加油机与地市级以上党政机关办公楼、1500人以上座位的体育馆(影剧院)、500人以上的学校、藏书50万册以上的图书馆、车站等重要公共建筑物之间的安全距离要求最严,无论加油站级别大小均为50m;而与一般公路的安全距离要求均低,仅有5~8m。
注: 1、明火或散发火花地点和甲、乙类物品及甲、乙类液体的定义应符合现行国家标准建筑设计防火规范的规定。
2、重要公共建筑物及其它民用建筑物保护类别划分应符合附件二的规定。
3、对柴油罐及其通气管管口和柴油加油机,本表的距离可减少30%。
4、对汽油罐及其通气管管口,若设有卸油油气回收系统,本表的距离可减少20%;当同时设置卸油和加油油气回收系统时,本表的距离可减少30%,但均不得小于5m。
5、油罐、加油机与站外小于或等于1000KVA箱式变压器、杆装变压器的防火距离,可按本表的室外变配电站防火距离减少20%。
6、油罐、加油机与郊区公路的防火距离按城市道路确定:高速公路、Ⅰ级和Ⅱ级公路按城市快速路、主干路确定,Ⅲ级和Ⅳ级公路按照城市干路、支路确定。
加油站的安全距离取决于两方面的因素:一是内部因素,二是外部因素。
内部因素,主要是指加油站的建筑规模,规模越大,安全距离越大;规模越小,安全距离越小。
现行的国家标准GB50156-2002《汽车加油加气站设计与施工规范》(以下简称《规范》)将加油站的建筑规模分为三类,由大到小依次为一级、二级和三级。
确定加油站级别的指标有两个,当总容积为≤180m3、≤120m3、≤60m3,单罐容积为≤50m3、≤50m3、≤30m3时,则依次确定为一级、二级和三级。
为了降低加油站潜在的油品火灾爆炸事故的危险性,《规范》规定城市建成区内一般不应建一级加油站,以尽量减少易燃易爆品的储存量。
外部因素,主要是指加油站周边建筑设施的性质及规模。
外部因素的种类繁多,难以一一列举,主要有重要公共建筑、民用建筑、明火或散发火花地点、企业厂矿、交通道路、电力线路及通信线路等。
不同种类、不同规模的建筑物及设施,拥有不同的安全距离要求。
加油站与各种建筑、设施之间的安全距离,主要从油罐(外壁)、通气管管口(中心线)和加油机(中心线)三个部位起算。
其中,油罐、通气管管口和加油机与地市级以上党政机关办公楼、1500人以上座位的体育馆(影剧院)、500人以上的学校、藏书50万册以上的图书馆、车站等重要公共建筑物之间的安全距离要求最严,无论加油站级别大小均为50m;而与一般公路的安全距离要求均低,仅有5~8m。
加油站周边安全距离标准一览表《GB50156-2002汽车加油加气站设计与施工规范》注:1、明火或散发火花地点和甲、乙类物品及甲、乙类液体的定义应符合现行国家标准建筑设计防火规范的规定.2、重要公共建筑物及其它民用建筑物保护类别划分应符合附件二的规定。
3、对柴油罐及其通气管管口和柴油加油机,本表的距离可减少30%。
4、对汽油罐及其通气管管口,若设有卸油油气回收系统,本表的距离可减少20%;当同时设置卸油和加油油气回收系统时,本表的距离可减少30%,但均不得小于5m。
5、油罐、加油机与站外小于或等于1000KVA箱式变压器、杆装变压器的防火距离,可按本表的室外变配电站防火距离减少20%。
6、油罐、加油机与郊区公路的防火距离按城市道路确定:高速公路、Ⅰ级和Ⅱ级公路按城市快速路、主干路确定,Ⅲ级和Ⅳ级公路按照城市干路、支路确定。
加油站的安全距离取决于两方面的因素:一是内部因素,二是外部因素。
内部因素,主要是指加油站的建筑规模,规模越大,安全距离越大;规模越小,安全距离越小。
现行的国家标准GB50156-2002《汽车加油加气站设计与施工规范》(以下简称《规范》)将加油站的建筑规模分为三类,由大到小依次为一级、二级和三级。
确定加油站级别的指标有两个,当总容积为≤180m3、≤120m3、≤60m3,单罐容积为≤50m3、≤50m3、≤30m3时,则依次确定为一级、二级和三级.为了降低加油站潜在的油品火灾爆炸事故的危险性,《规范》规定城市建成区内一般不应建一级加油站,以尽量减少易燃易爆品的储存量。
外部因素,主要是指加油站周边建筑设施的性质及规模。
外部因素的种类繁多,难以一一列举,主要有重要公共建筑、民用建筑、明火或散发火花地点、企业厂矿、交通道路、电力线路及通信线路等。
不同种类、不同规模的建筑物及设施,拥有不同的安全距离要求。
加油站与各种建筑、设施之间的安全距离,主要从油罐(外壁)、通气管管口(中心线)和加油机(中心线)三个部位起算.其中,油罐、通气管管口和加油机与地市级以上党政机关办公楼、1500人以上座位的体育馆(影剧院)、500人以上的学校、藏书50万册以上的图书馆、车站等重要公共建筑物之间的安全距离要求最严,无论加油站级别大小均为50m;而与一般公路的安全距离要求均低,仅有5~8m。
注: 1、明火或散发火花地点和甲、乙类物品及甲、乙类液体的定义应符合现行国家标准建筑设计防火规范的规定。
2、重要公共建筑物及其它民用建筑物保护类别划分应符合附件二的规定。
3、对柴油罐及其通气管管口和柴油加油机,本表的距离可减少30%。
4、对汽油罐及其通气管管口,若设有卸油油气回收系统,本表的距离可减少20%;当同时设置卸油和加油油气回收系统时,本表的距离可减少30%,但均不得小于5m。
5、油罐、加油机与站外小于或等于1000KVA箱式变压器、杆装变压器的防火距离,可按本表的室外变配电站防火距离减少20%。
6、油罐、加油机与郊区公路的防火距离按城市道路确定:高速公路、Ⅰ级和Ⅱ级公路按城市快速路、主干路确定,Ⅲ级和Ⅳ级公路按照城市干路、支路确定。
加油站的安全距离取决于两方面的因素:一是内部因素,二是外部因素。
内部因素,主要是指加油站的建筑规模,规模越大,安全距离越大;规模越小,安全距离越小。
现行的国家标准GB50156-2002《汽车加油加气站设计与施工规范》(以下简称《规范》)将加油站的建筑规模分为三类,由大到小依次为一级、二级和三级。
确定加油站级别的指标有两个,当总容积为≤180m3、≤120m3、≤60m3,单罐容积为≤50m3、≤50m3、≤30m3时,则依次确定为一级、二级和三级。
为了降低加油站潜在的油品火灾爆炸事故的危险性,《规范》规定城市建成区内一般不应建一级加油站,以尽量减少易燃易爆品的储存量。
外部因素,主要是指加油站周边建筑设施的性质及规模。
外部因素的种类繁多,难以一一列举,主要有重要公共建筑、民用建筑、明火或散发火花地点、企业厂矿、交通道路、电力线路及通信线路等。
不同种类、不同规模的建筑物及设施,拥有不同的安全距离要求。
加油站与各种建筑、设施之间的安全距离,主要从油罐(外壁)、通气管管口(中心线)和加油机(中心线)三个部位起算。
其中,油罐、通气管管口和加油机与地市级以上党政机关办公楼、1500人以上座位的体育馆(影剧院)、500人以上的学校、藏书50万册以上的图书馆、车站等重要公共建筑物之间的安全距离要求最严,无论加油站级别大小均为50m;而与一般公路的安全距离要求均低,仅有5~8m。
当同时设置卸油和加油油气回收系统时,本表的距离可减少30%,但均不得小于5m。
5、油罐、加油机与站外小于或等于1000KVA箱式变压器、杆装变压器的防火距离,可按本表的室外变配电站防火距离减少20%。
6、油罐、加油机与郊区公路的防火距离按城市道路确定:高速公路、Ⅰ级和Ⅱ级公路按城市快速路、主干路确定,Ⅲ级和Ⅳ级公路按照城市干路、支路确定。
加油站的安全距离取决于两方面的因素:一是内部因素,二是外部因素。
内部因素,主要是指加油站的建筑规模,规模越大,安全距离越大;规模越小,安全距离越小。
现行的国家标准GB50156-2002《汽车加油加气站设计与施工规范》(以下简称《规范》)将加油站的建筑规模分为三类,由大到小依次为一级、二级和三级。
确定加油站级别的指标有两个,当总容积为≤180m3、≤120m3、≤60m3,单罐容积为≤50m3、≤50m3、≤30m3时,则依次确定为一级、二级和三级。
为了降低加油站潜在的油品火灾爆炸事故的危险性,《规范》规定城市建成区内一般不应建一级加油站,以尽量减少易燃易爆品的储存量。
外部因素,主要是指加油站周边建筑设施的性质及规模。
外部因素的种类繁多,难以一一列举,主要有重要公共建筑、民用建筑、明火或散发火花地点、企业厂矿、交通道路、电力线路及通信线路等。
不同种类、不同规模的建筑物及设施,拥有不同的安全距离要求。
加油站与各种建筑、设施之间的安全距离,主要从油罐(外壁)、通气管管口(中心线)和加油机(中心线)三个部位起算。
其中,油罐、通气管管口和加油机与地市级以上党政机关办公楼、1500人以上座位的体育馆(影剧院)、500人以上的学校、藏书50万册以上的图书馆、车站等重要公共建筑物之间的安全距离要求最严,无论加油站级别大小均为50m;而与一般公路的安全距离要求均低,仅有5~8m。
加油站与民用建筑之间的安全距离要求,则依据建筑规模确定。
如三级加油站油罐、通气管管口和加油机与总建筑面积为1000m2至5000(不含5000)m2之间的居民楼之间的安全距离要求,一般为12m;与总建筑面积不足1000m2的居民楼之间的安全距离要求,一般为10m。
注: 1、明火或散发火花地点和甲、乙类物品及甲、乙类液体的定义应符合现行国家标准建筑设计防火规范的规定。
2、重要公共建筑物及其它民用建筑物保护类别划分应符合附件二的规定。
3、对柴油罐及其通气管管口和柴油加油机,本表的距离可减少30%。
4、对汽油罐及其通气管管口,若设有卸油油气回收系统,本表的距离可减少20%;当同时设置卸油和加油油气回收系统时,本表的距离可减少30%,但均不得小于5m。
5、油罐、加油机与站外小于或等于1000KVA箱式变压器、杆装变压器的防火距离,可按本表的室外变配电站防火距离减少20%。
6、油罐、加油机与郊区公路的防火距离按xx道路确定:高速公路、Ⅰ级和Ⅱ级公路按xx快速路、主干路确定,Ⅲ级和Ⅳ级公路按照xx干路、支路确定。
加油站的安全距离取决于两方面的因素:一是内部因素,二是外部因素。
内部因素,主要是指加油站的建筑规模,规模越大,安全距离越大;规模越小,安全距离越小。
现行的国家标准GB50156-2002《汽车加油加气站设计与施工规范》(以下简称《规范》)将加油站的建筑规模分为三类,由大到小依次为一级、二级和三级。
确定加油站级别的指标有两个,当总容积为≤180m3、≤120m3、≤60m3,单罐容积为≤50m3、≤50m3、≤30m3时,则依次确定为一级、二级和三级。
为了降低加油站潜在的油品火灾爆炸事故的危险性,《规范》规定xx建成区内一般不应建一级加油站,以尽量减少易燃易爆品的储存量。
外部因素,主要是指加油站周边建筑设施的性质及规模。
外部因素的种类繁多,难以一一列举,主要有重要公共建筑、民用建筑、明火或散发火花地点、企业厂矿、交通道路、电力线路及通信线路等。
不同种类、不同规模的建筑物及设施,拥有不同的安全距离要求。
加油站与各种建筑、设施之间的安全距离,主要从油罐(外壁)、通气管管口(中心线)和加油机(中心线)三个部位起算。
其中,油罐、通气管管口和加油机与地市级以上党政机关办公楼、1500人以上座位的体育馆(影剧院)、500人以上的学校、藏书50万册以上的图书馆、车站等重要公共建筑物之间的安全距离要求最严,无论加油站级别大小均为50m;而与一般公路的安全距离要求均低,仅有5~8m。
注: 1、明火或散发怒花地点和甲、乙类物品及甲、乙类液体定义应符合现行国家标准建筑设计防火规范要求。
2、关键公共建筑物及其它民用建筑物保护类别划分应符合附件二要求。
3、对柴油罐及其通气管管口和柴油加油机,本表距离可降低30%。
4、对汽油罐及其通气管管口,若设有卸油油气回收系统,本表距离可降低20%;
当同时设置卸油和加油油气回收系统时,本表距离可降低30%,但均不得小于5m。
5、油罐、加油机和站外小于或等于1000KVA箱式变压器、杆装变压器防火距
离,可按本表室外变配电站防火距离降低20%。
6、油罐、加油机和郊区公路防火距离按城市道路确定:高速公路、Ⅰ级和Ⅱ级
公路按城市快速路、主干路确定,Ⅲ级和Ⅳ级公路根据城市干路、支路确定。
加油站安全距离取决于两方面原因:一是内部原因,二是外部原因。
内部原因,关键是指加油站建筑规模,规模越大,安全距离越大;规模越小,安全距离越小。
现行国家标准GB50156-《汽车加油加气站设计和施工规范》(以下简称《规范》)将加油站建筑规模分为三类,由大到小依次为一级、二级和三级。
确定加油站等级指标有两个,当总容积为≤180m3、≤120m3、≤60m3,单罐容积为≤50m3、≤50m3、≤30m3时,则依次确定为一级、二级和三级。
为了降低加油站潜在油品火灾爆炸事故危险性,《规范》要求城市建成区内通常不
应建一级加油站,以尽可能降低易燃易爆品储存量。
外部原因,关键是指加油站周围建筑设施性质及规模。
外部原因种类繁多,难以一一列举,关键相关键公共建筑、民用建筑、明火或散发怒花地点、企业厂矿、交通道路、电力线路及通信线路等。
不一样种类、不一样规模建筑物及设施,拥有不一样安全距离要求。
加油站和多种建筑、设施之间安全距离,关键从油罐(外壁)、通气管管口(中心线)和加油机(中心线)三个部位起算。
其中,油罐、通气管管口和加油机和地市级以上党政机关办公楼、1500人以上座位体育馆(影剧院)、500人以上学校、藏书50万册以上图书馆、车站等关键公共建筑物之间安全距离要求最严,不管加油站等级大小均为50m;而和通常公路安全距离要求均低,仅有5~8m。
加油站和民用建筑之间安全距离要求,则依据建筑规模确定。
如三级加油站油罐、通气管管口和加油机和总建筑面积为1000m2至5000(不含5000)m2之间居民楼之间安全距离要求,通常为12m;和总建筑面积不足1000m2居民楼之间安全距离要求,通常为10m。
按此标准计算,除部分加油站外,现在城市加油站通常均符合标准要求。