(完整版)结构力学课程作业_B2
- 格式:doc
- 大小:192.06 KB
- 文档页数:7
结构力学课后作业(第二章—1)班级:姓名:学号:………………………………………………………………………………………………………一、试对图示体系进行机动分析。
(1)(2)(a、b处非结点)(3)(k处非结点)(4)(5)(6)结构力学 课后作业(第二章—2)班 级: 姓 名: 学 号: ……………………………………………………………………………………………………… 二、试对图示体系进行机动分析。
(1)(2)(3)(k 处非结点)(4)(6)一、试作图示单跨梁的M 图。
(习题3-2、3-4)(1) (2)二、试作多跨静定梁的M 、F S 图。
(习题3-8)三、图示结构的荷载作用在纵梁上,再通过横梁传到主梁。
试作主梁的M 图。
(习题3-9)q四、试作图示刚架的M 、F S 、F N 图。
(习题3-12)五、试作图示刚架的M 图。
(习题3-14、3-16)(1) (2)一、图示三铰拱的轴线方程为24()fy x l x l =-,试求截面K 的内力。
(习题4-1)二、试判断图示桁架中的零杆。
(习题5-3、5-4)(1)(2)三、试用截面法计算图示桁架中指定杆件的内力。
(习题5-6)四、试用较简单的方法求图示桁架中指定杆件的内力。
(习题5-7)结构力学作业 第六章(1)班 级: 姓 名: 学 号: ……………………………………………………………………………………………………… 一、试用图乘法求指定位移B ϕ。
(习题6-8)B二、试用图乘法求C 、D 两点之间距离的改变量。
(习题6-10)B三、试用图乘法求,,Cx Cy D ϕ∆∆,并勾绘变形曲线。
(习题6-11)结构力学作业 第六章(2)班 级: 姓 名: 学 号: ………………………………………………………………………………………………………四、结构的温度改变如下图所示,求C 点的竖向位移。
各杆件截面相同且对称于形心轴,其厚度为h=l /10,材料线膨胀系数为α。
结构力学课程作业——多层多跨框架结构内力计算一、要求1、计算框架结构在荷载作用下的弯矩和结点位移。
2、计算方法:(1)用迭代法、D 值法、反弯点法及求解器计算水平荷载作用下的框架弯矩; (2)用迭代法、分层法、二次力矩分配法及求解器计算竖向荷载作用下框架弯矩。
3、分析近似法产生误差的原因。
二、计算简图及基本数据本组计算的结构其计算简图如图一所示,基本数据如下。
混凝土弹性模量:723.010/h E kN m =⨯图一构件尺寸:柱:底 层:23040b h cm ⨯=⨯其它层:23030b h cm ⨯=⨯梁:边 梁:22560b h cm ⨯=⨯中间梁:22530b h cm ⨯=⨯ 水平荷载:15P kN 顶=,30P kN 其他=(见图二)竖向均布恒载:17/q kN m 顶= 21/q k N m 其它=(见图八)各构件的线刚度:EIi L =,其中312b h I ⨯= 边 梁:33410.250.6 4.51012I m -⨯==⨯7311 3.010 4.510225006EI i kN mL -⨯⨯⨯===⋅ 中间梁: 34420.250.3 5.6251012I m -⨯==⨯7422 3.010 5.6251067502.5EI i kN mL -⨯⨯⨯===⋅ 底层柱: 33440.30.4 1.61012I m -⨯==⨯7344 3.010 1.61096005EI i kN mL -⨯⨯⨯===⋅ 其它层柱:34430.30.3 6.751012I m -⨯==⨯7433 3.010 6.75106136.43.3EI i kN mL -⨯⨯⨯===⋅三、水平荷载作用下的计算 (一)用迭代法计算1、计算各杆的转角分配系数ikμ'i 1i 2i 1i 3i 3i 3i 3i 3i 3i 3i 3i 1i 2i 1i 3i 3i 3i 3i 1i 2i 1i 3i 3i 3i 3i 1i 2i 1i 4i 4i 4i 4i 1i 2i 1图二转角分配系数计算公式:()2ikikiki i i μ'=-∑结点“1”:12225000.3932(6136.422500)μ'=-=-⨯+ 156136.40.1072(6136.422500)μ'=-=-⨯+结点“2”:21225000.3182(67506136.422500)μ'=-=-⨯++ 2367500.0952(67506136.422500)μ'=-=-⨯++ 266136.40.0872(67506136.422500)μ'=-=-⨯++由于该结构是对称结构,因此结点“3”的分配系数应该等于结点“2”的,结点“4”的分配系数应该与结点“1”的相等,所以本题只需计算1、2、5、6、9、10、13、14、17、18结点的分配系数。
请从图2中选出1-1截面正确的配筋图
写出图中注写的各排数字的含义,并指出图中平面注写的两种方式的应用。
某框架柱的平法施工图采用列表注写方式表示。
已知某柱列表注写如下,试按列表注写的内容画出该柱截面配筋图,并标出柱的截面尺寸。
编号截面尺寸
(b×h)
角筋
一边中
部配筋
一边中
部配筋
箍筋类型(井字箍)
m×n
箍筋
KZ1 500×500420 222 218 4×4Ф8@100/200
某框架柱的平法施工图采用截面注写方式表示。
已知某柱截面注写如下,试按截面注写的内容写出图中注写的各排数字的含义。
结构力学B第三次作业结构力学B第三次作业姓名:毛岸青学号:12933120班级:建筑工程技术(工民建)2012-82班主观题(共13道小题)23. 试用位移法计算图示结构,作弯矩图。
参考答案:(1)此刚架在结点B上有一个角位移Δ1,在结点B处加入附加联系,得到图b 所示的基本结构。
(2)根据基本结构在荷载和转角Δ1共同作用下,附加联系上的反力矩等于零的平衡条件,建立位移法的基本方程为。
24.图示结构用位移法计算的最少未知量数目为个 ,它为 位移。
参考答案:1,结点线位移25. 位移法的基本未知数是 和 。
参考答案:独立的结点角位移,独立的结点线位移26. 图示排架结构,横梁刚度为无穷大,各柱EI 相同,则F N2=___________。
参考答案:F P /227. 图示结构位移法方程中的自由项R 1P=参考答案:-2kN ·m28. 试用位移法计算图示结构,作弯矩图。
EI 为常数,荷载作用在横梁的中部。
参考答案:29. 试用位移法计算图示结构,作弯矩图。
EI为常数参考答案:30. 用位移法计算图示对称结构,并作M图,E= 常数。
参考答案:令,31. 已知图示连续梁结点B处各杆的力矩分配系数分别为,试作M图。
参考答案:32. 位移法可解超静定结构,解静定结构,位移法的典型方程体现了_______ 条件。
参考答案:也可;平衡33. 用位移法作图示结构M图。
EI = 常数。
参考答案:34. 用位移法计算图示结构,并作出M图。
参考答案:利用对称性取半结构,以刚结点角位移为基本未知量,如图所示。
35. 试利用对称性,对图示刚架选取半结构,并确定基本未知量。
各杆刚度均为EI。
参考答案:此半边结构仅有一个结点角位移.。
《结构力学》大作业
注意事项:
1、以书面形式(纸张大小为A4纸,封面按照统一格式)完成大作业,书面、打印皆可;
2、作业上交截止时间为:2013年12月22日;
3、抄袭、雷同作业一律按零分处理。
一(20分)、机动法作图示梁M K 的影响线,并利用影响线求出在图示荷载作用下M K 大小。
二(20分)、试利用余能驻值原理,求图始结构A 支座水平反力H A (线弹性材料,EI =常数)。
三(20分)、如图示结构,利用位移法求B 结点的转角和D 结点的位移(EI =常数)。
四(20分)、采用直接刚度法求出图示连续梁支座2处的转角。
8
Pl M M BA AB -
=-= 题二图
题一图
题四图
五(20分)、如图示两自由度体系,求其频率和振型。
已知∶m 1=m 2=m ,其刚度矩阵为[]⎥
⎦
⎤
⎢⎣⎡--=3111k K (k 为常数)。
题五图。
结构力学课程作业答案第一章绪论1、按照不同的构造特征和受力特点,平面杆件结构可分为哪几类?2、何为静定结构和超静定结构?从几何构造分析的角度看,结构必须是几何不变体系。
根据多余约束 n ,几何不变体系又分为:有多余约束( n > 0)的几何不变体系——超静定结构;无多余约束( n = 0)的几何不变体系——静定结构。
从求解内力和反力的方法也可以认为:静定结构:凡只需要利用静力平衡条件就能计算出结构的全部支座反力和杆件内力的结构。
超静定结构:若结构的全部支座反力和杆件内力,不能只有静力平衡条件来确定的结构。
3、土建、水利等工程中的荷载,根据其不同的特征,主要有哪些分类?第二章平面结构的几何组成分析作业题:1、何为平面体系的几何组成分析?按照机械运动及几何学的观点,对平面结构或体系的组成情况进行分析,称为平面体系的几何组成分析。
2、何为几何不变体系?何为几何可变体系?几何不变体系—若不考虑材料的应变,体系的位置和形状不会改变。
几何可变体系—若不考虑材料的应变,体系的位置和形状是可以改变的。
3、几何组成分析的目的是什么?1)保证结构的几何不变性,以确保结构能承受荷载和维持体系平衡.2)判别某一体系是否为几何不变,从而决定它能否作为结构.3)研究几何不变体系的组成规则,以保证所设计的结构是几何不变体系,从而能承受荷载而维持平衡.4)根据体系的几何组成分析,正确区分静定结构和超静定结构,从而选择适当的计算方法进行结构的反力和内力计算.5)通过几何组成分析,明确结构的构成特点,从而选择结构受力分析的顺序以简化计算.4、何为一个体系的自由度?知悉体系计算自由度的公式。
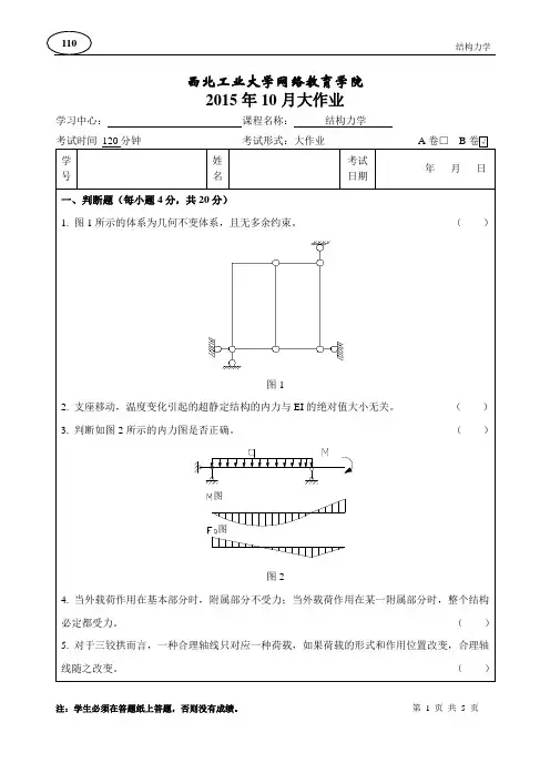
5、试对下图所示体系进行几何组成分析。
图1图2图3图46、试求图示各体系的计算自由度数W。
7、例2-1 例2-28、习题 2.1~2.12 试对图示体系作几何组成分析。
第三章静定梁、静定平面刚架和三角拱的计算作业题:1、单跨静定梁有简支梁、外伸梁、悬臂梁等形式。
结构力学(二)第一次作业一、单项选择题(本大题共55分,共 20 小题,每小题 2.75 分)1. 单自由度体系在简谐荷载作用下如果频率比大于1,则要减小振动幅值需采取措施( )A. 增加刚度,减少质量B. 增加刚度,增加质量C. 减少刚度,减少质量D. 减少刚度,增加质量2. 图示体系的动力自由度为 ( )A. 2B. 3C. 4D. 5的含义()3. 位移法典型方程中的KijA. 单位力B. 基本结构附加约束j单独发成单位位移时,在附加约束i处产生的约束力C. 单位位移D. 发生单位位移产生的力4. 在竖直向下荷载作用下,等截面连续梁的破坏机构是()A. 各跨独立形成B. 各跨联合形成C. 相邻跨联合形成D. 隔跨联合形成5. 图示两结构及其受载状态,它们的内力符合。
()A. 弯矩相同,剪力不同B. 弯矩相同,轴力不同C. 弯矩不同,剪力相同D. 弯矩不同,轴力不同6. 己知某单元的定位向量为 [0 3 5 7 8]T,则单元刚度系数K应叠加到结构24刚度矩阵的元素()A.B.C.D.7. 图为两个自由度振动体系,其自振频率是指质点按下列方式振动时的频率( )A. 任意振动B. 沿x轴方向振动C. 沿y轴方向振动D. 按主振型形式振动8. 在图示结构中,若要使其自振频率w增大,可以()A. 增大PB. 增大mC. 增大EID. 增大l9. 三个刚片用三个铰两两相互联结而成的体系是()A. 几何不变;B. 几何常变;C. 几何瞬变;D. 几何不变几何常变或几何瞬变。
10. 图示刚架中杆长l,EI相同,A点的水平位移为:()A. 2Ml2/3EI(→)l2/3EI(→)B. Ml2/3EI(←)C. 2Ml2/3EI(←)D. M11. 图示结构影响线(P=1在BE移动)BC、CD段纵标为:()A. BC 、CD均不为零B. BC 、CD均为零C. BC 为零,CD不为零D. BC 不为零,CD为零12. 塑性铰的基本力学性可以描述为()A. 单向铰无弯矩B. 双向铰无弯矩C. 双向铰有弯矩D. 单向铰有弯矩13. 已知一单自由度体系的阻尼比,则该体系自由振动时的位移时程曲线的形状可能为:()A.B.C.D.14. 水平单位力P=1在图示刚架的AC杆上移动,则弯矩MCA(内侧受拉为正)影响线正确的是( )A. 图(a)B. 图(b)C. 图(c)D. 图(d)15. 用力矩分配法计算题图示结构时,杆端AC 的分配系数是()A. 18/29B. 17/29C. 16/29D. 15/2916. 图示杆AB与CD的EI,l相等,则 SAB 与SCD有()A. SAB <SCDB. SAB >SCDC. SAB =SCDD. 不能确定17. 图示一连续梁,图(a)(b)(c)分别为支座反力RB、弯矩MK、MC的影响线形状,其中正确的是( )A. 图(a),(b)B. 图(a),(c) C. 图(b),(c) D. 图(a),(b),(c)18. 单自由度简谐受迫振动中,若算得位移放大系数为负值,则表示()A. 体系不可能振;B. 干扰力频率与自振频率不同步;C. 动位移小于静位移;D. 干扰力方向与位移方向相反。
北京交通大学现代远程教育昌平学习中心一、对下列结构分析几何组成,写出分析过程。
(说明:①代表二元体规则,②代表两刚片规则,③代表三刚片规则)1.AC DBE2.3.4.5.6..二、判定图示桁架中的零杆。
三、图示桁架,哪些杆件是零杆(不包括支座链杆)。
四、作图示结构的弯矩图qh五、计算图示多跨静定梁,画弯矩图、剪力图.q六、计算图示多跨静定梁,画弯矩图、剪力图.七、计算图示静定刚架的内力,并作内力图。
八、作图示结构的弯矩图九、作图示结构的弯矩图北京交通大学现代远程教育昌平学习中心一、计算图示桁架a、b、c三杆的轴力。
二、求图示桁架中a 和b杆的轴力。
三、求图示桁架中a和b杆的轴力。
四、已知EI 为常数,求刚架A点的竖向位移五、求图示结构铰A两侧截面的相对转角EI = 常数。
A,q北京交通大学现代远程教育昌平学习中心一、用力法计算图示结构并作M 图。
EI =常数3m3m二、用力法计算图示排架,并作M 图。
已知EA =∽。
三、用位移法计算图示结构并作M 图。
EI=常数 。
四、用位移法计算图示结构内力,并绘弯矩图。
已知EI=常数五、用力矩分配作图示连续粱的M 图。
六、用力矩分配作图示连续粱的M图。
(计算两轮)七、作图示梁中R B的影响线。
2m2m4m4m八、作图示梁的M K影响线。
K E F。
中南大学《结构力学》课程作业一及参考答案一单选题1图示桁架结点A处水平位移不等于零的有()。
AabBacCbcDabc参考答案:A2图示体系的几何组成是()。
A 无多余约束的几何不变体系B 几何可变体系C 有多余约束的几何不变体系D 瞬变体系参考答案:A3图示体系的几何组成是()。
A 无多余约束的几何不变体系B 几何可变体系C 有多余约束的几何不变体系D 瞬变体系参考答案:D4对于图示结构,下面结论是正确的是()。
A 该结构为桁架结构。
B 该结构是组合结构,其中只有杆57是受拉或受压杆(桁杆)。
C 杆123的内力只有轴力。
D 除杆34外,其余各杆均为桁杆。
参考答案:B5图示线弹性梁上先加F1,A、B两点挠度分别为、,再加F2,A、B两点挠度分别增加、,则F1做的总功为()。
ABCD参考答案:D6已知图a中A端转角,则图b中中梁的B端弯矩及A端转角为()。
ABCD参考答案:D7图示体系的几何组成是()。
A 无多余约束的几何不变体系B 几何可变体系C 有多余约束的几何不变体系D 瞬变体系参考答案:D8图示刚架,BC杆的B端弯矩为()。
A 25kN.m上拉B 25kN.m下拉C 10kN.m上拉D 10kN.m下拉参考答案:B9图示各体系中,几何不变且无多余约束的体系是()。
A 图aB 图bC 图cD 图d参考答案:D10图示有一切口的圆,外侧降温,内侧升温,切口处水平相对位移、铅直相对位移和相对转角的符号为(设虚力状态分别为图a、图b和图c)()。
A 大于0、小于0,等于0B 大于0、等于0,小于0C 等于0、小于0,大于0参考答案:C11对图示结构,结论正确的是()。
AB ,C ,D ,参考答案:B12图示结构A截面转角为(顺时针转为正)()。
ABCD参考答案:C13图示结构,B截面转角方向是()。
A 顺时针B 逆时针C 等于0参考答案:B14图示结构杆1的轴力以拉为正为()。
A 0BCD 2F参考答案:B15对比图(a)、(b)所示同一结构两种外因作用情况下C点的挠度和弯矩,下面结论成立的是()。
结构力学课程作业_B
一、单选题
1.(6分)计算刚架时,位移法的基本结构是()
• A. 超静定铰接体系
• B. 单跨超静定梁的集合体
• C. 单跨静定梁的集合体
• D. 静定刚架
纠错
得分:6
知识点:位移法
收起解析
答案B
解析位移法
2.(6分)图70
• A. a
• B. b
• C. c
• D. d
纠错
得分:0
知识点:静定结构总论
收起解析
答案A
解析
3.(6分)图12
• A. a
• B. b
• C. c
• D. d
纠错
得分:6
知识点:结构的几何构造分析
收起解析
答案A
解析
4.(6分)用位移法计算超静定结构时考虑到的条件是()
• A. 物理条件、几何条件、平衡条件
• B. 平衡跳江
• C. 平衡条件和物理条件
• D. 平衡条件和几何条件
纠错
得分:6
知识点:力法
收起解析
答案A
解析位移法
5.(6分)用动平衡法进行动力分析时,其中的惯性力()
• A. 实际上不存在
• B. 实际就作用在质点上
• C. 实际存在,但不作用在质点上
• D. 竖向振动时存在,其余方向不存在纠错
得分:0
知识点:结构的动力计算
收起解析
答案C
解析动平衡法
6.(6分)力法的基本结构是()
• A. 静定结构
• B. 超静定结构
• C. 单跨超静定梁
• D. 多跨超静定梁
纠错
得分:6
知识点:回顾
收起解析
答案A
解析
7.(6分)图64
• A. a
• B. b
• C. c
• D. d
纠错
得分:0
知识点:静定结构总论
收起解析
答案A
解析
8.(6分)在位移法中,按铰接端的角位移、滑动支承端的线位移作为基本未知量()
• A. 绝对不可以
• B. 一定条件下可以
• C. 可以但不必
• D. 必须
纠错
得分:6
知识点:位移法
收起解析
答案C
解析位移法
9.(6分)图61
• A. a
• B. b
• C. c
• D. d 纠错
得分:6
知识点:静定结构总论
收起解析
答案C
解析
10.(6分)图101
• A. a
• B. b
• C. c
• D. d
纠错
得分:6
知识点:渐近法及超静定结构的影响线
收起解析
答案C
解析
二、判断
1.(8分)功的互等定理成立的条件是小变形和线弹性
•
•
纠错
得分:8
知识点:影响线
收起解析
答案正确
解析
2.(8分)自由度是决定体系几何位置的彼此独立的几何参变量数目
•
•
纠错
得分:8
知识点:结构的几何构造分析
收起解析
答案正确
解析自由度的概念
3.(8分)弯矩是截面上应力对截面形心的力矩,在水平杆件中,当弯矩使杆件上部受拉时弯矩为正
•
•
纠错
得分:8
知识点:静定结构的受力分析
收起解析
答案错误
解析弯矩概念
4.(8分)静定结构的内力与荷载有关,而与材料的性质、截面的形状及大小无关。
•
•
纠错
得分:8
知识点:回顾
收起解析
答案正确
解析
5.(8分)三个刚片由三个铰相联的体系一定是静定结构。
•
•
纠错
得分:8
知识点:回顾
展开解析
答案错误解析。