结构力学作业1
- 格式:doc
- 大小:780.00 KB
- 文档页数:19
结构力学(1)阶段性作业4一、单选题1. 静定结构因支座移动_____。
(7分)(A) 会产生内力,但无位移 (B) 会产生位移,但无内力 (C) 内力和位移均不会产生(D) 内力和位移均会产生参考答案:B2.用图乘法求位移的必要条件之一是_____。
(7分) (A) 单位荷载下的弯矩图为一直线; (B) 所有杆件EI 为常数且相同; (C) 结构可分为等截面直杆段;(D) 结构必须是静定的。
参考答案:C3.图示简支梁右端转角位移等于_____。
(7分)(A) :(顺时针) (B) : (顺时针) (C) :(逆时针) (D) : (逆时针)参考答案:D4.图示虚设的单位力系是为计算_____。
(7分)(A) B 、C 两点的相对水平线位移 (B) B 、C 两点的相对竖向线位移 (C) B 、C 两点的相对线位移 (D) B 、C 两点的绝对线位移参考答案:C5. 图示桁架在力P 作用下C 点的竖向位移_____。
(6分)(A) :(B) : (C) : (D) :参考答案:A6. 利用虚位移原理计算未知力,实质上是用_____方法解决_____问题。
(6分) (A) 几何、几何 (B) 几何、平衡 (C) 平衡、几何 (D) 平衡、平衡 参考答案:B二、判断题1. 对静定结构,支座移动或温度改变会产生内力。
(6分) 正确 错误参考答案:错误 解题思路:2. 功的互等定理成立的条件是小变形和线弹性。
(6分) 正确 错误参考答案:正确 解题思路:3. 图乘法可以用来计算曲杆。
(6分)正确错误参考答案:错误解题思路:4. 仅有支座位移的静定结构位移计算,如果单位广义力引起的反力均与支座位移同向,则所求位移必为正。
(6分)正确错误参考答案:错误解题思路:5. 结构的变形是由于某种外因的作用使结构产生应力和应变引起的。
(6分)正确错误参考答案:正确解题思路:6. 静定结构在温度改变、材料收缩和制造误差等因素的影响下不仅产生变形,同时产生内力。
研究生入学专业课结构力学-1(总分:100.00,做题时间:90分钟)一、选择题(总题数:7,分数:7.00)1.在工程中,瞬变体系不能作为结构的原因是______。
(分数:1.00)A.会发生微小位移B.约束的数量不足C.正常荷载作用下,可能产生很大内力√D.会产生较大的位移解析:2.以下关于瞬变体系的论述,正确的是______。
(分数:1.00)A.瞬变体系的总体约束数目不足,从而导致体系瞬时可变B.瞬变体系经微小位移后即成为几何不变,故可作为结构使用C.瞬变体系中必然存在多余约束√D.瞬变体系必定存在瞬铰解析:3.如图所示体系虽有3个多余约束,但为保证其几何不变,哪两根链杆是不能同时去掉的。
______(分数:1.00)A.a和eB.a和b √C.a和cD.c和e解析:[解析] 去掉a、b杆后,c、d杆组成几何瞬变部分。
4.连接三个刚片的铰结点,相当的约束个数为______。
(分数:1.00)A.2个B.3个C.4个√D.5个解析:[解析] 相当于2个单铰。
5.如图所示体系的几何组成为______。
(分数:1.00)A.几何瞬变,无多余约束B.几何不变C.几何常变D.几何瞬变,有多余约束√解析:6.欲使如图所示体系成为无多余约束的几何不变体系,则需在A端加入______。
(分数:1.00)A.固定铰支座B.固定支座√C.滑动铰支座D.定向支座解析:7.如图所示体系的几何构造性质是______。
(分数:1.00)A.常变体系B.瞬变体系C.无多余联系的几何不变体系√D.有多余联系的几何不变体系解析:[解析] 用两刚片规律分析,将中间Y形刚架看作一刚片,基础为另一刚片。
二、判断题(总题数:5,分数:5.00)8.仅用静力平衡方程即可确定全部反力和内力的体系是几何不变体系,且没有多余约束。
(分数:1.00)A.正确√B.错误解析:9.瞬变体系的计算自由度可能小于零。
(分数:1.00)A.正确√B.错误解析:10.下图中链杆1和2的交点O可视为虚铰。
1.叙述结构力学在实际工程领域中的作用。
答:该题涉及甚广,无标准答案,答题要求能联系教学内容列举一二,且叙述过程做到有理有据即可。
2.简单列举平面体系机动分析的基本方法,并举例说明其中一种方法的使用方法。
答:大体分为两刚片法和三刚片法,其中无多余约束的几何不变体系具有下述特征:1.一个刚片与两根链杆通过3个铰相连,且3个铰不在一直线上。
2.两个刚片用一个铰和一根链杆相联结,且3个铰不在同一直线上。
3.三个刚片用3个铰相连,且3个铰不在同一直线上。
4.两个刚片用3根链杆相连,且链杆不交于同一点。
此外,对于桁架也可尝试从计算自由度,零载法等进行分析,举例只需与其中一种方法相适应,且无原则性错误即可。
3.举例说明截面法和结点法计算静定桁架内力的基本方法。
答:结点法:以桁架结点为分析对象,利用平面汇交力系的基本平衡条件,首先计算支座力,再依次计算各杆内力。
截面法:用截面切断拟求内力的杆件,从桁架中截出一部分为隔离体,利用平面任意力系的基本平衡条件,计算各杆中的未知轴力。
如未知轴力只有三个,既不相交也不平行,则截面法可直接求出未知轴力。
举例要求能正确辨别分析对象,并建立相应的平衡方程。
4.举例说明对称性对简化结构力学分析的作用。
答:对称性通常对于结构形式和加载形式而言。
通常对于对称荷载下的对称结构、反对称荷载下的对称结构、任意荷载下的对称结构的几种典型的情况,均可在很大程度上简化问题,可降低结构的复杂性、减少计算的维数、使问题更加便于求解。
举例无标准答案,要求说明上述1种情况,并指出对称性的效用即可。
5.叙述何为三铰拱的合理轴线。
答:当三铰拱的轴线与压力线重合,各截面的弯矩和剪力都为零,此时轴线即为三铰拱的合理轴线。
6.简述梁、刚架结构在受力与变形方面的区别。
答:在外力作用下,梁承受弯矩和剪力的作用,其变形受制于弯矩和剪力,但通常以弯曲变形为主;刚架结构除了承受弯矩和剪力,可能还抵抗轴力的作用,其变形受制于弯矩、剪力以及轴力,同样地,通常也以弯曲变形为主,但还需要考虑刚架结构的几何形式,因此刚架结构的变形较梁复杂得多。
结构力学课后作业(第二章—1)班级:姓名:学号:………………………………………………………………………………………………………一、试对图示体系进行机动分析。
(1)(2)(a、b处非结点)(3)(k处非结点)(4)(5)(6)结构力学 课后作业(第二章—2)班 级: 姓 名: 学 号: ……………………………………………………………………………………………………… 二、试对图示体系进行机动分析。
(1)(2)(3)(k 处非结点)(4)(6)一、试作图示单跨梁的M 图。
(习题3-2、3-4)(1) (2)二、试作多跨静定梁的M 、F S 图。
(习题3-8)三、图示结构的荷载作用在纵梁上,再通过横梁传到主梁。
试作主梁的M 图。
(习题3-9)q四、试作图示刚架的M 、F S 、F N 图。
(习题3-12)五、试作图示刚架的M 图。
(习题3-14、3-16)(1) (2)一、图示三铰拱的轴线方程为24()fy x l x l =-,试求截面K 的内力。
(习题4-1)二、试判断图示桁架中的零杆。
(习题5-3、5-4)(1)(2)三、试用截面法计算图示桁架中指定杆件的内力。
(习题5-6)四、试用较简单的方法求图示桁架中指定杆件的内力。
(习题5-7)结构力学作业 第六章(1)班 级: 姓 名: 学 号: ……………………………………………………………………………………………………… 一、试用图乘法求指定位移B ϕ。
(习题6-8)B二、试用图乘法求C 、D 两点之间距离的改变量。
(习题6-10)B三、试用图乘法求,,Cx Cy D ϕ∆∆,并勾绘变形曲线。
(习题6-11)结构力学作业 第六章(2)班 级: 姓 名: 学 号: ………………………………………………………………………………………………………四、结构的温度改变如下图所示,求C 点的竖向位移。
各杆件截面相同且对称于形心轴,其厚度为h=l /10,材料线膨胀系数为α。
结构力学习题及答案一. 是非题(将判断结果填入括弧:以O 表示正确,X 表示错误)(本大题分4小题,共11分) 1 . (本小题 3分)图示结构中DE 杆的轴力F NDE =F P /3。
( ).2 . (本小题 4分)用力法解超静定结构时,只能采用多余约束力作为基本未知量。
( )3 . (本小题 2分)力矩分配中的传递系数等于传递弯矩与分配弯矩之比,它与外因无关。
( )4 . (本小题 2分)用位移法解超静定结构时,基本结构超静定次数一定比原结构高。
( )二. 选择题(将选中答案的字母填入括弧)(本大题分5小题,共21分) 1 (本小题6分)图示结构EI=常数,截面A 右侧的弯矩为:( ) A .2/M ; B .M ; C .0; D. )2/(EI M 。
2. (本小题4分)图示桁架下弦承载,下面画出的杆件力影响线,此杆件是:( ) A.ch; B.ci; C.dj; D.cj.3. (本小题 4分)图a 结构的最后弯矩图为:A. 图b;B. 图c;C. 图d;D.都不对。
( )( a) (b) (c)(d)2=14. (本小题 4分)用图乘法求位移的必要条件之一是: A.单位荷载下的弯矩图为一直线; B.结构可分为等截面直杆段; C.所有杆件EI 为常数且相同; D.结构必须是静定的。
( ) 5. (本小题3分)图示梁A 点的竖向位移为(向下为正):( )A.F P l 3/(24EI); B. F P l 3/(!6EI); C. 5F P l 3/(96EI); D. 5F P l 3/(48EI).三(本大题 5分)对图示体系进行几何组成分析。
四(本大题 9分)图示结构B 支座下沉4 mm ,各杆EI=2.0×105 kN·m 2,用力法计算并作M 图。
F P五(本大题 11分) 用力矩分配法计算图示结构,并作M 图。
EI=常数。
六(本大题14分)已知图示结构,422.110 kN m ,10 kN/m EI q =⨯⋅=求B 点的水平位移。
结构力学课程——作业一1、结构力学中,按根本构件的几何特征可以将结构大致分为哪三类?答:分为杆系结构、板壳结构和实体结构。
2、简述支座和结点类型,并画出相应的计算简图。
答:支座分活动铰支座、固定铰支座、固定支座和定向支座。
〔2〕、固定铰支座〔3〕、固定支座〔4〕、滑动支座二、结点〔1〕铰结点〔2〕刚结点〔3〕组合结点3、荷载的分类?答:根据荷载作用时间的长短,分为恒载和活载。
根据荷载作用的性质,分为静力荷载和动力荷载。
4、名词解释:1〕几何不变体系;体系受到任意荷载作用后,假如不考虑材料的应变,其几何形状和位置保持不变的体系称为几何不变体系2〕几何可变体系:体系受到任意荷载作用后,由于刚体运动,其几何形状和位置发生改变的体系称为几何不变体系3〕刚片:假如忽略材料的应变,体系的任何杆件都可看做是不变形的平面刚体,称为钢片4〕自由度、计算自由度:自由度是指确定体系位置所需要的独立坐标的数目计算自由度是对体系进展几何构成分析的辅助工具5)约束、必要约束、多余约束:减少体系自由度的装置称为约束在体系中增加或去掉某个约束,体系的自由度数目随之变化,该约束称为必要约束在体系中增加或去掉某个约束,体系的自由度数目没有变化,该约束称为多余约束6)几何瞬变体系:是指只能瞬时虚铰产生微小运动的体系7)静定结构:静定结构是无多余联系的几何不变体系8)超静定结构:超静定结构是有多余约束的几何不变体系9)结点法:最适用于计算简单桁架,取借点为隔离体,建立平衡方程求解,原如此上应使每一结点只有两根未知内力的杆件10)截面法:探讨天体运动方程的周期解与其邻近轨道性质的一种方法 11〕零杆;桁架中内力为零的杆件称为零杆 5、画图说明何为单铰、复铰和虚铰。
答:6、 试述几何不变体系的三个根本组成规如此,为什么说它们是同一规如此。
答:二元体规如此、二钢片规如此和三刚片规如此其实他们属于同一规如此,即三刚片规如此。
因为二元体规如此和两刚片规如此均是由三刚片原如此演变而来的,只是在某些场合使用后两者更为方便些。
1:[论述题]1、(本题10分)作图示结构的弯矩图。
各杆EI相同,为常数。
图参考答案:先对右下铰支座取整体矩平衡方程求得左上活动铰支座反力为0,再对整体竖向投影平衡求得右下铰支座竖向反力为0;再取右下直杆作为隔离体可求出右下铰支座水平反力为m/l(向右),回到整体水平投影平衡求出左下活动铰支座反力为m/l(向左)。
反力求出后,即可绘出弯矩图如图所示。
图2:[填空题]2、(本题3分)力矩分配法适用于计算无结点超静定刚架。
参考答案:线位移3:[单选题]7、(本题3分)对称结构在对称荷载作用下,内力图为反对称的是A:弯矩图B:剪力图C:轴力图D:弯矩图和剪力图参考答案:B4:[填空题]1、(本题5分)图示梁截面C的弯矩M C = (以下侧受拉为正)图参考答案:F P a5:[判断题]4、(本小题2分)静定结构受外界因素影响均产生内力,内力大小与杆件截面尺寸无关。
参考答案:错误6:[判断题]3、(本小题 2分)在温度变化与支座移动因素作用下静定与超静定结构都有内力。
参考答案:错误7:[判断题]1、(本小题2分)在竖向均布荷载作用下,三铰拱的合理轴线为圆弧线。
参考答案:错误8:[论述题]2、(本小题10分)试对下图所示体系进行几何组成分析。
参考答案:结论:无多余约束的几何不变体系。
9:[单选题]1、(本小题3分)力法的基本未知量是A:结点角位移和线位移B:多余约束力C:广义位移D:广义力参考答案:B10:[单选题]2、(本小题3分)静定结构有温度变化时A:无变形,无位移,无内力B:有变形,有位移.无内力C:有变形.有位移,有内力D:无变形.有位移,无内力参考答案:B11:[判断题]2、(本小题2分)几何可变体系在任何荷载作用下都不能平衡。
参考答案:错误12:[判断题]5、(本小题2分) 按虚荷载原理所建立的虚功方程等价于几何方程。
参考答案:正确13:[单选题]3、(本小题3分)变形体虚功原理A:只适用于静定结构B:只适用于线弹性体C:只适用于超静定结构D:适用于任何变形体系参考答案:D14:[单选题]4、(本小题3分)由于静定结构内力仅由平衡条件决定,故在温度改变作用下静定结构将A:产生内力B:不产生内力C:产生内力和位移D:不产生内力和位移参考答案:B15:[单选题]5、(本小题3分)常用的杆件结构类型包括A:梁、拱、排架等B:梁、拱、刚架等C:梁、拱、悬索结构等D:梁、刚架、悬索结构等参考答案:B16:[单选题]6、(本题3分)图示计算简图是图A:为无多余约束的几何不变体系。
结构力学_在线作业_1交卷时间2020-01-20 11:47:26一、判断(每题5分,共20道小题,总分值100分)1.图(a)对称结构可简化为图(b)结构来计算。
()(5分)正确答案您的答案是正确回答正确展开2.图示对称刚架,在反对称荷载作用下,半边结构图(c)所示。
()(5分)正确答案您的答案是错误回答正确展开3.图示简支斜梁,在荷载P作用下,若改变B支座链杆方向,则梁的内力将是M、N不变,Q改变。
()(5分)正确答案您的答案是错误回答正确展开4.计算图示桁架中指定杆件内力,各杆EA=常数,N2=−P/2。
()(5分)正确答案您的答案是正确回答正确展开5.图(a)所示桁架结构可选用图(b)所示的体系作为力法基本体系。
()(5分)正确答案您的答案是正确回答正确展开6.图示对称结构,EI=常数;较简便的力法基本结构如图所示。
()(5分)正确答案您的答案是正确回答正确展开7.图示结构中杆AC由于加热伸长了Δ,则杆AB的变形是0。
()(5分)正确答案您的答案是正确回答正确展开8.图示结构EI=常数,求K点的竖向位移时,由图乘法得:ΔK=(1/EI)×y1ω1。
()(5分)正确答案您的答案是错误回答正确展开9.图示体系的几何组成为几何不变,无多余联系。
()(5分)正确答案您的答案是正确回答正确展开10.图示为一刚架的力法基本体系,E=常数。
其δ12为EI/8。
()(5分)正确答案您的答案是错误回答正确展开11.图示刚架,EI=常数,B点的竖向位移(↓)为Pl3/(6EI)。
()(5分)正确答案您的答案是错误回答正确展开12.下图能用力矩分配法计算。
()(5分)正确答案您的答案是错误回答正确展开13.图示结构EI=常数,在给定荷载作用下,固定端的反力矩为,逆时针旋转。
()(5分)正确答案您的答案是正确回答正确展开14.图示简支斜梁,在荷载P作用下,若改变B支座链杆方向,则梁的内力将是M不变,Q、N改变。
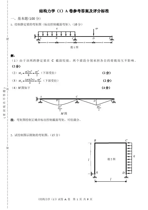
结构力学(1)A 卷参考答案及评分标准一、基本题(100分)1、绘制静定梁的弯矩图(标出控制截面弯矩)。
(10分)解:(1)由于该两跨静定梁在C 截面铰接,两个梁段分别承担各自的荷载而互不影响。
(2分)(2)22(2)82B q a qa M ==(下部受拉) (2分) (3)2()(2)42D qa a qa M ==(下部受拉) (2分) (4)M 图如下 (4分)注:弯矩图绘制正确并标出控制截面弯矩,可给满分。
2、试绘制图示刚架的弯矩图。
(15分)q题1图22( 密 封 线 内 不 答 题 ) ………………………………………密………………………………………………封………………………………………线………………………………M 图解∑X = 0 => 反力X A = ql ; (反)∑M A = 0 : ql ×2l - Y D ×l =0 => Y D = 2ql ∑Y = 0 => 反力Y A =2ql3段杆件,每段5分。
若只求出了反力,每个2分。
2/23、图中各杆的EI 为常数,求C 点的竖向位移yC 。
(15分)解:(右)∑M A = 0 : q×2a ×a - Y B ×2a =0 => Y D = qa ∑Y = 0 : Y A = qa则外荷载下弯矩图如下 (1)。
5分q题3图qa /22a2a a(1)(2)另构造平衡状态:在C 点处施加单位竖向力,其弯矩图如(2)。
5分 则ΔC =- 1/EI × (2/3×2a ×qa 2/2 ×a/2)= -qa 4/(3EI)。
5分4、试用力法求解图示结构,并画出弯矩图。
各杆EI =常数,忽略杆件的轴向变形。
(15分)解:(1) 判断超静定次数,为2次超静定,选取基本结构如图 ------------(5分) (2) 建立力法方程 ------------(8分)1111221P 2112222P =0=0X X X X δδδδ++∆++∆画出基本结构在各荷载单独作用下的弯矩图:P图乘可得:114=3a EI δ,22=3a EI δ,12216aEI δδ==-,21P 56Pa EI ∆=-,22P 6Pa EI∆= 力法方程为:21221245=0366=0636a a Pa X X EI EI EIa a Pa X X EI EI EI---++ (3) 求解力法方程: ------------(以下2分)13=5X Pa ,21-5X Pa =(4) 叠加法画弯矩图5、试用位移法求解图示结构,并画出弯矩图。
中南大学《结构力学》课程作业一及参考答案一单选题1图示桁架结点A处水平位移不等于零的有()。
AabBacCbcDabc参考答案:A2图示体系的几何组成是()。
A 无多余约束的几何不变体系B 几何可变体系C 有多余约束的几何不变体系D 瞬变体系参考答案:A3图示体系的几何组成是()。
A 无多余约束的几何不变体系B 几何可变体系C 有多余约束的几何不变体系D 瞬变体系参考答案:D4对于图示结构,下面结论是正确的是()。
A 该结构为桁架结构。
B 该结构是组合结构,其中只有杆57是受拉或受压杆(桁杆)。
C 杆123的内力只有轴力。
D 除杆34外,其余各杆均为桁杆。
参考答案:B5图示线弹性梁上先加F1,A、B两点挠度分别为、,再加F2,A、B两点挠度分别增加、,则F1做的总功为()。
ABCD参考答案:D6已知图a中A端转角,则图b中中梁的B端弯矩及A端转角为()。
ABCD参考答案:D7图示体系的几何组成是()。
A 无多余约束的几何不变体系B 几何可变体系C 有多余约束的几何不变体系D 瞬变体系参考答案:D8图示刚架,BC杆的B端弯矩为()。
A 25kN.m上拉B 25kN.m下拉C 10kN.m上拉D 10kN.m下拉参考答案:B9图示各体系中,几何不变且无多余约束的体系是()。
A 图aB 图bC 图cD 图d参考答案:D10图示有一切口的圆,外侧降温,内侧升温,切口处水平相对位移、铅直相对位移和相对转角的符号为(设虚力状态分别为图a、图b和图c)()。
A 大于0、小于0,等于0B 大于0、等于0,小于0C 等于0、小于0,大于0参考答案:C11对图示结构,结论正确的是()。
AB ,C ,D ,参考答案:B12图示结构A截面转角为(顺时针转为正)()。
ABCD参考答案:C13图示结构,B截面转角方向是()。
A 顺时针B 逆时针C 等于0参考答案:B14图示结构杆1的轴力以拉为正为()。
A 0BCD 2F参考答案:B15对比图(a)、(b)所示同一结构两种外因作用情况下C点的挠度和弯矩,下面结论成立的是()。
《结构力学》第一阶段作业一、判断题。
1、如果平面体系的约束数等于自由度数,那么体系一定是几何不变的。
(×)2、如果平面体系的计算自由度W=0,那么该体系一定为无多余约束的几何不变体系。
(×)3、如果平面体系的计算自由度W<0,那么该体系是有多余约束的几何不变体系。
(×)二、请对图示各平面体系进行几何组成分析。
解:图2-1是无多余约束的几何不变体系。
解:图2-2是无多余约束的几何不变体系。
解:图2-3是具有一个多余约束的几何不变体系。
解:图2-4是具有一个多余约束的几何不变体系。
解:图2-5是无多余约束的几何不变体系。
解:图2-6是无多余约束的几何不变体系。
解:图2-7是无多余约束的几何不变体系。
解:图2-8是无多余约束的几何不变体系。
解:图2-9是无多余约束的几何不变体系。
解:图2-10是无多余约束的几何不变体系。
三、名词解释。
1、自由度答:一个体系的自由度,是指该体系在运动时,确定其位置所需的独立坐标的数目。
2、计算自由度答:计算一个体系在运动时,确定其位置所需的独立坐标的数目。
3、几何不变体系答:在任意荷载作用下,其原有的几何形状和位置保持不变的,称为几何不变体系。
4、几何可变体系答:在任意荷载作用下,其几何形状和位置发生变化的,称为几何可变体系。
5、刚片答:对体系进行几何组成分析时,由于不考虑材料的应变,故可将每一根杆件都视为刚体,在平面体系中又把刚体称为刚片。
6、二元体答:两根不共线的链杆连接一个结点的装置称为二元体。
7、二元体规则答:在一个体系上增加或减少二元体,不改变体系的几何可变或不可变性。
8、两刚片规则答:两刚片用不全交于一点也不全平行的三根链杆相互连接,或用一个铰及一根不通过铰心的链杆相连接,组成无多余约束的几何不变体系。
9、三刚片规则答:三刚片用不在同一直线上的三个铰两两连接,则组成无多余约束的几何不变体系。
自考结构力学(一)真题及答案总分:57分题量:19题一、单选题(共9题,共27分)1.三铰拱在图示荷载作用下,合理轴线为()A.二次抛物线B.圆弧线C.折线D.悬链线正确答案:C本题解析:暂无解析2.用矩阵位移法求解图示结构时,结构荷载矩阵中元素P1=A.55kN·mB.15kN·mC.-15kN·mD.-55kN·m正确答案:B本题解析:暂无解析3.图示桁架中1杆的轴力等于()A.0B.C.D.FP正确答案:A本题解析:暂无解析4.用位移法计算图示结构(EI=常数)时,基本未知量的个数最少为()A.9B.8C.7D.6正确答案:B本题解析:暂无解析5.在线弹性体系的四个互等定理中,最基本的是()A.位移互等定理B.反力互等定理C.位移反力互等定理D.虚功互等定理正确答案:D本题解析:暂无解析6.图示结构中,BD杆A端截面弯矩值为()A.B.C.D.正确答案:B本题解析:利用位移法中的转角位移方程得:[*]故选项(B) 正确。
[点评] 本题考察位移法中等截面直杆的转角位移方程。
位移法的适用条件有四点:(1)既可用于求解静定结构,也可以用于求解超静定结构;(2)既可以考虑弯曲变形,也可以考虑轴向变形和剪切变形;(3)可以用于梁、刚架、桁架、拱和组合结构等各种类型的结构;(4)从材料性质看,只能用于弹性材料。
在位移法中,对于等截面直杆,将三类基本杆件由单位支座位移引起的杆端力系数称为刚度系数。
因为它们仅与杆件的截面尺寸和材料性质有关,因此称为形常数。
具体来讲有三种情况:(1)两端固定的等截面直杆[*](2)一端固定另一端铰支的等截面直杆[*](3)一端固定另一端为滑动支座的等截面直杆MAB=iθA一iθB MAB=iθB-iθA在计算过程中,要注意位移法中对于转角位移和线位移的正负性的规定。
具体为:杆端转角以顺时针方向转动为正,杆端横向相对线位移以使杆件顺时针方向转动为正。
(单选题)1: 杆系结构是()。
A: 结构的长、宽、厚三个尺寸相仿B: 构件的厚度<<表面尺寸C: 构件的横截面尺寸<<长度尺寸正确答案:(单选题)2: 典型方程法建立的方程实质上为()。
A: 几何条件B: 平衡条件C: 变形条件正确答案:(单选题)3: 组合结点是()。
A: 被连接的杆件在连接处不能移动但可转动B: 被连接的杆件在连接处不能移动亦不可相对转动C: 被连接的杆件在连接处不能移动但部分杆可转动正确答案:(单选题)4: 一端固结一端滑动铰接梁转动刚度为()。
A: 3iB: 4iC: i正确答案:(单选题)5: 关于力矩分配法描述正确的为()。
A: 结点不平衡力矩不变号分配B: 不能同时放松相邻结点C: 多结点力矩分配法得到精确解正确答案:(单选题)6: 位移法的基本未知量为()。
A: 独立的结点位移B: 结点位移C: 结构位移正确答案:(单选题)7: 力法的基本方程为()。
A: 平衡条件B: 变形协调条件C: 基本未知力正确答案:(单选题)8: 关于力法的描述正确的是()。
A: 主系数满足位移互等定理B: 柔度系数与外界因素有关C: 荷载作用时,内力分布与绝对刚度大小无关正确答案:(单选题)9: 关于超静定力的影响线的描述错误为()。
A: 对应于几何不变体系的虚位移图B: 曲线C: 对应于几何可变体系的虚位移图正确答案:(单选题)10: 能组成无多余约束的几何不变体系为()。
A: 两个刚片铰、杆连B: 三个刚片三铰连C: 两个刚片三杆连,三杆不共点正确答案:(单选题)11: 单跨静定梁的反力影响线为()。
A: 两条平行线B: 一条直线C: 两条直线组成的折线正确答案:(单选题)12: 直接平衡方程法利用()求解。
A: 转角位移方程B: 变形方程C: 转角方程正确答案:(单选题)13: 桁架中某弦杆的内力计算一般是()。
A: 对应弦杆上某点的弯矩平衡来求解B: 利用腹杆的投影平衡来求解C: 利用对称来求解正确答案:(单选题)14: 梁是()。
结构力学课程——作业一1. 荷载类型有哪些?答:荷载按作用时间的久暂可分为恒载和活载;按荷载的作用位置是否变化分为固定荷载和移动荷载;根据荷载对结构所产生的动力效应大小分为静力荷载和动力荷载。
2. 简述支座和结点类型,并画出相应的计算简图。
答:支座分为:活动铰支座、固定铰支座、固定支座、滑动支座。
计算简图如下:结点主要分为:铰结点、刚结点、组合结点。
计算简图如下:3. 名词解释:1)自由度;2)计算自由度;3)联系;4)瞬变体系;5)常变体系;6)刚片;7)几何不变体系;8)几何可变体系;9)拱轴线;10)高跨比自由度:是指体系远动时所具有的独立运动方式数目,也就是体系运动时可以独立变化的几何参数数目,或者说确定体系位置所需的独立坐标数目。
计算自由度:在分析体系是否几何不变时,可以根据体系的自由度W首先判断联系的数目是否足够。
为此,把W称为体系的计算自由度。
联系:限制运动的装置称为联系(或约束),体系的自由度可因加入联系而减少,能减少一个自由度的装置称为一个联系。
原为几何可变,经微小位移后即转化为几何不变的体系,称为瞬变体系。
经微小位移后仍能继续发生刚体运动的几何可变体系称为常变体系。
在机动分析中,由于不考虑材料的变形,因此可以把一根杆件或已知是几何不变的部分看作是一个刚体,在平面体系中又将刚体称为刚片。
由两根杆件与地基组成的胶结三角形,受到任意荷载作用时,若不考虑材料的变形,则其几何形状与位置均能保持不变,这样的体系称为几何不变体系。
胶结四边形,即使不考虑材料的变形,在很小的荷载作用下,也会发生机械运动而不能保持原有的几何形状和位置,这样的体系称为几何可变体系。
拱身各横截面形心的连线称为拱轴线。
拱高与跨度之比f/l称为高跨比。
4. 试述几何不变体系的三个基本组成规则,为什么说它们是同一规则。
答:几何不变体系的三个基本组成规则为:1、三刚片规则:三个刚片用不在同一直线上的三个单铰两两铰联,组成的体系是几何不变的,而且没有多余的联系。
2、二元体规则:在一个刚片上增加一个二元体,仍为几何不变体系,而且没有多余联系。
3、两刚片规则:两个刚片用一个铰和一根不通过此铰的链杆相联,为几何不变体系,而且没有多余联系;或者两个刚片用三根不全平行也不交于同一点的链杆相联,为几何不变体系,而且没有多余联系。
几何不变体系的三个基本组成规则,其实质都只是一个规则,即三刚片规则,所以说它们是同一规则。
5. 说明何为单铰、复铰和虚铰。
答:用一个铰把两个刚片联结起来,这种联结两个刚片的铰称为单铰。
一个铰同时联结两个以上的刚片,这种铰称为复铰。
联结两个刚片的两根链杆的作用相当于在其交点处的一个单铰,不过这个铰的位置是随着链杆的转动而改变的,这种铰称为虚铰。
6. 静定结构的特征是什么?答:只有无多余联系的几何不变体系才是静定的,即静定结构的特征是几何不变且无多余联系。
7. 拱的类型有哪些?拱结构与推力结构的区别是什么?答:拱的常用形式有三铰拱、两铰拱和无铰拱等几种。
凡在竖向荷载作用下会产生水平反力的结构都可称为拱式结构或推力结构,但拱式结构的杆轴线为曲线,但推力结构的杆轴线不一定是曲线,如三铰刚架等。
8. 试对下面所示平面体系进行机动分析,要求画图说明分析过程,指明哪个部分为刚片,及采用何原则进行的几何分析,具体过程如同书中例题。
A B C(a)将AC、AB和大地分别看为一个刚片,DF和DE分别看为大地与AC和AB相连的一个链杆。
则刚片AC和刚片AB通过铰A相连,刚片AC与大地通过虚铰H相连,刚片AB与大地通过虚铰G相连,A、H、G不在一条线,因此根据三刚片规则可知此平面体系为几何不变体系。
(b)根据三刚片原则,三角形ABD和BCE均为几个不变体系,可看作是刚片,所以将ADB、BEC和大地视为三个刚片,F处的固定支座可看作是一个铰结点,DF和FE分别为两根链杆,根据三刚片原则,三个刚片分别铰接于A、B、C三点,三点在一条直线上,所以属于瞬变体系。
9. 请画出图示单跨梁、多跨梁的剪力图(F S )和弯矩图(M ),如图2中(a )、(b )所示。
M(a )(b )图 2 题9F S 图,单位KNM 图,单位KN •m(b )答案,支座A 、支座B 、支座C 和支座D 的支座反力分别为M/a 、-3M/a 、4M/a 和-2M/a ,D 支座弯矩2M 。
M40F S 图,单位KNM 图,单位KN •m(a )答案,支座A 和支座B 的支座反力分别为65KN 和95KN10. 请画出图示刚架的轴力图(F N)、剪力图(F S)和弯矩图(M),如图3中(a)、(b)所示。
(a)(b)图3 题10F N 图,单位KN(a )答案,支座A ,F Ax =40KN ,F Ay =20KN 支座B ,F By =60KN 。
F Ax20F S 图,单位KN 60 40M 图,单位KN •m(b )10F N 图,单位KNF S 图,单位KN M 图,单位KN •m(b )答案,支座A ,F Ax =0KN ,F Ay =10KN ;支座B ,F B =10KN 。
方向如图所示。
F Ax11.图4中所示三铰拱的轴线方程为)(42x l x lfy -=,试求截面K 的内力,请写出详细的解题步骤。
()KN 0.41351.050936.08055sin cos 0-=⨯-⨯-=-=ϕϕH S SKR F F F KN 9.33351.050936.055sin cos 0=⨯-⨯=-=ϕϕH S SKL F F F ()KN 0.38936.050351.08055cos sin 0=⨯+⨯-=+=ϕϕH S NKR F F F KN 1.66936.050351.055cos sin 0=⨯+⨯=+=ϕϕH S NKL F F F结构力学课程——作业二1.简述桁架结构与梁和刚架结构的区别。
答:各杆件受力均以单向拉、压为主,通过对上下弦杆和腹杆的合理布置,可适应结构内部的弯矩和剪力分布。
由于水平方向的拉、压内力实现了自身平衡,整个结构不对支座产生水平推力。
结构布置灵活,应用范围非常广。
桁架梁和实腹梁(即我们一般所见的梁)相比,在抗弯方面,由于将受拉与受压的截面集中布置在上下两端,增大了内力臂,使得以同样的材料用量,实现了更大的抗弯强度。
在抗剪方面,通过合理布置腹杆,能够将剪力逐步传递给支座。
这样无论是抗弯还是抗剪,桁架结构都能够使材料强度得到充分发挥,从而适用于各种跨度的建筑屋盖结构。
更重要的意义还在于,它将横弯作用下的实腹梁内部复杂的应力状态转化为桁架杆件内简单的拉压应力状态,使我们能够直观地了解力的分布和传递,便于结构的变化和组合。
钢架结构是以两f =4m图4 题11根主要的钢配上一些辅助的钢架以起承重或者抗拉的作用。
2.简述虚功原理及虚功原理的具体应用方式。
答:设满足理想约束的刚体体系上作用任何的平衡力系,又假设体系发生满足约束条件的无限小的刚体位移,则主动力在位移上所做的虚功总和恒为零。
3.简述图乘法的注意事项。
答:(1)应用条件:杆段必须是直杆,且EI为常数,有两个图形至少有一个是直线图形。
(2)正负号规则:面积 A 与纵坐标y c在同一侧时,乘积取正号;反之取负号。
(3)如果一个图形是曲线,一个图形是直线,则纵坐标y c 可以取自于其中直线图形。
如果两个图形都是直线图形,则纵坐标y c 可以取自于其中任一图形。
(4)如果一个图形为曲线,另一个图形为折线,则应分段考虑。
(5)当图形的面积的计算或形心位置不易确定时,可将其分解为几个简单的图形,分别进行图乘再叠加计算。
4.请叙述力法的基本概念和力法典型方程及其中系数的物理意义。
答:力法的基本思路:把超静定结构的计算问题转化为静定结构的计算问题。
(1)确定力法的基本量:力法的基本体系:含有多余未知力的静定结构力法的基本结构:超静定结构中束去掉多余约得到的静定结构力法的基本未知量:多余未知力(2)力法的基本方程基本体系上与多余未知力相应的位移与原超静定结构上多余约束处的位移条件一致。
一般情况下,支座处的为为0。
图5.6中:ΔCy=0;图5.6中:ΔBy=0以图5.6结构为例:叠加原理:,统一写成其中:Δ1是基本体系上多余未知力X1方向的位移(图5.8a);Δ1P 是基本结构在实际荷载作用下沿多余未知力X1 方向的位移(图5.8b);Δ11是基本结构在多余未知力X1单独作用下沿多余未知力X1方向的位移(图5.8c)。
位移与多余未知力方向一致时为正。
图5.8Δ11=δ11X1δ11表示单位未知力X1 =1的作用,使基本结构在多余未知力X1方向产生的位移力法典型方程:δ11X1+ Δ1P =05.名词解释:1)结点法;2)截面法;3)零杆;答:1、结点法:2、截面法:3、零杆:6.请标出图1所示桁架中的零杆。
答案:图中红色的杆即为零杆,共有四根。
7.请计算图2所示桁架各杆内力。
答:首先求支座反力,首先对A 点求矩,得支座B 的反力,列竖向力的平衡方程即得出支座A 的反力。
457502460166032=⇒=⇒=⨯-⨯-⨯A B B F F F然后,利用结点法,从A 点开始,一个结点接着一个结点求解,各杆的内力分别为:F N1=-60KN ,F N2=75KN ,F N3=-30KN ,F N4=-90KN ,F N5=42.4KN ,F N6=61.8KN ,F N7=-60KN ,F N8=-90KN ,F N9=-14.1KN ,F N10=103.1KN ,F N11=10KN ,F N12=-100KN ,F N13=125KN8.结合自己所学习的知识,请用较简便的方法求解图3所示桁架指定杆件内力,请写明计算步骤。
答:先利用截面法,从面I-I 处截开,以左半部分为隔离体,对支座处C 点求距可直接求得1截面处的力:F 011-=⇒=⋅+⋅F d F d F接着利用结点法,将A 点周围的杆截断,列竖向平衡方程可求出杆AB 的内力为F ,再利用结点法,图5 题9图2 题660KN 60KN将D 点周围的杆截断,可得BD 杆的内力为-F ,最后再利用结点法,将B 点周围得杆截断,只有杆BF 和杆BE 的力未知,且二者相互垂直,以BF 杆为x 轴,则BE 杆为y 轴,将杆AB 和杆BD 的力向BF 杆上投影,可求出BF 杆内力,即截面2的内力,答案为零。
9.请求解图4所示刚架B 点的水平位移。
EI 为常数。
请写明计算步骤。
答:首先求解实际状态和虚拟状态下结构的支座反力,实际状态支座反力分别为:F Ax =ql ,F Ay =0.5ql ,F B =0.5ql 。
虚拟状态的支座反力均为1。
方向如图所示。
根据图示受力状态列出积分等式:10.求图5所示悬臂梁中点C 的挠度。