剪板机的相关参数
- 格式:pptx
- 大小:63.40 KB
- 文档页数:19
剪板机技术规格及要求设备名称:QC11Y-25×2500液压闸式剪板机一、基本技术规格和要求:型号/规格:QC11Y-25×2500液压闸式剪板机1、可剪最大板厚25mm2、可剪最大板宽2500 mm3、板材抗拉强度450 N/mm24剪切角1.50-3.505剪切次数6-15 min-16后挡料最大距离20-1000 mm 7刀片长度2600 mm8主电动机功率37 KW9齿轮泵NT4-G63F10刀片材质6CrW2Si11外形尺寸长3300,宽2000,高2650 二、剪板机设计、制造验收标准按照国家下列标准设计JB5197-91 《剪板机技术条件》JB/T14404-93 《剪板机精度》三、基本配置要求:1、选用国内知名品牌产品。
2、配套的电器元件、电机、液压元器件、轴承、等外购件选用国际国内知名品牌产品。
四、其它:1、设备交付时提供技术资料:·精度检验合格证、合格证。
(各一份)·产品使用说明书(二份)·易损件明细表、外购件明细表(各二份)·总图、安装基础图、机械传动图、液压原理图、非易损件图、电气原理图、电气接线图等图纸(二套)2. 需附本剪板机配套的一整套刀片及脚踏开关,刀片要求国际国内知名品牌产品;3、人员培训:提供必要的培训,达到熟练操作设备和简单维修的能力。
4、设备的安装验收:供方负责该设备安装调试,所用工具、量具自备,需方提供起重设备配合,供方人员食宿自理,但需方提供方便。
安装调试完毕,双方共同组织初验收,合格后设备经过1个月试运行,无质量问题视为终验收,开始计算质量保证期5、售后服务:按国家的有关规定一年免费保修,保修日期从正式交付使用之日起计算。
剪板机参数剪板机是一种常见的机械设备,用于将金属板材按照一定尺寸进行切割和加工。
剪板机的参数是指影响其工作性能和加工质量的关键因素,包括切割厚度、切割宽度、切割角度、切割速度等。
下面将逐一介绍剪板机的各项参数。
1. 切割厚度:剪板机的切割厚度是指能够处理的金属板材的最大厚度。
不同型号的剪板机切割厚度不同,通常在3mm至30mm之间。
切割厚度过大会增加剪板机的负荷,影响切割速度和精度,因此在选择剪板机时需要根据实际需求进行合理选择。
2. 切割宽度:剪板机的切割宽度是指切割刀口的宽度。
切割宽度决定了剪板机的切割精度和切割速度。
通常情况下,切割宽度越小,切割精度越高,但切割速度相应会减慢。
因此,在选择剪板机时需要根据具体需求平衡切割精度和切割速度。
3. 切割角度:剪板机的切割角度是指切割刀口与金属板材边缘之间的夹角。
切割角度的选择与金属板材的材质和切割目的有关。
通常情况下,切割角度在0°至2°之间,较小的切割角度可以减少切割残余物,提高切割质量。
4. 切割速度:剪板机的切割速度是指切割刀口在单位时间内移动的距离。
切割速度的选择需要根据金属板材的材质和切割要求进行调整。
如果切割速度过快,可能会导致切割质量下降;而切割速度过慢,则会影响生产效率。
5. 切割质量:剪板机的切割质量是指切割后金属板材的平整度和光洁度。
切割质量受到多个参数的影响,包括切割厚度、切割宽度、切割角度、切割速度等。
为了保证切割质量,需要合理选择剪板机的参数,并进行定期维护和保养。
6. 安全性:剪板机的安全性是指在操作和使用过程中是否存在安全隐患。
剪板机作为一种机械设备,需要符合相关的安全标准和规定。
在选择和使用剪板机时,需要注意其安全性能,确保操作人员的安全。
7. 自动化程度:剪板机的自动化程度是指其在操作和控制方面的自动化程度。
高度自动化的剪板机可以实现自动上料、自动定位和自动切割等功能,极大地提高了生产效率和工作精度。
地址:江苏省海安县李堡镇工业园区 邮政编码:226631闸式剪板机技术参数及配置一、 机床型号名称:1、 型 号: QC11Y-20×2500闸式剪板机2、 品 牌: “ ”二、主要参数:1、可剪最大板厚 20 mm2、可剪最大板宽 2500 mm3、剪切角 30' - 3°4、被剪料强度 450 N/mm 25、后挡料最大距离 800 mm6、刀片长度 2600 mm7、主电动机功率 30 KW8、喉口深度 120 mm三、剪板机设计、制造验收标准 按照国家下列标准设计JB5197-91 《剪板机 技术条件》JB/T14404-93《剪板机 精度》四、性能特点:★ 第二代液压剪板机★ 机架采用整体焊接结构,经振动消除应力,精度保持性好。
★ 采用先进的集成式液压系统,可靠性好。
★ 采用三点支撑滚动导轨,消除支撑间隙,提高剪切质量。
★ 刀片间隙减速电机调整迅速,准确,方便。
★矩形刀片,四个刃口均可使用,使用寿命长。
★剪切角可调,减少板料扭曲变形。
★上刀架采用内倾结构,便于落料,提高了制件的精度。
★电动后挡料,RT200中文数显系统。
五、主要配置:◆配国内名牌液压集成系统◆主要液压件配江苏建湖◆配国内名牌轴向柱塞泵◆配美国派克(PARKER)密封◆配西门子电气元件◆油缸为江苏建湖生产◆刀片为上海生产◆配前托料架六、随机技术文件:1、使用说明书(包括液压原理图、电气原理图、机床基础图)2、合格证明书3、装箱单(包括随机附件)4、机床颜色为公司标准色,可根据用户要求定做。
七、技术培训公司负责对用户操作人员进行培训。
第一次在公司调试时派员来公司培训,第二次在用户调试时进行培训,让用户正确操作,设备正常运转。
地址:江苏省海安县李堡镇工业园区邮政编码:226631八、质量保证公司对用户购买的产品,在使用期内负责维修(如使用不当所引起的设备损坏,维修费用由使用方支付)。
质保期为调试结束之日的12个月。
剪板机技术参数剪板机是一种用来切割金属板材的机械设备,广泛应用于金属加工行业。
在选择和使用剪板机时,了解其技术参数是非常重要的。
下面将从切割能力、切割精度、切割速度、刀具材质和结构等方面介绍剪板机的技术参数。
一、切割能力剪板机的切割能力是指其可以切割的最大厚度和最大宽度。
一般来说,剪板机的切割能力越大,适用范围就越广。
切割能力通常以毫米为单位进行标注,例如最大切割厚度为12mm,最大切割宽度为2500mm。
二、切割精度切割精度是指剪板机在切割过程中的尺寸误差。
剪板机的切割精度主要受到刀具的质量、切割速度和工件材料等因素的影响。
通常情况下,剪板机的切割精度可以控制在0.1mm以内,高精度的剪板机甚至可以达到0.05mm的切割精度。
三、切割速度切割速度是指剪板机在单位时间内切割工件的长度。
切割速度通常以米/分钟为单位进行标注,例如切割速度为20m/min。
切割速度的选择应根据工件材料的硬度、切割精度要求和生产效率等因素进行综合考虑。
四、刀具材质和结构剪板机的刀具是进行切割的关键部件,其材质和结构对切割质量和寿命有着重要影响。
常见的剪板机刀具材质有合金钢、高速钢和硬质合金等。
不同材质的刀具适用于不同的切割材料和切割要求。
此外,剪板机的刀具结构也有多种,如直刀、弯刀、波纹刀等,可以根据具体需求选择合适的刀具结构。
五、控制系统剪板机的控制系统是指控制剪板机运行的电气和液压系统。
控制系统的性能直接影响到剪板机的精度和稳定性。
先进的剪板机通常配备了PLC控制系统,可以实现自动化控制、切割长度的精确调节和故障自诊断等功能。
六、安全防护措施在使用剪板机时,安全是首要考虑的因素。
剪板机应配备完善的安全防护措施,如防护罩、急停按钮、光电保护装置等,以确保操作人员的人身安全。
总结起来,剪板机的技术参数包括切割能力、切割精度、切割速度、刀具材质和结构、控制系统以及安全防护措施等。
在选择和使用剪板机时,需要根据具体需求进行合理的技术参数选择,以提高生产效率、保证切割质量和确保操作安全。
以下为剪板机的参数说明,一起来看看吧。
一、参数功能说明00 模式设定0 0=基本模式;1=基本模式加后退让. 推荐值(0)01 定位精度0.1 单位为+/-0.01mm 推荐值(0.14)02 退让长度0 后退让长度设定(单位mm) 推荐值(0)03 传动系数传动比:脉冲/传动比=mm 推荐值(16.66)04 减速距离到目标位置前的距离(单位mm)推荐值(0)05 定位时间设定在目标位停留至确定的时间(单位0.1秒)推荐值(1)06 慢速速度设定值0.5-0.05,通常为0.2-0.1(单位0.1秒) 推荐值(0.25)07 前限位设定值根据机械具体情况设定.(单位mm) 推荐值(10)08 后限位设定值根据机械具体情况设定.(单位mm) 推荐值(450)进入工程参数设定的方法:按住编程键大约3秒,至程序栏出现闪动的"P″,然后,按┼, —键选择要修改的参数,把数字输入,然后按ENT键,要退出参数设定状态再按一次编程键就退回主画面.参数设定完成后,要关电源,再开电源,数据才能保存.二.模式说明:MD11-1共有2种运行模式模式0:运行与开关输出说明:工作过程是:按下运行键后,假设实际位置和目标位置相差超过2mm(减速距离可由参数设定),则R1端子输出电位信号;如果实际位置和目标位置相差少于减速距离,则R1端子输出脉冲信号(慢速信号),面板的运行指示灯分别用快闪和慢闪,指示快速或慢速运行状态,当实际位置和设定位置相等时,运行指示灯会长亮,指示到位停止,但停止还有一个参数决定,就是参数5,参数5可设定实际位置和设定位置重合(停留)的时间,从而可更精确地定位在设定位置.例如:如果慢速较快,则两者重合时间也较短,这时可能出现过冲,如果设定较长的停留时间,则此时不会结束定位,而继续用慢速反复定位至较精确位置,但停留判断时间也不宜过长,否则影响定位速度,要根据机台的磨擦力、电机速度等情况现场经验而定。
模式1:基本模式加后退让此模式是在模式0基础上增加了后退让功能,后退让的工作过程是:当刀片下降离开行程开关时,后挡位以快速后退,后退量可由参数2设定(单位为毫米),由于是快速后退,并不考虑精度,然后当压板上升后,压到行程开关时(行程开关压住时通电)系统重新用快速至慢速定位到目标位置,此时由于慢速定位所以有正常的精度。
QC11Y—6×4000液压闸式剪板机使用说明书
可剪板厚: 6 mm
可剪板宽: 4000 mm
出厂编号:
宏威重工机床制造
图1压料油缸
图2前支承
图3后支承
图4刀片间隙调整机构
六、机器的吊运和安装
1、机器按搬运吊装根据如图所示方法吊运(图7)。
2、机器的基础(图8)。
基础尺寸按基础图预先做好。
3、机器的安装
机器在安装固定时,应拆去工作台面上的滚球罩壳,用一米直尺量于两垫块上,再用水平仪纵横方向校正,在每1000mm允差不大于0.2mm。
七、机器的润滑
1、本机器各主要润滑点采用油枪注入式分散和润滑,各润滑点如下:
润滑点序号润滑点名称油量大小加油间隔时间润滑油种类牌号
1 上刀架后支承左右各一点中8h
钙基润滑脂
ZG-3GB491-65
机械油
N4GB443-84
2 上刀架前支承左右各一点小8h
3 左右活塞杠下端各一点小8h
4 左右后挡料丝杠螺杠各一点小8h
注:(1)钙基润滑脂50%,机械油50%混合使用。
(2)石墨锂基脂必须加30%机械油混合使用。
第一次加油使用三个月后必须更换新
图7机器吊运
图8
QC11Y—6×4000液压闸式剪板机合格证明书
可剪板厚: 6 mm
可剪板宽: 4000 mm
出厂编号:
宏威重工机床制造
(原宏威机床)。
2 剪板机基本性能参数2.1剪板机规格与技术特征板材长度 6000--12000mm 板材宽度 1000—2500mm 板材厚度 6-----30mm 板材强度极限 640N /m ㎡ 板材延伸率 17℅ 上刀刃倾角 2°13′ 上下刀刃间的间隙 1mm 刀刃磨钝系数 1.2 曲轴半径 105mm 剪刀开口度 210mm 剪刀长度 2500mm 每分钟剪切次数 3-7次/min2.2剪板机基本性能参数决定剪板机性能的主要有:剪板机的剪切力,压料力,剪切角和上刀片的行程量。
2.2.1剪切力确定斜刃剪板机的总剪切力比平刃剪板机的小,它包含三个组成部分:基本剪切力;被剪下部分板料的弯曲抗力以及板料在剪切区变形的弯曲抗力。
总剪切力与剪切角的关系接近反比例,即随着剪切角的增加而减小。
)10116.01(6.025525X y tg Z tg h k P b b zh δδδϕϕδσ+++⋅= N式中 k ——刀片的磨钝系数,k=1.2b σ——被剪金属的抗拉强度 b σ=640 N /m ㎡5δ——被剪金属的伸长率 5δ=17℅h ——被剪板厚(毫米)h=30mm ϕ——剪切角(度)ϕ=2°13′ △——刀片间隙(毫米)△= 1mmy ——刀片间隙的相对值,y=△/hC ——压料脚轴线到下刀刃的距离(毫米),从表2-2中查得 C=90 X ——压料脚距离的相对值,X=C/h=3 Z ——弯曲系数,取0.95表2-2 压料脚轴线到下刀刃的距离h (毫米) 2.5~6.3 10~12.5 16~32 C (毫米) 657090因此zhP =3.54×10⒍N2.2.2压料力的确定在剪切过程中,上刀片对板料作用着一个向前的水平推力T 。
为防止板料的位移,压料力必须使板料顶面和底面上产生的水平方向摩擦力大于T 。
剪切开始,上刀片的切入深度达到被剪板厚的瞬间,板料顶面和底面产生的摩擦力均为)(1y zh P P F +=μ N;当剪切继续进行超过上述瞬间,则板料顶面摩擦力为yP F μ=2 N ;而板料底面的摩擦力仍然不变T F F ≥+21;T=0.3zhP N ;因此zhy zh P P P 3.0)2(≥+μ,当 15.0=μ时,zhy P P 21=N应该说,压料力随总剪切力增大而增大。
目录一、剪板机工作原理及设计要求 (1)二、机械设计方案拟定 (3)三、机械原理分析及构件尺寸的计算 (6)四、机械变速传动设计 (12)五、运动循环图 (13)六、机械运动分析 (14)七、设计总结 (21)八、参考文献 (22)一、剪板机工作原理及设计要求1.工作原理及工艺过程本剪板机是将卷料展开并剪成一定长度铁板的机器,即将板料作定长度的间歇送进,在板料短暂的停歇时间内,剪刀在一定位置上将铁板剪断,其工艺过程由输送原材料和剪板两个过程来完成。
2.原始数据及设计要求原材料为成卷的板料。
每次输送铁板长度L=1900或2000或2200mm (设计时任选一种)。
(1)每次输送铁板到达规定长度后,铁板稍停,以待剪板机构将其剪断。
剪断工艺所需时间约为铁板输送周期的十五分之一。
建议铁板停歇时间不超过剪断工艺时间的1.5倍,以保证有较高的生产率。
(2)输送机构运转应平稳,振动和冲击应尽量小(即要求输送机构从动件的加速度曲线连续无突变)。
3.机械系统功能分析剪板机要实现将卷料展开并剪成一定长度铁板,采用两个相互配合的间歇机构来实现停歇与剪板。
利用附加曲柄摇杆机构实现连续转动。
利用两个滚轮将铁板压紧,依靠滚轮和铁板间的摩擦力将铁板从卷料上拉出并推向前进的输送方式。
原理分析如下:在主动曲柄AB(齿轮1)等速转动,系杆H变速运动的一周内,齿轮4在某一时间内总能使其角速度为零。
在主动曲柄AB(齿轮1)等速转动一周的时间内,从动齿轮4按下述规律运动:当曲柄开始转过某一角度时间内时,齿轮4停歇不动,以等待剪切机构将铁板剪断;在主动曲柄转过一周中其余角度时,输出构件4转过另一角度,这时刚好将铁板输送到所要求的长度L。
原理图如下:二、机械设计方案拟定1.输送机构方案的比较和拟定方案一:不完全齿轮机构利用不完全齿轮实现间歇输送板料在主动轮上作出一部分的轮齿,根据运动时间与停歇时间的要求,在从动轮上做出与主动轮相齿和的轮齿,当主动轮做连续回转运动时从动轮做间歇回转运动。
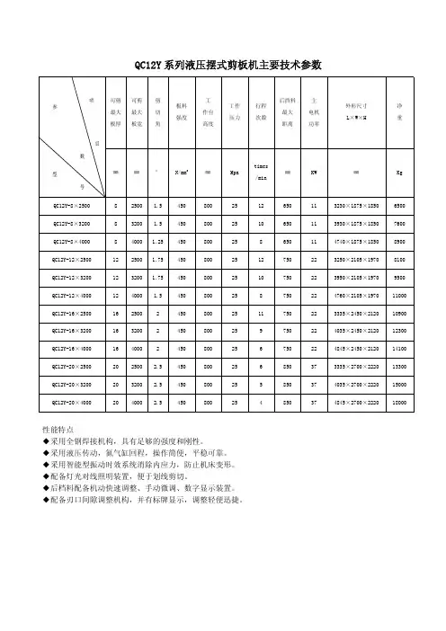
江苏天开锻压科技开发有限公司QC12Y-4×2500液压摆式剪板机技术文件一、主要特点及用途设备名称: 液压摆式剪板机(后档料值LED数字显示)规格型号: QC12Y-4×2500二、设备结构性能及参数:性能特点:1)床身采用全钢板焊接结构,振动时效消除应力,保证机床具有较高静态,动态钢度和减震性能,确保机床精度能长久保持。
2)液压系统先进可靠,有效解决泄露问题,有过载保护,缓冲装置,可保证剪板机的剪切精度及运行平稳。
3)有机动后挡料装置,具有良好翻转功能以利于较长板料剪切时的出料,调整快速。
可手动微调,有数字显示挡料位置。
4)具有计数功能及行程调节功能,生产效率高。
5)具有单次,连续剪切功能,调试使用维修方便。
6)工作台装有滚动托料钢球,设有机电联锁的安全保护装置,符合国家安全技术条件标准。
技术参数:可剪最大板厚4mm(抗拉强度为450Mpa)2mm(抗拉强度为680Mpa不锈钢)可剪最小板厚 0.6mm可剪最大板宽 2500mm后挡料调节范围10-500mm刀片长度 2600mm工作台离地面高度 780mm主电机功率 5.5KW后挡料电机功率 0.55 KW油箱容积 200 L(46号液压油)三、主要配套件供应商:1.油泵:启东轴向柱塞泵2油缸:南通宏盛3油缸主要密封圈:进口日本NOK密封圈4集成阀:海门新博5电机:华滨电机、皖南电机、贝得6刀片:上海刀片厂材质:6CrW2Si7接触器:苏州西门子、施耐德8数显:T10四、供货分交:卖方供货范围:1、主机:一台2、脚踏开关:一只3、前托料架:三条(起刀口带可调栓柱、角尺板)4、刀片(已装在机器上)一付5、地脚螺栓:一套6、备用密封件、充气工具、黄油枪、专用工具:各一套五.安装条件1)买方按照卖方提供的设备基础图进行设备基础施工2)电源要求:380V±10%, 50Hz,11KW六.交货要求:1)供货周期:合同签订15日内。
液压闸式剪板机共11页使用说明书第 1 页一、 机床技术规格数值序号名称3×1500单位备注1 切断板料的厚度 3 mm2 切断板料的最大长度 1500 mm3 被剪切材料抗拉强度极限 400 N/mm4 最大剪切次数 20 min5 压料力 4000 N6 空载行程次数 20 min7 上刀片剪切角度2°度8 刀片全长 1540 mm9 墙板间距离 1775 mm10 工作台离地面高度 800 mm型号Y112M-4 B5 11 主电动机功率 4转数 1440型号MCY14-1B12 轴向柱塞泵排量 10压力31.5长 220013 外形尺寸宽 900高 1250液压闸式剪板机共11页使用说明书第 2 页二、机器的主要用途、性能和特点本机器用于剪切厚度为3mm,宽度为1500mm的钢板。
被剪切板料强度以450N/mm2为准,如需剪切其它强度的板料时,应相应减薄被剪板料的厚度。
本机器采用钢板焊接结构、液压传动,蓄能器回程、工作平衡可靠、机器体积小、重量轻、刚性好。
三、机器的液压传动系统机器的液压系统(见图1)主要有10MCY14-1B轴向柱塞泵2、电磁溢流阀,整个系统比较合理。
系统所需的压力油由10MCY-1B轴向柱塞泵2供给,系统的最大工作压力为18MPa。
上刀架的回程由蓄能器来完成,氮气缸压力为4MPa左右。
液压系统的工作原理(见图1):当油泵工作时所输出的油液经管道进入各工作油缸,电磁阀不接通时,油液亦经回油箱,此时主油路也不建立力.机器就不产生任何动作.当电磁换向阀接通电源换向后,控制油经电磁换向阀调定之压力下值下是关闭的,所以油路压力逐渐升高,实行剪切,完成剪切后在蓄能器的作用下,上刀架回程.使用说明书第 3 页液压系统的故障及排除故障现象产生原因排除方法电磁换向阀电器插头接触不良检修电器插头油路建立不起压力上刀架无动作电磁换向阀阀芯被杂物卡死或拉毛而不动作溢流阀各阀芯密封口有杂物而不起封闭作用溢流阀内各节流孔阻塞检查拆洗上刀架回程缓慢或不能回至上死点上刀架与压料缺动作顺序不协调蓄能器气压力不足蓄能器充气提高压力使用说明书第 1 页目录一、机器的基本参数 (1)二、机器的主要用途、性能和特点 (2)三、机器的液压传动系统 (2)四、机器的结构 (5)五、机器的电气系统 (5)六、机器的吊运和安装 (8)七、机器的润滑 (8)八、机器的调整和操作………………………10、11使用说明书第 5 页四、机器的结构1、机架:由钢板焊接的框形结构,具有良好的刚性,两缸固定于左右立柱上,操作轻便.2、上刀架:为一钢板焊接结构,具有良好的刚性,在左右油缸蓄能器的驱动下作上,下往复运动完成剪切.3、压料装置:压料装置是把被剪切板料牢固地压紧在工作台上以免在剪切时产生移动和跳动.为上刀架向上运动时,在螺杆,螺母带动下使压板也上向运动,从而可进料进行再次剪切,在上刀架向下运动时,压板在剪切前先压住板料,以利产剪切.五、机器的电气系统本机器采用50HZ,380V三相四线制供电,机器的电机采用三相380V,对线灯采用单相220V,控制变压器采用二相380V, 控制变压器的输出供控制回路取用,其中24V供后挡料控制用.6V 供给指示灯,220V供给电磁换向阀及其它控制元件.机器的电气箱位于机床的左侧,控制整机电源.机器的操作元件,除脚踏开关SA外,全部集中在机床前面的按钮站上,每个操作元件的功能由其上方的形象符号标志.使用说明书第6页使用说明书第7页使 用 说 明 书第 8页六、机器的吊运和安装1、机器按搬运吊装图(见图1)所示方法吊运.2、机器的基础:(1)基础尺寸可参照安装基础图(见图)(2)基础周围的泥土必须劳实,深度按土壤的具体情况来决定. 3、机器的安装机器在安装固定时,用一米直尺量于两垫块上,再用水平仪作纵横方向校正在每1000mm 内允差不大于0.2mm.七、机器的润滑1、 本机器各主要润滑点采用油枪注入式分散润滑,各润滑点如下:注:(1)润脂50%,机械油50%,混合后使用.(2)基脂必须加30%机械油混合使用. 2、油箱内的油原则上半年换一次.润滑点序号 润 滑 点 名 称 油量大小加油间隙时间 润滑油种类及牌号1 压料导轨各一点 小 46 钙基润滑脂2 上刀架导轨各一点 小 24 ZG3 轴套左右各一点 小 48 机械油 4左右油缸活塞杆各一点中8N46GB443-84共1页 装 箱 单第1页出厂编号:QC11Y-3×1500型液压闸式剪板机可剪板厚 3 mm可剪板宽 1500 mm箱号1/1序号名称规格或标记数量1 使用说明书1份2 合格证明书1份3 装箱单1份4 主机1台5 地脚螺钉M16×300连螺母垫圈1套6 脚踏开关1件7 油枪1把8 塞尺1把装箱检验员:(签章)年月日液压闸式剪板机共11页使用说明书第11页2、操作前的准备:(1)清洗各机件表面之油污.注意球阀上刻线应指于开启位置.(2)各润滑部位注入润滑脂.(3)在有油箱中加入HL46液压油.(4)机器接地.接通电源.检查各电器动作协调性.13、操作:(1)开动机器作空运转若干循环,在确保无不正常情况后,试剪同厚度板料(由薄至厚)(2)在剪切过程中打开压力表开关,观察油路压力值,如有不正常可调整溢流阀,使之合乎规定要求.(3)操作时,如发现有不正常杂音或油箱过热现象,应立即停车检查.油箱最高温度<60℃。
配置介绍QC11Y-10*2500 液压闸式剪板机技术参数及配置中华人民共和国江苏一机机械科技有限公司目录一、公司简介二、剪板机技术文件1、机床型号名称2、机床主要参数3、剪板机设计、制造、验收标准4、机床主要性能特点5、齿轮泵6、机床主要配置7、机床随机技术文件8、随机附件、配套件清单9、随机技术文件清单江苏一机机械科技有限公司江苏一机机械科技有限公司成立于80年代中期,原名南通建锋机械厂,2006年更名为南通建锋机床制造有限公司,由于公司发展需求于2012年更名为江苏一机机械科技有限公司。
本公司是全国锻压机械行业的重点骨干企业。
公司位于苏中平原东部的西临新长铁路,紧邻204、328国道,距南通机场近半小时里程。
经过20多年的发展,公司已成为国内锻压机床行业生产规模大、品种全的骨干企业。
公司拥有各类技术人员20多人,生产职工200余人,是国内大型剪折卷机床生产基地之一。
公司专业生产“巨利”牌系列剪板机、折弯机、卷板机、开卷校平剪切生产线。
主要从事研究开发和制造数控型/普通型剪板机、折弯机、卷板机、压力机等高品质平板加工机械。
“巨利”产品广泛应用于航空、汽车、船舶、农机、电器、仪表、医疗器械、五金加工等生产加工领域。
公司拥有国内顶尖一流的剪、折、卷、校平生产线等多位专家,产品质量、技术水平位具同行前列:江苏一机机床正以超前的意识、全新的精神,融合国外先进技术,不断研制开发行业尖端产品,为“巨利”打造知名品牌奠定坚实的基础。
公司产品已立足于国际国内市场一席之地,以较高的性价比、优质的服务得到了社会各界的认可及好评。
公司秉承用户至上的宗旨,围绕用户需求设计生产优质产品,以全新的理念、创新的精神服务于国内外用户。
公司董事长左军先生率全体员工热忱欢迎海内外朋友洽谈合作,共创伟业!企业管理、品质保证、产品设计体系通过ISO9001-2000质量体系认证企业资格AAA级信用单位荣获《重合同守信用企业》的称号荣获《江苏省质量信得过产品》的称号QC11Y-10×2500剪板机技术参数及配置一、机床型号名称:1、型号:QC11Y-10*2500液压闸式剪板机2、品牌:“巨利”二、机床主要参数:名称数值单位可剪最大板厚10 mm可剪最大板宽2500 mm行程次数14-30板材抗拉强度450 N/mm²剪切角30′-1°30′后挡料最大距离20-600 mm刀片长度2600 mm主电机型号型号Y160M-4转速1460 r/min 功率11 KW齿轮泵NT3-G25F刀片材质9CrSi三、剪板机设计、制造、验收标准按照国家下列标准设计JB5197-91 《剪板机技术条件》JB/T14404-93 《剪板机精度》四、机床主要性能特点:液压闸门式剪板机是第二代液压剪板机,先欧美著名生产厂家都以生产液压闸式剪板机为主。
2)配置,3)基本参数PG01=0PG26=0PG21=0PG28=1PG29=2PG30=1PG31=1PG33=1PG34=0PG35=0PG36=0PG20=0PG53=0PG55=0PG56=0PG57=0PG61=1 (前送料辅退模=1,后档料辅退模式=0)PG16=3000PG17=250PG18=33PG04=0PG22=0PG02=0PG03=0PG14=0PG15=0PG05=50PG06=20PG32=30PG54=0PG19=10PG23=0PG07=0PG25=0PG27=0PG08=0PG09=0 (辅退延时)PG10=0PG11=0PG12=0PG13=0PG24=0PG37=0PG38=0PG39=0PG58=600 (剪切结束后,停靠位置)PG59=0PG60=0PG62=0PG40=0PG41=0PG42=0PG43=0PG44=0PG45=0PG46=0PG47=0PG48=0PG49=0PG50=0PG51=0PG52=0参数可以按上面进行设置轴参数Negative Axis Travel Limit =5最小极限Positive Axis Travel Limit =900最大极限Maximum Feed =4000最大速度Acceleration time =0.5 加速度Deceleration time =0.5 减速度S-curve time =0 不修改Proportional Gain =16.6666 增益,可以设置为16.6666的整数倍Derivative Gain =0 不修改Feed Forward =0 不修改Backward Proportional Gain =0 不修改Following Error Limit Feed =0 不修改Max. Following Error =0 不修改Emergency ramp time =0.2 不修改Enable Hardware Limits Management =1 不修改Type of HW Limits Management =1 不修改Hw limits level selection =0 不修改Unidirectional Motion Movement =0 不修改Unidirectional Motion Management =0 不修改Change Direction Timer =0 反向时间,当启用单向定位时有效Backslash correction at movement inversion =0 反向距离,当启动单向定位时有效Invert Backslash Direction =0 单向定位模式,0,1,2Index of first Compensation Table =0 区间补偿表设定Index of first Compensation Table for reverse movements =0 不修改Special compensation mode =0 不修改First Cross-Axes Compensation =0 不修改Master axis index associated to first Compensation Table =0 不修改Index of second Compensation Table =0 不修改Index of second Compensation Table for reverse movements =0 不修改Second Cross-Axes Compensation =0 不修改Master axis index associated to second Compensation Table =0 不修改Plasma Torch Heigh Control =0 不修改Plasma Torch Table Index =0 不修改Gantry Axes =0 不修改Slave Gantry Axes Index Table =0 不修改Number of encoder pulses/mm(mul) =1000 编码器一圈的脉冲数Number of encoder pulses/mm(div) =4 编码器一圈移动的距离Simulated Axis =0 模拟轴,实际机床必须为0Axis control mutiplier =0 不修改Encoder test type =0 不修改Positive insensitivity voltage =0 速度指令正向死区,用于正方向不到位Negative insensitivity voltage =0 速度指令反向死区,用于反方向不到位Enable Offset Auto-compensition =0 自动零飘修正,1启用DAC offset value =0 强制零飘修正值Maximum offset recovery voltage =0 自动零飘修正最大值Offset recovery time =0 自动零飘修正时间Enable DAC to work in 0/10v range =0 不修改Drive Enable Management =0 不修改Disable PLC Handshake to close Pos. Loop =0 不修改Control of “Diver Enable” during Motion =0 不修改Enable Forward/Backward Output mngt. =0 不修改Inverts DAC_POS sign =0 不修改Axis with mechanical Brake =0 不修改Motor Brake Management =0 不修改Motor Brake Timing =0 不修改Disable Alarm Axis not in Position =0 不修改Rough Positioning Tolerance =0.02 定位精度Fine Positioning Tolerance =0.02 定位精度Positioning Tolerance Monitioning Time =2 保持时间Drive enable time after an emergency stop =0 不修改SLV command VOUT disabling option =0 不修改Maximum Rapid feed =0 不修改Manual Feed =1000 手动速度REPOS speed =0 不修改Homing Parking Feed =0 不修改Optional lower absolute limit =0 不修改Optional upper absolute limit =0 不修改Optional lower TCP limit =0 不修改Optional upper TCP limit =0 不修改Homing type =0 回参类型,0=回参考点,1=回参并停靠,2=不回参考点Homing Quota =950 参考点设置Homing Switch Search Feed =1000 回参考点速度Homing Marker Search Feed =200 零信号速度Max distance Homing Switch -Marker =10 零信号搜索距离Parking Quota =500 停靠坐标,仅到回参类型=1时有效Invert Homing Direction =1 回参方向0或1Invert Encoder Counting =0 计数反向0或1Invert Analog Velocity Command =0 模拟量反向0或1Mark lever moitioring disab. Opt. =0 不修改ABSOLUTE Homing =1 不修改Independent feed-rate handling =0 不修改Diameter Programming =0 不修改“Distance To Go” with sign =0 不修改Torque reduction value =0 不修改Internal Resolution =0 不修改Extended resolution 0.0001 or =0 不修改Initially matched channel =0 不修改。