QC小组活动成果报告(楼板钢筋保护层厚度质量控制)
- 格式:docx
- 大小:290.53 KB
- 文档页数:8
2016年QC成果课题名称:提高混凝土结构钢筋保护层厚度合格率单位名称:华恒建设集团有限公司小组名称:宁波梅山保税港区三创基地研发园一期II标段项目QC小组撰稿人:罗久强时间:二○一六年十二月提高混凝土结构钢筋保护层厚度合格率宁波梅山保税港区三创基地研发园一期II 标段项目QC 小组1、工程概况工程名称宁波梅山保税港区三创基地研发园一期II 标段项目建设单位宁波梅港海洋投资有限公司施工单位华恒建设集团有限公司建筑面积总建筑29690.13㎡。
单体数量1个地下一层制表人: 制表时间:2016年5月10日2、小组简介小组名称宁波梅山保税港区三创基地研发园一期II 标段项目QC 小组课题类型现场型小组注册好HHC-2016-5课题注册号HHC-2016-5K 注册日期2016年5月1日活动时间2016年5月1~2016年7月31日小组成员10人QC 知识教育时间30学时/人序姓 名性别年龄学历职 务主要分工组内职务1陈国民男42本科项目经理全面负责组长2男50大专公司质安监管组员3钱善飞男44本科技术负责技术负责组员4罗久强男45本科总施工方案实施组员5杨江涛男45本科施工员方案实施组员6李学平男30本科安全员方案实施组员7周东杰男37本科安全员数据收集/制图组员8虞妙红女31本科质量员数据统计组员9男42大专班组长方案实施组员10董迪男42大专资料员方案实施组员2016年循环阶段5月6月7月8月序号日期内容1~1516~311~1516~311~1516~3111516~311选择课题2现状调查3设定目标4原因分析5要因确认6制定对策P7对策实施D8效果检查C制表人: 周东杰 制表时间:2016年5 月11日制表人:周东杰 制表时间:2016年5月11日9巩固措施10总结打算A三、选题理由4、现状调查小组成立后,我们QC小组成员于2016年5月18日对本工程正在施工的主体的钢筋保护层控制进行了调查和分析,如见下表:1、调查分析问题统计表序号检查项目总检测数(个)合格点(个)不合格点(个)不合格率(%)1梁墙柱侧面保护层69472231.9%2梁柱板节点部位保护层605646.7%3板底保护层423937.1%制表人:周东杰 制表时间:2016年5月19日按以上分析的数据,我们绘制了钢筋保护层质量缺陷统计表,如下表:质量缺陷统计表制表人:周东杰 制表时间:2016年5月21日根据以上统计针对钢筋保护层质量缺陷分布的31个不合格点,绘制如下饼分图:13%制表人:周东杰 制表时间:2016年5月23日2、设定目标依据分析:通过以上图示归纳出症结:钢筋保护层缺陷主要分布于梁墙柱侧面保护层,累计频率达到70.97%,是问题的主要症结。
QC成果之现浇板负筋保护层控制(一期)7#楼混凝土板面负筋保护层控制混凝土板面负筋保护层控制QC活动小组一、选题理由,一期,工程10#楼进入主体结构施工阶段~根据分公司年度创优计划~该栋楼拟申报市“优质结构奖”。
市“优质结构奖”评定依据为市优质结构奖检查评分细则。
分定性评价、定量评价二项。
其中定性检查为建设、施工、监理方对该项目的工程质量控制资料。
定量检查为工程结构施工的各主要环节、部位、工艺质量和安全生产、文明施工情况以及现场综合效果评分。
为确保评优成功~确定努力方向。
项目部对主体结构已完成的7#楼参照检查评分表做了评定。
得分率最低的为定量检查表二。
如下表结果:市建筑工程优质结构,质量检测,检查评分表,定量表二,工程名称:一期7#楼检查部位:第十层梁板检查日期: 2007年1月20日施工单位:项目部工程进度: 检查人员,签名,:检查标准检查实得检查内容扣分标准备注项目分情况分1、以市凡是有不合砼强质监回弹检测结果必须全部合格 2 格的均扣2 2 度站结分构抽测组检测数据为依据,2、十五已成层及钢筋保护层厚度,允许偏差:柱、型的1----3 其以梁为?5?、板、墙、壳为?3? 混凝下抽钢筋数量土结6 ,见注释, 4 测不钢筋间距:允许偏差:受力钢筋为构钢少于?10?、绑扎箍筋、横向钢筋间距筋扫1---3 一次~为?20? 描十六层及其以上抽测不少于二次依据《混凝土结构工程施工质量验收规范》(GB50204—2002)混凝土结构子分部工程第10.1.2条要求~结构实体检验的钢筋保护层合格率不小于90%。
根据此次我方委托的创新建筑工程质量检测咨询有限公司的实测结果~该层抽检板面负筋保护层的合格率为70%~远低于施工规范要求。
为此~项目部确立板面负筋保护层控制为创优的重点~成立QC小组进行控制。
二、小组概况QC小组简介表单位名称 ,二期,项目部注册登记号 2007-01 小组名称 QC小组活动时间 07年01月,07年06月课题名称混凝土板负筋保护层厚度控制活动人数 6人小组类型现场型活动次数每月二次使用统计工具排列图、关联图、雷达图、表组内职成员姓名性别年龄职称学历责男 26 工程师本科组长男 29 工程师专科副组长男 22 技术员专科成员男 23 技术员专科成员男 22 技术员专科成员男 23 工程师专科成员三、原因分析保护层垫块有偏差浇筑前人员踩踏砂浆垫块厚度人为踩踏不正确、易碎施工工艺落后板面负筋保护浇筑过程中人员踩踏层偏差大采用的施工做法不能保证质量达到规下料不准确范要求操作人员不重视钢筋加工尺寸偏差大负筋弯钩加工长度不准确施工人员对保护层控制的认识不足管理人员不重视四、要因确认:末端原因验证表序确认方负责验证结末端原因要因确认验证时间号法人果浇筑前人员踩踏通过合理安排钢筋绑扎、管线调查分2007-03-1 非要因预埋的施工顺序可解决析 26 浇筑过程中人员踩调查分2007-03- 踏通过设专用通道可解决非要因析 26下料不准确调查分2007-03-3 加强复核可解决非要因析 26 负筋弯钩加工长度调查研2007-03-4 不准确加强制作中的检查可解决非要因究 26管理人员不重视现场调2007-03-5 加强教育非要因查 26 操作人员不重视调查研2007-03-6 加强教育非要因究 26 采用的施工做法不能保证质量达到规调查研2007-03-7 改进施工工艺要因范要求究 26砂浆垫块厚度不正现场调2007-03-8 确、易碎采用定型垫块非要因查 26五、对策实施混凝土板负筋的控制通常采取的做法板负筋未端保护层依靠板端弯钩长度控制~板负筋中部保护层厚度用钢筋下加放П形钢筋马凳保证传统的板负筋保护层控制方法浇筑混凝土前~搭设施工操作通道~防止人员踩踏钢筋~保证浇筑混凝土过程中板筋的正确位置该做法的不足之处拆除通道时~对已修整的混凝土表面造成很大的破坏~不得不二次抹平~费时费工钢筋尺寸加工的精度很搭设操作通道时~不可避难达到保护层厚度偏差传统做法的不足之处免的踩踏已成型的钢筋允许范围的要求为此~QC小组成员专程去桂林参观~学习在当地推广应用的方管支撑悬挂法控制砼板负筋保护层工艺。
2016年QC成果课题名称:提高混凝土结构钢筋保护层厚度合格率单位名称:华恒建设集团有限公司小组名称:宁波梅山保税港区三创基地研发园一期II标段项目QC小组撰稿人:罗久强时间:二○一六年十二月提高混凝土结构钢筋保护层厚度合格率宁波梅山保税港区三创基地研发园一期II 标段项目QC 小组1、工程概况工程名称宁波梅山保税港区三创基地研发园一期II 标段项目建设单位宁波梅港海洋投资有限公司施工单位华恒建设集团有限公司建筑面积总建筑29690.13㎡。
单体数量1个地下一层制表人: 制表时间:2016年5月10日2、小组简介小组名称宁波梅山保税港区三创基地研发园一期II 标段项目QC 小组课题类型现场型小组注册好HHC-2016-5课题注册号HHC-2016-5K 注册日期2016年5月1日活动时间2016年5月1~2016年7月31日小组成员10人QC 知识教育时间30学时/人序姓 名性别年龄学历职 务主要分工组内职务1陈国民男42本科项目经理全面负责组长2男50大专公司质安监管组员3钱善飞男44本科技术负责技术负责组员4罗久强男45本科总施工方案实施组员5杨江涛男45本科施工员方案实施组员6李学平男30本科安全员方案实施组员7周东杰男37本科安全员数据收集/制图组员8虞妙红女31本科质量员数据统计组员9男42大专班组长方案实施组员10董迪男42大专资料员方案实施组员2016年循环阶段5月6月7月8月序号日期内容1~1516~311~1516~311~1516~3111516~311选择课题2现状调查3设定目标4原因分析5要因确认6制定对策P7对策实施D8效果检查C制表人: 周东杰 制表时间:2016年5 月11日制表人:周东杰 制表时间:2016年5月11日9巩固措施10总结打算A三、选题理由4、现状调查小组成立后,我们QC小组成员于2016年5月18日对本工程正在施工的主体的钢筋保护层控制进行了调查和分析,如见下表:1、调查分析问题统计表序号检查项目总检测数(个)合格点(个)不合格点(个)不合格率(%)1梁墙柱侧面保护层69472231.9%2梁柱板节点部位保护层605646.7%3板底保护层423937.1%制表人:周东杰 制表时间:2016年5月19日按以上分析的数据,我们绘制了钢筋保护层质量缺陷统计表,如下表:质量缺陷统计表制表人:周东杰 制表时间:2016年5月21日根据以上统计针对钢筋保护层质量缺陷分布的31个不合格点,绘制如下饼分图:13%制表人:周东杰 制表时间:2016年5月23日2、设定目标依据分析:通过以上图示归纳出症结:钢筋保护层缺陷主要分布于梁墙柱侧面保护层,累计频率达到70.97%,是问题的主要症结。
控制混凝土结构钢筋保护层施工质量杭州建工集团有限责任公司年产30万套汽车冲压件建设项目QC小组一、工程概况工程名称年产30万套汽车冲压件建设项目(调度中心厂房、试验车间一、二)建筑面积38206.34m2建设单位浙江万丰新能源汽车科技有限公司设计单位北京市建筑设计研究院有限公司施工总承包单位杭州建工集团有限责任公司监理单位浙江东南建设管理有限公司工程地址新昌工业园区鳌峰路1号工程概况本工程分(调度中心厂房、试验车间一、试验车间二)三个单体工程,总建筑面积38206.34m2,其中调度中心厂房27868.1m2,建筑高度26m(檐口),地下一层,地上五层;试验车间一、试验车间二各5169.12m2,建筑高度21.2m(檐口);地上三层。
结构形式为框架结构,设计使用年限50年。
根据设计要求钢筋保护层厚度符合下列要求:混凝土环境类别:一类墙:15mm,柱、梁:20mm,板:15mm,且不小于钢筋公称直径。
混凝土环境类别:二a类墙:20mm,柱、梁:25mm,板:20mm,且不小于钢筋公称直径。
混凝土环境类别:二b类基础底部:40mm,板上铁:25mm,梁上铁及侧面:35mm;地下室外墙迎土面:40mm,室内面:25mm;墙:25mm,柱、梁:35mm,板:25mm,且不小于钢筋公称直径。
二、小组简介小组名称杭州建工集团有限责任公司年产30万套汽车冲压件建设项目QC小组课题控制混凝土结构钢筋保护层施工质量小组类型现场型注册日期2015年9月28日注册登记号HZJG-2015-002活动计划时间2015年10月至2016年1月小组人数8人序号姓名性别年龄从事专业、时间职称组内职务主要分工1石炬江男27施工管理5年助理工程师组长全面负责2斯亦平男41施工管理15年高级工程师顾问技术顾问3琚忠清男49施工管理30年工程师技术组长分析与方案成果报告编写4周未和男28施工管理5年助理工程师组员调查与实施5李永男26施工管理3年技术员组员检查与巩固6楼杭晖男31施工管理9年技术员组员调查与资料7王文雄男25施工管理3年技术员组员检查与实施8陈建宝男24施工管理2年组员检查与实施三、选题理由理由一、选题背景:本工程要创集团标杆工程,开工之初项目部就与公司签署了创先争优先锋工程责任书,确保工程结构质量的优良。
运用QC方法控制钢筋保护层xxx集团第四建筑工程有限责任公司xxx新校区建设工程图书馆项目QC小组发表人:xxx时间:2013年4月目录一、工程概况 (2)二、小组情况 (3)三、活动制度 (3)四、选题理由 (4)五、现状调查 (4)六、设定目标 (4)七、分析原因 (5)八、确定主要原因 (5)九、制定对策 (6)十、按对策实施 (6)十一、检查效果 (10)十二、制定巩固措施 (10)十三、体会与下一步打算 (11)一、工程概况1.1建设单位xxx 施工单位xxx集团第四建筑工程有限责任公司1.21.3质量要求:确保“黄果树杯”、争创“鲁班奖”。
1.4招标范围:招标施工图纸内全部建筑施工内容。
1.5工程概述:本工程位于xxx市xxx花溪新校区,本工程总建筑面积为44364.1m2。
其中一层地下室5489.7m2。
地上共九层建筑面积为38874.4m2。
建筑物总高45.25m,基础为人工挖孔桩基础,主体为框架全现浇结构,抗震设防烈度:六度;抗震设防类别:乙类。
设计使用年限:50年。
图书馆性质:高等院校图书馆;图书馆藏书:100万册。
本工程属一类建筑,耐火等级为一级,屋面防水等级为二级,±0.000相当于绝对标高1138m。
1.6 结构设计说明1.6.1基础分部本工程以人工挖孔灌注桩为主。
地下室防水混凝土抗渗等级为P6。
1.6.2上部结构本工程为现浇框架结构。
本工程共设置二条后浇带,宽为1000mm,分别布置在1-5轴至1-6轴和1-H 轴至1-J轴之间。
柱砼强度等级表层号标高(m)层高(m)混凝土强度等级楼梯屋面47.75屋面44.75 3 C309 39.95 4.8 C308 35.15 4.8 C307 30.35 4.8 C306 25.55 4.8 C355 20.75 4.8 C354 15.95 4.8 C353 11.15 4.8 C402 5.55 5.6 C401 -0.05 5.6 C45-1 -4.85 4.8 C45 梁、板、墙混凝土强度均为C30。
加强钢筋保护层控制QC成果引言在建筑工程中,钢筋保护层的控制对于保障结构的安全和耐久性至关重要。
因此,加强对钢筋保护层控制的质量控制(QC)成果,对于工程质量的提升具有重要意义。
本文将探讨加强钢筋保护层控制QC成果的相关措施和方法,旨在提高钢筋保护层的质量和可靠性。
钢筋保护层的意义钢筋保护层是建筑结构中的重要组成部分,其主要作用是保护钢筋免受外界环境的侵蚀和损害。
合理的钢筋保护层厚度可以有效地防止钢筋锈蚀,并提高结构的抗震性能和使用寿命。
因此,在施工过程中加强钢筋保护层的控制,对于确保结构的安全和耐久性至关重要。
加强钢筋保护层控制的方法1. 制定严格的施工工艺制定严格的施工工艺是加强钢筋保护层控制的基础。
包括但不限于以下几个方面: - 施工前,对施工人员进行针对性的培训,确保施工人员掌握正确的施工工艺和操作方法; - 定期检查和维护施工设备和工具,确保其良好的工作状态; - 严格按照设计要求进行施工,包括钢筋的布置、支承和加固等; - 加强施工现场的管理,保证施工过程中的环境卫生和安全。
2. 严格控制钢筋保护层厚度钢筋保护层厚度是钢筋保护的重要指标之一。
合理控制钢筋保护层的厚度,可以有效地保护钢筋免受腐蚀和损伤。
在施工过程中,应该遵循以下原则: - 严格按照设计要求和标准控制钢筋保护层的厚度; -在施工过程中,定期检测和测量钢筋保护层的厚度,确保其符合设计要求; - 针对厚度不合格的钢筋保护层,及时采取补救措施,确保其达到设计要求。
3. 加强防水和防腐处理钢筋保护层在施工过程中容易受到水分和化学物质的侵蚀,因此加强防水和防腐处理是必要的措施。
具体做法包括: - 在施工前,对结构表面进行清洁和处理,确保其能够有效地与防水和防腐材料结合; - 选择合适的防水和防腐材料,对钢筋保护层进行涂覆和处理; - 定期检查和维护防水和防腐层,及时修复损坏的部分。
QC成果的评估和控制为了确保加强钢筋保护层控制的QC成果,需要对施工过程进行评估和控制。
加强钢筋保护层控制QC成果加强钢筋爱护层操纵,提高工程质量一、概况1、工程概况工程名称建设单位工程地点设计单位监理单位建筑面积层数建筑总高度工程特点8 栋主楼共计121951 ? 地下1 层,地上32 层地下4.9m、地上96m 开工时刻结构类型层高局部高度2008-6-6 剪力墙地下 4.9m,地上均3m 7.8m 该工程为高档住宅小区工程,外形复杂、造型考究。
在设计时,为了利于各栋主楼的抗震性,对现浇板受力筋多数选用10 以内的钢筋,剪力墙水平及竖向受力筋多数选用14、12 的钢筋,钢筋骨架成型后,刚度不行,专门容易产生塑性变形,这是该工程钢筋分项施工的难点。
组建日期职务项目经理项目总工质检员生产经理主管工长主管工长资料员职称工程师助工工程师工程师助工助工资料员2008-6-10 小组职务组长副组长组员组员组员组员组员2.QC 小组简介小组名称序号1 2 3 4 5 6 7二、选题理由钢筋爱护层历年来被各施工企业重视,但一直都没有专门好的操纵方法,钢筋爱护层的厚度直截了当决定钢筋的位置,钢层控制题,提高〔加工程质量体钢筋的保实构结强为课护定选筋的位置直截了当阻碍结构安全性,是各施工企业普遍存在又选题理合同承诺该工程的质量目标是确保‘海河杯’。
工程的建设规模和社会阻碍较大,为公司在天津市区最大的项目。
现行国家规范对钢筋爱护层厚度检验点的合格率提高到90%以上,同时又是结构实体的必检项目。
三、PDCA 循环一、P 时期(一)现状调查现状调查1:课题选定后,小组成员认真熟悉图纸,针对钢筋爱护层课题召开专题会议研究讨论,集中了全体人员的体会和聪慧,并由技术负责人编制了钢筋爱护层专项施工方案,要紧以推广墙体成品塑料钢筋爱护层垫块及顶板预制混凝土垫块等材料为主,同时以对专门部位诸如剪力墙进行处理,初步选定钢筋爱护层施工方案如下:a、基础底板下部受力筋的爱护层采纳预制砂浆垫块(直径×高=30×50mm),上部受力筋采纳焊接通长马凳加以支撑。
(一期)7#楼混凝土板面负筋保护层控制混凝土板面负筋保护层控制QC活动小组一、选题理由(一期)工程10#楼进入主体结构施工阶段,根据分公司年度创优计划,该栋楼拟申报市“优质结构奖”。
市“优质结构奖”评定依据为市优质结构奖检查评分细则。
分定性评价、定量评价二项。
其中定性检查为建设、施工、监理方对该项目的工程质量控制资料。
定量检查为工程结构施工的各主要环节、部位、工艺质量和安全生产、文明施工情况以及现场综合效果评分。
为确保评优成功,确定努力方向。
项目部对主体结构已完成的7#楼参照检查评分表做了评定。
得分率最低的为定量检查表二。
如下表结果:市建筑工程优质结构(质量检测)检查评分表(定量表二)工程名称:一期7#楼检查部位:第十层梁板检查日期: 2007年1月20日施工单位:项目部工程进度:检查人员(签名):依据《混凝土结构工程施工质量验收规范》(GB50204—2002)混凝土结构子分部工程第10.1.2条要求,结构实体检验的钢筋保护层合格率不小于90%。
根据此次我方委托的创新建筑工程质量检测咨询有限公司的实测结果,该层抽检板面负筋保护层的合格率为70%,远低于施工规范要求。
为此,项目部确立板面负筋保护层控制为创优的重点,成立QC小组进行控制。
二、小组概况QC小组简介表三、原因分析四、要因确认:末端原因验证表五、六、对策实施混凝土板负筋的控制通常采取的做法该做法的不足之处为此,QC 小组成员专程去桂林参观,学习在当地推广应用的方管支撑悬挂法控制砼板负筋保护层工艺。
方管支撑悬挂法是为了控制砼板厚及板面负筋保护层而采取的一种工艺。
方管支撑悬挂法的基本思想:在砼板面有负筋的位置安放特制的方管支撑,将板面负筋与方管支撑交接处逐点绑扎,将板负筋吊起,以控制其保护层,方管支撑兼做施工的操作人员通道。
方管支撑悬挂法的特点:工艺流程操作要点1、制作方管支撑方管支撑详见附图制作后的成品2、施工主要操作步骤六、效果检查2007年6月,我项目部按受市质监站第一次优质主体评定检查,市质监站结构抽检组对11#楼第四层混凝土结构进行了实体结构检测,其中混凝土板负筋检测二十二处,合格二十一处,合格率达到92%,可见施工做法改变后,其改进效果是明显的。
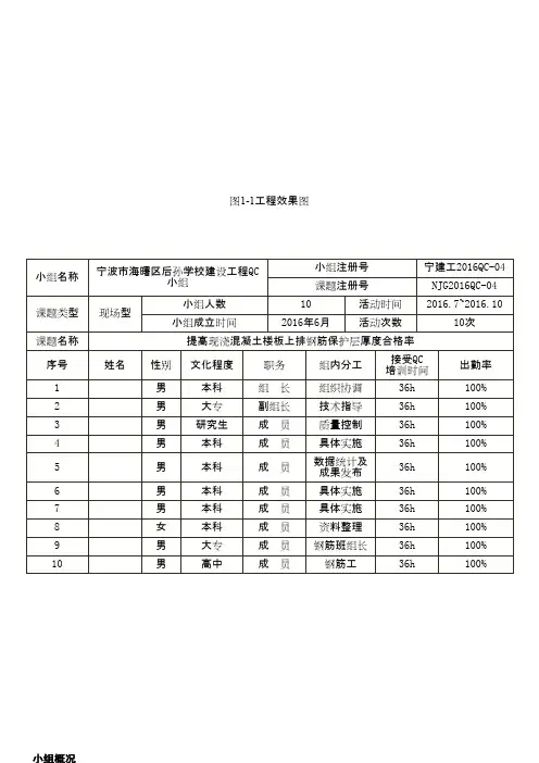
QC小组活动成果报告
楼板钢筋保护层厚度质量控制
广西恒辉建设集团有限公司大和平华西产商业城项目部QC小组、小组概况(小标题:四号黑体)
我小组是一个现场型QC小组,具体成员如下表:
编制时间:年月日制表人员:韦艳红
二、工程概况
大和平华西商业城项目A地块位于广西南宁市中华支三路、中华路、中华支二路、华西路围合地段,地下室共有两层,地下一层局部为商场,其余部分为汽车库和设备用房,地下二层均为汽车库和设备用房。
框架剪力墙结构。
地上五栋单体楼:1#楼五层;2#、3#、4#、5#楼二十五层。
总建筑面积:243654.83川。
地下总建筑面积为55733.65川,其中地下一层建筑面积为27713.84川、地下二层建筑面积为28019.81川。
地上建筑面积为187921.18 卅,其中地上商场建筑面积为61423.41川,住宅公寓建筑面积为126497.77川,室内停车
场共设车位1217个,室,外停车场共设车位126个
三、活动计划
四、调查现状
在混凝土楼板施工过程中,由于支撑不到位、施工机械挤压、人员踩蹋等众多方面的原因, 板面负筋经常出现弯曲变形,导致钢筋保护层出现过厚或过薄现象。
针对这一问题,项目部提出:决定对楼板钢筋保护层厚度质量控制进行专项攻关。
为了掌握工程施工过程中的真实数据,QC小组对已完成的现浇混凝土结构板钢筋保护
层厚度进行了实测,共测150个点,现状统计如下表:
■实测点数 ■不合格点数 符合率
■累计频次 累计频率
五、目标设定
经过调查与分析结果,我
们发现现浇楼板钢筋保护层质量控制最主要的问题是上板筋缺
乏有效支撑。
因此,南宁市大和平华西商业城项目
QC 小组活动的目标为:采取有效支撑措
施,使95%以上的现浇楼板上板面筋在安装后能够保持稳定状态,从而控制好钢筋保护层厚 度质量。
六、原因分析
通过对现状调查,从人、材、机、方法、环境方面进行分析和论证,我们绘制出如下原 因分析图。
■JEI
IJA
"
加旳巾旳罚他汕如
1
七、确定要因
末端原因1:人员经验不足
在施工过程中,项目部管理人员能够按照集团公司项目管理制度的规定, 加强对各班组、 各工种培训教育工作。
为了检验培训的效果,决定抽样对一些工人进行考核考评,检验各工 种作业人员对岗位操作技能的学习效果。
经考核,绝大部分作业人员对本工种岗位技能都熟 练掌握,能达到合格要求以上。
故人员经验不足为 非要因 。
人以
i 殳
务
环境
楼板钢筋保护层厚度不够
我们通过进行“头脑风暴法会议,对原因进行了细致的分析,确定出末端因素
设备施工操件不当
末端原因2:马凳类型不佳通过分析发现马凳的类型、放置间距、数量等因素,会影响到板面钢筋的安装质量,马凳类型不合理、放置间距较大、安装绑扎不牢固等,都会直接影响到安装后整个钢筋结构的稳定性以及整体抗压强度。
因此项目部QC 小组决定改变施工方法,采用新的钢筋加固构架,调整板面负筋的支撑方式,以增强板面筋的整体抗压性能和稳定性。
故马凳类型不佳为要因。
末端原因3:施工人员踩踏在实际施工过程中,由于多个施工班组交叉作业,现场作业人员工作不细心、责任心不强、操作不当等方面原因,作业人员任意踩踏已经安装好的钢筋,造成钢筋弯曲、变形、下沉等质量问题,从而影响到混凝土保护层厚度的控制效果。
对此项目部制定相应措施并加强监督和培训力度,通过强有力的措施使人为因素造成的问题得到了有效的控制。
故施工人员踩踏为要因。
末端原因4:垫块强度不够在施工过程中我们发现,本项目楼板面钢筋所采用的预制混凝土垫块,抗压强度都能够满足施工要求,主要得益于在制作过程中,我们都能够按照施工配合比的要求进行制作,在原材料上、成品制作上都能够严格把关,而且在施工过程中,工人都能够按照技术交底的要求间距进行放置,很少出现压碎现象。
故垫块强度不够为非要因。
末端原因5:设备施工操作不当在施工过程中,特别是板面钢筋安装好后,有个别施工作业人员将电焊机等设备搁置在已经安装好的板面钢筋上,加上人员在移动搬运设备时的重力,会把板面负筋往下挤压,造成板筋弯曲、变形,从而影响到钢筋保护层的控制质量,经过项目管理人员在会上强调这些注意事项后,这些现象基本上杜绝。
故设备施工操作不当为非要因。
经过对上述5个末端因素的分析确认后,我们得出结论影响楼板钢筋保护层厚度控制质量两个重要因素有:
1、马凳类型不佳
2、施工人员踩踏。
八、对策制定
小组针对分析总结出的两个重要因素,并制定相应的对策:
制表:黄盛坤日期:岔桂年11月馆日
九、措施实施
1、QC小组决定调整改进板面钢筋支撑系统,采用加强筋支撑法,并由总工长做好施工技术交底,督促钢筋班组按要求进行制作,经检验合格后投入使用。
2、为将制定的措施能够贯彻落实到实际中去,QC小组由项目部质检员对施工作业人员
开展了质量管理方面专题教育,提高员工的工作责任感,努力增强质量意识。
3、认真对现场作业人员进行施工技术交底,让所有人员都了解在施工中相应工序的具 体做法和注意事项,严格按照施工规范要求进行施工。
十、效果检查
1、 通过实施培训,广大员工在工程质量意识方面得到显著加强。
2、 通过对板面钢筋支撑系统的改进和调整,增强了楼板钢筋整体的抗压能力和稳定性, 使楼板钢筋保护层厚度质量符合率到 96%以上,达到了预期的目标。
3、 经过本次QC 活动,QC 小组成员在各方面都得到有效提升,不论是在团队精神、质 量意识、进取精神、QC 工具运行技巧、工作干劲及热情、改进意识等方面都得到了明显提
QC 工具运行
技巧
QG 小组开展前后各项指标对比雷达
卜一、巩固措施
QC 小组对现浇混泥土楼板钢筋保护层控制进行了归纳总结后,编制成企业工法,纳入 广西恒辉建设集团新编制的《建筑工程安全文明施工管理标准化图集》,作为企业工法在公司 内其他项目上推广应用。
改进意识
工作干劲及 执情
质量倉识
进取精神
—活动前 一活动后
屈队精神
40200
十二、下步打算
在本次QC 小组活动中,小组成员敢于创新,勇于钻研,通过摸索,掌握了楼板钢筋保护层厚度施工质量的控制方法;同时,通过不断的施工过程积累和总结,将编制出一套板钢筋保护层厚度的施工工法,为今后类似工程的施工提供借鉴。
此次QC 活动的开展极大地提高了小组成员的个人能力和技术水平。
在今后的工作中,我们将积极探索新技术、新材料的应用;提前策划和技术交底,同时充分利用项目的特点、难点,有针对性的选取新颖实用的课题,不断创新、开拓,积累施工经验, 为降低工程成本,提高经济效益,确保工程的质量安全作出更大的贡献。
经QC 小组成员讨论, 我们下一个研究课题确定为“混凝土后浇带施工质量控制” 。