过程控制钢筋保护层qc成果
- 格式:doc
- 大小:71.83 KB
- 文档页数:25
墩柱钢筋保护层厚度控制QC成果报告一、小组概况及成员简介1、小组概况QC小组所在单位或部门:XX*局***公司************项目经理部小组名称:XX*局****公司****项目部QC小组课题名称:墩柱钢筋保护层厚度的控制小组类型:现场型2、小组成员简介介于墩柱施工质量对桥梁工程的重要性,我项目部组织几位管理经验丰富、技术水平高的同志组成该QC小组。
本QC小组从桥梁墩柱开始施工之前已经成立,由5名施工管理人员组成,主要致力于寻求影响墩柱保护层厚度的因素、优化施工工艺、加强施工过程控制,以提高墩柱保护层厚度的合格率。
表一小组成员及分工二、选题理由桥梁的墩柱是一座桥梁的关键部位,墩柱的施工质量关系到桥梁的使用寿命以及人民的生命财产安全。
墩柱的施工质量主要反映在三方面:保护层厚度、砼强度、外观,而保护层厚度关系到墩柱钢筋的使用寿命以及墩柱的强度,是影响墩柱质量的一个重要方面。
****线高速公路******同段有*****架桥、****桥、*****桥三座桥梁,直径墩柱数量57根。
本QC小组主要致力于墩柱保护层厚度的控制,按业主和总监办的要求保护层厚度与设计值偏差在+10mm至-7mm 范围内为合格。
该课题意义是,寻找影响墩柱保护层厚度的相关因素,合理有效的采取相应措施以提高墩柱保护层厚度的合格率,确保工程质量优良并为今后类似施工提供可靠借鉴经验。
三、课题可行性分析不利因素:1、总监办对墩柱保护层厚度合格界限要求严格。
有利因素:1、业主、总监办高度重视墩柱施工质量。
2、项目部计划将桥梁工程打造成为我标段亮点工程。
3、施工管理和技术人员责任感强烈,工作经验丰富。
四、开展QC活动1、现状调查、分析,计划(P)阶段(1)、外出调查、分析现状我标段*********墩柱施工开始后,我QC小组便对墩柱施工工程进行全程跟踪,检查技术交底的落实情况,发现施工过程中存在的缺陷。
(2)、实测实量、找出主要问题在施工过程中我QC小组对*****桥3~5#墩15根墩柱钢筋保护层厚度进行检测,检测结果见表二。
混凝土结构工程钢筋保护层控制Q C发表单位:中交隧道工程局有限公司小组名称:桃花峪黄河大桥土建七标项目部QC小组发表人:袁勇目录一、工程概况 (1)二、QC小组简介 (1)三、选题理由 (2)四、现状调查 (2)五、确定目标和可行性论证 (4)六、分析原因 (5)七、要因确认 (5)八、制定对策 (7)九、实施情况 (8)十、效果检查 (10)十一、巩固措施 (12)十二、体会与打算 (12)过程控制钢筋保护层一、工程概况武西高速公路桃花峪黄河大桥位于郑州与焦作跨黄河交界处,我单位所管辖范围属武西高速公路桃花峪黄河大桥七标段,起讫桩号为K36+632.46~K40+000,总长3.368km。
线路设计主要结构物为路基及隧道一座(双连拱黄土隧道),停车区一处,中桥一座(4-20m装配式连续空心板),涵洞7座(其中3座为箱涵,2座为盖板涵,2座拱涵)。
通道2个,天桥2座。
项目公司为实现既定的国优鲁班奖工程目标,对本工程非常重视,项目伊始就制定了创优方案,对本工程重要的分部分项和关键工序进行了详细的过程和产品特色策划。
钢筋保护层控制作为过程特色策划内容之一,是创优工作中优质结构评选的必备条件之一。
为此,我标段组建了QC活动小组,并积极认真地开展QC活动。
二、QC小组简介小组简介表制表人:袁勇 2010年10月10日三、选题理由1、实施公司的质量方针:“质量第一、信誉第一、规范管理、精心作业、建满意工程、创名牌产品”,切实为用户服务。
2、武西高速公路桃花峪黄河大桥工程,质量要求高,创优目标为:创国优鲁班奖工程。
经过我们的创优策划,把钢筋保护层这个在结构工程施工中看似简单,却很重要的子分项,做到人无我有,人有我精,作为我们创优的过程特色重要内容之一。
3、钢筋作为砼构件的骨架,钢筋保护层控制相当重要,它涉及到结构安全所以我们以箱型通道涵洞施工为例选定“过程控制钢筋保护层”作为QC小组活动课题。
四、现状调查QC小组成立后,我们先对公司已施工完成的同类工程进行了调查,以往各个工程对钢筋保护层也比较重视,但在施工中,切实控制好保护层厚度,做得都不够理想。
加强钢筋保护层控制,提高工程质量一、概况二、选题理由三、PDCA循环一、P阶段(一)现状调查现状调查1:课题选定后,小组成员认真熟悉图纸,针对钢筋保护层课题召开专题会议研究讨论,集中了全体人员的经验和智慧,并由技术负责人编制了钢筋保护层专项施工方案,主要以推广墙体成品塑料钢筋保护层垫块及顶板预制混凝土垫块等材料为主,同时以对特殊部位诸如剪力墙进行处理,初步选定钢筋保护层施工方案如下:a、基础底板下部受力筋的保护层采用预制砂浆垫块(直径×高=30×50mm),上部受力筋采用焊接通长马凳加以支撑。
b、暗梁主筋保护层:底部受力筋采用预制砂浆垫块(直径×高=30×25mm),梁侧保护层采用半径20mm的圆形塑料卡环。
c、暗柱主筋保护层采用半径为20mm的圆形塑料卡环。
d、剪力墙受力筋保护层采用半径为15mm的圆形塑料卡环,并按照梅花形布置钢筋顶模棍与墙体水平筋焊牢,每隔1.5m设置一道梯子筋,以有效控制钢筋位置。
e、现浇板底部受力筋保护层采预制砂浆垫块(直径×高=20×15mm),现浇板上部负筋用钢筋马凳。
现状调查2:本小组在各栋主楼施工过程中,严格按照施工方案施工。
建设单位、监理单位及当地质量监督站在各栋主楼主体结构施工完毕后,对现浇结构的质量进行了验收,在各检验批达到国家验收标准后,我们又邀请了为天津市中瑞建筑工程检测有限公司扫描检测,检测结果如下表所示:检查结果制表人:时间:2009年6月20日制表人:时间:2009年6月20日根据检测结果,绘制出排列图如下:制表人:时间:2009年6月20日从图表中可以看出,现浇板底筋及板顶负弯矩筋是影响钢筋保护层质量的主要问题。
针对主要问题,我们进一步细化分析,并绘制了分析表如下:现浇板底筋及板顶负弯矩筋不合格频数分析表现浇板底筋及板顶负弯矩筋合格频数分析表制表人:时间:2009年6月20日(二)设定目标及可行性分析1、目标值设定通过对现状调查分析,设定目标为:钢筋保护层检验点合格率达到92%以上。
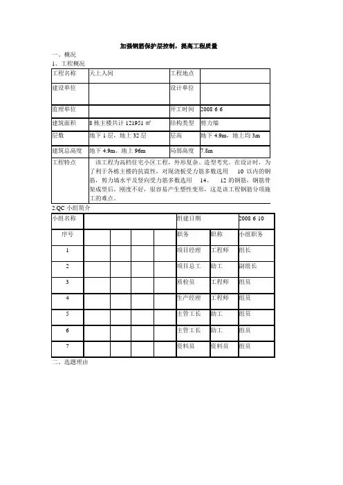
2016年QC成果课题名称:提高混凝土结构钢筋保护层厚度合格率单位名称:华恒建设集团有限公司小组名称:宁波梅山保税港区三创基地研发园一期II标段项目QC小组撰稿人:罗久强时间:二○一六年十二月提高混凝土结构钢筋保护层厚度合格率宁波梅山保税港区三创基地研发园一期II 标段项目QC 小组1、工程概况工程名称宁波梅山保税港区三创基地研发园一期II 标段项目建设单位宁波梅港海洋投资有限公司施工单位华恒建设集团有限公司建筑面积总建筑29690.13㎡。
单体数量1个地下一层制表人: 制表时间:2016年5月10日2、小组简介小组名称宁波梅山保税港区三创基地研发园一期II 标段项目QC 小组课题类型现场型小组注册好HHC-2016-5课题注册号HHC-2016-5K 注册日期2016年5月1日活动时间2016年5月1~2016年7月31日小组成员10人QC 知识教育时间30学时/人序姓 名性别年龄学历职 务主要分工组内职务1陈国民男42本科项目经理全面负责组长2男50大专公司质安监管组员3钱善飞男44本科技术负责技术负责组员4罗久强男45本科总施工方案实施组员5杨江涛男45本科施工员方案实施组员6李学平男30本科安全员方案实施组员7周东杰男37本科安全员数据收集/制图组员8虞妙红女31本科质量员数据统计组员9男42大专班组长方案实施组员10董迪男42大专资料员方案实施组员2016年循环阶段5月6月7月8月序号日期内容1~1516~311~1516~311~1516~3111516~311选择课题2现状调查3设定目标4原因分析5要因确认6制定对策P7对策实施D8效果检查C制表人: 周东杰 制表时间:2016年5 月11日制表人:周东杰 制表时间:2016年5月11日9巩固措施10总结打算A三、选题理由4、现状调查小组成立后,我们QC小组成员于2016年5月18日对本工程正在施工的主体的钢筋保护层控制进行了调查和分析,如见下表:1、调查分析问题统计表序号检查项目总检测数(个)合格点(个)不合格点(个)不合格率(%)1梁墙柱侧面保护层69472231.9%2梁柱板节点部位保护层605646.7%3板底保护层423937.1%制表人:周东杰 制表时间:2016年5月19日按以上分析的数据,我们绘制了钢筋保护层质量缺陷统计表,如下表:质量缺陷统计表制表人:周东杰 制表时间:2016年5月21日根据以上统计针对钢筋保护层质量缺陷分布的31个不合格点,绘制如下饼分图:13%制表人:周东杰 制表时间:2016年5月23日2、设定目标依据分析:通过以上图示归纳出症结:钢筋保护层缺陷主要分布于梁墙柱侧面保护层,累计频率达到70.97%,是问题的主要症结。
控制混凝土结构钢筋保护层施工质量杭州建工集团有限责任公司年产30万套汽车冲压件建设项目QC小组一、工程概况工程名称年产30万套汽车冲压件建设项目(调度中心厂房、试验车间一、二)建筑面积38206.34m2建设单位浙江万丰新能源汽车科技有限公司设计单位北京市建筑设计研究院有限公司施工总承包单位杭州建工集团有限责任公司监理单位浙江东南建设管理有限公司工程地址新昌工业园区鳌峰路1号工程概况本工程分(调度中心厂房、试验车间一、试验车间二)三个单体工程,总建筑面积38206.34m2,其中调度中心厂房27868.1m2,建筑高度26m(檐口),地下一层,地上五层;试验车间一、试验车间二各5169.12m2,建筑高度21.2m(檐口);地上三层。
结构形式为框架结构,设计使用年限50年。
根据设计要求钢筋保护层厚度符合下列要求:混凝土环境类别:一类墙:15mm,柱、梁:20mm,板:15mm,且不小于钢筋公称直径。
混凝土环境类别:二a类墙:20mm,柱、梁:25mm,板:20mm,且不小于钢筋公称直径。
混凝土环境类别:二b类基础底部:40mm,板上铁:25mm,梁上铁及侧面:35mm;地下室外墙迎土面:40mm,室内面:25mm;墙:25mm,柱、梁:35mm,板:25mm,且不小于钢筋公称直径。
二、小组简介小组名称杭州建工集团有限责任公司年产30万套汽车冲压件建设项目QC小组课题控制混凝土结构钢筋保护层施工质量小组类型现场型注册日期2015年9月28日注册登记号HZJG-2015-002活动计划时间2015年10月至2016年1月小组人数8人序号姓名性别年龄从事专业、时间职称组内职务主要分工1石炬江男27施工管理5年助理工程师组长全面负责2斯亦平男41施工管理15年高级工程师顾问技术顾问3琚忠清男49施工管理30年工程师技术组长分析与方案成果报告编写4周未和男28施工管理5年助理工程师组员调查与实施5李永男26施工管理3年技术员组员检查与巩固6楼杭晖男31施工管理9年技术员组员调查与资料7王文雄男25施工管理3年技术员组员检查与实施8陈建宝男24施工管理2年组员检查与实施三、选题理由理由一、选题背景:本工程要创集团标杆工程,开工之初项目部就与公司签署了创先争优先锋工程责任书,确保工程结构质量的优良。
运用QC方法控制钢筋保护层xxx集团第四建筑工程有限责任公司xxx新校区建设工程图书馆项目QC小组发表人:xxx时间:2013年4月目录一、工程概况 (2)二、小组情况 (3)三、活动制度 (3)四、选题理由 (4)五、现状调查 (4)六、设定目标 (4)七、分析原因 (5)八、确定主要原因 (5)九、制定对策 (6)十、按对策实施 (6)十一、检查效果 (10)十二、制定巩固措施 (10)十三、体会与下一步打算 (11)一、工程概况1.1建设单位xxx 施工单位xxx集团第四建筑工程有限责任公司1.21.3质量要求:确保“黄果树杯”、争创“鲁班奖”。
1.4招标范围:招标施工图纸内全部建筑施工内容。
1.5工程概述:本工程位于xxx市xxx花溪新校区,本工程总建筑面积为44364.1m2。
其中一层地下室5489.7m2。
地上共九层建筑面积为38874.4m2。
建筑物总高45.25m,基础为人工挖孔桩基础,主体为框架全现浇结构,抗震设防烈度:六度;抗震设防类别:乙类。
设计使用年限:50年。
图书馆性质:高等院校图书馆;图书馆藏书:100万册。
本工程属一类建筑,耐火等级为一级,屋面防水等级为二级,±0.000相当于绝对标高1138m。
1.6 结构设计说明1.6.1基础分部本工程以人工挖孔灌注桩为主。
地下室防水混凝土抗渗等级为P6。
1.6.2上部结构本工程为现浇框架结构。
本工程共设置二条后浇带,宽为1000mm,分别布置在1-5轴至1-6轴和1-H 轴至1-J轴之间。
柱砼强度等级表层号标高(m)层高(m)混凝土强度等级楼梯屋面47.75屋面44.75 3 C309 39.95 4.8 C308 35.15 4.8 C307 30.35 4.8 C306 25.55 4.8 C355 20.75 4.8 C354 15.95 4.8 C353 11.15 4.8 C402 5.55 5.6 C401 -0.05 5.6 C45-1 -4.85 4.8 C45 梁、板、墙混凝土强度均为C30。
加强钢筋保护层控制QC成果引言在建筑工程中,钢筋保护层的控制对于保障结构的安全和耐久性至关重要。
因此,加强对钢筋保护层控制的质量控制(QC)成果,对于工程质量的提升具有重要意义。
本文将探讨加强钢筋保护层控制QC成果的相关措施和方法,旨在提高钢筋保护层的质量和可靠性。
钢筋保护层的意义钢筋保护层是建筑结构中的重要组成部分,其主要作用是保护钢筋免受外界环境的侵蚀和损害。
合理的钢筋保护层厚度可以有效地防止钢筋锈蚀,并提高结构的抗震性能和使用寿命。
因此,在施工过程中加强钢筋保护层的控制,对于确保结构的安全和耐久性至关重要。
加强钢筋保护层控制的方法1. 制定严格的施工工艺制定严格的施工工艺是加强钢筋保护层控制的基础。
包括但不限于以下几个方面: - 施工前,对施工人员进行针对性的培训,确保施工人员掌握正确的施工工艺和操作方法; - 定期检查和维护施工设备和工具,确保其良好的工作状态; - 严格按照设计要求进行施工,包括钢筋的布置、支承和加固等; - 加强施工现场的管理,保证施工过程中的环境卫生和安全。
2. 严格控制钢筋保护层厚度钢筋保护层厚度是钢筋保护的重要指标之一。
合理控制钢筋保护层的厚度,可以有效地保护钢筋免受腐蚀和损伤。
在施工过程中,应该遵循以下原则: - 严格按照设计要求和标准控制钢筋保护层的厚度; -在施工过程中,定期检测和测量钢筋保护层的厚度,确保其符合设计要求; - 针对厚度不合格的钢筋保护层,及时采取补救措施,确保其达到设计要求。
3. 加强防水和防腐处理钢筋保护层在施工过程中容易受到水分和化学物质的侵蚀,因此加强防水和防腐处理是必要的措施。
具体做法包括: - 在施工前,对结构表面进行清洁和处理,确保其能够有效地与防水和防腐材料结合; - 选择合适的防水和防腐材料,对钢筋保护层进行涂覆和处理; - 定期检查和维护防水和防腐层,及时修复损坏的部分。
QC成果的评估和控制为了确保加强钢筋保护层控制的QC成果,需要对施工过程进行评估和控制。
成果qc过程控制钢筋保护层.确保重庆石油家益大厦经济适用房工程主体钢筋保护层优良QC层保护控制钢筋过程一、工程概况大厦经济适用房工程是一座地产开发有限公司投资兴建的重庆*由重庆*设计院有限大道旁。
本工程设计单位为重庆市*职工集资住宅楼,地处重庆市*层,总建筑面积剪结构26公司,施工总承包单位为重庆*公司。
本工程为框-㎡,质量目标为争创重庆市“巴渝杯”。
21983.47项目伊始就制定我公司为实现既定的精品工程目标,对本工程非常重视,对本工程重要的分部分项和关键工序进行了详细的过程和产品特了创优方案,是创优工作色策划。
钢筋保护层控制作为过程特色策划的八个方面内容之一,年经注册活动小组,*中优质结构评选的必备条件之一。
为此,我们组建了QC QC活动。
开展活动,并积极认真地开展 QC小组简介二、介表小组重小组名工Q小注册日12课题类现场组建日2 本小组成员由项目经理、项目工程师、施工员、技术员等管理人员1人组成,小成员均接受TQ知识培60,施工技术管理力量强,人员搭配合理序姓性年学小组职145高级工程大项目副经副组生产负责248中技术负责 303大助理工程中 574助理工程中 305助理工程34中6助理工程 547中高3389 *男32 初中木工班长组员顾40本科女高级工程师问10*公司技术处长制表人:* 2*年6月10日三、选题理由1、实施公司的质量方针:“质量第一、信誉第一、规范管理、精心作业、建满意工程、创名牌产品”,切实为用户服务。
2、重庆*工程是一座高层建筑,质量要求高,创优目标为:创精品工程。
经过我们的创优策划,把钢筋保护层这个在结构工程施工中看似简单,却很重要的子分项,做到人无我有,人有我精,作为我们创优的过程特色重要内容之一。
3、钢筋作为砼构件的骨架,钢筋保护层控制相当重要,它涉及到结构安全性,国家规范规定合格率要在90%以上。
4、钢筋混凝土中钢筋保护层偏差是一个容易犯错、仅容易忽视的质量通病,虽容易纠正,但整改的过程容易损坏钢筋半成品,我们不能因为整改这个毛病,又造成其他问题的发生而得不偿失,要加强过程控制,减少事后整改,通过开展QC小组活动防治质量通病意义重大。
所以我们选定“过程控制钢筋保护层”作为QC小组活动课题。
四、现状调查QC小组成立后,我们先对公司已施工完成的同类工程进行了调查,以往各个工程对钢筋保护层也比较重视,但在施工中,切实控制好保护层厚度,做得都不够理想。
20*年6月11日~7月20日,我们组织QC小组成员,对公司正在施工的***等4个工程的施工现场就钢筋保护层控制进行了调查和分析,具体见表1。
钢筋保护层质量调查、评价分析表1表不合格率合格率合格点不合格点总检点数序目项)((%号) %(个)(个)(个)1 22 33.85 43 梁墙柱侧面保护层65 66.152 46 92 4 8 梁柱板节点部位保护层5092.5 3 3 40 37 7.5 板底保护层30 2 4 6.7 93.3 梁底保护层28合18516.763183.24154计 2:按以上分析表的数据,我们绘制了钢筋保护层质量缺陷统计表,见表计表质量缺陷统2累计频频频(次梁墙柱侧面保护170.972270.97梁柱板节点部位保护212.983.874板底保护339.6893.55梁底保护46.45210010031合日月年制表人: * 2*721根据统计表绘制排列图,找出钢筋保护层的主要质量问题。
.累计频率频数(个)(%)N=313110093.55%C30907%.883B2580A7%.97022702220605015401030204532100板底梁底梁柱板节点梁墙柱侧面保护层保护层部位保护层保护层从排列图中我们可以找出:施工中对“梁墙柱侧面保护层”的控制不理想,为A类因素,是主要问题。
五、确定目标及可行性论证1、目标小组成员根据上述调查和分析,以“梁侧面保护层控制”为重点,以点带面控制本工程整体钢筋保护层质量,经过讨论和研究,确定控制钢筋保护层的目标为:经检测合格率达到94%。
2、可行性论证⑴公司通过ISO9001质量认证多年,按照贯标要求进行管理可以达到持续改进的目的。
项目部先从结构尺寸控制入手,制定高于国家质量标准的内部控制标准,作为一个手段来进行过程控制,见表3:结构尺寸偏差质量验收标准表3mm)允许偏差(项目项次内控质量标准国家质量标准+3,-3㎜+4模板截面尺寸,-5 1+3,-3-5 +52 ,㎜柱梁钢筋保护层厚度㎜3,-2+3墙板钢筋保护层厚度,-3+2制表人:* 2*年7月22日⑵集团公司组建了强有力的创优领导班子,制定了一系列奖罚措施,使小组成员的积极性得到充分调动,潜力得到挖掘。
⑶外部环境:业主非常支持,监理单位大力协助抓过程控制。
⑷本课题的特点是“小、实、新”,针对性强,而且严抓过程控制,现场整改较容易。
⑸小组成员都活动在施工现场第一线,抓现场过程控制能力强,项目部管理及施工班组整体素质高。
通过以上五点分析,我们对目标实现有充分的把握。
六、分析原因针对排列图找出的钢筋保护层“梁墙柱侧面保护层”主要质量问题,QC小组于2*年7月25日在工地办公室召开了“原因分析会”。
由组长*主持,QC小组全体成员、项目部主要管理人员、班组长及监理单位人员参加,大家各抒己见,对梁墙柱侧面保护层等偏差原因提出了许多建议,经归纳整理,画出了以下因果图。
人机料测量仪器不准技术水平底不齐差梁工人对保护层质量垫块质量差刨锯等小工具重要性认识不够配备少存在部分新工人墙自制垫块厚度模板质量差不统一,机械部件陈旧强度不够质量意识不强柱机械长期新旧模板使用磨损混合使用侧教育培训少面保对拉螺栓收紧过多模板位置及截面尺寸偏差护模板无限位固定施工作业面窄测量误差或积累温差层钢筋绑扎方法不正确灯光照明不足测量方法不正规技术交底不到法环位偏过程控制不严灯具数量少混凝土浇筑过程钢筋偏移自检、互检不到位过程操作不当梁墙柱侧面保护层偏差因果图绘图人:* 2*年7月26日七、要因确认对因果图中14个末端因素进行要因确认,见表4:要因确认表表4是末确负责确认过因方要项目部在实施过程中加强了对工人的询教育培量意识教育,并进行有计划的专业技分培训,对重视质量的认识程度高存在部现项目部开展以老带新和“一帮一”活动20新工调且新工人的比例不项目部对钢筋加工机械的部件有库存机械长现件,只要及时检查更换,不会因使用造成长期使用磨损而影响施间过检使用磨质量3.是否序末端确认负责人确认过程方法要因号因素测量仪器现场项目部的测量仪器均经过检测,在使用 4否周期内。
检查不准刨、锯等现场木工施工已配用小型工具。
小工具配否 5检查备少分段测量,产生积累误差;1、测量方法分析是 6特殊部位未采用专用模具测量。
不正规研究2、施工作业检查柱绑扎钢筋的部位搭设钢管脚手,方便否 7分析面窄操作又安全。
现场本工程在需要照明施工的部位已配备足灯具数量否 8少检查够的灯具。
自制水泥1、无较好的模具,自制垫块不标准,无易产生移动;限位,垫块厚度现场是 9厚度 2、未采用新型或定制标准的垫块,不统一强检查及强度难以保证。
度不新旧模现本工程开工时均采用新模板周转使用1调混合使模板无现框架柱及墙板对拉螺栓已根据不同的1检寸进行限位固定位固技术交调项目部制订了详细的技术交对特1部位和关键工序现场示范操作交底分不到自检、、班组无专管质量的负责人,全靠班调长一人监督1了、检查中不能体现过程控制的重要性位、施工人员踩蹋,损坏钢筋半成品现多观过程操1振动机械使用不、混凝土浇筑过程调注意造成钢筋位移。
制表:* 日期:20*年7月27日根据上表我们得到4个主要原因是:1、测量方法不正规;2、自制水泥垫块厚度不统一强度不够;、自检、互检不到位;3.4、过程操作不当。
八、制订对策小组经过认真研究,制订对策,细化措施,并将任务分解落实到每一QC个人,具体见对策表。
表策对表5序完成完成人施要因对策目标措地点号1、过程中加强仪器校正,整体测量,测量方改变原使测量减少积累误差;1 法不正有的测工地制作、对半成品制作分类批量生产,正规化2量方法规专用的模具。
自制水联系专业的生产厂家;、1块使垫泥垫块在厂家限位2、向专业厂家定制标准的PVC更换标2 厚度不完全符或工地垫块;准垫块合要统一签订合约,明确质量及时间要求度不施项目部划出专项资金作为班组质程自检检查员的奖励费用工3互检责任到人、分片分人管控发现问题限到检查、采用专用工具检检整改检到特殊部位增加保护层垫块数量且扎牢固减过程、做架空脚手板4半工减少振动接触、对工人加强教作不的损引起的钢筋位移、过程跟踪,检查整改4制表人:* 2*年7月27日九、实施情况实施一:针对测量方法不正规2*年7月10日开始项目部增加专职测量放线员进行测量,并由技术负责人程勇检查监督,对施工过程中的每一环节严格要求。
.1、改变原有的测量方法,在楼面墙柱定位放线过程中,先整体测量,再分段测量,减少积累误差;2、对半成品制作,分类批量生产,制作相应的模具,在施工过程中采用固定的模具、限位等,检测分布控制间距和截面尺寸,使之标准统一。
阶段性效果:通过以上实施,测量做到了正规化,轴线、截面尺寸、分布间距等得到有效控制,使测量产生的误差消除在下道工序前。
实施二:针对自制水泥垫块厚度不统一强度不够由于自制水泥垫块容易破碎,厚度难控制,2*年7月10日由项目经理*牵头考察了专业的垫块生产厂家,通过意向进行了商讨:1、厂家按照国家行业标准,提供保护层垫块样品;2、对厂家提供的样品进行研究、讨论,进行优化设计,定型加工,并且可以穿孔绑扎;3、签订供应合同,供货单位及时供货,保证质量;4、使用过程中根据现场情况继续优化保护层结构,最后采用的定型垫块原材料用量只用到原来样品的75%,节省了1/4,也更有利于钢筋混凝土结构质量。
阶段性效果:经检验,采用了新型垫块后,现场整洁,观感质量好,优化后的保护层垫块,成本相对节约了20%左右。
实施三:针对自检、互检不到位针对自检、互检不到位要因,项目部按公司的制度要求,在班组开展“三检”制度。
2*年9月12日由技术负责人程勇召开项目部管理人员和班组长会议,推行三检制度,并进行详细的交底,提出了具体的操作要求:1、由项目部设立专项资金作为班组质量检查员的奖励基金,对班组施工质量进行考核,对班组质量检查员进行排位,奖励工作到位的质量检查员;2、下达内控质量考核标准,结构尺寸偏差柱梁钢筋保护层厚度偏差为+3~-3㎜,墙板钢筋保护层厚度偏差为+2~-2㎜,模板尺寸偏差为+3~-3㎜。
、分班组、分片管理,责任到人,并落实奖罚措施;3.4、在相互检查中,作比较,寻找病因,限期整改;5、采用先进的工具,制作定型的模具、限位进行检查;6、严格对半成品制作进行过程监督检查。