模板和支架工程质量标准
- 格式:docx
- 大小:136.25 KB
- 文档页数:3
混凝土模板支架规范标准1. 引言混凝土模板支架是施工过程中用于固定和支撑混凝土模板的结构,其质量和稳定性对整个施工工程的安全和质量具有重要影响。
为了确保施工过程中的安全可靠性,并提高施工效率和质量,制定一套混凝土模板支架规范标准尤为重要。
2. 设计标准混凝土模板支架的设计应符合以下标准: - GB 50009-2012《建筑结构荷载规范》 - GB 50017-2017《钢结构设计规范》 - GB 50018-2018《混凝土结构设计规范》 - GB/T 13788-2018《钢管脚手架技术规范》3. 施工前准备在进行混凝土模板支架施工前,需完成以下准备工作:3.1 材料准备•钢管:采用符合国家标准的钢管,无裂纹、无明显变形、无明显锈蚀。
•模板材料:采用符合国家标准的木胶板或其他具有相同承载能力和稳定性的材料。
•连接件、调节底座、支撑座:采用符合国家标准的连接件和配件。
3.2 基础处理•按照设计要求进行基础的处理,确保基础平整、坚实。
•清除基础表面的灰尘和污垢,确保支架与基础之间的紧密接触。
3.3 搭建施工平台•按照设计要求搭建稳定、坚固的施工平台,确保模板支架与其它临时施工设备的安装和拆卸。
•施工平台上应有防滑措施,以防止滑倒事故的发生。
4. 施工要求4.1 钢管支架搭设•钢管支架的搭设应符合设计和规范要求,支撑点间距不应超过设计规范要求的限值。
•钢管支架搭设时应保持水平、垂直,且与地面的接触点应稳定可靠。
•钢管支架的连接件应按照设计要求进行选择和连接,并保证连接牢固、无松动。
4.2 模板安装•模板的承载力应符合设计要求,不得超过其承载能力。
•模板应严密安装,避免出现影响混凝土质量的破损、渗漏和变形。
•模板的胶合处应牢固,不得有明显开裂、脱胶等现象。
4.3 支撑座设置•支撑座应安装在稳定的地面上,确保承重能力合理分配。
•支撑座与脚手架、模板等的连接应牢固可靠,不得有明显松动。
•支撑座的调节范围应满足设计和施工要求,稳定可靠。
1 模板工程质量标准1、模板面板背侧的木方高度应一致。
制作胶合板模板时,其板面拼缝处应密封。
水池的模板对拉螺栓中部应设止水片,止水片应与对拉螺栓环焊。
2、支架立柱和竖向模板安装在基土上时,应符合下列规定:应设置具有足够强度和支承面积的垫板,且应中心承载;3、竖向模板安装时,应在安装基层面上测量放线,并应采取保证模板位置准确的定位措施。
对竖向模板及支架,安装时应有临时稳定措施。
安装位于高空的模板时,应有可靠的防倾覆措施。
应根据混凝土一次浇筑高度和浇筑速度,采取合理的竖向模板抗侧移、抗浮和抗倾覆措施。
4、对跨度不小于4m的梁、板,其模板起拱高度宜为梁、板跨度的1/1000~3/1000。
5、采用扣件式钢管作高大模板支架的立杆时,支架搭设应完整,并应符合下列规定:a) 钢管规格、间距和扣件应符合设计要求;b) 立杆上应每步设置双向水平杆,水平杆应与立杆扣接;c) 立杆底部应设置垫板。
6、采用扣件式钢管作高大模板支架的立杆时,还应符合下列规定:a) 对大尺寸混凝土构件下的支架,其立杆顶部应插入可调托座。
可调托座距顶部水平杆的高度不应大于600mm,可调托座螺杆外径不应小于36mm,插入深度不应小于180mm;b) 立杆的纵、横向间距应满足设计要求,立杆的步距不应大于1.8m;顶层立杆步距应适当减小,且不应大于 1.5m;支架立杆的搭设垂直偏差不宜大于5/1000,且不应大于100mm;c) 在立杆底部的水平方向上应按纵下横上的次序设置扫地杆;d) 承受模板荷载的水平杆与支架立杆连接的扣件,其拧紧力矩不应小于40N•m,且不应大于65N•m。
7、支架的垂直斜撑和水平斜撑应与支架同步搭设,架体应与成形的混凝土结构拉结。
8、上、下楼层模板支架的立杆应对准,模板及支架钢管等应分散堆放。
9、模板安装应保证混凝土结构构件各部分形状、尺寸和相对位置准确,并应防止漏浆。
10、模板安装应与钢筋安装配合进行,梁柱节点的模板宜在钢筋安装后安装。
模板工程质量验收标准控制模板工程质量不仅是保证砼强度质量的重要一环,而且保证砼构件几何尺寸和垂直度、平整度,给装修工程创造良好条件。
特别是框架结构,其模板工程质量尤为重要。
1、在模板工程施工之前,承包商应当向监理工程师提交《模板设计》方案,经审批后方可施工。
2、模板及其支架必须具有足够的强度、刚度和稳定性。
支架的牢固与否,直接关系到安全问题。
必须引起足够的重视,其支撑部分还必须有足够的支承面积。
3、模板拼缝必须严密,不得漏浆,与砼接触应清理干净,并采取防止粘结措施。
4、在浇筑砼之前,要浇水湿润,在浇筑砼过程中,应设专人“看模”,以确保及时发现和排除险情。
5、模板工程施工中常出现的问题(1)模板的整体稳定性,若模板体系整体失稳,易造成工程质量事故;(2)在“半跃”结构中,高低跨处的梁的侧模易发生“倒帮”,造成梁的截面尺寸减少或轴线位移;(3)在支设异形模板时,如首层、顶层的造型,易造成相同的构件、形状、尺寸不一致;6、模板工程施工中常用的控制要点事前控制是重点,通过连续不断的过程控制及事后检查验收,保模板工程质量。
(1)施工人员资质控制;(2)施工技术措施审核,并监督按审批合格的措施组织施工;(3)施工材料、构配件准入控制;(4)严格控制按设计及规范操作规程要求施工;(5)施工工艺、施工过程控制;(6)对出现的质量问题,督促其及时整改,并按规定及时上报业主。
7、模板工程在施工中常用的控制措施(1)审核施工承包人的施工技术措施,并通过现场检查、旁站督促其按审核后的措施进行施工,重点检查基土是否夯实,有无排水措施,支架下是否设通长垫板,支架的拉子是否加密等,对未按要求施工的部位进行返工;(2)审核施工承包人的施工技术措施,通过现场的检查、旁站督促其按审核后的措施进行施工,重点检查:在砖垛处是否设通长的垫板,支撑是否牢固;(3)审查施工承包人的工程技术措施,并通过现场的检查、旁站督促其按审核后的措施进行施工。
模板工程质量检验标准主控项目必须合格:模板及其支架必须具有足够的强度、刚度和稳定性,其支架的支承部分必须有足够的支承面积。
如安装在基土上,对冻胀性土必须有防冻融措施。
检查数量:全数检查。
检查方法:对照模板设计方案,现场观察或尺量。
对进场的模板进行检查验收,对不符和要求的,要及时处理,无法修补的则退回厂家。
1、模板工程一般项目必须达到合格标准。
评定代号:合格○,不合格×(有数字应记录数字)。
2、接缝宽度不大于 1.5mm(墙模与混凝土板接触面做砂浆找干层,但砂浆找平层不得吃进墙的有效截面内,并采取防漏浆措施,如加垫海绵条)。
检查方法:观察和楔形尺检查。
3、接触面采取清理、隔离措施,模板必须清理干净,接缝严密,满涂隔离剂。
检查方法:观察检查4、模板工程允许偏差项目实测合格率必须达到设计标准。
检查数量:按有代表性的自然间抽查10%,墙每面为1处,板每间为1处,但均不能小于3处。
其中1、6项各检查2点,其它各项均检查1点。
检查方法:1、3项用尺量检查;2项用水准仪检查;4项用2m托线板检查;5项用直尺和尺量检查;6项用2m靠尺和楔形尺检查;7、8、9项用拉线和尺量检查。
检查一般项目、允许偏差项目测点比上述数量增加一倍。
模板工程必须按下列要求做:模板应有防漏浆措施;进场模板平整度不大于1mm;水电留洞模板方案必须经项目总工程师审批,其方案必须满足项目创“精品工程”的要求;水电留洞(钢模板)必须放任意两层洞边(对中心)垂直对齐误差不大于5mm控制墙模板偏位板上应留洞;顶板模板在板角上留100×100mm养护支撑板。
阴阳角检测方法:几何法(勾股定理)或阴阳角尺检查。
模板施工质量要求质量要求符合施工及相关质量验收规范,按照国家颁发的现行《建筑工程施工质量验收统一标准》,质量等级必须达到合格标准。
模板及其支架应根据工程结构形式、荷载大小、地基土类别、施工设备和材料供应等条件进行设计。
模板及其支架应具有足够的承载能力、刚度和稳定性,能可靠地承受浇筑混凝土的重量、侧压力以及施工荷载。
还应该符合下列规定:1.能够保证工程结构和构件各部分形状尺寸和相互位置的正确。
2.构造简单,装拆方便,并便于钢筋的绑扎、安装和混凝土的浇筑、养护等要求。
3.模板的接缝不应漏浆。
模板与混凝土的接触面应涂隔离剂。
对油质类等影响结构或妨碍装饰工程施工的隔离剂不宜采用。
严禁隔离剂沾污钢筋和混凝土接槎处。
模板安装根据工程结构型式和特点及现场施工条件,对模板进行设计,确定模板平面布置,纵横龙骨规格、数量、排列尺寸,柱箍选用的型式及间距,梁板支撑间距,模板组装形式(就位组装或预制拼装),连接节点大样。
确定模板荷载,验算模板和支撑的强度、刚度及稳定性。
绘制全套模板设计图(模板平面图、分块图、组装图、节点大样图、零件加工图)。
模板数量应在模板设计时按流水段划分,进行综合研究,确定模板的合理配制数量。
1.柱模板安装:(1)工艺流程:(2)按标高抹好水泥砂浆找平层,按位置线做好定位墩台,以便保证柱轴线、边线与标高的准确,或者按照放线位置,在柱四边离地5~8cm 处的主筋上焊接支杆,从四面顶住模板以防止位移。
(3)安装柱模板:通排柱,先装两端柱,经校正、固定、拉通线校正中间各柱。
模板之间应加双面胶带夹紧,防止漏浆。
(4)安装柱模的拉杆或斜撑:柱模每边设2 根拉杆,固定于事先预埋在楼板内的钢筋环上,用经纬仪控制,用花篮螺栓调节校正模板垂直度。
拉杆与地面夹角宜为45°,预埋的钢筋环与柱距离宜为3/4 柱高。
柱高4m或4m以上时,一般应四面支撑,柱高超过6m时,不宜单柱支撑,宜几根柱同时支撑连成构架。
(5)安装柱箍:柱箍可用角钢、钢管等制成,柱箍应根据柱模尺寸、砼侧压力大小,在模板设计中确定柱箍尺寸间距。
钢筋混凝土工程是建筑工程中常见的一种结构形式,而在进行钢筋混凝土浇筑时,模板及支架的质量和安全性直接关系到整个工程的质量和安全。
对于模板及支架的基本要求需要严格遵守和执行。
一、模板的基本要求1.1 强度要求模板的材料必须具有足够的抗弯、抗压和抗扭强度,以确保在浇筑混凝土时能够承受混凝土及其自身的重量。
常见的模板材料包括胶合板、钢模板等,这些材料都必须符合相关标准的要求,否则会对工程的质量和安全造成不良影响。
1.2 平整度要求模板在使用前必须经过平整处理,不能有裂缝、突起或凹陷等缺陷,以确保浇筑出的混凝土结构表面平整、光滑。
1.3 尺寸精度要求模板的尺寸要符合设计要求,以保证浇筑出的混凝土结构的尺寸和形状与设计图纸一致,避免后续施工和使用中出现尺寸偏差。
1.4 安全性要求模板的搭设、支撑和拆除必须符合安全规范,保证施工人员和设备在模板使用过程中不会发生意外事故。
二、支架的基本要求2.1 材料要求支架的材料必须具有足够的强度和稳定性,能够承受模板及混凝土的重量,并能够有效地分散和传递荷载。
2.2 结构要求支架的结构设计必须合理牢固,能够确保模板的稳定支撑和使用安全。
2.3 尺寸精度要求支架的尺寸和间距要符合设计要求,以保证模板的支撑和稳定。
2.4 安全性要求支架的安装和使用必须符合相关安全规范,确保支架在使用过程中不会发生倒塌或其他安全事故。
三、模板及支架的共同要求3.1 可靠性要求模板及支架的搭设和使用必须确保其可靠性,不能出现松动、变形或脱落等现象。
3.2 耐久性要求模板及支架的材料和结构必须具有一定的耐久性,能够保证在施工过程中不出现腐蚀、老化等问题。
3.3 施工作业要求在模板及支架的搭设、使用和拆除过程中,必须按照相关施工规范和操作规程进行,确保施工作业的安全和质量。
3.4 质量控制要求在模板及支架的设计、加工、搭设和使用过程中,必须进行严格的质量控制,确保产品符合相关标准和要求。
通过对模板及支架的基本要求进行严格遵守和执行,可以确保钢筋混凝土工程的质量和安全,为建筑工程的顺利进行提供有力保障。
模板支架规范一、引言。
模板支架是一种用于支撑和固定模板的工具,它在各种行业和领域都有广泛的应用。
为了确保模板支架的使用安全和稳定,制定一套规范是非常必要的。
本文将就模板支架规范进行详细介绍,以期为相关行业提供参考。
二、材料选择。
1. 主要材料。
模板支架的主要材料应选择优质钢材或者铝合金材料,以确保其强度和稳定性。
材料的选择应符合国家标准,并经过质量检测合格。
2. 表面处理。
模板支架的表面处理应采用防腐蚀、防锈的工艺,以增加其使用寿命。
常见的处理方法包括镀锌、喷塑等,必须确保表面处理的质量符合相关标准。
三、结构设计。
1. 结构稳定。
模板支架的设计应保证其结构稳定,能够承受一定的荷载和风压。
结构设计应符合工程力学原理,避免出现易损部位和弱连接。
2. 可调节性。
模板支架的设计应考虑到实际施工中的需要,具有一定的可调节性,以适应不同高度和角度的模板支撑。
四、安装要求。
1. 安装前检查。
在安装模板支架之前,应对支架及其配件进行全面检查,确保其完好无损,并且符合设计要求。
2. 安装位置。
模板支架的安装位置应在平整坚固的地面上,避免出现倾斜和不稳定的情况。
3. 固定方法。
模板支架的固定方法应符合设计要求,并采用可靠的连接件,以确保支架的稳固性。
五、使用与维护。
1. 使用注意事项。
在使用模板支架时,应按照设计要求进行安装和拆卸,避免超载和误用。
2. 定期检查。
定期对模板支架进行检查和维护,及时发现并处理可能存在的问题,以确保其使用安全。
六、总结。
模板支架规范的制定和执行,对于保障施工安全和工程质量具有重要意义。
各行各业在使用模板支架时,应严格按照规范要求进行操作,确保支架的安全可靠性。
同时,不断完善和更新规范,也是行业发展的需要,希望本文的介绍能够对相关行业提供一定的参考和帮助。
一、模板工程的质量要求1.1模板安装工程的质量要求应符合《混凝土结构工程施工质量验收规范》(GB50204-2002)的规定。
1.2模板拆除工程的质量要求应符合《混凝土结构工程施工质量验收规范》(GB50204-2002)的规定。
二、模板工程的质量通病及监理控制2.1模板工程的常见质量通病2.1.1模板施工不符合要求:(1)强度、刚度和稳定性不能保证;(2)无模板设计方案;(3)整体性、密闭性达不到规范要求;(4)未按验收规范对模板工程作同步验收。
2.1.2轴线发生位移:(1)轴线定位错误;(2)墙、柱模根部和顶部无固定措施,发生偏差后不作认真校正,造成累积误差;(3)不拉水平和竖向通线,无竖向总垂直度控制措施;(4)支模刚度差,拉杆太稀,间距不规则;(5)不对称浇灌混凝土,挤偏模板;(6)螺栓、顶撑、木楔使用不当或松动,用铁丝拉结捆绑,变形大;(7)模板与脚手架拉结。
2.1.3模板体系产生变形。
2.1.4标高传递发生偏差。
2.1.5接缝不严、接头不规则。
2.1.6隔离剂涂刷不符合要求。
2.1.7模板自身清理、模内清理不符合要求。
2.1.8封闭的或竖向模板无排气口、浇捣口。
2.1.9斜模板支设不符合要求。
2.1.10拆模使混凝土受损:(1)支模不当影响拆模;(2)拆侧模过早,破坏混凝土表面及棱角;(3)承重底模及其支架未按设计要求或规范规定拆模。
2.1.11其他支模错误:(1)未按规定起拱;(2)支模中遣漏预埋件、预留孔洞;(3)合模前与钢筋及各专业未协调配合。
2.2模板工程的监理质量控制2.2.1审核模板工程的施工方案:根据主体工程的结构体系、荷载大小、合同工期及模板的周转情况等,综合考虑承包单位所选择的模板和支撑系统是否合理,提出审核意见,审核中要重点审定。
2.2.2对进场模板规格、质量进行检查。
2.2.3审查承包单位报送的模板隔离剂(脱模剂)的有关资料。
2.2.4墙、柱支模前应先在基底弹线,以校正钢筋位置,并为合模后检查位置提供准确的依据。
一、模板安装技术要求1、立杆间距、板面支撑的立杆间隙不大于1米,梁底两侧立杆间距不大于60cm,梁截面大于200×300cm的,必须每根立杆加设防滑扣.客厅部分必须加设纵横向剪刀撑,外围悬挑板或立杆斜支的部分必须有可靠水平拉杆及扫地杆连接.2、楼梯部分等所有支撑系统严禁使用钢木混支。
3、电梯井位置的支模必须有可靠立足点,无有效立足点的必须佩带安全带。
4、所有梁板及外围处,不得使用水平探头杆作为受力支撑点。
5、剪力墙加固必须使用双钢管加固(起步20cm以上加40cm间距,其余间距60cm),加固通过打孔拉结穿螺栓。
6、柱加固使用双钢管打包箍(起步20cm,其余间距60cm)标准层2.9米不少于4道.7、模板拆除时不得一次性将立杆全部拆除不得悬空预留大面积模板,防止模板塌落伤人。
8、大面积模板安装时(剪力墙)必须有可靠支撑,防止风荷载及其他原因导致倾覆伤人。
9、模板拆除后,从钢平台吊料时,不得将长短不一的木方、模板一并吊运,防止短料在吊运过程中坠落伤人,不得一次性过多的吊运,所有材料不得堆放于外架上,在已支好的模板及刚浇筑的混凝土上单位面积内不得堆放过多、过重的材料,防止坍塌伤人或破坏混凝土结构。
10、模板支撑系统严禁借助外架杆件作为支撑点和受力点,或与外架连接等.11、支撑过程中,木工操作人员不得以任何借口拆除外架杆件及防护设施,如需拆除的部分必须经技术负责人同意后拆除,工序完成后必须及时恢复。
12、模板封模前必须清理墙柱内垃圾,不得在已封堵的梁板柱内加工、刨、锯木料,钢筋绑扎前必须清理干净模板上的垃圾。
13、木工机械不得使用倒顺开关,皮带转动位置必须有防护罩,锯片有防护罩防止溅出木屑伤人。
14、二次结构、拦水埂等位置的支模,不得使用外架做受力点或支撑,严禁擅自拆除连樯件。
15、每层拆除后,必须将外架体、临边洞口处得模板,方料、钢管扣件随层清理干净,模板完成后需将剩余材料码放到指定地点,严禁将其放置外架和临边洞口处,手持电锯严禁使用双股铰链线,不得用竹签把电源线插入插座内.16、泵送混凝土时,砼管道处必须加固稳定,防止模板坍塌,严禁将拆除和模板面上的材料向下乱抛掷。
4模板分项工程说明: 4 模板分项工程模板分项工程是为混凝土浇筑成型用的模板及其支架的设计、安装、拆除等一系列技术工作和完成实体的总称。
由于模板可以连续周转使用,模板分项工程所含检验批通常根据模板安装和拆除的数量确定。
4.1 一般规定4.1.1 模板及其支架应根据工程结构形式、荷载大小、地基土类别、施工设备和材料供应等条件进行设计。
模板及其支架应具有足够的承载能力、刚度和稳定性,能可靠地承受浇筑混凝土的重量、侧压力以及施工荷载。
说明:4.1.1 本条提出了对模板及其支架的基本要求,这是保证模板及其支架的安全并对混凝土成型质量起后果要作用的项目。
多年的工程实践证明,这些要求对保证混凝土结构的施工质量是必需的。
本条为强制性条文,应严格执行。
4.1.2 在浇筑混凝土之前,应对模板工程进行验收。
模板安装和浇筑混凝土时,应对模板及其支架进行观察和维护。
发生异常情况时,应按施工技术方案及时进行处理。
说明:4.1.2 浇筑混凝土时模板及支架在混凝土重力、侧压力及施工荷载等作用下胀模(变形)、跑模(位移)甚至坍塌的情况时有发生。
为避免事故,保证工程质量和施工安全,提出了对模板及其支架进行观察、维护和发生异常情况时进行处理的要求。
4.1.3 模板及其支架拆除的顺序及安全措施应按施工技术方案执行。
说明:4.1.3 模板及其支架拆除的顺序及相应的施工安全措施对避免重大工程事故非常重要,在制订施工技术方案时应考虑周全。
模板及其支架拆除时,混凝土结构可能尚未形成设计要求的受力体系,必要时应加设临时支撑。
后浇带模板的拆除及支顶易被忽视而造成结构缺陷,应特别注意。
本条为强制性条文,应严格执行。
4.2 模板安装主控项目4.2.1 安装现浇结构的上层模板及其支架时,下层楼板应具有承受上层荷载的承载能力,或加设支架;上、下层支架的立柱应对准,并铺设垫板。
检查数量:全数检查。
检验方法:对照模板设计文件和施工技术方案观察。
说明:4.2.1 现浇多层房屋和构筑物的模板及其支架安装时,上、下层支架的立柱应对准,以利于混凝土重力及施工荷载的传递,这是保证施工安全和质量的有效措施。
模板工程质量验收标准1.1 一般规定4.1.1 模板及其支架应根据工程结构形式、荷载大小、地基土类别、施工设备和材料供应等条件进行设计。
模板及其支架应具有足够的承载能力、刚度和稳定性,能可靠地承受浇筑混凝土的重量、侧压力以及施工荷载。
1.1.2 在浇筑混凝土之前,应对模板工程进行验收。
模板安装和浇筑混凝土时,应对模板及其支架进行观察和维护。
发生异常情况时,应按施工技术方案及时进行处理。
1.1.3 模板及其支架拆除的顺序及安全措施应按施工技术方案执行。
1.2 模板安装主控项目4.2.1 安装现浇结构的上层模板及其支架时,下层模板应具有承受上层荷载的承载能力,或加设支架;上、下层支架的立柱应对准,并铺设垫板。
检查数量:全数检查。
检验方法:对照模板设计文件和施工技术方案观察。
1.2.2 在涂刷模板隔离剂时,不得沾污钢筋和混凝土接槎处。
检查数量:全数检查。
检验方法:观察。
一般项目1.2.3 模板安装应满足下列要求:1. 模板的接缝不应漏浆;在浇筑混凝土前,木模板应浇水湿润,但模板内不应有积水;2. 模板与混凝土的接触面应清理干净并涂刷隔离剂,但不得采用影响结构性能或妨碍装饰工程施工的隔离剂;3. 浇筑混凝土前,模板内的杂物应清理干净;4. 对清水混凝土工程及装饰混凝土工程,应使用能达到设计效果的模板。
检查数量:全数检查。
检验方法:观察。
1.2.4 用作模板的地坪、胎模等应平整光洁,不得产生影响构件质量的下沉、裂缝、起砂或起鼓。
检查数量:全数检查。
检验方法:观察。
1.2.5 对跨度不小于4m的现浇钢筋混凝土梁、板,其模板应按设计要求起拱;当设计无具体要求时,起拱高度宜为跨度的1/1000~3/1000。
检查数量:在同一检验批内,对梁,应抽查构件数量的10%,且不少于3件;对板,应按有代表性的自然间抽查10%,且不少于3间;对大空间结构,板可按纵、横轴线划分检查面,抽查10%,且不少于3面。
高支模模板的拼装现场质量验收标准随着建筑行业的发展,使用高支模模板建造高层建筑的需求不断增加。
高支模模板拼装的质量直接影响到建筑结构的安全稳定性,因此,制定和遵守拼装现场质量验收标准是至关重要的。
一、基础验收在施工之前,必须对基础进行验收,确保其安全、合格。
验收时应熟悉相关规定和技术要求,对基础的安全性、平整度、规格尺寸、间距等方面进行检测。
二、材料验收高支模模板所用的材料质量必须符合相关标准。
经过验收的材料需要满足以下要求:1.模板的板材应无裂缝,表面完好,角度和线条清晰。
2.螺栓、垫片、角铁等小件材料应符合国家标准,表面光滑平整,无明显锈蚀和变形。
3.模板钢管应无明显损伤、龟裂和变形。
焊缝应平整、牢固,外表面应没有焊剂、疤痕和裂缝。
三、支撑验收支架的安全、稳定性对于施工过程中的工人安全具有重要意义,应进行以下的验收:1.支架应符合设计要求,不能随意改变支架的高度。
2.支架杆件的精度应达到要求,应满足规定的承载力。
3.支架的承载表面应满足相应的要求,没有局部变形,划痕和裂纹。
四、拼装验收拼装过程的验收是确保建筑安全的重要一环,应将拼装验收分为两个阶段,即进场前和进场时。
1.进场前验收:在支架安装之前,应先对模板支撑件进行验收。
验收时应查看模板支撑件是否完好,各部位的尺寸是否正确。
2.进场时验收:在拼装现场,应先进行基础验收和支撑验收,随后对拼装前的板材进行验收,包括验收板材的尺寸、平整度、板面质量、板材的颜色、附属部件等。
五、拆卸验收高支模模板在建设完成后,需要进行拆卸验收,拆卸过程中应注意以下要求:1.拆卸支架时,先松开加固件和调节螺钉。
2.严格按照施工图进行拆卸,不得随意改动。
3.在拆卸过程中,注意安全,发现问题及时停止拆卸工作,进行检查维护。
结论高支模模板的拼装现场质量验收标准是保证建筑结构安全和稳定的一项重要工作。
在施工中,必须认真执行相关要求并对每一步操作实施严格的审核与验收。
通过不断的自我检查和试验,以确保所有工作及时纠正和完善,建造出具有质量保障的高支模模板建筑。
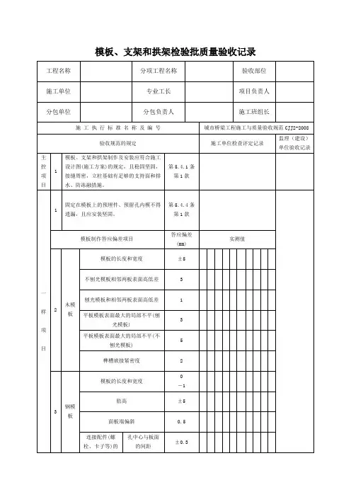
模板支架验收标准
1、当出现下列情况之一时,支撑架应进行检查与验收:
(1)基础完工后及支撑架搭设前;
(2)超过8m的高支模每搭设完成6m高度后;
(3)搭设高度达到设计高度后和混凝土浇筑前;
(4)停用1个月以上,恢复使用前;
(5)遇6级及以上强风、大雨及冻结的地基土解冻后。
2、验收时应具备下列文件
(1)根据编制依据相关文件规范、标准要求所形成的施工组织设计文件;
(2)专项施工方案及变更文件;
(3)安全技术交底文件;
(4)模板支架构配件的出厂合格证或质量分类合格标志;
(5)模板工程的施工记录及质量检查记录;
(6)模板支架搭设过程中出现的重要问题及处理记录;
(7)模板工程的施工验收报告。
3、架子搭设和组装完毕,使用前必须由项目经理、技术负责人、项目安全负责人、架子班长等人员组成验收小组,进行验收,并填写验收单。
4、支撑架检查与验收应符合下列规定:
(1)基础应符合设计要求,并应平整坚实,立杆与基础间应无松动、悬空现象,底座、支垫应符合规定﹔
(2)搭设的架体应符合设计要求,搭设方法和斜杆、剪刀撑等设置应符合本标准的规定﹔
(3)可调托撑和可调底座伸出水平杆的悬臂长度应符合本标准的规定; (4)水平杆扣接头、斜杆扣接头与连接盘的插销应销紧。
4.2模板和支架工程质量标准模板一般规定(1)模板及支架的强度、刚度及稳定性需满足受力要求。
(2)模板表面平整、洁净、无破损,若为钢模板安装前去除铁锈和油污并涂刷脱模剂。
(3)模板接缝紧密、平顺、无错位。
(4)安装在模板上的预埋件须牢固,位置准确,并做标记。
(5)模板安装后,对其结构尺寸、平面位置、顶部标高、节点联系及纵、横向稳定性进行检查。
支架一般规定(1)钢管应无裂纹、凹陷、锈蚀,不得采用对接焊接钢管;(2)钢管应平直,直线度允许偏差应为管长的1/5,两端面应平整,不得有斜、毛刺;(3)铸件表面应光滑,不得有砂眼、缩孔、裂纹、浇冒残余等缺陷,表面粘砂应清除干净;(4)各焊缝应饱满,焊药应清除干净,不得有未焊透、夹砂、咬肉、裂纹等缺陷;(5)构配件防锈漆涂层应均匀,附着应牢固;(6)钢管直径、壁厚应符合设计及规范要求。
模板清理(1)钢模板在安装前,先将表面附着的杂物清理干净,然后采用抛光机对模板进行打磨,保证模板表面洁净,然后涂刷隔离剂。
图4.2-1模板打磨图4.2-2模板涂刷隔离剂(2)木模板在安装前,采用小型铲具和扫帚等工具将表面附着的杂物清理干净,然后采用抹布对表面进行擦拭干净。
在安装前,涂刷隔离剂。
模板和支架的安装(1)模板安装前,应先采用空压机或者高压水枪将结构物范围内的浮渣、灰尘等杂物清理干净。
(2)支架搭设前应对承载力不满足要求的地基进行处理,对积水进行排除。
搭设时按照设计图纸及监理工程师已审批过的施工方案进行。
模板和支架的拆除(1)非承重模板应在混凝土强度能保证结构棱角不损坏时方可拆除,混凝土强度宜为2.5MPa 以上。
(2)芯模和预留孔道内膜应在混凝土抗压强度能够保证结构表面不发生塌陷和裂缝时,方可拔出。
(3)承载结构的模板和支架拆除,应符合设计要求。
若设计无规定时,应符合表4.2-1的规定。
表4.2-1现浇结构拆除底膜时的混凝土强度模板验收4.2.6.轴线检查模板安装前,应先对模板位置进行测量放样,然后用墨线将模板边线放样出,并对墨线进行复测。
4.2 模板和支架工程质量标准
4.2.1模板一般规定
(1)模板及支架的强度、刚度及稳定性需满足受力要求。
(2)模板表面平整、洁净、无破损,若为钢模板安装前去除铁锈和油污并涂刷脱模剂。
(3)模板接缝紧密、平顺、无错位。
(4)安装在模板上的预埋件须牢固,位置准确,并做标记。
(5)模板安装后,对其结构尺寸、平面位置、顶部标高、节点联系及纵、横向稳定性进行检查。
4.2.2支架一般规定
(1)钢管应无裂纹、凹陷、锈蚀,不得采用对接焊接钢管;
(2)钢管应平直,直线度允许偏差应为管长的1/500,两端面应平整,不得有斜口、毛刺;
(3)铸件表面应光滑,不得有砂眼、缩孔、裂纹、浇冒口残余等缺陷,表面粘砂应清除干净;
(4)各焊缝应饱满,焊药应清除干净,不得有未焊透、夹砂、咬肉、裂纹等缺陷;
(5)构配件防锈漆涂层应均匀,附着应牢固;
(6)钢管直径、壁厚应符合设计及规范要求。
4.2.3模板清理
(1)钢模板在安装前,先将表面附着的杂物清理干净,然后采用抛光机对模板进行打磨,保证模板表面洁净,然后涂刷隔离剂。
图4.2-1 模板打磨
图4.2-2 模板涂刷隔离剂
(2)木模板在安装前,采用小型铲具和扫帚等工具将表面附着的杂物清理干净,然后采用抹布对表面进行擦拭干净。
在安装前,涂刷隔离剂。
4.2.4模板和支架的安装
(1)模板安装前,应先采用空压机或者高压水枪将结构物范围内的浮渣、灰尘等杂物清理干净。
(2)支架搭设前应对承载力不满足要求的地基进行处理,对积水进行排除。
搭设时按照设计图纸及监理工程师已审批过的施工方案进行。
4.2.5模板和支架的拆除
(1)非承重模板应在混凝土强度能保证结构棱角不损坏时方可拆除,混凝土强度宜为2.5MPa以上。
(2)芯模和预留孔道内膜应在混凝土抗压强度能够保证结构表面不发生塌陷和裂缝时,方可拔出。
(3)承载结构的模板和支架拆除,应符合设计要求。
若设计无规定时,应符合表4.2-1的规定。
表4.2-1 现浇结构拆除底膜时的混凝土强度
4.2.6模板验收
4.2.6.1轴线检查
模板安装前,应先对模板位置进行测量放样,然后用墨线将模板边线放样出,并对墨线进行复测。
安装时,应进行拉水平和竖向通线。
模板安装牢固后,应采用测量仪器进行复测,确保模板轴线满足允许偏差要求。
4.2.6.2垂直度检查
模板加固牢固后,采用线锤进行吊线检查,保证模板垂直度满足允许偏差要求。
4.2.6.3拼缝、错台及平整度检查
模板拼缝应严密,不得漏浆;相邻模板间的高差不得大于2mm;模板表面平整度采用2m靠尺进行检测,平整度不得大于5mm。