锅炉安装工程检验批质量验收记录表.doc
- 格式:doc
- 大小:55.50 KB
- 文档页数:2
工业锅炉安装
锅炉型号:_________________________ 使用单位:_________________________ 安装单位:
工业锅炉安装合格证
工业锅炉技术资料审检表
锅炉本体就位记录
锅炉、管道受压部件焊接记录
年月日
外汽管道安装外观检验报告
日年月
风机、泵类安装记录
施匸人员:施丄单位现场负责人:
锅炉安全附件安装记录
省煤器(铸铁)安装及水压实验记录
施工单位现场负责人:建设单位负责人:
炉排冷态运行记录
锅炉本体水压实验记录
施工单位现场负责人: 建设单位负责人: 监检人员: 年月日日
烘炉记录
煮炉记录
锅炉总体运行验收记录
材料出库单单位名称:
安顺兰星化学清洗锅炉安装有限公司
年月日
现场管理、特种作业人员情况表。
锅炉设备安装检查记录编号:(压一1)~(压—49)目录同意安装锅炉的批复 (4)锅炉安装质量证明书 (5)锅炉安装开工报告 (6)安装人员名单 (7)锅炉安装技术资料检查记录表 (8)锅炉设备开箱验收记录 (9)锅炉设备缺损件修复记录 (10)锅炉基础检查验收记录 (11)锅炉钢架安装检查记录(一) (12)锅炉钢架安装检查记录(二) (13)锅炉钢架安装记录(三) (15)锅炉钢架安装记录(四) (16)锅筒集箱安装检查记录(一) (18)锅筒集箱安装检查记录(二) (19)水冷壁安装检查记录 (20)对流壁安装检查记录 (21)过滤器安装检查记录(一) (22)过滤器安装检查记录(二) (23)钢管省煤器安装检查记录(一) (24)钢管省煤器安装检查记录(一) (25)铸铁省煤器安装检查记录 (26)焊接代(割)样试件检查记录 (29)焊接检查记录 (30)管端退火记录 (31)胀管试验检查记录 (32)胀管质量检查记录 (33)安装后通球封闭检查记录 (35)锅炉安装预备膨胀间隙记录 (37)安全阀、压力表、水位表安装记录 (39)锅炉本体汽水管线安装记录 (41)锅炉本体阀门水压试验及检修记录 (42)省煤器水压试验记录 (44)锅炉本体水压试验记录 (45)锅炉胀管补胀记录 (46)炉排安装检查记录(一) (47)炉排安装检查记录(二) (48)燃烧装置安装检查记录 (49)辅助安装及单机试运转记录 (50)耐火硷抗压强度试验记录 (52)炉墙砌筑检查记录 (53)烘炉检查记录 (54)煮炉(化学清洗)检查记录 (55)安全阀调试记录 (57)冲管质量检查记录 (58)七十二小时试运行记录 (59)总体验收 (60)锅炉安装质量回访记录 (61)压—01同意安装锅炉的批复你单位要求安装文件:一、锅炉制造技术资料;二、锅炉房内部设备布置图;三、锅炉房与周围建筑物距离图;四、受托安装单位:上述文件内容齐全有效,同意开工安装。
《锅炉安装工程检验批质量验收记录》填写说明与依据一、总说明(1)适用范围,适用于建筑供热和生活热水供应的额定工作压力不大于125MPa.热水温度不超过130%的整装蒸汽和热水锅妒及辅助设备安装工程的质量检验与验收。
(2)检验批的划分:室外供热管道及配件安装分项工程应按系统、区城、施工段或楼层等划分。
分项工程应划分成若干检验批进行验收。
(3)验收人员:由监理工程师(建设单位项目专业技术负责人)组织施工单位项目经理和有关勘察、设计单位项目负责人等进行验收。
二、表格项目填写说明1.主控项目(1)锅炉基础验收1)规范要求:锅炉设备基础的混凝土强度必须达到设计要求,基础的坐标、标高、几何尺寸和螺栓孔位置应符合下表12-43 的规定。
锅炉及辅助设备基础的允许偏差和检验方法表12-432)检查数量:全数检查。
(2)燃油、燃汽及非承压锅炉安装1)规范要求;非承压锅炉,应严格按设计或产品说明书的要求施工。
锅简顶部必须敞口或装设大气连通管,连通管上不得安装阀门。
检查方法:对照设计图纸或产品说明书检查。
2)规范要求:以天然气为燃料的锅炉的天然气释放管或大气排放管不得直接通向大气,应通向贮存或处理装置。
检查方法:对照设计图纸检查。
3)规范要求:两台或两台以上燃油锅炉共用一个烟肉时,每一台锅炉的烟道上均应配备风阀或挡板装置,并应具有操作调节和闭锁功能。
检查方法:观察和手扳检查。
检查数量:全数检查。
山建市卫建生市公间中的大为工(3)锅炉烘炉和试运行1)规范要求:锅炉火焰烘炉应符合下列规定火焰应在炉膛中央燃烧,不应直接烧烤炉墙及炉拱。
烘炉时间一般不少于4d,升温应缓慢,后期烟温不应高于160C,且持续时间不应少于24h。
链条炉排在烘炉过程中应定期转动。
烘炉的中、后期应根据锅炉水水质情况排污。
检查方法:计时测温、操作观察检查。
2)规范要求:锅炉结束后应符合下列规定:①炉墙经烘烤后没有变形,裂纹及塌落现象。
2炉墙砌筑砂浆含水率达到7%以下。
123
45678910
14567891焊口 平直度连续长度
总长度
(两侧)6410261验收部位项目经理专业工长施工班组长分包项目
经 理
施工单位检查评定记录15
第13.3.8条
管壁厚1/4
+1m
小于0.5mm
第13.3.4条
第13.3.5条
第13.3.6条
第13.3.7条
25mm
小于焊缝长度的10%
10
±5
规范规定
第13.3.1条
≤60℃
≤80℃
<0.10mm
<0.08mm
第13.3.3条
<1000r/min 1000~1450r/min 坐 标标 高坐 标滑动轴承滚动轴承管道焊接质量
送、引风机
各种静置 设备(各种
容器、箱、
缺罐等)焊缝 加强面咬
边管壁厚
10mm以内高度
操作通道的净距法兰、焊缝和连接管件及仪表、阀门的安装位23宽度
深度长 度310辅助设备基础的混凝土强度风机试运转、轴承温升
轴承径向单幅
分汽缸水压试验敞口箱、罐安装满水试验地下直埋油罐气密性试验锅炉设备的工艺管道水压试验供热锅炉辅助设备及管道安装工程检验批质量验收记录(表一)
1.2.7给排水-26-1
工程名称
施工单位
施工执行标准名称及编号
分包单位主控项目2
轴向倾斜 (1m)径向位移
0.1
0.8
0.1±52
垂直度(1m)泵体水平度(1m)联轴器同心度标 高设备安装的各种静置
设备(各种
容器、箱、 缺罐等)离 心 式 水 泵11
一)
监理(建设)单位验收记录。
锅炉安装工程检验批质量验收记录1. 引言本文档记录了锅炉安装工程的检验批质量验收情况,旨在掌握工程进度、质量状况和单位工作情况,做好质量管理工作,及时发现问题,及时解决问题,确保工程质量达到设计要求。
2. 项目概况本项目是某公司新建锅炉房及锅炉设备安装工程,设备安装包括燃料供应、出口气流等系统的安装。
3. 检验时间和现场人员检验时间:2021年1月1日 ~ 2021年1月5日现场人员:检验人员1名,现场施工人员20人,工程负责人1名。
4. 检验标准检验标准遵循国家标准和设计要求,具体包括锅炉设备的制造、安装、调试质量等方面的要求,以保证锅炉设备安装工程顺利进行。
5. 检验结果5.1 检验项1:锅炉设备的垂直度检验检验要求:锅炉设备的垂直度应符合国家标准和设计要求。
检验结果:锅炉设备的垂直度达到设计要求。
5.2 检验项2:锅炉设备的水平度检验检验要求:锅炉设备的水平度应符合国家标准和设计要求。
检验结果:锅炉设备的水平度达到设计要求。
5.3 检验项3:锅炉设备接口连接检验检验要求:锅炉设备接口连接应符合国家标准和设计要求。
检验结果:锅炉设备接口连接达到设计要求。
5.4 检验项4:锅炉设备耐压试验检验要求:锅炉设备耐压试验应符合国家标准和设计要求。
检验结果:锅炉设备耐压试验达到设计要求。
6. 检验根据以上检验结果,锅炉安装工程的检验批质量验收合格。
工程负责人应加强对工程质量的管理,确保工程质量符合国家标准和设计要求。
7. 后续工作工程负责人应认真按照设计要求进行后续工作,对工程的质量进行严格把关,确保最终工程质量符合国家标准和设计要求。
同时,工程负责人还应及时处理工程中出现的问题,并定期对工程质量进行检查和评估,为后期的工程质量管理做好准备。
8.本次锅炉安装工程的检验批质量验收,充分展示了本单位对工程质量管理的重视程度和严谨态度。
整个验收过程中,各相关方对工程质量进行了认真把关,严格按照标准进行验收,最终取得了验收合格的优良成绩。
1
2
3
4
5
6
7
8
910
第13.4.1条工作压力+0.02MPa 第13.4.1条工作压力+0.04MPa
第13.4.1条
倍工作压力,但不少于工作压力+0.第13.4.1条倍工作压力,但不少于工作压力+0第13.4.1条3省煤 器
1.1倍工作压力
第13.4.1条2第13.4.2条3第13.4.3条4第13.4.4条5
第13.4.5条
1
2
3
4
5
6
7
8
9
10
1第13.4.6条2第13.4.7条3第13.4.8条4
第13.4.9条
施工班组长
年
641027
验收部位
项目经理
专业工长
施工单位检查评定记录
规范规定
规范规定
施工单位检查评定记录
分包项目 经 理
安全阀的定压12
压力表的刻度极限值水位表
锅炉的高低水位报警器安全阀的安装
安装压力表测压仪表1
施工单位检查 评定结果
监理(建设)单位
验收结论
安装温度温度计与压力
蒸 汽 锅 炉
热
水 锅
炉项目专业质量检查员:
供热锅炉安全附件安装工程检验批质量验收记录
1.2.7给排水-27
工程名称
施工单位施工执行标准名称及编号
分包单位主控项目
年
监理工程师 (建设单位项目技术负责人):
注:本表由施工项目专业质量检查员填写,监理工程师(建设单位项目技术负责人)组织项目专业质量检查员等进
验收结论
监理(建设)单位验收记录年 月 日
年 月 日
员等进行验收。
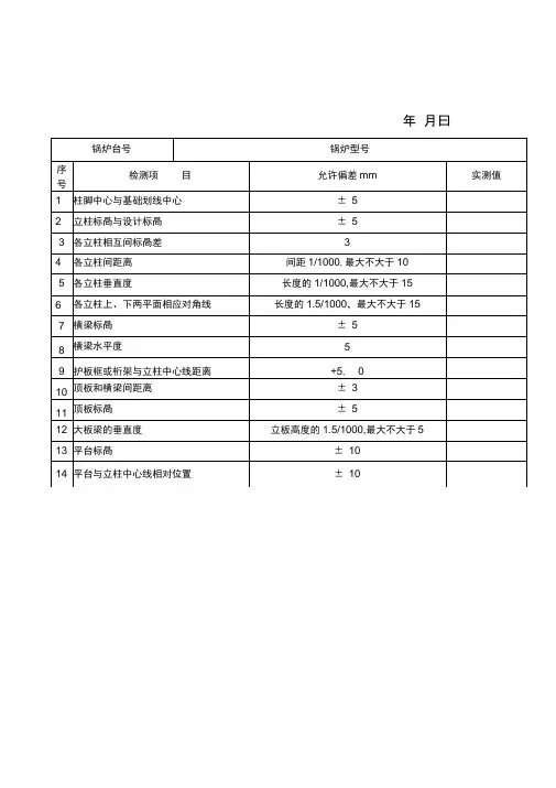
年月曰锅筒安装记录锅炉基础复查记录锅炉台号锅炉型号序号检查项目允许偏差mm实测偏差mm 1坐标位置(纵横轴线)202不同平面的标咼0、-203平面外形尺寸± 204凸台上平面外形尺寸0、-205凹穴尺寸+20、06平面的水平度每米5,且全长107垂直度每米5,且全长108预埋地脚螺栓标咼(顶端)+20、0中心距(在根部和顶部两处测量)± 29预埋地脚螺栓孔中心位置10深度+20、0孔壁铅直度1010预埋活动地脚螺栓锚板标咼+20、0中心位置5带槽的锚板与混凝土面的平整度5带螺纹孔的锚板与混凝土面的平整度211柱子间距< 10m>10m± 1± 212柱子相应对角线< 20m>20m58焊接记录图图纸会(自)审记录经办人:无(有)负荷联动试车合格证书年月日工程编号工程名称车间、工段或生产系统名称试车时间试车情况:质量鉴定:附件:机器安装记录年月日工程编号分部分项工程名称设备位号设备名称安装情况项目允许偏差实测偏差备注标高纵向中心线横向垂直度纵向水平度横向附图:注:单位为毫米。
施工技术负责人:质量检查员:施工班(组)长:年月日施工技术负责人: 质量检查员: 施工班(组)长:分部工程质量评定表评定 等级分部工程负责人: 单位工程负责人:核定 等级质量检查部门核定人:年 月 日年 月日注:性质是该分项工程为主要分项工程还是一般分项工程序号分项工程名称等 级性质备注合格优良123456789101112合 计优良率 %单位工程名称: 分部工程名称:达注:分项工程性质是指该分项工程为主要分项工程还是一般分项工程漏风试验记录年月日炉墙施工记录年月曰责任技术人员: 质检员: 施工人员:空气预热器管箱油渗漏试验记录2"年月日风道及炉膛风压试验记录年月曰年月曰锅筒封闭记录"“宀年月日安全阀调整试验记录年月曰锅炉台号锅炉型号序号项目名称锅筒安全阀过热器安全阀省煤器安全阀I n1安全阀型号2安全阀装置地点工作压力MPa3开启压力MPa4回座压力MPa5阀芯提升高度mm (重锤式安全阀不记录)6调整日期7调试人员记事:焊接接头表面质量检查记录 5焊接责任技术人员: 焊接质检员: 年月日分项工程质量检验表钢管、有色金属管道保证项目检验记录单位工程名称:分项工程名称:分部工程名称:分项工程性质:检验内容质量情况材质、规格、型号的合格证、质量证明书及复(校)验报告阀门试验、阀门解体及安全阀调试记录加工合格证或加工记录咼压管螺纹及密封面加工记录资设计变更及材料代用记录焊工合格证、焊接工艺评定、焊接工作记录及焊条、焊剂烘干记录焊缝无损检测报告和热处理记录料管段、管件及阀门的清洗、脱脂记录预拉伸(压缩)记录膨胀指示器、监察管段及蠕胀测点施工记录审与传动设备连接的管道安装记录封闭及隐蔽工程记录查夹套管加工记录电阻值测试记录管道系统试验记录管道系统吹洗、脱脂、酸洗、钝化记录法兰密封面管子标记移植现焊缝表面质量场法兰、焊缝及其它连接件的安装位置检补偿器的安装质量固定支架的安装位置、质量查膨胀指示器、监察管段及蠕胀测点安装质量填料式补偿器剩余收缩量钢管、有色金属管道基本项目检验记录单位工程名称:分项工程名称:分部工程名称:分项工程性质:钢管、有色金属管道允许偏差项目检验记录单位工程名称:分项工程名称:分部工程名称:分项工程性质:单位工程名称:分项工程质量检验表分项工程名称:分部工程名称:分项工程性质:目录一、施工组织设计二、锅炉安装告知书三、工作联系单四、工程材料报验五、施工检验记录六、射线检测报告七、压力试验报告。
钢架安装记录
(测量位置见附图)
锅炉通球记录
省煤器安装检查记录
管式空气预热器安装检查记录
炉管胀接检查记录
焊接接头试件试验综合报告
说明:工序的施工记录,检查、试验由施工单位自检自填。
炉管焊接综合报告
说明:工序的施工记录,检查、试验由施工单位自检自填。
管焊接检验综合报告
说明:工序的施工记录,检查、试验由施工单位自检自填。
锅筒封闭记录
锅炉本体水压试验记
煮炉检查记录表
胀接管端退火记录
通球记录
散-表20
炉墙砌筑质量检查记录
炉墙砌筑质量检查记录
汽水管道安装质量验收记录
煮炉检查记录表
煮炉记录
煮炉升压曲线
散一表33b
蒸汽严密性试验记录
安全阀调整记录
烘炉记录
煮炉记录
带负荷连续4~24小时试运行记录
锅炉试运行签证书
焊接接头试件试验综合报告QL-12
炉管焊接综合报告QL-13
水位表及压力表安装记录
烘炉记录。
123456789102345工作压力P(MPa)试验压力 (MPa)P<0.591.5P但不小于0.20.59≤P≤1.18
P+0.3
P>1.18 1.25P 6410251验收部位项目经理专业工长施工班组长分包项目 经 理施工单位检查评定记录5mm 2mm 第13.2.2条第13.2.3条第13.2.4条第13.2.5条2mm 10mm 0,-20mm 10mm 5mm +20,0+20,0mm 5mm 10mm 5mm 10mm +20,0mm 中心距(根部)
中心位置
深度
孔壁垂直度
规范规定C 20mm 0,-2mm 20,0mm 0,+20mm 每米
全长
每米
全高
标高(顶端)
预埋地脚螺栓孔埋活动地脚螺栓锚锅炉本体中心位置
标高
水平度
(带槽锚板)
水平度
(带螺纹孔锚板)
设备基础理论混凝土强度
基础坐标位置
基础各不同平面的标高
基础平面外形尺寸
凸台上平面尺寸
凹穴尺寸
基础上平面水平度
竖向偏差
1
6助设备基础的非承压锅炉安装
天然气释放、大气排放管
燃油锅炉风阀或挡板装置
排污阀及排污管道连接
锅炉水压试验
1预埋地脚 螺 栓供热锅炉安装工程检验批质量验收记录(表一)
1.2.7给排水-25-1
工程名称
施工单位
施工执行标准名称及编号
分包单位主控项目
2P 1.25P+0.5 3大气压力-0.8
7 8
第13.2.7条
第13.2.8条非承压锅炉
可分式省煤器
冷态运转试验
锅炉本体管道及管件焊缝
监理(建设)单位验收记录。
供热锅炉及辅助设备安装子分部工程质量验收记录SN3.11锅炉安装分项工程质量验收记录SN3.11.1锅炉安装工程检验批质量验收记录SN3.11.2SN3.11.2提示一、控项目1、主控项目第一项检验方法:第1项用经纬仪、拉线和尺量;第2项用水准仪、拉线尺量;第3、4、5项用尺量检查;第6项用水平仪(水平尺)和楔形塞尺检查;第7项用经纬仪或吊线和尺量;第8项用水准仪、拉线和尺量;第9项中心位置、深度用尺量、孔壁垂直度用吊线和尺量;第10项中心位置(用拉线和尺量)水平度用水平尺和楔形塞尺检查。
为保证设备基础质量,规定了对锅炉及辅助设备基础进行工序交接验收的验收标准。
强度的检验评定按本书第三章混凝土结构工程中混凝土强度评定的有关要求。
2、主控项目第二项检验方法:对照设计图纸或产品说明书检查。
近几年非承压热水锅炉(包括燃油、燃气的热水锅炉)被广泛采用,各地技术监督部门已经对非承压锅炉的安装和使用进行监管。
非承压锅炉的安装,如果忽视了它的特殊性,不严格按设计或产品说明书的要求进行施工,也会造成不安全运行的隐患。
非承压锅炉最特殊的要求之一就是锅筒顶部必须敝口或装设大气连通管。
3、主控项目第三项检验方法:对照设计图纸检查。
4、主控项目第四项检验方法:观察和手扳检查。
燃油锅炉的用户越来越多,该项规定参考美国《燃油和天然气单燃器锅炉炉膛防爆法规》(NFPA85A-82 的有关条款,为保证安装运行无论设计有无要求,均应按此项要求施工验收。
5、主控项目第五项检验方法:观察检查。
主要是为了保证阀门与管道,管道与管道之间的连接强度和可靠性,避免锅炉运行事故,保证操作人员人身安全。
6、主控项目第六项该项为强制性条文。
检验方法:(1)在试验压力下10min内压力降不超过0.02MPa;然后降至工作压力进行检查,压力不降,不渗、不漏;(2)观察检查,不得有残余变形,受压元件金属壁和焊缝上不得有水珠和水雾。
根据《蒸汽锅炉安全技术监察规程》和《热水锅炉安全技术监察规程》的规定,为保证非承压锅炉的安全运行,对非承压锅炉本体及管道也应进行水压试验,防止渗、漏。