三相功率控制器说明书
- 格式:pdf
- 大小:273.44 KB
- 文档页数:18
一、 功能功能:三相功率变送器是一种将被测电量参数(有功功率、无功功率)转换成直流电流、直流电压并隔离输出模拟信号或数字信号的装置。
产品符合国标GB/T 13850-1998。
二、 规格规格:BS4P 三相有功功率变送器 BS4Q 三相无功功率变送器 BS4P-Y 三相四线有功功率变送器 BS4Q-Y 三相四线无功功率变送器三、技术技术性性能电路类型 BS4PBS4QBS4P –YBS4Q-Y标称输入电流1A 、5A ;电压57V 、100V 、220V 、380V 过 量 程 持续:1.2倍;瞬时:电流10倍/5秒,电压2倍/1秒频 率 50Hz(60、400Hz 按需)输入吸收功率 1V A标称 值0 ~ 20mA 、4 ~ 20mA 或0~10V负载电阻 电流输出时:R L ≤600Ω;电压输出时:R L ≥5 k Ω最大输出信号 额定值30mA 输出纹波 不大于2倍的基本误差值输出响应时间300ms辅助电源 AC 、DC 80V~270V ,DC24V、48V(订货时须说明)电源功 耗 5V A(AC) 精度等级 0.5级 绝缘强度2kV/50Hz/1min四、外形尺寸:五、安装方式安装方式:可固定安装在35mm 的标准DIN 轨道上。
六、接线方式:三相三线三相四线注: “*”为电流进线端七、、注意事项注意事项:1. 信号输入变送输出的接线一定要正确。
2. 若要校验仪表,校验仪器应优于0.1级,才能保证校验精度。
3. 无标准仪器及非专业人员切勿拆开。
八、保修说明:1. 本产品保修期为一年。
2. 一年内,出现质量问题,原因在于我方的,免维修费用,使用不当造成的,酌收元件成本及运费。
3. 超过保修期的,将根据实际情况收部分维修费用。
扬州新菱电器仪表有限公司地址:扬州市维扬经济开发区小官桥路20号,邮编:225008电话:*************传真:************* E-mail: **********************三相三相功率功率功率变送器变送器变送器 使用说明书扬州新菱电器仪表有限公司。
UPC Code : ************ Country Of Origin :Mexico N1303-DS30 Amp, 600 Volt, Toggle Three-Pole AC Manual Motor Controller In Type 1 Metal Enclosure, Industrial Grade, Grounded To Enclosure, Back & Side Wired, Suitable as a Motor Disconnect - GrayPowerswitch® Industrial Grade AC Manual Motor Controllers provide safe, reliable control of a variety of motor loads. Typical applications include manual ON/OFF switching control of conveyor systems, pumping machines, HVAC systems, air compressors and other heavy manufacturing equipment. These motor controllers are available for both single-phase and three-phase applications.Technical InformationElectrical SpecificationsAmperage : 30 ADielectric Voltage : Withstands 2200Vfor 1 min.Endurance : 6,000 cycles inductivemotor type loadGrounding : Grounded To EnclosurePole : 3Temperature Rise : 50ºC Max at fullrated currentVoltage : 600 VACEnvironmental SpecificationsEnclosure Rating : Type 1Flammability : Rated V-0 per UL 94Operating Temperature : -40°C to 60°CMaterial SpecificationsBase Material : Thermoplastic PolyesterContacts : Silver-Cadmium .031 ThickEnclosure Cover Material : SteelFace Material : Thermoplastic PolyesterStrap Material : Nickel Plated BrassTerminal Screws : Nickel-Plated Brass10-32Toggle : Thermoplastic PolyesterYoke : Nickel-Plated BrassMechanical SpecificationsProduct ID : Ratings are permenantlymarked on deviceTerminal Accom. : #10-#8 AWGTerminal ID : T1, T2, T3, L1, L2 & L3marked on back of deviceTermination : Back & SideTorque Range : 25 inch poundsmaximumProduct FeaturesColor : GrayDevice Type : Enclosed SwitchStandards and CertificationsANSI : C-73NEMA : WD-1 & WD-6NOM : NOM-ANCEUL 60947-4-1 : supersedes UL 508Warranty : 10-Year LimitedcUL per CSA C22.2 No. 111 : File#E63969Leviton Manufacturing Co., Inc.201 North Service Road, Melville, NY 11747Telephone: +1-800-323-8920 · FAX: +1-800-832-9538 · Tech Line (8:30AM-7:30PM E.S.T. Monday-Friday): +1-800-824-3005Leviton Manufacturing of Canada, Ltd.165 Hymus Boulevard, Pointe Claire, Quebec H9R 1E9 · Telephone: +1-800-469-7890 ·FAX: +1-800-824-3005 · /canadaLeviton S. de R.L. de C.V.Lago Tana 43, Mexico DF, Mexico CP 11290 · Tel.: (+52)55-5082-1040 · FAX: (+52)5386-1797 · .mxVisit our Website at: © 2018 Leviton Manufacturing Co., Inc. All Rights Reserved. Subject to change without notice.Leviton has a global presence.If you would like to know where your local Leviton office is located please go to:/international/contacts/。
晶闸管控制器的使用方法及维护说明一、设备简介:KTY3S系列全数字三相晶闸管功率控制器,采用全数字化设计,集开环控制、恒电压、恒电流、恒功率、调功控制、LZ控制(相位/过零综合控制)等功能于一体。
优化的硬件设计,强大的软件功能,广泛应用于三相电力功率控制;标准的通讯接口和通讯协议,可以进行网络控制。
适用于阻性负载、感性负载、变压器一次侧。
二、操作面板:RUN: 运行指示灯。
工作时亮。
STOP: 停机指示灯。
故障或停机时亮。
A/M: 自动/手动指示灯。
当给定选择 1(1.15连接的信号为 1 时亮。
FAULT: 故障指示灯。
故障时,此灯闪烁。
三、操作方法:KTY3S 系列功率控制器设有 10 个常用子菜单,每个子菜单下设有数目不等的参数单元如图:下图以参数连接开关 1.11(给定 1)由默认连接 7.11(AI1 参数)改至连接到参数连接器 7.03(参数 1),实现键盘数字给定或者通讯修改 7.03 参数给定信号为例,说明参数的修改方法。
下图为数字或字母与7段LED数码管显示符号对照:四、参数设定:在连退5#连退线上电加热炉晶闸管控制器参数应按照以下参数设定:4.11=0(信号类型) 3.05=380(额定输出电压) 3.06=341(额定输出电流)2.12=0(负载性质) 2.14=0(触发选择1) 2.16=20(过零触发周期)6.02=8.15(故障复位) 4.28=8.21(Y1输出源) 4.29=8.38(Y2输出源)五、故障处理及保养维护:故障处理KTY3S 功率控制器具有多种保护功能。
出现故障时,控制器会自动保护,同时显示相应故障代码;用户可以根据故障代码确定故障范围,作相应处理对策。
如果显示板无显示,检查各控制板之间的连接线缆是否正确。
在控制器出现故障时,其故障代码及处理方法如下表:保养及维护由于环境的温度、湿度、粉尘及振动的影响,控制器内部的器件老化等诸多原因,都有可能导致控制器发生故障。
功率控制器五、轻载实验连接功率控制器输入电源线,断开功率控制器与负载的连线,用两只100W/220V的灯泡(白炽灯功率不得小于100W)做假负载,两只灯泡呈串联连接,分别接到功率控制器的输出端。
打开功率控制面板,将控制电路板上的拨动开关K1由恒流挡拨至开环挡。
接通电源,做以下检查。
1.查看面板指示灯POWER是否亮,风机工作是否正常。
若电源指示灯不亮,风机不转,请按以下步骤检查:A.检查功率控制器的输入电压U1、V1的电压是否正常;B.检查功率控制器的快速熔断器是否熔断。
C.检查控制电路板上JD2接线端子的电压是否与功率控制器的输入电压U1、V1的电压是否一致。
D.检查控制板上电源变压器是否损害。
电源变压器原边或副边线圈是否开路或短路,停电后可检查原边线圈的电阻值正常时应在 1.2—1.5千欧,副边线圈两组的电阻值正常时在9—12欧姆,如损坏请与生产厂房联系。
E.风机工作不正常请检查风机电源连线是否正确。
用万用表测量接线端子A、N两端之间电压是否为交流220V。
若接到380V会导致风机损坏。
2.调节手动调节电位器,输出电压U2、V2两相间的电压应在0—372V范围内(非定值,随输入电网电压而变化)范围内连续可调,并能稳定在任意值。
若功率控制器输出电压不随控制信号的变化而变化,请做一下检查:1)调节手动调味器,功率控制器无电压输出。
a.检查功率控制器输入端U1,V1电压应为380V±10%b.检查手动转换开关应在手动档,K1和K2之间应连通c.检查手动调节电位器(2.2K)接线是否正确;端子WB(K1)和端子GND间的直流电压应在0—6V连续可调。
注意:接线端子WB、K2、K1在此时影视连通的。
d.负载白炽灯的连线开路或白炽灯内部开路,停电后检查功率控制器输出端电阻(所带负载)e.控制电路板损坏,有手动调节的控制信号,无触发可控硅的触发信号。
检测办法:当电位器调节到最大时(K1与GND之间应在6VDC左右),用万用表直流电压档测量G1与T1,G2与T2之间电压应在1—2VDC之间,如果没有电压信号,则可能是控制电路板故障,如损坏请与生产厂方联系。
智能交流电力控制器是中日合作超大功率固态继电器应用技术的新概念产品。
它包括三相调压/调功一体化PAC03I、工业DCS周波过零控制器ZAC10及后续系列。
额定电流40~500A,带锁相环同步电路、自动判别相位、缺相保护、上电缓启动、缓关断、散热器超温、快熔检测、电流限制、电压反馈、过流保护、串行工作状态指示、串行遥控操作器、PAC03IA还能与上位机通信,实现系统集成。
智能交流电力控制器可广泛用于工业各领域的电压调节,恒压,恒流,恒功率调节,适用于电阻性负载、电感性负载、变压器和电机软起控制等。
一. PAC03I主要技术指标:4~20mA输入: 接收阻抗120Ω 调节输出分辨力:0.2°,三相触发不平衡度:不大于0.6°负载方式: PAC03I 50Hz 三相380VAC 三角形或星形中心不接地。
移相范围:0~150°50Hz 三相380VAC 星形中心接地(220V负载) 移相范围:0~175°50Hz 三相380VAC 半控整流桥。
移相范围:0~175°隔离驱动输出:8V峰值脉冲,8°~ 120°可变脉宽,每路可2串2并接4支同相SSR。
最大驱动电流:< 30 mA纯阻电流等级:60A、90A、120A、180A、250A、300A 散热单元:B160、B227、B301A、B361、B401配置见选型表五只LED灯状态显示:红绿黄LED三相电源指示和快熔断路指示;绿色INPUT输入信号线性指示灯。
三色状态灯: RUN绿色运行灯;ALM红色报警灯;STOP黄色闪烁的待机灯。
外部执行开关的缓起动,缓关断: 无电压接点输入 闭合(ON):缓关断,时间固定3秒;开路(OFF): 由内部电位器P3设定0.2~120秒缓起动时间 不接:直接运行运行过程中自动缓起动及急停: 运行过程中瞬间缺相急停,加电后自动缓起动(三缺一相方式时被取消)。
DIN Rail Mount - 35 mm Multi-function HWUA Part number 84873026 Control of 3-phase networks : phase sequence, phase failure, asymmetry, under and overvoltage with independent settings Multi-function/Multi-voltage product Controls its own supply voltage True RMS measurement LED status indication
Part numbersSpecifications TypeFunctionsNominal voltage (V)Output84873026HWUAPhase sequence, phase failure, asymmetry, under/overvoltage with independent settings3 x 220 →3 x 480 VAC*1 single pole changeover relay
SupplySupply voltage Un3 x 220 →3 x 480 V AC * Voltage supply tolerance-12 % / +10 % Operating range194 →528 V AC supply voltage frequency50 / 60 Hz ± 10 % Galvanic isolation of power supply/measurementNo Power consumption at Un3,9 VA in AC Immunity from micro power cuts10 ms
Inputs and measuring circuitMeasurement ranges194 →528 V Selection of phase-phase nominal voltage Un220 - 380 - 400 - 415 - 440 - 480 V Frequency of measured signal50 →60 Hz ± 10 % Max. measuring cycle time140 ms/True RMS measurement Voltage threshold adjustment2 →20 % of selected Un(+2 →+10 % across the 3 x 480 V AC range-12 to -2 % across the 3 x 220 V AC range Fixed hysteresisUnder or overvoltage, asymmetry : 2 % of the Un value of the selected network Asymmetry threshold hysteresisAsymmetry : 2 % of the Un value of the selected network Asymmetry threshold adjustment5 →15 % of selected Un Display precision± 3 % of the displayed value Repetition accuracy with constant parameters± 0,5 % Measuring error with voltage drift< 1 % Measuring error with temperature drift0,05 %/ °C
Data sheetControl phase3-phaseRated load voltage440VAC~ Rated load current100AControl input ᆞAuto control: DC4-20mA, 1-5VDC , ON/OFF contact (no-voltage input), pulse voltage (5-12VDC ) ᆞManual control: outside adjuster (10kΩ), inside adjuster (output limit)Power supply100-240VAC~ 50/60Hz Min. load current1AAllowable voltage range90 to 110% of rated voltage Power consumption Max. 32VADisplay method3-digit 7-segment LEDIndicator ᆞOperation indicator/Manual control indicator: green LEDᆞAlarm indicator/output indicator/unit (V, A) indicator: red LEDControl method ᆞPhase control: normal control mode, constant current/constant voltage/constant power feedback control mode ᆞCycle control: fixed cycle control modeᆞON/OFF controlApplied load ᆞPhase control, ON/OFF control: resistance load, inductive load ᆞCycle control: resistance loadDigital inputs RUN/STOP switching, AUTO/MAN switching, RESETOutput_Alarm250VAC~ 3A, 30VDC 3A, 1c resistive loadOutput_Communication RS485 communication output (Modbus RTU method)Output range Phase control: 0 to 98%, Cycle control: 0 to 100%, ON/OFF control: 0%, 100%Output accuracy ᆞNormal control: within ±10% F.S. of rated load voltageᆞConstant current feedback control: within ±3% F.S. of rated load current ᆞConstant voltage feedback control: within ±3% F.S. of rated load voltage ᆞConstant power feedback control: within ±3% F.S. of rated load powerSetting type By front keys, by communicationFunction Output limit (OUT ADJ), AUTO/MAN selection, control method selection, RESET, SOFT START, SOFT UP/DOWN, output high/low limit, input correction, input slope correction, monitoring (control input, load voltage/current/power/resistance, power supply frequencFunction_Alarm Overcurrent alarm, overvoltage alarm, fuse break alarm, SCR error alarm, heater break alarm, heatsink overheat alarm Cooling method Forced air cooling (with the cooling fan)Insulation resistance Over 200MΩ (at 500VDC megger)Dielectric strength2,000VAC~ 50/60Hz for 1 min (between input terminals and power terminals)Output leakage current10mArmsNoise immunity±2kV the square wave noise (pulse width: 1㎲) by the noise simulatorMemory Protection Approx. 10 years(non-volatile semiconductor memory type)Vibration0.75mm amplitude at frequency of 5 o 55Hz (for 1 min) in each X, Y, Z direction for 2 hoursVibration_Malfunction0.5mm amplitude at frequency of 5 to 55Hz in each X, Y, Z direction for 10 minEnvironment_Ambienttemperature-10 to 55℃, storage: -20 to 80℃Environment_Ambient humidity35 to 85% RH, storage: 35 to 85% RHAccessories11-pin connector, isolating barrier: 4ApprovalWeight Approx. 9.7kg(approx. 8.7kg)。
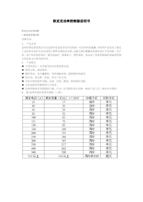
欧亚克功率控制器说明书
欧亚克功率控制器
三相晶闸管调压器
详细介绍:
1、产品介绍
晶闸管调压器是我公司引进国外先进技术而开发的新一代功率控制设备,该系列产品是为了满足工业加热及电炉行业对适用于感性负载的高可靠、无触点调压设备的需要而设计开发的新一代产品。
该产品在热处理炉、电气高温炉、玻璃加工、塑料成形、食品加工等需要精确控制温度的场合发挥着无可替代的作用。
2、产品特点
●小型化设计,可在电气柜内实现密集安装。
●使用方便,调试简单。
●解析度高、反应速度快,采用PID控制,能精确控制温度。
●软启动、软关断、恒流、恒压工作方式。
●具有完善的保护功能:过流、过热、限流、缺相保护功能。
●主控电路采用德国西门子技术。
●晶闸管模块采用德国西门康、日本三社等国际著名品牌,确保产品工艺一致性及可靠性。
3、 KT晶闸管调压器型号规格(三相)。
PAC30A智能三相调压器,其工艺结构紧凑,外形美观(欧式风格),独立的模块,便于维护,它采用了高效插片式散热器和散热器温度测量。
功能包括:上电缓启动、缓关断、散热器超温报警、自动判相、缺相报警、外部限幅、手动、启停、手动/自动转换、继电器报警输出。
可广泛用于工业各领域中的电阻、电感性负载的调压控制。
一. 主要技术指标:1.4~20mA输入: 接收阻抗250Ω2.调节输出分辨力: 0.2 °。
线性化精度:±0.3V3.负载方式: 50Hz 三相380VAC 1)星型中心不接地/外三角型 移相范围:0~150°2)星型中心接地 ( 定货特殊申明) 移相范围:0~170°4.LED灯显示:IN绿色灯:4~20mA输入信号指示;RUN兰色运行灯:1)上电运行前闪烁三次 (表示测试状态)2)一直亮:正常运行指示3)不亮:控制器或电源故障ALM红色报警灯: 1)电源缺相: 红灯闪烁2)散热器超温:红兰灯交替闪烁。
5.缓启、缓停: 缓启、缓停时间均固定为15秒。
6.外部接点: 无电压接点。
RUN/STOP :开路 启动运行 闭合:停机 MAN/AUTO: 手动/自动,闭合时: 手动7.继电器报警输出: AL2,报警接点,容量 240VAC 1A (纯阻)8.80℃超温保护: 散热器大于80℃禁止输出并报警 解除: 故障排除后,重新上电。
9.电流容量: 每相电流 40A 、 60A 、 80A 。
10. 电源: 380VAC 1W 50HZ二. 安装及使用须知:z使用前请认真阅读本说明书,严格按要求接线使用。
z本电力调整器是壁挂式,垂直安装在通风良好,不受日光直射或热辐射,无腐蚀性无可燃性的环境中。
z工作电流 >30A,需采用强制风冷。
高温高湿以及海拔大于1000米,应降额使用。
z装置过热保护后,如要再运行,需排除故障后,再送电运行。
z在使用过程中若发生过流现象,应首先检查负载有无短路等故障。
Color :WhiteUPC Code : ************Country Of Origin : MexicoRoHS Compliant : YesAvailable Colors :Black MS303-DSW30 Amp, 600 Volt, 3-Pole, Three-Phase Single Throw AC Manual Motor Controller,Suitable as Motor Disconnect, Standard Toggle, Industrial Grade, Non-Grounding, Back & Side Wiring - White Powerswitch® Industrial Grade AC Manual Motor Controllers provide safe, reliable control of a variety of motor loads. Typical applications include manual ON/OFF switching control of conveyor systems, pumping machines, HVAC systems, air compressors and other heavy manufacturing equipment. These motor controllers are available for both single-phase and three-phase applications Technical Information AC Horsepower Ratings HP Rating : 3HP-120V, 7.5HP-240V,15HP-480V, 20HP-600V Electrical Specifications Amperage : 30 A Dielectric Voltage : Withstands 2200VAC for 1 min.Endurance : 6,000 cycles inductive motor type load Grounding : Non-Grounding Overload UL20 Test : 50 cycles at 6times full rated current Pole : 3Short Circuit Current Rating : 10,000RMS symmetrical amps at 600V AC max. when protected by a 30A time delay fuse Temperature Rise : 50ºC Max at full rated current Voltage : 600 VAC Environmental Specifications Flammability : Rated V-0 per UL 94Operating Temperature : -40°C to 60°C Material Specifications Base Material : Thermoplastic Polyester Contacts : Silver-AlloyCover Material : Thermoplastic PolyesterStrap Material : Nickel-Plated Brass Terminal Screws : Nickel-Plated Brass 10-32, Triple Combination Toggle : Thermoplastic Polyester Mechanical Specifications Product ID : Ratings are permanently marked on device Terminal Accom. : #10 - #8 AWG Terminal ID : T1, T2, T3, L1, L2 & L3marked on back of device Termination : Back & Side Torque Range : 20 inch pounds maximum Product Features Color : White Device Type : Toggle Switch Standards and CertificationsANSI : C-73NEMA : WD-1 & WD-6NOM : NOM-ANCEUL 60947-4-1 : supersedes UL 508Warranty : 10-Year Limited cUL per CSA C22.2 No. 111 : File #E63969Leviton Manufacturing Co., Inc.201 North Service Road, Melville, NY 11747Telephone: +1-800-323-8920 · FAX: +1-800-832-9538 · Tech Line (8:30AM-7:30PM E.S.T. Monday-Friday): +1-800-824-3005Leviton Manufacturing of Canada, Ltd.165 Hymus Boulevard, Pointe Claire, Quebec H9R 1E9 · Telephone: +1-800-469-7890 ·FAX: +1-800-824-3005 · /canadaLeviton S. de R.L. de C.V.Lago Tana 43, Mexico DF, Mexico CP 11290 · Tel.: (+52)55-5082-1040 · FAX: (+52)5386-1797 · .mxVisit our Website at: © 2021 Leviton Manufacturing Co., Inc. All Rights Reserved. Subject to change without notice.Leviton has a global presence.If you would like to know where your local Leviton office is located please go to:/international/contacts/。