功率表的正确使用
- 格式:ppt
- 大小:94.00 KB
- 文档页数:10
功率表的使用方法一、什么是功率表功率表(Power Meter)是一种用于测量电力系统中电能的仪器,它能够测量电压、电流、功率因数等参数,并计算出电能消耗。
功率表广泛应用于工业、商业和家庭等领域,用于监测和管理电能的使用情况,帮助用户合理使用电能、节约能源。
二、功率表的种类根据使用场景和功能特点,功率表可以分为以下几种类型:1. 数字功率表数字功率表是一种使用数字显示屏来显示测量结果的功率表。
它具有测量精度高、反应速度快、抗干扰能力强等特点。
数字功率表通常配备多种测量功能,如电压测量、电流测量、功率测量、功率因数测量等。
2. 便携式功率表便携式功率表是一种体积小、重量轻、易于携带的功率表。
它适用于现场测试和移动测量,可以方便地进行电能监测和电能消耗分析。
便携式功率表通常具有较高的测量精度和可靠性,并支持数据存储和传输功能。
3. 多功能功率表多功能功率表是一种集成了多种测量功能的功率表。
它不仅可以测量电压、电流、功率因数等基本参数,还可以进行谐波分析、功率质量分析等高级功能。
多功能功率表通常配备大屏幕显示器和直观的用户界面,方便用户进行操作和数据分析。
三、功率表的使用步骤使用功率表进行电能测量和分析通常需要经过以下几个步骤:1. 连接电路首先,将功率表与待测电路进行连接。
功率表通常具有多个电压和电流输入通道,根据测量需求选择合适的通道进行连接。
在连接过程中,应注意确保连接正确、牢固可靠,并遵守相关的安全操作规程。
2. 设置测量参数根据实际情况,设置功率表的测量参数。
包括选择测量通道、设定测量范围、调整采样率等。
在设置测量参数时,应根据待测电路的特点和测量要求进行合理选择,以保证测量结果的准确性和可靠性。
3. 进行测量设置好测量参数后,开始进行测量。
功率表会即时显示电压、电流、功率因数等参数,并通过内部算法计算出电能消耗。
在测量过程中,应注意观察测量结果的稳定性和准确性,及时处理异常情况并进行必要的调整。
1.正确选择功率表的量程。
选择功率表的量程就是选择功率表中的电流量程和电压量程。
使用时应使功率表中的电流量程不小于负载电流,电压量程不低于负载电压,而不能仅从功率量程来考虑。
例如,两只功率表,量程分别是IA、300V和2A、150V,由计算可知其功率量程均为300W,如果要测量一负载电压为220V、电流为IA的负载功率时应逸用IA、300V的功率表,而2A、150V的功率表虽功率量程也大于负载功率,但是由于负载电压高于功率表所能承受的电压150V,故不能使用。
所以,在测量功率前要根据负载的额定电压和额定电流来选择功率表的量程。
2.正确连接测量线路。
电动系测量机构的转动力矩方向和两线圈中的电流方向有关,为了防止电动系功率表的指针反偏,接线时功率表电流线圈标有“·”号的端钮必须接到电源的正极端,而电流线圈的另一端则与负载相连,电流线圈以串联形式接入电路中。
功率表电压线圈标有“·”号的端钮可以接到电源端钮的任一端上,而另一电压端钮则跨接到负载的另一端,。
当负载电阻远远大于电流线圈的电阻时,应采用电压线圈前接法。
这时电压线圈的电压是负载电压和电流线圈电压之和,功率表测量的是负载功率和电流线圈功率之和。
如果负载电阻远远大于电流线圈的电阻,则可以略去电流线圈分压所造成的影响,测量结果比较接近负载的实际功率值。
当负载电阻远远小于电压线圈电阻时,应采用电压线圈后接法。
这时电压线圈两端的电压虽然等于负载电压,但电流线圈中的电流却等于负载电流与功率表电压线圈中的电流之和,测量时功率读数为负载功率与电压线圈功率之和。
由于此时负载电阻远小于电压线圈电阻,所以电压线圈分流作用大大减小,其对测量结果的影响也可以大为减小。
如界被测负载本身功率较大,可以不考虑功率表本身的功率对测量结果的影响,则两种接法可以任意选择。
但最好选用电压线圈前接法,因为功率表中电流线圈的功率一般都小于电压线圈支路的功率。
3.正确读数。
功率表的使用功率表的使用分为如下三个步骤。
①正确选择功率表的量程。
选择功率表的量程就是选择功率表中的电流量程和电压量程。
使用时应使功率表中的电流量程不小于负载电流,电压量程不低于负载电压,而不能仅从功率量程来考虑。
例如,两只功率表,量程分别是IA、300V和2A、150V,由计算可知其功率量程均为30OW,如果要测量一负载电压为220V、电流为IA的负载功率时应逸用IA、300V的功率表,而2A、150V的功率表虽功率量程也大于负载功率,但是由于负载电压高于功率表所能承受的电压150V,故不能使用。
所以,在测量功率前要根据负载的额定电压和额定电流来选择功率表的量程。
②正确连接测量线路。
电动系测量机构的转动力矩方向和两线圈中的电流方向有关,为了防止电动系功率表的指针反偏,接线时功率表电流线圈标有- 号的端钮必须接到电源的正极端,而电流线圈的另一端则与负载相连,电流线圈以串联形式接入电路中。
功率表电压线圈标有-号的端钮可以接到电源端钮的任一端上,而另一电压端钮则跨接到负载的另一端,如当负载电阻远远大于电流线圈的电阻时,应采用电压线圈前接法见当负载电阻远远小于电压线圈电阻时,应采用电压线圈后接法见如界被测负载本身功率较大,可以不考虑功率表本身的功率对测量结果的影响,则两种接法可以任意选择。
但最好选用电压线圈前接法,因为功率表中电流线圈的功率一般都小于电压线圈支路的功率。
③正确读数。
一般安装式功率表为直读单量程式,表上的示数即为功率数。
但便携式功率表一般为多量程式,在表的标度尺上不直接标注示数,只标注分格。
在选用不同的电流与电压量程时,每一分格都可以表示不同的功率数。
在读数时,应先根据所选的电压量程U、电流量程I以及标度尺满量程时的格。
电动式功率表的使用方法一、电动式功率表的结构及工作原理电动式功率表的结构如图2-1所示。
它的固定部分是由两个平行对称的线圈1组成,这两个线圈可以彼此串联或并联连接,从而可得到不同的量限。
可动部分主要有转轴和装在轴上的可动线圈2,指针3,空气阻尼器4,产生反抗力矩和将电流引入动圈的游线5组成。
电动式功率表的接线如图2-2所示,图中固定线圈串联在被测电路中,流过的电流就是负载电流,因此,这个线圈称为电流线圈。
可动线圈在表内串联一个电阻值很大的电阻R 后与负载电流并联,流过线圈的电流与负载的电压成正比,而且差不多与其相同,因而这个线圈称为电压线圈。
固定线圈产生的磁场与负载电流成正比,该磁场与可动线圈中的电流相互作用,使动圈产生一力矩,并带动指针转动。
在任一瞬间,转动力矩的大小总是与负载电流以及电压瞬时值的乘积成正比,但由于转动部分有机械惯性存在,因此偏转角决定于力矩的平均值,也就是电路的平均功率,即有功功率。
图2-1 电动式功率表的结构RI**负载图2-2 功率表的两种接线方式RI**负载(a)(b)由于电动式功率表是单向偏转,偏转方向与电流线圈和电压线圈中的电流方向有关。
为了使指针不反向偏转,通常把两个线圈的始端都标有“*”或“±”符号,习惯上称之为“同名端”或“发电机端”,接线时必须将有相同符号的端钮接在同一根电源线上。
当弄不清电源线在负载哪一边时,针指可能反转,这时只需将电压线圈端钮的接线对调一下,或将装在电压线圈中改换极性的开关转换一下即可。
图2-2(a )和2-2(b )的两种接线方式,都包含功率表本身的一部分损耗。
在图2-2(a )的电流线圈中流过的电流显然是负载电流,但电压线圈两端电压却等于负载电压加上电流线圈的电压降,即在功率表的读数中多出了电流线圈的损耗。
因此,这种接法比较适用于负载电阻远大于电流线圈电阻(即电流小、电压高、功率小的负载)的测量。
如在日光灯实验中镇流器功率的测量,其电流线圈的损耗就要比负载的功率小得多,功率表的读数就基本上等于负载功率。
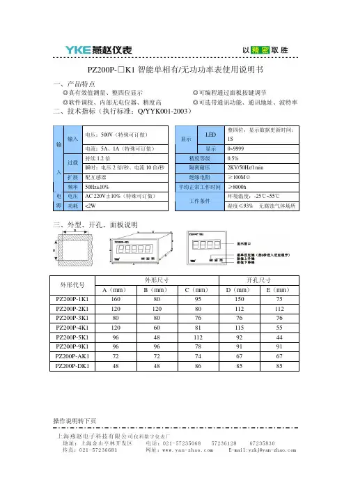
PZ200P-□K1智能单相有/无功功率表使用说明书一、产品特点◎真有效值测量、整四位显示 ◎可编程通过面板按键调节◎软件调校、内部无电位器、精度高 ◎可选带通讯功能、通讯地址、波特率二、技术指标(执行标准:Q/YYK001-2003)电压:500V (特殊可订做) LED 整四位,显示数据更新时间:1S 输入电流:5A 、1A (特殊可订做) 显示显示0~9999 持续1.2倍精度等级 0.5%过载 瞬时:电压2倍/秒、电流10倍/秒 隔离耐压 2KV/50Hz/1min 扩展 配互感器 绝缘电阻 ≥100M Ω 输 入频率 50Hz±10%平均正常工作时间≥8000h电压 AC 220V ±10%(特殊可订做) 环境温度:-25℃~55℃ 电源 功耗<2W工作条件湿度≤93% 无腐蚀气体场所三、外型、开孔、面板说明外形尺寸开孔尺寸外形代号 A (mm ) B (mm )C (mm )D (mm )E (mm )PZ200P-1K1 160 80 95 150 75 PZ200P-2K1 120 120 80 112 112 PZ200P-3K1 80 80 76 76 76 PZ200P-4K1 120 60 81 115 55 PZ200P-5K1 96 48 112 92 44 PZ200P-9K1 96 96 78 91 91 PZ200P-AK1 72 72 74 67 67 PZ200P-DK1 4848868585操作说明转下页四、操作说明1、功率值=电压变比(PT )×电流变比(CT )×标称值2、按键6秒后进入编程,按键设定变比,变比设定范围为0~2000,编程流程如下:3、举例单相有功功率kW =(CT 倍率×5)×(PT ×输入电压)五、注意事项1、使用前,仪表需通电15分钟。
2、注意防止震动和冲击,不要在有超量灰尘和超量有害气体的地方使用。
①测量仪表指示正向功率,反射功率和SWR。
②量程开关将开关拨至最大显示值(满刻度值):5W/20W/200W③功能开关选择功率测量或者SWR(驻波比)测量功能。
④校准按钮当用于SWR测量时,功能开关置于CAL,并按功率将仪表指针调节到CAL“▼”。
⑤功率开关将功率开关调节到正向功率(FWD)或反射功率(REF)。
⑥平均“▃”/PEP“▆”调节开关进行测量时,将校准按钮调节到“▃”显示平均功率,当按钮调节在“▆”时,读数显示在PEP监控上。
⑦仪表零点调节通常将测量仪表指针调节到“0”位。
⑧后面板按钮开关这组按钮开关选择传感器和频率带宽。
⑨“TX”通常连接无线电设备输出。
⑩“ANT”通常连接天线,假负载,等等。
?S11.6 MHz-160 MHz(E型:1.6 MHz-230 MHz)宽带RF传感器。
M型连接器。
?S-4012400 MHz-525 MHz,700 MHz-1100 MHz和1240 MHz-1300 MHz宽带RF传感器。
N型连接器。
操作《正向和反射功率测量》⑪按后面板按钮开关选择传感器和频率。
⑫调整到“FWD”进行正向功率测量,或调整到“REF”进行反射功率的测量。
⑬调整到“▃”可测平均功率,或调整到“▆”可测到PEP监控读数。
将功能开关调整到“Power”位置。
调整量程开关到与被测量的功率相一致适当的功率范围。
《SWR(驻波比)测量》⑪调整到CAL位置进行校准。
利用校准按钮将测量仪表指针调整到满刻度CAL“▼”点。
⑫调整到SWR后,测量仪表指示天线SWR值。
[天线驻波比值]注意:进行SWR测量时,如果功率低于20W,读“L”刻度。
如果大于20W,读“H”刻度。
评论这张转发至微博转发至。
功率计操作说明功率计是一种用于测量电路或电器消耗的功率的仪器。
它可以帮助用户准确地了解电路或电器在使用过程中的功耗情况,为节能提供重要依据。
下面将为您详细介绍功率计的操作步骤和注意事项。
1. 连接电源和信号源首先确保功率计已连接到适当的电源,并连接到待测的电路或电器上。
接通电源后,确认仪器已准备就绪。
2. 设置参数在进行功率测量之前,用户需要设定功率计的参数,包括电压范围、电流范围、功率范围等。
根据具体的测量需求灵活调整参数,确保测量结果准确可靠。
3. 进行功率测量根据已设定的参数,开始进行功率测量。
此时可以实时监测功率值的变化,同时注意仪器显示屏上的数据信息,确保测量过程中没有异常情况发生。
4. 记录数据在完成功率测量后,及时记录测量结果。
用户可以选择将数据保存在功率计内部存储器中,或通过数据接口传输到外部设备进行存档和分析。
5. 断开连接在使用完功率计后,记得断开与电路或电器的连接,关机并拔掉电源线。
定期对功率计进行清洁和维护,确保其正常运行。
注意事项:1. 在操作功率计时,务必按照操作手册的要求进行,避免操作失误导致仪器损坏或数据不准确。
2. 避免过载操作,根据电路或电器的功率范围合理设定功率计的参数,以免损坏设备。
3. 在测量高压电路时,要格外小心谨慎,避免发生安全事故。
4. 注意保护仪器免受潮湿、高温和振动等外部环境的影响,确保其长时间稳定运行。
通过以上操作说明,您可以更好地掌握功率计的正确使用方法,确保准确测量电路或电器的功率情况,为节能提供科学数据支持。
希望您能遵循以上操作步骤,正确操作功率计,确保测试结果的准确性和可靠性。
谢谢!。
正确使用功率表应注意的主要事项功率表的的量程包含三重含义:即电流量程、电压量程和功率量程。
电流量程是指在仪表的串联回路中容许通过的最大工作电流;电压量程是指在仪表的并联回路上所能承受的最高工作电压;功率量程则等于电流量程与电压量程的乘积,也即当负载功率因数COSφ=1时的仪表满刻度的功率值。
在实际测量中,COSφ往往不等于1而小于1,因此仅使被测功率不超过仪表的功率量程是不够的。
因在COSφ<1时,指针虽未达到满刻度偏转,但被测的电流或电压可能已超过了功率表的电流或电压量程,因而将导致功率表损坏。
因此,在选择功率表时,还要注意被测电路的电流和电压,不能超过功率表的电流和电压量程。
此外,在使用功率表时,还应注意以下几点:1、功率表的正确接线在实际测量中,较常用的功率表为电动系功率表。
它是由电动系测量机构和附加电阻R1构成,如图1所示。
功率表的接线必须遵守“发电机端守则”。
因为电动系功率表的转动机构转矩与两个线圈中的电流方向有关。
若其中一线圈中的电流方向接反了,转矩就会改变方向,此时不仅无法读数,而且可能会将指针打弯。
为防止线圈接反,通常在两线圈对应于电流流进的端钮上,均标注上“*”或“±”等标志,称作发电机端。
功率表在接线时,应使电流和电压线圈的发电机端接到电源同一极性的端钮上,以保证两个线圈的电流方向都从发电机端流入。
这就是功率表接线的“发电机端守则”。
功率表的正确接线如图2所示。
其共同特点是,在所规定的正方向下,两线圈中的电流I1、I2都从发电机端流入,符合“发电机端守则”。
不同的是,图2(a)中的电压线圈支路接在电流线圈前面,称为电流线圈前接电路;而图2(b)接在后面,称为电压线圈后接电路。
这两种接线形式的误差是不一样的,应注意正确。
(1)电压线圈前接电路由于电流线圈和负载直接串联,因此电流线圈电流I1等于负载电流I。
但因电压线圈接在电流线圈面前,故电压线圈接在电流线圈前面,故电压线圈支路两端的电压为负载电压U=I·R和电流线圈压降I·r1之和(设r1为电流线圈的内阻)。
功率表的使用方法功率表是一种用来测量电路功率的仪器,它可以帮助我们准确地了解电路中的功率消耗情况,对于电路设计和故障排除都非常重要。
在实际使用中,正确的使用方法可以确保功率表的准确度和安全性。
接下来,我将为大家介绍功率表的使用方法。
首先,使用功率表之前,我们需要确保它的连接正确。
通常,功率表会有两个接线端口,一个用于连接电源,另一个用于连接负载。
在连接电源时,需要将功率表的正负极与电源的正负极对应连接,确保连接稳固。
而在连接负载时,也需要将功率表的正负极与负载的正负极对应连接。
这样可以避免出现连接错误导致的测量偏差。
其次,当连接完成后,我们需要设置功率表的测量范围。
功率表通常会有多个档位,我们需要根据实际情况选择合适的测量范围,确保测量结果的准确性。
如果选择的档位过小,可能会导致功率表无法正常工作或者损坏;而选择的档位过大,则可能会使测量结果失真。
因此,在选择测量范围时,需要根据实际情况进行合理选择。
接着,我们可以开始进行功率测量。
在测量过程中,需要注意保持稳定的电路状态,避免出现电流或电压的突变。
同时,我们还需要注意功率表的读数稳定后再进行记录,避免因为瞬时波动而导致测量误差。
另外,需要注意的是,功率表在测量过程中会产生一定的热量,因此在长时间测量时,需要留意功率表的散热情况,避免过热影响测量准确性。
最后,在测量完成后,我们需要及时断开电路连接,避免长时间连接导致功率表过热或者损坏。
同时,需要对功率表进行清洁和保养,确保其长期的稳定工作。
在清洁时,可以使用干净的软布轻轻擦拭功率表表面,避免使用化学溶剂或者水直接清洁。
在保养时,需要定期检查功率表的连接线和接线端口,确保连接的稳固性。
总的来说,正确的使用方法可以确保功率表的准确度和安全性,对于电路设计和故障排除都非常重要。
在使用功率表时,我们需要注意连接的正确性、测量范围的选择、稳定测量和及时断开连接等方面,确保功率表的正常工作和长期稳定。
希望以上介绍对大家有所帮助,谢谢阅读!。
简述功率表的使用方法一、前言功率表是一种用于测量电路中功率的工具,它可以帮助我们了解电路中的能量转换情况,以及评估电路的效率。
在实际应用中,功率表广泛应用于各种领域,如电力、通信、电子等。
本文将详细介绍功率表的使用方法。
二、功率表的分类根据测量方式和应用范围,功率表可以分为多种类型。
其中常见的有以下几种:1. 直流功率表:适用于直流电路中功率测量。
2. 交流功率表:适用于交流电路中功率测量。
3. 数字式功率表:采用数字显示技术,具有高精度和快速响应等优点。
4. 模拟式功率表:采用模拟显示技术,具有简单易懂和经济实惠等优点。
5. 多功能功率表:集成多种功能,如测量电压、电流、频率、相位差等。
三、使用步骤下面将介绍使用直流数字式功率表进行直流电路中功率测量的步骤:1. 连接测试线首先需要将测试线连接到正确位置。
通常情况下,红色测试线连接到正极,黑色测试线连接到负极。
2. 设置测量范围根据电路中的电压和电流大小,需要设置适当的测量范围。
如果范围设置不正确,可能会导致测量结果不准确或者损坏功率表。
3. 打开功率表打开功率表,并等待其自检完成。
如果出现任何错误提示,需要及时排除故障。
4. 进行测量将测试线连接到电路中,并记录下测量结果。
如果需要多次测量,可以重复以上步骤。
5. 关闭功率表在使用完毕后,需要关闭功率表,并将测试线拔出。
四、注意事项在使用功率表时,需要注意以下几点:1. 需要选择正确的功率表类型和测量范围。
2. 测试线的连接方式必须正确,否则会影响测量结果或者损坏功率表。
3. 在进行直流电路中功率测量时,需要保证电路中没有交流成分。
4. 在使用过程中要小心操作,避免碰撞和磨损。
5. 定期检查和校准功率表以确保其精度和可靠性。
五、总结通过本文的介绍,我们可以了解到功率表的分类、使用方法和注意事项。
在实际应用中,正确使用功率表可以帮助我们更好地了解电路中的能量转换情况,以及评估电路的效率。
因此,我们需要掌握正确的使用方法,并注意安全和维护。
单相功率表的使用方法
单相功率表的使用方法:
①确保所选功率表量程范围能够覆盖被测电路中的最大功率值避免超量程损坏仪表;
②断开待测电路电源使用万用表电阻档检查线路确无电压存在方可继续操作避免触电危险;
③找到电路中任意一点断开将其作为接入点将功率表电流端串入该点与负载之间形成闭合回路;
④功率表电压端则并联在电源与负载两端之间注意红黑表笔对应火线零线顺序不可接反;
⑤正确连接后合上电源开关待电路稳定运行一段时间后观察功率表显示屏上显示数值;
⑥此时所读取数据即为当前电路瞬时功率若需测量平均功率可记录多个时间点读数后求平均值;
⑦对于需要长期监测场合可以将功率表设置为数据记录模式定时保存测量结果便于后续分析;
⑧在某些应用场景中可能还会用到谐波分析功能此时需切换至相应模式获取各次谐波功率占比;
⑨当完成本次测量任务后记得先切断电源再拆除仪表连线防止意外触电事故发生;
⑩定期校准功率表确保其测量精度不会因使用时间过长而产生偏差影响检测结果准确性;
⑪最后整理记录本次测量所得各项数据包括环境温度湿度等辅助信息归档保存以备查阅;
⑫如果发现测量结果与预期相差较大应及时检查线路连接是否正确仪表本身是否存在故障。
使用功率表时需要注意以下事项:
安全使用:在使用功率表之前,确保仔细阅读和理解使用说明书,了解安全操作规范。
确保仪器和电源的安全可靠,并遵守相关的安全标准和规定。
电气安全:在测量电路之前,确保电源已经关闭,并断开电源连接。
避免直接接触电路上的裸露导体和电源。
选择正确的量程:根据待测电路的功率范围,选择合适的功率表量程。
使用过大或过小的量程可能导致不准确的测量结果或仪器损坏。
正确连接:将功率表的正负极正确连接到待测电路上。
确保连接牢固,避免接触不良或松动导致测量误差。
测量稳定:在进行功率测量时,尽量保持待测电路的稳定状态,避免快速变化或干扰信号对测量结果的影响。
注意测量误差:功率表有一定的测量误差范围,需要在使用时考虑。
如果需要高精度的测量,可以选择更精确的功率表或进行校准。
温度和湿度限制:一些功率表对工作环境的温度和湿度有限制。
确保在规定的工作环境范围内使用,避免过高或过低的温度和湿度对仪器性能的影响。
维护保养:定期进行功率表的维护保养,包括清洁仪器表面、校准和检查电池或电源连接等。
遵循制造商提供的维护指南和建议。
需要注意的是,以上是一般的注意事项,实际使用中可能会因不同的功率表型号和品牌而有所差异。
建议在使用功率表之前,详细阅读产品说明书,并按照制造商的建议进行操作。
如有需要,可以向专业人士咨询或寻求技术支持。
交直流功率表功率计安全操作及保养规程功率表功率计是用于测量电路中交流或直流电的功率、电流与电压的仪器设备。
在使用功率表功率计时,我们需要注意安全操作,避免误操作和设备损坏。
本文将介绍使用功率表功率计应注意的安全操作和保养规程。
1. 使用前的准备工作使用功率表功率计前,需要进行以下准备工作:1.检查设备是否完好无损、接线是否正确、电源是否稳定;2.检查被测电路是否与接线正确、安全可靠;3.将功率表功率计放置在平稳、干燥、通风良好的地方。
2. 操作注意事项使用功率表功率计时,需要注意以下事项:1.不得使用带电手接触接线和测量器具,务必使用绝缘工具;2.测量前应检查电路开关是否处于断开状态,待测量电路没有可能发生危险的情况后方能进行;3.测量过程中不得离开现场,如有异常情况需要立即断开电源或停止测试,并及时进行检查;4.测量结束后,先将测量器具切断电源,然后再拔下电缆。
3. 保养规程对于功率表功率计的保养,我们需要注意以下几点:1.每次使用后,应将测量器具的表头、插头等部分拆下,清洁干净,然后将它们按原样组装;2.测量器具应放置在干燥、通风、防尘的地方;3.不要让多种测量器具混杂,防止损坏。
4. 常见故障及处理方法在使用功率表功率计的过程中,我们还需要了解一些常见故障及相应的处理方法:1.电缆断或线圈开路:应检查电缆、线圈是否接触良好,或是否损坏;2.指针摆动不灵敏:应检查指针轴是否卡住,或是否受到了机械阻碍;3.示值偏差过大:应检查测量范围是否正确,或被测电流或电压是否超出了允许范围。
5. 总结在使用功率表功率计过程中,为了保证安全操作和准确测量,我们需要遵循相应的安全操作规程和保养规程,对常见故障及其处理方法进行了解。
通过对这些注意事项的掌握,我们可以更好地保护设备安全,提高测量工作的效率。
Model BlackPantone 534 Blue - 100/80/30/5Pantone 485 Red - 10/100/100/5Pantone 123 Yellow - 0/27/100/DW-6060InstructionManualDigital Watt MeterTable of Contents Safety (3)Features (3)Specifications..............................................................................4-5 Instrument.Description. (5)Operating.Instructions.................................................................6-7 AC Watt Measurement . (6)AC/DC Voltage Measurement (7)AC/DC Current Measurement (7)Calibration...................................................................................8-9 AC/DC Voltage . (8)AC/DC Current (8)WATT (9)Battery.Replacement (9)SafetyCaution•.Risk.of.electric.shock•.Do.not.apply.the.overload.voltage/current.to.the.input.terminal•.Remove.test.leads.before.opening.the.battery.coverCleaning•e.a.clean.and.dry.cloth.to.clean.the.plastic.caseFeatures•.Digital.multimeter.&pact.unit•.Measures.AC/DC.volts,.current,.&.watts•.Measures.true.power.up.to.6000.watts•.Manual.zero.adjust.in.watt.meter.mode;.automatic.zero.adjust.in.multimeter.mode•.Sampling.time.of.less.than.one.second•.Designed.for.one-handed.operation•.Front.panel.has.easily.accessible.&beled.sockets.for.power.&.load•.Large.(0.5”),.easy-to-read.LCD.readout•.Built-in,.fold.out.standSpecificationsDisplay:.0.5”.LCD.with.max.indication.of.1999 Polarity:.Bi-polar.auto.switchingZero.Adjust:.Watt:.External.adjustment,.limited.to.+30/-30.digits;. .ACV/DCV,.ACA/DCA:.Automatic.adjustmentOver-input:.Indication.of.“1”.or.“-1”Operating.Temp.:.0.to.50°C(32.to.122°F).Operating.Humidity:.Less.than.80%.RHPower.Supply:.One.9V.batteryWeight:.500g.(including.battery).Includes:.One.TL-88-1.test.lead.&.one.6AM6X.9V.battery Optional.Accessories:.Soft.carrying.case.(CA-05A)AC WATT.Range:.2000W.&.6000WResolution:.2000W:.1W;.6000W:.10WOverload.Circuit.Protection:.600ACV./.10ACAAccuracy:.±(1%.+.d)Input.Voltage:.0.to.600.ACV.Input.Current:.0.to.10.ACA.Frequency.Characteristic:.45.Hz-65.HzAC/DC VOLTAGE.Range:.200V.&.600VResolution:.200V:.0.1V;.600V:.1VAC/DC CURRENT.Range:.10A Resolution:.10mA Max.Input.Current:.10A Accuracy:.±(1%.+.d) Voltage.drop.(in.case.of.full.scale):..200.AC.mV. Frequency.Characteristic:.45.Hz.-65.Hz.Instrument Description1..Display.2..Power.Switch.3..Function.Switches.4..Power.Input.Terminals.5..LOAD.Input.Terminals6..Watt.Zero.Adjust.Knob7..Battery.Cover/Compartment.Marks.=.AC/DC.=.AC.=.DCOperating Instructions1..Ensure.that.the.DC.9V.battery.is.connected.correctly2..Select.the.correct.function.and.range.before.taking.measurements.3..Select.the.proper.measurement.range.by.starting.at.the.highest.anticipated.value4..Place.the.test.lead.into.the.proper.input.terminal.before.taking.measurements5..Remove.the.test.leads.from.the.circuit.under.test.when.changing.the.measurement.range6..Operate.the.instrument.only.in.the.ambient.temperature.range.of.32.to.122°F.(0.to.50°C).and.less.than.80%.Relative.humidity7..Do.not.exceed.the.maximum.rated.voltage.of.each.range.and.input.terminaleed.for.a.long.period.of.timeAC Watt Measurement1..While.the.LOAD.is.OFF,.turn.the.meter.ON.2..Determine.the.highest.anticipated.WATT.(2000W.or.6000W)..on.the.function.scale.and.press.the.corresponding.button3..Connect.the.test.leads.into.their.appropriate.terminals..(see.Instrument.Description).4..Connect.the.LOAD.to.the.LOAD.test.leads.5..Adjust.the.Watt.Zero.Adjust.Knob.until.the.display.shows.“0”.6..Power.on.the.LOAD.and.the.meter.will.display.the.true.watt.value7..Press.the.Function.Switches.to.change.between.ACV.(AC.Voltage).AC/DC Voltage Measurement1..While.the.meter.is.OFF,.connect.the.BLACK.test.lead.into.the.COM.terminal2..Connect.the.RED.test.lead.into.the.V.terminal.3..Press.the.“ACV/DCV”.Function.Switch4..Determine.the.highest.anticipated.voltage.(200V.or.600V).and.press.the.corresponding.Function.Switch5..Slide.Power.Switch.to.the.ON.position6..Connect.test.leads.into.circuit.under.testAC/DC Current Measurement1..While.the.meter.is.off,.terminal2..Connect.the.RED.test.lead.into.the.10A.terminal.3..Press.the.“ACA/DCA”.Function.Switch4..Slide.Power.Switch.to.the.ON.position5..Series.the.test.lead.probes.into.the.circuit.under.testCalibrationAC/DC Voltage1..Press.the.“ACA/DCA.200V”..Function.Switch.2..Adjust.VR3.until.the.display..shows.a.value.of.“0”.(See.Fig.1)3..Connect.a.standard.DC.voltage..value.near.full.scale.(199.9.DCV)..and.is.known.to.within.0.5%.accuracy4..Adjust.VR1.until.the.display..shows.the.proper.DC.voltage5..Remove.the.standard.DC.voltage6..Connect.a.standard.AC.voltage.whose..value.is.near.full.scale.(199.9.ACV).and..is.known.to.within.0.5%.accuracy7..Adjust.VR4.until.the.display.shows..the.proper.AC.voltageAC/DC Current1..Press.the.“ACA/DCA.10A”.Function.Switch.2..Connect.a.standard.DC.or.AC.current.whose.value.is.near.full.scale.(9.99.A).and.is.known.to.within.0.5%.accuracy.3..Adjust.VR5.until.the.display.shows.the.proper.AC.or.DC.current4..Remove.the.standard.AC.or.DC.currentFig 1WATT1..Press.the.“WATT.II.6000W”.Function.Switch2..Adjust.the.Watt.Zero.Adjust.Knob.until.the.display.shows.a.value..of.“0”3..Connect.a.standard.power.source.and.add.a.LOAD.(as.depicted.in.AC.Watt.Measurement).whose.value.is.near.full.scale.(600V,.10A).and.is.known.to.within.0.5%.accuracy.4..Adjust.VR2.until.the.display.shows.the.proper.WATT5..Remove.the.standard.power.source.and.LOAD.Battery Replacement1..When.“LOW.BAT”.appears.on.the.left.corner.of.LCD.screen.you.will.need.to.replace.the.batterypartment.screw.and.slide.off.the.battery.cover.off.to.remove.the.battery3..Replace.with.a.new.9V.battery.(006V.DC.9V).and.reinstall.the.coverNotes _________________________________________ ________________________________________________ ________________________________________________ ________________________________________________ ________________________________________________ ________________________________________________ ________________________________________________ ________________________________________________ ________________________________________________ ________________________________________________ ________________________________________________ ________________________________________________ ________________________________________________ ________________________________________________ ________________________________________________ ________________________________________________________________________________________________ ________________________________________________ ________________________________________________ ________________________________________________ ________________________________________________ ________________________________________________ ________________________________________________ ________________________________________________ ________________________________________________ ________________________________________________ ________________________________________________ ________________________________________________ ________________________________________________ ________________________________________________________________________________________________ ________________________________________________ ________________________________________________ ________________________________________________ ________________________________________________ ________________________________________________ ________________________________________________ ________________________________________________ ________________________________________________ ________________________________________________ ________________________________________________ ________________________________________________ ________________________________________________ ________________________________________________。
功率表的使用方法功率表是一种测量电能的仪器,它可以测量电流、电压和功率等参数。
在工业、建筑、电力和家庭等领域中,功率表是必不可少的工具之一。
本文将介绍功率表的使用方法,以帮助读者更好地了解和使用这一仪器。
一、功率表的分类功率表根据测量方式可以分为模拟功率表和数字功率表两种。
模拟功率表采用机械式指针来显示测量结果,适用于测量低频电路的电能参数。
数字功率表则采用数字显示屏来显示测量结果,可以测量高频电路的电能参数。
功率表还可以根据测量范围和精度的不同进行分类。
一般来说,功率表的测量范围越广、精度越高,价格也越高。
因此,在选择功率表时,需要根据实际需求和预算来进行选择。
二、功率表的使用方法1. 连接电路使用功率表之前,需要将其连接到待测电路中。
连接时应注意以下几点:(1)根据待测电路的特点选择适当的测量范围。
如果电路的电压或电流超出了功率表的测量范围,将会导致误差较大甚至无法测量。
(2)连接功率表时应注意正确连接电流和电压的输入端口,避免连接错误。
(3)如果需要测量交流电路的电能参数,需要选择交流电路输入端口,如果需要测量直流电路的电能参数,则需要选择直流电路输入端口。
2. 设置测量参数连接电路后,需要设置功率表的测量参数。
根据待测电路的特点,可以设置测量的电压、电流和功率等参数。
(1)设置电压:将电压调节旋钮旋转到待测电路的电压范围,然后将电压测量针对准电压刻度,并调整校准旋钮,使得测量值与实际电压相符。
(2)设置电流:将电流调节旋钮旋转到待测电路的电流范围,然后将电流测量针对准电流刻度,并调整校准旋钮,使得测量值与实际电流相符。
(3)设置功率:将功率调节旋钮旋转到待测电路的功率范围,然后将功率测量针对准功率刻度,并调整校准旋钮,使得测量值与实际功率相符。
3. 测量电能参数设置好测量参数后,即可进行测量。
根据需要,可以测量电压、电流和功率等参数,以了解电路的电能变化情况。
(1)测量电压:将功率表的电压输入端连接到待测电路的电压端口,然后读取电压测量值。
光功率计操作规程1. 引言本文档旨在指导用户正确使用光功率计,并确保在测量光功率时取得准确的结果。
光功率计是一种用于测量光源输出光功率的仪器,常用于光通信、光网络和光纤传感等领域。
正确操作光功率计对于保证测量结果的准确性至关重要。
2. 光功率计的准备工作在使用光功率计之前,需要进行以下准备工作:•确保光功率计处于正常工作状态,检查仪器的外观,确认没有明显的损坏。
•检查电池电量或电源供电的情况,确保光功率计有足够的电力供应。
•清洁光功率计的探头,确保没有灰尘或污垢,以确保测量的准确性。
•准备好所需的连接线或适配器,以便将光功率计与待测光源连接起来。
3. 光功率计的操作步骤按照以下步骤正确操作光功率计:3.1 连接光源使用合适的连接线或适配器将待测光源与光功率计连接起来。
确保连接的稳固可靠,避免松动或接触不良。
3.2 打开光功率计按下光功率计的电源开关,使其启动。
在启动过程中,注意观察屏幕上的指示,确保光功率计正常启动。
3.3 设置测量参数根据需要,设置光功率计的测量参数,包括波长范围、单位等。
确保设置的参数与待测光源的参数一致。
3.4 进行测量将光功率计的探头对准待测光源,确保光线垂直入射。
按下测量按钮,开始进行测量。
在测量过程中,保持测量环境的稳定,避免外界干扰。
3.5 记录测量结果在测量完成后,记录测量结果。
将测量结果保存到光功率计的内部存储器中,或通过接口将数据传输到计算机等外部设备。
3.6 关闭光功率计测量完成后,按下光功率计的电源开关,关闭光功率计。
在关闭前,检查测量环境,确保没有留下任何外部干扰物。
4. 光功率计的维护与保养为了保证光功率计的长期稳定使用,进行定期的维护与保养是必要的。
以下是光功率计的维护注意事项:•定期清洁光功率计的探头,可以使用干净的软布或棉签轻轻擦拭,避免使用有机溶剂或尖锐物品来清洁。
•注意光功率计的保护,避免碰撞、摔落和水激光入侵等情况发生。
•避免将光功率计暴露在过高或过低的温度环境中,保持正常的工作温度范围。