铝合金空间网格结构支承面检验批质量验收记录
- 格式:pdf
- 大小:81.45 KB
- 文档页数:2
铝合金幕墙结构支承面检验批质量验收记录工程名称:XXX工程工程地点:XXX地点工程编号:XXX号一、检验目的:为了确保铝合金幕墙结构支承面的质量符合设计要求,特进行质量验收检验。
二、检验依据:2.设计文件要求3.相关质量检测标准三、检验内容及方法:根据工程实际情况,确定以下检验内容:1.支撑结构的安装是否符合设计要求,包括支撑位置、尺寸及连接方式等。
2.支撑结构及连接件的材质、规格和质量是否符合设计要求。
3.支撑面的平整度和垂直度是否满足要求。
4.支撑面的真实位置和尺寸是否与设计图纸相符。
5.支撑结构与周边构件的连接是否稳固可靠。
6.其他必要的检验项目。
检验方法:1.现场实测实量,与设计图纸进行对比。
2.检验支撑结构和连接件的材质、规格等,参考相关标准进行抽样检验。
3.使用相应工具进行平整度和垂直度的测量。
四、检验结果:1.支撑结构的安装符合设计要求,位置、尺寸和连接方式等均符合设计图纸要求。
2.支撑结构及连接件的材质、规格和质量满足设计要求。
3.支撑面的平整度和垂直度满足要求。
4.支撑面的真实位置和尺寸与设计图纸相符。
5.支撑结构与周边构件的连接稳固可靠。
五、检验结论:根据对支撑结构的检验结果,结合检验依据的要求,判定支撑结构的质量符合设计要求,检验合格。
六、存在的问题和整改措施:经检验,发现以下问题:1.部分焊缝存在气孔,需要进行修补处理。
2.部分连接螺栓紧固力不够,需要重新检查并紧固。
针对以上问题,制定以下整改措施:1.对存在气孔的焊缝,采用焊接修补的方式进行处理,确保焊接质量。
2.对连接螺栓紧固力不够的情况,重新检查并采用适当的工具进行紧固,确保连接的稳固性。
七、质检记录:进行本次质量验收检验的人员:XXX监理单位代表:XXX施工单位代表:XXX八、检验日期:本次质量验收检验的日期为:XXX年XX月XX日九、结论:经过质量验收检验,铝合金幕墙结构支承面的质量符合设计要求,质量验收合格。
备注:如有其他需要记录的信息,请根据实际情况进行补充。
铝合金材料检验批质量验收记录注:本表内容的填写需依据《现场验收检验批检查原始记录》。
本检验批质量验收的规范依据见本页背面。
填写说明一、填写依据1 《铝合金结构工程施工质量验收规范》GB50576-2010。
2 《建筑工程施工质量验收统一标准》GB50300-2013。
二、检验批划分进场验收的检验批应与各分项工程检验批一致,也可根据进料实际情况划分检验批。
三、GB50576-2010规范摘要主控项目4.2.1 铝合金材料的品种、规格、性能等应符合国家现行有关标准和设计要求。
检查数量:全数检查。
检验方法:检查质量合格证明文件、标识及检验报告等。
4.2.2 对属于下列情况之一的铝合金材料,应进行抽样复验,其复验结果应符合国家现行有关产品标准和设计要求:1 建筑结构安全等级为一级,铝合金主体结构中主要受力构件所采用的铝合金材料。
2 设计有复验要求的铝合金材料。
3 对质量有疑义的铝合金材料。
检查数量:全数检查。
检验方法:检查复验报告。
一般项目4.2.3 铝合金板厚度及允许偏差应符合其产品标准的要求。
检查数量:每一品种、规格的铝合金板抽查5处。
检验方法:用游标卡尺量测。
4.2.4 铝合金型材的规格尺寸及允许偏差应符合其产品标准的要求。
检查数量:每一品种、规格的铝合金型材抽查5处。
检验方法:用钢尺和游标卡尺量测。
4.2.5 铝合金材料的表面外观质量应符合现行国家标准《铝合金建筑型材》GB5237.1、和《铝合金建筑型材第2部分:阳极氧化、着色型材》GB5237.2等规定外,尚应符合下列规定:1 铝合金材料表面不应有皱纹、裂纹、起皮、腐蚀斑点、气泡、电灼伤、流痕、发粘以及膜(涂)层脱落等缺陷存在。
2 铝合金材料端边或断口处不应有分层、夹渣等缺陷。
检查数量:全数检查。
检验方法:观察检查。
铝合金设备安全操作操作规程一、操作员要求和培训1.操作铝合金设备的员工必须经过相应的培训,具备相关的职业资质证书,并定期进行必要的培训更新。
2.操作员必须熟悉铝合金设备的结构和工作原理,了解设备的安全操作规程以及相应的紧急故障处理方法。
二、设备安全检查1.操作员在操作设备之前,必须进行设备的安全检查,确保设备处于良好工作状态。
特别是设备的电路和电气系统,需要仔细检查是否存在电气线路的破损、接地线的是否断开等问题。
2.确保设备的冷却系统能够正常工作,温度是否正常,水位是否在合适的范围内。
3.检查设备的润滑和液压系统是否正常。
三、防护措施和个人防护1.操作员在操作铝合金设备时,必须佩戴个人防护设备,包括防护眼镜、耳塞/耳罩、防护面罩、防护手套等。
根据具体的操作要求,还需佩戴防护服等。
2.操作员在操作设备时,必须注意保持工作区域的清洁和整洁,防止杂物和障碍物对操作造成干扰或危险。
3.操作员在操作设备之前,应当将长发束起,避免发丝被卷入设备中引起事故。
四、操作步骤1.操作员在操作前必须熟悉设备的操作手册,并遵循规定的操作流程。
2.操作员在进行设备的启动和停止过程中,必须按照操作手册的指引进行,严禁随意操作。
3.在设备操作过程中,操作员必须时刻保持警觉,密切关注设备的工作状态,如异常情况(如噪音、振动等)发生时,应及时停止设备并报告相关负责人。
五、紧急事故处理1.在发生紧急事故时,操作员首先要确保自己的安全,然后采取紧急停机措施,并按照应急预案进行事故处理。
2.在发生火灾或有毒气体泄漏等紧急情况时,操作员必须立即向相关负责人报警并采取相应的逃生措施,确保人身安全。
六、设备维护和保养1.所有设备的维护和保养必须在设备停机状态下进行,严禁在设备运行过程中进行维护工作。
2.设备维护和保养必须按照操作手册和设备制造商的要求进行,及时更换和清洗设备的零部件。
3.定期维护和保养设备,确保设备的工作状态良好,维护设备的安全性和正常运行。
铝合金面板检验批质量验收记录
020********
注:本表内容的填写需依据《现场验收检验批检查原始记录》。
本检验批质量验收的规范依据见本页背面。
填写说明
一、填写依据
1 《铝合金结构工程施工质量验收规范》GB50576-2010。
2 《建筑工程施工质量验收统一标准》GB50300-2013。
二、检验批划分
铝合金面板的制作和安装工程应按变形缝、施工段、轴线等划分为一个或若干个检验批。
三、GB50576-2010规范摘要
主控项目
4.6.1 铝合金面板及制造铝合金面板所采用的原材料,其品种、规格、性能等应符合国家现行有关标准和设计要求。
检查数量:全数检查。
检验方法:检查质量合格证明文件、标识及检验报告等。
4.6.2 铝合金泛水板、包角板和零配件的品种、规格、性能应符合国家现行产品标准和设计要求。
检查数量:全数检查。
检验方法:检查产品的质量合格证明文件、标识及检验报告等。
一般项目
4.6.3 铝合金面板的规格尺寸及允许偏差、表面质量、涂层质量等应符合设计要求和本规范的规定。
检查数量:每种规格抽查5%,且不应少于3件。
检验方法:观察、用10倍放大镜检查及尺量。
铝合金材料检验批质量验收记录
单位(子单位)
工程名称
分部(子分部)
工程名称 主体结构(铝合金
结构)
分项工程名称
铝合金零部件加工
施工单位项目负责人检验批容量
分包单位
分包单位项目
负责人
检验批部位
7.1.1.100、铝合金材料检验批质量验收记
录
施工依据《铝合金结构工程施工规程》
JGJ/T216-2010
验收依据
《铝合金结构工程施工质量验收
规范》GB50576-2010验收项目
设计要求及 规范规定
最小/实际 抽样数量
检查记录
检查结果
主 控 项 目
1材料的品种、规格、性能第4.2.1条/
2材料抽样复验
第4.2.2条/
一
般
项目
1
铝合金板厚度及允许偏差 应符合其产品标准的要求
第4.2.3条/
2铝合金型材的规格尺寸及 允许偏差应符合其产品标
准的要求第4.2.4条/
3
铝合金材料的表面外观质量
第4.2.5条/
专业工长:
项目专业质量检查员:
年 月 日
监理单位 验收结论
专业监理工程师:
年 月 日
施工单位 检查结果。
铝合金空间网格结构支承面检验批质量验收记录
注:本表内容的填写需依据《现场验收检验批检查原始记录》。
本检验批质量验收的规范依据见本页背面。
填写说明
一、填写依据
1 《铝合金结构工程施工质量验收规范》GB50576-2010。
2 《建筑工程施工质量验收统一标准》GB50300-2013。
二、检验批划分
铝合金空间网格结构安装工程应按变形缝、施工段或空间刚度单元划分成一个或若干个检验批。
三、GB50576-2010规范摘要
主控项目
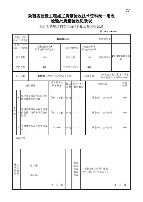
11.2.1 铝合金空间网格结构支座定位轴线的位置、支柱锚栓的规格应符合设计要求。
检查数量:按支座数抽查10%,且不应少于4处。
检验方法:用经纬仪和钢尺实测。
11.2.2 支承面顶板的位置、标高、水平度以及支座锚栓位置的允许偏差应符合表11.2.2的规定。
检查数量:按支座数抽查10%,且不应少于4处。
检验方法:用全站仪或经纬仪、水准仪、钢尺实测。
注:L为顶面测量水平度时两个测点间的距离。
11.2.3 支承垫块的种类、规格、摆放位置和朝向,必须符合设计要求和国家现行有关标准的规定。
橡胶垫块与刚性垫块之间或不同类型刚性垫块之间不得互换使用。
检查数量:按支座数抽查10%,且不应少于4处。
检验方法:观察和用钢尺实测。
11.2.4 铝合金空间网格结构支座锚栓的紧固应符合设计要求。
检查数量:按支座数抽查10%,且不应少于4处。
检验方法:观察检查。
一般项目
11.2.5 支座锚栓尺寸的允许偏差应符合本规范表10.2.4的规定。
支座锚栓的螺纹应受到保护。
检查数量:按支座数抽查10%,且不应少于4处。
检验方法:用钢尺实测和观察。