给水泵启停操作票
- 格式:doc
- 大小:45.00 KB
- 文档页数:2
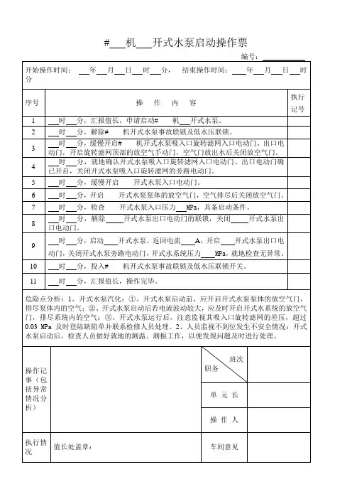
# 机开式水泵启动操作票编号:______开始操作时间:年月日时分,结束操作时间:年月日时分序号操作内容执行记号1 时分,汇报值长,申请启动#____机开式水泵。
2 时分,解除#____机开式水泵事故联锁及低水压联锁。
3时分,缓慢开启#____机开式水泵吸入口旋转滤网入口电动门、出口电动门,开启旋转滤网顶部的放空气手动门,空气门放出水后关闭放空气门。
4时分,就地确认开式水泵吸入口旋转滤网入口电动门、出口电动门确已开启,关闭开式水泵吸入口旋转滤网的旁路电动门。
5 时分,缓慢开启____开式水泵入口电动门。
6 时分,开启____开式水泵泵体的放空气门,空气排尽后关闭放空气门。
7 时分,检查____开式水泵入口压力MP a,具备启动条件。
8时分,解除__开式水泵出口电动门的联锁,关闭__开式水泵出口电动门。
9时分,启动_开式水泵,返回电流A,开启_开式水泵出口电动门,关闭开式水泵旁路电动门,开式水系统压力MP a,就地检查无异常。
10 时分,投入#____机开式水泵事故联锁及低水压联锁开关。
11 时分,汇报值长,操作完毕。
危险点分析:1、开式水泵汽化:①、开式水泵启动前,应开启开式水泵泵体的放空气门,排尽泵体内的空气;②、开式水泵启动后若电流波动较大,应及时开启开式水系统的放空气门,排尽系统内的空气;③、开式水泵运行后,注意监视其吸入口旋转滤网的差压,超过0.03 MPa及时登陆缺陷单并联系检修人员处理。
2、人员监视不到位发生不安全情况:开式水泵启动后,检查人员做好就地的测温、测振工作,以便发现问题及时进行处理。
操作记事(包括异常情况分析)班次职务单元长操作人执行情况值长处盖章:车间意见。
操作开始时间: 年 月 日 时 分 终了时间: 日 时 分操作任务:启# 循环水泵运行顺序操 作 项 目1确认# 循环水泵正常,检修(安装)工作已全部结束,工作票已终结,现场清洁。
2盘动各泵靠背轮转动灵活无卡涩现象,安全罩已固定完好。
3各种表计齐全,指示准确,轴承油位正常,油质合格。
4循环水泵进口阀门已开启,出水阀门已关闭,打开泵体上空气门考克,待有水排出后关闭。
5联系电气确认电动机绝缘良好,电源已送上,电动机正方向旋转。
6联锁试验正常后,将所有循环水泵联锁置于“解除”位置。
7确认准备运行#1机组凝汽器出入口水门已全开,管道和设备排空气门已全开并有专人监护。
8确认#1机冷油器,空冷器入口循环冷却水总门全关。
9确认#2#3#4#5机组循环水系统所有阀门已关闭。
循环水供回水母管工作已全部完成。
10启动电动机,检查电流,压力,泵和电动机声音,振动,轴承温度正常。
11一切正常后逐渐开足泵出口水门,检查电动机电流,泵出口压力正常后,投入联动装置。
(防止管道被冲击) 12根据需要将# 循环水泵作联动备用。
13确认各处排空气门,有水流出后全关空气门。
14根据机组状况缓慢开启#1机冷油器,空冷器入口循环冷操 作 票却水总门,并使用滤水器入口门调整冷却水压力不超过0.1MP a。
注:随着循环水温的升高应检查管道的膨胀节情况。
联动备用泵条件:1,备用泵应处于充满水状态2,电机绝缘保持良好,随时都可以启动3,备用泵进,出口水阀门在开启位置,不反转4,联动装置已投入。
操作开始时间: 年 月 日 时 分 终了时间: 日 时 分操作任务:停# 循环水泵运行顺序操 作 项 目1将# 循环水泵联动开关退出放于“解除”位置。
2缓慢关闭# 循环水泵出口水门。
3停# 循环水泵运行,检查电动机电流到“0”,转速下降。
4待转子静止后,缓慢全开# 循环水泵出口水门确认不反转,备用。
桦南协联报春热电有限公司 编号:操作人印 值班长印 监护人印 值 长印 操 作 票备 注桦南协联报春热电有限公司 编号:操作人印 值班长印 监护人印 值 长印 。
# 机闭式水泵停止操作票
编号:______
开始操作时间:年月日时分,结束操作时间:年月日时分
序号操作内容
执行
记号
1 时分,汇报值长,申请停止# 机闭式水泵。
2 时分,解除# 机闭式水泵事故联锁及低水压联锁。
3 时分,关闭____闭式水泵出口电动门。
4 时分,____闭式水泵出口电动门全关后,停止____闭式水泵运行。
5 时分,检查____闭式水泵转速降至零,不倒转,各设备无异常。
6
时分,根据需要恢复闭式水泵热备用。
(出口电动门开启后检查该泵轴不倒转)
7 时分,根据需要投入#____机闭式水泵事故联锁及低水压联锁。
8 时分,汇报值长,操作完毕。
危险点分析:1、空压机跳闸、引风机油站油温高:闭式水泵停运前,须确认空压机、邻炉引风机闭式水是否已切至运行机组的闭式水泵接带。
2、跳项、漏项操作:严格按操作票规定的步骤进行操作,不得跳项、漏项操作。
操作记事(包括异常情况分析)
班次职务
单元长操作人
执行
情况
值长处盖章:车间意见。
# 机开式水泵停止操作票
编号:______开始操作时间:年月日时分,结束操作时间:年月日时分
序号操作内容执行记号
1 时分,汇报值长,申请停止#____机开式水泵。
2
时分,解除#____机开式水泵事故联锁及低水压联锁,解除开式水泵出口电动门的联锁开关。
3 时分,根据需要开启#____机开式水泵旁路电动门。
4 时分,关闭____开式水泵出口电动门。
5 时分,____开式水泵出口电动门全关后,停止____开式水泵。
6 时分,检查____开式水泵转速降至零不倒转,全面检查各设备无异常。
7
时分,根据需要恢复开式水泵热备用。
(出口电动门开启后检查该泵轴不倒转,并投入该泵出口电动门联锁)
8 时分,根据需要投入#____机开式水泵事故联锁及低水压联锁。
9 时分,汇报值长,操作完毕。
危险点分析::1、开式冷却水中断,危及设备安全运行:开式水泵停运前,须确认开式水的用户已全部停运。
2、跳项、漏项操作:严格按操作票规定的步骤进行操作,不得跳项、漏项操作。
操作记事(包括异常情况分析)
班次职务
单元长操作人
执行
情况
值长处盖章:车间意见。
1#给水泵(0105开关)工频切至变频1.对照模拟图进行模拟操作,准确无误。
2.通知汽机运行人员,1#给水泵(0105)开关工频切至变频。
3.检查1#给水泵(0105开关)符合工频切至变频要求。
4.检查1#给水泵(0105开关)确已停电,位置显示正确。
5.合上1#给水泵变频器控制电源QF1(一路)。
6.合上1#给水泵变频器控制电源QF2(二路)。
7.合上1#给水泵变频器风机电源QF3。
8.合上1#给水泵变频器装置电源QF4.9.检查2#给水泵隔离刀闸QS4.QS5在断开位置。
10.拉开1#给水泵隔离刀闸QS3.11.合上1#给水泵隔离刀闸QS1,并检查位置正确。
12.合上1#给水泵隔离刀闸QS2,并检查位置正确。
13.对以上操作进行全面检查,准确无误。
14.通知汽机运行人员1#给水泵(0105)开关已切至变频。
15.核对模拟图与实际操作相一致。
1#给水泵(0105开关)变频切至工频1.对照模拟图进行模拟操作,准确无误。
2.通知汽机运行人员,1#给水泵(0105)开关变频切至工频。
3.检查1#给水泵(0105开关)符合变频切至工频要求。
4.检查1#给水泵(0105开关)确已停电,位置显示正确。
5.拉开1#给水泵的隔离刀闸QS1。
6.拉开1#给水泵的隔离刀闸QS2。
7.合上1#给水泵的隔离刀闸QS3。
8.对以上操作进行全面检查,准确无误。
9.通知汽机运行人员1#给水泵(0105)开关已切至工频。
10.核对模拟图与实际操作相一致。
1#给水泵(0105开关)停电1.对照模拟图进行模拟操作,准确无误。
2.通知汽机运行人员,1#给水泵(0105)开关停电。
3.检查1#给水泵(0105开关)确已停电,位置显示正确。
4.断开1#给水泵(0105开关)的储能开关。
5.将1#给水泵(0105开关)摇至试验位置,并检查位置显示正确。
6.取下1#给水泵(0105开关)的二次插头。
7.断开1#给水泵(0105开关)的电压回路电源12KK。