国美业务操作技巧规则及经过流程简述
- 格式:doc
- 大小:2.01 MB
- 文档页数:28
国美标准作业流程业务部进货流程 (2)门店进货流程 (3)商品入大库流程 (4)商品入门店库房流程 (5)采购退回流程 (6)门店要货申请流程 (7)大库调拨门店流程 (8)门店调往大库流程(退残) (9)加盟店销售 (11)分部之间调拨流程 (12)加盟店或分部之间调拨销售退回 (13)门店自提商品销售流程 (14)门店送货商品销售流程 (15)门店欠款销售(门店送货) (16)门店未提货销售退回 (17)门店已提货销售退回 (18)门店销售集中送货流程 (19)门店集中送货销退回(退大库) (21)门店销售带货安装商品流程 (23)特价商品销售流程 (24)商品变价流程 (25)正品与残次移库 (26)商品盘点流程 (27)商品目录维护流程 (28)分部往来单位维护流程 (29)经销商品货款的结算流程 (30)业务部进货流程业务部业务员业务部业务干事业务部经理门店进货流程门店门店经理或业务经理业务部业务员门店门店干事业务部经理商品入大库流程大库财务人员大库库房保管员厂家送货员商品入门店库房流程门店财务人员大库库房保管员厂家送货员需明确的要点:采购入库单为保证单据正确性,必需一人录入,一人审核。
采购退回流程门店/大库库房保管员厂家送货员业务部业务员经理需明确的要点:实际出库数量必需与采购退回单一致,如果不一致,必需由业务部门进行销审,修改单据。
门店要货申请流程需明确的要点:1、门店经理是否添制要货申请单?门店经理门店干事大库经理大库调拨门店流程门店调往大库流程(退残)大库财务大库库房门店库房门店财务业务部业务员门店经理大库经理门店财务门店库房大库库房大库财务需明确的要点:1、退残申请单是先交财务还是先交库房。
2、退残申请是否一次性调拨。
3、如大库入库时商品数量与实际不符时如何处理。
加盟店销售加盟店业务干事业务经理大库财务大库库管分部之间调拨流程总部业务干事业务经理大库财务大库库管大库经理加盟店或分部之间调拨销售退回大库财务人员门店/大库库房保管员业务部干事业务部经理门店自提商品销售流程门店送货商品销售流程需明确的要点:定期收集门店派车单,交分部售后服务人员由谁完成。
第三节、系统操作流程
一、国美
1、国美的红蓝卡
国美规定商品不能以低于国美的最低限价进行销售,如在竞争的过程确实需要低于限价销售,导购员在征得公司业务经理许可得情况下可以通过使用国美的红卡、蓝卡充抵现金,以达到销售目的。
红卡——在大型节假日或促销活动中由国美承担的费用,替代现金使用。
有10元、20元、50元、100元、200元、500元等不等的面额。
蓝卡——在销售中由厂方/公司承担的费用,替代现金使用。
有10元、20元、50元、100元、200元、500元等不等的面额。
注:只有在大型的节假日或促销活动中国美才给各厂商配发红卡,在日常销售中是不能使用国美的红卡。
只能使用蓝卡进行现金充抵。
2、库区
1000——正常库,可以用国美红、蓝卡进行优惠充抵;
1004——特价库,不能降价销售,也不能用国美红卡进行优惠充抵。
只有在征得公司业务经理同意的情况下,才能用蓝卡进行优惠充抵;
1005——国美出样库,即门店样机属于国美,不是厂家出样(终端大部分情况都是厂家出样),属于正常机器销售,可以用红、蓝卡进行优惠充抵;
1007——包销库,不能降价销售,也不能用国美红卡进行优惠充抵。
只有在征得公司业务经理同意的情况下,才能用蓝卡进行优惠充抵;
3、销售流程
(1
(2)交纳定金
面对要交纳定金的的顾客,导购员直接将顾客带到财务室交纳定金,由财务出具相关收款票据,顾客下次带着收款票据和应补足的余款按照正常手续办理销售流程。
(3)负卖
(4)退换货
二、苏宁
1、正常销售
2、退货
3、负卖。
国美电器有限公司经营管理手册目录总经理致词第一章:企业文化一、企业理念二、企业宗旨三、经营理念四、公司发展目标第二章:连锁经营模式一、连锁店的设置原则二、连锁店的选址标准三、顾客层定位四、连锁店的经营形态五、正规连锁店六、加盟连锁店第三章:连锁系统组织机构第四章:连锁店经营范围第五章:总部的职能一、总部决策层岗位职责二、总部行政部的任务和职责三、总部企划部的任务和职责四、总部开发部的任务和职责五、总部财务审计部的任务和职责六、总部业务部的任务和职责第六章:地区分部的职能一、分部总经理的岗位职责二、分部人事部的任务和职责三、分部财务部的任务和职责四、分部保卫部的任务和职责五、分部广宣部的任务和职责六、分部办公室的任务和职责七、分部售后服务部的任务和职责八、分部业务部的任务和职责九、分部配送中心的任务和职责第七章:地区分部各门店的职能一、门店管理层人员的岗位职责二、门店财务人员的岗位职责三、门店库房人员的岗位职责四、门店试机人员的岗位职责五、门店干事的岗位职责六、门店维修技师的岗位职责七、门店营业员的岗位职责八、门店派车员的岗位职责九、门店保洁员的岗位职责第八章:各项工作流程和标准一、行政工作流程二、财务工作流程三、业务工作流程四、售后服务工作流程五、企划工作流程六、配送中心工作流程七、门店工作流程第九章:管理制度一、总则二、人事管理制度三、办公室管理制度四、业务管理制度五、财务管理制度六、门店管理制度七、安全管理制度八、售后服务制度总经理致词欢迎加入国美电器有限公司。
你现在已经加入了一个团结勤奋、创新进取的员工队伍。
我公司一贯奉行服务于大众、贡献于社会的准则,满足顾客的需求是我们的最高目标。
我希望通过你的工作推动企业的发展,社会的进步。
只有企业发展了,我们每个人才有发展的机会。
希望用你的信心、品德、优质的服务和精益求精的工作态度促进企业的发展,同时充实自己、提高素质、增长才干、完善自我。
我期望与你一起携手共进,为企业的兴旺发达努力。
国美业务流程第36版国美 ERP系统流程手册国美电器有限公司ERP系统流程目录分部合同审批流程 ..................................................................... ........................................................................ ...............6 总部合同审批流程 ..................................................................... ........................................................................ ...............7 分部合同修改 ..................................................................... ........................................................................ .......................8 合同变更 ..................................................................... ........................................................................ ...............................8 合同终止 ..................................................................... ........................................................................ ...............................9 建立供应商信息流程...................................................................... ........................................................................ ........10 定义商品信息流程 ..................................................................... ........................................................................ .............10 经销商品、配送代销要货流程 ..................................................................... ................................................................ 11 代销商品(门店代销)要货流程 ..................................................................... ............................................................ 11 经销商品、配送代销商品订货流程...................................................................... .......................................................12 特价机订货流程 ..................................................................... ........................................................................ .................13 门店代销商品订货流程 ..................................................................... ........................................................................ ....14 带货安装商品进货流程 ..................................................................... ........................................................................ ....16 商品入库流程(方案1:库房无终端) ................................................................... (17)商品入库流程(方案2:库房有终端) ................................................................... .. (18)门店代销产品退厂流程 ..................................................................... ........................................................................ ....19 经销商品及配送代销商品退厂流程...................................................................... .......................................................20 赠品入库流程 ..................................................................... ........................................................................ .....................21 上交礼品、自购礼品入库流程 ..................................................................... ................................................................22 赠品发放流程 ..................................................................... ........................................................................ .....................23 无促销费的价格文件流程 ..................................................................... ........................................................................24 有促销费的价格文件审批流程 ..................................................................... ................................................................25 根据市调报告调整零售价格流程 ..................................................................... ............................................................26 调整供价流程 ..................................................................... ........................................................................ .....................27 促销活动优惠管理流程 ..................................................................... ........................................................................ ....27 门店自提销售流程 ..................................................................... ........................................................................ .............28 门店定金销售流程 ..................................................................... ........................................................................ .............29 集中配送送货流程 ..................................................................... ........................................................................ .............30 门店送货流程 ..................................................................... ........................................................................ .....................32 带货安装商品销售流程 ..................................................................... ........................................................................ ....34 赊款购物流程 ..................................................................... ........................................................................ .....................35 顾客自提退货流程 ..................................................................... ........................................................................ .............37 退货流程--顾客未收到货,配送未发货...................................................................... (38)退货流程----配送已发货、顾客已收到货 ..................................................................... . (40)退货流程----- 配送/门店已发货,顾客未收到货(在途) ................................................................... (42)集中配送换货流程------同型号商品更换 ..................................................................... .. (44)换货流程------不同型号商品更换 ..................................................................... ............................................................45 商品转仓流程——配送商品转至门店 ..................................................................... (47)商品转仓流程——门店与门店之间转仓 ..................................................................... .. (48)特价机管理流程 ..................................................................... ........................................................................ .................49 样机管理流程------供应商提供新品0元样机入库流程 ..................................................................... . (50)样机入库流程 -------现有商品转为0元样机...................................................................... (51)样机入库流程-----供应商不提供样机,正常机出样 ..................................................................... . (52)样机销售流程-------供应商提供的0元样机...................................................................... .. (53)2 第2页共 164 页国美电器有限公司ERP系统流程样机销售流程 ------ 公司按成本价的样机 ..................................................................... . (54)加盟店管理流程 ..................................................................... ........................................................................ .................55 加盟部的退货流程 ..................................................................... ........................................................................ .............56 门店、配送中心库存盘点流程 ..................................................................... ................................................................57 空调安装管理合同审批及合同签定流程 ..................................................................... .. (58)空调安装派工流程 ..................................................................... ........................................................................ .............59 安装管理费计收流程...................................................................... ........................................................................ ........60 建立顾客档案及回访流程 ..................................................................... ........................................................................61 会员建卡流程 ..................................................................... .............................................................................................62 经销商品预收商业折扣流程 ..................................................................... .. (63)经销商品商业折扣流程 ..................................................................... ........................................................................ ....64 代销商品商业折扣流程 ..................................................................... ........................................................................ ....66 商品利润补偿管理流程 ..................................................................... ........................................................................ ....68 其他业务收入管理流程 ..................................................................... ........................................................................ ....71 经销商品结算流程 ..................................................................... ........................................................................ .............75 代销商品结算流程 ..................................................................... ........................................................................ .............77 先款后货的结算流程...................................................................... ................................................................................78 带货安装商品结算流程 ..................................................................... ........................................................................ ....79 资金调拨流程 ..................................................................... ........................................................................ .....................81 优惠券发放、使用的核算 ..................................................................... ........................................................................82 优惠劵的管理 ..................................................................... ........................................................................ .....................84 手机卡核算 ..................................................................... ........................................................................ .........................85 商品分类方法 ..................................................................... ........................................................................ (86)附表1 新旧合同政策对比表 ..................................................................... .. (88)附表2 经销合同审批条款摘要(全国合同) ................................................................... .. (89)附表3 经销合同审批条款摘要(区域合同、分部合同) ................................................................... .. (90)附表4 代销合同审批条款摘要(全国合同) ................................................................... .. (91)附表5 代销合同审批条款摘要(区域合同) ................................................................... .. (92)附表6 特价机审批单 ..................................................................... .. (93)附表7 合同终止审批单 ..................................................................... . (94)附表8 合同政策一览表 ..................................................................... . (95)附表9 应收收入一览表 ..................................................................... . (96)附表10 要货申请单 ..................................................................... . (97)附表11 进货申请单...................................................................... . (97)附表12 商品订货单 ..................................................................... . (98)附表13 特价机商品订货单 ..................................................................... . (98)附表14 商品入库单 ..................................................................... . (99)附表15 验货通知单 ..................................................................... . (99)附表16 商品退厂单 ..................................................................... .. (100)附表17 赠品入库单 ..................................................................... .. (100)附表18 礼品入库单 ..................................................................... .. (100)附表19 商品的价格文件(无促消费) ................................................................... . (101)附表20 商品的价格文件(有促消费) ................................................................... . (101)附表21 市调价格调整通知书 ..................................................................... . (101)附表22 商品进价变价单 ..................................................................... (102)附表23 商品优惠单 ..................................................................... .. (102)3 第3页共 164 页国美电器有限公司ERP系统流程附表24 国美电器销售专用票 ..................................................................... . (103)附表25 收款单 ..................................................................... ........................................................................ .. 104 附表26 发票 ..................................................................... ........................................................................ ...... 106 附表27 送货派车单 ..................................................................... ................................................................. 108 附表28 商品暂存单 ..................................................................... ................................................................. 109 附表29 赊款购物单 ..................................................................... ................................................................. 109 附表30 退货通知单 ..................................................................... ................................................................. 110 附表31 退货派车单 ..................................................................... ................................................................. 110 附表32 换货派车单 ..................................................................... ................................................................. 111 附表33 商品转仓单 ..................................................................... ................................................................. 111 附表34 特价机商品订货单 ..................................................................... ..................................................... 112 附表35 销货通知单 ..................................................................... ................................................................. 112 附表36 商品提货单 ..................................................................... ................................................................. 113 附表39 分部空调机空装、维修(特约、供应商)合同审批单 (113)附表37 空调安装特约网点审核表 ..................................................................... . (114)附表38 空调安装单(一) ................................................................. ........................................................... 114 附表39 空调安装单(二) ................................................................. ......................................................... 115 附表40 空调安装管理费对帐单...................................................................... .. (116)附表41 国美电器顾客投诉记录单...................................................................... (117)附表42 会员登记单 ..................................................................... ................................................................. 118 附表43 国美电器单品利润贡献曲线图 ..................................................................... .. (119)附表44 国美电器分类利润贡献曲线图 ..................................................................... .. (119)附表45 国美电器有限公司商业折扣对帐通知函...................................................................... .. (120)附表46 国美电器有限公司商业折扣结算确认单 ..................................................................... (121)附表47 国美电器收入结算汇总单 ..................................................................... . (122)附表48 国美电器有限公司应计商业折扣明细表 ..................................................................... (124)附表49 国美电器有限公司应收商业折扣明细表 ..................................................................... (125)附表50 国美电器收入情况汇总表...................................................................... (126)附表51 国美电器商业折扣统计表 ..................................................................... . (126)附表52 国美电器代销商品综合利润明细表 ..................................................................... .. (127)附表53 国美电器应收降价收入及欠收明细表 ..................................................................... . (127)附表54 国美电器应收退残收入及欠收明细表 ..................................................................... . (127)附表55 国美电器()分部库存残次明细表 ..................................................................... (128)附表56 国美电器商业折扣明细帐 ..................................................................... . (130)附表57 国美电器经营品牌综合分析报表 ..................................................................... . (130)附表58 国美电器政策一览表 ..................................................................... . (131)附表59 国美电器特价机政策一览表 ..................................................................... (131)附表60 收取通知函(1) .................................................................. .......................................................... 132 附表61 收取通知函(2) .................................................................. .......................................................... 132 附表62 应收收入一览表 ..................................................................... ......................................................... 134 附表63 收入收取表-营业场所支持费 ..................................................................... . (134)附表64 收入收取表-市场推广费 ..................................................................... . (135)附表65 月收入收取汇总表 ..................................................................... ..................................................... 135 附表66 应收收入台帐 ..................................................................... ............................................................. 136 附表67 帐龄分析表 ..................................................................... ................................................................. 136 附表68 分部经销商品结算单 ..................................................................... . (138)4 第4页共 164 页国美电器有限公司ERP系统流程附表69 分部经销商品结算单 ..................................................................... . (139)附表70 商品销售清单 ..................................................................... ............................................................... 139 附表71 分部先款后货申请单 ..................................................................... . (140)附表72 分部票据管理查询单 ..................................................................... . (140)附表73 分部资金需求申请表 ..................................................................... . (141)附表74 对帐单 ..................................................................... ........................................................................ .. 142 附表75 周资金预算表 ..................................................................... ............................................................. 144 附表76 国美电器各分部现金流量汇总表 ..................................................................... . (145)附表77 付款计划汇总表 ..................................................................... ......................................................... 146 附表78 分部业务付款计划指标调拨单 ..................................................................... .. (147)附表79 周采购付款计划表 ..................................................................... ..................................................... 148 附表80 分部税票欠收情况周/月报 ..................................................................... .. (150)附表81 国美电器有限公司销售日报表 ..................................................................... .. (151)附表82 分部现金流量表 ..................................................................... ......................................................... 152 附表83 全国门店销售排名 ..................................................................... ....................................................... 153 附表84 门店销售区域情况统计表 ..................................................................... . (153)附表85 所有带促销费型号的统计 ..................................................................... . (154)附表86 特价机的统计 ..................................................................... ............................................................. 154 附表87 节日赠品情况表 ..................................................................... ......................................................... 155 附表88 各品牌年、季、月、周、日销售对比表 ..................................................................... (155)附表89 营业员/促销员销售明细表 ..................................................................... (155)附表90 销售统计表 ..................................................................... ................................................................. 156 附表91 门店任务完成比例 ..................................................................... ..................................................... 156 附表92 平日销售与六日销售完成情况对比表...................................................................... . (157)附表93 各门店/各分部每月单位面积的销售 ..................................................................... .. (157)附表94 各门店/各分部人均销售数 ..................................................................... (157)附表95 各门店/各分部单位租金销售额 ..................................................................... . (158)附表96 残次商品汇总表(周、月) ................................................................... .. (159)附表97 供货商应收款明细(周、月) ................................................................... (159)附表98 各品类库存汇总表(日、周、月) ................................................................... .. (160)附表99 各品牌销售汇总表(日、周、月) ................................................................... .. (160)附表100 各品类/品牌进销存汇总表日、周、月 ..................................................................... . (161)附表101 合同完成跟进表 ..................................................................... ....................................................... 161 附表102 各品类各品牌周转率汇总表任意时间段 ..................................................................... . (162)附表103 应收帐款汇总表——日...................................................................... (162)附表104 优惠券入库单 ..................................................................... ........................................................... 163 附表105 优惠券领用单 ..................................................................... ............................................................. 163 附表106 门店优惠券分配单 ..................................................................... (163)附表107 门店优惠券上缴单 ..................................................................... (163)附表108 门店优惠券日结汇总表...................................................................... (164)附表112 门店优惠券上缴分部清单...................................................................... .. (164)附表113 优惠活动总结单 ..................................................................... . (164)5 第5页共 164 页国美电器有限公司ERP系统流程分部合同审批流程分部合同审批流程分部采购部品类主管重新谈判,按审批意见录入合同审批摘要(或合同管理干事)修改合同未通过总部采购部合同管理干事按授权审核合同通过分部采购部合同管合同打印合同执行合同理干事合同归档签定合同分部采购品类主管1 分部采购部品类主管分部采购部品类主管(或合同管理干事)按照与厂家洽谈后的合同标准文本录入合同审批摘要,审(或合同管理干事)批内容须逐项填写。
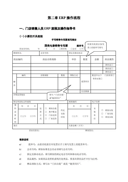
第二章ERP操作流程一、门店销售人员ERP流程及操作指导书(一)小票的开具流程手写销售专用票填写规定营业员签名:顾客签名:填表说明a)提单号:由款员收款打印发票后手工填写发票上的提货单号。
b)会员号码:顾客如果是会员必须填写会员号码。
c)固定及移动电话:填写顾客的固定电话号码和移动电话号码。
d)商品属性:如果商品是样机或残次处理品,要求在降价品栏中打勾注明。
e)赠品领取方式:填写由“门店自提”或是“随货同行”。
f)以旧换新:填写由什么货换为什么货,以便送货司机取回旧货。
g)营业员代码:每位营业员或促销员都有一个人员代码,应熟记,开票时要书写正确。
h)顾客姓名:要在开票时向顾客询问是为单位购买还是个人使用,如单位购买,顾客名称处应填写单位名称。
i)所购买商品的基本信息:商品代码(六位)、商品名称、型号、单价、数量,书写要准确不能涂改。
j)赠品代码(六位)、名称、数量、发放方式。
k)提货库区:分为集中配送、门店库房、带货安装l)地址:带货安装及集中配送商品地址填写要尽量详细m)送货时间:日期、上下午n)送货方式:自提、集中配送、门店送货、厂家送货。
o)营业员签名:如果填写的营业员代码与开票营业员不一致时,要求开票的营业员或促销员签名。
p)营业员开单时要特别注意:每个品类开据一张销售专用票。
如:顾客购买空调、彩电要开两张销售专用票。
q)对于上述票样所显示的内容要填写齐全。
r)营业员在开据手写销售票时要严格按照金力的库存编码填写,要注意此编码要与商品标价签的的编码一致。
s)顾客用优惠券购物,营业员要在销售专用票上注明使用优惠券的金额,并且优惠券只能购买一种商品。
t)顾客所购商品有赠品的一定要在销售票上注明赠品的代码和名称。
说明:收银员打发票时如不打上赠品,服务台将发放不了赠品。
u)赠品门店绝对不允许营业员开单销售。
传递流程:v)集中配送、带货安装销售的商品,营业员开两联销售专用票(复写一联)交顾客到收银台交款,门店自提的商品,营业员只需开一联销售专用票,不需复写。
国美管理手册二目录手册目的新人的国美操作引导业务人员规范操作流程协助战略合作伙伴发展第一章国美简介一,背景现状及文化第一节国美的历史、特点及现状第二节国美的成功之处第三节国美的发展计划第四节国美的发展弱势和不足第五节国美的企业文化,负责人生平简介二,国美运营策略;基本框架和部门职能1,运营策略2,组织结构(1)总部(2)门店3 ,各个部门的具体职能,岗位职责,考核三,国美系统基本操作术语四,国美相关管理制度终端样机及促销品管理细则提价机、主推机销售政策促销员管理价格管理相关费用制度第二章国美的基本操作第一节国美进场谈判第二节国美协议参考,政策范本(附件)第三节定价策略第四节国美相关费用第五节基本进场流程(进场流程及分销门店的选择;注意事项)第六节新品上柜流程1,上柜流程2,上柜原则3,注意事项第七节促销流程及组织管理第八节特殊节日、旺季促销业务操作注意事项1,终端形象准备工作2,销售目标制定3,主推产品定位4,产品、促销品的准备5,助销品的准备6,人员分工7,国美方面准备8,竞争品牌准备情况9,销售团队激励10,即使应对改善第九节新店开业管理流程、进展表第十节突发事件的处理第十一节产品陈列,展示第三章财务及仓库相关业务流程第一节关于调价调价的财务管理注意事项第二节关于仓库(1)库房分类(2)送货(3)滞销机处理(4)调货(5)退货第三节开单交款制度第四节回款,结款第五节罚款第四章物流及通路库存管理第一节物流路线制定与安排(制定原则,注意事项)第二节执行过程细节管理第五章如何在国美提升销量第一节协议谈判第二节上柜流程、原则、注意事项第三节位置第四节主推1,系统主推2,门店主推3,人员主推第五节促销第六节 DM宣传第七节竞争对手第六章国美年度规划策略、谈判第七章国美日常管理日常拜访年度协议门店经理拜访柜组长手册的目的和宗旨1、使刚刚接触国美电器的业务员能很快地了解国美电器的基本状况、国美业务操作流程和各种相关的政策和注意事项,能够更好更快地展开工作。
国美合作业务指导第一篇:国美合作业务指导国美业务操作指导书根据公司总部战略指导思想,结合总部制订的战略销售目标,06年卖场的进驻率显得非常重要,特别是国美。
06年国美二、三级市场拓张较快,预计全国门店要拓展到650家以上。
针对这一趋势,***公司通过高层对话,与国美建立了密切的战略合作关系,我们应利用国美这一不断扩张的销售平台,来提高***市场覆盖率,提升销量和品牌形象,打造成***在小家电行业里面的强势品牌。
成为行业中的佼佼这者。
在06年的经销商会议上,公司各级领导对此非常重视。
为此,公司也针对国美系统制定了一系列的激励政策。
现如今,经销商要想在区域市场占有一席之地。
提升销量,提高公司知名度,纷纷与卖场合作。
由此看出进驻卖场的重要性,与卖场合作已经成为一种趋势,厂家如此,经销商更是如此。
由于05年在国美系统的进驻率上相对较低,部分经销商对国美的业务操作缺乏了解,由于受各区域情况不同,人员操作的不同,客情关系的深厚等客观因素影响,操作手法也各不相同,为了减少在与国美合作中出现不必要的麻烦,针对国美特制订此业务操作指导供参考。
一、激励政策:1、促销员底薪:由***公司支付,按级别提供底薪400-600元,根据当地促销员工资标准制定,但需要申请批准后方可有效。
各经销商必须提供促销员姓名、所在卖场、联系电话、身份证号码、开户行、银行卡号等手续,并且每周一必须准时提交周销售报表。
2、任务完成奖励:a:进驻率奖:进驻率达到100%,出样率小家电(含空气净化器)达到90%以上,***公司补贴经销商1%。
b:任务奖:下达的任务完成后,***公司再补贴经销商1%。
3、灯箱展柜:优先提供进驻国美的灯箱展柜,但要充分利用。
4、银行承兑汇票:凡是国美开给***公司的银行承兑汇票,公司无条件接收。
二、合作注意事项1、ERP比价系统:在有全国大盘合同时电脑系统自动生效。
若某个区域私自调价,全国价格会按最低价格执行,其一会影响全国价格体系,又会损失经销商的切身利益,因此要求严格执行全国统一零售指导价,不得私自调价,若有特殊情况确实需要调整的,需经重点客户部协调同意备案后方可执行。
国美业务操作规则及流程概述一、合同管理1、合同授权1.1、原则及关键点●使用系统:OA系统●发起人:总部副部长/部长●使用表单:合同授权申请表●功能:在新年度内,根据公司经营计划,并对比各品类、各品牌上一年度的合同政策、销售情况等因素(通过OA系统从SAP中提取),确定新年度合同关键要素,上报合同授权,为合同修订、审批和签署提供参考依据。
●类型:合同授权、全国及地方特价机标准及占比授权、工程机授权、、全国及地方包销、定制机授权●注意:此环节无需总部业务参与1.2、业务流程图2、合同/协议范本修订及审批3、合同预案3.1、全国合同审批及签署3.1.1、原则及关键点●使用系统:OA系统●发起人:总部业务/主管●使用表单:合同预案审批单●合同发送范围:全国●功能:在新年度内,公司根据与供应商的谈判结果并结合合同授权的标准(作为审批时的附件),在OA系统中上报合同预案及文本,经各层级环节审批通过后确认合同政策,形成正式合同文本,发与供应商签字盖章,落实合同并维护到SAP系统数据库。
●合同有效期最多可顺延三个月3.1.2、业务流程图国美电器领航者ERP项目TO-BE业务流程图3.2、物流合同审批及签署3.2、1.原则及关键点●使用系统:OA系统●发起人:总部业务/主管●使用表单:合同预案审批单●功能:①未签订全国合同:在新年度内,公司根据与供应商的谈判结果并结合合同授权的标准(作为审批时的附件),在OA系统中上报合同预案及文本,经各层级环节审批通过后确认合同政策,形成正式合同文本,发与供应商签字盖章,落实合同并维护到SAP系统数据库。
②已签订全国合同:在政策上直接引用全国合同,复制原合同文本(唯一可修改的部分为甲乙双方公司列表),在OA系统中上报合同预案及文本,经各层级环节审批通过后确认合同政策,形成正式合同文本,发与供应商签字盖章,落实合同并维护到SAP系统数据库。
●合同有效期最多可顺延三个月3.2、2.业务流程图国美电器领航者ERP项目TO-BE业务流程图3.3、地方合同审批及签署3.3.1、原则及关键点●使用系统:OA系统●发起人:分部业务/主管●使用表单:合同预案审批单●功能:在新年度内,分部根据与供应商的谈判结果并结合合同授权的标准(作为审批时的附件),在OA系统中上报合同预案及文本,经各层级环节审批通过后确认合同政策,形成正式合同文本,发与供应商签字盖章,落实合同并维护到SAP系统数据库。
国美电器经营管理制度与模式摘要:中国家电连锁零售行业最近十几年发展迅速。
随着我国郭明经济的快事发展,人民生活水平的不断提高,家电行业已经成为国民经济中发展最快的行业之一,也成为国家经济增长的关键指标。
家电市场“国内市场国际化,国际竞争国内化”全球一体化特征已经十分明显。
家电产品已经成为国家广大人民群众生活质量提高的一个重要标志。
家电行业目前正在转型升级,新技术、新工艺、新产品不断面世,家用电器市场随着家电产品的更新换代,也处在蓬勃发展的时期。
在这种形势下,家用电器销售市场发展模式也就耿林人瞩目。
关键词:指标经济特征发展销售正文:(一)企业介绍国美电器有限公司成立于1987年1月1日,是一家以经营各类家用电器为主的全国性家电零售连锁企业。
多年来,国美电器依靠其精准的市场定位和薄利多销的经营策略,得到了飞速的发展。
目前,国美电器已成为中国驰名商标,国美电器已发展成为全国最大的家电零售连锁企业,在北京、天津、上海、成都、重庆、西安、郑州、沈阳、青岛、济南、广州、深圳、武汉、杭州、昆明、福州、宁波、大连、石家庄、哈尔滨、包头、无锡、长沙、太原、长春25个城市以及香港等地区拥有直营店200余家,10000多名员工,多次蝉联中国商业连锁三甲。
并成为长虹、TCL、康佳、厦华、海信、东芝、索尼、松下、LG、飞利浦、夏普、三洋等众多国内外知名家电厂家在中国的最大经销商。
现在国美启用新技术,在新系统强大的数据共享基础之上,国美与供应商的对接无时无刻不在进行。
当国美ERP系统成熟后,每一个供应商都有权限登陆系统,获得自己在国美的销售、库存、订单、账目往来、结算等基础数据;其产品在同类市场中的销售占比,单品表现,以及趋势变化在内的市场数据;同时还包括客户对质量和服务的投诉和建议等服务数据——供应商不仅可以主动参与国美的采购预期,还可大致分析整个市场的销售全景。
首先,由于每家门店的销售能力和区域特点有别,其库存周转时间不同,一般在5~15天左右。
国美公司营业厅服务规范为了提升国美公司营业厅的服务质量,提供更好的用户体验,特制定了以下的服务规范,以便员工能够遵守并为顾客提供满意的服务。
一、服务态度规范1.热情接待:保持微笑,主动出击,积极引导顾客并提供协助;2.言行举止规范:言语文明,不带个人感情色彩,不轻易使用否定的词语;4.责任心和耐心:耐心倾听顾客需求,认真解答问题,对问题负责,能够适当时候主动承担责任。
二、服务流程规范1.接待流程:对进店顾客,先行问好,主动了解顾客需求,并根据需求提供相应的品牌和产品介绍;3.产品展示:营业员需要熟悉各类产品的功能以及使用方法,向顾客介绍产品的特点,提供实物样品或是演示;4.订单处理:根据顾客要求,帮助顾客填写订单,确认订单内容无误后进行提交,同时告知顾客订单处理信息;5.交货安装:及时通知顾客货品到达情况,安装与调试产品,确保产品可以正常使用;6.售后服务:向顾客介绍售后服务政策,告知顾客购买产品后的相关事项,如保修期、退换货政策等。
三、服务素养规范1.专业知识:掌握丰富的产品知识,能够回答顾客提问,帮助顾客正确选择产品;3.提升技能:不断学习新知识,参与公司提供的培训,提升服务水平;4.沟通能力:倾听顾客意见和建议,主动向顾客提供产品和服务相关的信息;5.客户意识:对顾客的各种需求有敏感度,提供个性化服务,能够根据顾客需求进行推荐和建议。
四、服务监督规范1.客户满意度调查:服务结束后,及时邀请顾客参与满意度调查,收集顾客对服务的反馈,改进存在问题;2.客户抱怨处理:对于顾客的抱怨,积极倾听,真诚解决问题,并对问题的原因进行调查和改正;3.员工违规行为:对于没有遵守公司服务规范的员工,要进行严肃的处理,包括口头警告、书面警告或甚至终止合同。
以上是国美公司营业厅服务规范,希望每位员工都能严格遵守,并将其付诸于实际工作中,为顾客提供满意的服务。
通过遵守规范,我们相信能够提高国美公司营业厅的服务水平,赢得更多顾客的信赖和支持。
国美直运业务操作手册v1.6(1)一、概述本手册旨在为国美直运业务提供具体的操作流程,以方便操作员日常工作。
本手册适用于使用国美直运业务的所有操作人员。
二、业务介绍国美直运是基于国美自有物流和自有仓储体系的业务模式,主要提供直接出库和直送服务两大业务,能够为消费者提供省心、便利、快速的购物和配送体验。
2.1 直接出库直接出库是指在国美自有仓库内对订单商品进行拣货、打包、配送的一种方式。
客户通过国美商城下单后,相应的订单便被推送到国美直运系统中,并由系统生成拣货单,仓库工作人员根据拣货单将商品拣选出来,然后进行打包并进行发货。
2.2 直接配送直接配送是指将商品直接从供应商处送到消费者的一种方式。
客户通过国美商城下单后,系统将订单推送到对应供应商的仓库,供应商在收到订单后进行出货操作,由国美直运工作人员将商品进行配送至客户。
三、操作流程3.1 直接出库1.登录国美直运系统。
2.进入“拣货单”页面,选择需要处理的拣货单。
3.根据页面中的商品信息,到相应货架上寻找相应商品。
4.对找到的商品进行扫码确认。
5.将确认完成的商品放置在对应订单的包裹中。
6.对每个包裹进行多次扫码确认,确保商品数量及状态无误。
7.对包裹进行封口,并在外部标注订单信息。
8.进入“发货单”页面,选择需要操作的发货单。
9.根据页面中的订单信息,对应包裹进行确认并打印发货单。
10.对打印好的发货单进行签字确认,并交给物流公司进行配送。
3.2 直接配送1.登录国美直运系统。
2.进入“采购单”页面,选择需要处理的采购单。
3.根据页面中的商品信息,将商品从货架上取出并进行扫码确认。
4.将确认完成的商品放置至相应集货区域。
5.将集货区域内商品进行打包,并进行扫码确认。
6.进入“发货单”页面,选择需要操作的发货单。
7.根据页面中的订单信息,对应包裹进行确认并打印发货单。
8.对打印好的发货单进行签字确认,并交给物流公司进行配送。
四、注意事项•操作人员需要具备相关的操作技能及岗位能力。
序言商业活动的核心是销售,销售是商业企业生存和发展的基石。
作为公司职能中心之一的营销中心,自2004年成立以来,积极致力于提升公司整体销售能力,强化市场控制力,营建良好的卖场氛围,传播企业品牌形象,为公司实现快速、持久、高效的发展做出了重要贡献。
销售是推动公司发展的源动力。
作为零售系统的终端,公司通过对价格、商品、服务和环境等要素的综合提高,逐步取得了业界霸主地位。
销售中心以市场为中心,从确定产品类别、制定市场推广策略、确定销售目标,到广告制作发布、新闻宣传造势、门店促销活动、卖场展示配合,多环节紧密衔接,密切配合,在生产厂家和消费者之间构架了一座通畅、高效、快捷的桥梁。
销售是塑造企业形象的前沿阵地。
通过对商品种类的不断丰富和服务水平的不断提高,企业知名度大幅上升。
成绩的取得离不开规范的管理和严谨的制度。
为了促进销售工作各快、更好地发展,营销中心对各部门岗位职责、工作流程和规章制度进行了重新修订,以此激发广大员工的责任感,切实提高工作效率,使经营管理工作朝着更加科学、规范、合理的方向发展。
制度是连锁企业能够健康快速发展的重要保证,也是体现经营思想集体智慧的结晶。
因此,营销中心认为编写这样的手册是及时和必要的。
购物广场营销中心各部门岗位职责和组织架构(试行草案)一、目的:保证人员职责的分明,提高整体营销中心管理工作效率。
二、范围:1.适用范围:本职责适用于营销中心2.发布范围:营销中心各部门三、名词解释:(无)第一节卖场管理部第一条卖场管理部岗位职能一、工作内容:(一)卖场管理科人员配置、培训、考核、奖惩、评比。
(二)制定本区域卖场管理阶段性工作计划,对制订的各分部月度计划、总结进行总体指导。
(三)广告位租赁合同签订的日常管理。
(四)企业视觉识别系统的使用监督。
(五)卖场管理规章制度及流程的汇总、编写和完善。
(六)跟踪周巡检工作完成情况,定期抽查、点评。
(七)商品布局研究和设计,审定日常展台展位调整方案。
国美业务操作规则及流程概述一、合同管理1、合同授权1.1、原则及关键点●使用系统:OA系统●发起人:总部副部长/部长●使用表单:合同授权申请表●功能:在新年度内,根据公司经营计划,并对比各品类、各品牌上一年度的合同政策、销售情况等因素(通过OA系统从SAP中提取),确定新年度合同关键要素,上报合同授权,为合同修订、审批和签署提供参考依据。
●类型:合同授权、全国及地方特价机标准及占比授权、工程机授权、、全国及地方包销、定制机授权●注意:此环节无需总部业务参与1.2、业务流程图2、合同/协议范本修订及审批3、合同预案3.1、全国合同审批及签署3.1.1、原则及关键点●使用系统:OA系统●发起人:总部业务/主管●使用表单:合同预案审批单●合同发送范围:全国●功能:在新年度内,公司根据与供应商的谈判结果并结合合同授权的标准(作为审批时的附件),在OA系统中上报合同预案及文本,经各层级环节审批通过后确认合同政策,形成正式合同文本,发与供应商签字盖章,落实合同并维护到SAP系统数据库。
●合同有效期最多可顺延三个月3.1.2、业务流程图国美电器领航者ERP项目TO-BE业务流程图3.2、物流合同审批及签署3.2、1.原则及关键点●使用系统:OA系统●发起人:总部业务/主管●使用表单:合同预案审批单●合同发送范围:物流●功能:①未签订全国合同:在新年度内,公司根据与供应商的谈判结果并结合合同授权的标准(作为审批时的附件),在OA系统中上报合同预案及文本,经各层级环节审批通过后确认合同政策,形成正式合同文本,发与供应商签字盖章,落实合同并维护到SAP系统数据库。
②已签订全国合同:在政策上直接引用全国合同,复制原合同文本(唯一可修改的部分为甲乙双方公司列表),在OA系统中上报合同预案及文本,经各层级环节审批通过后确认合同政策,形成正式合同文本,发与供应商签字盖章,落实合同并维护到SAP系统数据库。
●合同有效期最多可顺延三个月3.2、2.业务流程图国美电器领航者ERP项目TO-BE业务流程图3.3、地方合同审批及签署3.3.1、原则及关键点●使用系统:OA系统●发起人:分部业务/主管●使用表单:合同预案审批单●合同发送范围:地方●功能:在新年度内,分部根据与供应商的谈判结果并结合合同授权的标准(作为审批时的附件),在OA系统中上报合同预案及文本,经各层级环节审批通过后确认合同政策,形成正式合同文本,发与供应商签字盖章,落实合同并维护到SAP系统数据库。
●合同有效期最多可顺延三个月●注意:此环节无需总部业务参与3.3.2、业务流程图4、协议预案4.1、全国协议审批及签署(特价机、包销机、定制机、工程机、一步到位价、内采赠品协议)4.1.1、原则及关键点●使用系统:OA系统●发起人:总部业务/主管●使用表单:协议预案●功能:与供应商洽谈判确定特价机、包销机、定制机、工程机、一步到位价和内采赠品政策,在OA系统中上报协议预案及文本,经各层级环节审批通过后,形成正式协议文本,发与供应商签字盖章,落实合同并维护到SAP系统数据库。
●关键点:工程机采购金额不计入年度合同规模,合同中与进货或销售规模有关的合同政策条款不统计工程机金额。
4.1.2、业务流程图国美电器领航者ERP项目TO-BE业务流程图4.2、地区协议审批及签署(特价机、包销机、定制机、工程机、一步到位价、内采赠品协议)4.3、三方协议审批及签署4.3.1、原则及关键点●使用系统:OA系统●发起人:分部业务/主管●审批人:分部总监总部业务总部品类部长分管品类副总监●使用表单:三方协议表单●定义:①根据年度全国合同,各分部与本地供应商签订的为分部进行供货并结算的协议。
②各分部与供应商签订采购合同与相应资金平台谈判结束后,签订三方协议为分部供货并结算。
●功能:各地分部根据年度全国合同或当地签订的采销合同,与当地供应商或资金平台进行谈判,谈判结束后由分部业务在OA系统中上报三方协议,经各层级环节审批通过后,形成正式协议文本,发与供应商签字盖章,落实合同并维护到SAP系统数据库。
4.3.2、业务流程图国美电器领航者ERP项目TO-BE业务流程图5、确认函5.1、原则及关键点●使用系统:OA系统●发起人:总部业务/主管●使用表单:确认函申请单●功能:在新年度内,与供应商洽谈促销资源,经供应商签字盖章确认后(供应商签字盖章的确认函/备忘录原件由财务保管并作为财务在OA系统中审批协议的依据),在OA系统中上报确认函/备忘录协议预案及文本,经财务中心审批通过后进入下一相关流程,并维护到SAP系统数据库。
●关键点:①确认函为蓝卡项目,后续流程为蓝卡采购流程;②确认函为其它收费项目,后续流程为财务收入挂账流程;5.2、业务流程图6、补充6.1、原则及关键点●使用系统:OA系统●发起人:总部业务/主管●使用表单:协议预案●定义:在与供应商签订全国合同时,对合同中没有规定的内容进行补充或者对已签订的合同进行修改。
●功能:与供应商洽谈判确定补充政策或合同修改内容,在OA系统中上报补充协议预案及文本,经各层级环节审批通过后,形成正式协议文本,发与供应商签字盖章,落实合同并维护到SAP系统数据库。
6.2、业务流程图7、合同延期7.1、全国合同延期7.1.1、原则及关键点●使用系统:OA系统●发起人:总部业务/主管●使用表单:合同延期(终止)申请单●功能:根据合同范本,SAP系统会将合同自动延期三个月,如果三个月后仍需将合同进行延续,则需通过OA上报合同延期(终止)申请单,经各层级环节审批通过后,系统将自动对合同有效期进行延续。
●关键点:上报合同延期(终止)申请单时要同时上报该合同下的所有补充协议(不含与商品有关的协议)。
7.1.2、业务流程7.2、地区合同延期7.2.1、原则及关键点●使用系统:OA系统●发起人:分部业务/主管●使用表单:合同延期(终止)申请单●功能:根据合同范本,SAP系统会将合同自动延期三个月,如果三个月后仍需将合同进行延续,则需通过OA上报合同延期(终止)申请单,经各层级环节审批通过后,系统将自动对合同有效期进行延续。
●关键点:上报合同延期(终止)申请单时要同时上报该合同下的所有补充协议(不含与商品有关的协议)。
●注意:此环节无需总部业务参与7.2.2、业务流程图8、合同终止、撤店8.1、合同终止8.1.1、原则及关键点●使用系统:OA系统●发起人:分部业务总监●使用表单:合同延期(终止)申请单●功能:用于供应商终止合同●关键点:改变合同有效期的合同延期(终止)单审批后,自合同申请终止日期起停止带货安装类、代销类的销售及结算,停止经销类的结算。
●注意:此环节无需总部业务参与●供应商撤店审批表通过前,必须经过合同终止申请单来改变合同有效期的结束时间。
8.1.2、业务流程图8.2、撤店8.2.1、原则及关键点●使用系统:OA系统●发起人:分部业务/主管●使用表单:分部供应商撤店审批表●功能:用于供应商撤店流程●注意:此环节无需总部业务参与●供应商撤店审批表通过前,必须经过合同终止申请单来改变合同有效期的结束时间。
8.2.2、业务流程图9、供应商评估流程9.1、原则及关键点●使用系统:SAP系统●事物代码:ME61●发起人:分部业务/主管●功能:用于供应商评估●注意:此环节无需总部业务参与●在进行评估前给定每供应商的评估标准, 为了准确反应供应商的综合质量及得分的整体性,评分的指标设定为价格占25%;交货占25%;品质占25%;服务25%,不同的供应商可以使用不同的评估标准。
●价格指标及交货指标系统自动计算评分,品质及服务得分为依照事先设定的评分标准由相关职能部门给出评定,再经分部IT部门在SAP后台对其进行分数的修改。
9.2、业务流程图二、采购管理1、订单1.1、集采订单1.1.1、全国集采订单推式流程1.1.1.1、原则及关键点●使用系统:SAP系统●事物代码:●发起人:总部业务/主管●功能:根据前期签订的集采协议进行商品采购●关键点:①根据公式确定推式补货系数,在SAP系统自动生成分部采购申请,形成订单上报审批,审批通过后,发送给供应商确认。
②同一供应商同一型号二次下订单时,系统自动检查上次订单供应商是否确认,如未确认,必须先终止上次订单。
1.1.1.2、业务流程图国美电器领航者ERP项目TO-BE业务流程图20.批量生成分30.批量生成订输出订单(Adobe(Adobe订单汇总表50.生成订单汇60.直接修改订10.计算推式补1.1.2、全国集采订单拉式流程1.1.2.1、原则及关键点●使用系统:SAP系统●事物代码:●发起人:总部业务/主管●功能:授权分部自行核算订单数量,由总部审批,使用总部物流采购组织的采购订单类型。
●关键点:同一供应商同一型号二次下订单时,系统自动检查上次订单供应商是否确认,如未确认,必须先终止上次订单。
1.1.2.2、业务流程图国美电器领航者ERP项目TO-BE业务流程图10.批量生成分20.批量生成订单指定存放50.制作本分部60.生成订单并输出订单(Adobe(Adobe订单汇总表70.确认订单并80.直接修改订40.生成订单汇90.直接修改订1.2、地采订单1.2.1、地方采购送货到DC的订单1.2.2、地方采购送货到门店的订单1.3、带货安装订单1.4、采购订单打印流程1.4.1、原则及关键点●使用系统:SAP系统●事务代码:ME29N、ZMMP0024、ZMMF0007●发起人:总部业务/主管●功能:①采购订单通过审批完成后,通过邮件发送给供应商;②供应商确认订单后,通过邮件回传给总部业务/主管;③总部业务/主管收到邮件后,把该订单上传至SAP系统;④订单上传成功后,打印;1.4.2、系统操作流程1操作步骤:○1在菜单栏里输入事务代码ZMMP0024,点击回车进入采购订单打印界面。
操作步骤:○2输入采购订单号、供应商、4勾选需确认数量后点击(此为执行键)执行。
123操作步骤:○3点击执行键后,会出现采购订单的信息界面,选中此条订单信息后点击发送PDF给供应商。
点击发送PDF给供应商后,系统会提示邮件已发送到供应商邮箱,点击后,系统提示邮件发送成功1条,失败0条。
123451 2进行供应商采购回执的流程:1操作步骤:○1在菜单栏里输入事务代码ZMMF0007,点击回车进入供应商回执界面。
操作步骤:○2选择需要导入文件路径,点击执行,把确认的订单上传至SAP。
21操作步骤:○3选中PDF文件清单,点击上传PDF文件。
121 2操作步骤:○5当供应商回执确认订单上传SAP成功后,系统自动更新供应商确认状态为已审核状态。
(事务代码ME29N查看)操作步骤:○6用事务代码ZMMP00242进行采购订单的打印。