6N6A型冷凝泵
- 格式:pdf
- 大小:474.54 KB
- 文档页数:2
GN3/12BNB、NBA、GN、GNL、N型冷凝泵型号/参数:GN3/12B流量:7m3/h 、 1.94L/s扬程:45m转速:2900r/min轴功率:1.86kw配带电动机:3效率:%汽蚀量:46m叶轮直径:0.63mm进出口径:140mm出口口径:mm泵的重量:kgGN3/12B NB、NBA、GN、GNL、N型冷凝泵参考图长沙中联泵业有限公司是一家专业生产GN3/12BNB、NBA、GN、GNL、N型冷凝泵等工业用水泵产品生产和销售的企业,公司自创建以来本着“科技创新、用户至上、追求卓越”的宗旨,不断发展壮大;组建了一支“管理科学化,组织专业化、销售健全化,服务规范化”的高素质队伍,现已发展成为一个集研制、生产、经营和服务为一体的综合企业。
公司已建立了一整套从设计、开发、生产、制造到服务的严格质量保证体系。
公司技术力量十分雄厚,能够自行开发、设计、研制生产各系列水泵产品,并与国内有关大专院校、科研所建立了技术信息使用关系。
公司建立有经省水力机械检测质量管理保证体系,并已通过了ISO9001:2000国际质量保证体系。
公司设有模具车间、铸造车间、大泵机加工车间;中、小泵机加工车间、装配车间、准备车间,具有强大的制造能力。
公司生产制造大型电站循环泵,大型电站冷凝泵、石油化工泵、多级泵、污水泵泥浆泵、自平衡多级泵、单级双吸中开泵、单级单吸离心泵等系列产品。
其中主营产品有多级泵、单级离心泵、不锈钢多级泵、油泵、卧式多级泵、双吸中开泵、自平衡多级泵、化工泵等。
我公司的产品畅销全国各地服务领域,遍及能源、矿山、冶金、石油、化工、建材、轻纺、食品、船舶、城市建设、海洋开发及大型家田排灌、国防建设。
并且在全国各地拥有销售网点,公司总部设立的了完善周到的销售与服务体系,以保证用户的各方面利益。
了解更多关于GN3/12B NB、NBA、GN、GNL、N型冷凝泵信息请咨询长沙中联泵业有限公司!。
产品详细信息
吴恩沛人:
长沙精工特种工业泵厂
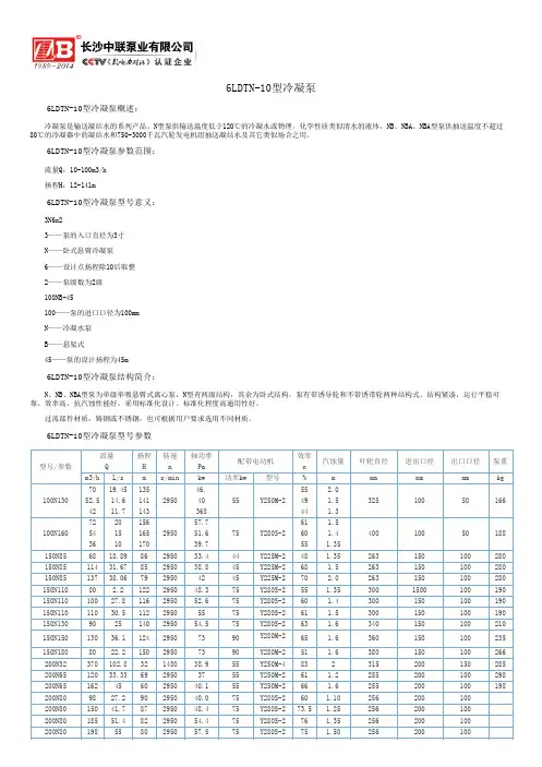
概述
LDTN、LDTNA型凝结水泵适用于输送火(核)电厂凝气器中凝结水。
也可用于NPSH或安装基面限制的化工流程中输送物化性能类似于水的介质。
使用温度不高于80℃。
LDTN、LDTNA型由圆筒体、电机、泵部、电机轴四大件组成,且分件发货,安装时需现场组装调试。
性能范围
流量:85~870m3/h
扬程:48~360m
结构
LDTNA、LDTNB型泵是采用国外先进技术发展的新产品,首级叶轮有单吸、双吸两种形式,轴封为填料密封,泵轴向力由电动机承受。
LDTN(A、B)-P型泵是九十年代后期发展的新产品,结构先进,泵的轴向力由泵自身承受,泵组价格降低,有较强的市场竞争力。
从传动方向看,泵为逆时针方向旋转。
6N6冷凝泵技术要求一、采购范围设备名称:6N6冷凝泵数量:1台品牌:上海凯泉其它:不含电机、底座二、设备技术参数1、流量: 80m3/h2、扬程:52m3、使用电机驱动三、技术条件:1、安装方式:室内安装2、环境及温度等:泵使用温度为≤80℃。
3、寿命要求:泵的整体寿命大于20年4、应符合的标准:泵执行标准4.1 GB10889-91《泵的振动测量方法》C级4.2 GB10890-91《泵的噪音测量方法》C级4.3 GB3214-86 《水泵流量试验方法》4.4 GB9115-88 《法兰》4.5相关国际、部标及企业标准四、水泵技术要求1、水泵要求采用卧式凝结水泵,结构紧凑,有良好的稳定性,运行噪音低,适合长期连续运行。
2、便于安装,维修方便,维修量小。
3、泵壳内表面及叶轮表面光滑,过流部件采用耐汽蚀的材料,叶轮采用合金材料或磷青铜等,具有显著的抗气蚀性能和高效率。
4、轴承采用稀油润滑,应保证运行平稳,噪音低,使用寿命长。
5、轴封采用填料密封加水封。
五、其它要求1、泵的正常工作点应接近其最高效率点。
2、泵的有效噪音应不大于85分贝(1米距离)。
3、泵至少应具有三年及三年以上相似操作条件下的运行经验。
4、泵的维修周期至少保证三年。
5、提供泵运行经济分析和能耗计算。
6、壳体6.1泵壳体的厚度应能满足泵设计和试验条件的要求。
6.2泵壳体的设计压力应不低于最大吸入压力加上最大压差。
应考虑最低/最高设计温度。
7、接管和连接壳体7.1泵的进出口带法兰的接管应安装在泵的壳体上。
7.2法兰用螺栓连接。
8、轴承和轴承箱8.1推力轴承应能承受全部轴向力。
8.2轴承箱内应能保.持充满油且能阻止外界材料进入。
8.3对静压油润滑轴承应提供接头、柱塞和排净孔。
8.4轴承箱应装配永久的液位视镜以保持油量及时监视。
9、试验和检验应按照GB3316-89在制造厂做下列试验和检验。
试验和检验记录应提供给用户。
●材料试验。
●射线探伤。
长沙自平衡多级泵厂家宏力水泵整理 6N6冷凝泵概述:
6N6型泵,系单级单吸悬臂式离心冷凝泵。
适用于电厂,用来抽送冷凝器中的凝结水和750~3000kw汽轮发电机组抽送凝结水或物理、化学性质类似于水的其他液体之用。
液体温度不超过80℃。
泵进口压力不高于0.6MPa。
6N6冷凝泵参数范围:
流量Q 90m³/h
扬程H 66m
6N6冷凝泵结构型式:
6N6冷凝泵为卧式,采用滚动轴承,润滑脂润滑,轴封为填料密封,也可用机械密封。
6N6冷凝泵旋转方向:
从电机端看,泵为逆时针方向旋转
6N6冷凝泵主要零件材质:
泵的体过流部件泵体、泵盖、密封环、轴套的材质为铸铁,6N6冷凝泵叶轮为硅黄铜,诱导轮为铝铁青铜。
轴均为优质碳素钢。
6N6冷凝泵成套范围:
成套供应泵、电机、联轴器、止回阀、闸阀。
6N6ANB、NBA、GN、GNL、N型冷凝泵型号/参数:6N6A流量:80m3/h 、 22.2L/s扬程:68m转速:2950r/min轴功率:22.8kw配带电动机:30效率:%汽蚀量:65m叶轮直径:1mm进出口径:225mm出口口径:mm泵的重量:kg6N6A NB、NBA、GN、GNL、N型冷凝泵参考图长沙中联泵业有限公司是一家专业生产6N6ANB、NBA、GN、GNL、N型冷凝泵等工业用水泵产品生产和销售的企业,公司自创建以来本着“科技创新、用户至上、追求卓越”的宗旨,不断发展壮大;组建了一支“管理科学化,组织专业化、销售健全化,服务规范化”的高素质队伍,现已发展成为一个集研制、生产、经营和服务为一体的综合企业。
公司已建立了一整套从设计、开发、生产、制造到服务的严格质量保证体系。
公司技术力量十分雄厚,能够自行开发、设计、研制生产各系列水泵产品,并与国内有关大专院校、科研所建立了技术信息使用关系。
公司建立有经省水力机械检测质量管理保证体系,并已通过了ISO9001:2000国际质量保证体系。
公司设有模具车间、铸造车间、大泵机加工车间;中、小泵机加工车间、装配车间、准备车间,具有强大的制造能力。
公司生产制造大型电站循环泵,大型电站冷凝泵、石油化工泵、多级泵、污水泵泥浆泵、自平衡多级泵、单级双吸中开泵、单级单吸离心泵等系列产品。
其中主营产品有多级泵、单级离心泵、不锈钢多级泵、油泵、卧式多级泵、双吸中开泵、自平衡多级泵、化工泵等。
我公司的产品畅销全国各地服务领域,遍及能源、矿山、冶金、石油、化工、建材、轻纺、食品、船舶、城市建设、海洋开发及大型家田排灌、国防建设。
并且在全国各地拥有销售网点,公司总部设立的了完善周到的销售与服务体系,以保证用户的各方面利益。
了解更多关于6N6A NB、NBA、GN、GNL、N型冷凝泵信息请咨询长沙中联泵业有限公司!。
3N6NB、NBA、GN、GNL、N型冷凝泵型号/参数:3N6流量:16.5m3/h 、 4.8L/s扬程:62m转速:2930r/min轴功率:6.65kw配带电动机:11效率:%汽蚀量:44m叶轮直径:0.75mm进出口径:215mm出口口径:mm泵的重量:kg3N6 NB、NBA、GN、GNL、N型冷凝泵参考图长沙中联泵业有限公司是一家专业生产3N6NB、NBA、GN、GNL、N型冷凝泵等工业用水泵产品生产和销售的企业,公司自创建以来本着“科技创新、用户至上、追求卓越”的宗旨,不断发展壮大;组建了一支“管理科学化,组织专业化、销售健全化,服务规范化”的高素质队伍,现已发展成为一个集研制、生产、经营和服务为一体的综合企业。
公司已建立了一整套从设计、开发、生产、制造到服务的严格质量保证体系。
公司技术力量十分雄厚,能够自行开发、设计、研制生产各系列水泵产品,并与国内有关大专院校、科研所建立了技术信息使用关系。
公司建立有经省水力机械检测质量管理保证体系,并已通过了ISO9001:2000国际质量保证体系。
公司设有模具车间、铸造车间、大泵机加工车间;中、小泵机加工车间、装配车间、准备车间,具有强大的制造能力。
公司生产制造大型电站循环泵,大型电站冷凝泵、石油化工泵、多级泵、污水泵泥浆泵、自平衡多级泵、单级双吸中开泵、单级单吸离心泵等系列产品。
其中主营产品有多级泵、单级离心泵、不锈钢多级泵、油泵、卧式多级泵、双吸中开泵、自平衡多级泵、化工泵等。
我公司的产品畅销全国各地服务领域,遍及能源、矿山、冶金、石油、化工、建材、轻纺、食品、船舶、城市建设、海洋开发及大型家田排灌、国防建设。
并且在全国各地拥有销售网点,公司总部设立的了完善周到的销售与服务体系,以保证用户的各方面利益。
了解更多关于3N6 NB、NBA、GN、GNL、N型冷凝泵信息请咨询长沙中联泵业有限公司!。
A型冷凝水泵型号
A型冷凝水泵型号凝结水泵型号参数说明
A型立式冷凝水泵主要部件
A型泵的主要构成零、部件:
①泵本体承受本身轴向力
构成:外筒体、吐出弯管(减压管、平衡管)、电机支座、柱销联轴器部件、推力轴承部件、轴(上)、套筒联轴器部件、轴(下)、轴端锁紧螺母、轴承轴套(下)、首级叶轮、间隔套、轴套、次级叶轮、挡套、轴承轴套c、轴承轴套(上)、填料(机封)轴套、轴套螺母、填料(机封)函体、回水管路部件(填料无)、导轴承(上)、减压套、压水接管a,b、导轴承d、吐出段、导轴承c、中段、末级导叶、密封环、导叶、导叶套、盖板、护套、穿杆、泵体、间隔套、首级导叶、吸入喇叭口。
注:吐出弯管上平衡管、减压管的作用:
①.平衡管(排气管):与冷凝器顶部连通,使外筒体与冷凝器之间的气压达到平衡,泵有更稳定的进水条件。
②.减压管:又称减压回水管,使导轴承(上)有更好的润滑条件,同时润滑冷却水得到回收。
③.机封用回水管路部件:使机封有较好的冷却条件。
②电机承受泵组推力
构成:外筒体、吐出弯管(减压管、平衡管)、电机支座、联轴器部件、轴(上)、套筒联轴器部件、轴(下)、轴端锁紧螺母、轴承轴套(下)、首级叶轮、间隔套、轴套、次级叶轮、挡套、轴承轴套c、轴承轴套(上)、填料(机封)轴套、轴套螺母、填料(机封)函体、回水管路部件(填料无)、导轴承(上)、减压套、压水接管a,b、导轴承d、吐出段、导轴承c、中段、末级导叶、密封环、导叶、导叶套、盖板、护套、穿杆、泵体、间隔套、首级导叶、吸入喇叭口。
低温泵(冷凝泵)结构及原理(一)引言概述:低温泵(冷凝泵)是一种常见的工业设备,用于输送低温液体,其结构和原理是实现其功能的关键。
本文将介绍低温泵(冷凝泵)的结构及原理,分为五个大点进行阐述。
一、泵体结构1. 泵体外壳:采用高强度材料制成,具有很好的耐低温性能。
2. 泵体进出口口径:根据泵的输送能力和工作条件确定,通常采用标准接口。
3. 密封装置:确保低温泵能够在工作过程中有效地密封。
二、叶轮结构1. 叶轮类型:根据泵的工作条件选择合适的叶轮类型,如离心式、轴流式或混流式。
2. 叶轮材料:考虑介质特性和工作温度,选择适合的叶轮材料,如不锈钢、铝合金等。
3. 叶轮叶片排列方式:根据流体特性和泵的设计要求,确定叶轮叶片的排列方式。
三、轴和轴承1. 轴的选择:考虑泵的输送能力和工作条件,选择足够强度和刚度的轴材料。
2. 轴承类型:根据泵的工作负荷和转速要求,选择合适的轴承类型,如滚动轴承或滑动轴承。
3. 轴承润滑方式:根据泵的运行环境和使用要求,确定合适的轴承润滑方式,如油润滑或脂润滑。
四、驱动装置1. 驱动方式:根据泵的工作条件和实际需求,选择合适的驱动方式,如电机驱动或涡轮驱动。
2. 驱动装置选型:考虑泵的负荷特性和工作要求,选择适合的驱动装置,如电机选型或涡轮选型。
3. 驱动装置安装位置:根据泵的结构和工作场所的限制,确定驱动装置的安装位置和布局方式。
五、工作原理1. 压力产生:低温泵通过叶轮的旋转运动,产生离心力和压力差,使液体被吸入并输送出去。
2. 流体传导:液体在泵体内部流动,通过叶轮和泵体内部的管道进行传导。
3. 冷凝效果:低温泵在输送过程中,通过冷凝装置对液体进行冷凝处理。
总结:低温泵(冷凝泵)的结构及原理对其性能和工作效果具有重要影响。
泵体结构、叶轮结构、轴和轴承、驱动装置以及工作原理等方面的设计和选择,都需充分考虑泵的工作条件和要求,确保低温泵能够稳定、高效地实现液体的输送和冷凝处理。
氨冷凝器选型手册
氨冷凝器是一种用于氨制冷系统的冷凝器,通常用于空调、制冷机等设备中。
以下是氨冷凝器的一些选型指南:
1. 确定冷凝器的尺寸:冷凝器的尺寸应根据制冷系统的规模来确定。
一般来说,冷凝器的尺寸应大于制冷系统的冷凝量,以确保足够的冷却效果。
2. 确定冷凝器的冷却方式:冷凝器的冷却方式通常分为空气冷却和水冷却两种。
空气冷却适用于小型冷凝器,水冷却适用于大型冷凝器。
3. 确定冷凝器的传热方式:冷凝器的传热方式通常分为表面式和内部式两种。
表面式冷凝器通常用于小型制冷系统,内部式冷凝器通常用于大型制冷系统。
4. 确定冷凝器的材料:冷凝器的材料应根据制冷系统的运行条件来确定。
一般来说,冷凝器的材料应具有耐腐蚀、耐高温、耐高压等特点。
5. 确定冷凝器的冷却剂:冷凝器的冷却剂通常分为水和水蒸汽两种。
水冷却适用于氨制冷系统,水蒸汽冷却适用于氟利昂制冷系统。
6. 确定冷凝器的选型:冷凝器的选型应根据制冷系统的规模和运行条件来确定。
一般来说,冷凝器的型号应等于或大于制冷系统的冷凝量。
以上是氨冷凝器的一些选型指南,如果需要更具体的选型手册,请咨询相关的制冷设备供应商或专业技术人员。
GN3/12ANB、NBA、GN、GNL、N型冷凝泵型号/参数:GN3/12A流量:5m3/h 、 1.39L/s扬程:46m转速:2900r/min轴功率:1.65kw配带电动机:2.2效率:%汽蚀量:38m叶轮直径:0.6mm进出口径:140mm出口口径:mm泵的重量:kgGN3/12A NB、NBA、GN、GNL、N型冷凝泵参考图长沙中联泵业有限公司是一家专业生产GN3/12ANB、NBA、GN、GNL、N型冷凝泵等工业用水泵产品生产和销售的企业,公司自创建以来本着“科技创新、用户至上、追求卓越”的宗旨,不断发展壮大;组建了一支“管理科学化,组织专业化、销售健全化,服务规范化”的高素质队伍,现已发展成为一个集研制、生产、经营和服务为一体的综合企业。
公司已建立了一整套从设计、开发、生产、制造到服务的严格质量保证体系。
公司技术力量十分雄厚,能够自行开发、设计、研制生产各系列水泵产品,并与国内有关大专院校、科研所建立了技术信息使用关系。
公司建立有经省水力机械检测质量管理保证体系,并已通过了ISO9001:2000国际质量保证体系。
公司设有模具车间、铸造车间、大泵机加工车间;中、小泵机加工车间、装配车间、准备车间,具有强大的制造能力。
公司生产制造大型电站循环泵,大型电站冷凝泵、石油化工泵、多级泵、污水泵泥浆泵、自平衡多级泵、单级双吸中开泵、单级单吸离心泵等系列产品。
其中主营产品有多级泵、单级离心泵、不锈钢多级泵、油泵、卧式多级泵、双吸中开泵、自平衡多级泵、化工泵等。
我公司的产品畅销全国各地服务领域,遍及能源、矿山、冶金、石油、化工、建材、轻纺、食品、船舶、城市建设、海洋开发及大型家田排灌、国防建设。
并且在全国各地拥有销售网点,公司总部设立的了完善周到的销售与服务体系,以保证用户的各方面利益。
了解更多关于GN3/12A NB、NBA、GN、GNL、N型冷凝泵信息请咨询长沙中联泵业有限公司!。
冷凝泵的用途冷凝泵是一种常见的工业设备,用于将气体或蒸汽冷凝为液体,以便进行后续处理或回收利用。
它在多个领域中发挥着重要的作用,下面将分别介绍其在制冷、空调、化工和电力行业中的应用。
1. 制冷行业中的应用在制冷系统中,冷凝泵通过将高温高压的气体冷却、压缩和冷凝,将其转化为液体形式。
这样可以方便进行储存和运输,并减少系统中的运行压力。
冷凝泵通常与蒸发器、压缩机等组件配合使用,构成完整的制冷循环系统。
2. 空调行业中的应用冷凝泵也是空调系统中的重要组成部分。
当空调系统中的蒸发器吸收热量后,冷凝泵将热气体冷却并压缩,使其转化为液体。
这样,空调系统能够通过循环运作,将热量从室内排出,从而实现降温效果。
冷凝泵在空调系统中的运行稳定性和效率对整个系统的性能起到至关重要的作用。
3. 化工行业中的应用在化工生产过程中,冷凝泵广泛应用于各种蒸汽回收、液化和冷却的工艺。
例如,在石油炼制过程中,冷凝泵用于将石油蒸汽冷凝成液体,以便进行下一步的分离和提取。
在化学反应中,冷凝泵也可用于将反应产生的蒸汽冷凝为液体,以便进行后续的处理和分离。
4. 电力行业中的应用在电力发电过程中,冷凝泵被广泛应用于蒸汽动力系统中。
在燃煤、燃气或核能发电厂中,冷凝泵用于将蒸汽冷凝为水,以便在锅炉中重新加热并循环使用。
这样可以提高发电效率,减少能源浪费。
冷凝泵在电力行业中的应用对于提高发电效率和保护环境具有重要意义。
冷凝泵在制冷、空调、化工和电力行业中的应用非常广泛。
它通过将气体冷凝为液体,方便储存、运输和后续处理。
冷凝泵的运行稳定性和效率对于各个行业的生产和能源利用起着重要作用。
随着技术的不断发展,冷凝泵的性能和效率也在不断提高,为工业生产和能源节约做出了重要贡献。
4N6冷凝泵
4N6的冷凝泵
4N6的冷凝泵概述:
4N6冷凝泵是一种输送蒸汽凝结水的泵,它外形和内部结构和3N6冷凝泵是一样的,只是尺寸跟配用功率大点,都属于单级单吸离心泵。
4N6冷凝泵的过流部件材质采用优质铸铁,也可根据用户需要采用铸钢或不锈钢,叶轮都是铜的。
4N6冷凝泵 系单级单吸悬臂式离心冷凝泵,主要用于火力发电厂,生物发电厂,以及各种大型能源,化工,钢铁企业的自备发电厂,用来抽送蒸汽凝结水和物理、化学性质类似于水的其他液体之用。
液体温度不超过80℃,泵进口压力不高于0.6MPa,泵通过弹性联铀器由电动机驱动。
N型冷凝泵主要由悬架、泵体、泵盖、叶轮、泵轴等部件组成。
轴封采用软填料密封。
旋转方向:从传动方向看,泵为逆时针方向旋转,本泵有较好的吸入性能。
4N6的冷凝泵型号意义
4——吸入管直径以25除。
N——卧式悬臂冷凝水泵。
6——设计单级扬程被10除后取整数,即单级扬程为60米左右。
2——级数,表示该泵有两级。
A——叶轮经过切割,外径减小。
4N6的冷凝泵参数范围:
配用功率22千瓦,转速2950转/分钟,流量40立方米,扬程64米。
冷凝泵结构特点及用途是利用低温表面冷凝气体的真空泵,又称冷凝泵。
冷凝泵是获得清洁真空的极限压力最低、抽气速率最大的真空泵。
接下来就介绍下冷凝泵结构特点及用途是什么?一、冷凝泵结构特点冷凝泵有卧式、单级或多级、悬臂式及带诱导轮等多种结构形式。
主要由泵体、泵盖、叶轮、轴、轴套和支承部分构成。
3N6、4N6、4N6A及100N130型泵为卧式悬臂单级冷凝泵;×2、3N6×2、4N6×2型泵为卧式悬臂两级冷凝泵;6N6及150N110是卧式悬臂带诱导轮单级冷凝泵。
轴承采用悬臂式托架装有两个滚动向心球轴承支承。
可承受未被平衡的轴向力,采用稀油润滑。
二、冷凝泵用途冷凝泵是输送凝结水的系列产品。
冷凝泵供输送温度低于120℃的冷凝水或物理,化学性质类似清水的液体,冷凝泵供抽送温度不超过80℃的冷凝器中的凝结水和750-3000千瓦汽轮发电机组抽送凝结水及其它类似场合之用。
冷凝泵是利用低温表面冷凝气体的,又称冷凝泵。
冷凝泵是获得清洁真空的极限压力最低、抽气速率最大的真空泵,广泛应用于半导体和集成电路的研究和生产,以及分子束研究、真空镀膜设备、真空表面分析仪器、离子注入机和空间模拟装置等方面。
因其洁净无污染、效率高、抽速大、高可靠性等突出优势,被广泛的应用于科学研究实验室、乃至工业生产等众多领域,如半导体材料制作、生产/测试设备、太阳能制造业、、热真空系统等。
冷凝泵适用介质:清水冷凝泵适用介质温度:0℃至120℃冷凝泵使用范围100N130和150N110型可输送120℃以内的液体,但其他泵输送液温不能超过80℃。
冷凝泵流量范围:12-120m3/h冷凝泵扬程范围:38-135 m冷凝泵型号说明:3N6X2和4N6A的含义3、4-吸入管直径(in);N--卧式悬臂冷凝水泵;6--设计单级扬程被10除后取整数,即单级扬程为60米左右;2--级数,表示该泵有两级;A--叶轮经过切割(外径减小)。
书山有路勤为径,学海无涯苦作舟
冷凝泵的内部构造特点
由于低温冷凝泵具有无油, 对所有气体的抽速都较大, 特别是对水蒸汽、H2 等抽速很大, 适应性强, 制冷机低速运行, 且运动部件很少, 有利于长期可靠运行等优点, 因而, 被广泛应用于
现以CT
冷凝泵的内部构造见图1 所示。
1、导流板
材料: 无氧铜; 温度:80K(一级冷头温度); 结构:人字纹形,百叶窗形。
主要用来凝缩排除水蒸气(H2O)、有机物(CO2) 等的气体分子, 并用来防止热辐射直接进入辐射罩。
通常, 在80K 温度下,入射水分子的温度即使在室温, 凝缩系数也接近于1。
因此, 水分子几乎全部被凝缩, 因此, 冷凝泵对水的排除是最理想的。
2、辐射罩
材料: 无氧铜; 温度:80K。
辐射罩包裹着冷头,是为了阻挡外来的热辐射。
外侧为了反射热辐射, 实施了反射率很高的镍喷涂; 内侧为了阻挡热辐射反射到冷板, 实施了能吸收辐射能的黑化处理涂层。
3、冷板
材料: 无氧铜; 温度: 15K(二级冷头温度) ;结构: 9 片柱形, 5 片锥形。
冷板从功能上分为外表面冷凝排除气体部分和内表面活性炭吸附排除气体部分。
O2、N2、Ar 等凝缩性气体分子的绝大部分被挡在冷板外表面,并在其表面凝缩,而到达其内表面活性炭的气体分子则极少。
H2 分子在冷板外表面不被凝缩而被反射, 从而,被位与其内表面的活性炭所吸附。