B640Ⅲ-6型立式筒袋式冷凝泵解析
- 格式:doc
- 大小:465.00 KB
- 文档页数:17
B型冷凝泵的型号及结构组成B型冷凝泵的型号及结构组成B型立式冷凝水泵零部件及结构B型泵结构及主要零部件:①泵本体承受本身轴向力(图3.3—3)构成:外筒体、安装座、吐出弯管(减压管、平衡管)、电机支座、柱销联轴器部件、推力轴承部件、轴(上)、套筒联轴器部件、轴(下)、轴端锁紧螺母、轴承轴套(下)、首级叶轮、间隔套、轴套、次级叶轮、挡套、轴承轴套c、轴承轴套(上)、填料(机封)轴套、(轴套a、护套a)(机封用)、轴套螺母、填料(机封)函体、回水管路部件(填料无)、导轴承(上)、减压套、压水接管、导轴承d、吐出段、导轴承c、中段、末级导叶、(首、次)密封环、导叶、导叶套、盖板、护套、穿杆、泵体、间隔套、吸入喇叭口。
②电机承受泵组轴向力(图3.3—4)构成:外筒体、安装座、吐出弯管(减压管、平衡管)、联轴器部件、轴(上)、套筒联轴器部件、轴(下)、轴端锁紧螺母、轴承轴套(下)、首级叶轮、间隔套、轴套、次级叶轮、挡套、轴承轴套c、轴承轴套(上)、填料(机封)轴套、(轴套a、护套a)(机封用)、轴套螺母、填料(机封)函体、回水管路部件(填料无)、导轴承(上)、减压套、压水接管、导轴承d、吐出段、导轴承c、中段、末级导叶、(首、次)密封环、导叶、导叶套、盖板、护套、穿杆、泵体、间隔套、吸入喇叭口。
泵主要零、部件材料:1. 外壳部件:①.吐出弯管Q235—A②.电机支座Q235—A或HT250③.外筒体Q235—A或16Mn④.安装座HT200或HT2502. 内壳部件:①.压水接管、盖板Q235—A②.吐出段、中段QT450—10或QT500—7③.首级导叶、导叶、末级导叶、泵体、吸入喇叭口、填料(机封)函体、填料(机封)压盖HT250④.穿杆35CrMo⑤.导叶套、护套、密封环:ZCuSn10Zn2或HT250⑥.减压套3Cr13⑦.导轴承ZCuPb10Sn10或ZG1Cr18Ni9+赛龙或GFZ—1(高分子聚合物)3. 转子部件①. 轴45或40Cr②. 轴承轴套、轴套、挡套、间隔套、填料(机封)轴套2Cr13③. 轴端螺母、轴套螺母1Cr13④. 首级叶轮ZG0Cr18Ni9⑤. 次级叶轮ZG2Cr13⑥. 套筒联轴器部件不锈钢⑦. 泵、电机联轴器HT250⑧. 调整螺母:35或45泵主要零、部件材料:1. 外壳部件:①.吐出弯管Q235—A②.电机支座Q235—A或HT250③.外筒体Q235—A或16Mn④.安装座HT200或HT2502. 内壳部件:①.压水接管、盖板Q235—A②.吐出段、中段QT450—10或QT500—7③.首级导叶、导叶、末级导叶、泵体、吸入喇叭口、填料(机封)函体、填料(机封)压盖HT250④.穿杆35CrMo⑤.导叶套、护套、密封环:ZCuSn10Zn2或HT250⑥.减压套3Cr13⑦.导轴承ZCuPb10Sn10或ZG1Cr18Ni9+赛龙或GFZ—1(高分子聚合物)3. 转子部件①. 轴45或40Cr②. 轴承轴套、轴套、挡套、间隔套、填料(机封)轴套2Cr13③. 轴端螺母、轴套螺母1Cr13④. 首级叶轮ZG0Cr18Ni9⑤. 次级叶轮ZG2Cr13⑥. 套筒联轴器部件不锈钢⑦. 泵、电机联轴器HT250⑧. 调整螺母:35或45。
立式多级凝结水泵
立式多级凝结泵概述:
立式多级凝结水泵是我公司引进日本日立制作所设计、制造技术发展起来的系列产品,适用大型火力发电厂的凝结水泵,包括有100、125(145)、200、300、600、1000MW汽轮发电机组用的各种规格。
也可用作抽送物理、化学性质类似于清水的其它液体的高吸程用泵,液体的温度不超过80℃。
立式多级凝结泵参数范围:
流量Q 170~2400m3/s
扬程H 69~346m
立式多级凝结泵型号说明:
B640(Ⅰ、Ⅱ、Ⅲ)-5
B-初段双吸螺旋形(第二段为单吸)导叶式离心冷凝泵
640-泵导叶名义直径mm;
I-泵轴向密封采用机械密封;
Ⅱ-泵本体承受轴向推力;
Ⅲ-泵本体承受轴向推力、泵轴向密封采用机械密封;
5-泵的级数
立式多级凝结泵结构型式:
凝结水泵为立式外简形,有三种结构形式;
(1)A型-初段双吸导叶式多级离心冷凝泵
(2)B型-初段双吸螺旋形导叶式多级离心冷凝泵
(3)C型-初段双吸螺旋形斜流式多级冷凝泵
泵机组安装形式为直联安装,轴向力由电动机承受,也可由泵本体承受。
泵轴向密封为填料密封,也可以采用机械密封。
立式多级凝结泵旋转方向:
从电动机往泵看,泵逆时针方向旋转
长沙三昌水泵厂立式多级凝结泵主要零件材质:
外简体:Q235-A/不锈钢
叶轮:不锈钢。
密封环:ZG2Cr13。
轴:45钢
壳体:QT450-10
立式多级凝结泵成套范围:
成套供应泵,立式电动机。
29
30
31。
34种泵内部结构引言:泵是输送液体或使液体增压的机械,也是化工厂最常见的一种化工设备。
只有透彻了解每种泵的内部构造及主要性能才能在面对泵的选型时做出更好的判断。
1、S型单级双吸中开泵S型单级双吸水平中开式离心泵吸入口和排出口均在泵轴心线下方,检修时,只要将泵盖揭开,即可将全部零件拆下进行维修。
S型泵主要由泵体、泵盖、轴、叶轮、密封环、轴套、轴承部件等组成。
主要用于输送不含固体颗粒的清水或物理化学性质类似水的其它液体。
适用于工业和城市给排水、农田排灌。
产品特点:密封系统:可供选用的机械密封、填料密封其冷却润滑均采用内循环;流量大、效率高:双吸叶轮,具有流量大、效率高等特点;可更换的轴套:轴套作为易损件,起到保护轴,提高泵的使用寿命;密封环:密封环作为易损件,起到提高泵的效率、延长泵的使用寿命的特点。
工作条件:流量范围:30~6500m3/h扬程范围H:8~140m介质温度:-20℃~+80℃环境温度:≤+40℃2、AS撕裂式排污泵AS潜水式排污泵主要部件由叶轮、泵体、底座、潜水电机组成。
水泵轴和电机轴是同一根轴,由于水泵位于整个排污泵最下端,它能最大限度抽吸地面积余污水。
AS潜水式排污泵具有带撕裂的结构,能够将纤维等物质撕裂、切断,然后顺利排放,因此,本型泵特别适合于输送含有长纤维的污水。
产品特点:电缆耐用、防水:耐污重型橡套软电缆,树脂灌注,压紧固定,绝无拉松,长久可靠。
双重密封、双重防护:两重机封串联配置,真正实现双重保护,确保电机安全。
多道检测,多道保护:配控制柜、油水探头、浮子开关、均能实时检测,并能实现报警、停机、保留故障信号等功能,使潜水电机安全可靠。
维修方便:可采用双导轨的耦合装置,使泵起降时无需水下操作,维护便捷,省时省工;专用电控柜实现自动报警、停机、保留故障信号的功能,可大幅度提高维修效率。
全工况运行:采用特殊水力设计泵在全工况下运行不过载。
工作条件:流量范围:6~180m3/h扬程范围:3~17m转速n:1450~2900r/min环境温度T:≤+40℃介质温度:-15℃~+60℃介质密度:≤1.3X103kg/m3介质PH值范围:5~9系统最高工作压力:≤0.6Mpa3、GDL立式多级泵GDL系立式单吸多级管道式离心泵吸入,排出口分别位于同一直线上,产品执行JB/T2727-93《立式多级筒型离心泵型式与基本参数》标准4、IHG立式化工泵IHG立式管道式化工泵广泛适用于石油、化工、纺织印染、制药、食品、冶金、电站等输送腐蚀性介质及有特殊要求的介质,产品执行GB5656-1994《离心泵技术条件(II)类》标准。
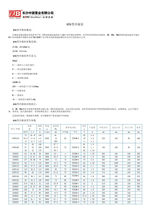
冷凝泵(2012-11-13)
1.凝结水,和普通水的区别:
凝结水压力低容易汽化
2.立式冷凝泵轴向力是向下的,卧式泵轴向力是与泵进口水平方向相反
3.冷凝泵有带诱导轮:
GNL3-A/B:有一级叶轮和二级叶轮,材质都是铁的。
100NB45和100NB60,只有一个叶轮,材质是铁的
2.5N3*2,3N6*2,4N6*2:一级叶轮是铜的,二级叶轮是铁的。
3N6,4N6,100N130:只有一个叶轮,是铜的。
6N6,150N110,有一个叶轮和一个诱导轮。
4.冷凝泵诱导轮的作用有两点:
1.对进入首级叶轮前的液体加压;
2.增加首级叶轮抗汽蚀性
注:红色字体是有疑问的,只做参考
GNL3-A/B:有一级叶轮和二级叶轮,材质都是铁的。
100NB45和100NB60,只有一个叶轮,材质是铁的
2.5N3*2,3N6*2,4N6*2:一级叶轮是铜的,二级叶轮是铁的。
3N6,4N6,100N130:只有一个叶轮,是铜的。
6N6,150N110,有一个叶轮和一个诱导轮。
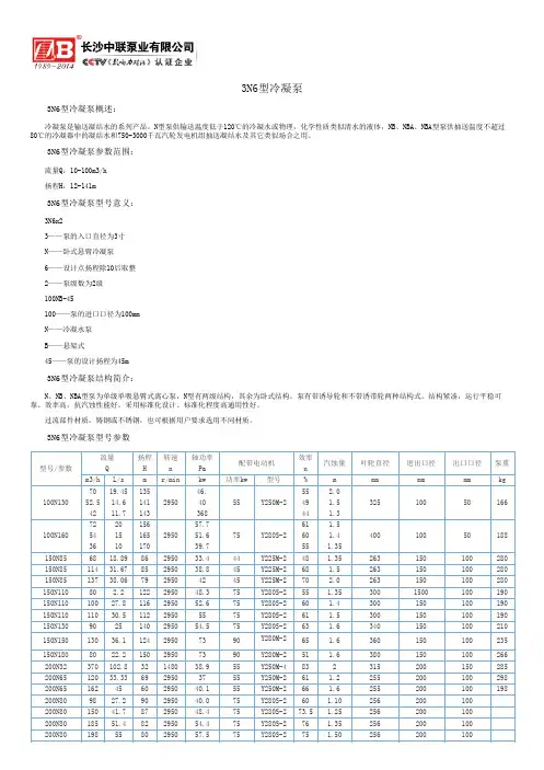
3N6冷凝泵
3N6冷凝泵
3N6冷凝泵概述:
3N6冷凝泵是一款专门用于输送蒸汽冷凝水的离心泵,冷凝水一般温度都比较高,最高可达100度以上,当冷凝泵抽水时冷凝水容易汽化产生汽蚀,所以冷凝泵一般都采用铜叶轮,由于铜比铁密度大,所以大大加强了冷凝泵的抗汽蚀性。
由于以上等特点,3N6冷凝泵特别适用于电厂,用来抽送冷凝器中的凝结水和750~3000kw汽轮发电机组抽送凝结水或物理、化学性质类似于水的其他温度较高液体之用。
3N6冷凝泵型号说明:
3-泵进口口径3寸
N-冷凝水泵
6-杨程数除以10
2-2个叶轮
3N6冷凝泵参数范围:
流量Q:16.5~30m3/h
扬程H:62~58m
转速:2950r/min
电机功率:11kw
进口直径:80mm
出口直径:80mm
3N6冷凝泵结构型式:
3N6冷凝泵是悬臂式卧式泵,采用滚动轴承,润滑脂润滑,轴封为填料密封,也可用机械密封。
从电机端看,泵为逆时针方向旋转。
3N6冷凝泵主要零件材质:
冷凝泵的体过流部件泵体、泵盖、密封环、轴套的材质为铸铁,N型冷凝泵叶轮为硅黄铜,诱导轮为铝铁青铜。
轴均为优质碳素钢。
3N6冷凝泵供货范围:
成套供应:泵头、电机、底座、联轴器、地脚螺栓、防护罩;根据用户要求可以供应进出
口法用户在订货的时候需另加说明。
立式离心泵型号定义及性能图谱上海阳光泵业作为国内一家著名的集研制、开发、生产、销售、服务于一体的大型多元化企业,上海阳光泵业制造有限公司一直坚持“以质量求生存、以品质求发展”的宗旨为广大客户提供优质服务!同时,上海阳光泵业一直专注于自身实力的提升以及对产品质量的严格把关,为此,目前不但拥有国内最高水准的水泵性能测试中心、完善的一体化服务体系、经验丰富的水泵专家,同时经过多年的发展,产品以优越的性能、精良的品质、良好的服务口碑获得各项专业认证证书和客户认可。
经过团队的不懈努力,上海阳光泵业在国内水泵行业已经取得了很大成就。
这样一家诚信为本、责任重于天的水泵行业佼佼者,对于水泵的维修、保养等各大方面都有自己独特的方法,下面就一起来看看吧!、CDLF系列轻型不锈钢立式离心泵产品概述:CDLF系列轻型不锈钢立式多级离心泵(以下简称泵)是吸取了国内外先进技术而设计制造的非自吸立式多级离心泵,采用标准立式电机和快装式机械密封,更换非常方便。
泵的过流部分均采用不锈钢(304\316)材料制成,可适用于轻度腐蚀性介质。
该管道离心泵可替代国外CR、CRN等同类产品。
产品投放市场后,以其高效节能、质量可靠、使用范围广等特点,深受广大用户的喜爱。
二、CDLF系列轻型不锈钢立式离心泵产品特征:1、采用优良的水力模型和先进的制造工艺,大大提高泵的性能及使用寿命。
2、由于轴封采用材料为硬质合金及氟橡胶的机械密封,可提高泵运行的可靠性及输送介质的温度。
3、泵的过流部分采用不锈钢板冲压焊接而成,使得泵可适用于轻度腐蚀性介质。
4、整体结构紧凑、体积小、重量轻、噪声低、节能效果显著,检修方便。
5、管道离心泵的进水口与出水口位于泵座同一水平线上,可直接用于管路当中。
6、采用标准电机,用户可方便地根据需要配备电机。
7、可根据用户需要配备智能保护器,对泵干转、缺相、过载等进行有效保护。
三、CDLF系列轻型不锈钢立式离心泵输送介质:1、稀薄、清洁、不含固体颗粒或纤维的非易燃易爆介质。
运行与维护Operation And Maintenance电力系统装备Electric Power System Equipment2020年第9期2020 No.91 凝结水泵简介凝结水泵是燃气-蒸汽联合循环电厂汽水系统中主要的辅助设备。
某发电公司安装有两台SGT5-4000F 燃气-蒸汽联合循环发电机组,每台机组配置2台100%容量凝结水泵,其中1台运行,1台备用。
凝结水泵型号为8LDTND-6SI ,流量455t/h ,扬程243m ,转速1490r/min 。
为立式筒袋型多级泵,双层壳体,首级叶轮为双吸,次级叶轮与末级叶轮为通用单吸形式,导流壳为碗型壳。
泵的径向载荷由设置在泵轴多处的水润滑的导轴承承受,轴向力大部分由设置于泵轴上部的平衡鼓平衡,剩余轴向力由推力球轴承承受。
水泵吸入囗可位于基础之下,出囗在基础之上。
轴密封采用串联多弹簧双端面集装式机械密封,结构如图1所示。
机械密封是由两组同向布置的单端面机械密封串联而成,即有两个密封端面,两个密封端面之间形成一个腔室,该腔室进水口与出水口水平呈对称180°布置。
当其中一个密封面损坏泄漏时,另外一个密封面也能单独密封,作用相当于安装了两台机械密封,其中一个损坏另外一个正常,该泵就可以继续运行,起到双保险作用。
1 进水3 进水16345879101819242220112117231514131216 2 出水图1 机械密封结构图2 存在问题分析目前该电厂配备的凝结水泵机械密封密封冷却水系统如图2所示,密封冷却水系统有两路来水。
一路来水为第一级,主要为轴密封,也即机械密封函体,来水取自该凝结水泵出口管道。
为轴密封是通过节流孔板B 降压后经过密封冷却水门C 进下密封腔室,为机械密封下端面所需要的润滑冷却冲洗水和上导轴承润滑冷却冲洗作用。
该路来水进入泵上导轴承润滑冷却冲洗作用后流入到平衡腔室,再由平衡腔室与泵入口相连的平衡管回流到泵的入口。
B640Ⅲ-6型立式筒袋式冷凝泵安装使用说明书湖南湘电长泵长一制泵有限公司目录一、概述二、结构说明三、泵的装配与拆卸四、泵的安装五、起动、运行与停车六、维护和维修七、故障、原因及解决办法八、技术图纸1、概述B640Ⅲ-6型泵为立式筒袋式冷凝泵,适用于火电热力系统中输送凝汽器内的凝结水,也适用于汽蚀余量要求低的装置或安装地面受限制的其它场所输送物理、化学性质类似于清水的介质。
1.1 水泵型号意义示例:B640Ⅲ-6B --初段双吸螺旋形(第二段为单吸)导叶式离心冷凝泵640--泵导叶名义直径Ⅲ--泵本体承受轴向推力,泵轴向密封采用机械密封6--泵级数1.2 性能参数(设计点)流量:120~1700m /h扬程:42~360m转速: 1480r/min介质温度:常温~160\U+21032、结构说明(见结构图)2.1 整体结构水泵为立式双层壳体结构,单基础安装。
叶轮为闭式并同向排列,首级叶轮为双吸型式。
水泵吸入口位于基础之下,出口在基础之上,二者可呈90°、180°等角度布置。
可整体抽出内壳体部分进行维护和检修。
泵的轴向推力和转子重量由水泵本体承受,泵与电机采用弹性联轴器联接。
从电机端看泵为逆时针方向旋转。
2.2 结构组成2.2.1外筒体外筒体是由优质碳素钢板或不锈钢板焊接成的圆形筒体部分,其上设有吸水口。
外筒体为泵的外层压力腔,可将液体稳定地引入吸入喇叭口。
常温泵工作时腔内处于真空状态,高温泵工作时腔内处于正压状态。
2.1.2泵转子泵转子是水泵的核心工作部分,由叶轮、泵轴、键、轴套、挡套等零件组成,首级叶轮为双吸,以提高水泵的抗汽蚀性能。
叶轮:叶轮通过高速旋转将原动机的机械能转换为水的能量。
泵轴:主要传递扭矩,通过弹性联轴器与电机联接。
泵轴与叶轮通过键和分半挡圈联接,键传递扭矩,分半挡圈(或挡套)进行轴向定位。
2.1.3导叶体或导叶导叶体或导叶的作用是将液体的动能转化为压能并以最小的损失将流出叶轮的液体导向下一级叶轮或出水段。
如下:1、为使泵具有良好的汽蚀性能,首级叶轮采用加前置诱导轮和采用抗汽蚀材料。
2、采用轴向导叶:在满足性能要求和保证足够刚度的前提下,减少了泵的横向(径向)尺寸,从而减少了泵组的安装高度。
3、泵的基础以下部分采用抽芯式结构,使泵拆装及检修方便,在泵的进水流道最高点,设有脱气孔。
4、有足够的刚性和强度。
5、泵的轴向推力主要由每级叶轮上的平衡孔、平衡腔平衡,余下的轴向力则由推力瓦平衡。
二|、泵的轴封:本机采用的是填料密封。
三、基本要求:1)泵推力轴承箱内加装的是L-TSA32汽机用油(厂家要求用#20
透平油)。
2)手动盘车,水泵转子转动不小于3转。
3)厂家要求:密封水压0.25---0.4MPa;冷却水压力:0.25—0.4MPa
4) 泵轴承温度:70度报警;80度停泵; 电动机定子绕组温度:130
报警;140 停泵; 电动机上下轴承温度:70 报警;80停泵.
5) 泵启动后出口闸阀关闭情况下,运转时间不得超过2分钟.泵绝
对禁止在最小流量下运行.。
立式管道离心泵型号及特点一、立式管道离心泵产品概述:立式管道离心泵,是本单位科技人员联合国内水泵专家选用优秀水力模型,采用IS型离心泵之性能参数,在一般立式泵的基础上进行巧妙组合设计而成。
同时根据使用温度、介质等不同在型基础上派出适用热水、高温、腐蚀性化工泵、油泵。
该系列产品具有高效节能、噪音低、性能可靠等优点。
二、立式管道离心泵产品特点:1、泵为立式结构,进出口口径相同,且位于同一中心线上,可象阀门一样安装于管路之中,外形紧凑美观,占地面积小,建筑投入低,如加上防护罩则可置于户外使用。
2、叶轮直接安装在电机的加长轴上,轴向尺寸短,结构紧凑,泵与电机轴承配置合理,能有效地平衡泵运转产生的径向和轴向负荷,从而保证了泵的运行平稳,振动小、噪音低。
3、轴封采用机械密封或机械密封组合,采用进口钛合金密封环、中型耐高温机械密封和采用硬质合金材质,耐磨密封,能有效地延长机械密封的使用寿命。
4、安装检修方便,无需拆动管道路系统,只要卸下泵联体座螺母即可抽出全部转子部件。
5、可根据使用要求即流量和扬程的需要采用泵的串、并联运行方式。
6、可根据管路布置的要求采用泵的竖式和横式安装。
三、立式管道离心泵工作条件:1、吸入压力≤1.0MPa,或泵系统最高工作压力≤1.6MPa,即泵吸入口压力+泵扬程≤1.6MPa,泵静压试验压力为2.5MPa,订货时请注明系统工作压力。
泵系统工作压力大于1.6MPa时应在订货时另行提出,以便在制造时泵的过流部分和联接部分采用铸钢材料。
2、环境温度<40℃,相对湿度<95%。
3、所输送介质中固体颗粒体积含量不超过单位体积的0.1%,粒度<0.2mm。
注:如使用介质为带有细小颗粒,请在订货时说明,以便厂家采用耐磨式机械密封。
四、立式管道离心泵型号定义:五、立式管道离心泵使用范围1、型立式管道离心泵,供输送清水及物理化学性质类似于清水的其他液体之用,适用于工业和城市给排水、高层建筑增压送水、园林喷灌、消防增压、远距离输送、暖通制冷循环、浴室等冷暖水循环增压及设备配套,使用温度T<80℃。
34种泵内部结构引言:泵是输送液体或使液体增压的机械,也是化工厂最常见的一种化工设备。
只有透彻了解每种泵的内部构造及主要性能才能在面对泵的选型时做出更好的判断。
1、S型单级双吸中开泵S型单级双吸水平中开式离心泵吸入口和排出口均在泵轴心线下方,检修时,只要将泵盖揭开,即可将全部零件拆下进行维修。
S型泵主要由泵体、泵盖、轴、叶轮、密封环、轴套、轴承部件等组成。
主要用于输送不含固体颗粒的清水或物理化学性质类似水的其它液体。
适用于工业和城市给排水、农田排灌。
产品特点:密封系统:可供选用的机械密封、填料密封其冷却润滑均采用内循环;流量大、效率高:双吸叶轮,具有流量大、效率高等特点;可更换的轴套:轴套作为易损件,起到保护轴,提高泵的使用寿命;密封环:密封环作为易损件,起到提高泵的效率、延长泵的使用寿命的特点。
工作条件:流量范围:30~6500m3/h扬程范围H:8~140m介质温度:-20℃~+80℃环境温度:≤+40℃2、AS撕裂式排污泵AS潜水式排污泵主要部件由叶轮、泵体、底座、潜水电机组成。
水泵轴和电机轴是同一根轴,由于水泵位于整个排污泵最下端,它能最大限度抽吸地面积余污水。
AS潜水式排污泵具有带撕裂的结构,能够将纤维等物质撕裂、切断,然后顺利排放,因此,本型泵特别适合于输送含有长纤维的污水。
产品特点:电缆耐用、防水:耐污重型橡套软电缆,树脂灌注,压紧固定,绝无拉松,长久可靠。
双重密封、双重防护:两重机封串联配置,真正实现双重保护,确保电机安全。
多道检测,多道保护:配控制柜、油水探头、浮子开关、均能实时检测,并能实现报警、停机、保留故障信号等功能,使潜水电机安全可靠。
维修方便:可采用双导轨的耦合装置,使泵起降时无需水下操作,维护便捷,省时省工;专用电控柜实现自动报警、停机、保留故障信号的功能,可大幅度提高维修效率。
全工况运行:采用特殊水力设计泵在全工况下运行不过载。
工作条件:流量范围:6~180m3/h扬程范围:3~17m转速n:1450~2900r/min环境温度T:≤+40℃介质温度:-15℃~+60℃介质密度:≤1.3X103kg/m3介质PH值范围:5~9系统最高工作压力:≤0.6Mpa3、GDL立式多级泵GDL系立式单吸多级管道式离心泵吸入,排出口分别位于同一直线上,产品执行JB/T2727-93《立式多级筒型离心泵型式与基本参数》标准4、IHG立式化工泵IHG立式管道式化工泵广泛适用于石油、化工、纺织印染、制药、食品、冶金、电站等输送腐蚀性介质及有特殊要求的介质,产品执行GB5656-1994《离心泵技术条件(II)类》标准。
B640Ⅲ-6型立式筒袋式冷凝泵安装使用说明书湖南湘电长泵长一制泵有限公司目录一、概述二、结构说明三、泵的装配与拆卸四、泵的安装五、起动、运行与停车六、维护和维修七、故障、原因及解决办法八、技术图纸1、概述B640Ⅲ-6型泵为立式筒袋式冷凝泵,适用于火电热力系统中输送凝汽器内的凝结水,也适用于汽蚀余量要求低的装置或安装地面受限制的其它场所输送物理、化学性质类似于清水的介质。
1.1 水泵型号意义示例:B640Ⅲ-6B --初段双吸螺旋形(第二段为单吸)导叶式离心冷凝泵640--泵导叶名义直径Ⅲ--泵本体承受轴向推力,泵轴向密封采用机械密封6--泵级数1.2 性能参数(设计点)流量:120~1700m /h扬程:42~360m转速: 1480r/min介质温度:常温~160\U+21032、结构说明(见结构图)2.1 整体结构水泵为立式双层壳体结构,单基础安装。
叶轮为闭式并同向排列,首级叶轮为双吸型式。
水泵吸入口位于基础之下,出口在基础之上,二者可呈90°、180°等角度布置。
可整体抽出内壳体部分进行维护和检修。
泵的轴向推力和转子重量由水泵本体承受,泵与电机采用弹性联轴器联接。
从电机端看泵为逆时针方向旋转。
2.2 结构组成2.2.1外筒体外筒体是由优质碳素钢板或不锈钢板焊接成的圆形筒体部分,其上设有吸水口。
外筒体为泵的外层压力腔,可将液体稳定地引入吸入喇叭口。
常温泵工作时腔内处于真空状态,高温泵工作时腔内处于正压状态。
2.1.2泵转子泵转子是水泵的核心工作部分,由叶轮、泵轴、键、轴套、挡套等零件组成,首级叶轮为双吸,以提高水泵的抗汽蚀性能。
叶轮:叶轮通过高速旋转将原动机的机械能转换为水的能量。
泵轴:主要传递扭矩,通过弹性联轴器与电机联接。
泵轴与叶轮通过键和分半挡圈联接,键传递扭矩,分半挡圈(或挡套)进行轴向定位。
2.1.3导叶体或导叶导叶体或导叶的作用是将液体的动能转化为压能并以最小的损失将流出叶轮的液体导向下一级叶轮或出水段。
导叶体间的联接是通过止口定位、螺栓紧固。
导轴承和密封环装在该零件内。
导叶则通过销钉定位于中段内。
2.1.4出水弯管和轴承座出水弯管由直管段、横管段、支撑板等焊接而成,上主轴从该部分中心穿过。
从末级导叶体或出水段流出的液体经过该部分后水平进入泵外压力管道。
出水弯管上设有脱气口,以便将外筒体内的气体排至凝汽器内或泵本体外。
轴承座安装于出水弯管上,其上部安装电机座。
2.1.5平衡鼓与平衡鼓套平衡鼓起平衡轴向力的作用,能平衡大部分的轴向力,可大大提高轴承的使用寿命。
平衡鼓必须与平衡管配套使用。
2.1.6导轴承导轴承起径向支承泵轴的作用,由铜合金或赛龙、天龙制成,润滑液为泵自身输送液。
2.1.7导轴承体导轴承体用于安装导轴承。
2.1.8填料密封部件或机械密封部件水泵如采用填料密封,填料装在填料函体内,需外接密封水。
如采用机械密封,为了装配方便,一般采用集装式结构,需外接冲洗水。
密封水或冲洗水的具体要求见随机合装图。
填料函体或机封函体上设有冷却腔,当输送介质温度大于80\U+2103时需外接冷却水。
具体要求见随机合装图。
A类泵结构图B类泵结构图C类泵结构图有两根泵轴时两轴之间采用套筒联轴器联接,转子与电机之间采用弹性联轴器联接。
3、泵的装配与拆卸泵出厂时随机带有装配图、合装图等资料,拆卸或装配时应仔细阅读随机资料。
3.1 拆卸3.1.1拆卸小配管在拆卸泵本体前,先要拆卸小配管:(1)需拆卸的小配管有平衡管、脱气管、冷却室管、轴封水密封水管或机封冲洗水管、推力轴承部件中的油管;(2)拆卸配管时,在各配管的联接处做好标记,以利于装配;(3)配管拆除后,为防止异物进入,应当用塑料布等封好管口;(4)拆下的紧固件应当妥善保管,以防丢失。
3.1.2拆卸联轴器柱销拆下弹性联轴器部件内的柱销、螺母、垫圈等。
3.1.3拆除电机及电机座(1)确认电源关闭,拆下电源电缆;(2) 拆除电机与电机座的联接螺柱、螺母、垫圈;(3)吊起电机,移至临时存放地点;(4)电机存放处应设置支撑架,保证电机联轴器下端面不接触地面,电机也不致于倾倒;(5)拆除电机座。
3.1.4拆卸泵联轴器(1)拔出泵联轴器;(2)联轴器轴孔涂刷防锈油。
3.1.5拆卸推力轴承部件(1)旋出锁紧螺母内的沉头螺钉后,拆除锁紧螺母;(2)拆除轴承压盖及安装于其内孔中的油封圈;(3)拆除冷却室盖;(4)放出轴承体内腔中的润滑油后,从下方拆除防油桶;(5)拆除深沟球轴承、传动套、推力调心滚子轴承;(6)拆除轴承体。
(1)拆除轴承座;(2)拆除填料压盖、填料及填料环(轴封为填料密封时);(3)拆除集装式机械密封(轴封为机械密封时);(4)拆除填料函体或机封函体;(5)拆除冷却室盖;(6)拆除填料(机封)函体内的导轴承及起防转作用的键。
3.1.7拆卸平衡鼓等(1)拆除上轴套;(2)拆除分半挡圈及平衡鼓;(3)拆除平衡鼓套。
3.1.8泵本体的拆卸(1)拆除出水弯管与外筒体的联接螺母;(2)从外筒体内吊出泵本体(由于外筒体下方设有对泵本体起定位作用的定位螺钉,起吊泵本体时务必垂直、轻缓起吊);(3)外筒体开口部位需设置井盖,以防人或异物掉入井筒内。
3.1.9泵本体的摆放泵本体吊出后运至拆卸场地,进行卧式拆卸。
3.1.10出水弯管和扬水管的拆卸(1)拆去出水弯管和导轴承体、上扬水管的联接螺栓,将出水弯管水平吊出;(2)水平吊出导轴承体和扬水管;(3)拆除安装于导轴承体内的导轴承和防转键;(4)为防止泵轴弯曲,露出泵本体外的轴需用方木支撑。
3.1.11拆卸套筒联轴器部件(1)拆除止推卡环和套筒联轴器本体的联接螺栓,卸去止推卡环;(2)使套筒联轴器本体沿上主轴向外移动直至套筒联轴器本体内的联接卡环完全露出,然后卸去联接卡环;(3)从上主轴上卸下套筒联轴器本体。
3.1.12卸去下扬水管(如有的话)水平吊出下方的导轴承体和下扬水管,拆除导轴承体内的导轴承、挡圈和防转键。
3.1.13内壳体与转子部件的拆卸(1)拆下穿杠联接螺母,卸下穿杠(对于A、B类泵);(2)卸去吸入喇叭口上的联接螺柱,拆除吸入喇叭口及其内孔中的导轴承、挡圈和防转键,卸下密封环;(3)旋下轴端小圆螺母,卸去下轴套和首级叶轮(双吸型式);(4)拆去首级导叶(对于A类泵)(5)对于A、B类泵,卸去盖板,拆下叶轮、导叶、挡套、中段。
对于C类泵,则从另一端拆除末级导叶体、中间轴套、分半挡圈、叶轮;(6)对于A、B类泵,拆下末级导叶、出水段;对于C类泵,则拆除导叶体、中间轴套、分半挡圈、叶轮;(7)上述拆下的零件应放置在平板上,不要损坏或遗失。
3.2装配装配顺序与拆卸顺序相反,但需注意以下几个要点:3.2.1整体(1)O形密封圈、密封垫片,应按随机装配图的要求确定装配部位、数量、规格、材质,并注意密封件表面不得有划伤,安装中更不要遗漏;(2)各动配合部位、键表面、螺栓的螺纹部位应涂润滑剂(如二硫化钼等);(3)注意键及其它细小零件的脱落;(4)装配时防止异物进入泵内,特别是工具等应随时注意清点;(5)轴套上的定位螺钉,应在轴套完全安装到位后方可拧入然后冲铆或点焊;(6)外筒体上的4个定位螺钉已焊牢在外筒体上,不可拆卸。
3.2.2泵基础面水平度的确认外筒体吊入泵坑前,务必确认安装基础面的水平度符合要求。
3.2.3填料的装入(对于填料密封)(1)检查新填料的尺寸是否准确,同时测量填料腔相应的尺寸是否与填料相符。
更换填料时切记不能根据拆下的旧填料去求取填料的尺寸;(2)切取填料时,先将填料小心地缠绕在与上轴套外径尺寸相同的圆棒(管)上。
为了保证能准确地切开填料,可以在填料表面轻轻地划两条平行线,然后将填料切断;(3)填料装入时,按下图所示妥善地将填料沿轴向拉开,而不能沿法向打开填料;(4)填料编织纹路的方向应与轴的旋转方向相匹配,否则可能发生过热现象;侧视俯视(5)填料装填完毕,拧上螺母调整填料压盖,使泄漏水呈连续外泄状态。
3.2.4 O形密封圈的安装(1)O形密封圈的安装形式:冷凝泵系列中的\U+25CB形密封圈属于固定式密封,主要密封形式有以下几种:端平面密封轴向密封角密封(2)O形密封圈的切口当O形密封圈由橡胶条粘结而成时,应注意以下几点:a.橡胶条下料长度要按实际安装部位量得;b.切口应与橡胶条轴线呈45°c.橡胶条表面如有毛刺,应小心地修去。
4、泵的安装安装质量是否良好,会对水泵的运行产生重大影响,务必认真、仔细。
4.1泵的基础(1)泵的基础应牢靠、坚固;(2)外筒体与基础之间采用斜垫铁(用户自备)调整高度,使外筒体的上平面处于水平面上,并用水平仪检查水平度,水平度允差0.05mm/1000mm;(3)外筒体定位后,从底板下方向地脚螺栓孔内灌注水泥砂浆,待水泥砂浆干固后方可拧紧地脚螺栓螺母;(4)水泥砂浆一定要完全填满底板下方的空腔。
4.2管路联接联接管路和阀门时,若联接螺栓拧紧力过大或拧紧不均匀,附加力矩将使水泵本体发生变形并造成内部不良接触,直接影响水泵的正常运行。
因此在阀门、管路安装完毕后,应再次校正机组水平度。
4.3管路内不能残存异物在安装过程中,切忌异物掉入泵内,否则易损坏水泵。
4.4吸入管路的安装吸入管路应尽可能短,管路拐弯处应远离水泵入口法兰。
联接吸入管路和泵入口法兰时必须保证结合面完全密封,防止空气进入泵内。
4.5电机的安装(1)在泵轴和电机轴上分别装上泵联轴器和电机联轴器,将电机吊装在电机座上。
(2)检查两联轴器的对中:将百分表座固定在泵联轴器上检查电机联轴器的跳动,其允差为0.08mm。
检查两联轴器端面间隙差(端面间隙值见下表),其允差为0.10mm。
如果上述测定值超差,可调整电机座上的四个调整座内的调整螺栓、在电机联接法兰和电机座之间垫薄铜片使跳动值符合要求。
(3)联轴器对中性合格后将联接柱销装好,然后用螺栓或螺柱将电机紧固。
4.6转子提升高度水泵的残余轴向推力由泵上部的推力轴承部件内的推力调心滚子轴承承受。
转子提升高度用调节该部件内的锁紧螺母实现。
(1)松开锁紧螺母,使转子部件慢慢自由下落直至其不再下落为止;(2)慢慢拧紧锁紧螺母,使转子上升至不能再上升为止。
测量转子的上升总高度h (一般约10mm);(3)放松锁紧螺母使转子部件下落h/2,然后用沉头螺钉配上弹簧垫圈将锁紧螺母紧固于传动套上。
推力轴承部件五、起动、运行与停车5.1起动前的检查准备(1)清理现场,检查地脚螺栓是否松动;(2)泵入口阀门是否全开;(3)泵内是否充满了液体;(4)打开凝汽器上的排气阀,完全排去泵内气体;(5)泵的出口阀门是否关闭;(6)电机转向是否符合要求;(7)联轴器柱销是否松动;(8)轴承冷却水、轴封冷却水是否开启,填料密封水或机封冲洗水管路是否通畅;(9)电机和其它电器、仪表是否正常;(10)转动泵的转子,应能轻重均匀地转动,无卡死或单边现象。