版报关单价格补充申报单
- 格式:docx
- 大小:22.79 KB
- 文档页数:9
尊敬的海关领导:您好!我司因近期货物进出口业务需要,特此向贵海关申请重新报价。
现将有关情况说明如下:一、基本情况1. 我司全称:(全称)2. 法人代表:(姓名)3. 营业执照编号:(编号)4. 税务登记证编号:(编号)5. 注册地址:(地址)6. 联系人:(姓名)7. 联系电话:(电话)二、申请事项1. 申请重新报价的货物名称:(货物名称)2. 申请重新报价的货物数量:(数量)3. 申请重新报价的货物单价:(单价)4. 申请重新报价的货物总价:(总价)5. 申请重新报价的货物报关单号:(报关单号)6. 申请重新报价的货物进出口日期:(日期)三、申请理由1. 由于市场行情波动,原材料价格上涨,导致货物成本增加,原报价已无法覆盖成本。
2. 汇率波动,影响货物价格,为保证我司合法权益,特申请重新报价。
3. 货物在运输过程中发生意外,导致货物受损,需重新报价以保障我司权益。
4. 其它原因:(请说明)四、相关证明材料1. 货物成本上涨的证明材料,如采购合同、发票等。
2. 汇率波动的证明材料,如银行汇率查询记录等。
3. 货物受损的证明材料,如保险公司赔偿证明等。
4. 其他证明材料:(请说明)五、申请承诺1. 我司承诺提供的信息和证明材料真实有效。
2. 我司承诺重新报价后,按照新的价格执行合同。
3. 我司承诺遵守海关法律法规,合法合规开展进出口业务。
六、申请时间1. 申请日期:(日期)2. 期望审核日期:(日期)敬请贵海关予以审批,我司将积极配合贵海关的工作,确保货物进出口业务的顺利进行。
如有任何疑问,请随时与我司联系人取得联系。
特此申请!申请人:(签名)单位:(盖章)联系电话:(电话)联系地址:(地址)附件:1. 货物成本上涨证明材料2. 汇率波动证明材料3. 货物受损证明材料4. 其他证明材料附件:(请根据实际情况提供相应证明材料)注:本模板仅供参考,具体内容请根据实际情况进行调整。
如有需要,请咨询专业律师或海关相关部门。
中华人民共和国海关进口货物价格申报单海关编号:填报说明一、《价格申报单》应由进口货物的经营单位或其委托的其他单位填写。
经营单位授权其他单位填写时,应提供授权委托书。
每一份《价格申报单》只能填写一项商品。
二、品牌栏应填写进口货物的厂牌、牌名、注册商标等;规格型号栏应根据进口货物的特性,填报其规格、型号、成分、等级以及含量等。
如填写空间不够,应选择能反映进口货物特性的主要项目填写。
三、经营单位与收货单位应与报关单的经营单位与收货单位一致。
四、在成交情况大栏中,单价应按照合同订明的成交币种填报;进口数量应按照合同订明的计量单位填报本次申报进口的实际数量。
合同总价应填报需要价格申报的该项商品的合同总金额;合同总量应填报需要价格申报的该项商品的合同总数量;币制和计量单位应分别按照合同中有关货物实际成交的币种和计量单位填报。
买方对进口货物的处置和使用受到某种限制是指会对进口货物成交价格(实付或应付价格)产生实质性影响的限制,但是由我国法律、行政法规或行政规章规定实施的限制以及对进口货物转售地域的限制除外;买卖双方在成交中存在特殊的安排是指影响到确定进口货物成交价格的安排,例如:进口货物的价格以买方同时购买规定数量的其他货物为条件,或取决于买方向卖方销售其他货物的价格,或买方购买原材料性货物,需以特定数量的制成品作为价款支付形式等等。
以上所称的“买方”均指与卖方谈判达成交易的经营单位或收货单位。
五、买卖双方的关系是指经营单位或收货单位与成交外商的关系。
六、在各种费用负担情况大栏中,佣金是指由买方支付的,作为代理人为贸易的成交所提供的服务的报酬;经纪费是指买方向自己委托的或卖方委托的经纪人支付的报酬;容器和包装费是指与进口货物视为一体,且经常一起销售的容器或包装材料的费用及包装劳务费;特许权使用费是指进口货物所涉及的商标权费、专利费、专有技术费、著作权费等等;由买方提供用于进口货物生产和出口销售的物品或服务的价值或费用是指由买方免费或以低于成本价直接或间接提供,并用于进口货物的生产和出口销售的物品或服务的价值,一般包括以下形式:进口货物中包含的材料、零部件和类似货物;在进口货物生产过程中使用的工具、模具和类似货物;在进口货物的生产过程中消费的材料;在境外完成的为生产进口货物所需的工程、开发、工艺、设计工作以及计划和规划等。
进出口货物报关单申报电子报文格式目录 ............................................................................................................ 错误!未定义书签。
1.报关单报文清单 (3)2.报关单导入请求报文 (4)2.1.结构图 (4)2.2.报文定义 (5)2.3.报关单字段说明 (15)2.3.1.进口/出口报关单表头DecHead (15)2.3.2.进口/出口报关单表体DecList (22)2.3.3.报关单集装箱DecContainer (25)2.3.4.随附单证DecLicenseDocus (25)2.3.5.申请单证信息表DecRequestCert (26)2.3.6.许可证信息表DecGoodsLimit (26)2.3.7.许可证VIN信息DecGoodsLimitVin (27)2.3.8.其他包装信息表DecOtherPack (28)2.3.9.企业资质信息表DecCopLimit (28)2.3.10.使用人信息表DecUser (28)2.3.11.标记号码附件表DecMarkLob (28)2.3.12.报关单自由文本信息DecFreeTxt (28)2.3.13.报关单签名DecSign (29)2.3.14.进口/出口转关单表头TrnHead (31)2.3.15.进口/出口转关单表体(提单) TrnList (32)2.3.16.进口/出口提运单集装箱表TrnContainer (32)2.3.17.进口/出口提运单集装箱商品装配表TrnContaGoodsList (33)2.3.18.补充申报单信息DecSupplement (33)2.3.19.电子随附单据关联关系信息EdocRealation (33)2.3.20.原产地证明项号关联关系 (34)2.3.21.报税单SddTax (34)2.3.22.风险评估信息DecRisk (36)2.4.示例 (36)2.5.报关单数据签名字段顺序 (40)3.报关单导入系统响应报文 (44)3.1.结构图 (44)3.2.字段说明 (44)3.3.示例 (45)4.报关单回执报文 (46)4.1.格式定义 (46)4.2.字段说明 (47)4.3.示例 (49)5.转关单回执报文 (50)5.1.格式定义 (50)5.2.字段说明 (50)5.3.示例 (51)1.报关单报文清单报关申报系统导入服务接口规范,依照系统功能划分共定义了以下XML接口文件:表1:报关单导入服务接口XML文件分类2.报关单导入请求报文2.1. 结构图图1报关单请求报文schema2.2. 报文定义<?xml version="1.0" encoding="UTF-8"?><!--Sample XML file generated by XMLSpy v2013 ()--> <DecMessage xmlns="/dec_3_1"> <DecHead><AgentCode>申报单位代码</AgentCode><AgentName>申报单位名称</AgentName><ApprNo>批准文号</ApprNo><SeqNo>数据中心统一编号</SeqNo><IEFlag>进出口标志</IEFlag><Type>单据类型</Type><BillNo>提单号</BillNo><ContrNo>合同号</ContrNo><CopCode>录入单位代码</CopCode><CopName>录入单位名称</CopName><CustomMaster>申报地海关</CustomMaster><CutMode>征免性质</CutMode><DistinatePort>经停港/指运港</DistinatePort><FeeCurr>运费币制</FeeCurr><FeeMark>运费标记</FeeMark><FeeRate>运费/率</FeeRate><GrossWet>毛重</GrossWet><IEDate>进出口日期</IEDate><IEPort>进出境关别</IEPort><InsurCurr>保险费币制</InsurCurr><InsurMark>保险费标记</InsurMark><InsurRate>保险费/率</InsurRate><LicenseNo>许可证编号</LicenseNo><ManualNo>备案号</ManualNo><NetWt>净重</NetWt><NoteS>备注</NoteS><OtherCurr>杂费币制</OtherCurr><OtherMark>杂费标志</OtherMark><OtherRate>杂费/率</OtherRate><OwnerCode>消费使用单位/生产销售单位代码</OwnerCode><OwnerName>消费使用单位/生产销售单位名称</OwnerName><PackNo>件数</PackNo><TradeCountry>启运国(地区)/运抵国(地区)</TradeCountry><TradeMode>监管方式</TradeMode><TrafMode>运输方式代码</TrafMode><TrafName>运输工具代码及名称</TrafName><TransMode>成交方式</TransMode><WrapType>包装种类</WrapType><EntryId>海关编号</EntryId><PreEntryId>预录入编号</PreEntryId><EdiId>报关标志</EdiId><Risk>风险评估参数</Risk><EntryType>报关单类型</EntryType><PDate>打印日期</PDate><TypistNo>录入员IC卡号</TypistNo><InputerName>录入员名称</InputerName><PartenerID>申报人标识</PartenerID><TgdNo>宁波通关申请单号</TgdNo><DeclTrnRel>报关/转关关系标志</DeclTrnRel><ChkSurety>担保验放标志</ChkSurety><BillType>备案清单类型</BillType><CopCodeScc>录入单位统一编码</CopCodeScc><PromiseItmes>承诺事项</PromiseItmes><TradeAreaCode>贸易国(地区)</TradeAreaCode><MarkNo>标记及号码</MarkNo><DespPortCode>启运港代码</DespPortCode><EntyPortCode>入境口岸/离境口岸</EntyPortCode><GoodsPlace>货物存放地点</GoodsPlace><BLNo>B/L号</BLNo><InspOrgCode>口岸检验检疫机关</InspOrgCode><SpecDeclFlag>特种业务标识</SpecDeclFlag><PurpOrgCode>目的地检验检疫机关</PurpOrgCode><DespDate>启运日期</DespDate><CmplDschrgDt>卸毕日期</CmplDschrgDt><CorrelationReasonFlag>关联理由</CorrelationReasonFlag><VsaOrgCode>领证机关</VsaOrgCode><OrigBoxFlag>原集装箱标识</OrigBoxFlag><DeclareName>报关员姓名</DeclareName><NoOtherPack>无其他包装</NoOtherPack><OrgCode>检验检疫受理机关</OrgCode><OverseasConsignorCode>境外发货人代码</OverseasConsignorCode><OverseasConsignorCname>境外发货人名称</OverseasConsignorCname><OverseasConsignorEname>境外发货人名称(外文)</OverseasConsignorEname><OverseasConsignorAddr>境外发货人地址</OverseasConsignorAddr><OverseasConsigneeCode>境外收货人编码</OverseasConsigneeCode><OverseasConsigneeEname>境外收货人名称(外文)</OverseasConsigneeEname> <DomesticConsigneeEname>境内收货人名称(外文)</DomesticConsigneeEname> <CorrelationNo>关联号码</CorrelationNo></DecHead><DecLists><DecList><ClassMark>归类标志</ClassMark><CodeTS>商品编号</CodeTS><ContrItem>备案序号</ContrItem><DeclPrice>申报单价</DeclPrice><DutyMode>征减免税方式</DutyMode><Factor>申报计量单位与法定单位比例因子</Factor><GModel>商品规格、型号</GModel><GName>商品名称</GName><GNo>商品序号</GNo><OriginCountry>原产国(地区)</OriginCountry><TradeCurr>成交币制</TradeCurr><DeclTotal>申报总价</DeclTotal><GQty>申报数量(成交计量单位)</GQty><FirstQty>第一法定数量</FirstQty><SecondQty>第二法定数量</SecondQty><GUnit>申报计量单位(成交计量单位)</GUnit><FirstUnit>第一计量单位(法定单位)</FirstUnit><SecondUnit>第二计量单位</SecondUnit><UseTo>用途/生产厂家</UseTo><WorkUsd>工缴费</WorkUsd><ExgNo>货号</ExgNo><ExgVersion>版本号</ExgVersion><DestinationCountry>最终目的国(地区)</DestinationCountry> <CiqCode>CIQ代码</CiqCode><DeclGoodsEname>申报货物名称(外文)</DeclGoodsEname><OrigPlaceCode>原产地区代码</OrigPlaceCode><Purpose>用途代码</Purpose><ProdValidDt>产品有效期</ProdValidDt><ProdQgp>产品保质期</ProdQgp><GoodsAttr>货物属性代码</GoodsAttr><Stuff>成份/原料/组份</Stuff><Uncode>UN编码</Uncode><DangName>危险货物名称</DangName><DangPackType>危包类别</DangPackType><DangPackSpec>危包规格</DangPackSpec><EngManEntCnm>境外生产企业名称</EngManEntCnm><NoDangFlag>非危险化学品</NoDangFlag><DestCode>目的地代码</DestCode><GoodsSpec>检验检疫货物规格</GoodsSpec><GoodsModel>货物型号</GoodsModel><GoodsBrand>货物品牌</GoodsBrand><ProduceDate>生产日期</ProduceDate><ProdBatchNo>生产批号</ProdBatchNo><MnufctrRegNo>生产单位注册号</MnufctrRegNo><MnufctrRegName>生产单位名称</MnufctrRegName><DistrictCode>境内目的地/境内货源地</DistrictCode><DecGoodsLimits><DecGoodsLimit><GoodsNo>商品序号</GoodsNo><LicTypeCode>许可证类别代码</LicTypeCode><LicenceNo>许可证编号</LicenceNo><LicWrtofDetailNo>许可证核销明细序号</LicWrtofDetailNo><LicWrtofQty>许可证核销数量</LicWrtofQty><DecGoodsLimitVin><LicenceNo>许可证编号</LicenceNo><LicTypeCode>许可证类别代码</LicTypeCode><VinNo>VIN序号</VinNo><BillLadDate>提/运单日期</BillLadDate><QualityQgp>质量保质期</QualityQgp><MotorNo>发动机号或电机号</MotorNo><VinCode>车辆识别代码(VIN)</VinCode><ChassisNo>底盘(车架)号</ChassisNo><InvoiceNum>发票所列数量</InvoiceNum><ProdCnnm>品名(中文名称)</ProdCnnm><ProdEnnm>品名(英文名称)</ProdEnnm><ModelEn>型号(英文)</ModelEn><PricePerUnit>单价</PricePerUnit></DecGoodsLimitVin></DecGoodsLimit></DecGoodsLimits></DecList></DecLists><DecContainers><Container><ContainerId>集装箱号</ContainerId><ContainerMd>集装箱规格</ContainerMd><GoodsNo>商品项号</GoodsNo><LclFlag>拼箱标识</LclFlag><GoodsContaWt>箱货重量</GoodsContaWt></Container></DecContainers><DecLicenseDocus><LicenseDocu><DocuCode>单证代码</DocuCode><CertCode>单证编号</CertCode></LicenseDocu></DecLicenseDocus><DecRequestCerts><DecRequestCert><AppCertCode>申请单证代码</AppCertCode><ApplOri>申请单证正本数</ApplOri><ApplCopyQuan>申请单证副本数</ApplCopyQuan></DecRequestCert></DecRequestCerts><DecOtherPacks><DecOtherPack><PackQty>包装件数</PackQty><PackType>包装材料种类</PackType></DecOtherPack></DecOtherPacks><DecUsers><DecUser><UseOrgPersonCode>使用单位联系人</UseOrgPersonCode><UseOrgPersonTel>使用单位联系电话</UseOrgPersonTel> </DecUser></DecUsers><DecCopLimits><DecCopLimit><EntQualifNo>企业资质编号</EntQualifNo><EntQualifTypeCode>企业资质类别代码</EntQualifTypeCode> </DecCopLimit></DecCopLimits><EdocRealation><EdocID>文件名、随附单据编号(命名规则是:申报口岸+随附单据类别代码+IM+18位流水号)</EdocID><EdocCode>随附单证类别</EdocCode><EdocFomatType>随附单据格式类型</EdocFomatType><OpNote>操作说明(重传原因)</OpNote><EdocCopId>随附单据文件企业名</EdocCopId><EdocOwnerCode>所属单位海关编号</EdocOwnerCode><SignUnit>签名单位代码</SignUnit><SignTime>签名时间</SignTime><EdocOwnerName>所属单位名称</EdocOwnerName><EdocSize>随附单据文件大小</EdocSize></EdocRealation><EcoRelation><CertType>单据类型</CertType><EcoCertNo>单据证书号</EcoCertNo><DecGNo>报关单商品项号</DecGNo><EcoGNo>原产地证书单证项号</EcoGNo><ExtendFiled>扩展字段</ExtendFiled></EcoRelation><DecMarkLobs><DecMarkLob><AttachName>附件名称</AttachName><AttachType>附件类型</AttachType><Attachment>附件</Attachment></DecMarkLob></DecMarkLobs><DecFreeTxt><RelId>关联报关单号</RelId><RelManNo>关联备案号</RelManNo><BonNo>监管仓号</BonNo><VoyNo>航次号</VoyNo><DecBpNo>报关员联系方式</DecBpNo><CusFie>货场代码</CusFie><DecNo>报关员号</DecNo></DecFreeTxt><DecSign><OperType>操作类型</OperType><ICCode>操作员IC卡号</ICCode><CopCode>操作企业组织机构代码</CopCode><OperName>操作员姓名</OperName><ClientSeqNo>客户端报关单编号</ClientSeqNo><Sign>数字签名信息</Sign><SignDate>签名日期</SignDate><Certificate>操作员卡的证书号</Certificate><HostId>客户端邮箱的HostId</HostId></DecSign><TrnHead><TrnPreId>转关单统一编号</TrnPreId><TransNo>载货清单号</TransNo><TurnNo>转关申报单号</TurnNo><NativeTrafMode>境内运输方式</NativeTrafMode><TrafCustomsNo>境内运输工具编号</TrafCustomsNo><NativeShipName>境内运输工具名称</NativeShipName><NativeVoyageNo>境内运输工具航次</NativeVoyageNo><ContractorName>承运单位名称</ContractorName><ContractorCode>承运单位组织机构代码</ContractorCode><TransFlag>转关类型</TransFlag><ValidTime>预计运抵指运地时间</ValidTime><ESealFlag>是否启用电子关锁标志</ESealFlag><Notes>备注</Notes><TrnType>转关单类型</TrnType><ApplCodeScc>转关申报单位统一代码</ApplCodeScc></TrnHead><TrnList><TrafMode>进出境运输方式</TrafMode><ShipId>进出境运输工具编号</ShipId><ShipNameEn>进出境运输工具名称</ShipNameEn><VoyageNo>进出境运输工具航次</VoyageNo><BillNo>提单号</BillNo><IEDate>实际进出境日期</IEDate></TrnList><TrnContainers><TrnContainer><ContaNo>集装箱号</ContaNo><ContaSn>集装箱序号</ContaSn><ContaModel>集装箱规格</ContaModel><SealNo>电子关锁号</SealNo><TransName>境内运输工具名称</TransName><TransWeight>工具实际重量</TransWeight> </TrnContainer></TrnContainers><TrnContaGoodsList><TrnContaGoods><ContaNo>集装箱号</ContaNo><GNo>商品序号</GNo><ContaGoodsCount>商品件数</ContaGoodsCount><ContaGoodsWeight>商品重量</ContaGoodsWeight> </TrnContaGoods></TrnContaGoodsList><DecSupplementLists><DecSupplementList><GNo>a</GNo><SupType>a</SupType><BrandCN/><BrandEN/><Buyer>aaaaaaaaaaaaaaaa</Buyer><BuyerContact>aaaaaaaaaaaaaaaa</BuyerContact><BuyerAddr>aaaaaaaaaaaaaaaa</BuyerAddr><BuyerTel>aaaaaaaaaaaaaaaaaaaa</BuyerTel><Seller>aaaaaaaaaaaaaaaa</Seller><SellerContact>aaaaaaaaaaaaaaaa</SellerContact><SellerAddr>aaaaaaaaaaaaaaaa</SellerAddr><SellerTel>aaaaaaaaaaaaaaaaaaaa</SellerTel><Factory>aaaaaaaaaaaaaaaa</Factory><FactoryContact>aaaaaaaaaaaaaaaa</FactoryContact><FactoryAddr>aaaaaaaaaaaaaaaa</FactoryAddr><FactoryTel>aaaaaaaaaaaaaaaaaaaa</FactoryTel><ContrNo>aaaaaaaaaaaaaaaaaaaa</ContrNo><ContrDate>aaaaaaaa</ContrDate><InvoiceNo>aaaaaaaaaaaaaaaaaaaaaaaaaaaaaaaaaaaaaaaaaaaaaaaaaa</In voiceNo><InvoiceDate>aaaaaaaa</InvoiceDate><I_BabRel>aaaaaaaaaaaaaaaaaaaa</I_BabRel><I_PriceEffect>a</I_PriceEffect><I_PriceClose>aaaaaaaaaaaaaaaaaaaa</I_PriceClose><I_OtherLimited>a</I_OtherLimited><I_OtherEffect>a</I_OtherEffect><I_Note1>aaaaaaaaaaaaaaaa</I_Note1><I_IsUsefee>a</I_IsUsefee><I_IsProfit>a</I_IsProfit><I_Note2>aaaaaaaaaaaaaaaa</I_Note2><Curr>aaa</Curr><InvoicePrice>aaaaaaaaaaaaaaaaaaaa</InvoicePrice><InvoiceAmount>aaaaaaaaaaaaaaaaaaaa</InvoiceAmount><InvoiceNote>aaaaaaaaaaaaaaaa</InvoiceNote><GoodsPrice>aaaaaaaaaaaaaaaaaaaa</GoodsPrice><GoodsAmount>aaaaaaaaaaaaaaaaaaaa</GoodsAmount><GoodsNote>aaaaaaaaaaaaaaaa</GoodsNote><I_CommissionPrice>aaaaaaaaaaaaaaaaaaaa</I_CommissionPrice><I_CommissionAmount>aaaaaaaaaaaaaaaaaaaa</I_CommissionAmount> <I_CommissionNote>aaaaaaaaaaaaaaaa</I_CommissionNote><I_ContainerPrice>aaaaaaaaaaaaaaaaaaaa</I_ContainerPrice><I_ContainerAmount>aaaaaaaaaaaaaaaaaaaa</I_ContainerAmount> <I_ContainerNote>aaaaaaaaaaaaaaaa</I_ContainerNote><I_PackPrice>aaaaaaaaaaaaaaaaaaaa</I_PackPrice><I_PackAmount>aaaaaaaaaaaaaaaaaaaa</I_PackAmount><I_PackNote>aaaaaaaaaaaaaaaa</I_PackNote><I_PartPrice>aaaaaaaaaaaaaaaaaaaa</I_PartPrice><I_PartAmount>aaaaaaaaaaaaaaaaaaaa</I_PartAmount><I_PartNote>aaaaaaaaaaaaaaaa</I_PartNote><I_ToolPrice>aaaaaaaaaaaaaaaaaaaa</I_ToolPrice><I_ToolAmount>aaaaaaaaaaaaaaaaaaaa</I_ToolAmount><I_ToolNote>aaaaaaaaaaaaaaaa</I_ToolNote><I_LossPrice>aaaaaaaaaaaaaaaaaaaa</I_LossPrice><I_LossAmount>aaaaaaaaaaaaaaaaaaaa</I_LossAmount><I_LossNote>aaaaaaaaaaaaaaaa</I_LossNote><I_DesignPrice>aaaaaaaaaaaaaaaaaaaa</I_DesignPrice><I_DesignAmount>aaaaaaaaaaaaaaaaaaaa</I_DesignAmount><I_DesignNote>aaaaaaaaaaaaaaaa</I_DesignNote><I_UsefeePrice>aaaaaaaaaaaaaaaaaaaa</I_UsefeePrice><I_UsefeeAmount>aaaaaaaaaaaaaaaaaaaa</I_UsefeeAmount><I_UsefeeNote>aaaaaaaaaaaaaaaa</I_UsefeeNote><I_ProfitPrice>aaaaaaaaaaaaaaaaaaaa</I_ProfitPrice><I_ProfitAmount>aaaaaaaaaaaaaaaaaaaa</I_ProfitAmount><I_ProfitNote>aaaaaaaaaaaaaaaa</I_ProfitNote><I_FeePrice>aaaaaaaaaaaaaaaaaaaa</I_FeePrice><I_FeeAmount>aaaaaaaaaaaaaaaaaaaa</I_FeeAmount><I_FeeNote>aaaaaaaaaaaaaaaa</I_FeeNote><I_OtherPrice>aaaaaaaaaaaaaaaaaaaa</I_OtherPrice><I_OtherAmount>aaaaaaaaaaaaaaaaaaaa</I_OtherAmount><I_OtherNote>aaaaaaaaaaaaaaaa</I_OtherNote><I_InsurPrice>aaaaaaaaaaaaaaaaaaaa</I_InsurPrice><I_InsurAmount>aaaaaaaaaaaaaaaaaaaa</I_InsurAmount><I_InsurNote>aaaaaaaaaaaaaaaa</I_InsurNote><E_IsDutyDel>a</E_IsDutyDel><GNameOther>aaaaaaaaaaaaaaaa</GNameOther><CodeTsOther>aaaaaaaaaa</CodeTsOther><IsClassDecision>a</IsClassDecision><DecisionNO>aaaaaaaaaaaaaaaaaaaaaaaaaaaaaa</DecisionNO><CodeTsDecision>aaaaaaaaaa</CodeTsDecision><DecisionCus>aaaa</DecisionCus><IsSampleTest>a</IsSampleTest><GOptions>aaaaaaaaaaaaaaaaaaaaaaaaaaaaaaaa</GOptions><TrafMode>a</TrafMode><IsDirectTraf>a</IsDirectTraf><TransitCountry>aaaaaaaaaaaaaaaaaaaa</TransitCountry><DestPort>aaaa</DestPort><DeclPort>aaaa</DeclPort><BillNo>aaaaaaaaaaaaaaaaaaaaaaaaaaaaaaaa</BillNo><OriginCountry>aaa</OriginCountry><OriginMark>aaaaa</OriginMark><CertCountry>aaaaaaaaaaaaaaaaaaaaaaaaaaaaaa</CertCountry><CertNO>aaaaaaaaaaaaaaaaaaaaaaaaaaaaaa</CertNO><CertStandard>a</CertStandard><OtherNote>aaaaaaaaaaaaaaaaaaaaaaaaaaaaaaaaaaaaaaaaaaaaaaaaaaaaaa aaaaaaaaaaaaaaaaaaaaaaaaaaaaaaaaaaaaaaaaaaaaaa</OtherNote><IsSecret>a</IsSecret><AgentType>a</AgentType><DeclAddr/><DeclPost/><DeclTel/></DecSupplementList></DecSupplementLists><SddTax><SddTaxHead><FileName>aaaaaaaaaaaaaaaa</FileName><SeqNo>aaaaaaaaaaaaaaaaaa</SeqNo><SddNo>aaaaaaaaaaaaaaaaaa</SddNo><IEFlag>a</IEFlag><DeclPort>aaaa</DeclPort><DDate>aaaaaaaaaa</DDate><TradeCo>aaaaaaaaaa</TradeCo><TradeName>aaaaaaaaaaaaaaaa</TradeName><InRatio>String</InRatio><TradeMode>aaaa</TradeMode><CutMode>aaa</CutMode><TransMode>a</TransMode><FeeMark>a</FeeMark><FeeCurr>aaa</FeeCurr><FeeRate>String</FeeRate><InsurMark>a</InsurMark><InsurCurr>aaa</InsurCurr><InsurRate>String</InsurRate><OtherMark>a</OtherMark><OtherCurr>aaa</OtherCurr><OtherRate>String</OtherRate><ManualNo>aaaaaaaaaaaa</ManualNo><TradeCoScc>aaaaaaaaaaaaaaaaaa</TradeCoScc><GrossWt>String</GrossWt><NoteS>aaaaaaaaaaaaaaaa</NoteS><LegalLiability>aaaaaaaaaaaaaaaa</LegalLiability><Sign>aaaaaaaaaaaaaaaa</Sign><MessId>aaaaaaaaaaaaaaaa</MessId><CertSeqNo>aaaaaaaaaaaaaaaa</CertSeqNo><Status>aaaaaaaaaaaaaaaa</Status><F_DATE>aaaaaaaaaa</F_DATE><TAX_NO>aaaaaaaaaaaaaaaaaa</TAX_NO></SddTaxHead><SddTaxLists><SddTaxList><GNo>aaaaaaaaa</GNo><CodeTs>aaaaaaaaaa</CodeTs><GName>aaaaaaaaaaaaaaaaaaaaaaaaaaaaaaaaaaaaaaaaaaaaaaaaaa</GName> <OriginCountry>aaa</OriginCountry><AgreementId>aaa</AgreementId><Qty1>String</Qty1><Unit1>aaa</Unit1><Qty2>String</Qty2><Unit2>aaa</Unit2><TradeCurr>aaa</TradeCurr><DeclPrice>String</DeclPrice><DeclTotal>String</DeclTotal><DutyMode>a</DutyMode><Antidumping>a</Antidumping><Antisubsidy>a</Antisubsidy><DutyValue>String</DutyValue><DutyRate>String</DutyRate><QtyDutyRate>String</QtyDutyRate><RegRate>String</RegRate><QtyRegRate>String</QtyRegRate><TaxRate>String</TaxRate><AntidumpingRate>String</AntidumpingRate><AntisubsidyRate>String</AntisubsidyRate><TrashfundRate>String</TrashfundRate></SddTaxList></SddTaxLists><SddTaxDetails><SddTaxDetail><GNo>aaaaaaaaa</GNo><TaxType>a</TaxType><RealTax>String</RealTax></SddTaxDetail></SddTaxDetails></SddTax></DecMessage>2.3. 报关单字段说明2.3.1.进口/出口报关单表头DecHead2.3.2.进口/出口报关单表体DecList2.3.3.报关单集装箱DecContainer2.3.4.随附单证DecLicenseDocus2.3.5.申请单证信息表DecRequestCert2.3.6.许可证信息表DecGoodsLimit2.3.7.许可证VIN信息DecGoodsLimitVin2.3.8.其他包装信息表DecOtherPack2.3.9.企业资质信息表DecCopLimit2.3.10.使用人信息表DecUser2.3.11.标记号码附件表DecMarkLob2.3.12.报关单自由文本信息DecFreeTxt2.3.13.报关单签名DecSign2.3.14.进口/出口转关单表头TrnHead2.3.15.进口/出口转关单表体(提单) TrnList2.3.16.进口/出口提运单集装箱表TrnContainer2.3.17.进口/出口提运单集装箱商品装配表TrnContaGoodsList2.3.18.补充申报单信息DecSupplement详见《补充申报单自动导入系统接口说明V1.doc》2.3.1节2.3.19.电子随附单据关联关系信息EdocRealation详见DecMessage_ImportSave.xsd中EdocRealation部分2.3.20.原产地证明项号关联关系2.3.21.报税单SddTax2.3.22.风险评估信息DecRisk2.4. 示例注意:1、该示例是包括邮箱申报平台报文的完整申报报文定义。
自从多家报关企业平台爆出海关总署将于近期对原来的报关单进行重大改版的消息,朋友圈快要被刷屏了,火得不要不要的。
其中,比较重大和引人注目的改革就是新增的申报内容。
比如涉及海关审价的“特殊关系确认”和“价格影响确认”指标,涉及海关知识产权保护的“支付特许权使用费确认”指标等。
但是新增“贸易国别(地区)”必填项也值得关注贸易国别(地区)指标是指与国内企业(即卖方Seller)签订贸易合同(Sales Contract/PO)的外方客户(即买方Buyer)所属国别(地区),未发生(实质性)商业性交易的指拥有货物所有权的外方所属国别(地区)。
具体含义有二:第一,发生商业性交易的,就填贸易合同上的买方Buyer所属国别(地区);第二,未发生商业性交易的(没有贸易合同),比如样品、赠送货物,则填写拥有货物所有权的外方所属国别(地区)。
新版报关单新增的“贸易国别(地区)”指标与原报关单“贸易国别(起/运抵地)”指标含义不同,原“贸易国别(即启运地/运抵地)”实际为“启运国(地区)/运抵国(地区)”指标。
启运国(地区)不一定等于贸易合同上卖方所属国别(地区);运抵国(地区)不一定等于贸易合同上买方的所属国别(地区)。
因为在实际中,贸易合同上的Buyer所属“国别(地区)”与货物的“运抵国(地区)”经常会不一致。
比如大陆卖家和香港的贸易商签了贸易合同,但是香港的贸易商要求把货物发到阿联酋,此时“贸易国别(地区)”就是香港,而“运抵国(地区)”则是阿联酋。
新版报关单之所以增加这个必填项第一,为了顺应贸易国(地区)经常与实际运抵国(地区)不一致这个商业实践发展的需要;第二,为了如实体现国外买方(包括港澳台地区的)与中国境内开展贸易的具体国别(地区)。
第三,新增的“贸易国别(地区)”指标填报比较简单,只需要根据贸易合同判断即可,未发生商业性交易的,则填报拥有货物所有权的外方即可,摆脱了物流环节的影响。
附:新版报关单填报样单中华人民共和国海关出口货物报关单(最新版)预录入编号:海关编号:01102016042125xxxx注意事项:(1)请认真核对,我司将严格按照此确认件申报,申报后将无法更改,由此造成的无法退税我司概不负责。
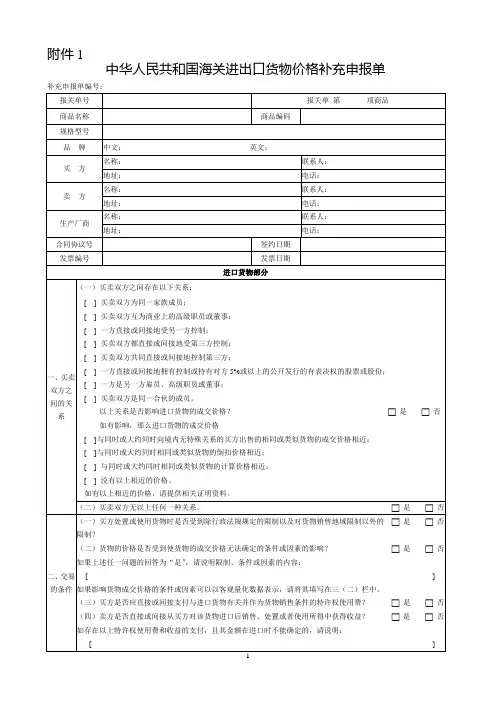
附件1中华人民共和国海关进出口货物价格补充申报单填报说明一、总体说明:(一)《中华人民共和国海关进出口货物价格补充申报单》(简称《价格补充申报单》)应由货物收发货人或其委托的报关企业填写。
(二)每一张《价格补充申报单》应填写一项商品,对应一份报关单,海关另做要求的除外。
一份报关单中涉及多项商品需进行补充申报,一张报关单可对应多份《价格补充申报单》。
(三)补充申报单编号栏由海关填写。
(四)凡《价格补充申报单》中有“ ”符号的选择项目,根据选择情况在“是”或“否”后面的“ ”中打“√”号。
(五)在《中华人民共和国海关审定进出口货物完税价格办法》中已有解释的有关概念在以下说明中不再重复解释。
(六)阅读本说明以后,仍无法准确填报的,请及时向海关人员询问。
二、表头栏目填报说明:(一)“补充申报单编号”由海关编号,申报单位无需填写。
(二)“报关单号”应填写补充申报单所对应的报关单编号。
(三)“报关单第项”是指作补充申报的商品在报关单中的排列序号,该项目与报关单中该商品的“项号”一致。
(四)“商品名称”为补充申报的货物规范的中英文商品名称,内容应与报关单相应项目相符。
(五)“商品编码”按海关规定的商品归类规则确定的货物的商品编码,该项目应与报关单填报内容一致。
(六)“规格型号”应尽可能详细,内容应与报关单相应项目相符。
(七)“品牌”应填写补充申报商品的中英文品牌。
(八)“买方”应填写中英文全名,主要办公地点地址、联系人姓名以及联系电话。
(九)“卖方”应填写中英文全名,主要办公地点地址、联系人姓名以及联系电话。
(十)“生产厂商”指货物的生产企业,该栏须填写其中英文全名,主要办公地点地址、联系人姓名以及联系电话。
(十一)“合同协议号”应与报关单填报内容一致(十二)“签约日期”指贸易合同签订的日期。
(十三)“发票编号”指卖方销售有关货物开出的商业发票编号。
(十四)“发票日期”指卖方开具发票的日期。
三、进口货物部分填报说明:(一)第一栏“买卖双方之间的关系”1.第(一)栏买卖双方之间如果存在该栏目所列举的8种关系之一的,请在相应的关系类型前 中用“√”标记,并进一步回答“以上关系是否影响进口货物的成交价格”。
尊敬的报关部门:您好!我司因近期业务发展需要,现向您申请对报关价格进行调整。
特此提交以下报关价格调整申请书,敬请审批。
一、价格调整背景1. 近期,全球原材料价格上涨,导致我司生产成本上升。
同时,运输、包装等费用也有所增加,使得产品成本不断提高。
为了保证产品质量,确保客户利益,我司计划对产品价格进行调整。
2. 随着市场竞争加剧,为了提高我司产品的市场竞争力,拓展市场份额,经过充分市场调研,我司决定对部分产品进行价格调整,以满足客户需求。
3. 依据国际贸易惯例,结合我司产品在国内外市场的销售情况,以及对竞争对手的价格分析,我司认为此时调整报关价格有利于提高产品在国际市场的竞争力。
二、价格调整方案1. 产品价格调整:根据产品成本上升情况和市场调研结果,我司计划对部分产品进行价格调整。
具体调整幅度如下:(1)产品A:价格上涨5%(2)产品B:价格上涨8%(3)产品C:价格上涨10%2. 价格调整时间:自报关部门批准之日起,对新成交订单执行调整后的价格。
3. 价格调整范围:仅限于我司出口至贵国的产品。
三、价格调整对我司的影响1. 提高产品在国际市场的竞争力,增加出口量。
2. 增加我司收入,提高企业效益。
3. 优化产品结构,提高产品附加值。
四、价格调整的风险评估1. 市场风险:价格调整可能引起市场竞争加剧,需密切关注市场动态,及时调整策略。
2. 客户流失风险:价格调整可能导致部分客户流失,需加强客户关系维护,争取更多支持。
3. 汇率风险:汇率波动可能对价格调整产生影响,需密切关注汇率变化,合理制定价格策略。
五、应对措施1. 加强市场调研,密切关注竞争对手价格动态,适时调整我司产品价格。
2. 提高产品质量,优化服务,增加客户满意度,降低客户流失风险。
3. 加强与客户的沟通,解释价格调整的原因,争取客户理解和支持。
4. 加强内部管理,降低成本,提高企业效益。
敬请报关部门审批,如有需要,我司将积极配合提供相关资料。
预录入编号:中华人民共和国海关出口货物报关单海关编号
收发货人18 位统一社会信用出口口岸出口日期申报日期
代码
生产销售单位 18位统一社会运输方式运输工具名称提运单号
信用代码
申报单位监管方式征免性质备案号(手册)
贸易国(地区) 运抵国(地区) 指运港境内货源地
许可证号成交方式运费保费杂费
合同协议号件数包装种类毛重(公斤) 净重(公斤)
原产国(未知的默认中国)
标记唛码及备注
随附单证
项号商品编号商品名称、规格型号数量及单位最终目的国(地区) 单价总价币制征免
税费征收情况
申报要素:
特殊关系确认:是/否?录入员录入单位价格影响确认:是/否?
兹声明以上内容承担如
实申报、依法纳税之法律
责任
支付特权使用费确认:是 /否?
海关批注及签章
报关人员申请单位(签章)。
尊敬的海关部门:您好!我司(公司名称)在近期申报进口货物过程中,发现原申报的报税价格存在误差,为了确保货物的正确申报,避免后续可能出现的税务风险,现向贵部门提出修改海关报税价格的申请。
具体如下:一、申请事项1. 请求贵部门批准对我司(公司名称)于(具体日期)申报的进口货物(具体货物名称及HS编码)的报税价格进行修改。
2. 修改后的报税价格为(修改后的价格)。
二、原申报价格与修改原因1. 原申报价格:根据我国海关规定,我司在进口货物时按照实际成交价格申报,原申报价格为(原申报价格)。
2. 修改原因:a. 在货物进口过程中,我司发现原申报价格未充分考虑以下因素:(1)运输费用:原申报价格未包含从出口国至目的港的运输费用,实际运输费用为(运输费用)。
(2)保险费用:原申报价格未包含货物运输过程中的保险费用,实际保险费用为(保险费用)。
(3)其他费用:原申报价格未包含其他可能产生的费用,如关税、增值税等。
b. 根据我国海关规定,进口货物的申报价格应包括货物成交价格、运输费用、保险费用以及其他与货物进口有关的费用。
三、修改后的报税价格计算方法1. 修改后的报税价格 = 原申报价格 + 运输费用 + 保险费用 + 其他费用。
2. 修改后的报税价格为(修改后的价格)。
四、相关证明材料1. 进口合同及发票:证明货物成交价格。
2. 运输合同及发票:证明货物运输费用。
3. 保险合同及发票:证明货物运输保险费用。
4. 其他相关费用证明材料:如关税、增值税等。
五、申请承诺1. 我司保证修改后的报税价格真实、准确,不存在虚假申报。
2. 我司将积极配合贵部门进行调查,如有需要,提供相关证明材料。
3. 我司愿意承担因修改报税价格而产生的所有法律责任。
综上所述,鉴于我司在申报进口货物过程中发现原申报价格存在误差,特向贵部门提出修改海关报税价格的申请。
恳请贵部门予以审批,并给予我司相关支持与帮助。
特此申请!申请人:(公司名称)联系人:(姓名)联系电话:(电话号码)电子邮箱:(电子邮箱)申请日期:(具体日期)。
六、填制报关单单项选择题请根据所提供的资料,按照报关单填制规范的要求,在报关单相对应的栏目选项中,选出最合适的答案,在答题卡上将与这题相对应的答案的英文字母标号涂黑。
(每项1分,共20分)中国矿产钢铁有限公司(110891××××)订购进口一批热拔合金钢无缝锅炉管(属法定检验检疫和自动进口许可管理商品;法定计量单位为千克),委托辽宁抚顺辽抚锅炉厂有限责任公司(210491××××)制造出口锅炉。
载货运输工具2005年4月10日申报进境,次日下午4点辽宁龙信国际货运公司(210298××××)持经营单位登记手册和相关单证向大连大窑湾海关申报货物进口,第三天上午海关接受了该申报.保险费率2.7‰。
该商品列在手册中的第7项INVOICEMINMETALS STEEL CO.,LTD. NO.57/88/0032MINMETALS PLAZA,6 SANLIHE DD 04.03.2005ROAD,HAIDIAN DIST.BEIJING100044 BEIJING,CHINAContract no 04EUWTJ7304317TO54 Our order No. 888/1178-1M/V"APL HONGKONG 116E" L/C no. LC251060500042 ClerkTel 0211/960-2xxx On 04.03.2005 Country of destination China Telefax 0211/960-3xxx Shippment from Antwerp destination Dalian Gr.Wt.Of delivery note 28,795kgs European Main port Mill Reisholz/Press Gr.Wt.Of consignment 28,795kgs To Dalian Dispatch station Dusseldorf.Germany Gross weight=Net weight Freight notice CPT Dalian Carriage free Of consignment Price based on delivery CPT Dalian中华人民共和国海关进口货物报关单预录入编号:海关编号:六填制报关单请根据以上资料,选择以下栏目的正确选项:请根据以上资料,选择以下栏目正确选项:[答案见下]( 自己命题)1、“备案号”栏: A、Cxxxxxxxxxx B、Yxxxxxxxx C、Cxxxxxxxxxxx D、此栏为空 E、C.12345678911F.免填2、“进口日期”栏: A、05.04.10 B、2005.04.10 C、2005/04/10 D、2005.04.11 E.2005-04-10F.200504103、“贸易方式”栏: A、0110 B、0214 C、0615 D、0654 E.503 F.进料加工或503 G.进料加工或06154. “征免性质”栏: A、101 B、502 C、503 D、602 E.对口进料加工 F.进料对口 G.0615 H.来料加工5. “起运国(地区)”栏: A、欧盟B、德国C、法国D、比利时6. “装货港”栏: A、香港B、杜塞尔多夫C、鹿特丹D、安特卫普7. “境内目的地”栏: A、辽宁抚顺B、辽宁抚顺辽抚锅炉厂C、辽宁抚顺经济技术开发区D、辽宁抚顺其他 E.辽宁省抚顺或21049 F.抚顺其他或21049 G.210491 H.210298 I.辽宁抚顺其他或210498. “成交方式”栏: A、CPT或2 B、C&F或2或CFR或CNF C、CPT 2 D、CFR 2 F2 F.CFR2G.CPT或1 H.CFR或19. “保费”栏: A、此栏为空B、0.27/1 C、2.7 D、0.27 E.2.7% F.0.27% G.-2.7 H.-0.27I. .2710. “件数”栏: A、1 B、3 C、136.614 D、1711.000 E.41.640 F.28.795 G.散装1 H.裸装1 I.免填11. “包装种类”栏: A、裸装B、集装箱C、件D、其他 E.散装 F.裸装填报为1 G.散装填报为112. “净重”栏:A、1711000B、28795C、63482.5D、25000 E.136.6140 F.1711.0000 G.41640 H.28.795013. “集装箱号”栏: A、MOFU0455437*3(3)B、MOFU0455437*3(6)C、MOFU0455437/40/718961D、MOFU718961/40/28795 E. MOFU0455437/40/xxxx F.MOFU0455437/40/63482.5014. “随附单据”栏: A、A7Y B、7:xxxxxxxxxxxxxxx C、A:xxxxxxxxxxxxxxxxxxD、Y:xxxxxxxx E.A XXXXXXX F.7 XXXXXXX G.Y:<01:1-3,5> I.Y XXXXXXX15. “用途”栏: A、企业自用B、外贸自营内销C、其他内销D、加工返销或05 E.特区内销 F.必要时填报16. “标记唛码及备注栏”的“备注”项:A、 7:xxxxxxxxxxxxxxx B、 A:xxxxxxxxxxxxxxxxxx7:xxxxxxxxxxxxxxxC、 7:xxxxxxxxxxxxxxxY:xxxxxxxxD、此项为空 E.A XXXXXXX F.7 XXXXXXX G.自动进口许可证代码:号码17. “商品名称、规格型号”栏: A、热拔合金钢制无缝钢管 787X39X5000—7000MMB、热拔合金钢制无缝钢管 HOT FINISHED SEAMLESS STEEL PIPES FOR BUILERC、热拔合金钢制无缝钢管787×39×5000—7000MMD、热拔合金钢制无缝钢管787×39×5000—7000MM HS 7304591018.“数量及单位”栏:A、28795千克(第一行)B、28795千克(第一行)41460米(第三行)C、28795千克(第一行)63482.5 磅(第三行)D、28795千克(第一行)28.795 吨(第三行)19. “原产国(地区)”栏: A、300 B. 304 C、305 D、307 E.502 F.110 G.116 F.142 G.30320. “征免”栏: A、全额免税B、一般征税C、照章征税D、全额保税 E.全部免税 F.全免 G.全税21. “进口口岸”栏: A.大窑湾关0909 B.大连大窑湾海关0909 C.大窑湾海关0908 D.连大窑湾090822. “申报日期”栏: A.20050412 B.2005.04.12 C.2005-04-11 D.2005,04,11 E.2005/04/1223. “经营单位”栏: A. “经营单位名称或代码” B. “经营单位名称及代码” C.21049XXXXXD.210298E. 辽宁抚顺辽抚锅炉厂21049XXXXXF. 中国矿产钢铁有限公司(110891××××)G. 中国矿产钢铁有限公司或110891××××H. 中国矿产钢铁有限公司110891××××I.有代码填代码,无代码填中文名称24. “币制”栏: A. “USD OR 502” B.美元或USA C.V AND M D.502或来料加工 A或502或美元25. “收货单位”栏: A.21049 B.210298 C.110891 D.210490XXXX E.21049XXXXX F.收货单位名称或代码26. “征税比例”栏: A.务填 B. “不填” C.填报为“0” D.必要时才填 E.必需填报 F.不需填报27. “项号”下第一栏: A.免填 B.第1行填“01”,第2行填“02” C.第1行填“01”,第2行填“07” D.第1行填1,第2行填7 E.第1行填01,第3行填07 F.第1行填01,第2行免填28. “总价”和“单价”栏分别为: A.3080.00、88688.60 B。
中华人民共和国海关进出口货物商品归类补充申报单填报说明一、总体说明:(一)《中华人民共和国海关进出口货物商品归类补充申报单》(以下简称《归类补充申报单》)应当由进出口货物收货人或者其委托的报关企业填写。
(二)每一份《归类补充申报单》只能填写一项商品,对应一份报关单。
如一份报关单中涉及多项商品需要进行补充申报原产地情况的,一份报关单可以对应多份《归类补充申报单》。
(三)除特殊说明的栏目外,《归类补充申报单》每一栏目均应填写。
(四)凡《归类补充申报单》中有“□”符号的选择项目,根据实际情况在选择项目前面的“□”中打“√”号。
(五)在已有法规中已有对商品归类相关的解释、概念在以下说明中不再重复解释。
(六)阅读本说明后,仍然无法准确填报的,请及时向海关有关工作人员询问。
二、具体栏目填报说明:(一)“补充申报单编号”由海关填写。
(二)“报关单号”应填写补充申报单所对应的报关单编号。
(三)“报关单第项”是指作补充申报的商品在报关单中的排列序号,该项目与报关单中该商品的“项号”一致。
(四)“商品名称”为补充申报的进口货物规范的中英文商品名称,内容应当与报关单相应项目相符。
(五)“商品编码”应填报由《中华人民共和国进出口税则》确定的进出口货物的税则号列和《中华人民共和国海关统计商品目录》确定的商品编码,以及符合海关监管要求的附加编号组成的10位商品编码,该项目应与报关单填报内容一致。
(六)“规格型号”内容应当与报关单相应栏目相符,但应当比报关单所填报的规格型号内容更详细全面。
(七)“品牌”栏根据实际情况,有中英文的则填写中英文,仅有一种的则填一种。
以上“规格型号”、“品牌”栏要求填写的项目较多,如果填写空间不够,应当选择能够反映进出口货物特征的主要项目填写。
对部分重点商品海关将以清单形式明确商品规格型号及品牌的填制规范。
(八)“买方”是指直接与境外的卖方谈判达成交易,自行或者委托具有对外贸易经营权的企业与卖方签订并实际执行合同的我国境内法人或其他组织。
海关补传企业提供的声明一、本公告所称的补充申报是指进出口货物的收发货人、受委托的报关企业(以下分别简称收发货人、报关企业)依照海关有关行政法规和规章的要求,在《中华人民共和国海关进(出)口货物报关单》(以下简称报关单)之外采用补充申报单的形式,向海关进一步申报为确定货物完税价格、商品归类、原产地等所需信息的行为。
《中华人民共和国海关进出口货物优惠原产地管理规定》(海关总署令第181号)规定的补充申报,按照该署令办理。
二、有下列情形的,收发货人、报关企业应当向海关进行补充申报:(一)海关对申报时货物的价格、商品编码等内容进行审核时,为确定申报内容的完整性和准确性,要求进行补充申报的。
海关对申报货物的原产地进行审核时,为确定货物原产地准确性,要求收发货人提交原产地证书,并进行补充申报的。
(二)海关对已放行货物的价格、商品编码和原产地等内容进行进一步核实时,要求进行补充申报的。
三、收发货人、报关企业可以主动向海关进行补充申报,并在递交报关单时一并提交补充申报单。
四、补充申报的申报单包括《中华人民共和国海关进出口货物价格补充申报单》(见附件1)、《中华人民共和国海关进出口货物商品归类补充申报单》(见附件2)、《中华人民共和国海关进出口货物原产地补充申报单》(见附件3)以及海关行政法规和规章规定的其他补充申报单证。
收发货人、报关企业应按要求如实、完整地填写补充申报单,并对补充申报内容的真实性、准确性承担相应的法律责任。
补充申报的内容是对报关单申报内容的有效补充,不得与报关单填报的内容相抵触。
五、根据本公告第二条的规定需要进行补充申报的,海关应当书面通知收发货人、报关企业,收发货人、报关企业应当在收到海关书面通知之日起5个工作日内向海关办理补充申报手续,海关行政法规和规章另有规定的除外。
附件1中华人民共和国海关进出口货物价格补充申报单
填报说明
一、总体说明:
(一)《中华人民共和国海关进出口货物价格补充申报单》(简称《价格补充申报单》)应由货物收发货人或其委托的报关企业填写。
(二)每一张《价格补充申报单》应填写一项商品,对应一份报关单,海关另做要求的除外。
一份报关单中涉及多项商品需进行补充申报,一张报关单可对应多份《价格补充申报单》。
(三)补充申报单编号栏由海关填写。
(四)凡《价格补充申报单》中有“?”符号的选择项目,根据选择情况在“是”或“否”后面的“?”中打“√”号。
(五)在《中华人民共和国海关审定进出口货物完税价格办法》中已有解释的有关概念在以下说明中不再重复解释。
(六)阅读本说明以后,仍无法准确填报的,请及时向海关人员询问。
二、表头栏目填报说明:
(一)“补充申报单编号”由海关编号,申报单位无需填写。
(二)“报关单号”应填写补充申报单所对应的报关单编号。
(三)“报关单第项”是指作补充申报的商品在报关单中的排列序号,该项目与报关单中该商品的“项号”一致。
(四)“商品名称”为补充申报的货物规范的中英文商品名称,内容应与报关单相应项目相符。
(五)“商品编码”按海关规定的商品归类规则确定的货物的商品编码,该项目应与报关单填报内容一致。
(六)“规格型号”应尽可能详细,内容应与报关单相应项目相符。
(七)“品牌”应填写补充申报商品的中英文品牌。
(八)“买方”应填写中英文全名,主要办公地点地址、联系人姓名以及联系电话。
(九)“卖方”应填写中英文全名,主要办公地点地址、联系人姓名以及联系电话。
(十)“生产厂商”指货物的生产企业,该栏须填写其中英文全名,主要办公地点地址、联系人姓名以及联系电话。
(十一)“合同协议号”应与报关单填报内容一致
(十二)“签约日期”指贸易合同签订的日期。
(十三)“发票编号”指卖方销售有关货物开出的商业发票编号。
(十四)“发票日期”指卖方开具发票的日期。
三、进口货物部分填报说明:
(一)第一栏“买卖双方之间的关系”
1.第(一)栏买卖双方之间如果存在该栏目所列举的8种关系之一的,请在相应的关系类型前?中用“√”标记,并进一步回答“以上关系是否影响进口货物的成交价格”。
2.如果买卖双方之间存在的关系影响了进口货物的成交价格,应进一步回答其成交价格与所列举的3种价格中的哪一个相近,如有相近价格的,请提供相关证明材料;如果没有相近价格的,应在相应选项前用“√”标识。
3.如果买卖双方之间没有以上任何一种关系的,应填写第(二)栏,并用“√”标记。
(二)第二栏“交易的条件”
1.第(一)栏如果买方在处置或者使用进口货物时,受到非列举限制项目之外的限制,应选择“是”;否则,应选择“否”。
2.第(二)栏如果货物的价格受到使货物的成交价格无法确定的条件或因素的影响的,包括货物的价格是以约定的定价公式来确定而在进口时结算价格尚未确定的,应选择“是”;如果没有,应选择“否”。
3.第(一)栏和第(二)栏两个问题中任何一个回答为“是”的,都需要加以说明。
如可以客观量化数据表示的,应将有关数据填写在第三(二)栏。
4.第(三)栏如果在申报价格外买方还需要向卖方支付与进口货物相关,并且作为该货物销售条件的特许权使用费的,应选择“是”,并将有关数据填写第三(三)栏第3项中;如果没有,应选择“否”。
5.第(四)栏如果卖方获得因买方销售、处置或者使用进口货物而产生的任何收益,不管是直接的还是间接的,应选择“是”,并填写第三(三)栏第4项。
6.如果存在第(三)栏和第(四)栏所指的特许权费和收益支付,且其金额在进口时尚不能确定的,应进行详细说明。
(三)第三栏“费用状况”
该栏目为进口货物成交价格的各种费用调整项目申报栏,每一个费用项目都应当填报“单位金额”、“总金额”和“备注”三个栏目。
1.“币制”是指买方支付费用时采用的货币。
以下各费用栏目申报的“单位金额”、“总金额”在填报时应采用统一的币制,如实际支付采用多种不同币制的,在申报时应换算为统一的币制。
2.“单位金额”是指按照公认会计原则分摊到每件补充申报货物上的费用。
“总金额”是指补充申报货物在该费用项目下的费用总额。
3.如果在费用项目下没有费用产生,或者虽然有费用产生但无法提供客观可量化数据的,应在“单位金额”和“总金额”中填写“/”表明无数据填报,并在“备注”栏中注明无申报的原因。
4.第(一)栏“发票价格”指进行补充申报的该项商品在向海关申报随附商业发票上的总金额。
5.第(二)栏“间接支付的货款”指未包含在发票金额内的,买方根据卖方的要求支付给第三方,或者冲抵买卖双方之间的其他资金往来的款项。
6.第(三)栏第2项(1)、(2)、(3)、(4)四项费用应采用合理方式,按公认的会计原则分摊到补充申报的货物上,并在“备注”栏中注明分摊方法,提供分摊计算说明。
7.第(三)栏第3项“特许权使用费”在补充申报时未能确定的,应在“备注”栏注明,并提供有关资料和说明。
8.如果能确定“特许权使用费”金额但需要进行分摊的,应采用合理方式,按公认的会计原则分摊到补充申报的货物上,并在“备注”栏中注明分摊方法,提供分摊计算说明。
9.第(三)栏第4项有关收益在补充申报时未能确定的,应在“备注”栏注明,并提供有关资料和说明。
10.第(三)栏第5项(2)应包括货物运抵境内输入地点起卸前发生的与货物运输有关的搬运费、仓储费以及滞期费等。
四、出口货物部分填报说明
(一)第(一)栏“发票价格”指进行补充申报的该项商品在向海关申报随附商业发票上的总金额。
(二)第(二)栏“间接收取的货款”指未包含在发票金额内的,买方根据卖方的要求支付给第三方,或者冲抵买卖双方之间的其他资金往来的款项。
(三)第(三)栏,如果在向海关申报时,出口关税已经从申报价格中扣除的,应选择“是”;否则,应选择“否”。
五、其他
(一)如以上栏目还未能充分说明补充申报货物成交价格情况的,可以在“其他需要说明的情况”栏进行说明,空间不足的还可另附页说明。
(二)“申报人签字”由货物收发货人或其委托申报的报关企业授权填报本《补充申报单》的人签字;申报单位盖章应加盖申报人单位公章,受委托申报的报关企业填报该表时必须提交书面委托书。
(三)“对以上申报内容是否需要海关予以保密?”是填报人对于补充申报内容保密要求的选项。
如填报人认为本表填报内容涉及商业秘密,可以要求海关对其填报内容予以保密。
(四)海关批注栏指供海关内部作业时签注的总栏目,由海关关员填写。