牛磺酸制备工艺
- 格式:ppt
- 大小:3.11 MB
- 文档页数:33
牛磺酸的制备及提纯牛磺酸是一种重要的有机化学品,它可用于制药、饲料和染料行业。
它具有良好的抗菌特性,可用作饲料的抗生素添加剂。
此外,牛磺酸可用作染料、表面活性剂、催化剂等,优势明显。
但是由于牛磺酸的制备过程中存在许多困难,所以需要精密的提纯工艺。
本文主要介绍牛磺酸的制备及提纯方法,方便今后制备牛磺酸。
一、牛磺酸的制备牛磺酸的主要原料是植物油、乙醇和甲醇,其中植物油是酒精烷基脂肪酸的聚集物,例如棕硫醇和硫醇烷基脂肪酸。
乙醇是将植物油和甲醇固体氢氧化物形成酯的重要物质,而甲醇则可以加热将酯水解分解以获得牛磺酸。
1.原料准备首先,需要准备植物油、乙醇和甲醇。
植物油中含有酒精烷基脂肪酸,如棕硫醇和硫醇烷基脂肪酸;乙醇可以从乙醇植物原料中提取,例如甘蔗、糖蜜和木质素;而甲醇可以通过乙醇裂解过程产生。
2.酯化将植物油、乙醇和甲醇经过一定的温度混合后,用酯化剂如甲酸酐或氯化铵等起到催化作用,就可以获得一种叫做酯的物质,在此催化下,棕硫醇中的硫脂肪酸就可以形成酯了。
3.水解然后,在恒温下将酯进行水解,用甲醇水解反应得到牛磺酸,此时,乙醇和酯化工艺产物可以被完全除去,只剩下牛磺酸。
二、牛磺酸的提纯牛磺酸在经历制备后,仍然含有一定的水溶性外源杂质和碱。
为了提高牛磺酸的活性,需要把它们提纯出来。
1.精制首先,将原料物质经过精制,通过某种特定的过滤方法来精炼牛磺酸,以去除未完全溶解的水溶性外源杂质。
2.沉淀然后,将牛磺酸溶液放入室温到冰醋酸中,用有机酸沉淀杂质能够起到净化的作用,提纯出牛磺酸。
3.精练最后,为了进一步净化和提纯,可以对牛磺酸溶液进行精练,采取适当的结晶加热方法,使牛磺酸被精细粉末化,净化率达到90%以上,从而达到完美的提纯要求。
综上,我们介绍了牛磺酸的制备及提纯方法,可以有效改善牛磺酸的活性,为下一步的应用奠定了基础。
可以看出,制备及提纯牛磺酸是一个复杂的过程,需要充分掌握牛磺酸的制备及提纯工艺,以保证产品质量。
制药工程专业课程设计任务书专业_###_ 班级____2_______ 姓名__### _ ___设计题目:年产200吨原料药牛磺酸的合成工段的车间工艺设计设计时间:2015.10.8---2014.11.13。
设计内容和要求:1、确定工艺流程及净化区域划分;2、详细叙述制备工艺及设备的工作原理、结构组成及关于此工艺及设备的国内外的现状、研究前沿。
3、物料衡算、热量衡算、设备选型及设计(按间歇操作考虑,每年开工300天);4、按规范要求设计车间工艺平面图;5、画出带控制点、辅助管线的物料工艺流程图;6、反应器的安装图(平、立、剖面图1:50)7、编写设计说明书。
设计成果:1、设计说明书一份,包括工艺概述、工艺流程及净化区域划分说明、物料衡算、热量衡算、工艺设备选型说明、工艺主要设备一览表、车间工艺平面布置说明、车间技术要求。
2、工艺平面布置图一套(1:100);3、带控制点及辅助管线的物料工艺流程图(1:100);4、反应器的安装图(平、立、剖面图1:50)。
目录1 设计依据及设计基础 (1)1.1 设计依据 (1)1.2 生产能力 (1)1.3 产品规格 (1)1.4 原辅材料技术规格 (2)2 工艺说明 (3)2.1 工艺概述 (3)2.1.1 氯化法 (3)2.1.2 乙撑亚胺法 (4)2.1.3 酯化法 (4)2.1.4 工艺设备及生产现状 (5)2.2 工艺流程说明 (6)2.2.1 牛磺酸生产方法 (6)2.2.2 工艺流程叙述 (8)3 物料衡算 (9)3.1 概述 (9)3.2 衡算过程 (9)3.2.1 确定每批产量 (9)3.2.2每批主要原料投料量计算 (9)3.2.2化学反应过程衡算 (10)3.3 物料流程框图 (13)4 能量衡算 (16)4.1 概述 (16)4.2 能量衡算依据 (16)4.2.1设备的热量平衡方程式 (16)4.2.2 热量衡算基础数据计算与查取 (18)4.3 热量衡算过程 (19)4.4 热量衡算结果 (22)5 设备选型 (22)5.1 设备选型的依据 (22)5.1.1 设备选型的原则 (22)5.1.2 设备材料选择依据 (23)5.1.3 主要设备选型[9] (23)5.2 设备选型计算过程 (24)5.2.1 反应釜选型计算 (24)5.2.2 储罐设备选型计算 (26)5.2.3 过滤器选型计算 (27)5.2.4 干燥器选型计算 (27)5.2.5 冷凝器选型计算 (27)5.3 主要设备一览表 (28)6 车间布置 (29)6.1 概述 (29)6.2 布置依据 (29)6.3 布置原则 (29)6.4 车间布置说明 (30)6.5 车间工艺平面布置图 (31)7 节能与环保 (32)7.1回收利用 (32)7.2 环保与安全 (33)7.2.1危险性概述 (33)7.2.2急救措施及泄露应急处理 (34)7.2.3安全防护 (34)参考文献 (35)附录 (35)1 设计依据及设计基础1.1 设计依据本设计的题目为“年产200吨原料药牛磺酸的合成工段的车间设计”,设计依据为制药工程专业课程设计任务书和相关规范及标准:《药品生产质量管理规范(2010 年修订)》《医药工业洁净厂房设计规范》《2010GMP 实施指南-原料药》《2010GMP 实施指南-厂房、设施和设备》《中华人民共和国药典(二部)》《生产过程安全卫生要求总则(GB/T 12801-2008)》《工业企业设计卫生标准(GBZ1-2010)》1.2 生产能力本车间为生产原料药牛磺酸的合成工段,其年产量为200t/a,含量为99%以上。
提取牛磺酸的工艺原理及流程英文回答:The process of extracting taurine involves several steps, including extraction, purification, and drying. Taurine is a naturally occurring amino acid that is commonly found in animal tissues and is particularly abundant in meat and seafood.The extraction process begins with the selection and preparation of the raw materials. Animal tissues, such as beef or fish, are typically used as the source of taurine. These tissues are first cleaned and minced to increase the surface area available for extraction.Next, the minced tissues are subjected to a solvent extraction process. Common solvents used for taurine extraction include water, alcohol, or a combination of both. The minced tissues are soaked in the solvent, and thetaurine is dissolved into the solvent.After extraction, the mixture undergoes a filtration process to separate the liquid extract from the solid residues. The liquid extract contains taurine along with other impurities and components. To purify the taurine, various purification techniques can be employed, such as chromatography or crystallization.Chromatography is a widely used method for separating and purifying taurine. It involves passing the liquid extract through a chromatographic column packed with a stationary phase. The taurine molecules interactdifferently with the stationary phase, allowing for their separation based on their chemical properties. This process helps to remove impurities and isolate taurine in a more concentrated form.Crystallization is another purification technique that can be used. By carefully controlling the temperature and concentration of the liquid extract, taurine crystals can be formed. These crystals are then separated from the remaining liquid, resulting in a higher purity taurineproduct.Once the taurine is purified, it is typically dried to remove any remaining moisture. This can be done through various drying methods, such as freeze-drying or spray drying. The dried taurine is then packaged and ready for use in various applications, such as dietary supplements or energy drinks.In summary, the process of extracting taurine involves the selection and preparation of raw materials, solvent extraction, filtration, purification through techniqueslike chromatography or crystallization, drying, and packaging. Each step is crucial in obtaining a pure and concentrated taurine product.中文回答:牛磺酸的提取过程包括几个步骤,包括提取、纯化和干燥。
项目名称:牛磺酸制备工艺前言1、实训的背景、目的和意义:目的:掌握牛磺酸纯度鉴定掌握牛磺酸含量的检测方法熟练阳离子交换色谱的使用方法和技术要点意义: 通过真实工作任务,激发学生求知欲通过整个工艺的制备工艺实施,培育学生创新意识2、实训要解决的问题:注意:第一次调节PH=3去除碱性蛋白质,第二次调节PH=10去除酸性蛋白质用绞肉机打碎文蛤肉要尽量打碎,这样提取效果会更好收集PH=3~5时的洗脱液,浓缩检测3、实训操作关键技能调节两次去蛋白时的PH值在进行酸碱蛋白去除前要先用4层纱布进行过滤在色谱柱上上样后要静置10min后再洗脱,可以让样品和杂志的分离效果更好材料及方法1、实训材料及配制、预处理技术材料及配制:文蛤、蒸馏水、强酸性阳离子交换树脂柱、电磁炉、真空旋转挥发仪、稳压恒流泵、圆底烧瓶(磨口)、铁架台、布式漏斗、滤纸、烧瓶、玻璃棒量筒、纱布。
预处理技术:两次调节溶液的PH值,去除碱性和酸性蛋白质,分离色素。
使用阳离子交换色谱分离无机盐。
2、实验技术流程路线:提取方法:称取5.00g文蛤肉→绞肉机中制成肉糜→组织匀浆机匀浆1次(10s,10 000r/min)→200 mL蒸馏水煮沸10 min→90℃水浴30 min→4层棉纱布过滤→离心→去酸性蛋白质(上清液用V(HCl)∶V(H2O)=1∶1的盐酸溶液调节pH=3)→离心→去碱性蛋白质(用w(NaOH)=20%的水溶液调节pH=10)离心→调节pH=5→浓缩至20mL→上强酸性阳离子交换树脂柱去除其他氨基酸和部分色素→用蒸馏水洗脱→接收pH=3~5的流出液→浓缩至100mL待测牛磺酸含量→加入3倍体积的乙醇→冷冻,纯度鉴定。
检测方法:在醋酸钠存在下,牛磺酸与乙酰丙酮和甲醛经加热反应生成N-取代基2,6-二甲基-3,5-二乙酰基-1,4-二氢吡啶,显黄色。
取样品1mL加2mL显色剂(现配),加蒸馏水至8mL摇匀,100℃水浴保温20min,冷却至室温,在415 nm下测定吸光度可确定牛磺酸含量。
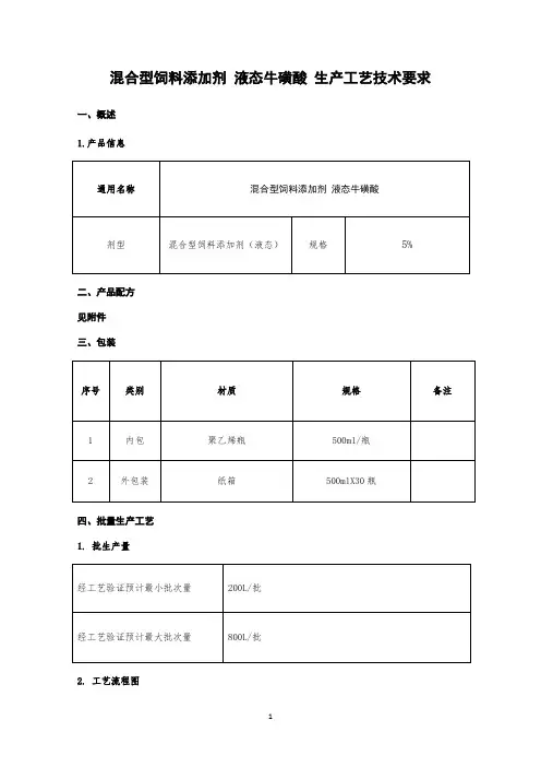
混合型饲料添加剂液态牛磺酸生产工艺技术要求一、概述1.产品信息二、产品配方见附件三、包装四、批量生产工艺1. 批生产量2. 工艺流程图工艺流程图中可以运用各种图标表示工艺各个工序名称、中间控制点及控制项目。
3. 工艺过程描述本工艺流程共包括5个工序,各个工序的主要操作叙述如下。
工序1:聚乙烯瓶的领料脱包将聚乙烯瓶、瓶盖按照标准操作程序进行脱包传递至灌装旋盖室。
关键工艺参数:无中间控制:无工序2:配液配液人员核对原辅料的品名,数量,生产厂家,生产批号、合格状态等,双人复核称重处方量的物料,按照配液的操作规程进行配液,料液配制完毕后半成品请验,质量部按照半成品的检验操作规程进行检测,合格后等待过滤。
关键工艺参数:对原辅料进行检查核对,包括品名、批号、数量、生产厂家、合格状态;称重及复核;中间控制:配制后料液的检测,包含性状、成分保证值测定。
工序3:过滤/搅拌料液配制完成后,需要过滤的中间产品按照过滤操作规程过滤至灌装间的洁净接收容器内。
不需要过滤的中间产品需要搅拌均匀。
关键工艺参数:滤芯孔径:最后一次过滤滤芯孔径为0.45µm。
中间控制:过滤器通过完整性检测。
工序4:灌装、旋盖安装好灌装机的各零部件,开启灌装机调试装量,调试合格后开始正式灌装,旋盖,通过轨道输送至贴签室。
关键工艺参数:装量。
中间控制:装量检测:每次抽取不同灌针下的分装半成品共3瓶,开启时注意避免损失,将内容物转移至预经标化的干燥量入式量筒中(量具有大小应使待测体积至少占其额定体积的40%),黏稠液体倾出后,将容器倒置15分钟,尽量倾出。
求其平均装量,不得少于其标示装量。
每个容器装量不少于标示装量的97%。
如有1个容器装量不符合规定,则另取3个复试,应全部符合规定。
旋盖质量检测:不得有旋盖不端正。
工序5:贴签、包装根据包装指令核对瓶签、箱签、纸箱等包装材料,包括品名、生产日期、数量、生产厂家、合格状态。
并在瓶签、箱签上正确印上产品的生产日期。
(19)中华人民共和国国家知识产权局(12)发明专利申请(10)申请公布号 (43)申请公布日 (21)申请号 202011594570.X(22)申请日 2020.12.29(71)申请人 江苏远洋药业股份有限公司地址 215500 江苏省苏州市常熟市支塘镇工业园区(72)发明人 陆昌元 陆剑平 王建峰 温建华 陈文如 任举 (74)专利代理机构 苏州诚逸知识产权代理事务所(特殊普通合伙) 32313代理人 徐超群(51)Int.Cl.C07C 303/02(2006.01)C07C 309/14(2006.01)C07C 303/44(2006.01)(54)发明名称一种环氧乙烷法制备牛磺酸的优化工艺(57)摘要本发明公开了一种环氧乙烷法制备牛磺酸的优化工艺,所述环氧乙烷法制备牛磺酸的优化工艺包括以下步骤:步骤一、将环氧乙烷与亚硫酸氢钠水溶液反应后置的羟乙基磺酸铵溶液,然后氨解得到牛磺酸钠水溶液;步骤二、调节所述牛磺酸钠水溶液的PH值为5~6之间,然后所述牛磺酸钠水溶液相接过阳离子交换树脂和阴离子交换树脂,分贝去除溶液中的钠离子和亚硫酸根离子得到牛磺酸水溶液;步骤三、向所述步骤二中得到牛磺酸水溶液中减压浓缩至饱和状态,然后降温析出牛磺酸晶体;步骤四、使用冷水冲洗所述牛磺酸粗晶,干燥后得到成品。
通过上述方式,本发明能够直接得到高纯度的牛磺酸晶体,不需要进一步精制即可作为产品使用。
权利要求书1页 说明书2页CN 112661674 A 2021.04.16C N 112661674A1.一种环氧乙烷法制备牛磺酸的优化工艺,其特征在于,所述环氧乙烷法制备牛磺酸的优化工艺包括以下步骤:步骤一、将环氧乙烷与亚硫酸氢钠水溶液反应后置的羟乙基磺酸铵溶液,然后氨解得到牛磺酸钠水溶液;步骤二、调节所述牛磺酸钠水溶液的PH值为5~6之间,然后所述牛磺酸钠水溶液相接过阳离子交换树脂和阴离子交换树脂,分贝去除溶液中的钠离子和亚硫酸根离子得到牛磺酸水溶液;步骤三、向所述步骤二中得到牛磺酸水溶液中减压浓缩至饱和状态,然后降温析出牛磺酸晶体;步骤四、使用冷水冲洗所述牛磺酸粗晶,干燥后得到成品。
牛磺酸的生产工艺
牛磺酸是一种重要的氨基酸,主要用于保健品、食品添加剂、医药领域等。
其生产工艺主要包括以下几个步骤:
1. 材料准备:牛磺酸的常用原料一般为牛角、牛骨、牛肉、牛血等,这些材料需要进行初步处理,如研磨、清洗等,以获得纯度较高的原料。
2. 牛角提取:将经过初步处理的牛角进行切割、洗净,然后经过高温蒸煮,将其内部的骨骼、脂肪等杂质去除,获得较纯净的牛角骨质。
3. 水解反应:将获得的牛角骨质进行加热,加入酸或碱等催化剂,进行水解反应。
水解反应一般在高温高压条件下进行,以提高反应速度和产率。
水解反应会将牛角骨质中的蛋白质分解成多肽和氨基酸。
4. 进一步提纯:将水解反应得到的混合物进行过滤、离心、除杂等处理,去除其中的杂质。
然后通过酸碱调节、沉淀、析出等方法,将牛磺酸从混合物中分离出来。
5. 结晶和干燥:将分离出来的牛磺酸溶液进行结晶处理,通过降温或加入溶剂等方式,将牛磺酸分离出来并形成结晶体。
结晶后的牛磺酸需要进行洗涤、过滤等处理,最后通过烘干或真空干燥等方法,得到成品牛磺酸。
6. 包装和储存:将干燥得到的牛磺酸产品进行包装,一般采用
密封包装,以防止水分和氧气的进入,避免牛磺酸的氧化和湿润。
然后将包装好的牛磺酸存放在干燥、阴凉的环境中,以保持其稳定性和质量。
需要说明的是,牛磺酸的生产工艺可能因生产厂家或产品要求的不同而有所差异,上述过程仅为一般性描述,具体工艺参数和操作步骤会根据实际情况而有所调整。
此外,生产过程中需要按照相关法律法规,确保产品的质量和安全性。
牛磺酸生产新工艺
随着人们对健康意识的不断提高,牛磺酸作为保健品和营养补充剂的需求不断增加。
而牛磺酸的生产工艺也在不断进行改良和创新,旨在提高生产效率和降低成本。
下面介绍一种新的牛磺酸生产工艺:
1. 原料准备
首先,需要准备好牛磺酸生产的原料。
通常使用牛胆汁作为原料,然后经过酸解、脱色、蒸发等一系列操作得到纯化的牛磺酸。
2. 酸解过程
将牛胆汁加入反应釜中,加入适量的酸洗涤液进行酸解反应。
通过调节反应温度、酸液浓度等参数,控制反应时间和产物纯度。
3. 脱色处理
将酸解后的产物通过滤网过滤去除固体杂质,然后加入适量的脱色剂进行脱色处理。
常用的脱色剂有活性炭和硅藻土等。
4. 浓缩蒸发
脱色后的产物需要进行浓缩和蒸发处理,将水分挥发出去,得到浓缩后的牛磺酸。
5. 结晶制备
将浓缩后的牛磺酸在适当的条件下进行结晶制备,得到纯净的结晶牛磺酸。
6. 干燥包装
最后,将结晶的牛磺酸进行干燥处理,使其水分达到一定标准,然后进行包装和保存。
以上就是新的牛磺酸生产工艺的主要步骤。
相比传统的工艺,这种工艺具有生产效率高、产品纯度高、工艺参数易控制等优点。
因此,在未来生产牛磺酸的过程中,这种新的工艺将会得到更加广泛的应用。
牛磺酸的工艺流程下载温馨提示:该文档是我店铺精心编制而成,希望大家下载以后,能够帮助大家解决实际的问题。
文档下载后可定制随意修改,请根据实际需要进行相应的调整和使用,谢谢!并且,本店铺为大家提供各种各样类型的实用资料,如教育随笔、日记赏析、句子摘抄、古诗大全、经典美文、话题作文、工作总结、词语解析、文案摘录、其他资料等等,如想了解不同资料格式和写法,敬请关注!Download tips: This document is carefully compiled by theeditor. I hope that after you download them,they can help yousolve practical problems. The document can be customized andmodified after downloading,please adjust and use it according toactual needs, thank you!In addition, our shop provides you with various types ofpractical materials,such as educational essays, diaryappreciation,sentence excerpts,ancient poems,classic articles,topic composition,work summary,word parsing,copy excerpts,other materials and so on,want to know different data formats andwriting methods,please pay attention!牛磺酸的工艺流程及实际应用情况一、原料准备阶段1. 采购原料:施工人员需要根据生产需求采购所需的牛磺酸原料,如牛磺酸钠、硫酸、氯化钠等。
20000t/a牛磺酸项目的工艺设计摘要:牛磺酸是名贵中药“牛黄”的重要成分之一,具有广泛的医疗和营养保健作用。
该产品需求量很大。
本设计通过延续国内大多牛磺酸生产厂家的合成路线即用乙醇胺和浓硫酸为酯化原料合成2-氨乙基硫酸酯(AES),用AES和亚硫酸钠经磺化得牛磺酸溶液的工艺路线。
乙醇胺酯化法合成牛磺酸具有原料易得、成本低、合成工艺简单、设备投资少等特点。
然而该法在工业化生产中依然存在许多问题,如反应时间过长,产物难以分离等。
本设计分别对牛磺酸合成过程中的酯化、磺化反应以及产物分离技术进行了研究,且对酯化反应和产物分离过程的工艺条件进行了优化。
在对牛磺酸溶液的处理中,将电渗析技术引用到了除盐纯化牛磺酸过程。
关键词:酯化; 磺化; 产物分离; 电渗析; 反应釜Process Design 20000 t/a Taurine ProjectAbstract: Taurine is one of the vital components of bezoar which is a Chinese traditional medicine that is good for medical treatment and health care .There is a great for it.The domestic preparation method for taurine of 2-amino-ethyl sulfuric ester (AES), following sulfonation with Na2SO3to get the taurine liquid.Synthesis technics of Taurine from ethanolamine has been considered to be an important process for further use of the technology because of low the characteristics of raw materials to be widely and low costs as well as simple technology.Unfortunately, there still some challenges to overcome the problems of which reaction time is too long and the yield of separated products is lower. To solve these problems, esterification reaction, sulphonating reaction and separating process were studied respectively in this paper.As a result ,the conditions of esterification reaction and separation process were optimized.And introduces electrodialysis technique into the desalting purifying of taurine.Key words: esterification; sulphonating; separated products ; electrodialysis technique; reactor目录第一章文献综述 (5)1.1 牛磺酸简介 (5)1.1.1 牛磺酸的物理性质 (5)1.1.2 牛磺酸的化学性质 (5)1.1.3 牛磺酸的应用 (5)1.2 牛磺酸的生产 (6)1.3 牛磺酸的制备 (7)1.3.1 概述 (7)1.3.2 生产方法 (7)1.4 动力学方程 (11)1.5 工艺条件的选择 (13)1.5.1 反应条件的控制 (13)1.5.2 分离条件的选择 (14)1.6 工艺流程及反应器 (18)第二章牛磺酸生产工艺计算 (21)2.1 乙醇胺酯化法合成牛磺酸的简述 (21)2.2 反应原料浓度计算 (22)2.3 设计要求 (23)2.4 反应器的物料计算 (23)2.5 热量衡算 (26)2.5.1 热量衡算基础 (26)2.5.2 酯化反应热量衡算 (27)2.5.3 磺化反应热量衡算 (28)2.6 酯化体积计算 (29)第三章反应器的设计 (30)3.1 反应釜釜体的设计 (30)3.1.1 设备选型 (30)3.1.3 釜体DN、PN的确定 (30)3.1.4 釜体筒体壁厚的设计 (31)3.1.5 釜体封头的设计 (32)3.2 反应釜夹套的设计 (35)3.2.1 夹套的DN 、PN的确定 (35)3.2.2 夹套筒体的设计 (35)3.2.3 夹套封头的设计 (36)3.2.4 传热面积的校核 (36)3.3 反应釜釜体及夹套的压力试验 (36)3.3.1 釜体的水压试验 (36)3.3.2 夹套的液压试验 (38)3.4 反应釜附件的选型及尺寸设计 (39)3.4.1 釜体法兰联接结构的设计 (39)3.4.2 工艺接管的设计 (41)3.4.3 垫片尺寸及材质 (42)3.4.4 固体物料进口的设计 (43)3.4.5 视镜的设计 (44)3.4.6 支座的选型 (45)3.5 搅拌装置的选型与尺寸设计 (46)3.5.1 搅拌轴直径的初步计算 (46)3.5.2 搅拌轴临界转速校核计算 (46)3.5.3 联轴器的型式及尺寸的设计 (46)3.5.4 搅拌桨尺寸的设计 (47)3.5.5 搅拌轴的结构及尺寸的设计 (48)3.6 焊缝结构的设计 (50)3.6.1 釜体上主要焊缝结构的设计 (50)3.6.2 夹套上的焊缝结构的设计 (51)3.7 反应釜的装备图及部件图 (52)3.7.1 反应釜的装配图 (52)3.7.2 搅拌轴的部件图 (52)第四章本工艺中“三废”的处理 (54)4.1 废水的处理 (54)4.1.1 简介 (54)4.1.3 本工艺中的废水处理 (54)4.2 废气废渣的处理 (55)4.2.1 简介 (55)4.2.2 本工艺中的废气废渣处理 (55)第五章设计总结 (56)5.1 本次设计总结 (56)5.2 数据汇总 (56)参考文献 (58)致谢 (59)第一章文献综述1.1 牛磺酸简介1.1.1 牛磺酸的物理性质牛磺酸,无固定熔点,在300℃开始分解。
牛磺酸生产工艺牛磺酸是一种重要的功能性营养补充剂,对提高动物生产性能和提升人体健康有着广泛的应用。
下面将介绍牛磺酸的生产工艺。
牛磺酸的生产主要分为两个步骤:底物发酵和提取纯化。
底物发酵是牛磺酸生产的第一步,需要选取高效产牛磺酸菌株并进行培养。
常用的菌株包括牛磺酸菌、变异牛磺酸菌等。
培养基的选择对菌株的生长和产酸能力有着重要影响,通常选择含有合适碳源和氮源的培养基。
首先,将菌株预培养,在合适的培养条件下使菌株增殖到一定数量。
然后,将预培养的菌液接种到大规模发酵罐中进行大规模培养。
培养条件包括温度、酸碱度、氧气供应等,这些条件要根据具体菌株的生长特性进行调整。
培养过程中,菌株在合适的环境中进行代谢,产生大量牛磺酸。
提取纯化是牛磺酸生产的第二步,目的是从发酵液中将牛磺酸分离出来并提纯。
提取方法主要有普通酸提取法、动态微洗处理法和盐提法等。
在选择提取方法时,需要考虑产量、纯度和工艺难易度等因素。
普通酸提取法是目前应用广泛的一种方法。
具体操作步骤包括:将发酵液加入酸溶液中,经过搅拌后,牛磺酸会与酸形成盐酸盐的形式溶解在水相中,而其他杂质则残留在有机相中。
接下来,通过调整pH值,使其逐渐变为酸性,牛磺酸以游离酸的形式析出,经过过滤、洗涤、干燥等工艺步骤,最终得到牛磺酸产品。
最后,对得到的牛磺酸产品进行检验,包括含量测定、纯度检验以及微生物满足相关标准。
一般情况下,通过封装、包装等工艺手段,将牛磺酸产品包装成不同规格的成品,便于销售和运输。
总之,牛磺酸的生产工艺包括底物发酵和提取纯化两个步骤。
通过选择适宜的菌株和培养条件,将菌株培养至最佳状态,然后通过合适的提取方法将牛磺酸分离和提纯,最终得到优质的牛磺酸产品。
这一生产工艺能够满足市场需求,并为人们的健康提供保障。
牛磺酸的合成研究与应用前景摘要:牛磺酸依托于特有的化学性质而被广泛的应用在医药、食品、有机合成以及饲料等方面。
本文主要通过阐述几种牛磺酸的制备方法,并通过比较提出了牛磺酸合成研究方向以及应用前景。
关键字:牛磺酸合成应用前景一、概述对于牛磺酸人们往往将其称为牛胆素、牛胆碱、牛胆酸。
牛磺酸不仅具有可以有效的维持机体内的环境稳定,而且还对人类的中枢神经、免疫和内分泌系统等具有重要的调节作用。
基于此,牛磺酸不仅被广泛的应用在医疗、食品、饲料以及有机合成等领域之中,而且还可以用作荧光增白剂、湿润剂以及PH缓冲剂等方面。
二、牛磺酸的制备方法2.1生物中提取由于牛磺酸不溶于无水乙醇、易溶于水的性质,所以可以利用热水进行提取,离子交换提纯,在经过无水乙醇沉淀来获得白色针状结晶物的方式进行提取,此种方式主要应用在生物中的牛磺酸提取。
在生物组织中含有大量的牛磺酸,尤其是在牛胆汁中其牛磺酸的含量非常高,其通过与胆汁酸结合以牛磺胆酸的形式存在生物体中,所以,简单的分离方式显然不能满足提取要求,而需要将其水解之后再进行分离提取。
另外,据相关研究发现如下图,在海洋生物如蛤蜊、章鱼、海胆、牡蛎、鳗鱼等生物中也富含牛磺酸。
在海洋生物中其主要是以游离的形式存在,所以可以直接进行提取。
因为,海洋生物提取牛磺酸方式较为简单且含量丰富,所以,在海洋生物中提取牛磺酸逐渐成为人们研究的重点,海洋药物将逐渐成为一大经济产业。
2.2化学合成法在生物中提取牛磺酸由于受到原料来源、产量以及成本等因素的影响,导致目前主要是通过化学合成的方式来制备牛黄素。
据不完全统计,按照制备牛磺酸工艺以及原料的不同,可以有近二十种方式可以制备牛磺酸,如下图。
目前,乙醇胺法制备工艺由于原料获取较为方便、工艺流程简单且所需设备投资成本较低,因此,国内外一般都采用此方式来制备牛磺酸。
以乙醇胺为原料合成牛磺酸,按合成路线又分为酯化法和氯化法。
(1)酯化法:以乙醇胺、硫酸、亚硫酸钠为原料,首先硫酸与乙醇胺进行酯化反应,合成出中间体2-氨基乙基硫酸酯,中间体2-氨基乙基硫酸酯再与亚硫酸钠进行磺化反应合成牛磺酸。