金属型铸造工艺详解
- 格式:pptx
- 大小:2.03 MB
- 文档页数:45
第一节金属模铸造一、铸造原理金属型铸造俗称硬模铸造,是用金属材料制造铸型,并在重力下将熔融金属浇入铸型获得铸件的工艺方法。
由于一副金属型可以浇注几百次及至数万次,故金属型铸造又称为永久型铸造。
金属型铸造既适用于大批量生产形状复杂的铝合金、镁合金等非铁合金铸件,也适合于生产钢铁金属的铸件、铸锭等。
由于金属型铸造具有很多优点,故广泛地应用于发动机、仪表、农机等工业部门。
古代金属型称铁范。
近代的压力铸造、低压铸造、挤压铸造、离心铸造、连续铸造、真空吸铸等,虽然也应用金属型,但由于金属液不是在重力下充型,故各自形成了单独门类的特种铸造方法。
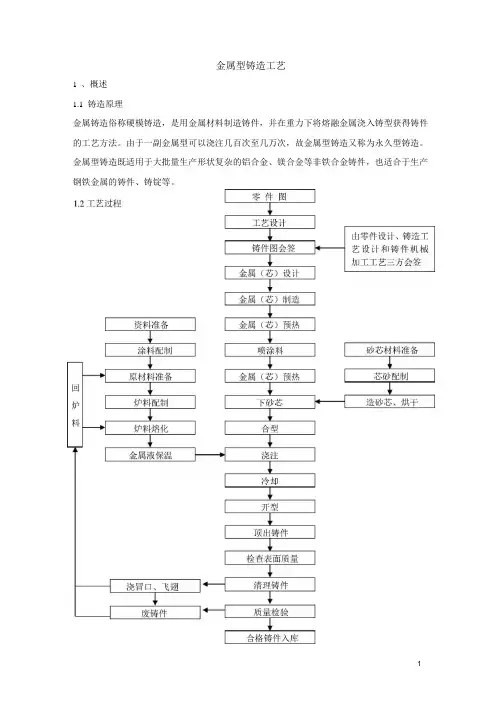
二、工艺过程金属型铸造工艺流程图如图所示。
三、铸造工艺特点(一)优点(1)金属型的热导率和热容量大,冷却速度快,铸件组织致密,力学性能比砂型铸高15%左右。
(2)能获得较高尺寸精度和较低表面粗糙度值的铸件,并且质量稳定性好,废品率低,工艺出品率高。
(3)因不用或很少用型砂,节省了型砂运输和型砂处理所需的费用和大量劳动力,减少了粉尘和有害气体的污染,改善了劳动环境。
(4)易于实现机械化、自动化、生产效率高,技术容易掌握,便于生产管理。
(二)缺点(1)金属型本身无透气性,必须采用一定的措施导出型腔中的空气和砂芯所产生的气体。
(2)金属型无退让性,铸件凝固时容易产生裂纹和变形,不适用于热裂倾向大的合金。
(3)金属型制造周长较大,成本较高。
因此只有在大量成批生产时,才能显示出好的经济效果。
表8-8-1 表8-8-5 给出了几种材料金属型铸造和砂型铸造件力学性能的比较。
四、铸造工艺应用范围(1)合金种类:除某些热裂倾向大的合金不宜采用金属型铸造外,所有的常用铸造合金都以用金属型铸造,特别是铝、镁合金应用最广。
(2)铸件形装和大小:金属型铸造一般适用于铸造不太复杂的零件。
铸造非铁合金可以铸造复杂的零件,如气冷式发动机的气缸盖、液压泵壳体、各种机匣等,钢铁金属只能铸造简单零件。
铝、镁合金铸件重量一般从几十克到几十千克,钢铁金属铸件由几千克到几百千克。
金属型铸造将金属液浇注到金属铸型中,待其冷却后获得铸件的方法叫金属型铸造。
由于金属型能反复使用很多次,又叫永久型铸造。
一、金属型的结构一般的,金属型用铸铁和铸钢制成。
铸件的内腔既可用金属芯、也可用砂芯。
金属型的结构有多种,如水平分型、重直分型及复合分型。
如图2.2所示。
其中垂直分型便于开设内浇口和取出铸件;水平分型多用来生产薄壁轮状铸件;复合分型的上半型是由垂直分型的两半型采用铰链连结而成,下半型为固定不动的水平底板,主要应用于较复杂铸件的铸造。
二、金属型铸造型的工艺特点金属型的导热速度快和无退让性,使铸件易产生浇不足、冷隔、裂纹及白口等缺陷。
此外,金属型反复经受灼热金属液的冲刷,会降低使用寿命,为此应采用以下辅助工艺措施。
1.预热金属型浇注前预热金属型,可减缓铸型的冷却能力,有利于金属液的充型及铸铁的石墨化过程。
生产铸铁件,金属型预热至250~350℃;生产有色金属件预热至100~250℃。
2.刷涂料为保护金属型和方便排气,通常在金属型表面喷刷耐火涂料层,以免金属型直接受金属液冲蚀和热作用。
因为调整涂料层厚度可以改变铸件各部分的冷却速度,并有利于金属型中的气体排出。
浇注不同的合金,应喷刷不同的涂料。
如铸造铝合金件,应喷刷由氧化锌粉、滑石粉和水玻璃制成的涂料;对灰铸铁件则应采用由石墨粉、滑石粉、耐火粘土粉及桃胶和水组成的涂料。
3.浇注金属型的导热性强,因此采用金属铸型时,合金的浇注温度应比采用砂型高出20~30℃。
一般的,铝合金为680℃~740℃;铸铁为1300℃~1370℃;锡青铜为1100~1150℃。
薄壁件取上限,厚壁件取下限。
铸铁件的壁厚不小于15mm,以防白口组织。
4.开型开型愈晚,铸件在金属型内收缩量愈大,取出采用困难,而且铸件易产生大的内应力和裂纹。
通常铸铁件的出型温度700~950℃,开型时间为浇注后10~60秒。
三、金属型铸造的特点和应用范围与砂型铸造相比,金属型铸造有如下优点:1、复用性好,可“一型多铸”,节省了造型材料和造型工时。
金属型铸造工艺1、概述1.1铸造原理金属铸造俗称硬模铸造,是用金属材料制造铸件,并在重力下将熔融金属浇入铸型获得铸件的工艺方法。
由于一副金属型可以浇注几百次至几万次,故金属型铸造又称为永久型铸造。
金属型铸造既适用于大批量生产形状复杂的铝合金、镁合金等非铁合金铸件,也适合于生产钢铁金属的铸件、铸锭等。
1.3工艺特点(1)优点1)金属型的热导率和热容量大,冷却速度快,铸件组织致密,力学性能比砂型铸件高15%左右。
2)能获得较高尺寸精度和较低表面粗糙度值的铸件,并且质量稳定性好。
3)因不用和很少用砂芯,改善环境、减少粉尘和有害气体、降低劳动强度。
(2)缺点1)金属型本身无透气性,必须采用一定的措施导出型腔中的空气和砂芯所产生的气体。
2)金属型无退让性,铸件凝固时容易产生裂纹3)金属型制造周期较长,成本较高。
因此只有在大量成批生产时,才能显示出好的经济效果。
1.4金属型铸件的一般要求金属型铸件最小壁厚(单位:mm)2.铸件工艺设计2.1基准面的选择基准面决定铸件各部分相对的尺寸位置。
所以选择铸造基面时,必须和铸件机械加工的加工基准面统一,其选择原则为:1)非全部加工的铸件,应尽量取非加工面作为基面。
因为加工面在加工过程中,尺寸会因加工而变动,所以可能将造成相对尺寸位置的变动。
而且铸件经过加工后,去掉的加工余面也不便检查。
2)采用非加工面作基面时,应该选尺寸变动最小、最可靠的面作基面。
用活块形成的铸件表面最好不选为基面。
3)基面应尽可能平整和光洁,不应当有残余浇冒口、毛刺、飞翅等。
4)全部加工的零件,应取加工余量最小的面作为基面,以保证机械加工时不至因加工余量不够而造成废品。
5)为了检验尺寸方便,最好是选择较大的平面作为基面,尽量避免选取弯曲的面,或是有铸造斜度的面为基面。
2.2铸件在金属型中的位置原则:①便于安放浇注系统,保证合金液平稳充满铸型②便于合金顺序凝固,保证补缩。
③使型芯(或活块)数量最少、安装方便、稳固、取出容易。
金属型铸造工艺流程金属型铸造是一种常见的铸造工艺,它采用金属型作为铸造模具,将熔化的金属注入模具中进行成形。
这种工艺具有成形精度高、表面质量好、生产效率高等优点,因此被广泛应用于汽车、航空、机械等领域。
一、模具制作金属型铸造的第一步是制作模具。
模具通常由铸铁、钢等金属制成,根据不同的铸造要求,可以采用单个模具或多个模具组合而成。
在制作模具的过程中,需要考虑到产品的设计要求、工艺要求、模具材料、尺寸精度等因素,以确保最终产品的质量。
二、熔炼金属熔炼金属是金属型铸造的第二步。
在熔炼过程中,需要选择合适的金属材料,并按照一定的比例加入合金元素、脱气剂等辅助材料,以提高金属的流动性、凝固性和耐热性等性能。
同时,还需要控制熔炼温度、保持一定的熔炼时间,以确保金属熔体的质量。
三、浇注成型在模具制作和金属熔炼完成后,就可以进行浇注成型了。
首先需要将模具加热至一定温度,以防止金属液在注入模具时迅速凝固。
然后将熔化的金属液倒入模具中,待金属液凝固后,即可将模具拆卸,取出成品。
四、清理和加工铸造完成后,还需要进行清理和加工。
清理工作主要包括切割、抛光、喷砂等,以去除模具留下的余料和浇注产生的毛刺等杂质。
加工工作则主要包括铣削、钻孔、车削等,以达到最终产品的尺寸精度和外观质量要求。
五、质量检验最后一步是对产品进行质量检验。
质量检验主要包括外观检查、尺寸测量、物理性能测试等,以确保产品符合设计要求和客户要求。
如果发现质量问题,需要及时进行调整和改进,以提高生产效率和产品质量。
金属型铸造工艺是一种精密的制造工艺,需要在每个环节上严格控制,以确保最终产品的质量。
在实际应用中,还需要不断改进和创新,以满足客户日益增长的需求和市场竞争的挑战。
金属铸造工艺详解液态金属浇注到与零件形状、尺寸相适应的铸型型腔中,待其冷却凝固,以获得毛坯或零件的生产方法,通常称为金属液态成形或铸造。
工艺流程:液体金属→充型→凝固收缩→铸件工艺特点:1、可生产形状任意复杂的制件,特别是内腔形状复杂的制件。
2、适应性强,合金种类不受限制,铸件大小几乎不受限制。
3、材料来源广,废品可重熔,设备投资低。
4、废品率高、表面质量较低、劳动条件差。
铸造分类:(1)砂型铸造(sand casting)砂型铸造:在砂型中生产铸件的铸造方法。
钢、铁和大多数有色合金铸件都可用砂型铸造方法获得。
工艺流程:砂型铸造工艺流程技术特点:1、适合于制成形状复杂,特别是具有复杂内腔的毛坯;2、适应性广,成本低;3、对于某些塑性很差的材料,如铸铁等,砂型铸造是制造其零件或,毛坯的唯一的成形工艺。
应用:汽车的发动机气缸体、气缸盖、曲轴等铸件(2)熔模铸造(investmentcasting)熔模铸造:通常是指在易熔材料制成模样,在模样表面包覆若干层耐火材料制成型壳,再将模样熔化排出型壳,从而获得无分型面的铸型,经高温焙烧后即可填砂浇注的铸造方案。
常称为“失蜡铸造”。
工艺流程:熔模铸造工艺流程工艺特点优点:1、尺寸精度和几何精度高;2、表面粗糙度高;3、能够铸造外型复杂的铸件,且铸造的合金不受限制。
缺点:工序繁杂,费用较高应用:适用于生产形状复杂、精度要求高、或很难进行其它加工的小型零件,如涡轮发动机的叶片等。
(3)压力铸造(die casting)压铸:是利用高压将金属液高速压入一精密金属模具型腔内,金属液在压力作用下冷却凝固而形成铸件。
工艺流程:工艺特点优点:1、压铸时金属液体承受压力高,流速快2、产品质量好,尺寸稳定,互换性好;3、生产效率高,压铸模使用次数多;4、适合大批大量生产,经济效益好。
缺点:1、铸件容易产生细小的气孔和缩松。
2、压铸件塑性低,不宜在冲击载荷及有震动的情况下工作;3、高熔点合金压铸时,铸型寿命低,影响压铸生产的扩大。
金属型铸造1. 引言金属型铸造是一种常见的工艺方法,用于制造金属零件和构件。
它涉及到将熔融金属倒入预先制备好的金属模具中,然后让其冷却和凝固。
金属型铸造可以提供各种形状和尺寸的金属零件,用于不同的工业领域。
在本文中,将对金属型铸造的过程和应用进行详细介绍。
2. 金属型铸造的过程金属型铸造的过程主要包括以下几个步骤:2.1 模具制备在金属型铸造中,模具是非常重要的。
模具可以根据所需的零件形状和尺寸,制备出适当的模具。
通常情况下,模具由耐高温材料制成,以便能够承受熔融金属的高温和压力。
2.2 熔炼金属金属型铸造的下一步是熔炼金属。
通常情况下,所用的金属是先通过高温加热熔化,然后加入合适的合金元素来改变其特性。
熔炼后的金属成为熔融金属,准备好注入模具。
2.3 注入模具一旦熔融金属准备好,它会被小心地倾倒到预先准备好的模具中。
倾倒过程需要小心操作,以确保熔融金属充满整个模具,同时避免产生气泡或其他缺陷。
2.4 冷却和凝固倾倒完熔融金属后,需要等待一段时间,让金属冷却和凝固。
这个过程很关键,因为它决定了最终金属零件的质量和特性。
冷却时间可以根据金属的类型和大小来确定。
2.5 模具分离一旦金属零件完全冷却和凝固,模具可以被分离。
通常情况下,模具被轻轻敲击或使用工具来分离。
这样就可以得到金属零件的最终形态。
3. 金属型铸造的应用金属型铸造在各个行业都有广泛的应用。
以下是一些常见的应用领域:3.1 汽车工业金属型铸造是汽车工业中最常见的工艺方法之一。
它可以用于制造发动机零件、车架和其他重要组件。
金属型铸造可以提供高强度和精度的零件,以满足汽车工业的要求。
3.2 航空航天工业在航空航天工业中,金属型铸造被广泛应用于制造航空发动机零件和飞行器构件。
这些零件需要具备高强度和耐高温性能,金属型铸造可以满足这些要求。
3.3 医疗器械金属型铸造在医疗器械制造中也扮演着重要角色。
例如,人工关节和牙科种植物等零件通常使用金属型铸造来制造。