UG草图练习[1]
- 格式:doc
- 大小:1.15 MB
- 文档页数:14
ug草图练习题100张UG草图练习题100张UG草图练习题100张是一套针对UG软件用户的设计练习题集。
UG软件是一款广泛应用于工业设计、机械设计等领域的三维建模软件。
通过UG草图练习题100张,用户可以提升自己的设计能力,熟悉UG软件的操作技巧,为自己的职业发展打下坚实的基础。
UG草图练习题100张的设计理念是以实用为导向,力求让用户在实际应用中获得真正的提升。
每一张练习题都是由经验丰富的设计师团队精心设计的,旨在让用户通过完成练习题,掌握不同类型的建模技巧和解决问题的方法。
UG草图练习题100张的题目涵盖了从简单到复杂的各种设计场景。
用户可以从最基础的二维草图开始,逐渐过渡到三维建模,最终完成具有一定难度的实际应用项目。
通过这些练习题,用户可以逐步提升自己的设计能力,培养解决问题的思维方式。
UG草图练习题100张的优势在于其全面的设计内容和灵活的使用方式。
用户可以根据自己的时间和需求,选择不同的练习题进行学习和实践。
练习题的难度也是逐渐递增的,用户可以根据自己的水平选择适合自己的练习题,避免了学习过程中的枯燥和无效。
UG草图练习题100张的使用方法也非常简单。
用户只需要下载练习题集,按照题目要求进行设计和建模,然后与参考答案进行对比和分析。
通过不断地实践和反思,用户可以更好地掌握设计技巧和软件操作方法。
UG草图练习题100张的学习不仅适用于初学者,也适用于已经具备一定经验的设计师。
对于初学者来说,练习题可以帮助他们快速掌握UG软件的基本操作和建模技巧。
对于有经验的设计师来说,练习题可以帮助他们发现和克服自己在设计过程中的不足之处,并提供新的思路和灵感。
UG草图练习题100张的价值不仅在于提升个人能力,还在于为用户创造更多的就业机会。
随着工业设计和机械设计领域的不断发展,对于掌握UG软件的设计师需求越来越大。
通过掌握UG软件和完成UG草图练习题100张,用户可以提高自己的竞争力,更好地适应市场需求。
UG草图练习一、一笔画出整体轮廓用“配置文件”,也就是轮廓线命令按钮绘制与所要求图形大致相似的整体轮廓。
二、形状约束用“约束”命令按钮约束整体轮廓与所要求图形近一步达到形状相似。
三、尺寸约束通过标注尺寸约束实现整体轮廓柜架与所要求图形完全一致。
可借助“延迟草图评估”工具防止标注尺寸约束时引起图形随尺寸变化过大而难以约束。
四、图形位置约束约束整体图形在系统坐标系中的定位。
五、补充图形细节在整体轮廓中,可添加局部细节图形,以便减少建模的草图数量。
28三.足球建模1.足球分析要建立足球模型,就要先分析足球,找出足球表面上各“图形”的分布有什么规律。
其实由图1可以看出,足球表面其实挺规则的,无非是边是弧形的“正五边形”和“正六边形”,而且直觉也可以告诉我们这些多边形的排布是有规律的,但具体规律是什么?这里不妨将足球模型做一简化,试想过足球表面各五边形和六边形牛皮的各个角分别创建平面,然后利用这些平面将多边形的球面部分削掉(如图2),这时就可以直观地看出这些多边形的边长是相等的,而且五边形的周围是五个六边形,每个五边形的顶点都通过一条棱与另一个五边形的一个顶点连接,所以可以设想过连接两个五边形的任意一条棱和球心建立一个平面,这时所谓的规律就一目了然了,由图2可以看出,该平面除了通过用来创建平面的棱外,还恰好通过正五边形和正六边形的高的方向,设用来创建平面的那条棱的两端点和六边形的对边中点分别为A、B、C和D(如图3),其仰视图如图4所示,以球心为原点建立如图4所示坐标系,过A、B两点,以原点O为圆心创建一个圆,显然这就是简化模型前足球的外轮廓,再创建一个与圆O同心,且与直线AB相切的圆,此时我们就会发现,C、D两点和A、B不在同一个圆上,而落在我们创建的第二个圆上,这又是为什么?细想就会发现,其实点C和D并没有在足球的表面,而是六边形的两对边的中点在仰视平面上的投影,那么为什么它们又恰好落在与AB相切的圆上呢?我们知道,在同一个圆内,长度相同的弦所对应的弦高也是相等的,对于一个球也一样,因为足球上的每条边的两端点的连线都是相等的,所以它们对应的弦高也相等,也就是说,直线AB的中点到外圆的距离和点C、D到外圆的距离是相等的,所以它们在同一个圆上。
用UG练习画图
UG
姓名: 周志靖
班级: 机械N091
学号: 200945679220
指导老师: 张海军
用UG练习画草图:在x-y平面上根据所给数据画图草图。
草图1
草图2
草图3
草图4
草图5
草图6
草图7
草图8
草图9
草图10
草图11
熟悉草图的画法之后,我们开始了画三维图:
三维图1 先画出底面草图
拉伸成下图所示:
再如下图画草图
继续拉伸
画草图
拉伸
在拉伸得到的面上画草图
继续拉伸
最终得到
三维图2
三维图3
三维图4
三维图5
三维图6
三维图7
三维图8
三维图9
三维图10
三维图11
三维图12
下面我们开始了曲面三维图的练习:
茶壶
洗发精瓶身
花瓶
五角星
扳手
下面开始了装配图的画法练习:就是在模型中画图装配的各个零件图然后组装起来
装配图
零件图1
零件图2
零件图3
零件图4
零件图5
装配图2
零件图1
零件图2
零件图3
零件图4
零件图5。
UG草图及相关练习本练习所使用的特别术语:MB1-鼠标左键:(Mouse Button 1)MB2-鼠标中键:(Mouse Button2)MB3-鼠标右键:(Mouse Button3)绘制如图所示的截面轮廓线;图层 (Layer) 管理-部件文件数据组织层的功用:分离数据,改善图形的显示和操作性能;层的设置选择格式 →图层设置,层的缺省设置显示为含有对象的图层;在对话框图层下面,列出了层名,层的状态和对象的数量;层的状态分为四种:(如下图所示)(1)可见,可选择;(2)设置为工作层;(3)使层不可见;(4)使层只可见,不可选择;1.选择格式→图层设置,出现图层设置对话框;系统在61层自动建立基准。
2.打开类别显示,系统自动建立5种类型层3.在对话框中的显示改为所有图层,观察对话框的变化;4.点击Solid前面的+号,展开,结果如图所示,系统自动建立实体层在:1~10层;其他层:11~20:片体,21~40:草图,41~60:曲线,61~80:基准5.选择格式→移动到图层,打开过滤器,按类型过滤器按钮6.在根据类型选择对话框中选择曲线,OK,7.按下全选按钮,选择所有的线,再OK(MB2);8.在图层移动对话框的目标图层或类别中输入41,再OK;9.重复步骤1,在层设置对话框中点击层41前面的红色勾,图形消失(隐藏),再点击层41前面的红色勾,图形出现;10.点击41层右面的仅可见方框红色勾,41层成为仅可见,不可选,OK确定;11.选择编辑→删除,选择图形,图形选不着,因为层41只可见,不可选择;选择Cancel,退出对话框;12.重复步骤1,去掉41层右面的仅可见方框红色勾,再点击名称下面41层前面的方框,41层成为可选,OK确定;13.选择Edit→ Delete,选择图形 (但不要OK),用Cancel退出,图形可选择;建立Part1-将平面曲线拉伸为实体模型:使用拉伸 (Extrude)命令建立Part11.选择Insert →Design Feature →Extrude,出现Extruded对话框(快捷键X);2.选择意图用相连曲线;选择任意一轮廓线。
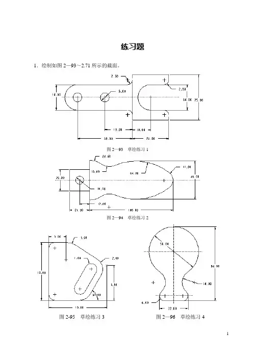
练习题1.绘制如图2—93~2.71所示的截面。
图2—93 草绘练习1图2—94 草绘练习2图2-95 草绘练习3 图2—96 草绘练习4图2-97 草绘练习5 图2—98 草绘练习6 图2-99 草绘练习7图2-100 草绘练习8 图2-101 草绘练习9 图2-102 草绘练习10练习题1.何为草绘平面和参考平面?二者有何要求?2.在Pro/E系统中,建立3D拉伸或旋转实体特征的一般步骤有哪些?3.创建拉伸特征时,有哪几种深度定义形式?在应用上有何区别?4.混合特征包括哪三种类型,各有何特点?5.新建文件时如何设置模型的单位制?如果当前模型采用的是英寸单位制,如何将其改为公制单位制,有哪两种形式?6.建立扫描特征时,其属性的定义与扫描轨迹线间有何关系?属性选项【Add Inn Fcs】和【No Inn Fcs】、【Merge Ends】和【Free Ends】各表示什么含义?7.利用拉伸、旋转、扫描和混合等方式,建立如图3-115~3.117所示的零件。
图3-115 建模练习1图3—116 建模练习2图3—117 建模练习38.利用平行混合方式,绘制三个截面(两两相距60)建立如图3-118所示的变形棱锥体。
图3-118 变形棱锥体9.利用旋转和平行混合,建立如图3—119所示的奔驰车标记。
图3—119 奔驰车标记练习题1.常用的放置型特征有哪些?2.直孔、草绘孔及标准孔三种圆孔类型,在创建的原理、步骤与方法上有何异同?3.说明4种倒角尺寸标注方式(44xd、dxd、d1xd2和Angxd)的各自含义与应用场合。
4.建立如图4-102~4—107所示的零件.图4—102 建模练习1图4-103 建模练习2图4-104 建模练习3 图4—105 建模练习4图4—106 建模练习4图4—107 建模练习6练习题1.在Pro/E中,常用的基准特征有哪几种?它们在三维建模中主要有何作用? 2.利用基准平面和基准轴,辅助建立如图5—65~图5-66所示的零件。
UG草图练习
一、一笔画出整体轮廓
用“配置文件”,也就是轮廓线命令按钮绘制与所要求图形大致相似的整体轮廓。
二、形状约束
用“约束”命令按钮约束整体轮廓与所要求图形近一步达到形状相似。
三、尺寸约束
通过标注尺寸约束实现整体轮廓柜架与所要求图形完全一致。
可借助“延迟草图评估”工具防止标注尺寸约束时引起图形随尺寸变化过大而难以约束。
四、图形位置约束
约束整体图形在系统坐标系中的定位。
五、补充图形细节
在整体轮廓中,可添加局部细节图形,以便减少建模的草图数量。
28
三.足球建模
1.足球分析
要建立足球模型,就要先分析足球,找出足球表面上各“图形”的分布有什么规律。
其实由图1可以看出,足球表面其实挺规则的,无非是边是弧形的“正五边形”和“正六边形”,而且直觉也可以告诉我们这些多边形的排布是有规律的,但具体规律是什么?这里不妨将足球模型做一简化,试想过足球表面各五边形和六边形牛皮的各个角分别创建平面,然后利用这些平面将多边形的球面部分削掉(如图2),这时就可以直观地看出这些多边形的边长是相等的,而且五边形的周围是五个六边形,每个五边形的顶点都通过一条棱与另一个五边形的一个顶点连接,所以可以设想过连接两个五边形的任意一条棱和球心建立一个平面,这时所谓的规律就一目了然了,由图2可以看出,该平面除了通过用来创建平面的棱外,还恰好通过正五边形和正六边形的高的方向,设用来创建平面的那条棱的两端点和六边形的对边中点分别为A、B、C和D(如图3),其仰视图如图4所示,以球心为原点建立如图4所示坐标系,过A、B两点,以原点O为圆心创建一个圆,显然这就是简化模型前足球的外轮廓,再创建一个与圆O同心,且与直线AB相切的圆,此时我们就会发现,C、D两点和A、B 不在同一个圆上,而落在我们创建的第二个圆上,这又是为什么?细想就会发现,其实点C 和D并没有在足球的表面,而是六边形的两对边的中点在仰视平面上的投影,那么为什么它们又恰好落在与AB相切的圆上呢?我们知道,在同一个圆内,长度相同的弦所对应的弦高也是相等的,对于一个球也一样,因为足球上的每条边的两端点的连线都是相等的,所以它们对应的弦高也相等,也就是说,直线AB的中点到外圆的距离和点C、D到外圆的距离是相等的,所以它们在同一个圆上。
那么在三维空间内图4中AB的长度和BC、CD的长度又有什么关系,这是我们建模的关键,找不到它们的关系就没办法建立草图,建模工作就不能走下去,下面我们就来分析一下它们之间的长度关系。
图4
2.关系计算
其实它们的关系也是比较简单的,因为BC和CD分别是正五边形和正六边形的高,且它们的边长与AB相等(如图5),设边长为a,则由它们的几何关系可以得出,正五边形的高h和正六边形的对边距离d分别为:
图5
下面就引用以上结果,在UG NX环境下利用草图功能来创建足球模型。
3.建模思路
建立参数化的足球模型可按以下思路进行:
由上面计算所得关系创建“基础草图”→利用拉伸等功能建出第一个六棱锥→通过镜像等操作建出所有六棱锥→利用草图等功能建出第一个五棱锥→通过镜像等操作建出所有五棱锥→旋转剪切产生足球轮廓→倒圆生成纹理产生逼真足球→利用表达式功能关联所有关键参数实现参数化。
4.“基本草图”创建
启动UG NX,进入建模模块(Modeling),将21层设为工作层,创建如图6所示的草图。
注意两个圆要同心,并要求直线p0水平切内圆,两端点在外圆上,p1一端与p0相连,另一端在内圆上,p2一端与p1相连,另一端在内圆的四分点上(如图6)。
再利用尺寸约束为p0添加一个尺寸(p0值任意给),然后就可以利用我们上面的计算结果分别定义p1和p2为:
p1=p0/2*(tan(54)+1/cos(54))
p2=p0*tan(60)
这样第一个草图就创建完了,单击完成草图(Finish Sketch)图标,退出草图创建环境。
图6
5.建立“正六边形草图”
在61层创建一个基准面,要求该基准面过直线p2,垂直p2中点与(x0,y0)的连线,然后在该平面上创建如图7所示,以p2为高的正六边形草图,要求p2的中点与正六边形的中心重合。
图7 图8 图9
6.建立所有六棱锥模型
接下来用前面的正六边形草图来创建六棱锥模型(如图9所示)。
当然创建该模型的方法有多种,相比之下剪切六棱柱的方法似乎更直观一些,所以这里就选择这种方法来创建第一个六棱锥模型。
另外为了更好地实现参数化,这里采用扫描(Sweep Along Guide)功能来创建如图8所示的六棱柱。
首先过p2的中点到点“基础草图”的圆心创建一条直线,然后利用扫描功能让正六边形草图沿该直线扫描出如图8所示的六棱柱,再分别过六棱柱的各边和上面提到的圆心建6个平面,然后利用修剪功能“剪”出如图9所示正六棱锥模型,并通过多次使用实例特征(Instance Feature )中的镜相(Mirror Feature)功能建出如图10所示的所有20个正六棱锥。
7.建立所有五棱锥模型
很显然,接下来只要想办法把实体上的12个正五棱锥状的洞填起来,整个足球就可以回到如图2所示形状。
当然要完成这样的任务,方法也是很多的,这里还用类似的扫描和修剪的方法来完成。
过任意一个五棱锥空洞的底面创建一基准面,用Project功能在该基准面上创建如图11所示的正五边形草图,然后再用与前面生成六棱锥相同的方法填上第一个空洞,再创建一系列平面,利用镜像功能生成所有五棱锥,为了使创建的足球模型更逼真,我们分别把所有的五棱锥和六棱锥的显示改成黑白两种颜色,这样一个带棱角的足球模型就建起来了(如图12)。
图10 图11 图12
8.旋转剪切产生更逼真的足球
可足球的表面也没有这么多棱啊!怎样去掉这些棱角呢?当然方法也是很多的,这里可以通过旋转如图13所示的半圆环草图来“切”出我们要的足球,但要求这个半圆环草图中的内外圆直径分别小于和大于基本草图中的内外圆直径,不过由于这些棱锥不可以合成一体,所以这个旋转剪切操作要重复多次才能得到图14所示的更逼真的足球,
图13 图14 图15
9.各面倒圆成型
图14看起来还是有些别扭—球表面还缺少牛皮连接处的纹理,下面我们就用倒圆工具(Blend)创建这些“纹理”来完成一个真正足球。
因为所有的棱锥是各自独立的,所以可以通过直接选择各棱锥的圆弧面在各边上生成半径相等的倒圆,如图15,这样整个足球就建出来了。