电子元器件基础知识
- 格式:docx
- 大小:29.96 KB
- 文档页数:9
电子元器件基础知识大全
1、电子元器件
电子元器件是一种用于电子设备的基本元素,由电路板、电子集成电路、电容器、电阻器、变压器、晶体管和开关等组成。
它们可以用来控制电子设备的功能和性能。
2、电路板
电路板是电子元器件的基础,它是一种由电子元件连接在一起的平面结构,用于连接电子元件,以实现电子设备的功能。
3、电子集成电路
电子集成电路是由一组电子元件集成在一个小型的半导体器件上,它可以实现电子设备的多种功能。
4、电容器
电容器是一种电子元件,它可以存储电能,并在需要的时候释放出来。
它们常用于滤波器和电源线路中,以防止电路中的颠簸。
5、电阻器
电阻器是一种电子元件,它可以限制电路中通过的电流,以稳定电路的电压和电流。
它们常用于电源线路和控制电路中,以防止过载和短路。
6、变压器
变压器是一种电子元件,它可以将一个电压转换为另一个电压,以满足电子设备的需求。
它们常用于电源线路中,以提供不同
的电压。
7、晶体管
晶体管是一种电子元件,它可以控制电路中的电流,从而实现电子设备的功能。
它们常用于控制电路中,以控制电子设备的功能和性能。
8、开关
开关是一种电子元件,它可以控制电路中的电流,从而实现电子设备的开启和关。
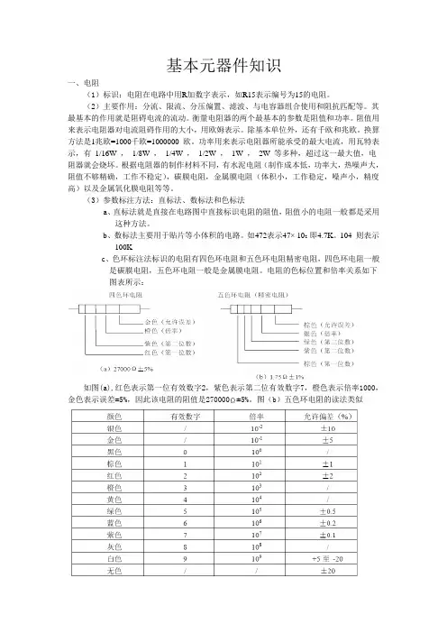
基本元器件知识一、电阻(1)标识:电阻在电路中用R加数字表示,如R15表示编号为15的电阻。
(2)主要作用:分流、限流、分压偏置、滤波、与电容器组合使用和阻抗匹配等。
其最基本的作用就是阻碍电流的流动。
衡量电阻器的两个最基本的参数是阻值和功率。
阻值用来表示电阻器对电流阻碍作用的大小,用欧姆表示。
除基本单位外,还有千欧和兆欧。
换算方法是1兆欧=1000千欧=1000000 欧。
功率用来表示电阻器所能承受的最大电流,用瓦特表示,有1/16W ,1/8W ,1/4W ,1/2W ,1W ,2W 等多种,超过这一最大值,电阻器就会烧坏。
根据电阻器的制作材料不同,有水泥电阻(制作成本低,功率大,热噪声大,阻值不够精确,工作不稳定),碳膜电阻,金属膜电阻(体积小,工作稳定,噪声小,精度高)以及金属氧化膜电阻等等。
(3)参数标注方法:直标法、数标法和色标法a、直标法就是直接在电路图中直接标识电阻的阻值,阻值小的电阻一般都是采用这种方法。
b、数标法主要用于贴片等小体积的电路。
如472表示47× 102 即4.7K。
104 则表示100Kc、色环标注法标识的电阻有四色环电阻和五色环电阻精密电阻,四色环电阻一般是碳膜电阻,五色环电阻一般是金属膜电阻。
电阻的色标位置和倍率关系如下图表所示:如图(a),红色表示第一位有效数字2,紫色表示第二位有效数字7,橙色表示倍率1000,金色表示误差±5%,因此该电阻的阻值是270000±5%。
图(b)五色环电阻的读法类似除了上面介绍的常用普通电阻之外,还有一些特殊用途的电阻,例如:压敏电阻,热敏电阻,光敏电阻,这些特殊的电阻的阻值会随着电压,温度,光照强度的变化而变化。
二、电容(1)电容在电路中一般用C 加数字表示,如C25表示编号为25的电容。
电容是由两片金属膜紧靠,中间用绝缘材料隔开而组成的元件。
(2)电容的特性主要是隔直流通交流,电容容量的大小就是表示能贮存电能的大小,基本单位用法拉F表示,其它单位还有毫法(mF),微法(uF),纳法(nF),皮法(pF)。
电子元器件基础知识第一篇:电子元器件基础知识1. 电子元器件的种类电子元器件是指用于电子设备中的各种组件,包括半导体器件、电容器、电阻器、电感器、变压器、晶体管、二极管、三极管、集成电路等几十种,每种电子元器件都有其特殊的功能和用途。
2. 电子元器件的作用电子元器件是构成电子设备的基础,不同的元器件具有不同的作用。
例如,半导体器件可以控制电流的通过,实现电路的开关功能;电容器可以储存电能,实现能量的转换;电阻器可以调节电路中的电压和电流;电感器可以产生电场和磁场,被广泛应用于变压器和电源等方面。
3. 电子元器件的工作原理电子元器件的工作原理基本上都是基于物理的原理,例如,半导体器件的工作原理是利用电子、空穴和杂质之间的复杂相互作用、电容器的工作原理是利用电场的效应,电阻器的工作原理是利用电流通过材料的阻力效应,电感器的工作原理是利用磁场的效应等等。
4. 电子元器件的分类电子元器件根据其用途和功能的不同,可以分成几大类,例如,功率元器件、信号元器件、封装元器件、芯片元器件等等。
其分类标准包括尺寸、电气性能、功能、材料、工作环境、结构等因素。
5. 电子元器件的选型选择适当的电子元器件是组成各种电路的关键所在。
正确的选型应该考虑电气规格、尺寸、质量、价格和供应等因素。
根据实际需求,可以通过参考电子元器件数据手册、供应商提供的技术参数、试验和模拟仿真等手段,选择最适合的电子元器件。
6. 常用电子元器件的名称和图示电子元器件的命名方式有时比较独特,例如罗马数字、字母等。
通过电子元器件的标识,可以快速准确地进行元器件的售后维修、更换和选型。
常见的电子元器件还包括二极管、电容器、电阻器、电感器、晶体管、集成电路等。
第二篇:电子元器件的应用领域1. 电子元器件在通信领域的应用通信领域是电子元器件的主要应用领域之一。
在通信领域,电子元器件主要用于移动通信、室内通信、卫星通信、电视广播、无线电广播、军事通信等。
应用的电子元器件包含了射频芯片、Baseband芯片、功率放大器、滤波器、晶振、电容器等。
电子元器件基础知识一 .常见元器件类型:1. 二极管、三极管、电阻、电容、电感、晶振或钟振、IC 、插座等。
二、PCB 和PCBA 的定义:1. PCB :未贴片或未插件的基板叫PCB 。
2. PCBA :已插件或贴片的板叫PCBA 。
三、元器件的介绍:1. 电阻Resistance (Ω) 1.1. 什么叫电阻:电子在物体内流动所遇到的阻力就叫电阻,就象水在水管中流动必须克服管壁或其它障碍物对水流动的阻力一样。
1.2.电阻的单位:欧姆简称“欧”,用字母R 表示为计算方便常用于千欧(K Ω),兆欧(M Ω)为单位。
1兆欧=1000千欧=1000000欧1.3.欧姆定律:电阻两端的电压与电流成正比,即R =U/I 。
1.4. 阻值:电流流过时对其阻碍作用大小的一个数值。
阻值多半都用数值标在电阻上,也有是用色环来表示阻值的. 各种颜色对应的数值色环电阻的读法:从最靠近引脚的色环开始读起.误差一般用金,银表示. 色环电阻阻值识别方法:A,普通电阻用四色环表示阻值,其中第一第二色环为有效数字第三色环为倍率第四位为误差. B,精密电阻用五色环表示阻值,前三色环为有效数字第四色环为倍率第五位色环为误差. 1.5电阻的种类:固定电阻、可变电阻、敏感电阻等。
1.5.1固定电阻:这种电阻的阻值是固定不变的.色环电阻(330Ω) 色环电阻网络电阻水泥电阻1.5.2可变电阻:这种电阻的阻值,可以在一定范围内变化a. 可滑动式电阻b. 可变线绕电阻电位器(可变电阻)3敏感电阻:它的阻值受环境温度的影响特别显著符号如图所示,它们各自会随着光强弱,电压高低,气体性质,磁场变化等而产生变化。
压敏电阻热敏电阻1.6插件方法:电阻在一般情况下没有方向的要求,在插件时只要插入相应的回路。
色环电阻的插法水泥电阻的插法2.电容Capacitance(C)2.1什么是电容:电容器是一种能储存电能的元件。
它是由两块互相靠近但彼此绝缘的金属片组成的.2.2电容的单位:“法拉”简称“法”,用字母“F”或“f”来表示。
电子元器件基础知识一、电阻电阻在电路中用“R”加数字表示,如:R15表示编号为15的电阻。
电阻在电路中的主要作用为分流、限流、分压、偏置、滤波(与电容器组合使用)和阻抗匹配等。
1.参数识别:电阻的单位为欧姆(Ω),倍率单位有:千欧(KΩ),兆欧(MΩ)等。
换算方法是:1兆欧=1000千欧=1000000欧电阻的参数标注方法有3种,即直标法、色标法和数标法。
1.数标法主要用于贴片等小体积的电路,如:472 表示 47×102Ω(即4.7K); 104则表示100K2.色环标注法使用最多,现举例如下:四色环电阻五色环电阻(精密电阻)2.电阻的色标位置和倍率关系如下表所示:颜色有效数字倍率允许偏差(%)银色 / 10-2 ±10金色 / 10-1 ±5黑色 0 100 /棕色 1 101 ±1红色 2 102 ±2橙色 3 103 /黄色 4 104 /绿色 5 105 ±0.5蓝色 6 106 ±0.2紫色 7 107 ±0.1灰色 8 108 /白色 9 109 +5至 -20无色 / / ±20二、电容1、电容在电路中一般用“C”加数字表示(如C25表示编号为25的电容)。
电容是由两片金属膜紧靠,中间用绝缘材料隔开而组成的元件。
电容的特性主要是隔直流通交流。
电容容量的大小就是表示能贮存电能的大小,电容对交流信号的阻碍作用称为容抗,它与交流信号的频率和电容量有关。
容抗XC=1/2πf c (f表示交流信号的频率,C表示电容容量)电话机中常用电容的种类有电解电容、瓷片电容、贴片电容、独石电容、钽电容和涤纶电容等。
2、识别方法:电容的识别方法与电阻的识别方法基本相同,分直标法、色标法和数标法3种。
电容的基本单位用法拉(F)表示,其它单位还有:毫法(mF)、微法(uF)、纳法(nF)、皮法(pF)。
其中:1法拉=103毫法=106微法=109纳法=1012皮法。
常用电子元器件基础知识第一章常用电子元器件的识别一、电阻电阻在电路中用“R”加数字表示,如:R1表示编号为1的电阻。
电阻在电路中的主要作用为:分流、限流、分压、偏置等。
1、参数识别:电阻的单位为欧姆(Ω),倍率单位有:千欧(KΩ),兆欧(MΩ)等。
换算方法是:1兆欧=1000千欧=1000000欧电阻的参数标注方法有3种,即直标法、色标法。
a、直标法主要用于贴片等小体积的电路,如:472 表示47×100Ω(即4.7K);104则表示100K1.用3-4位阿拉伯数字来标注电阻的阻值。
不管用3位或4位,最后1位一定表示阻值的倍率,其佘的表示阻值的有效数字如:203表示20b、色环标注法使用最多,现举例如下:四色环电阻五色环电阻(精密电阻)2、电阻的色标位置和倍率关系如下表所示:颜色有效数字倍率允许偏差(%)银色/ x0.01 ±10金色/ x0.1 ±5黑色0 +0 /棕色1 x10 ±1红色2 x100 ±2橙色3 x1000 /黄色4 x10000 /绿色5 x100000 ±0.5蓝色6 x1000000 ±0.2紫色7 x ±0.1灰色8 x0白色9 x00二、电容1、电容在电路中一般用“C”加数字表示(如C13表示编号为13的电容)。
电容是由两片金属膜紧靠,中间用绝缘材料隔开而组成的元件。
电容的特性主要是隔直流通交流。
电容容量的大小就是表示能贮存电能的大小,电容对交流信号的阻碍作用称为容抗,它与交流信号的频率和电容量有关。
容抗XC=1/2πf c (f表示交流信号的频率,C表示电容容量)电话机中常用电容的种类有电解电容、瓷片电容、贴片电容、独石电容、钽电容和涤纶电容等。
2、识别方法:电容的识别方法与电阻的识别方法基本相同,分直标法、色标法和数标法3种。
电容的基本单位用法拉(F)表示,其它单位还有:毫法(mF)、微法(uF)、纳法(nF)、皮法(pF)。
时需Sr彳电子元器件基础知识一一继电器一、继电器的工作原理和特性继电器是一种电子控制器件,它具有控制系统(又称输入回路)和被控制系统(又称输岀回路),通常应用于自动控制电路中,它实际上是用较小的电流去控制较大电流的一种自动开关”。
故在电路中起着自动调节、安全保护、转换电路等作用。
i、电磁继电器的工作原理和特性电磁式继电器一般由铁芯、线圈、衔铁、触点簧片等组成的。
只要在线圈两端加上一定的电压,线圈中就会流过一定的电流,从而产生电磁效应,衔铁就会在电磁力吸引的作用下克服返回弹簧的拉力吸向铁芯,从而带动衔铁的动触点与静触点(常开触点)吸合。
当线圈断电后,电磁的吸力也随之消失,衔铁就会在弹簧的反作用力返回原来的位置,使动触点与原来的静触点(常闭触点)吸合。
这样吸合、释放,从而达到了在电路中的导通、切断的目的。
对于继电器的常开、常闭”触点,可以这样来区分:继电器线圈未通电时处于断开状态的静触点,称为常开触点”;处于接通状态的静触点称为常闭触点”。
2、热敏干簧继电器的工作原理和特性热敏干簧继电器是一种利用热敏磁性材料检测和控制温度的新型热敏开关。
它由感温磁环、恒磁环、干簧管、导热安装片、塑料衬底及其他一些附件组成。
热敏干簧继电器不用线圈励磁,而由恒磁环产生的磁力驱动开关动作。
恒磁环能否向干簧管提供磁力是由感温磁环的温控特性决定的。
3、固态继电器(SSR )的工作原理和特性固态继电器是一种两个接线端为输入端,另两个接线端为输岀端的四端器件,中间采用隔离器件实现输入输岀的电隔离。
固态继电器按负载电源类型可分为交流型和直流型。
按开关型式可分为常开型和常闭型。
按隔离型式可分为混合型、变压器隔离型和光电隔离型,以光电隔离型为最多。
二、继电器主要产品技术参数1、额定工作电压是指继电器正常工作时线圈所需要的电压。
根据继电器的型号不同,可以是交流电压,也可以是直流电压。
2、直流电阻是指继电器中线圈的直流电阻,可以通过万能表测量。
3、吸合电流是指继电器能够产生吸合动作的最小电流。
在正常使用时,给定的电流必须略大于吸合电流,这样继电器才能稳定地工作。
而对于线圈所加的工作电压,一般不要超过额定工作电压的 1.5倍,否则会产生较大的电流而把线圈烧毁。
4、释放电流是指继电器产生释放动作的最大电流。
当继电器吸合状态的电流减小到一定程度时,继电器就会恢复到未通电的释放状态。
这时的电流远远小于吸合电流。
5、触点切换电压和电流是指继电器允许加载的电压和电流。
它决定了继电器能控制电压和电流的大小,使用时不能超过此值,否则很容易损坏继电器的触点。
三、继电器测试1、测触点电阻用万能表的电阻档,测量常闭触点与动点电阻,其阻值应为0 ;而常开触点与动点的阻值就为无穷大。
由此可以区别岀那个是常闭触点,那个是常开触点。
2、测线圈电阻可用万能表RX10Q档测量继电器线圈的阻值,从而判断该线圈是否存在着开路现象。
3、测量吸合电压和吸合电流找来可调稳压电源和电流表,给继电器输入一组电压,且在供电回路中串入电流表进行监测。
慢慢调高电源电压,听到继电器吸合声时,记下该吸合电压和吸合电流。
为求准确,可以试多几次而求平均值。
4、测量释放电压和释放电流也是像上述那样连接测试,当继电器发生吸合后,再逐渐降低供电电压,当听到继电器再次发生释放声音时,记下此时的电压和电流,亦可尝试多几次而取得平均的释放电压和释放电流。
一般情况下,继电器的释放电压约在吸合电压的10〜50 %,如果释放电压太小(小于1/10的吸合电压),则不能正常使用了,这样会对电路的稳定性造成威胁,工作不可靠。
四、继电器的电符号和触点形式继电器线圈在电路中用一个长方框符号表示,如果继电器有两个线圈,就画两个并列的长方框。
同时在长方框内或长方框旁标上继电器的文字符号J”继电器的触点有两种表示方法:一种是把它们直接画在长方框一侧,这种表示法较为直观。
另一种是按照电路连接的需要,把各个触点分别画到各自的控制电路中,通常在同一继电器的触点与线圈旁分别标注上相同的文字符号,并将触点组编上号码,以示区别。
继电器的触点有三种基本形式:1. 动合型(H型)线圈不通电时两触点是断开的,通电后,两个触点就闭合。
以合字的拼音字头“ H表示2. 动断型(D型)线圈不通电时两触点是闭合的,通电后两个触点就断开。
用断字的拼音字头“ D”示。
3. 转换型(Z型)这是触点组型。
这种触点组共有三个触点,即中间是动触点,上下各一个静触点。
线圈不通电时,动触点和其中一个静触点断开和另一个闭合,线圈通电后,动触点就移动,使原来断开的成闭合,原来闭合的成断开状态,达到转换的目的。
这样的触点组称为转换触点。
用转”字的拼音字头“z表示五、继电器的选用1. 先了解必要的条件:①控制电路的电源电压,能提供的最大电流;②被控制电路中的电压和电流;③被控电路需要几组、什么形式的触点。
选用继电器时,一般控制电路的电源电压可作为选用的依据。
控制电路应能给继电器提供足够的工作电流,否则继电器吸合是不稳定的。
2. 查阅有关资料确定使用条件后,可查找相关资料,找岀需要的继电器的型号和规格号。
若手头已有继电器,可依据资料核对是否可以利用。
最后考虑尺寸是否合适。
3. 注意器具的容积。
若是用于一般用电器,除考虑机箱容积外,小型继电器主要考虑电路板安装布局。
对于小型电器,如玩具、遥控装置则应选用超小型继电器产品。
一、继电器(relay)的工作原理和特性当输入量(如电压、电流、温度等)达到规定值时,使被控制的输岀电路导通或断开的电器。
可分为电气量(如电流、电压、频率、功率等)继电器及非电气量(如温度、压力、速度等)继电器两大类。
具有动作快、工作稳定、使用寿命长、体积小等优点。
广泛应用于电力保护、自动化、运动、遥控、测量和通信等装置中。
继电器是一种电子控制器件,它具有控制系统(又称输入回路)和被控制系统(又称输岀回路),通常应用于自动控制电路中,它实际上是用较小的电流去控制较大电流的一种自动开关”。
故在电路中起着自动调节、安全保护、转换电路等作用。
1、电磁继电器的工作原理和特性电磁式继电器一般由铁芯、线圈、衔铁、触点簧片等组成的。
只要在线圈两端加上一定的电压,线圈中就会流过一定的电流,从而产生电磁效应,衔铁就会在电磁力吸引的作用下克服返回弹簧的拉力吸向铁芯,从而带动衔铁的动触点与静触点(常开触点)吸合。
当线圈断电后,电磁的吸力也随之消失,衔铁就会在弹簧的反作用力返回原来的位置,使动触点与原来的静触点(常闭触点)吸合。
这样吸合、释放,从而达到了在电路中的导通、切断的目的。
对于继电器的常开、常闭”触点,可以这样来区分:继电器线圈未通电时处于断开状态的静触点,称为常开触点”处于接通状态的静触点称为常闭触点”2、热敏干簧继电器的工作原理和特性热敏干簧继电器是一种利用热敏磁性材料检测和控制温度的新型热敏开关。
它由感温磁环、恒磁环、干簧管、导热安装片、塑料衬底及其他一些附件组成。
热敏干簧继电器不用线圈励磁,而由恒磁环产生的磁力驱动开关动作。
恒磁环能否向干簧管提供磁力是由感温磁环的温控特性决定的。
3、固态继电器(SSR)的工作原理和特性固态继电器是一种两个接线端为输入端,另两个接线端为输岀端的四端器件,中间采用隔离器件实现输入输岀的电隔离。
固态继电器按负载电源类型可分为交流型和直流型。
按开关型式可分为常开型和常闭型。
按隔离型式可分为混合型、变压器隔离型和光电隔离型,以光电隔离型为最多。
二、继电器主要产品技术参数1、额定工作电压是指继电器正常工作时线圈所需要的电压。
根据继电器的型号不同,可以是交流电压,也可以是直流电压。
2、直流电阻是指继电器中线圈的直流电阻,可以通过万能表测量。
3、吸合电流是指继电器能够产生吸合动作的最小电流。
在正常使用时,给定的电流必须略大于吸合电流,这样继电器才能稳定地工作。
而对于线圈所加的工作电压,一般不要超过额定工作电压的 1.5倍,否则会产生较大的电流而把线圈烧毁。
4、释放电流是指继电器产生释放动作的最大电流。
当继电器吸合状态的电流减小到一定程度时,继电器就会恢复到未通电的释放状态。
这时的电流远远小于吸合电流。
5、触点切换电压和电流是指继电器允许加载的电压和电流。
它决定了继电器能控制电压和电流的大小,使用时不能超过此值,否则很容易损坏继电器的触点。
三、继电器测试1、测触点电阻用万能表的电阻档,测量常闭触点与动点电阻,其阻值应为0,佣更加精确方式可测得触点阻值在100毫欧以内);而常开触点与动点的阻值就为无穷大。
由此可以区别出那个是常闭触点,那个是常开触点。
2、测线圈电阻可用万能表RX10Q档测量继电器线圈的阻值,从而判断该线圈是否存在着开路现象。
3、测量吸合电压和吸合电流找来可调稳压电源和电流表,给继电器输入一组电压,且在供电回路中串入电流表进行监测。
慢慢调高电源电压,听到继电器吸合声时,记下该吸合电压和吸合电流。
为求准确,可以试多几次而求平均值。
4、测量释放电压和释放电流也是像上述那样连接测试,当继电器发生吸合后,再逐渐降低供电电压,当听到继电器再次发生释放声音时,记下此时的电压和电流,亦可尝试多几次而取得平均的释放电压和释放电流。
一般情况下,继电器的释放电压约在吸合电压的10〜50%,如果释放电压太小(小于1/10的吸合电压),则不能正常使用了,这样会对电路的稳定性造成威胁,工作不可靠。
四、继电器的电符号和触点形式继电器线圈在电路中用一个长方框符号表示,如果继电器有两个线圈,就画两个并列的长方框。
同时在长方框内或长方框旁标上继电器的文字符号J”继电器的触点有两种表示方法:一种是把它们直接画在长方框一侧,这种表示法较为直观。
另一种是按照电路连接的需要,把各个触点分别画到各自的控制电路中,通常在同一继电器的触点与线圈旁分别标注上相同的文字符号,并将触点组编上号码,以示区别。
继电器的触点有三种基本形式:1. 动合型(H型)线圈不通电时两触点是断开的,通电后,两个触点就闭合。
以合字的拼音字头“H'表示。
2. 动断型(D型)线圈不通电时两触点是闭合的,通电后两个触点就断开。
用断字的拼音字头“D'表示。
3. 转换型(Z型)这是触点组型。
这种触点组共有三个触点,即中间是动触点,上下各一个静触点。
线圈不通电时,动触点和其中一个静触点断开和另一个闭合,线圈通电后,动触点就移动,使原来断开的成闭合,原来闭合的成断开状态,达到转换的目的。
这样的触点组称为转换触点。
用转”字的拼音字头“z”表示。
五、继电器的选用1. 先了解必要的条件①控制电路的电源电压,能提供的最大电流;②被控制电路中的电压和电流;③被控电路需要几组、什么形式的触点。
选用继电器时,一般控制电路的电源电压可作为选用的依据。
控制电路应能给继电器提供足够的工作电流,否则继电器吸合是不稳定的。