商务条款偏离表
- 格式:doc
- 大小:18.00 KB
- 文档页数:2
商务条款偏离表
商务偏离表商务偏离需按照标书商务条款规定逐项列明,⽆偏离的写明“⽆”
项⽬编号:JNCZ(XSJ)-GK-2011-0015
1.商务条款偏离表:⼴义上中除技术部分外都属于商务条款。
2.因为第⼀部分的内容⼀般是标准的商务⽂件格式,所以重点是审查列在“投标资料表”和“资料表”中的变化,其中“投标资料表”中重要的项⽬有:报价⽅式和相关费⽤的要求;业绩要求;货物验收后需要备件的年限;评标考虑因素的全部内容(交货时间、付款要求、备件价格、售后服务等);“资料表”中关注的条款有要求、⽬的地、伴随服务、备件、保证期、维修响应时间和付款条件(有些因素会在技术要求中说明)。
和上述条款有差异的地⽅应在商务偏离表中指出,如交货期和付款时间等。
投标⼈的优势在这⾥也要强调,如维修点和保税库等。
根据的不同要求,商务条款的偏离可能会直接造成废标,也可能导致格的调整,所以最好是没有偏差,应尽量满⾜招标⽂件的所有要求
针对的要求,根据⾃⼰公司的商务资质情况,逐条核对,看你提供的资质或资料是否满⾜要求,如全部满⾜或超过要求则填写⽆偏离(简单点的就是⼀句话:“⽆偏离”);如有不满⾜,则将不满⾜的填上去,注明偏离及原因。
要仔细看的要求。
合同双方确认,本合同及本合同约定的其它文件组成部分中的各项约定都是通过法定招标过程形成的合法成果,不存在与招标文件和中标人投标
商务条款响应表/偏离表
投标人名称:
招标编号:
承诺:本投标文件的商务标全部响应招标文件的商务要求,无任何偏离和保留。
所有投标人应本着诚实信用的原则,以审慎的态度明确、清楚地披露各项商务偏离,尤其是对商务负偏离均要进行披露。
如果投标人不能确定对某一事项是否构成商务偏离,则必须在商务偏离表中清楚地表
明,并注明“不能确定”字样,以供评标委员会参考。
一旦在评审过程中被发现存在商务偏离而投标人并未如实进行披露的,评标委员会有充分的权力视具体情形予以处理,包括但不限于:按照评标规则扣分、在评标规则基础上增加扣分、在评标规则基础上加倍。
完整版)商务偏离表
商务偏离表
序号商务条款要求投标文件响应
1.我公司供货期为合同签订谈判响应文件中所报供货期、
服务期及付款方式和条件的偏差;同时,质保服务期为三年。
2.交货:如果我公司中标,我们将按照XXX的指定地点
以最短供货周期交货。
投标企业根据自身生产及供货能力自主报供货周期。
若成交供应商不能在规定的时间内完成送货、安装任务,采购方有权废除其中标资格(其间采购方的一切损失由成交供应商负责),并直接将成交资格授予第二成交候选人。
3.我公司投标报价为总包价,包含货物采购、包装、运输、装卸、备品备件、专用工具、特殊工具、保险、安装调试、检测验收、现场协调、人员培训、质保、税金等一切费用。
如有招标文件中没有明确,而本项目必须的各种材料、设备、施工器械均应包括在本项目中,采购人不再另行进行支付有关款项。
4.投标有效期为30天。
如果我公司中标,我公司会按时缴纳成交服务费。
本次竞争性谈判招标代理机构成交服务费由中标供应商在开标会议结束后2日内支付。
5.我公司在信阳地区具有售后服务网点,服务及时。
6.对招标文件无偏离。
注:删除了重复的段落和格式错误。
改写了每段话,使其更加清晰易懂。
商务部分应答偏离表
投标人名称(公章):
法定代表人或其授权代表(签字):
日期:
注:
1、此表须装订在“招标文件“投标人须知及合同条款等”相关内容应答部分”之后;
2、对满足的条目在本表满足列中标注“O”。
对有偏离的条目在本表相应列中标注“正偏离”或“负
偏离”。
仅可在“满足”及“有偏离”中选一标注,同时,当且仅当选取“有偏离”栏中加以标注后,才能在“偏离简述”栏中加以说明。
3、正偏离是指应答的条件高于招标文件要求,负偏离是指应答的条件低于招标文件要求,正偏离
项目不作扣分处理。
4、投标人必须填写此表。
如果“第二章投标人须知”、“第三章评标办法”、“第四章合同条款
及格式”中所有条款均应答满足,则在“招标文件的商务条款”列注明“所有条款”字样,并在本表满足列中标注“O”。
第1页共1页。
6.6 商务条款偏离表
商务规范书条款偏离表
供应商名称:
此处标明:(针对比选文件第三章的偏离)
注:1.若本表为空,则表示供应商完全满足采购方相应要求。
2.即使本表为空,也需在应答文件中提供。
法定代表人或其委托代理人:(签字)
_______年________月______日
供应商须知条款偏离表
供应商名称:
此处标明:(针对比选文件第二章供应商须知的偏离)
注:1.若本表为空,则表示供应商完全满足采购方相应要求。
2.即使本表为空,也需在应答文件中提供。
法定代表人或其委托代理人:(签字)
_______年________月______日
报价要求及评审办法的偏离表
供应商名称:
此处标明:(针对比选文件第五章报价要求及评审办法的偏离)
注:1.若本表为空,则表示供应商完全满足采购方相应要求。
2.即使本表为空,也需在应答文件中提供。
法定代表人或其委托代理人:(签字)
_______年________月______日。
商务条款响应表偏离表(精选.)
合同双⽅确认,本合同及本合同约定的其它⽂件组成部分中的各项约定都是通过法定招标过程形成的合法成果,不存在与招标⽂件和中标⼈投标⽂件实质性内容不⼀致的条款。
如果存在任何此类不⼀致的条款,也不是合同双⽅真实意思的表⽰,对合同双⽅不构成任何合同或法律约束⼒。
合同双⽅也不存在且也不会签订任何背离本合同实质性内容的其他协议或合同。
如果存在或签订背离本合同实质性内容的其他协议或合同,也不是合同双⽅真实意思的表⽰,对合同双⽅不构成任何合同或法律约束⼒。
商务条款响应表/偏离表投标⼈名称:
招标编号:
承诺:本投标⽂件的商务标全部响应招标⽂件的商务要求,⽆任何偏离和保留。
法⼈或法⼈授权代表签名:
⽇期:
注:投标⼈应对照招标⽂件商务条款,逐条说明所提供货物和服务已对招标⽂件的商务条款做出了实质性的响应,并申明与商务条款条⽂的偏差和例外。
商务偏离披露的原则性规定:
所有投标⼈应本着诚实信⽤的原则,以审慎的态度明确、清楚地披露各项商务偏离,尤其是对商务负偏离均要进⾏披露。
如果投标⼈不能确定对某⼀事项是否构成商务偏离,则必须在商务偏离表中清楚地表明,并注明“不能确定”字样,以供评标委员会参考。
⼀旦在评审过程中被发现存在商务偏离⽽投标⼈并未如实进⾏披露的,评标委员会有充分的权⼒视具体情形予以处理,包括但不限于:按照评标规则扣分、在评标规则基础上增加扣分、在评标规则基础上加倍扣分,直⾄对该投标予以拒绝。
最新⽂件仅供参考已改成word⽂本。
⽅便更改。
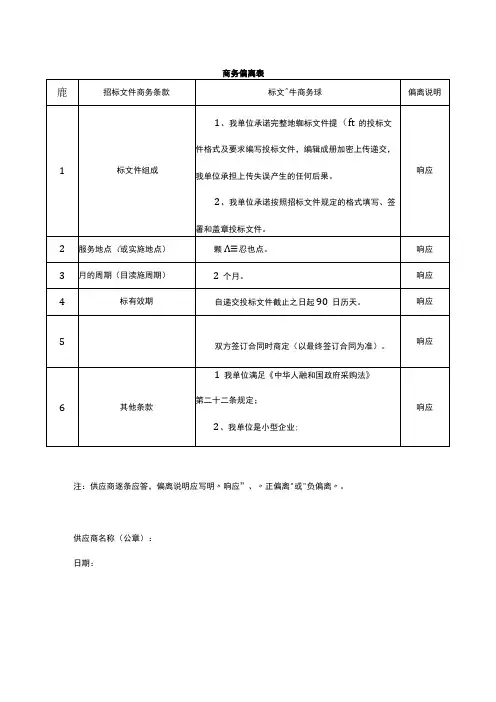
商务条款偏离表(格式)
供应商应逐条对应磋商文件中要求的商务条件,包括工期、工程款拨付方式、履约保证金、缺陷责任期等内容,并根据实际情况如实填写本表格。
★未填写本表格的响应文件将不能通过初步评审。
项目名称:
项目编号:
A、□我公司已详细阅读磋商文件中项商务要求,所有商务要求均无偏离,成交后我公司将严格遵照执行。
B、□我公司已详细阅读磋商文件中项商务要求,除下述条款有偏离外,其余条款我公司均予以认可,成交后将严格遵照执行。
供应商(盖单位章):
法定代表人或其委托代理人(签字或盖章):
年月日
表格填写说明:
1、供应商根据应根据实际情况,填写本表格,若无偏离,则勾选A项,签字盖章即可。
若有偏离,则勾选B项,按表格要求及实际情况填写后,签字盖章。
2、本表格中内容与响应文件其余部分不一致的,以本表格为准。