房屋经济耐用年限和残值率表
- 格式:doc
- 大小:27.50 KB
- 文档页数:2
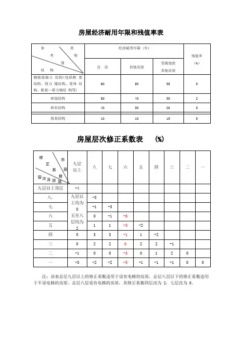
各类建筑物经济耐用年限一、各类建筑物经济耐用年限:1、钢结构:生产用房70年,受腐蚀的生产用房50年,非生产用房80年;2、钢筋混凝土结构(包括框架结构、剪力墙结构、简体结构、框架--剪力墙结构等);生产用房50年,受腐蚀的生产用房35年,非生产用房60年;3、砖混结构一等:生产用房40年,受腐蚀的生产用房30年,非生产用房50年;4、砖混结构二等:生产用房40年,受腐蚀的生产用房30年,非生产用房50年;5、砖木结构一等:生产用房30年,受腐蚀的生产用房20年,非生产用房40年;6、砖木结构二等:生产用房30年,受腐蚀的生产用房20年,非生产用房40年;7、砖木结构三等;生产用房30年,受腐蚀的生产用房20年,非生产用房40年;8、简易结构:10年。
二、残值率:1、钢筋混凝土结构:0;2、砖混结构一等:2%;3、砖混结构二等:2%;4、砖木结构一等:6%;5、砖木结构二等:4%;6、砖木结构三等:3%;7、简易结构:0。
建筑物的折旧年限是建筑物价值转移的年限,它与耐用年限既有联系又有区别。
折旧年限是由使用过程中的社会经济条件决定的社会必要平均使用寿命,或称为经济寿命;耐用年限是由结构、质量等决定的自然寿命。
目前,一般是将建筑物的自然耐用年限作为折旧年限,不考虑物价上涨、人为损耗等因素。
关于固定资产残值率,内、外企有不同规定:内企,国税发[2003]70号文“固定资产残值比例统一确定为5%”;外企,国税发[2003]127号文“其残值暂统一确定为10%,经批准可少留或不留”。
除此外其实还有一种特殊情况是,国税函[2003]1401号文第五条,“上市公司内地子公司固定资产计提折旧前的预留残值,可统一按固定资产原值的3%执行”。
1401号虽是针对联通公司的,但可以理解该规定是适用于所有上市公司内地子公司的。
127号和1401号同样都是从2003年1月1日开始执行的,而且1401号文颁布又在127号文之后(前者是十二月份,后者在十月份),因此,我们可以认为,海外上市公司内地子公司虽然属于外资企业,但这些公司固定资产残值率可以不按照国税发[2003]127号文的规定“残值暂统一确定为10%”,而单独按3%执行。
各种结构房屋的经济耐用年限的参考值一般为:1、钢结构:生产用房70年,受腐蚀的生产用房50年,非生产用房80年;2、钢筋混凝土结构(包括框架结构、剪力墙结构、简体结构、框架-剪力墙结构等):生产用房50年,受腐蚀的生产用房35年,非生产用房60年;3、砖混结构一等:生产用房40年,受腐蚀的生产用房30年,非生产用房50年;4、砖混结构二等:生产用房40年,受腐蚀的生产用房30年,非生产用房50年;5、砖木结构一等:生产用房30年,受腐蚀的生产用房20年,非生产用房40年;6、砖木结构二等:生产用房30年,受腐蚀的生产用房20年,非生产用房40年;7、砖木结构三等:生产用房30年,受腐蚀的生产用房20年,非生产用房40年;8、简易结构:10年。
建筑物的残值率因不同建筑结构而不同,其参考值一般为:1、钢筋混凝土结构:0;2、砖混结构一等:2%;3、砖混结构二等:2%;4、砖木结构一等:6%;5、砖木结构二等:4%;6、砖木结构三等:3%;7、简易结构:0。
房屋残值:房屋达到使用年限,不能继续使用,经拆除后的旧料价值。
清理费用:拆除房屋和搬运废弃物所发生的费用。
残余价值:残值-清理费用。
残值率:残余价值/房屋造价河北省房屋评估计价暂行办法【文号】冀建房1991 517号【颁布单位】河北省建设委员会【颁布日期】1991年11月22日【实施日期】1991年11月22日为了准确反映房屋的价值,合理确定房屋的价格,防止房屋价格不合理的上涨和贱价出售,保持房屋价格的基本稳定,按照以质计价、分等定价的原则和国家有关规定,制定如下办法:一、房屋评估计价办法是依照被评估房屋的常用结构、标准、用料情况计算重置完全价值,然后按各类房屋的结构、装修、设备等组成情况的新旧程度折扣,而确定现值。
城镇各种所有制房屋进行交易、互换、抵押、拍卖、典当、转让、析产、兼并、价拨、划拨、拆迁或以房抵债、入股、投资等,涉及房屋价格的活动,均依照本办法评估作价。
各种结构房屋经济耐用年限和残值率参考值 Hessen was revised in January 2021各种结构房屋的经济耐用年限的参考值一般为:1、钢结构:生产用房70年,受腐蚀的生产用房50年,非生产用房80年;2、钢筋混凝土结构(包括框架结构、剪力墙结构、简体结构、框架-剪力墙结构等):生产用房50年,受腐蚀的生产用房35年,非生产用房60年;3、砖混结构一等:生产用房40年,受腐蚀的生产用房30年,非生产用房50年;4、砖混结构二等:生产用房40年,受腐蚀的生产用房30年,非生产用房50年;5、砖木结构一等:生产用房30年,受腐蚀的生产用房20年,非生产用房40年;6、砖木结构二等:生产用房30年,受腐蚀的生产用房20年,非生产用房40年;7、砖木结构三等:生产用房30年,受腐蚀的生产用房20年,非生产用房40年;8、简易结构:10年。
建筑物的残值率因不同建筑结构而不同,其参考值一般为:1、钢筋混凝土结构:0;2、砖混结构一等:2%;3、砖混结构二等:2%;4、砖木结构一等:6%;5、砖木结构二等:4%;6、砖木结构三等:3%;7、简易结构:0。
房屋残值:房屋达到使用年限,不能继续使用,经拆除后的旧料价值。
清理费用:拆除房屋和搬运废弃物所发生的费用。
残余价值:残值-清理费用。
残值率:残余价值/房屋造价河北省房屋评估计价暂行办法【文号】冀建房 1991 517号【颁布单位】河北省建设委员会【颁布日期】 1991年11月22日【实施日期】 1991年11月22日为了准确反映房屋的价值,合理确定房屋的价格,防止房屋价格不合理的上涨和贱价出售,保持房屋价格的基本稳定,按照以质计价、分等定价的原则和国家有关规定,制定如下办法:一、房屋评估计价办法是依照被评估房屋的常用结构、标准、用料情况计算重置完全价值,然后按各类房屋的结构、装修、设备等组成情况的新旧程度折扣,而确定现值。
城镇各种所有制房屋进行交易、互换、抵押、拍卖、典当、转让、析产、兼并、价拨、划拨、拆迁或以房抵债、入股、投资等,涉及房屋价格的活动,均依照本办法评估作价。
各种结构房屋的经济耐用年限的参考值一般为: ?1、 ?钢结构:生产用房 70 年,受腐蚀的生产用房 50 年,非生产用 房 80 年; ?2?、钢筋混凝土结构 (包括框架结构、剪力墙结构、简体结构、框架 剪力墙结构等 ):生产用房 50 年,受腐蚀的生产用房 35 年,非生产建筑物的残值率因不同建筑结构而不同,其参考值一般为:用房 60 年; ?3?、砖混结构一等:生产用房 生产用房 50 年; ?4、?砖混结构二等:生产用房 生产用房 50 年; ?5、?砖木结构一等:生产用房 生产用房 40 年; ?6?、砖木结构二等:生产用房 生产用房 40 年; ?7?、砖木结构三等:生产用房 生产用房 40 年; ?8?、简易结构: 10 年。
40 年,受腐蚀的生产用房 30 年,非 40 年,受腐蚀的生产用房 30 年,非 30 年,受腐蚀的生产用房 20 年,非 30 年,受腐蚀的生产用房 20 年,非 30 年,受腐蚀的生产用房 20 年,非1?、钢筋混凝土结构:0 ;? 2?、砖混结构一等:2 %;?3、?砖混结构二等:2 %;? 4?、砖木结构一等:6 %;? 5?、砖木结构二等:4 %;? 6?、砖木结构三等:3 %;? 7?、简易结构:0 。
房屋残值:房屋达到使用年限,不能继续使用,经拆除后的旧料价值。
清理费用:拆除房屋和搬运废弃物所发生的费用。
残余价值:残值-清理费用。
残值率:残余价值/ 房屋造价河北省房屋评估计价暂行办法【文号】冀建房1991 517 号【颁布单位】河北省建设委员会【颁布日期】1991 年11 月22 日【实施日期】1991 年11 月22 日为了准确反映房屋的价值,合理确定房屋的价格,防止房屋价格不合理的上涨和贱价出售,保持房屋价格的基本稳定,按照以质计价、分等定价的原则和国家有关规定,制定如下办法:一、房屋评估计价办法是依照被评估房屋的常用结构、标准、用料情况计算重置完全价值,然后按各类房屋的结构、装修、设备等组成情况的新旧程度折扣,而确定现值。
各种结构房屋的经济耐用年限的参考值一般为:1、钢结构:生产用房70 年,受腐蚀的生产用房50 年,非生产用房80 年;2 、钢筋混凝土结构( 包括框架结构、剪力墙结构、简体结构、框架剪力墙结构等):生产用房50 年,受腐蚀的生产用房35用房60 年;生产用房50 年;生产用房50 年;生产用房40 年;生产用房40 年;生产用房40 年;建筑物的残值率因不同建筑结构而不同,其参考值一般为:1 、钢筋混凝土结构:0 ;2 、砖混结构一等:2 %;3、砖混结构二等:2 %;4 、砖木结构一等:6 %;5 、砖木结构二等:4 %;年,非生产3 、砖混结构一等:生产用房40 年,受腐蚀的生产用房30 年,非4、砖混结构二等:生产用房40 年,受腐蚀的生产用房30 年,非5、砖木结构一等:生产用房30 年,受腐蚀的生产用房20 年,非6 、砖木结构二等:生产用房30 年,受腐蚀的生产用房20 年,非7 、砖木结构三等:生产用房30 年,受腐蚀的生产用房20 年,非8 、简易结构:10年。
6 、砖木结构三等:3 %;7 、简易结构:0 。
房屋残值:房屋达到使用年限,不能继续使用,经拆除后的旧料价值。
清理费用:拆除房屋和搬运废弃物所发生的费用。
残余价值:残值-清理费用。
残值率:残余价值/ 房屋造价河北省房屋评估计价暂行办法【文号】冀建房1991 517 号【颁布单位】河北省建设委员会【颁布日期】1991 年11 月22 日【实施日期】1991 年11 月22 日为了准确反映房屋的价值,合理确定房屋的价格,防止房屋价格不合理的上涨和贱价出售,保持房屋价格的基本稳定,按照以质计价、分等定价的原则和国家有关规定,制定如下办法:一、房屋评估计价办法是依照被评估房屋的常用结构、标准、用料情况计算重置完全价值,然后按各类房屋的结构、装修、设备等组成情况的新旧程度折扣,而确定现值。
城镇各种所有制房屋进行交易、互换、抵押、拍卖、典当、转让、析产、兼并、价拨、划拨、拆迁或以房抵债、入股、投资等,涉及房屋价格的活动,均依照本办法评估作价。
5.方茴说:“那时候我们不说爱,爱是多么遥远、多么沉重的字眼啊。
我们只说喜欢,就算喜欢也是偷偷摸摸的。
”6.方茴说:“我觉得之所以说相见不如怀念,是因为相见只能让人在现实面前无奈地哀悼伤痛,而怀念却可以把已经注定的谎言变成童话。
”7.在村头有一截巨大的雷击木,直径十几米,此时主干上唯一的柳条已经在朝霞中掩去了莹光,变得普普通通了。
8.这些孩子都很活泼与好动,即便吃饭时也都不太老实,不少人抱着陶碗从自家出来,凑到了一起。
9.石村周围草木丰茂,猛兽众多,可守着大山,村人的食物相对来说却算不上丰盛,只是一些粗麦饼、野果以及孩子们碗中少量的肉食。
各种结构房屋的经济耐用年限的参考值和残值率的参考值各种结构房屋的经济耐用年限的参考值一般为:1 钢结构:生产用房70年,受腐蚀的生产用房50年,非生产用房80年;2 钢筋混凝土结构(包括框架结构、剪力墙结构、简体结构、框架-剪力墙结构等):生产用房50年,受腐蚀的生产用房35年,非生产用房60年;3 砖混结构一等:生产用房40年,受腐蚀的生产用房30年,非生产用房50年;4 砖混结构二等:生产用房40年,受腐蚀的生产用房30年,非生产用房50年;5 砖木结构一等:生产用房30年,受腐蚀的生产用房20年,非生产1.“噢,居然有土龙肉,给我一块!”2.老人们都笑了,自巨石上起身。
而那些身材健壮如虎的成年人则是一阵笑骂,数落着自己的孩子,拎着骨棒与阔剑也快步向自家中走去。
5.方茴说:“那时候我们不说爱,爱是多么遥远、多么沉重的字眼啊。
我们只说喜欢,就算喜欢也是偷偷摸摸的。
”6.方茴说:“我觉得之所以说相见不如怀念,是因为相见只能让人在现实面前无奈地哀悼伤痛,而怀念却可以把已经注定的谎言变成童话。
”7.在村头有一截巨大的雷击木,直径十几米,此时主干上唯一的柳条已经在朝霞中掩去了莹光,变得普普通通了。
8.这些孩子都很活泼与好动,即便吃饭时也都不太老实,不少人抱着陶碗从自家出来,凑到了一起。
房屋与建筑物的经济使用年限和折旧日期:10-12-31一、各类建筑物经济耐用年限:1、钢结构:生产用房70年,受腐蚀的生产用房50年,非生产用房80年;2、钢筋混凝土结构(包括框架结构、剪力墙结构、简体结构、框架--剪力墙结构等);生产用房50年,受腐蚀的生产用房35年,非生产用房60年;3、砖混结构一等:生产用房40年,受腐蚀的生产用房30年,非生产用房50年;4、砖混结构二等:生产用房40年,受腐蚀的生产用房30年,非生产用房50年;5、砖木结构一等:生产用房30年,受腐蚀的生产用房20年,非生产用房40年;6、砖木结构二等:生产用房30年,受腐蚀的生产用房20年,非生产用房40年;7、砖木结构三等;生产用房30年,受腐蚀的生产用房20年,非生产用房40年;8、简易结构:10年。
二、残值率:1、钢筋混凝土结构:0;2、砖混结构一等:2%;3、砖混结构二等:2%;4、砖木结构一等:6%;5、砖木结构二等:4%;6、砖木结构三等:3%;7、简易结构:0。
建筑物的折旧年限是建筑物价值转移的年限,它与耐用年限既有联系又有区别。
折旧年限是由使用过程中的社会经济条件决定的社会必要平均使用寿命,或称为经济寿命;耐用年限是由结构、质量等决定的自然寿命。
目前,一般是将建筑物的自然耐用年限作为折旧年限,不考虑物价上涨、人为损耗等因素。
关于固定资产残值率,内、外企有不同规定:内企,国税发[2003]70号文“固定资产残值比例统一确定为5%”;外企,国税发[2003]127号文“其残值暂统一确定为10%,经批准可少留或不留”。
除此外其实还有一种特殊情况是,国税函[2003]1401号文第五条,“上市公司内地子公司固定资产计提折旧前的预留残值,可统一按固定资产原值的3%执行”。
1401号虽是针对联通公司的,但可以理解该规定是适用于所有上市公司内地子公司的。
127号和1401号同样都是从2003年1月1日开始执行的,而且1401号文颁布又在127号文之后(前者是十二月份,后者在十月份),因此,我们可以认为,海外上市公司内地子公司虽然属于外资企业,但这些公司固定资产残值率可以不按照国税发[2003]127号文的规定“残值暂统一确定为10%”,而单独按3%执行。
各种结构房屋的经济耐用年限的参考值一般为:1、钢结构:生产用房70年,受腐蚀的生产用房50年,非生产用房80年;2 、钢筋混凝土结构(包括框架结构、剪力墙结构、简体结构、框架-剪力墙结构等):生产用房50年,受腐蚀的生产用房35年,非生产用房60年;3 、砖混结构一等:生产用房40年,受腐蚀的生产用房30年,非生产用房50年;4、砖混结构二等:生产用房40年,受腐蚀的生产用房30年,非生产用房50年;5、砖木结构一等:生产用房30年,受腐蚀的生产用房20年,非生产用房40年;6 、砖木结构二等:生产用房30年,受腐蚀的生产用房20年,非生产用房40年;7 、砖木结构三等:生产用房30年,受腐蚀的生产用房20年,非生产用房40年;8 、简易结构:10年。
建筑物的残值率因不同建筑结构而不同,其参考值一般为:1 、钢筋混凝土结构:0;2 、砖混结构一等:2%;3、砖混结构二等:2%;4 、砖木结构一等:6%;5 、砖木结构二等:4%;6 、砖木结构三等:3%;7 、简易结构:0。
房屋残值:房屋达到使用年限,不能继续使用,经拆除后的旧料价值。
清理费用:拆除房屋和搬运废弃物所发生的费用。
残余价值:残值-清理费用。
残值率:残余价值/房屋造价河北省房屋评估计价暂行办法【文号】冀建房 1991 517号【颁布单位】河北省建设委员会【颁布日期】 1991年11月22日【实施日期】 1991年11月22日为了准确反映房屋的价值,合理确定房屋的价格,防止房屋价格不合理的上涨和贱价出售,保持房屋价格的基本稳定,按照以质计价、分等定价的原则和国家有关规定,制定如下办法:一、房屋评估计价办法是依照被评估房屋的常用结构、标准、用料情况计算重置完全价值,然后按各类房屋的结构、装修、设备等组成情况的新旧程度折扣,而确定现值。
城镇各种所有制房屋进行交易、互换、抵押、拍卖、典当、转让、析产、兼并、价拨、划拨、拆迁或以房抵债、入股、投资等,涉及房屋价格的活动,均依照本办法评估作价。
钢混、混合、钢结构建筑使用年限~以及残值率一、各类建筑物经济耐用年限:1、钢结构:生产用房70年,受腐蚀的生产用房50年,非生产用房80年;2、钢筋混凝土结构(包括框架结构、剪力墙结构、简体结构、框架--剪力墙结构等);生产用房50年,受腐蚀的生产用房35年,非生产用房60年;3、砖混结构一等:生产用房40年,受腐蚀的生产用房30年,非生产用房50年;4、砖混结构二等:生产用房40年,受腐蚀的生产用房30年,非生产用房50年;5、砖木结构一等:生产用房30年,受腐蚀的生产用房20年,非生产用房40年;6、砖木结构二等:生产用房30年,受腐蚀的生产用房20年,非生产用房40年;7、砖木结构三等;生产用房30年,受腐蚀的生产用房20年,非生产用房40年;8、简易结构:10年。
二、残值率:1、钢筋混凝土结构:0;2、砖混结构一等:2%;3、砖混结构二等:2%;4、砖木结构一等:6%;5、砖木结构二等:4%;6、砖木结构三等:3%;7、简易结构:0。
建筑物的折旧年限是建筑物价值转移的年限,它与耐用年限既有联系又有区别。
折旧年限是由使用过程中的社会经济条件决定的社会必要平均使用寿命,或称为经济寿命;耐用年限是由结构、质量等决定的自然寿命。
目前,一般是将建筑物的自然耐用年限作为折旧年限,不考虑物价上涨、人为损耗等因素。
希望对你有帮助!钢结构的使用年限怎么确定?规范中没有对钢结构的使用年限做具体要求,但是在结构设计的时候,按照荷载规范基本上是采用50年为基本周期的荷载统计值的,即是说,正常设计钢结构在50年内出现因荷载过大而破坏的概率极小。
但是,由于钢结构一旦锈蚀,结构的力学性能将很难保证,《钢结构设计规范》中对使用超过25年的钢结构要求有较好的防腐措施,还有就是轻钢结构的厂房,那些板材等构件,供应商的质量保证一般都为10年左右。
总之可以这样说,钢结构在50年内,如果保证材料不锈蚀的情况下,不应当出现因荷载而造成的破坏。
各种结构房屋的经济耐⽤年限的参考值⼀般为:
1 钢结构:⽣产⽤房70年,受腐蚀的⽣产⽤房50年,⾮⽣产⽤房80年;
2 钢筋混凝⼟结构(包括框架结构、剪⼒墙结构、简体结构、框架-剪⼒墙结构等):⽣产⽤房50年,受腐蚀的⽣产⽤房35年,⾮⽣产⽤房60年;
3 砖混结构⼀等:⽣产⽤房40年,受腐蚀的⽣产⽤房30年,⾮⽣产⽤房50年;
4 砖混结构⼆等:⽣产⽤房40年,受腐蚀的⽣产⽤房30年,⾮⽣产⽤房50年;
5 砖⽊结构⼀等:⽣产⽤房30年,受腐蚀的⽣产⽤房20年,⾮⽣产⽤房40年;
6 砖⽊结构⼆等:⽣产⽤房30年,受腐蚀的⽣产⽤房20年,⾮⽣产⽤房40年;
7 砖⽊结构三等:⽣产⽤房30年,受腐蚀的⽣产⽤房20年,⾮⽣产⽤房40年;
8 简易结构:10年。
建筑物的残值率因不同建筑结构⽽不同,其参考值⼀般为:
1 钢筋混凝⼟结构:0;
2 砖混结构⼀等:2%;
3 砖混结构⼆等:2%;
4 砖⽊结构⼀等:6%;
5 砖⽊结构⼆等:4%;
6 砖⽊结构三等:3%;
7 简易结构:0。
各种结构房屋的经济耐用年限的参考值一般为:1、钢结构:生产用房70年,受腐蚀的生产用房50年,非生产用房80年;2 、钢筋混凝土结构(包括框架结构、剪力墙结构、简体结构、框架-剪力墙结构等):生产用房50年,受腐蚀的生产用房35年,非生产用房60年;3 、砖混结构一等:生产用房40年,受腐蚀的生产用房30年,非生产用房50年;4、砖混结构二等:生产用房40年,受腐蚀的生产用房30年,非生产用房50年;5、砖木结构一等:生产用房30年,受腐蚀的生产用房20年,非生产用房40年;6 、砖木结构二等:生产用房30年,受腐蚀的生产用房20年,非生产用房40年;7 、砖木结构三等:生产用房30年,受腐蚀的生产用房20年,非生产用房40年;8 、简易结构:10年。
建筑物的残值率因不同建筑结构而不同,其参考值一般为:1 、钢筋混凝土结构:0;2 、砖混结构一等:2%;3、砖混结构二等:2%;4 、砖木结构一等:6%;5 、砖木结构二等:4%;6 、砖木结构三等:3%;7 、简易结构:0。
房屋残值:房屋达到使用年限,不能继续使用,经拆除后的旧料价值。
清理费用:拆除房屋和搬运废弃物所发生的费用。
残余价值:残值-清理费用。
残值率:残余价值/房屋造价河北省房屋评估计价暂行办法【文号】冀建房1991 517号【颁布单位】河北省建设委员会【颁布日期】1991年11月22日【实施日期】1991年11月22日为了准确反映房屋的价值,合理确定房屋的价格,防止房屋价格不合理的上涨和贱价出售,保持房屋价格的基本稳定,按照以质计价、分等定价的原则和国家有关规定,制定如下办法:一、房屋评估计价办法是依照被评估房屋的常用结构、标准、用料情况计算重置完全价值,然后按各类房屋的结构、装修、设备等组成情况的新旧程度折扣,而确定现值。
城镇各种所有制房屋进行交易、互换、抵押、拍卖、典当、转让、析产、兼并、价拨、划拨、拆迁或以房抵债、入股、投资等,涉及房屋价格的活动,均依照本办法评估作价。
各种结构房屋经济耐用年限和残值率参考值(总10页)-CAL-FENGHAI.-(YICAI)-Company One1-CAL-本页仅作为文档封面,使用请直接删除各种结构房屋的经济耐用年限的参考值一般为:1、钢结构:生产用房70年,受腐蚀的生产用房50年,非生产用房80年;2、钢筋混凝土结构(包括框架结构、剪力墙结构、简体结构、框架-剪力墙结构等):生产用房50年,受腐蚀的生产用房35年,非生产用房60年;3、砖混结构一等:生产用房40年,受腐蚀的生产用房30年,非生产用房50年;4、砖混结构二等:生产用房40年,受腐蚀的生产用房30年,非生产用房50年;5、砖木结构一等:生产用房30年,受腐蚀的生产用房20年,非生产用房40年;6、砖木结构二等:生产用房30年,受腐蚀的生产用房20年,非生产用房40年;7、砖木结构三等:生产用房30年,受腐蚀的生产用房20年,非生产用房40年;8、简易结构:10年。
建筑物的残值率因不同建筑结构而不同,其参考值一般为:1、钢筋混凝土结构:0;2、砖混结构一等:2%;3、砖混结构二等:2%;4、砖木结构一等:6%;5、砖木结构二等:4%;6、砖木结构三等:3%;7、简易结构:0。
房屋残值:房屋达到使用年限,不能继续使用,经拆除后的旧料价值。
清理费用:拆除房屋和搬运废弃物所发生的费用。
残余价值:残值-清理费用。
残值率:残余价值/房屋造价河北省房屋评估计价暂行办法【文号】冀建房 1991 517号【颁布单位】河北省建设委员会【颁布日期】 1991年11月22日【实施日期】 1991年11月22日为了准确反映房屋的价值,合理确定房屋的价格,防止房屋价格不合理的上涨和贱价出售,保持房屋价格的基本稳定,按照以质计价、分等定价的原则和国家有关规定,制定如下办法:一、房屋评估计价办法是依照被评估房屋的常用结构、标准、用料情况计算重置完全价值,然后按各类房屋的结构、装修、设备等组成情况的新旧程度折扣,而确定现值。
附件一:各种结构、各类用途房屋的经济耐用年限
1、钢筋混凝土结构(包括框架结构、剪力墙结构、筒体结构、框架剪力墙结构等):生产用
房50年,受腐蚀的生产用房35年,非生产用房60年;
2、砖混结构: 生产用房40年,受腐蚀的生产用房30年,非生产用房50年;
3、砖木结构:生产用房30年,受腐蚀的生产用房20年,非生产用房40年;
4、简易结构:10年。
附件二:各种结构房屋残值率
1、钢筋混凝土结构:0;
2.砖混结构: 2%;
3、砖木结构一等: 6%
4、砖木结构二等: 4%
5、砖木结构三等: 3%
6、简易结构: 0;
附件三:楼层修正系数表
四五六七八九总
楼层
一层000000
二层1%1%1%1%1%1%
三层2%2%2%2%2%2%
四层02%2%2%2%2%
五层01%2%2%2%
六层01%1%1%七层000八层-1%-1%九层-2%注:七、八、九层住房均指无电梯住房。