减水剂原始记录
- 格式:doc
- 大小:70.00 KB
- 文档页数:3
混凝土外加剂原始记录数据本文档记录了混凝土外加剂的原始数据,包括各种外加剂的投入比例、物理性能测试结果等。
1. 外加剂投入比例在混凝土制作过程中,使用了以下外加剂及其投入比例:•粉煤灰(Fly ash):10%•矿渣粉(Ground granulated blast-furnace slag,GGBFS):15%•高性能减水剂(Superplasticizer):2%•泡沫稳定剂(Foaming agent):0.5%2. 外加剂物理性能测试为了评估混凝土外加剂的物理性能,进行了以下测试:2.1. 粉煤灰物理性能测试2.1.1. 流动性测试使用泌水量(slump)测试方法,测量了不同粉煤灰投入比例下混凝土的流动性。
结果如下:粉煤灰投入比例泌水量(mm)0%1505%16010%14015%1302.1.2. 强度测试对不同粉煤灰投入比例下的混凝土进行了强度测试,结果如下:粉煤灰投入比例28天抗压强度(MPa)0%405%4510%5015%552.2. 矿渣粉物理性能测试2.2.1. 流动性测试使用泌水量测试方法,测量了不同矿渣粉投入比例下混凝土的流动性。
结果如下:矿渣粉投入比例泌水量(mm)0%15010%16020%14030%1302.2.2. 强度测试对不同矿渣粉投入比例下的混凝土进行了强度测试,结果如下:矿渣粉投入比例28天抗压强度(MPa)0%4010%4520%5030%552.3. 高性能减水剂物理性能测试2.3.1. 减水率测试对高性能减水剂进行了减水率测试,结果如下:高性能减水剂投入比例减水率(%)0%01%102%203%302.4. 泡沫稳定剂物理性能测试2.4.1. 泡沫稳定性测试通过观察泡沫稳定剂产生的泡沫稳定性进行了测试,结果如下:泡沫稳定剂投入比例泡沫稳定性0%不稳定0.1%稳定0.3%稳定0.5%稳定3. 结论根据以上测试结果,可以得出以下结论:•粉煤灰投入比例增加,混凝土的流动性下降,但抗压强度增加。
目录1.水泥物理力学性能试验原始记录2.粉煤灰试验原始记录3.砂试验原始记录4.砂试验原始记录5.石试验原始记录6.石试验原始记录7.混凝土外加剂(减水剂)试验原始记录8.混凝土外加剂(引气剂)试验原始记录9.混凝土外加剂(早强剂)试验原始记录10.混凝土外加剂(防冻剂)试验原始记录11.混凝土外加剂(膨胀剂)试验原始记录12.混凝土外加剂(泵送剂)试验原始记录13.混凝土外加剂(速凝剂)试验原始记录14.混凝土外加剂(防水剂)试验原始记录15.砂浆外加剂(防水剂)试验原始记录16.砂浆外加剂(引气剂类)试验原始记录17.混凝土配合比试验原始记录18.砂浆配合比试验原始记录19.混凝土抗压试验原始记录20.砂浆抗压试验原始记录21.混凝土抗渗试验原始记录22.轻集料混凝土小型空心砌块试验原始记录23.烧结空心砖试验原始记录24.烧结普通砖试验原始记录25.烧结多孔砖试验原始记录26.外墙面砖试验原始记录27.回填土击实试验原始记录28.回填土密度试验(环刀法)原始记录29.钢材物理性能试验原始记录30.钢材化学分析原始记录31.钢材焊接接头物理性能试验原始记录32.钢筋机械连接接头抗拉强度试验原始记录33.钢材应力松弛试验原始记录34.锚具静载试验原始记录35.扭剪型高强度螺栓连接副紧固轴力试验原始记录36.高强度大六角头螺栓连接副扭矩系数试验原始记录37.抗滑移系数(扭剪型螺栓紧固)试验原始记录38.抗滑移系数(大六角头螺栓紧固)试验原始记录39.膨胀聚苯板物理性能试验原始记录40.绝热用挤塑聚苯乙烯泡沫塑料试验原始记录41.耐碱玻璃纤维网格布试验原始记录42.苯板用胶粘剂性能试验原始记录43.建筑硅酮密封胶性能试验原始记录44.墙体保温性能试验原始记录45.内墙涂料试验原始记录(A)46.内墙涂料试验原始记录(B)47.外墙涂料试验原始记录48.油漆试验原始记录49.防水卷材试验原始记录(1)50.防水卷材试验原始记录(2)51.电器附件试验原始记录52.水暖配件(散热器)试验原始记录53.水暖配件(水嘴)试验原始记录54.水暖配件(阀门)试验原始记录55.门窗物理性能试验原始记录56.门窗力学性能试验原始记录57.水泥物理力学性能试验报告58.粉煤灰试验报告59.砂试验报告60.石试验报告61.混凝土外加剂(减水剂)试验报告62.混凝土外加剂(缓凝剂)试验报告63.混凝土外加剂(引气剂)试验报告64.混凝土外加剂(早强剂)试验报告65.混凝土外加剂(防冻剂)试验报告66.混凝土外加剂(膨胀剂)试验报告67.混凝土外加剂(泵送剂)试验报告68.混凝土外加剂(速凝剂)试验报告69.混凝土外加剂(防水剂)试验报告70.砂浆外加剂(防水剂)试验报告71.砂浆外加剂(引气剂类)试验报告72.混凝土配合比试验报告73.砂浆配合比试验报告74.混凝土抗压试验报告75.砂浆抗压试验报告76.混凝土抗渗试验报告77.轻集料混凝土小型空心砌块试验报告78.烧结空心砖试验报告79.烧结普通砖试验报告80.烧结多孔砖试验报告81.外墙面砖试验报告82.回填土击实试验报告83.回填土密度试验(环刀法)报告84.钢材物理性能试验报告85.钢材化学分析试验报告86.钢材焊接接头物理性能试验报告87.钢筋机械连接接头抗拉强度试验报告88.钢材应力松弛试验报告89.锚具静载试验报告90.扭剪型高强度螺栓连接副紧固轴力试验报告91.高强度大六角头螺栓连接副扭矩系数试验报告92.抗滑移系数(扭剪型螺栓紧固)试验报告93.抗滑移系数(大六角头螺栓紧固)试验报告94.膨胀聚苯板物理性能试验报告95.绝热用挤塑聚苯乙烯泡沫塑料试验报告96.耐碱玻璃纤维网格布试验报告97.苯板用胶粘剂性能试验报告98.建筑硅酮密封胶性能试验报告99.墙体保温性能试验报告100.内墙涂料试验报告(A类)101.内墙涂料试验报告(B类)102.外墙涂料试验报告103.油漆试验报告104.防水卷材试验报告105.电器附件试验报告106.水暖配件(散热器)压力试验报告107.水暖配件(水嘴)压力试验报告108.水暖配件(大阀门)压力试验报告109.水暖配件(小阀门)压力试验报告110.门窗物理性能试验报告111.门窗力学性能试验报告水泥物理力学性能试验原始记录送样编号:粉煤灰试验原始记录送样编号:第1页共1页送样编号:送样编号:第2页共2页砂试验报告送样编号:第1页共1页送样编号:第1页共2页送样编号:第2页共2页碎石试验报告送样编号:第1页共1页送样编号:试验编号:200504025第1页共2页送样编号:试验编号:200504025第2页共2页送样编号:试验编号:200504025第1页共1页送样编号:试验编号:200504026—1第1页共1页混凝土外加剂(高效减水剂)试验原始记录送样编号:试验编号:200504026—1第1页共2页送样编号:试验编号:200504026-1第2页共2页送样编号:试验编号:第1页共2页送样编号:试验编号:第2页共2页送样编号:第1页共2页送样编号:第2页共2页送样编号:试验编号:送样编号:试验编号:送样编号:第1页共2页送样编号:试验编号:第2页共2页送样编号:送样编号:试验编号:第2页共2页送样编号:第1页共2页送样编号:试验编号:第2页共2页送样编号:试验编号:第1页共1页送样编号:试验编号:第1页共2页送样编号:试验编号:第2页共2页送样编号:试验编号:第1页共2页送样编号:试验编号:第2页共2页砂浆外加剂(引气剂类)试验原始记录送样编号:混凝土配合比试验原始记录送样编号:第1页共1页混凝土配合比试验报告送样编号:第1页共1页送样编号:第1页共1页送样编号:第1页共1页混凝土配合比试验报告送样编号:第1页共1页送样编号:第1页共1页送样编号:第1页共1页送样编号:第1页共1页送样编号:第1页共1页送样编号:第1页共1页送样编号:第1页共1页混凝土配合比试验原始记录送样编号:第1页共1页砂浆配合比试验报告送样编号:砂浆配合比试验原始记录送样编号:砂浆配合比试验报告送样编号:第1页共1页。
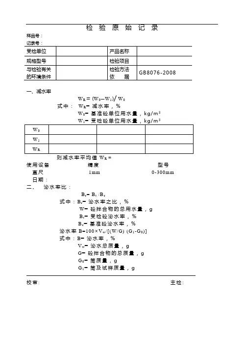
一、减水率W R= (W0─W1)/W0式中:W R━减水率,%W0━基准砼单位用水量,k g/m33则减水率平均值W R=使用设备精度型号直尺1mm 0-300mm日期:二、泌水率比:B r=B t /B c式中:B r━泌水率之比,%W━砼拌合物的总用水量,gB t━受检砼泌水率,%B c━基准砼泌水率,%泌水率B=100×V w/[(W/G) (G1-G0)]式中:B━泌水率,%V w━泌水总质量,gG━砼拌合物的总质量,gG0━筒质量,gG1━筒及试样质量,g校审: 主检:记录号:泌水率比B r= 100×B t /B c=使用设备精度编号型号震动台/ 930 ZT1010台秤/ 945 TGT-50日期:三、含气量实测: 1、2、3、平均值:使用设备精度编号型号含气量测定仪/ 957 HK-1日期:四、凝结时间差:△T=Tt-Tc式中:△T━凝结时间之差,m inTt━受检砼的初凝或终凝时间,mi nTc━基准砼的初凝或终凝时间,m i n贯入阻力R=P/A式中:R━贯入阻力值,MP aP━贯入一定深度时所需的压力,NA━贯入仪试针的面积,m m2校审: 主检:记录号:贯入阻力值R(Mp a)时间t(min)绘图法确定受检砼的凝结时间:初凝Tt1=终凝Tt2=贯入阻力值R(Mp a)时间t(min)绘图法确定基准砼的凝结时间:初凝Tc 1=终凝Tc 2=则凝结时间之差的测定:初凝△T1=Tt1-Tc1=终凝△T2=Tt2-Tc2=使用设备精度编号型号贯入阻力仪/ 1475 HC-80震动台/ 930 ZT1010日期:校审: 主检:记录号:五、抗压强度比:R S=100×S t/Sc式中:R S━抗压强度比,Mp aS t━受检砼抗压强度,MP aS c━基准砼抗压强度,MP aS=λP/A式中:S━砼抗压强度,MP aP━砼破坏荷载,NA━砼试块受压面积,mm2λ━修正系数,100×100取0.95150×150取 1.00,200×200取 1.05则1天抗压强度比:R1S=100×S t/S c=校审: 主检:记录号:则3天抗压强度比:c=R3S=100×S t/SR7S=100×S t/Sc=校审: 主检:记录号:则28天抗压强度比:R28S=100×S t/S c=使用设备精度编号型号压力试验机±1% 1049W E-2000B震动台/ 930 ZT1010日期:六、收缩率:Rε=100×εt/εc式中:Rε━收缩率比,%εt━受检砼收缩率,%εc ━基准砼收缩率,%ε=100(L0-L t)/L b式中:ε━试验期为t时的砼收缩率,%L b━试件的测量标距,mmL0━试件长度的初始读数,mmL t━试件在试验期为t时的测量读数,mm 校审: 主检:记录号:Rε=100×εt/εc=使用设备精度编号型号收缩仪/ 1477 S P-540震动台/ 930 ZT1010日期:七电位(M pa)时间t(min)使用设备精度编号型号钢筋锈蚀仪/ 1469 PS-6震动台/ 930 ZT1010日期:校审: 主检:。
原始记录 CNFL-MY-QRD-5.10-A-10
外加剂(减水剂)试验原始记录表一
试验编号:
委托单位:登记编号:工程名称及部位:样品编号:
样品名称:生产厂家:牌号:推荐掺量:代表数量:
委托时间:样品情况:试验时间:依据标准: GB8076-1997 Ⅰ使用材料:
水泥:产地品种等级;砂子:产地品种规格:;石子:产地品种规格
Ⅱ抗压强度比:
原始记录 CNFL-MY-QRD-5.10-A-10
外加剂(减水剂)试验原始记录表二
备注:
结论:
审核:试验:
填表说明:除减水率其它的填表与泵送剂一样,只是多了一天的抗压强度比。
减水率:1.2人工输入,3为软件计算,3=(1-2)÷1×100保留整数。
减水剂检测报告
1. 引言
本报告旨在对某减水剂进行检测和评估,以确保其符合相关质量标准和应用要求。
2. 检测方法
本次检测采用以下方法进行:
样品准备:将减水剂样品按照规定的比例与水混合,制备测试溶液。
减水率测试:在实验室条件下,使用标准玻璃杯和测量工具,测定减水剂在一定剂量下对混凝土水化反应的影响,计算减水率。
液体含固量测试:通过蒸发水分的方法,测定减水剂溶液中的含固量百分比。
粒径分析测试:使用粒度分析仪,测量减水剂中固体颗粒的粒径分布情况。
3. 检测结果
经过以上检测方法的应用,得到以下结果:
减水率:经测试,减水剂在建议的使用剂量下,可以达到20%的减水率。
液体含固量:减水剂溶液中的含固量为10%。
粒径分析:减水剂中的固体颗粒主要分布在30-100微米之间。
4.
根据以上检测结果,可以得出以下:
减水剂达到了预期的减水效果,减水率达到了要求的20%。
减水剂溶液的含固量符合相关标准,可以稳定地应用于混凝土工程中。
减水剂中的固体颗粒主要分布在30-100微米之间,符合预期的粒径要求。
5. 建议
根据本次检测结果,对于减水剂的使用和应用,我们建议:
在实际工程中,按照建议的使用剂量使用减水剂,以确保达到预期的减水效果。
注意减水剂溶液中的含固量,以维持其稳定性和效果。
注意减水剂中固体颗粒的粒径分布情况,确保其满足使用要求。
6. 参考文献
[1] 相关标准编号:X
[2] 减水剂使用指南
[3] 减水剂生产厂商提供的技术资料。
原始记录 CNFL-MY-QRD-5.10-A-10
外加剂(减水剂)试验原始记录表一
试验编号:
委托单位:登记编号:工程名称及部位:样品编号:
样品名称:生产厂家:牌号:推荐掺量:代表数量:
委托时间:样品情况:试验时间:依据标准: GB8076-1997 Ⅰ使用材料:
水泥:产地品种等级;砂子:产地品种规格:;石子:产地品种规格
Ⅱ抗压强度比:
原始记录 CNFL-MY-QRD-5.10-A-10
外加剂(减水剂)试验原始记录表二
备注:
结论:
审核:试验:
填表说明:除减水率其它的填表与泵送剂一样,只是多了一天的抗压强度比。
减水率:1.2人工输入,3为软件计算,3=(1-2)÷1×100保留整数。