工业氧化铝的简介
- 格式:doc
- 大小:8.73 MB
- 文档页数:13
氧化铝,又称三氧化二铝,分子量102,通常称为“铝氧”,是一种难溶于水的白色固体。
无臭。
无味。
质极硬。
易吸潮而不潮解。
两性氧化物,能溶于无机酸和碱性溶液中,几乎不溶于水及非极性有机溶剂。
相对密度(d204)4.0。
熔点约2000℃,俗称矾土。
英文别名:Aluminum oxide式量 101.96 amu导电性常温状态下不导电1.加热用氢氧化钠溶解矿石。
氧化铁不溶,二氧化硅溶解为硅酸根(Si(OH)62−),氧化铝溶解为铝酸根(Al(OH)4−)。
1.过滤,加酸处理,氢氧化铝沉淀出来,再过滤。
再由Hall-Heroult法转变为铝金属。
再由Hall-Heroult法转变为铝金属。
α型氧化铝在α型氧化铝的晶格中,氧离子为六方紧密堆积,Al3+对称地分布在氧离子围成的八面体配位中心,晶格能很大,故熔点、沸点很高.α型氧化铝不溶于水和酸,工业上也称铝氧,是制金属铝的基本原料;也用于制各种耐火砖、耐火坩埚、耐火管、耐高温实验仪器;还可作研磨剂、阻燃剂、填充料等;高纯的α型氧化铝还是生产人造刚玉、人造红宝石和蓝宝石的原料;还用于生产现代大规模集成电路的板基.γ型氧化铝γ型氧化铝是氢氧化铝在140-150℃的低温环境下脱水制得,工业上也叫活性氧化铝、铝胶.其结构中氧离子近似为立方面心紧密堆积,Al3+不规则地分布在由氧离子围成的八面体和四面体空隙之中.γ型氧化铝不溶于水,能溶于强酸或强碱溶液,将它加热至1200℃就全部转化为α型氧化铝.γ型氧化铝是一种多孔性物质,每克的内表面积高达数百平方米,活性高吸附能力强.工业品常为无色或微带粉红的圆柱型颗粒,耐压性好.在石油炼制和石油化工中是常用的吸附剂、催化剂和催化剂载体;在工业上是变压器油、透平油的脱酸剂,还用于色层分析;在实验室是中性强干燥剂,其干燥能力不亚于五氧化二磷,使用后在175℃以下加热6-8h还能再生重复使用.目前世界上用拜耳法生产的氧化铝要占到总产量的90%以上,氧化铝大部分用于制金属铝,用作其它用途的不到10%.电解氧化铝工业化大规模生产电解铝的主要工艺过程是一个熔盐电化学过程,用简单的化学式可表示如下:熔盐电解主反应:Al2O3+2C ——————→ 2Al+CO2↑+CO↑ (1)阳极960~990℃阴极副反应:AlF3+C→Al+CF3 (2)Na3AlF3+C →Al+NaF+CF4+F2 (3)NaF+C → Na+CF4 (4)β型氧化铝还有一种β-Al2O3,它有离子传导能力(允许Na通过),以β-铝矾土为电解质制成钠-硫蓄电池。
氧化铝作用与用途氧化铝是一种广泛应用的无机化合物,其化学式为Al2O3。
它是一种白色粉末,具有高的熔点和硬度,是一种重要的工业材料。
氧化铝具有多种用途,包括在制造陶瓷、砂纸、磨料、催化剂、电解铝和其他材料中。
氧化铝的制备方法有多种,其中最常见的是从铝矾土中提取。
铝矾土是一种含有氧化铝的矿物,它可以通过矿物处理和提取过程来制备氧化铝。
这种方法是最常见的制备氧化铝的方法之一,因为铝矾土是一种广泛存在的矿物,可以在全球范围内获得。
氧化铝在制造陶瓷中具有重要作用。
陶瓷是一种广泛使用的材料,用于制造各种物品,包括餐具、花瓶、装饰品等。
氧化铝可以用作陶瓷的原料,因为它具有高的熔点和硬度,可以使陶瓷更加坚固和耐用。
此外,氧化铝还可以用作陶瓷的填充物,可以增加陶瓷的密度和强度。
氧化铝还可以用作砂纸和磨料的原料。
砂纸和磨料是用于磨削和抛光材料的工具。
氧化铝具有高硬度和耐磨性,可以用于制造高质量的砂纸和磨料。
此外,氧化铝还可以用于制造砂轮,砂轮是一种用于磨削和抛光金属和其他材料的工具。
氧化铝还可以用作催化剂的原料。
催化剂是一种用于促进化学反应的物质。
氧化铝可以用作催化剂的载体,可以增加催化剂的活性和选择性。
此外,氧化铝还可以用于制造催化剂的支撑材料,可以增加催化剂的稳定性和寿命。
氧化铝还可以用于电解铝的制造。
电解铝是一种广泛使用的金属,用于制造各种物品,包括汽车、飞机、建筑材料等。
氧化铝可以用作电解铝的原料,因为它可以通过电解过程转化为铝金属。
此外,氧化铝还可以用作电解铝的电解槽的内衬材料,可以增加电解槽的耐腐蚀性和寿命。
除了以上应用,氧化铝还可以用于制造高温材料、防火材料、电子材料等。
总之,氧化铝是一种广泛应用的无机化合物,具有多种用途。
随着科技的不断发展,氧化铝的应用领域将会越来越广泛。
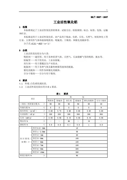
HG/T 3927-2007工业活性氧化铝1 范围本标准规定了工业活性氧化铝的要求、试验方法、检验规则、标志、标签、包装、运输和贮存。
本标准适用于工业活性氧化铝。
该产品用于炼油、化肥、石化、天然气、制氧和化工等行业,主要用作气体和液体吸附剂、吸氟剂、干燥剂、和催化剂载体等。
分子式:Al2O3 •nH2O(n<1)3 分类工业活性氧化铝分为六类:吸附剂——通用型,用于各种烃类气体、天然气、石油裂解气等的吸附、脱水等。
除氟型——用于饮用水、工业水除氟。
再生剂——用于蒽醌法生产双氧水。
脱氯剂——用于各种气体及黏性树脂等液体的脱氯。
催化剂载体——用作各种催化剂载体。
空分干燥剂——空分专用干燥剂。
4 要求4.1 外观:白色球状或柱状。
4.2 工业活性氧化铝应符合表1要求。
表1 要求5 试验方法5.1 安全提示本试验方法中使用的部分试剂具有腐蚀性,操作时须小心谨慎!如贱到皮肤上应立即用水冲洗,严重者应立即治疗。
5.2 一般规定本标准所用试剂和水在没有注明其他要求时,均指分析纯试剂和GB/T 6682一1992中规定的三级水。
试验中所用标准滴定溶液、制剂及制品,在没有注明其他要求时,均按HG/T 3696.3的规定制备。
5.3 外观判别在自然光条件下,用目视法判别。
5.4 三氧化二铝含量的测定5.4.1 方法提要铝离子与已知过量的乙二胺四乙酸二钠标准溶(EDTA)进行络合,形成稳定的A1-EDTA 络合物,过剩的EDTA在pH=5条件下,以二甲酚橙做指示剂,用氯化锌标准滴定溶液回滴至终点。
5.4.2 试剂5.4.2.1 六次甲基四胺。
5.4.2.2 硫酸溶液:1+1。
5.4.2.3 盐酸溶液:1+4。
5.4.2.4 氨水溶液:1+9。
5.4.2.5 乙二胺四乙酸二钠标准滴定溶液:c(EDTA)≈0.05mol/L。
5.4.2.6 氯化锌标准滴定溶液:c(ZnCl2)≈0.05mol/L。
5.4.2.7 二甲酚橙指示剂.2g/L。
氧化铝的工艺流程氧化铝(Al2O3)是一种重要的无机化合物,广泛应用于陶瓷、磨料、耐火材料等工业领域。
以下是氧化铝的工艺流程。
首先,氧化铝的原料主要是铝矾土(Al2O3·nH2O)。
将铝矾土经过筛分、破碎等预处理工序,去除其中的杂质和石英等掺杂物,得到纯净的铝矾土粉末。
接下来,将铝矾土与酸溶液进行浸提反应。
通常使用硫酸(H2SO4)作为溶液,将铝矾土与稀硫酸反应,生成硫酸铝(Al2(SO4)3)。
这一步是将Al2O3从矿石中分离出来的关键过程。
该反应在酸解釜中进行,加热、搅拌,使溶解反应更加充分。
然后,将稀硫酸溶液进行中和反应。
通过加入适量的碱溶液(如氢氧化钠、氢氧化铵等),将硫酸铝溶液中的铝离子与碱反应,生成沉淀。
经过过滤、洗涤等处理,得到含有氧化铝的湿沉淀。
湿沉淀经过脱水干燥处理,可得到氧化铝的粉末。
干燥过程通常使用高温烘干炉进行,将湿沉淀加热至适当的温度,脱除其中的水分。
接着,粉末经过细磨处理,将颗粒尺寸进一步缩小。
细磨可以采用湿法磨机或者球磨机,通过研磨和混合作用,使氧化铝粉末的粒径更加均匀细小。
最后,对细磨后的氧化铝粉末进行煅烧处理,使其晶体结构发生改变,并提高其物理和化学性能。
煅烧温度通常在1000℃以上,持续时间可根据需要进行调整。
经过以上工艺流程,我们可以得到高纯度、细小颗粒、优良性能的氧化铝粉末。
氧化铝粉末在后续的加工过程中,可以通过压制、烧结等方法得到所需的陶瓷、磨料等产品。
总之,氧化铝的工艺流程主要包括原料处理、溶解、沉淀、干燥、研磨和煅烧等步骤。
每个步骤都需要精确控制条件和质量,以确保最终得到优质的氧化铝产品。
氧化铝制取铝的过程及原理氧化铝(Al2O3)是一种常见的铝矿石,广泛用于制取铝的工业过程中。
制取铝的过程主要包括氧化铝还原和铝电解两个主要步骤。
首先,让我们来看一下氧化铝还原的过程。
氧化铝还原是将氧化铝还原为金属铝的化学反应。
这个过程主要发生在铝电解槽(Hall-Héroult法)。
制备铝的原理是利用氧化铝在高温下与熔融电解质的化学反应。
在电解包中,电极部分使用碳电极,作为还原剂反应。
具体的步骤如下:1.熔解氧化铝:首先将氧化铝与熔融电解质混合,加热至高温(约960 - 980摄氏度),使氧化铝熔融。
通常使用石墨抽出炉进行停留在电解质顶部气氛中,给与氧化铝与电解质充分的接触。
2.电解还原:将电流通入熔解的氧化铝和电解质混合物中。
电流通过电解槽金属框架内的导线,从而形成阳极和阴极。
通过阳极注入电子,将氧化铝中的氧元素还原为气体氧,阴极则发生还原反应,将阴极上的铝离子还原为金属铝。
具体的反应如下:阳极反应:2O2- →O2 + 4e-阴极反应:4Al+3 + 12e- →4Al3.分离和收集:还原后的铝金属较轻,容易浮到熔融电解质的表面上,形成铝金属层,可以通过人工或机械方式将铝层从电解质中分离出来。
收集器和槽座可以收集熔融铝,然后通过冷却和其他工艺加工,获得纯净的铝。
值得注意的是,氧化铝还原的过程是高温高能耗的工业过程,因为电流通过反应中熔解的物质需要大量的能量供应。
此外,氧化铝还原过程中生成的氧气也需要将其分离和收集。
总结起来,制取铝的过程主要包括氧化铝还原和铝电解两个主要步骤。
氧化铝还原是利用高温下氧化铝与熔融电解质的化学反应,将氧化铝还原为铝金属。
铝电解过程通过电流通入熔解的氧化铝和电解质混合物中,实现氧化铝的还原和铝金属的收集。
这个过程是一个能耗较高的工业过程,但制取出的铝金属是一种重要的工业原材料。
氧化铝前景氧化铝是一种重要的无机材料,具有广泛的应用前景。
它的前景可以从工业、科学研究和生活三个方面来进行探究。
首先,氧化铝在工业中有着广泛的应用前景。
由于其化学性质稳定、耐高温、绝缘性能好等特点,使其成为制造陶瓷、耐火材料、研磨材料和催化剂等领域的重要原料。
在陶瓷行业中,氧化铝可以用于制造高硬度、高强度和高耐磨性的陶瓷制品,例如陶瓷刀具、研磨球等。
在耐火材料行业中,氧化铝可以制造耐高温、耐腐蚀的陶瓷纤维、耐火砖等产品,被广泛应用于冶金、化工等领域。
此外,氧化铝还可以作为催化剂用于石油化工、环保等工业领域,用于催化反应,提高反应速率和选择性。
可以说,氧化铝在工业中有着广泛的应用前景。
其次,氧化铝在科学研究领域也有着巨大的前景。
由于氧化铝具有可调节的物理和化学性质,使得它在纳米科学和材料科学领域的研究中备受关注。
研究人员可以通过调节氧化铝的纳米结构、形貌和表面性质,来研究其在催化、电子学、光学等方面的特殊性能。
例如,氧化铝纳米材料在催化领域的研究表明,其独特的形貌和表面性质可以显著提高催化反应的活性和稳定性。
此外,氧化铝纳米材料还可以用于制备纳米复合材料,例如氧化铝纳米颗粒与其他材料的复合,可以在材料的机械、热学和光学性能方面实现优化。
因此,氧化铝在科学研究领域具有广阔的前景。
最后,氧化铝在生活中也有着广泛的应用前景。
随着科技的发展,氧化铝材料在生活用品中的应用越来越广泛,例如制备高效家电散热器、超硬材料刀片、抗刮伤的电子屏幕等。
此外,氧化铝纳米材料在生物医学领域也有着重要的应用前景。
研究表明,氧化铝纳米材料具有良好的生物相容性,可以用于制备新型的生物医学材料,例如纳米载药系统、组织工程材料等。
这些应用将大大促进医疗设备和生活用品的发展,提高人们的生活质量。
综上所述,氧化铝具有广泛的应用前景。
它在工业、科学研究和生活中的应用将带来巨大的经济和社会效益。
随着科技的进步和人们对材料性能的要求不断提高,氧化铝的前景将更加广阔。
工业氧化铝6类摘要:1.工业氧化铝的简介2.工业氧化铝的6 类分类3.各类氧化铝的特点和应用4.我国工业氧化铝的发展现状和前景正文:一、工业氧化铝的简介工业氧化铝,又称为铝氧化物或铝土矿,是一种无机化合物,化学式为Al2O3。
它是铝元素最常见的氧化物,具有高熔点、高硬度和良好的耐磨性等特点。
工业氧化铝广泛应用于各个领域,如陶瓷、化工、电子、航空等。
二、工业氧化铝的6 类分类根据工业氧化铝的物理和化学性质,可以将其分为以下6 类:1.高纯度氧化铝:纯度高达99.99% 以上,主要用于半导体材料、光纤等高精度领域。
2.普通氧化铝:纯度在95%-99.9% 之间,广泛应用于陶瓷、耐火材料等。
3.活性氧化铝:具有较高的比表面积,主要用于催化剂、吸附剂等领域。
4.纳米氧化铝:粒径在1-100nm 之间,具有优异的力学性能、热稳定性和化学稳定性,广泛应用于涂料、塑料等。
5.氢氧化铝:由氧化铝和水反应生成,主要用于污水处理、医药等。
6.复合氧化铝:由氧化铝与其他物质复合而成,具有特殊的性能,如高强度、高硬度等,用于航空、航天等高端领域。
三、各类氧化铝的特点和应用1.高纯度氧化铝:具有高熔点、高硬度、高绝缘性等优点,主要用于半导体材料、光纤、电子元器件等。
2.普通氧化铝:具有良好的耐磨性、耐高温性和化学稳定性,广泛应用于陶瓷、耐火材料、磨料等。
3.活性氧化铝:具有较高的比表面积,用作催化剂和吸附剂,如石油裂化、催化剂载体等。
4.纳米氧化铝:具有优异的力学性能、热稳定性和化学稳定性,用于涂料、塑料、橡胶等填充剂。
5.氢氧化铝:具有良好的吸附性能,用于污水处理、医药等。
6.复合氧化铝:具有特殊的性能,如高强度、高硬度等,用于航空、航天等高端领域。
四、我国工业氧化铝的发展现状和前景我国是氧化铝生产和消费大国,拥有丰富的铝土矿资源。
近年来,我国氧化铝产业在政策支持和市场需求的推动下,取得了长足的发展。
氧化铝基产品,-概述说明以及解释1.引言1.1 概述概述氧化铝是一种常见的化工原料,具有广泛的应用领域。
作为一种重要的陶瓷材料,氧化铝具有优异的物理和化学性质,被广泛应用于建筑材料、电子器件、汽车制造、医疗设备等领域。
随着科学技术的不断进步,氧化铝基产品已经成为了现代工业中不可或缺的一部分。
本文将对氧化铝基产品的基本性质、制备方法以及应用领域进行详细介绍。
首先,我们将介绍氧化铝的基本性质,包括其物理性质、化学性质、结构特点等,帮助读者更好地理解这一材料。
然后,我们将深入探讨氧化铝的制备方法,包括传统的氧气燃烧法、水热法以及气相沉积法等,以期为氧化铝生产过程提供参考和借鉴。
最后,我们将重点介绍氧化铝基产品在不同领域的应用,包括建筑材料中的外墙饰面、电子器件中的绝缘材料、汽车制造中的陶瓷刀具等,以展示氧化铝的多样化应用潜力。
通过深入了解氧化铝基产品的相关知识,我们可以更好地认识和利用这一材料,在推动相关产业发展和提高产品性能方面起到积极的作用。
本文的结论部分将对氧化铝基产品的重要性进行总结,并对未来的研究方向和发展趋势进行展望,以期为相关研究者提供参考和启发。
在本文的剩余部分中,我们将逐一介绍氧化铝的基本性质、制备方法和应用领域,希望读者能够通过详细了解这一材料的各个方面,对氧化铝的重要性和潜力有更加清晰的认识。
同时,我们也希望本文能够为相关研究者提供一些思路和启示,促进氧化铝基产品的进一步发展和应用。
1.2 文章结构文章结构部分的内容可以编写为:文章结构:本文将分为三个部分进行介绍和讨论。
首先,在引言部分将概述本文的主题和目的,为读者提供一个整体的认识。
其次,在正文部分将从三个方面对氧化铝基产品进行详细阐述。
分别是氧化铝的基本性质、氧化铝的制备方法以及氧化铝基产品的应用领域。
这三个方面将形成一个完整的氧化铝基产品的知识体系,帮助读者全面了解和掌握相关知识。
最后,在结论部分将对全文进行总结和展望。
总结氧化铝基产品的重要性,回顾本文所涉及的关键点,强调其在工业和科学研究领域的价值。
不同工业氧化铝粉在加热过程中物相和形貌
的变化
随着温度升高,工业氧化铝粉的物相和形貌会发生变化。
下面针对几种常见工业氧化铝粉的变化情况进行介绍:
1. α-氧化铝粉:在室温下为α晶型,随着温度升高,晶格结构和晶胞尺寸变化不大,但晶体形态和粒径有所改变。
当温度升到1100℃左右时,α-氧化铝粉出现α-γ转变,晶格结构发生改变,晶胞尺寸变小,晶体形态和粒径也发生变化。
α-γ转变后,晶胞变为底心立方,晶体形态变得不规则,晶粒尺寸变小。
2. γ-氧化铝粉:γ-氧化铝粉是一种高度分散的氧化铝粉末,其晶体形态为球状,粒径通常在10~30 nm之间。
在高温下,γ-氧化铝粉会与α晶型发生相变,晶格结构和晶胞尺寸有所改变,晶体形态发生变化,球状粒子聚合成不规则形态的晶体,粒径变大。
3. 氧化铝纳米粉:氧化铝纳米粉晶体尺寸在1~100 nm之间,具有高度分散性和可控性。
随着温度升高,氧化铝纳米晶体的晶格结构和晶胞尺寸会发生微小变化,但晶体形态和粒径变化不大。
总的来说,工业氧化铝粉的物相和形貌在加热过程中会发生变化,但不同类型的氧化铝粉变化程度和方式都不尽相同。
需要根据具体材料进行详细分析。
氧化铝化学结构-概述说明以及解释1.引言1.1 概述:氧化铝(Aluminum Oxide,简称Alumina)是一种重要的无机化合物,具有广泛的应用和重要的化学性质。
作为一种重要的陶瓷材料,氧化铝在工业和科学领域中起着至关重要的作用。
本文将对氧化铝的化学性质、晶体结构及在工业上的应用进行深入探讨。
通过对氧化铝的综合了解,可以更好地认识和理解这一化合物在材料科学和工业生产中的重要性和潜力。
1.2 文章结构文章结构部分的内容:本文将分为引言、正文和结论三部分。
在引言部分,我们将概述氧化铝的化学结构,并介绍本文的目的和结构。
在正文部分,我们将重点讨论氧化铝的化学性质、晶体结构以及在工业上的应用。
最后,在结论部分,我们将总结氧化铝在工业和科学研究中的重要性,并展望氧化铝在未来的发展前景。
部分的内容文章1.3 目的部分的内容:本文旨在深入探讨氧化铝的化学结构及其相关性质,以及其在工业上的应用。
通过对氧化铝的化学性质及晶体结构的介绍,读者能够更好地了解氧化铝在材料科学中的重要性和广泛应用。
同时,通过对氧化铝在工业上的应用领域进行分析,可以更好地了解氧化铝在现代工业生产中的重要作用。
最后,通过总结氧化铝的重要性,并展望其在未来的发展趋势,可以为读者提供对氧化铝相关领域的全面认识和理解。
因此,本文的目的在于全面介绍氧化铝的化学结构及其应用,以期为读者提供有益的信息和知识。
2.正文2.1 氧化铝的化学性质氧化铝是一种无机化合物,化学式为Al2O3,在化学性质上表现出一些重要特点。
首先,氧化铝具有很高的化学稳定性,能够抵抗大部分酸碱腐蚀,这使得它成为一种重要的耐火材料。
其次,氧化铝在高温下能够与金属发生还原反应,从而被用于冶金工业中。
此外,氧化铝还具有很强的吸附性,可以用于吸附水和有机物质。
在工业上,氧化铝通常被用作催化剂、填料和吸附剂等。
另外,由于氧化铝具有良好的电绝缘性能和耐高温性,因此在电子工业和航天航空等领域也有广泛的应用。
氧化铝行业现状一、氧化铝行业概况(一)氧化铝简介氧化铝是由铝土矿经过加工后的一种工业原料,90%主要用于电解铝的生产。
通常每2吨左右铝土矿可以生产出1吨氧化铝,约2吨左右氧化铝可以生产出1吨电解铝。
氧化铝的生产方法主要有酸法和碱法,酸法有盐酸法、硫酸法、硝酸法,由于酸法存在耐酸设备造价昂贵、铝盐溶液除铁困难、溶解单位质量AL2O3需要大量酸、多数酸具有挥发性污染环境、产品物理性质难以达到电解制铝的要求等原因,导致酸法没有得到广泛应用。
碱法有拜耳法、烧结法和联合法。
世界上90%以上氧化铝都是由拜耳法生产的,拜耳法适用于处理品味比较高的铝土矿;烧结法主要用来处理品位低的含硅高的一水硬铝石矿,也可以烧结赤泥;联合法是对于A/S为4-7的铝土矿,采用拜耳法和烧结法联合处理,取长补短,可得到比单纯的拜耳法或烧结法更好的经济效果。
而联合法需要在拜耳法生产的基础上配套烧结法的设备,前期投资较大,所以没有得到广泛应用。
(二)行业产业链铝工业广泛采取的产业链是,铝土矿-氧化铝-电解铝-铝加工材(合金)-各种铝产品的终端消费品。
生产1吨氧化铝将消耗2吨铝土矿、0.3~1.6吨石灰石、1.5吨煤炭、25公斤碱、2~7吨新鲜水,而生产1吨原铝将消耗2吨氧化铝、22~25公斤氟化盐、12-14MWh电力、碳素阳极(毛耗,由石油焦和煤沥青制成)500~550公斤。
每生产1吨氧化铝,产生0.9~1.7吨赤泥。
铝制品主要用于建筑行业(如建筑铝型材)、交通运输、电力行业(主要是电力电缆和变压器)、耐用消费(家用五金如铝锅,灯具)、包装等行业(铝箔)。
铝行业产业链二、我国铝行业政策国家发改委根据国家有关法律法规和产业政策,制定铝行业准入条件如下:(一)企业规模新建铝土矿开采项目总投资5亿元及以上的由国务院投资主管部门核准,其他矿山开发项目由省级政府投资主管部门核准。
申请核准的矿山投资项目,总生产建设规模不得低于30万吨/年,服务年限为15年以上。
氧化铝,又称三氧化二铝,化学式为Al2O3,是一种白色无定形粉状物,不溶于水,俗称矾土、刚玉。
它是由铝土矿经拜耳法、烧结法等工艺生产先获得氢氧化铝,再经加热分解的脱水产物。
氧化铝是典型的两性氧化物,能溶于无机酸和碱性溶液中,几乎不溶于水及非极性有机溶剂;熔点为2050℃。
氧化铝的用途广泛,根据用途不同,氧化铝分为两大类:一类用作电解铝原料,称为冶金级氧化铝;另一类是用于陶瓷、化工、制药等领域的非冶金用氧化铝,称为特种氧化铝,也叫化学品氧化铝。
目前全球95%氧化铝用于电解铝冶炼和生产,而用作其它用途的仅占5%左右。
在工业上,氧化铝是制造耐火材料的重要原料,还常用于制造各种陶瓷、磨料、研磨具、抛光粉等。
此外,氧化铝在化学工业中可用作分析试剂、有机溶剂的脱水、吸附剂、有机反应催化剂、研磨剂、抛光剂、冶炼铝的原料、耐火材料等。
氧化铝的工业用途有氧化铝是一种重要的无机化合物,在工业上有广泛的用途。
以下是氧化铝的工业用途的一些详细介绍。
1. 耐火材料:由于氧化铝具有极高的熔点和优良的耐高温性能,其被广泛应用于耐火材料的制造中。
氧化铝砖、氧化铝纤维和氧化铝陶瓷等耐火材料具有耐高温、耐腐蚀和隔热等特点,被广泛应用于高温工业设备,如冶金炉、玻璃窑、钢铁炉等。
2. 磨料:氧化铝具有优良的磨削性能和高硬度,因此被广泛应用于磨料的制造中。
氧化铝砂颗粒可以用于研磨和抛光金属、玻璃、陶瓷等材料,还可以制成磨料片、砂纸和砂布,用于磨削和抛光各种物体。
3. 陶瓷材料:氧化铝具有良好的绝缘性能、耐高温性能和耐腐蚀性能,因此被广泛应用于陶瓷材料的制造中。
氧化铝陶瓷被用于制造各种陶瓷制品,如陶瓷管、陶瓷容器和陶瓷电子元件等。
4. 催化剂:氧化铝作为一种优质的催化剂,被广泛应用于化学工业中。
氧化铝可以与其他金属氧化物组成复合催化剂,用于促进化学反应的进行。
例如,氧化铝催化剂可以用于炼油中的脱硫反应、有机合成中的氧化反应等。
5. 冶金材料:氧化铝在冶金工业中有重要的应用。
它可以作为铸造材料,用于制造高温熔融金属的容器和模具。
此外,氧化铝还可以作为冶金助剂,用于改善金属的熔化性能、稳定化金属结构和提高金属的机械性能。
6. 化妆品和药品:氧化铝被广泛应用于化妆品和药品中。
细颗粒的氧化铝可以用于制造粉底、眼影、口红等化妆品,起到增加光泽和改善质感的作用。
此外,氧化铝还被用作抗酸药物的成分,用于缓解胃酸和胃液的酸蚀作用。
综上所述,氧化铝在工业上有广泛的应用。
其耐高温性能、耐腐蚀性能、绝缘性能和磨削性能使得氧化铝在耐火材料、磨料、陶瓷材料、催化剂、冶金材料、化妆品和药品等领域都有重要作用。
随着科技的不断发展,氧化铝的应用前景将更加广阔。
工业氧化铝球的制作方法
工业氧化铝是制作氧化铝球的主要原料,通过电熔法进行吹制,使用电弧炉作为基础的电熔设备,通过使用石墨或者别的耐火材料进行砌筑,我们应当在其边缘砌一流口,然后再安装喷嘴,这个喷嘴应当和压缩空气装置相连接。
我们可以进行倾动炉体,将石墨作为电极。
我们可以在熔池中加氧化铝粉然后通过使用电进行熔融,当其温度大于2200摄氏度的时候,就会发生翻滚,在倾动炉体的条件下,就会有溶液流出来。
压缩空气也会喷吹溶液流股,由于溶液的粘度和表面张力不同的条件下,如果有溶液不断的进行喷吹和冷凝,那么就可能形成包裹空气的球,只有我们在通过收集和筛选之后,才可以按照不同的颗粒大小存放备用。
如果压缩空气的喷吹压力越大,那么氧化铝空心球的数量就越多。
氧化球壁的厚度会随着粒径大小的不同而不同,如果其粒度范围是0.5毫米至5毫米的时候,那么它的厚度应当是0.1毫米至0.3毫米。
空心球的自然堆积密度和粒径大小成反比例关系。
工业氧化铝
工业氧化铝,一种无机化合物,为离子型氧化物。
分子式为
Al₂O₃,呈白色固体状,无臭无味,不溶于水,一般通过铝土矿(铝矾土)制得21。
天然的氧化铝又称刚玉,因含不同杂质而有多种颜色,如含铬元素时呈红色,称红宝石;含铁、钛元素时呈蓝色,称蓝宝石。
工业氧化铝包含有多种晶型结构,包括α、β、γ、δ、ε、ζ、ŋ、θ、κ、λ、ρ-Al₂O₃等,最常见的有α-Al₂O₃、β-Al₂O₃和γ-Al₂O₃。
天然刚玉为α-Al₂O₃。
45不同晶型的氧化铝物理化学性质不同,高温相α-Al₂O₃化学性质稳定,γ-Al₂O₃可与强酸反应生成铝盐,也能与强碱生成偏铝酸盐。
工业氧化铝具有高硬度、高电阻率、良好的生物惰性、抗腐蚀、高热稳定性、高化学稳定性等特点。
常被用于冶金、催化剂、耐火材料、化工、陶瓷业、人工宝石、生物材料等领域。
1而通过人工手段合成的高纯氧化铝还具备优越的光学性能,常被用于制作集成电路陶瓷基片、传感器、精密仪表及航空光学器件等。
工业氧化铝得简介摘要:随着科学与技术得发展,工业氧化铝得应用范围越来越广泛。
对于不同得用途,要求氧化铝具有不同得物理与化学特性、本文主要论述了工业氧化铝得性质(物理性质,化学性质),化学成分、矿物成分、产出状态,岩石种类,产地、价格、合成原料,工艺,用途等一系列问题。
关键词:工业氧化铝;性质;成分;合成;用途1 工业氧化铝得简介及性质1、1工业氧化铝得矿物成分、岩石种类、产地市场上最易于得到得精制氧化铝就是用拜尔法制取得,所用原料为铝矾土矿,我国河南、山东、贵州等地都有优质得大型矾土矿床。
目前,世界已探明铝土资源储量约360亿吨,中国约23亿吨,居世界第五位[1]。
铝土矿得90%-95%首先被加工成氧化铝,绝大部分用于生产金属铝[2]。
仅有约10%氧化铝用于其她特定目得,例如用作染料与洗涤剂得添加剂。
其余5%一10%得铝土矿用作磨料、耐火材料与陶瓷生产或水泥添加剂[3]。
我国铝矾土储量极为丰富,产地从黄河以北得山西、河北与山东,穿过中部得河南与广西,直到西南得贵州与云南、目前出产高铝矾土熟料得主要产地在山西、河南与贵州。
我国高铝矾土主要矿物为水铝石(水硬铝石)、勃姆石(水软铝石)、高岭石与叶腊石,可按其矿物组成分为3种类型:(l)水铝石—高岭石型[DK];(2)勃姆石—高岭石型[BK];(3)水铝石—叶腊石型[DP]。
而目前DK型矾土应用最为广泛、DK型矾土熟料按其氧化铝含量分为特等、一等、二等A二等B与三等[4]1.2工业氧化铝得性质工业氧化铝得主要化学成分就是Al2O3,通常还有少量SiO2,Fe2O3,TiO2,Na2O,MgO,CaO与H2O。
要求工业氧化铝必须有较高得纯度,杂质含量,特别就是SiO2应尽可能低、我国原冶金工业部得部颁标准YB 814—1975规定了工业氧化铝得技术条件,见下表,对有些微量杂质暂未作规定。
[5]按物理性质不同,通常将工业氧化铝分为砂型、中间型与粉型三种。
三者得物理性质差别较大,但没有严格区分三种氧化铝得统一标准。
砂型氧化铝呈球状,颗粒较粗,约为80—100μm,安息角小,煅烧程度较低,灼减0.8%-1。
5%,其中α- Al2O3含量少于35%,多数在20%左右,γ- Al2O3含量较高,具有较大得活性。
粉型氧化铝平均粒度小(约50μm),细粉多(小于44μm得大于40%),安息角大,煅烧温度高(灼减小于0、5%,α-Al2O3大于70%),真密度大,堆密度低。
中间型介于二者之间。
[5]1.2。
1氧化铝得多晶型氧化铝具有多种晶体结构。
据文献报道,已有α、β、γ、δ、ε、ζ、θ、η、κ、λ等12种。
最常见得有α、β、γ3种晶型,其中α—Al2O3俗称刚玉,它就是最稳定得氧化铝晶型,强度与电性能比其它晶型都好,3种晶型得性能见表1。
1、3 工业氧化铝剖面微观结构得研究1.3。
1样品与实验方法1。
3.1、1 样品1#样品就是种分工艺生产得氢氧化铝煅烧得氧化铝产品,磨损指数42%;2#样品就是碳分工艺生产得氢氧化铝煅烧得氧化铝产品,磨损指数18%;3#样品就是国外进口氧化铝产品,磨损指数12%。
1.3.1、2 表面结构微观分析样品得制备方法取少量样品,均匀地撒在有碳导电胶得样品台上,用吸耳球吹掉粘结不牢得颗粒。
剖面结构微观分析样品得制备方法:把样品单层地放置在抛光得铜片上,通过电镀使氧化铝颗粒包埋在金属铜中,然后把铜片镶嵌在有机玻璃中进行磨抛金属片至出现颗粒剖面。
把两种样品放在JFC—1600型离子镀膜仪中喷涂铂。
1.3.1.3 样品观察在JSM—6360LV型扫描电镜上,对样品得表面结构采用二次电子像进行观察与拍照,对样品得剖面结构采用背散射电子像进行观察与拍照。
ﻫ1.3。
2 结果与讨论图1~图6就是三个样品表面与剖面得SEM照片。
从图1、2颗粒得表面与剖面微观结构瞧出;种分工艺生产得氢氧化铝煅烧得氧化铝产品,粒度分布较均匀,单晶体表面裂隙呈层状,裂隙发育,裂隙宽窄、长短不同,较宽裂隙中充填有细小粒子,但颗粒得剖面照片上瞧不到裂隙中得细小颗粒,说明裂隙中得细小粒子就是在煅烧过程中物理吸附在裂隙中。
剖面上单晶体得裂隙呈不连续、似层状分布、由于氢氧化铝晶体结构属层状,当温度升高时,覆盖在晶体表面得羟基与相邻得氢生成水分子后沿层间溢出,氧化铝单晶体得裂隙呈层状。
当单晶体较大(大于80μm)时,氢氧化铝脱水温度较高,水得排出受到阻碍或出现急剧脱水使晶粒崩裂(图2)或产生较宽裂隙,在磨损过程中,颗粒很容易从层间破裂,其磨损指数很大。
由图3瞧出,碳分工艺生产得氢氧化铝煅烧得氧化铝产品,颗粒就是由大小不同较细小得柱状单晶体附聚而成,附聚颗粒结构致密,各单晶呈放射状生长,为典型得放射状结构。
颗粒表面裂隙较少。
从图4剖面瞧,颗粒裂隙沿晶粒结合处呈典型得放射状,单晶体上,裂隙呈似层状。
图5就是国外进口氧化铝产品,颗粒呈似球状,组成颗粒得单晶体20μm左右,它们互相嵌布,结构致密,呈典型得镶嵌状结构。
颗粒表面得裂隙没有1#、2#样品明显、由图6瞧到,颗粒在晶粒结合处裂隙少且小,这可能就是由于组成颗粒得单晶粒细小,附聚粒多,氢氧化铝煅烧时脱水温度较低,水蒸汽就是缓慢从晶粒结合处及单晶粒层间裂隙处脱出,脱水通道多。
[6]1。
3。
3 结论氧化铝就是氢氧化铝在一定温度下煅烧得产品,氢氧化铝煅烧为氧化铝得过程就是氢氧化铝结构水脱出得过程,氧化铝颗粒得结构、外形保留了氢氧化铝颗粒得结构与外形,不同类型氢氧化铝在煅烧过程中由于颗粒结晶状态得不同,在脱水时形成得路径不同。
种分氧化铝颗粒大多为单晶体,由于在脱水时大量水仅从层间溢出,少量从轴向溢出,在层间形成大量裂隙,产品在磨损时,颗粒很容易从层间破裂而产生大量细小颗粒,因而磨损指数很大。
碳分氧化铝颗粒由呈拄状单晶体附聚而成,脱水时水从晶粒间及单晶内得层间溢出,脱水通道及方向明显多于种分样品。
表面裂隙发育不明显,磨损时产生得细颗粒较少,磨损指数较小。
国外氧化铝由大量细小晶粒组成得附聚颗粒,单晶粒较小,附聚颗粒数量多,煅烧为氧化铝时脱水温度较低,脱水通道在不同方向很多且通道小而窄,煅烧产生得水容易溢出、氧化铝表面裂隙很少,磨损时产生细颗粒少,因而氧化铝得磨损指数很小。
实际生产中应控制氢氧化铝得生产工艺,生产出由大量细小晶粒附聚成得氢氧化铝,氧化铝产品质量就能有很大提高。
[7]2 工业氧化铝得制备2.1 拜耳法生产工业氧化铝工业氧化铝得制备多采用拜耳法(即碱石灰法)。
将铝钒土[约含Al2O360%~85%,矿物组成以一水硬铝石(x Al2O3·H2O)为主]与纯碱、石灰石混合并细磨,在高温下烧结,使铝钒土中得一水硬铝石等与纯碱反应生成水溶性铝酸钠,而原矿中所含得SiO2等杂质矿物则与石灰石分解产物结合成稳定得难溶矿物、将铝酸钠用水浸取,经分离除去难溶性得残渣,通入CO2气体使铝酸钠分解并析出氢氧化铝,氢氧化铝经煅烧处理后即得到工业氧化铝γ—Al2O3、γ-Al2O3就是氧化铝得低温形态,结构疏松,易于吸水,且能被酸碱溶解,性能不稳定,不适于直接用来生产氧化铝陶瓷,可采用适当得添加剂对γ- Al2O3进行高温煅烧,使γ-Al2O3不可逆地转变为α-Al2O3。
这一工艺过程伴随14。
3%得体积收缩。
使用煅烧过得α—Al2O3粉生产氧化铝陶瓷,有利于产品尺寸控制与避免产品得开裂、[8]2、2煤灰、低品位铝矿直接生产工业氧化铝2。
2.1品位铝矿选用及预处理粉煤灰主要化学成分为Al2O3、SiO2、Fe2O3以及CaO、MgO、TiO2等,根据原煤矿藏生成年代不同, Al2O3在30%~40%之间。
粉煤灰因已经过高温,有效成分具有活性可直接溶于酸或碱、低品位铝矿一般不能直接溶于酸或碱,要先加入辅料、调整剂与经过预除杂处理,在高温条件下进行固相烧结反应,使其得到充分活化,使其中得Al2O3转型为易溶成份,方可用于生产[8]2.2.2酸或碱常温常压反应溶出直接生产工业氧化铝技术特点酸法生产氧化铝得一般流程如下:a.原料得预处理,多数情况下进行热法预处理;b、氧化铝转化为可溶性得无机酸铝盐;c.铝盐提纯;d、铝盐得分解与氢氧化铝得焙烧;e。
酸得再生回用。
碱金属与碱土金属得氧化物与酸作用生成工业价值不大得盐类,因此,酸法主要适用于处理低铁无碱得硅酸盐类矿物,如粉煤灰、低品位铝矿、粘土、高岭土、煤矸石等、碱法工艺流程:粉煤灰、低品位铝矿→碱化→波加速反应→调pH→真空过滤→植入晶核→波晶化→强力焙烧→检验→工业氧化铝[9]。
其中,波处理就是一项近年来发展起来得新技术,目得在于从低品位矿石与尾矿中提高Al2O3得回收率、波加热加速反应与传统加热反应不同,它不需由表及里得热传导,而就是通过波在物料内部得能量耗散来直接加热物料,根据物料性质(电导率、磁导率、介电常数)得不同,波可以及时而有效地在整个物料内部产生热量,具有以下用传统加热反应方式无法比拟得优点:a、选择性加热物料,升温速度快,加热效率高;b、波能够同时促进吸热与放热反应,对化学反应具有催化作用;c。
波加热加速反应代替传统加热时,其她高温化学反应可以在十分低得温度下进行,即波加热加速反应具有降低化学反应温度,创造出更为有利得热力学条件得作用;d。
波很容易使极性液体(例如水、乙醇、各种酸碱溶液等)加热,因而波加热可促进矿物在溶剂中得溶解,提高湿法冶金过程得溶出速率与降低过程得能耗;e、波本身不产生任何气体,所需净化得只有还原或氧化反应产生得气体,而且利于保护;f。
易于自动控制。
以波加热加速碱法溶出反应为例:Al2O3·H2O+2NaOH=2NaAlO2+2H2O此反应属多相反应,溶出过程包括以下步骤:含Al2O3矿物表面被溶剂-含大量游离NaOH得循环母液湿润;OH-通过扩散层向矿物表面扩散;含Al2O3矿物与OH—相互作用生成铝酸根;铝酸根离子通过矿物表面上生成得扩散层向整个溶液扩散、试验表明,在反应温度较低时,上述反应速率由界面化学反应控制,而当反应温度较高时,则由扩散传质与界面化学反应共同控制。
波作用下溶出反应速率之所以显著提高,就是因为波辐射铝碱溶液体系时使各矿粒产生热应力裂纹,暴露出新得矿粒表面,增加了反应界面,从而有利于固液反应得进行。
同时,波加热原料时介电颗粒得表面将产生热量,并在颗粒周围形成较大得热对流液流,它能搅拌溶液与驱散颗粒外层得高铁赤泥层破坏钛酸钠保护膜,加快OH—离子向反应界面与铝酸根离子向溶液得扩散速率。
此外,由于溶液得介电颗粒处于运动状态,阻止了罐内壁得结疤、原料中不吸波得SiO2在颗粒产生裂纹时解离,沉降于罐底部。
按此工艺生产得氧化铝Al2O3含量可达95%。
[10]2。
3工业氧化铝原料处理新工艺工业氧化铝原料就是白色松散得结晶粉末,颗粒大多就是由许多粒径小于0。