(整理)采矿权许可变更开采矿种资料表格
- 格式:doc
- 大小:33.00 KB
- 文档页数:2
采矿权审批各种表格式样及内容一、采矿权申请表格(国土资源部规定格式)附件1、采矿权申请登记书(格式及内容见附件1)附件2、采矿权延续申请登记书(格式及内容见附件2)附件3、采矿权变更申请登记书(格式及内容见附件3)附件4、采矿权注销申请登记书(格式及内容见附件4)附件5、采矿权转让申请书(格式及内容见附件5)二、审批及通知表格式样:一部分是国土资源部开发采矿权管理信息系统自动生成表格;另一部分是结合我省采矿权管理工作实际,省厅设计、制定表格。
(一)划定矿区范围附件6、云南省划定矿区范围初审意见表(省厅设计、制定表格)附件7、划定矿区范围审批责任表(系统生成)附件8、云南省划定矿区范围批复(系统生成)附件9、采矿权出让(划定矿区范围)会签表(省厅设计、制定表格)附件10、采矿权出让(划定矿区范围)会审表(省厅设计、制定表格)(二)采矿权申请登记附件11、采矿权申请审批责任表(系统生成)附件12、云南省准予办理采矿登记通知(系统生成)附件13、云南省不予办理采矿登记通知(系统生成)附件14、云南省颁发采矿许可证通知(系统生成)附件15、云南省X X国土资源局缴纳采矿权使用费通知(系统生成)(三)采矿权延续登记附件16、采矿权延续审批责任表(系统生成)附件17、采矿权延续登记初审意见表(省厅设计、制定表格)(四)采矿权变更登记附件18、采矿权变更审批责任表(系统生成)附件19、采矿权变更登记初审意见表(省厅设计、制定表格)(五)采矿权注销登记附件20、采矿权注销审批责任表(系统生成)附件21、采矿权注销登记初审意见表(省厅设计、制定表格)附件22、云南省注销采矿许可证通知书(省厅设计、制定表格)(六)采矿权转让审批附件23、采矿权转让会签表(省厅设计、制定表格)附件24、采矿权转让会审表(省厅设计、制定表格)附件25、采矿权转让初审意见表(省厅设计、制定表格)附件26、采矿权转让审批责任表(系统生成)附件27、采矿权转让通知书(系统生成,准予转让)附件28、采矿权转让通知书(系统生成,不准予转让)附件1 (格式)采矿权申请登记书采矿权申请人:(章)年月日填写说明采矿权申请人:填写申请取得采矿权的法人单位、个体或个人。
采矿证申请延续变更等流程资料申请采矿证的延续、变更等流程资料采矿证是对采矿项目进行管理的许可证件,包括具备矿业权人资格、拟采取的采矿方式、采矿规模、矿产资源储量等相关信息。
当矿区的拓展、成本变化或其他原因需要对采矿证进行延续、变更时,涉及的流程资料如下。
1. 延续采矿证延续采矿证是指在原采矿证有效期届满前,根据相关法规要求申请对采矿证的有效期进行延续的过程。
在办理延续采矿证时,需要准备以下流程资料:(1)延续申请表:填写正确的延续申请表,包括采矿证原编号、有效期满日期、延续的年限等信息。
(2)延续的合法性证明:提供与矿区相关的合法性证明,例如土地使用证、矿区规划许可证等。
(3)环境影响报告书:根据国家有关环保法规要求,编制环境影响报告书,并提交给相关部门进行审核。
(4)安全生产许可证:在延续采矿证时,需要提供采矿场所符合安全生产要求的证明,如安全生产许可证。
(5)矿产资源储量报告:提供详细的矿产资源储量报告,以证明采矿活动在延续期间内有足够的矿产资源供应。
2. 变更采矿证变更采矿证是指在已获得的采矿证有效期内,由于采矿规模、矿产资源储量、矿区范围等发生了变化,需要对采矿证信息进行更新的流程。
提交成功变更采矿证的流程资料包括:(1)变更申请表:填写正确的变更申请表,明确变更的内容,如采矿规模的扩大、矿区范围的调整等。
(2)变更的合法性证明:提供与变更内容相关的合法性证明材料,如土地使用证、规划许可证等。
(3)环境影响报告书:根据国家有关环保法规要求,编制环境影响报告书,并提交给相关部门进行审核。
(4)安全生产许可证:若变更后的采矿活动对安全生产要求有变化,需要更新或重新申请安全生产许可证。
(5)矿产资源储量报告:提供详细的矿产资源储量报告,以证明采矿活动在变更后依然有足够的矿产资源供应。
3. 其他资料要求除了上述的延续和变更采矿证所需的流程资料外,根据不同地区和具体情况,还可能需要提供其他相关资料,例如:(1)土地征收手续:如果采矿区域涉及土地征收,需要提供相应的土地征收手续文件。
登记号:查明矿产资源储量登记书探 矿 权 人:填写人: 负责人:(签名或盖章) (签名或盖章)日期: 年 月 日(单位公章)查明矿产资源储量登记书填写说明本登记书适用于登记除石油、天然气、煤层气、地热、矿泉水、地下水及其他气体矿产以外的矿产查明的矿产资源储量。
本登记书阴影部分由矿产资源储量登记管理机关填写。
封面登记号:由矿产资源储量登记管理机关统一编号、填写。
采用13位阿拉伯数字。
第1位表示矿产资源储量登记书类型,本登记书为查明矿产资源储量登记书,给定数字1;第2-7位表示勘查区所在地的县级行政区划代码;第8-9位表示年份;第10位表示办理登记手续的矿产资源储量登记管理机关级别,国务院矿产资源储量登记管理机关为1,省(区、市)人民政府矿产资源储量登记管理机关为2;第11至13位表示本年度内在本矿产资源储量登记管理机关进行查明矿产资源储量登记的顺序号。
该登记号为唯一、永久编号,给定后不再变动。
即使第2-7位对应的行政区名称和代码有变化,登记号中的该6位数字仍然不变,其变化前后的对应关系在矿产资源储量登记书、统计表及数据库中设定。
探矿权人:按勘查许可证上注明的探矿权人的名称填写。
矿区(井田)名称:填写最近一次提交并已评审通过的矿产资源储量报告中所使用的矿区(井田)【以下统称矿区】名称。
名称前一般要冠以县(市、区)名,如五台县天河铝土矿区。
如果矿区跨行政区,可不冠以县(市、区)名,但要冠煤田或矿产地名称,如河东煤田北部普查区。
【矿区是指地质勘查区,以勘查许可证划定范围为界。
若前后两次勘查许可证划定范围不一致时,以本次登记所持勘查许可证划定范围为准,确定为一个矿区,而前一勘查许可证与后一勘查许可证划定的范围未重叠的部分,作为调整后的原矿区范围(其资源储量为调整前原矿区的资源储量减去重叠部分中原计算的资源储量)。
】矿区(井田)编号:由矿产资源储量登记管理机关统一编号、填写。
由9位阿拉伯数字组成,前1、2位为省(市、区)编号,第3、4位为市(地、州)编号,第5、6位为县(市、区)编号,第7至9位为县(市、区)行政区内矿区顺序号。
采矿权变更提供资料1、采矿权变更申请登记书(原件);2、原采矿许可证正、副本(原件);3、采矿权人企业法人营业执照或工商营业执照、法定代表人身份证(委托办理的还应提交授权委托书原件和经办人身份证);4、矿产资源开发利用情况报告(原件);5、扩大矿区范围或增加开采矿种的,提交矿区扩大部分或增加矿种后的地质勘查报告及报告审查意见(含附图,地质勘查单位的勘查资格证件复印件)(原件);6、扩大矿区范围的提供登记机关同意的批复文件(原件);7、矿产资源开发利用方案及审查意见(原件,缩小矿区范围的不作此要求);8、地质灾害危险性评估报告及备案证明(原件);9、变更矿区范围的,提交变更后的矿区范围图(原件,比例1:10000或更大)、采矿权申请范围(原件,Excel格式);10、扩大矿区范围的,提交矿区范围拐点坐标(原件,国家指教坐标三度带Excel格式);11、涉及变更生产规模的,提交省级煤炭管理部门同意技改的文件(原件);12、土地复垦方案(含报告书、报告表和评审表)(原件);13、矿山地质环境保护与综合治理方案(含评审意见)、矿山环境治理回复保证金缴纳凭证;14、已缴纳了采矿权价款的,提交“一般缴款通知书”或价款缴纳收据;15、价款计算书(原件);16、属布设生产系统需要变更矿区范围的,只要按以下要求提供变更申请资料:(1)国土资源厅同意调整矿区范围的批复(原件);(2)原储量核实报告(地质报告)编制单位关于范围调整后储量未发生变化的证明材料(原件);(3)采矿许可证正、副本(原件);(4)调整矿区范围部分的地质灾害危险性评估补充报告及备案证(5)明(原件);17矿山用地手续。
18涉及变更开采主要矿种、生产规模的提交环境影响评价报告及矿山安全生产部门的审查意见。
19未领取80坐标新证,需提交矿区范围核查表。
各矿必须在7月1号前,将全部材料准备好,交煤炭开发总公司。
采矿权延续登记(非油气类)办事指南一、受理范围1.在采矿许可证有效期届满30日前提出申请,由国土资源部颁发的采矿许可证申请延续登记的。
2.省级人民政府国土资源主管部门在《关于规范勘查许可证采矿许可证权限有关问题的通知》(国土资发〔2005〕200号)下发前,依权限向采矿权人颁发采矿许可证,根据该通知规定,发证权限改为国土资源部,该采矿权人申请办理延续登记的。
二、审批依据1.《中华人民共和国矿产资源法》2.《中华人民共和国矿产资源法实施细则》3.《矿产资源开采登记管理办法》4.《国务院关于全面整顿和规范矿产资源开发秩序的通知》(国发〔2005〕28号)5.《矿产资源登记统计管理办法》(国土资源部令第23号)6.《探矿权采矿权使用费减免办法》(国土资发〔2000〕174号)7.《关于开展矿产资源储量登记工作的通知》(国土资发〔2004〕35号)8.《关于进一步加强探矿权采矿权价款管理的通知》(国土资发〔2004〕97号)9.《关于规范勘查许可证采矿许可证权限有关问题的通知》(国土资发〔2005〕200号)10.《国家物价局财政部关于发布中央管理的地矿系统行政事业性收费项目及标准的通知》(价费字〔1992〕251号)11.《财政部国土资源部中国人民银行关于探矿权价款收入管理有关事项的通知》(财建〔2006〕394号)12.《财政部国土资源部关于深化探矿权采矿权有偿取得制度改革有关问题的通知》(财建〔2006〕694号)13.《关于国土资源部征收的探矿权采矿权价款收入收缴管理有关事项的通知》(财办库〔2006〕365号)三、申报资料(5套)1.采矿权延续申请登记书(原件)2.原采矿许可证正本、副本(原件)3.下一级国土资源管理部分对采矿权人履行义务等情况的意见及有关履行义务情况的证明材料(如缺,可在接件后由国土资源部函调省级国土资源管理部门,所需时间不计入审批时限)4.剩余保有储量的证明材料5.矿山开发情况的说明6.应进行采矿权有处置的,提交相应采矿权价款评估确认及缴纳的相关资料7.企业法人营业执照复印件8.外商企业应提供外商投资企业批准证书复印件9.变更前占用资源储量登记手续履行情况及占用矿产资源储量登记书四、审批时限20个工作日五、收费事项(一)收费项目的标准和依据1.采矿权使用费标准:每平方公里每年1000元依据:《矿产资源开采登记管理办法》2.采矿权登记费标准:100元依据:《国家物价局财政部关于发布中央管理的地矿系统行政事业性收费项目及标准的通知》(价费字﹝1992﹞251号)3.采矿权价款标准:根据采矿权价款评估确认结果标准:《矿产资源开采登记管理办法》(二)缴费方式申请人接到《国土资源部准予办理采矿许可证通知》后,在30日内按规定缴纳采矿权登记费、采矿权使用费。
非油气采矿权新立申请登记书采矿权申请人(签章)矿山名称_____________________________________________ 填表时间______________________________________________1.采矿权申请人:填写申请采矿权的法人单位。
2.矿山名称:采矿权申请人全称+所开办矿山的名称。
如:淮北矿务局申请取得许瞳煤矿的采矿权,矿山名称为淮北矿务局许瞳煤矿。
3.统一社会信用代码:填写申请人统一社会信用代码或组织机构代码,应与营业执照证载一致。
4.经济类型:企业法人根据营业执照证载的类型填写。
5.地址:按采矿权申请人注册地址填写。
6.开采主矿种、共伴生矿种:申请开采的主矿种、共伴生矿种。
7.设计规模:按开发利用方案(或设计)或核定的生产能力填写。
8.总资源量:开采主矿种保有储量的综合评价数值。
单位与该矿种设计规模的矿产单位相关,如“煤”为万吨。
9.设计服务年限:矿山设计服务年限。
10.采矿权取得方式:填写拟取得采矿权的方式,如探矿权转采矿权。
IL勘查许可证号:采矿权取得方式为探矿权转采矿权的,填写勘查许可证号;非探矿权转采矿权的,无须填写。
12.矿产资源储量评审备案情况:矿产资源储量评审机构、评审与备案时间、经评审备案的矿产资源储量具体情况。
13.查明资源储量:填写已评审备案的资源储量数据。
14.设计利用资源储量:根据开发利用方案(或设计),填写设计利用的资源储量。
15.矿石品位(级、煤质牌号):根据地质报告提供的矿石品位(级、煤质牌号等)填写。
16.综合回收矿种及品位、储量:根据开发利用方案(或设计),分别填写综合回收的矿种、品位及储量。
17.开采方式:地下开采或露天开采。
18.采矿方法、选矿方法:根据开发利用方案(或设计),填写设计采用的采矿方法、选矿方法。
19.采矿回采率、矿石贫化率、选矿回收率:根据开发利用方案(或设计)确定的参数填写。
20.最终产品及主要参数:矿山生产出的最终产品(原矿或选矿、洗煤产品),及其作为商品流通的主要指标参数。
采矿权(划定矿区范围、开采、变更、延续、注销、闭坑)审批(注:2008年2季度)发布日期:2009-01-16 查看次数:366 次申请及许可按照国务院《矿产资源开采登记管理办法》(国务院241号令)的有关规定执行(具体条件见各项许可申请要求)。
矿产资源开采申请人所报资料均要求一式4套,资料袋上要注明资料目录;文件、资料、证明材料及证件(除采矿证正本外)规格统一为A4纸大小,所有图件亦要折成A4纸大小。
申请格式文本在国土资源部网站公布有申请报盘系统,下载报盘系统就可得到申请格式文本,在递交申请的同时要报软盘。
行政许可程序申请→窗口受理→主管处室初审→复核→送有关处室会审→处长审核→报主管厅长核定→上厅长办公会议审定→按照厅长办公会议纪要办理登记手续颁证或清退申报材料。
承办处室:矿产开发管理处、矿产资源储量处许可时限:30—40个工作日(注:闭坑地质报告许可为20个工作日)。
采矿权申请人依照《中华人民共和国矿产资源法》、《矿产资源开采登记管理办法》(国务院241号令)的规定向法定登记管理机关申请采矿权,应报送采矿权申请资料,经审查符合法规要求,办理登记手续,领取采矿许可证,成为采矿权人。
★项目名称:矿产资源划定矿区范围许可申请申请采矿权登记的程序分为申请划定矿区范围和申请办理采矿许可证两个步骤。
采矿权申请人在提出采矿权申请前,应根据经批准的地质勘查储量报告,向登记管理机关申请划定矿区范围,并需要提交下列资料(一式四份):(一)申请划定矿区范围的报告,内容包括:1、办矿理由及简要论证;2、地质工作概况;3、开发利用初步方案,包括拟申请开采的矿区范围坐标,矿产储量及质量;拟建矿山生产规模、服务年限、矿产资源综合利用方案;采用的开采方法;4、资金来源情况;5、其他需要说明的问题。
(二)地质报告或地质资料。
开采矿产储量规模为小型以上矿床的必须提交经储量评审机构评审、法定机关备案的评审意见书和矿产储量报告;开采零星分散资源的,可提交有资质的地勘单位提供的地质资料。
采矿权登记(划定矿区范围、新办、延续、变更、出租)一、设定依据《矿产资源开采登记管理办法》(国务院令第241号)二、申请受理条件:(一)采矿权(新办)登记(划定矿区范围)要符合《广东省矿产资源管理条例》第二十六条“开采只能用作普通建筑材料粘土、陶瓷土及年开采量不足10万立方米的建筑石料的小型矿山由县级市地矿主管部门审批,颁发采矿许可证”和第二十八条“采矿权申请人在提出采矿权申请前,应当持批准的地质勘查报告或相应的地质资料,向地矿主管部门申请划定矿区范围”。
(二)采矿许可证有效期满,需要继续采矿的,采矿权人应当在采矿许可证有效期届满的三十日前,到登记管理机关办理延续登记手续。
(三)采矿权人申请变更矿区范围、开采方式、企业名称、生产规模和主要开采矿种及依法批准采矿权转让的。
(四)在采矿许可证的有效期内,权属无争议的,采矿权人投入采矿生产满一年或完成矿山开采基础建设工程的,可以依法申请采矿权出租。
三、办理流程受理、审核(需要对实质内容核实的进行核查)、核准、办结。
四、办公场所地址和办理时间:责任部门:化州市国土资源局工作地点:化州市北岸开发区瓜垌小区工作时间:法定工作时间联系方式:0668—7316639五、申报材料列表六、办理时限:前款所列资料齐全,窗口收文后,申请资料不齐全或者不符合法定要求的,当场告知或者5日内一次告知申请人需要补正的全部内容,属审查上报的7各工作日内办结;属审批的20个工作日内办结(不含当事人交费时间)。
七、收费设置1.采矿权登记费,大型矿山500元,中型矿山300元,小型矿山200元2.采矿权使用费,每平方公里1000元3.采矿权价款,经评估确认八、收费依据1.《矿产资源开采管理办法》(国务院令第241号)2.国家物价局、财政部《关于发布中央管理的地矿系统行政事业性收费项目及标准的通知》[1992]价费字251号3.《矿产资源勘查、采矿登记收费标准及其使用范围的暂行规定》(地质矿产部、财政部地发[1987]289号)。
附件2矿权申请资料清单(共性部分)(一)矿业权出让合同及出让收益(价款)缴纳或有偿处置材料。
(提供矿业权出让合同、缴款通知书或矿业权成交确认书以及矿业权出让收益缴纳票据和相关凭证等材料。
属缴纳矿业权“价款”的,还应提交评估报告摘要的复印件。
如没有相应材料,应由负责征收的部门出具书面意见,说明矿业权“价款”缴纳的具体情况;对已批准将矿业权“价款”转增为国家基金或国家资本金的,应提供财政部门批复文件;对于批准矿业权“价款”用于职工安置的,应提供矿产资源主管部门批复文件和县级及以上人民政府或有关部门提供的安置到位的证明材料)(采矿权划定矿区范围登记除外)(二)对出让合同已过期的,申请人应提交能够说明原因的相关材料。
(按照2019年矿产开发管理工作第二次专题会议精神,根据鄂办文〔2018〕2号文提出的“因国家政策调整、重大灾害等不可抗力原因,采矿权出让合同届满时矿区范围内参与评估的资源储量尚未采完的,由采矿权人提出申请,经矿山所在地县级人民政府审查认定,可予以续期”)(仅限采矿权延续登记、变更登记)(三)因不可抗力或者政府及其有关部门原因,未在规定期限内提出申请,申请人应提交能够说明原因的相关材料。
(根据国土资规〔2017〕14号“因不可抗力或政府有关部门的原因,未在规定期限内提出延续申请,探矿权人应当提交能够说明原因的相关证明材料”;根据国土资规〔2017〕16号“因不可抗力或政府有关部门的原因,致使采矿权不能按期延续,提供能够说明原因的相关证明文件后,准予延续”)(仅限探矿权延续登记、保留登记,采矿权延续登记)附件3探矿权(非油气类)申请资料清单一、探矿权新立登记(一)探矿权新立申请登记书;(二)勘查设计的专家评审意见;(三)《自然资源部关于推进矿产资源管理改革若干事项的意见(试行)》(自然资规〔2019〕7号)中规定的:国务院批准的重点建设项目需要以协议出让方式出让的探矿权项目需提交协议出让探矿权的批准文件;(四)涉及油气与非油气之间重叠的,根据《国土资源部关于进一步规范矿产资源勘查审批登记管理的通知》(国土资规〔2017〕14号),申请人需提交互不影响和权益保护协议或不影响已设油气矿业权人权益承诺。
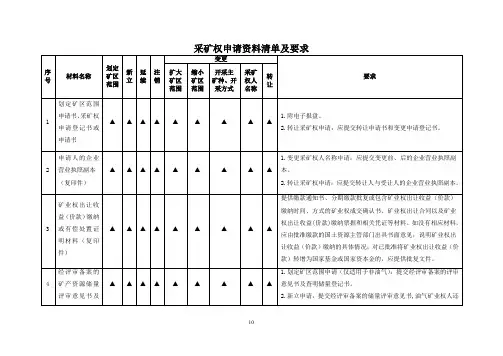
采矿权申请资料清单及要求序号材料名称划定矿区范围新立延续注销变更要求扩大矿区范围缩小矿区范围开采主矿种、开采方式采矿权人名称转让1 划定矿区范围申请书、采矿权申请登记书或申请书▲▲▲▲▲▲▲▲▲1.附电子报盘。
2.转让采矿权申请:应提交转让申请书和变更申请登记书。
2 申请人的企业营业执照副本(复印件)▲▲▲▲▲▲▲▲▲1.变更采矿权人名称申请:应提交变更前、后的企业营业执照副本。
2.转让采矿权申请:应提交转让人与受让人的企业营业执照副本。
3 矿业权出让收益(价款)缴纳或有偿处置证明材料(复印件)▲▲▲▲▲▲▲▲▲提供缴款通知书、分期缴款批复或包含矿业权出让收益(价款)缴纳时间、方式的矿业权成交确认书、矿业权出让合同以及矿业权出让收益(价款)缴纳票据和相关凭证等材料。
如没有相应材料,应由批准缴款的国土资源主管部门出具书面意见,说明矿业权出让收益(价款)缴纳的具体情况;对已批准将矿业权出让收益(价款)转增为国家基金或国家资本金的,应提供批复文件。
4 经评审备案的矿产资源储量评审意见书及▲▲▲▲▲▲▲▲▲1.划定矿区范围申请(仅适用于非油气):提交经评审备案的评审意见书及查明储量登记书。
2.新立申请:提交经评审备案的储量评审意见书,油气矿业权人还序号材料名称划定矿区范围新立延续注销变更要求扩大矿区范围缩小矿区范围开采主矿种、开采方式采矿权人名称转让登记书(复印件)需提供油气矿产资源储量登记书,非油气矿业权人在领取采矿许可证前办理占用矿产资源储量登记。
3.延续申请:非油气提交原采矿权占用储量登记书和剩余保有资源储量证明材料,属大中型资源储量规模的,剩余保有资源储量的证明材料为近三年经评审备案的资源储量报告评审意见书,其他情况剩余保有资源储量的证明材料为当年或上一年度矿山储量年报;油气提交原采矿权占用储量登记书及近三年的经评审备案的矿产资源储量评审意见书及登记书。
4.注销申请:非油气提交停办(关闭)矿山残留矿产资源储量登记书;油气提供矿产资源储量结算报告及批复文件。
采矿权变更在采矿许可证有效期内,采矿权人需变更矿区范围、主要开采矿种、开采方式、生产规模、矿山名称的,应当向自治区国土资源行政主管部门申请变更登记。
有效期不足6个月的,应同时申请采矿权延续登记。
采矿权变更登记申请应提供以下资料:(一)采矿权变更申请登记书。
(二)采矿权变更申请报告及变更原因的证明文件材料。
(三)申请人的企业法人工商营业执照副本复印件(加盖工商部门“与原件一致的”印章)、安全生产许可证副本复印件,煤矿还需提供煤炭生产许可证副本复印件。
(四)地、州、市国土资源行政主管部门出具对申请采矿权变更事项的协助调查意见。
(五)变更后经实测的矿区范围图及有资质的测量单位和所在地县级国土资源行政主管部门签署意见的《采矿权申请范围核查表》。
(六)土地使用权证复印件。
(七)采矿许可证正、副本原件。
(八)采矿权变更申报资料电子版。
(九)变更矿山名称的还须提供以下资料:1、国有或集体矿山企业申请变更矿山名称的,需提交上级主管部门同意变更的文件。
2、《采矿权出让合同》、采矿权价款和“煤炭资源开发地方经济发展费”及矿山地质环境治理恢复保证金缴纳(存)凭证(复印件)。
3、保有资源储量证明材料,包括上一年度矿山储量年报或可代替上一年度储量年报的其它地质报告的核(审)查意见及备案证明。
(十)变更矿区范围、主要开采矿种、开采方式及生产规模的还须提供以下资料:1、可满足相应矿山开采设计要求的资源储量评审意见备案证明文件。
2、经自治区国土资源行政主管部门确认的变更后矿山占用矿产资源储量登记书。
3、经自治区国土资源行政主管部门批准的变更后的矿产资源开发利用方案及地质环境保护与恢复治理方案(代土地复垦方案)专家审查意见的认定文件。
4、须处置采矿权价款的,应提交新增资源储量的采矿权评估结果备案证明。
采矿证生产规模变更需要资料一、申请条件变更生产规模的。
二、申报资料(一)市、县级国土资源管理部门对变更生产规模的审查意见。
(二)采矿权变更申请登记书(国土资源部网站上下载,逐项填写,不得空格)。
(三)采矿许可证正、副本原件。
(四)地质报告及矿产资源储量备案证明(资源处);矿产资源开发利用方案及评审意见(煤炭处或非煤处)。
(五)煤炭企业变更生产规模的,还需提供有关行业管理部门核定生产能力的文件(煤炭行业管理部门)。
(六)扩大生产规模的,还需提交矿产资源开发利用方案、矿山地质环境保护与治理恢复方案、土地复垦方案三个独立方案或“三合一”方案及评审意见和备案资料、环境影响评价报告及批复文件(环保部门)。
地热、矿泉水等流体矿产只编制开发利用方案。
(七)根据法律、法规、规章或政策规定需提供的其它资料。
三、办理时限自受理之日起40日内办结(不可抗力因素影响办结时限除外;发生需要补正申报资料等情形时,按规定中止时效计算)。
四、特别告知(一)采矿权人申请采矿权变更,应当在采矿许可证到期前90个工作日将申请材料呈报县、市国土资源局,在采矿许可证到期前30日前将申请资料连同市县局审查意见上报省国土资源厅行政审批管理处。
(二)多种变更事项可同时申请采矿权变更登记。
五、公示公告省政务服务中心电子显示屏公布。
六、办理程序申请→受理→审查→决定→送达七、法律依据《山西省矿产资源管理条例》第二十二条采矿权人在采矿许可证有效期内需要变更矿区范围、改变开采矿种、开采方式、企业名称或者经依法批准转让采矿权的,应当向原发证机关申请办理变更登记手续。
申请变更登记须经有关部门批准的,按照国家规定办理有关手续。
需要延长采矿期限的,采矿权人应当在采矿许可证有效期届满的30日前,到原发证机关办理延续登记手续;逾期不办延续登记手续的,采矿许可证自行废止。
《矿产资源开采登记管理办法》第十五条有下列情形之一的,采矿权人应当在采矿许可证有效期内,向登记管理机关申请变更登记:1。
采矿许可证新设、延续、转让、变更、注销办事指南一、新设申请材料1、审批依据:(1)《中华人民共和国矿产资源法》(2)《中华人民共和国行政许可法》(3)《中华人民共和国矿产资源法实施细则》(4)国务院令《矿产资源开采登记管理办法》(5)国务院令《探矿权采矿权转让管理办法》(6)国务院令《矿产资源监督管理暂行办法》(7)国务院令《矿产资源补偿费征收管理规定》(8)《安徽省矿产资源管理办法》(9)省、市、县、区矿产资源规划(10)其他法律、法规及规范性文件规定。
2、申办程序:申请、审批、批准(或报批)3、申报材料:(1)采矿权申请登记书;(2)以地质地形图或地质图为底图的矿区范围图(以拐点标(3)定,(4)并附国家直角坐标(5)和矿区面积);(6)有设计资格的单位编制的矿产资源开发利用方案;(7)营业执照或企业预留名(8)称证明文件;(9)具有与矿山建设规模相适应的资金、技术和设备(10)条件的证明材料(主要是资金证明文件);(11)矿产资源预申请的批准文件;(12)占用矿产储量申请登记表;(13)勘查许可证复(14)印件(仅限由探矿权转为申请采矿权的);(15)矿山安全生产方案及生产安全主管部门的批准文件;(16)矿山生态环境保护方案及环保主管部门的批准文件;(17)矿山地质环境影响评价报告及国土资源主管部门批准文件;(18)采矿权评估、确认处置文件及价款缴纳证明(申请国家出资勘查形成矿产地采矿权的)文件;(19)外经贸主管部门对企业项目立项的批准文件、公司章程(仅限外资企业申请采矿权的);(20)中标(21)、竞拍或竞买通知书、合同(22)书及缴款证明(仅限招标(23)、拍卖、挂牌方式出让采矿权的);(24)县国土资源主管部门采矿权申请登记的初审意见;(25)市国土资源主管部门采矿申请登记初审责任表;(26)审批管理机关要求的其他有关资料。
二、延续申报材料(1)采矿权延续申请登记书;(2)采矿许可证原件正、副本;(3)延续登记报告(内容含:申请延续理由)(4)矿山生产和储量利用情况(5)保有储量和现有生产能力(6)申请延续年限和依据以其他需要说明的情况);(7)占用矿产储量申请登记表;(8)营业执照;(9)符合环保、安全要求的证明材料;(10)缴纳采矿权使用费,(11)价款及矿产资源补偿费证明文件;(12)采矿许可证年检情况证明文件;(13)采矿权的矿产地为非国家出资勘查形成的证明资料,(14)如发票、合同(15)委托书、勘查报告、勘查许可证、地勘单位的证明等;(16)采矿权评估、确认文件以及价款缴纳(或处置)情况的证明文件;(17)煤炭生产许可证复(18)印件(正在生产的煤矿);(19)县国土资源主管部门初审意见;(20)市国土资源主管部门初审责任表;(21)审批管理机关要求的其他有关资料。
附录2矿产资源储量信息表(样式)申报单位:法定代表人:经办人:年月日矿产资源储量信息表填写说明一、矿产资源储量报告名称:填写申请矿产资源储量评审备案的矿产资源储量报告的名称。
二、评审备案申请人填写申请矿产资源储量评审备案的矿业权人名称,申请事由为“建设项目压覆重要矿产”的,填写建设单位名称。
三、报告编写单位1.编写单位名称:填写矿产资源储量报告编制单位的名称。
2.主要编写人员:填写编制矿产资源储量报告的主要人员,人数不得超过5人。
四、发证机关:填写勘查/采矿许可证或相关证明文件的发证机关,属于建设项目压覆重要矿产资源但不涉及压覆相关矿业权的,本项填写“无”。
五、勘查或采矿许可证/发证机关证明文件文号:建设项目压覆重要矿产资源但不涉及相关矿业权的,本项填写“无”。
六、矿业权有效期限:属于建设项目压覆重要矿产资源但不涉及覆相关矿业权的,本项填写“无”。
七、报告类型:从“勘查报告”、“核实报告”、“压覆报告”中选择一项填写。
八、查明主要矿种:填写矿产资源储量报告注明的查明主要矿种名称。
九、勘查工作程度:按照矿产资源储量报告,从“普查”、“详查”、“勘探”中选择一项填写。
十、矿产资源储量情况1.工业指标情况:依据矿产资源储量报告,填写本次矿产资源储量估算采用的工业指标。
2.矿产资源储量:依据矿产资源储量报告,填写本次估算的矿产资源储量情况。
(1)固体矿产:地热矿泉水和油气矿产之外的,填写探明资源量、控制资源量、推断资源量、可信储量和证实储量情况。
(2)地热矿泉水:地热填写允许开采量、储存量、热量、热能或电能(高温填写)及尚难利用储量。
矿泉水只填写允许开采量。