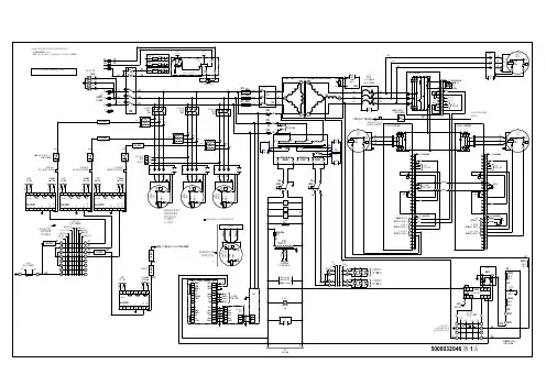
三一710采煤机电气系统接线图2-C2A
- 格式:pdf
- 大小:357.46 KB
- 文档页数:1
电控系统第一节概述本电控系统是以中厚煤层电牵引采煤机为目标而开发的全新电控系统,用于控制MG300/710-WD型电牵引采煤机,主要由采煤机用隔爆兼本质安全型电控箱、采煤机用本质安全型操作箱(端头操作站)、低浓度甲烷传感器以及各部分工作电机等组成。
采煤机用隔爆兼本质安全型电控箱是整个采煤机电控系统的控制核心,控制各个电动机的启、停动作,可实时检测系统电压、电机电流、电机温度、瓦斯浓度等工况信息。
本电控系统采用的是机载式交流变频调速系统“一拖一”驱动方式,可实现四象限运行,能适应较大倾角的采煤工作面。
第二节电控系统特点1、人性化设计在以“安全、可靠、高效、人性化”的设计理念指导下。
坚持以顾客为中心的价值观,一切从客户角度出发。
设备操作方便灵活。
采用高可靠性的专用控制器为核心,系统可靠性高。
采用模块化设计、抽屉式结构,便于检修与维护。
2、实现三机联动采煤机根据全自动联合采煤机组设计,可根据运输机负荷自动调整采煤机牵引速度,实现了自动记忆采煤高度、远程自动化监控、采煤机工作三机一架(采煤机、刮板运输机、破碎机、液压支架)联动。
设备运行状态参数的采集、监测、传送、记录、故障诊断等,全面提升了采煤设备的机械化和自动化水平。
3、先进的设计思路主控器与各检测、控制元部件之间通过CAN总线方式联接,形成网络结构,便于拓展系统功能,使系统的适应能力大大增强;全数字元方式的信息传递,提高了数据的准确性和可靠性。
具备一定故障自诊断功能,便于维护。
4、屏幕直观显示采用5.7英寸液晶显示器,提供先进的全中文显示界面,系统参数显示全面。
采用模拟采煤机动态显示、汉字功能、数字元等多种方式,形象、直观、准确地显示各检测量。
所有的检测量及系统状态均可实时显示,查看方便,便于比较、分析。
5、实时的信息采集系统采用了多种传感器技术,对系统状况进行较全面的监测。
可实时检测系统电压、截割电机和牵引电机电流及温度、电控箱温湿度、冷却水压力、摇臂倾角、机身倾角、采煤机位置、瓦斯检测、油箱油位、低压油压力等工况信息,检测的信息全部通过总线传送给主控制器。
电控系统第一节概述本电控系统是以中厚煤层电牵引采煤机为目标而开发的全新电控系统,用于控制MG300/710-WD型电牵引采煤机,主要由采煤机用隔爆兼本质安全型电控箱、采煤机用本质安全型操作箱(端头操作站)、低浓度甲烷传感器以及各部分工作电机等组成。
采煤机用隔爆兼本质安全型电控箱是整个采煤机电控系统的控制核心,控制各个电动机的启、停动作,可实时检测系统电压、电机电流、电机温度、瓦斯浓度等工况信息。
本电控系统采用的是机载式交流变频调速系统“一拖一”驱动方式,可实现四象限运行,能适应较大倾角的采煤工作面。
第二节电控系统特点1、人性化设计在以“安全、可靠、高效、人性化”的设计理念指导下。
坚持以顾客为中心的价值观,一切从客户角度出发。
设备操作方便灵活。
采用高可靠性的专用控制器为核心,系统可靠性高。
采用模块化设计、抽屉式结构,便于检修与维护。
2、实现三机联动采煤机根据全自动联合采煤机组设计,可根据运输机负荷自动调整采煤机牵引速度,实现了自动记忆采煤高度、远程自动化监控、采煤机工作三机一架(采煤机、刮板运输机、破碎机、液压支架)联动。
设备运行状态参数的采集、监测、传送、记录、故障诊断等,全面提升了采煤设备的机械化和自动化水平。
3、先进的设计思路主控器与各检测、控制元部件之间通过CAN总线方式联接,形成网络结构,便于拓展系统功能,使系统的适应能力大大增强;全数字元方式的信息传递,提高了数据的准确性和可靠性。
具备一定故障自诊断功能,便于维护。
4、屏幕直观显示采用5.7英寸液晶显示器,提供先进的全中文显示界面,系统参数显示全面。
采用模拟采煤机动态显示、汉字功能、数字元等多种方式,形象、直观、准确地显示各检测量。
所有的检测量及系统状态均可实时显示,查看方便,便于比较、分析。
5、实时的信息采集系统采用了多种传感器技术,对系统状况进行较全面的监测。
可实时检测系统电压、截割电机和牵引电机电流及温度、电控箱温湿度、冷却水压力、摇臂倾角、机身倾角、采煤机位置、瓦斯检测、油箱油位、低压油压力等工况信息,检测的信息全部通过总线传送给主控制器。
PLC控制机载式采煤机电控系统说明书一系统适应性1、电控系统已经采纳防水、防潮、防尘、防震动等有效举措2、操作站外引的接头拥有防水、防尘、耐腐化和可拔插功能3、电控系统拥有强抗扰乱能力,抗震动能力,并已做老化试验4、控制部分、本安电源部分获得国家规定部门认可的防爆合格证二合用范围1、海拔高度低于3000米;2、四周介质温度在-10℃—+35℃之间;3、+25℃时,四周空气相对湿度不大于97%;4、有瓦斯或爆炸危险的矿井;5、无足以腐化金属和损坏绝缘气体的场所;三系统构成它主要由先导回路、主回路、主控制系统和沟通变频调速系统四大多数构成.1、先导回路:先导回路由一些旋转开关达成以下操作:(1)、通/切断巷道里的磁力启动器,即接通/切断采煤机的电源方案书、工作面输送机的闭锁和解锁、停采煤机:即切断采煤机的电源、急停:停采煤机的同时闭锁工作面输送机2、主控系统:主控系统主要由主控器 ,左、右操作显示站和本安电源构成.主控器是PLC控制系统.其功能就是把操作显示站传递过来的操作指令以及收集到的各传感器的控制信号按早先编制好的程序进行办理,办理结果经过驱动电路输送给各履行机构,以实现对采煤机的控制.本安电源是供应两个操作显示站和编程站的工作电源,型式为实质安全型.主控器与本安电源安装在同一个箱体内.操作显示站也是一个计算机系统.它有两个功能,一是对采煤机的操作变为对应的指令编码,经过通信电缆输给主控器.二是将主控器输出的显示信息办理后,经过屏幕以汉字和数字字符的形式定量的显示出来.主控系统拥有以下功能 :经过操作显示站可达成:a.左、右摇臂的调高破裂滚筒的调高牵引控制停牵引急停(切断采煤机的电源)站控/遥控的选择b.系统的复位方案书能够实现以下自动保护:a.截割电机的恒功率自动控制左截割电机超温保护右截割电机超温保护左牵引电机超温保护右牵引电机超温保护变频器故障保护牵引调速过流保护左截割电机的电流检测及超载保护右截割电机的电流检测及超载保护左牵引电机的电流检测及超载保护右牵引电机的电流检测及超载保护监控与显示内容左、右截割电机的工作电流左、右牵引电机的工作电流牵引力牵引速度当重点性工作参数达到警界限时,如电流,能显示警示信息当出现故障时,履行保护动作的同时显示故障信息g.恒功率控制。
TX701电控系统使用说明书目录概述 (1)安全须知 (2)主要技术参数 (3)系统组成和工作原理 (4)操作 (5)电控系统安装调试 (6)故障检修 (7)一概述感谢您使用电气有限公司生产的采煤机电控系统。
TX701型采煤机电控系统是电气有限公司根据煤机厂的技术要求和改进建议,研制开发的机载式交流变频调速电控系统,为鸡西煤机厂MG300/701-QWD电牵引采煤机配套。
该系统在其它同类产品的基础上本着简单、可靠、便于操作和维护的原则进行设计制造。
主控器部分选用可编程控制器作为控制核心;选用工控机集中监控煤机运行状态,端头站部分选用小型人机界面,通过串行通信方式和主控器进行数据交换,操作简单便于维护;配备无线遥控系统,操作安全便捷;变频器采用进口机芯。
系统整体性能稳定可靠,适用于震动,高温,潮湿和强电磁干扰的矿山作业环境。
二安全须知1、未经培训的人员不得操作和维修本系统,以免引起人身事故和设备损坏。
2、操作人员应认真阅读本说明书,并按照煤矿安全规程规定进行设备的开机前检查,机器开、停及各功能操作。
维修人员在检修设备时也须按照煤矿安全规程规定进行检修。
3、本系统有高压线路和微电子数字线路,并在有瓦斯、粉尘爆炸危险的环境下工作,因此必须在断电5分钟后,方可开启箱体盖板进行检修操作。
4、本系统的配件更换须使用电气公司提供的配件,以免引起安全事故和导致经济损失。
5、为保证系统安全运行,非专业技术人员不得擅自改变系统设定参数。
6、本系统在包装、运输和存储过程中,应做到防尘、防潮、防倒、防碰撞。
7、本产品存储条件为0~35℃,湿度为<95%,不得露天存放,设备投入使用前应进行空载试运行。
8、在十分钟内启停车次数不能超过5次。
三、主要技术参数1、海拔高度低于2000米;2、工作温度:-10~+65℃。
3、+25℃时,周围空气相对湿度不大于97%;4、无足以腐蚀金属和破坏绝缘气体的场所;5、采煤机供电电压():3300 V(或1140)V6、变频器:适配电机功率:45KW×2输入电压:380 V (-15%~+10%)输出频率范围:0~50 Hz四:电控系统组成和工作原理MG300/701-QWD型采煤机装机功率701Kw,截割电机功率300K w×2,牵引电机功率45K w×2,泵电机功率11Kw,采煤机供电电压3300V,除牵引电机由变频器供电外,其余电机供电电压均为3300V。
第八章采煤机电气系统本电气系统是为700电牵引采煤机配套而专门研制的,分为电气控制系统和整机监测系统。
控制系统采用了可编程控制器及DTC变频器;监测系统采用了工控计算9.遥控发射机实现远程控制。
1.采煤机电气部件功能及参数MG300/700-WD(MG250/600-WD)交流电牵引采煤机,装机总功率为700(600)kW,截割电机功率为2×300(250)kW。
牵引功率为2×40kW,油泵电机功率为20kW,整机供电电压为1140V。
除牵引电机外,其余电机均为1140V供电。
1.1.截割电机主要技术参数:型号YBC-300(YBC3-250)额定功率300kW(250kW)额定电压1140V额定电流155.5A额定转速1480r/min工作制连续SI绝缘等级H级冷却水冷冷却水压力2MP防爆型式隔爆型1.2.油泵电机主要技术参数型号YBCB-20G额定功率20kW额定电压1140V动用的控制器件。
额定电压DC24V额定吸力25N额定行程3mm1.5.高压控制箱主要电气技术参数MG2x300-WD交流电牵引采煤机高压控制箱,用在有瓦斯和煤灰爆炸危险的井下配套采煤机。
作为电源输入和电源分配之用。
型号特制专用供电电压1140V50HZ额定电流450A冷却方式底板和后侧板水冷冷却水压力2MP防爆型式隔爆型1.6.牵引电机调速装置主要电气技术参数MG2x300-WD交流电牵引采煤机牵引电机调速装置,用在有瓦斯和煤灰爆炸危险的井下配套采煤机。
作为控制,保护和牵引调速之用。
型号特制专用供电电压400V50HZ额定电流152A冷却方式底板水冷芯线标称3x70+1x25+4x6电缆外径φ65mm(2)截割电机电缆W1,W2(采煤机自带)电压等级1140V连续载流量173A芯线标称3×50+1×10+3×6电缆外径φ58mm(3)油泵电机电缆W3(采煤机自带)电压等级1140V连续载流量64A芯线标称3×10+1×10+3×6电缆外径φ38mm(4)牵引电机电缆W4,W5(采煤机自带)型号(带屏蔽)电压等级600V连续载流量138A芯线标称3×35+1×16+3×4电缆外径φ45.26mm(5)控制箱供电电缆W6(采煤机自带)电压等级1140V2.分进行说明。