轴线、标高复核记录
- 格式:doc
- 大小:4.06 MB
- 文档页数:20
轴线、标高复核记录年月日工程名称芜湖县城东新城二期安置房2#楼复核部位基础垫层简图:见附图实物检查记录轴线轴线允许偏差8mm标高允许偏差±10mm 01 2 31 7 -4 4 4 -1 8 5 511 3 712 2 -8 15 7 -2 17 3 -4 20 6 523 1 -2 27 4 330 3 631 3 134 2 -7 36 6 -540 1 541 5 2施工单位:江苏南通六建建设集团有限公司项目负责人:复核:年月日工程名称芜湖县城东新城二期安置房2#楼复核部位基础垫层简图:见附图实物检查记录轴线轴线允许偏差8mm标高允许偏差±10mm44 3 -545 2 347 1 -4 52 6 -155 4 7A 7 3B 3 5D 5 -5E 4 -2F 2 -7 H 6 6K 3 -4 L 7 2施工单位:江苏南通六建建设集团有限公司项目负责人:复核:年月日工程名称芜湖县城东新城二期安置房2#楼复核部位筏板基础简图:见附图实物检查记录轴线轴线允许偏差8mm标高允许偏差±10mm 01 3 -5 1 7 -2 4 2 78 5 -311 1 512 6 -2 15 2 -5 17 5 -7 20 4 623 1 227 6 -430 4 531 2 -2 34 5 836 3 240 1 441 7 -7施工单位:江苏南通六建建设集团有限公司项目负责人:复核:年月日工程名称芜湖县城东新城二期安置房2#楼复核部位筏板基础简图:见附图实物检查记录轴线轴线允许偏差8mm标高允许偏差±10mm44 6 -545 1 347 4 -6 52 3 155 4 -2A 1 7B 6 -8D 5 6E 2 4F 7 2H 3 6K 1 -3 L 2 -4施工单位:江苏南通六建建设集团有限公司项目负责人:复核:年月日工程名称芜湖县城东新城二期安置房2#楼复核部位一层结构简图:见附图实物检查记录轴线轴线允许偏差8mm标高允许偏差±10mm 01 2 51 1 -6 4 -4 -2 8 6 -811 3 -412 -5 515 4 717 -7 120 2 -1 23 -5 -2 27 -4 830 6 331 -2 234 3 -5 36 -6 640 -2 241 -2 -4施工单位:江苏南通六建建设集团有限公司项目负责人:复核:年月日工程名称芜湖县城东新城二期安置房2#楼复核部位一层结构简图:见附图实物检查记录轴线轴线允许偏差8mm标高允许偏差±10mm44 7 -745 4 647 -3 452 5 355 -2 -4A 6 5B 1 -6D 5 7E 2 3F 3 -5 H 1 2K 4 6L 4 -2施工单位:江苏南通六建建设集团有限公司项目负责人:复核:年月日工程名称芜湖县城东新城二期安置房2#楼复核部位二层结构简图:见附图实物检查记录轴线轴线允许偏差8mm标高允许偏差±10mm 01 7 21 -1 -4 4 -6 -7 8 4 -511 3 412 5 -8 15 -1 717 -6 320 4 623 -4 227 -2 -430 -3 -131 5 734 -6 236 2 -540 5 341 -4 -3施工单位:江苏南通六建建设集团有限公司项目负责人:复核:年月日工程名称芜湖县城东新城二期安置房2#楼复核部位二层结构简图:见附图实物检查记录轴线轴线允许偏差8mm标高允许偏差±10mm44 -6 -745 -2 647 4 352 1 -255 3 7A 5 -5B 2 3D -7 6E 1 -2F -6 7H -2 -4 K 4 5L 3 1施工单位:江苏南通六建建设集团有限公司项目负责人:复核:轴线、标高复核记录年月日工程名称芜湖县城东新城二期安置房2#楼复核部位三层结构简图:见附图实物检查记录轴线轴线允许偏差8mm标高允许偏差±10mm 01 -5 -7 1 1 -2 4 4 48 -2 -111 -3 212 7 -4 15 -6 -6 17 1 720 4 -3 23 -5 627 2 130 3 431 -7 -5 34 -2 -1 36 2 -740 5 341 2 2施工单位:江苏南通六建建设集团有限公司项目负责人:复核:轴线、标高复核记录年月日工程名称芜湖县城东新城二期安置房2#楼复核部位三层结构简图:见附图实物检查记录轴线轴线允许偏差8mm标高允许偏差±10mm44 -4 -645 6 647 1 252 1 -255 -5 -1A 4 -4B -2 5D 4 4E -6 -3F -2 7H 5 -6 K -1 -2 L 3 -4施工单位:江苏南通六建建设集团有限公司项目负责人:复核:年月日工程名称芜湖县城东新城二期安置房2#楼复核部位四层结构简图:见附图实物检查记录轴线轴线允许偏差8mm标高允许偏差±10mm 01 -5 51 1 14 3 -2 8 1 -711 -4 112 5 615 -7 317 6 -5 20 2 -6 23 4 627 -3 230 -3 -431 4 -4 34 -5 536 6 140 7 -241 -1 7施工单位:江苏南通六建建设集团有限公司项目负责人:复核:年月日工程名称芜湖县城东新城二期安置房2#楼复核部位四层结构简图:见附图实物检查记录轴线轴线允许偏差8mm标高允许偏差±10mm44 -2 -545 -2 447 6 -6 52 -3 255 -1 7A 5 -5B -3 -1D -6 6E 7 2F -2 -3 H -4 -4 K -2 1L 5 7施工单位:江苏南通六建建设集团有限公司项目负责人:复核:轴线、标高复核记录年月日工程名称芜湖县城东新城二期安置房2#楼复核部位五层结构简图:见附图实物检查记录轴线轴线允许偏差8mm标高允许偏差±10mm 01 5 -1 1 -2 -7 4 -4 28 1 811 -3 312 6 -6 15 -4 517 -4 -6 20 7 323 -2 -8 27 6 430 -4 331 1 -5 34 -3 -3 36 2 640 -5 841 -1 -7施工单位:江苏南通六建建设集团有限公司项目负责人:复核:年月日工程名称芜湖县城东新城二期安置房2#楼复核部位五层结构简图:见附图实物检查记录轴线轴线允许偏差8mm标高允许偏差±10mm44 5 245 7 -5 47 -4 952 -2 555 -1 -6A -6 -2B 3 2D 3 -8E -5 -1F -4 4H -1 1K 7 6L 3 -5施工单位:江苏南通六建建设集团有限公司项目负责人:复核:年月日工程名称芜湖县城东新城二期安置房2#楼复核部位六层结构简图:见附图实物检查记录轴线轴线允许偏差8mm标高允许偏差±10mm 01 2 51 4 -2 4 -7 -7 8 1 111 5 412 -4 -6 15 -1 317 6 720 2 -5 23 -7 -4 27 -3 630 1 -131 -4 334 -5 -8 36 2 -240 7 -441 1 6施工单位:江苏南通六建建设集团有限公司项目负责人:复核:年月日工程名称芜湖县城东新城二期安置房2#楼复核部位六层结构简图:见附图实物检查记录轴线轴线允许偏差8mm标高允许偏差±10mm44 -6 145 4 747 5 -6 52 2 -355 -7 5A 6 1B 3 -6D -1 7E -5 -7F 2 3H -2 1K -5 5L 3 4施工单位:江苏南通六建建设集团有限公司项目负责人:复核:轴线、标高复核记录年月日工程名称芜湖县城东新城二期安置房2#楼复核部位七层结构简图:见附图实物检查记录轴线轴线允许偏差8mm标高允许偏差±10mm 01 -5 -7 1 1 -2 4 2 -5 8 2 311 6 712 -5 115 -1 -5 17 4 220 -7 823 3 -6 27 5 -430 -2 231 -4 134 1 536 -1 540 -6 -441 4 -1施工单位:江苏南通六建建设集团有限公司项目负责人:复核:轴线、标高复核记录年月日工程名称芜湖县城东新城二期安置房2#楼复核部位七层结构简图:见附图实物检查记录轴线轴线允许偏差8mm标高允许偏差±10mm44 7 745 -5 -2 47 1 552 4 -455 -3 -2A -6 8B 5 3D -2 -7E 7 5F -5 -2 H 3 -6 K -6 4L 4 7施工单位:江苏南通六建建设集团有限公司项目负责人:复核:。
轴线、标高复核验收记录工程名称: **阳山街道办公用房工程
轴线、标高复核验收记录工程名称: **阳山街道办公用房工程
轴线、标高复核验收记录工程名称: **阳山街道办公用房工程
轴线、标高复核验收记录工程名称: **阳山街道办公用房工程
轴线、标高复核验收记录工程名称: **阳山街道办公用房工程
轴线、标高复核验收记录工程名称: **阳山街道办公用房工程
轴线、标高复核验收记录工程名称: **阳山街道办公用房工程
轴线、标高复核验收记录工程名称: **阳山街道办公用房工程
轴线、标高复核验收记录工程名称: **阳山街道办公用房工程
轴线、标高复核验收记录工程名称: **阳山街道办公用房工程
轴线、标高复核验收记录工程名称: **阳山街道办公用房工程
轴线、标高复核验收记录工程名称: **阳山街道办公用房工程
轴线、标高复核验收记录工程名称: **阳山街道办公用房工程
轴线、标高复核验收记录工程名称: **阳山街道办公用房工程
轴线、标高复核验收记录工程名称: **阳山街道办公用房工程
轴线、标高复核验收记录工程名称: **阳山街道办公用房工程
轴线、标高复核验收记录工程名称: **阳山街道办公用房工程
轴线、标高复核验收记录工程名称: **阳山街道办公用房工程
轴线、标高复核验收记录工程名称: **阳山街道办公用房工程
轴线、标高复核验收记录工程名称: **阳山街道办公用房工程
轴线、标高复核验收记录工程名称: **阳山街道办公用房工程
轴线、标高复核验收记录工程名称: **阳山街道办公用房工程
轴线、标高复核验收记录工程名称: **阳山街道办公用房工程
轴线、标高复核验收记录工程名称: **阳山街道办公用房工程。
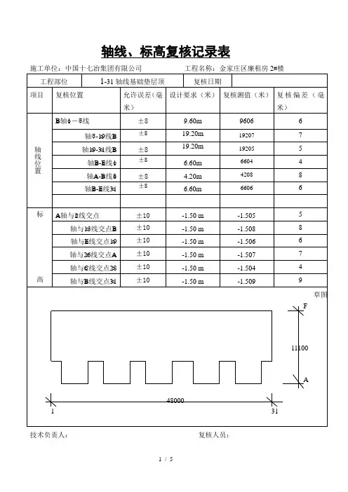
施工单位:中国十七冶集团有限公司工程名称:金家庄区廉租房2#楼技术负责人:复核人员:施工单位:中国十七冶集团有限公司工程名称:金家庄区廉租房2#楼技术负责人:复核人员:施工单位:中国十七冶集团有限公司工程名称:金家庄区廉租房2#楼技术负责人:复核人员:1、开工前(具备开工条件的资料):施工许可证(建设单位提供),施工组织设计(包括报审表、审批表),开工报告(开工报审),工程地质勘查报告,施工现场质量管理检查记录(报审),质量人员从业资格证书(收集报审),特殊工种上岗证(收集报审),测量放线(报审)。
2、基础施工阶段:钢筋进场取样、送样(图纸上规定的各种规格钢筋),土方开挖(土方开挖方案、技术交底,地基验槽记录、隐蔽、检验批报验),垫层(隐蔽、混凝土施工检验批、放线记录、放线技术复核),基础(钢筋原材料、检测报告报审,钢筋、模板、混凝土施工方案、技术交底,钢筋隐蔽、钢筋、模板检验批、放线记录、技术复核,混凝土隐蔽、混凝土施工检验批,标养、同条件和拆模试块),基础砖墙(方案、技术交底,提前做砂浆配合比,隐蔽、检验批,砂浆试块),模板拆除(拆模试块报告报审,隐蔽、检验批),土方回填(方案、技术交底,隐蔽、检验批,土方密实度试验)。
3、主体施工阶段:一层结构(方案、技术交底基础中已包含,钢筋原材料、检测报告报审,闪光对焊、电渣压力焊取样、送样,钢筋隐蔽、钢筋、模板检验批、模板技术复核)。
4、装饰装修阶段:地砖、吊顶材料、门窗、涂料等装饰应提前进行复试,待检测报告出来报监理审查通过后方可施工(方案、技术交底,隐蔽、检验批)。
5、屋面施工阶段:防水卷材等主要材料应提前复试,待复试报告出来报监理审查通过后方可进入屋面施工阶段(方案、技术交底,隐蔽、检验批)。
6、质保资料的收集:材料进场应要求供应商提供齐全的质保资料,钢筋进场资料(全国工业生产许可证、产品质量证明书),水泥(生产许可证,水泥合格证,3天、28天出厂检验报告,备案证,交易凭证现场材料使用验收证明单),砖(生产许可证、砖合格证,备案证明、出厂检验报告,交易凭证,现场材料使用验收证明单),黄沙(生产许可证,质量证明书,交易凭证现场材料使用验收证明单),石子(生产许可证,质量证明书,交易凭证现场材料使用验收证明单),门窗(生产许可证、质量证明书、四性试验报告,交易凭证现场材料使用验收证明单),防水材料(生产许可证,质量证明书、出厂检测报告),焊材(质量证明书),玻璃(玻璃质量证明书),饰面材料(质量证明书),材料进场后设计、规范要求须进行复试的材料应及时进行复试检测,其资料要与进场的材料相符并应与设计要求相符。
轴线、标高复核验收记录工程名称:景瑞荣御蓝湾四期64#工程编号:验收部位20层楼面图号结施验收日期验收内容及质量情况轴线偏差(单位mm)标高偏差(单位mm)施工单位验收意见建设(监理)单位复查验收意见(项目部章)江苏宏大建设集团有限公司(项目部章) 测量员:质量员: 上海创众工程监理有限公司专业监理工程师:轴线、标高复核验收记录工程名称:吉光精密机械有限公司生产厂房工程 质监验收部位 屋面机房层图号结 施验收日期验 收 内 容 及 质 量 情 况轴线偏差(单位 mm ) 标高偏差(单位 mm )验 收 意 见施 工 单 位复 查 验 收 意 见建 设 (监 理) 单 位轴线、标高复核均符合设计规范要求专职质检员:工程负责人:技术负责人:工程代表:参加验收人:年月日轴线、标高复核验收记录工程名称:景瑞荣御蓝湾四期65#工程编号:验收部位一层结平图号结施验收日期年月日2-202-212-192-181-121-131-141-161-171-181-201-212-132-142-162-M2-82-92-102-K2-J验2-G收内容及质量2-B情2-202-21况2-172-192-152-122-112-51-101-111-141-151-171-191-21一层结构平面图1:100轴线偏差(单位mm)标高偏差(单位mm)轴线、标高复核验收记录工程名称:景瑞荣御蓝湾四期65#工程编号:验收部位29层结平图号结施验收日期(项目部章)验 收 内 容 及 质 量情况轴线偏差(单位 mm )标高偏差(单位 mm )施 工 单 位 验 收 意 见建 设 (监 理) 单 位复 查 验 收 意 见测量员:江苏宏大建设集团有限公司(项目部章) 质量员: 上海创众工程监理有限公司专业监理工程师:轴线、标高复核验收记录工程名称:景瑞荣御蓝湾四期 64#工程编号:(项目部章)验 收 内 容 及 质 量 情 况轴线偏差(单位 mm ) 标高偏差(单位 mm )施 工 单 位 验 收 意 见 建 设 (监 理) 单 位复 查 验 收 意 见测量员:江苏宏大建设集团有限公司(项目部章) 质量员: 上海创众工程监理有限公司专业监理工程师:轴线、标高复核验收记录工程名称:景瑞荣御蓝湾四期 65#工程编号:(项目部章)验 收 内 容 及 质 量 情 况轴线偏差(单位 mm ) 标高偏差(单位 mm )施 工 单 位 验 收 意 见 建 设 (监 理) 单 位复 查 验 收 意 见测量员:江苏宏大建设集团有限公司(项目部章) 质量员: 上海创众工程监理有限公司专业监理工程师:轴线、标高复核验收记录工程名称:景瑞荣御蓝湾四期 65#工程编号:验收内容及质量情况轴线偏差(单位mm)标高偏差(单位mm)施工单位验收意见建设(监理)单位复查验收意见测量员:江苏宏大建设集团有限公司(项目部章)质量员:上海创众工程监理有限公司专业监理工程师:(项目部章)。
轴线、标高复核记录年月日工程名称芜湖县城东新城二期安置房2#楼复核部位基础垫层简图:见附图实物检查记录轴线轴线允许偏差8mm标高允许偏差±10mm 01 2 31 7 -4 4 4 -1 8 5 511 3 712 2 -8 15 7 -2 17 3 -4 20 6 523 1 -2 27 4 330 3 631 3 134 2 -7 36 6 -540 1 541 5 2施工单位:江苏南通六建建设集团有限公司项目负责人:复核:年月日工程名称芜湖县城东新城二期安置房2#楼复核部位基础垫层简图:见附图实物检查记录轴线轴线允许偏差8mm标高允许偏差±10mm44 3 -545 2 347 1 -4 52 6 -155 4 7A 7 3B 3 5D 5 -5E 4 -2F 2 -7 H 6 6K 3 -4 L 7 2施工单位:江苏南通六建建设集团有限公司项目负责人:复核:年月日工程名称芜湖县城东新城二期安置房2#楼复核部位筏板基础简图:见附图实物检查记录轴线轴线允许偏差8mm标高允许偏差±10mm 01 3 -5 1 7 -2 4 2 78 5 -311 1 512 6 -2 15 2 -5 17 5 -7 20 4 623 1 227 6 -430 4 531 2 -2 34 5 836 3 240 1 441 7 -7施工单位:江苏南通六建建设集团有限公司项目负责人:复核:年月日工程名称芜湖县城东新城二期安置房2#楼复核部位筏板基础简图:见附图实物检查记录轴线轴线允许偏差8mm标高允许偏差±10mm44 6 -545 1 347 4 -6 52 3 155 4 -2A 1 7B 6 -8D 5 6E 2 4F 7 2H 3 6K 1 -3 L 2 -4施工单位:江苏南通六建建设集团有限公司项目负责人:复核:年月日工程名称芜湖县城东新城二期安置房2#楼复核部位一层结构简图:见附图实物检查记录轴线轴线允许偏差8mm标高允许偏差±10mm 01 2 51 1 -6 4 -4 -2 8 6 -811 3 -412 -5 515 4 717 -7 120 2 -1 23 -5 -2 27 -4 830 6 331 -2 234 3 -5 36 -6 640 -2 241 -2 -4施工单位:江苏南通六建建设集团有限公司项目负责人:复核:年月日工程名称芜湖县城东新城二期安置房2#楼复核部位一层结构简图:见附图实物检查记录轴线轴线允许偏差8mm标高允许偏差±10mm44 7 -745 4 647 -3 452 5 355 -2 -4A 6 5B 1 -6D 5 7E 2 3F 3 -5 H 1 2K 4 6L 4 -2施工单位:江苏南通六建建设集团有限公司项目负责人:复核:年月日工程名称芜湖县城东新城二期安置房2#楼复核部位二层结构简图:见附图实物检查记录轴线轴线允许偏差8mm标高允许偏差±10mm 01 7 21 -1 -4 4 -6 -7 8 4 -511 3 412 5 -8 15 -1 717 -6 320 4 623 -4 227 -2 -430 -3 -131 5 734 -6 236 2 -540 5 341 -4 -3施工单位:江苏南通六建建设集团有限公司项目负责人:复核:年月日工程名称芜湖县城东新城二期安置房2#楼复核部位二层结构简图:见附图实物检查记录轴线轴线允许偏差8mm标高允许偏差±10mm44 -6 -745 -2 647 4 352 1 -255 3 7A 5 -5B 2 3D -7 6E 1 -2F -6 7H -2 -4 K 4 5L 3 1施工单位:江苏南通六建建设集团有限公司项目负责人:复核:轴线、标高复核记录年月日工程名称芜湖县城东新城二期安置房2#楼复核部位三层结构简图:见附图实物检查记录轴线轴线允许偏差8mm标高允许偏差±10mm 01 -5 -7 1 1 -2 4 4 48 -2 -111 -3 212 7 -4 15 -6 -6 17 1 720 4 -3 23 -5 627 2 130 3 431 -7 -5 34 -2 -1 36 2 -740 5 341 2 2施工单位:江苏南通六建建设集团有限公司项目负责人:复核:轴线、标高复核记录年月日工程名称芜湖县城东新城二期安置房2#楼复核部位三层结构简图:见附图实物检查记录轴线轴线允许偏差8mm标高允许偏差±10mm44 -4 -645 6 647 1 252 1 -255 -5 -1A 4 -4B -2 5D 4 4E -6 -3F -2 7H 5 -6 K -1 -2 L 3 -4施工单位:江苏南通六建建设集团有限公司项目负责人:复核:年月日工程名称芜湖县城东新城二期安置房2#楼复核部位四层结构简图:见附图实物检查记录轴线轴线允许偏差8mm标高允许偏差±10mm 01 -5 51 1 14 3 -2 8 1 -711 -4 112 5 615 -7 317 6 -5 20 2 -6 23 4 627 -3 230 -3 -431 4 -4 34 -5 536 6 140 7 -241 -1 7施工单位:江苏南通六建建设集团有限公司项目负责人:复核:年月日工程名称芜湖县城东新城二期安置房2#楼复核部位四层结构简图:见附图实物检查记录轴线轴线允许偏差8mm标高允许偏差±10mm44 -2 -545 -2 447 6 -6 52 -3 255 -1 7A 5 -5B -3 -1D -6 6E 7 2F -2 -3 H -4 -4 K -2 1L 5 7施工单位:江苏南通六建建设集团有限公司项目负责人:复核:轴线、标高复核记录年月日工程名称芜湖县城东新城二期安置房2#楼复核部位五层结构简图:见附图实物检查记录轴线轴线允许偏差8mm标高允许偏差±10mm 01 5 -1 1 -2 -7 4 -4 28 1 811 -3 312 6 -6 15 -4 517 -4 -6 20 7 323 -2 -8 27 6 430 -4 331 1 -5 34 -3 -3 36 2 640 -5 841 -1 -7施工单位:江苏南通六建建设集团有限公司项目负责人:复核:年月日工程名称芜湖县城东新城二期安置房2#楼复核部位五层结构简图:见附图实物检查记录轴线轴线允许偏差8mm标高允许偏差±10mm44 5 245 7 -5 47 -4 952 -2 555 -1 -6A -6 -2B 3 2D 3 -8E -5 -1F -4 4H -1 1K 7 6L 3 -5施工单位:江苏南通六建建设集团有限公司项目负责人:复核:年月日工程名称芜湖县城东新城二期安置房2#楼复核部位六层结构简图:见附图实物检查记录轴线轴线允许偏差8mm标高允许偏差±10mm 01 2 51 4 -2 4 -7 -7 8 1 111 5 412 -4 -6 15 -1 317 6 720 2 -5 23 -7 -4 27 -3 630 1 -131 -4 334 -5 -8 36 2 -240 7 -441 1 6施工单位:江苏南通六建建设集团有限公司项目负责人:复核:年月日工程名称芜湖县城东新城二期安置房2#楼复核部位六层结构简图:见附图实物检查记录轴线轴线允许偏差8mm标高允许偏差±10mm44 -6 145 4 747 5 -6 52 2 -355 -7 5A 6 1B 3 -6D -1 7E -5 -7F 2 3H -2 1K -5 5L 3 4施工单位:江苏南通六建建设集团有限公司项目负责人:复核:轴线、标高复核记录年月日工程名称芜湖县城东新城二期安置房2#楼复核部位七层结构简图:见附图实物检查记录轴线轴线允许偏差8mm标高允许偏差±10mm 01 -5 -7 1 1 -2 4 2 -5 8 2 311 6 712 -5 115 -1 -5 17 4 220 -7 823 3 -6 27 5 -430 -2 231 -4 134 1 536 -1 540 -6 -441 4 -1施工单位:江苏南通六建建设集团有限公司项目负责人:复核:轴线、标高复核记录年月日工程名称芜湖县城东新城二期安置房2#楼复核部位七层结构简图:见附图实物检查记录轴线轴线允许偏差8mm标高允许偏差±10mm44 7 745 -5 -2 47 1 552 4 -455 -3 -2A -6 8B 5 3D -2 -7E 7 5F -5 -2 H 3 -6 K -6 4L 4 7施工单位:江苏南通六建建设集团有限公司项目负责人:复核:。
工程轴线、标高报验申请表工程名称:安徽装彩印有限公司办公楼测量部位基槽测量仪器经纬仪、水准仪测量示意图:施工单位测量人:经复核,该部位轴线、标高偏差在设计及规范允许范围内。
合格复核人:年月日监理单位复核人:年月日X YZ-1.6m测量部位基础垫层测量仪器经纬仪、水准仪测量示意图:施工单位测量人:经复核,该部位轴线、标高偏差在设计及规范允许范围内。
合格复核人:年月日监理单位复核人:年月日X YZ-1.5m测量部位基础承台测量仪器经纬仪、水准仪量示意图:施工单位测量人:经复核,该部位轴线、标高偏差在设计及规范允许范围内。
合格复核人:年月日监理单位复核人:年月日X YZ-0.7mm m测量部位基础梁测量仪器经纬仪、水准仪测量示意图:施工单位测量人:经复核,该部位轴线、标高偏差在设计及规范允许范围内。
合格复核人:年月日监理单位复核人:年月日X YZ-0.02m测量部位一层测量仪器经纬仪、水准仪量示意图:施工单位测量人:经复核,该部位轴线、标高偏差在设计及规范允许范围内。
合格复核人:年月日监理单位复核人:年月日X YZ3.9m测量部位二层测量仪器经纬仪、水准仪量示意图:施工单位测量人:经复核,该部位轴线、标高偏差在设计及规范允许范围内。
合格复核人:年月日监理单位复核人:年月日X YZ7.5m测量部位三层测量仪器经纬仪、水准仪量示意图:施工单位测量人:经复核,该部位轴线、标高偏差在设计及规范允许范围内。
合格复核人:年月日监理单位复核人:年月日工程轴线、标高测量复核记录X YZ11.1m工程名称安徽彩印有限公司办公楼测量部位四层测量仪器经纬仪、水准仪量示意图:施工单位测量人:经复核,该部位轴线、标高偏差在设计及规范允许范围内。
合格复核人:年月日监理单位复核人:年月日X YZ14.7m。
施工单位:中国十七冶集团有限公司工程名称:金家庄区廉租房2#楼技术负责人:复核人员:施工单位:中国十七冶集团有限公司工程名称:金家庄区廉租房2#楼技术负责人:复核人员:施工单位:中国十七冶集团有限公司工程名称:金家庄区廉租房2#楼技术负责人:复核人员:1、开工前(具备开工条件的资料):施工许可证(建设单位提供),施工组织设计(包括报审表、审批表),开工报告(开工报审),工程地质勘查报告,施工现场质量管理检查记录(报审),质量人员从业资格证书(收集报审),特殊工种上岗证(收集报审),测量放线(报审)。
2、基础施工阶段:钢筋进场取样、送样(图纸上规定的各种规格钢筋),土方开挖(土方开挖方案、技术交底,地基验槽记录、隐蔽、检验批报验),垫层(隐蔽、混凝土施工检验批、放线记录、放线技术复核),基础(钢筋原材料、检测报告报审,钢筋、模板、混凝土施工方案、技术交底,钢筋隐蔽、钢筋、模板检验批、放线记录、技术复核,混凝土隐蔽、混凝土施工检验批,标养、同条件和拆模试块),基础砖墙(方案、技术交底,提前做砂浆配合比,隐蔽、检验批,砂浆试块),模板拆除(拆模试块报告报审,隐蔽、检验批),土方回填(方案、技术交底,隐蔽、检验批,土方密实度试验)。
3、主体施工阶段:一层结构(方案、技术交底基础中已包含,钢筋原材料、检测报告报审,闪光对焊、电渣压力焊取样、送样,钢筋隐蔽、钢筋、模板检验批、模板技术复核)。
4、装饰装修阶段:地砖、吊顶材料、门窗、涂料等装饰应提前进行复试,待检测报告出来报监理审查通过后方可施工(方案、技术交底,隐蔽、检验批)。
5、屋面施工阶段:防水卷材等主要材料应提前复试,待复试报告出来报监理审查通过后方可进入屋面施工阶段(方案、技术交底,隐蔽、检验批)。
6、质保资料的收集:材料进场应要求供应商提供齐全的质保资料,钢筋进场资料(全国工业生产许可证、产品质量证明书),水泥(生产许可证,水泥合格证,3天、28天出厂检验报告,备案证,交易凭证现场材料使用验收证明单),砖(生产许可证、砖合格证,备案证明、出厂检验报告,交易凭证,现场材料使用验收证明单),黄沙(生产许可证,质量证明书,交易凭证现场材料使用验收证明单),石子(生产许可证,质量证明书,交易凭证现场材料使用验收证明单),门窗(生产许可证、质量证明书、四性试验报告,交易凭证现场材料使用验收证明单),防水材料(生产许可证,质量证明书、出厂检测报告),焊材(质量证明书),玻璃(玻璃质量证明书),饰面材料(质量证明书),材料进场后设计、规范要求须进行复试的材料应及时进行复试检测,其资料要与进场的材料相符并应与设计要求相符。
轴线标高垂直度复核记
录
Document serial number【KK89K-LLS98YT-SS8CB-SSUT-SST108】
楼层轴线、标高、垂直度复核记录施工单位:安徽津城建设工程有限公司建设单位:澄江街道办事处花园村委会工程名称:花园村失地农民就业服务中心
楼层轴线、标高、垂直度复核记录施工单位:安徽津城建设工程有限公司建设单位:澄江街道办事处花园村委会工程名称:花园
楼层轴线、标高、垂直度复核记录
施工单位:安徽津城建设工程有限公司建设单位:澄江街道办事处花园村委会工程名称:花园村
楼层轴线、标高、垂直度复核记录
施工单位:安徽津城建设工程有限公司建设单位:澄江街道办事处花园村委会工程名称:花园村
楼层轴线、标高、垂直度复核记录
施工单位:安徽津城建设工程有限公司建设单位:澄江街道办事处花园村委会工程名称:花园村
楼层轴线、标高、垂直度复核记录
施工单位:安徽津城建设工程有限公司建设单位:澄江街道办事处花园村委会工程名称:花园村。
轴线、标高复核验收记录工程名称:苏州阳山街道办公用房工程
轴线、标高复核验收记录工程名称:苏州阳山街道办公用房工程
轴线、标高复核验收记录工程名称:苏州阳山街道办公用房工程
轴线、标高复核验收记录工程名称:苏州阳山街道办公用房工程
轴线、标高复核验收记录工程名称:苏州阳山街道办公用房工程
轴线、标高复核验收记录工程名称:苏州阳山街道办公用房工程
轴线、标高复核验收记录工程名称:苏州阳山街道办公用房工程
轴线、标高复核验收记录工程名称:苏州阳山街道办公用房工程
轴线、标高复核验收记录工程名称:苏州阳山街道办公用房工程
轴线、标高复核验收记录工程名称:苏州阳山街道办公用房工程
轴线、标高复核验收记录工程名称:苏州阳山街道办公用房工程
轴线、标高复核验收记录工程名称:苏州阳山街道办公用房工程
轴线、标高复核验收记录工程名称:苏州阳山街道办公用房工程
轴线、标高复核验收记录工程名称:苏州阳山街道办公用房工程
轴线、标高复核验收记录工程名称:苏州阳山街道办公用房工程
轴线、标高复核验收记录工程名称:苏州阳山街道办公用房工程
轴线、标高复核验收记录工程名称:苏州阳山街道办公用房工程
轴线、标高复核验收记录工程名称:苏州阳山街道办公用房工程
轴线、标高复核验收记录工程名称:苏州阳山街道办公用房工程
轴线、标高复核验收记录工程名称:苏州阳山街道办公用房工程
轴线、标高复核验收记录工程名称:苏州阳山街道办公用房工程
轴线、标高复核验收记录工程名称:苏州阳山街道办公用房工程
轴线、标高复核验收记录工程名称:苏州阳山街道办公用房工程
轴线、标高复核验收记录工程名称:苏州阳山街道办公用房工程。
施工测量放线报验表
工程名称:青海省水利水电勘测设计研究院2#住宅楼编号:
本表一式二份,由承包单位填写,经监理审批后。
承包、监理单位各存一份
施工测量放线报验表
工程名称:青海省水利水电勘测设计研究院2#住宅楼编号:
本表一式二份,由承包单位填写,经监理审批后。
承包、监理单位各存一份
A—15—7
轴线、标高复核记录
A4---2
施工测量放线报验表
工程名称:青海省水利水电勘测设计研究院2#住宅楼编号:
本表一式二份,由承包单位填写,经监理审批后。
承包、监理单位各存一份
A—15—7
轴线、标高复核记录
单位工程名称
青海省水利水电勘测设计研
究院2#住宅楼
部位52.110m层图(变更)号结施复核日期2007、7、、轴线、标高示意图:
监理工程师复核意见:
说
明
轴线标注:设计尺寸偏差,可测量主轴线
实际尺寸
标高标注:设计标高偏差,可只测大角,长度超过30米,中间应加测点。
实际标高
单位工程负责人
施工员复核
A4---2
施工测量放线报验表
工程名称:青海省水利水电勘测设计研究院2#住宅楼编号:
本表一式二份,由承包单位填写,经监理审批后。
承包、监理单位各存一份
A—15—7
轴线、标高复核记录
单位工程名称
青海省水利水电勘测设计研
究院2#住宅楼
部位55.010m层图(变更)号结施复核日期2007、8、、轴线、标高示意图:
监理工程师复核意见:
说
明
轴线标注:设计尺寸偏差,可测量主轴线
实际尺寸
标高标注:设计标高偏差,可只测大角,长度超过30米,中间应加测点。
实际标高
单位工程负责人
施工员复核
A4---2
施工测量放线报验表
工程名称:青海省水利水电勘测设计研究院2#住宅楼编号:
查验结论:合格纠错后重报
监理工程师(签字):
日期:年月日
本表一式二份,由承包单位填写,经监理审批后。
承包、监理单位各存一份
A—15—7
轴线、标高复核记录
单位工程名称青海省水利水电勘测设计研
究院2#住宅楼
部位57.910m层
图(变更)号结施复核日期2007、8、24、轴线、标高示意图:
监理工程师复核意见:
施工测量放线报验表
工程名称:青海省水利水电勘测设计研究院2#住宅楼编号:
查验结论:合格纠错后重报
监理工程师(签字):
日期:年月日
本表一式二份,由承包单位填写,经监理审批后。
承包、监理单位各存一份
A—15—7
轴线、标高复核记录
单位工程名称青海省水利水电勘测设计研
究院2#住宅楼
部位60.810m层
图(变更)号结施复核日期2007、9、1、轴线、标高示意图:
监理工程师复核意见:
施工测量放线报验表
工程名称:青海省水利水电勘测设计研究院2#住宅楼编号:
查验结论:合格纠错后重报
监理工程师(签字):
日期:年月日
本表一式二份,由承包单位填写,经监理审批后。
承包、监理单位各存一份
A—15—7
轴线、标高复核记录
单位工程名称青海省水利水电勘测设计研
究院2#住宅楼
部位63.710m层
图(变更)号结施复核日期2007、9、16、轴线、标高示意图:
监理工程师复核意见:
施工测量放线报验表
工程名称:青海省水利水电勘测设计研究院2#住宅楼编号:
查验结论:合格纠错后重报
监理工程师(签字):
日期:年月日
本表一式二份,由承包单位填写,经监理审批后。
承包、监理单位各存一份
A—15—7
轴线、标高复核记录
单位工程名称青海省水利水电勘测设计研
究院2#住宅楼
部位66.610m层
图(变更)号结施复核日期2007、10、2、轴线、标高示意图:
监理工程师复核意见:
施工测量放线报验表
工程名称:青海省水利水电勘测设计研究院2#住宅楼编号:
查验结论:合格纠错后重报
监理工程师(签字):
日期:年月日
本表一式二份,由承包单位填写,经监理审批后。
承包、监理单位各存一份
A—15—7
轴线、标高复核记录
单位工程名称青海省水利水电勘测设计研
究院2#住宅楼
部位69.510m层
图(变更)号结施复核日期2007、8、、轴线、标高示意图:
监理工程师复核意见:
施工测量放线报验表
工程名称:青海省水利水电勘测设计研究院2#住宅楼编号:
查验结论:合格纠错后重报
监理工程师(签字):
日期:年月日
本表一式二份,由承包单位填写,经监理审批后。
承包、监理单位各存一份
A—15—7
轴线、标高复核记录
单位工程名称青海省水利水电勘测设计研
究院2#住宅楼
部位72.410m层
图(变更)号结施复核日期2007、10、20、轴线、标高示意图:
监理工程师复核意见:。