VC60B兆欧表说明书
- 格式:doc
- 大小:742.00 KB
- 文档页数:4
兆欧表的使用方法(一)使用前的准备工作1、检查兆欧表是否能正常工作将兆欧表水平放置,空摇兆欧表手柄,指针应该指到。
o处,再慢慢摇动手柄,使L和E两接线桩输出线瞬时短接,指针应迅速指零。
注意在摇动手柄时不得让L和E短接时间过长,否则将损坏兆欧表。
,2、检查被测电气设备和电路,看是否已全部切断电源。
绝对不允许设备和线路带电时用兆欧表去测量。
3、测量前,应对设备和线路先行放电,以免设备或线路的电容放电危及人身安全和损坏兆欧表,这样还可以减少测量误差,同时注意将被测试点擦拭干净。
(二)正确使用1、兆欧表必须水平放置于平稳牢固的地方,以免在摇动时因抖动和倾斜产生测量误差。
2、接线必须正确无误,兆欧表有三个接线桩,“E”(接地)、“L”(线路)和“G”(保护环或叫屏蔽端子)。
保护环的作用是消除表壳表面“L”与“E”接线桩间的漏电和被测绝缘物表面漏电的影响。
在测量电气设备对地绝缘电阻时,“L”用单根导线接设备的待测部位,“E”用单根导线接设备外壳;如测电气设备内两绕组之间的绝缘电阻时,将“L”和“E”分别接两绕组的接线端;当测量电缆的绝缘电阻时,为消除因表面漏电产生的误差,“L”接线芯,“E”接外壳,“G”接线芯与外壳之间的绝缘层。
“L”、“E”、“G”与被测物的连接线必须用单根线,绝缘良好,不得绞合,表面不得与被测物体接触。
3、摇动手柄的转速要均匀,一般规定为120 转/分钟,允许有±20%的变化,最多不应超过±25%。
通常都要摇动一分钟后,待指针稳定下来再读数。
如被测电路中有电容时,先持续摇动一段时间,让兆欧表对电容充电,指针稳定后再读数,测完后先拆去接线,再停止摇动。
若测量中发现指针指零,应立即停止摇动手柄。
4、测量完毕,应对设备充分放电,否则容易引起触电事故。
5、禁止在雷电时或附近有高压导体的设备上测量绝缘电阻。
只有在设备不带电又不可能受其他电源感应而带电的情况下才可测量。
6、兆欧表未停止转动以前,切勿用手去触及设备的测量部分或兆欧表接线桩。
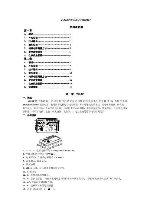
VC60B+/VC60D+/VC60E+使用说明书第一章1、概述 (1)2、外观说明 (1)3、技术特性 (2)4、操作说明 (4)5、绝缘电阻测量方法 (5)6、安全注意事项 (5)7、仪表的成套性 (6)第二章1、概述 (7)2、外观说明 (7)3、技术特性 (8)4、操作说明 (10)5、绝缘电阻测量方法 (11)6、安全注意事项 (11)7、仪表的成套性 (12)8、故障排除 (12)第一章VC60B+一、概述VC60B+数字兆欧表,是采用低损耗高变比电感储能式直流电压变换器将9V电压变换成250V/500V/1000V直流电压。
采用数字电桥进行电阻测量,用于绝缘电阻的测试,具有使用轻便,量程宽广,背光显示,测试锁定,自动关机等功能,还可以进行市电测量,整机美观高档,性能稳定,使用背带可双手作业,试用于电机、电缆、机电设备、电信器材,电力设施等绝缘电阻检测需要。
二、外观说明1、2、3、4。
5、电阻量程选择开关(RANGE)。
6、电源开关:自锁式电源开关(POWER)。
7、高压提示:LED显示。
8、测试按钮。
9、LCD显示器:显示测量数据及单位符号。
10、仪表型号。
11、L:接被测线路端插孔。
12、G:保护端插孔,当要求被测对象加保护环消除泄漏效应时,保护环电极导线接至“G”端插孔。
13、ACV:交流电压测试输入端。
14、E:接被测对象的地端插孔。
15。
三、技术特性1、一般特性(1)显示:84.8×59.8mm LCD显示,最大显示“1999”。
(2)超量程指示:超上限时仅最高位显示“1”。
(3)供电:5#电池LR6(1.5V)×6(可外接电源适配器)电压不足时具有欠压指示。
具备自动关机功能(开机后约15分钟)。
(4)功耗:测试空载时耗电<300mw。
(5)使用环境:温度0℃-40℃,湿度30%RH-85%RH .(6)外形尺寸:175(L)x110(W)x70(D)mm。
VC60B+/VC60D+/VC60E+使用说明书第一章1、概述 (1)2、外观说明 (1)3、技术特性 (2)4、操作说明 (4)5、绝缘电阻测量方法 (5)6、安全注意事项 (5)7、仪表的成套性 (6)第二章1、概述 (7)2、外观说明 (7)3、技术特性 (8)4、操作说明 (10)5、绝缘电阻测量方法 (11)6、安全注意事项 (11)7、仪表的成套性 (12)8、故障排除 (12)第一章VC60B+一、概述VC60B+数字兆欧表,是采用低损耗高变比电感储能式直流电压变换器将9V电压变换成250V/500V/1000V直流电压。
采用数字电桥进行电阻测量,用于绝缘电阻的测试,具有使用轻便,量程宽广,背光显示,测试锁定,自动关机等功能,还可以进行市电测量,整机美观高档,性能稳定,使用背带可双手作业,试用于电机、电缆、机电设备、电信器材,电力设施等绝缘电阻检测需要。
二、外观说明1、2、3、4、。
5、电阻量程选择开关(RANGE)。
6、电源开关:自锁式电源开关(POWER)。
7、高压提示:LED显示。
8、测试按钮。
9、LCD显示器:显示测量数据及单位符号。
10、仪表型号。
11、L:接被测线路端插孔。
12、G:保护端插孔,当要求被测对象加保护环消除泄漏效应时,保护环电极导线接至“G”端插孔。
13、ACV:交流电压测试输入端。
14、E:接被测对象的地端插孔。
15。
三、技术特性1、一般特性(1)显示:84.8×59.8mm LCD显示,最大显示“1999”。
(2)超量程指示:超上限时仅最高位显示“1”。
(3)供电:5#电池LR6(1.5V)×6(可外接电源适配器)电压不足时具有欠压指示。
具备自动关机功能(开机后约15分钟)。
(4)功耗:测试空载时耗电<300mw。
(5)使用环境:温度0℃-40℃,湿度30%RH-85%RH . (6)外形尺寸:175(L)x110(W)x70(D)mm。
兆欧表使用方法及注意事项一、兆欧表的概述兆欧表(Megohmmeter)是一种用于测量电阻值超过1000兆欧(MΩ)的电器或设备的仪器。
它主要用于测试绝缘材料和设备的绝缘电阻,以确保其正常工作。
在本文中,我们将介绍兆欧表的使用方法及注意事项。
二、兆欧表的使用方法1. 准备工作在使用兆欧表之前,需要先进行一些准备工作:•确保所测量的设备或电器已经断开电源,并且处于安全状态。
•检查兆欧表是否处于正常工作状态,包括电池电量、连接线是否完好等。
2. 连接测量对象将兆欧表的测试引线连接到待测设备或电器上。
通常情况下,红色引线连接到正极,黑色引线连接到负极。
3. 设置测量范围根据待测设备或电器的预估绝缘电阻值,选择合适的测量范围。
通常兆欧表提供多个档位供选择,可以根据需要进行调整。
4. 进行测量按下兆欧表上的测量按钮,开始进行测量。
在测量过程中,兆欧表会向待测设备或电器施加一定的电压,并测量其绝缘电阻值。
5. 记录和分析数据当测量完成后,将测得的绝缘电阻值记录下来,并进行必要的数据分析。
根据设备或电器的要求,判断其绝缘状况是否正常。
6. 清理和存储在使用兆欧表结束后,需要清理测试引线,并将仪器妥善存放在干燥、防尘的环境中,以保证其长期可靠性。
三、兆欧表的注意事项在使用兆欧表时,需要注意以下几点:1. 安全操作•在进行任何操作之前,请确保设备或电器已经断开电源,并且处于安全状态。
•使用合适的个人防护装备,如绝缘手套、护目镜等。
•避免在潮湿或高温环境下使用兆欧表。
2. 正确选择测量范围根据待测设备或电器的预估绝缘电阻值,选择合适的测量范围。
选择过小的范围可能导致测量结果不准确,选择过大的范围可能降低测量的灵敏度。
3. 避免电压过高在使用兆欧表时,需要根据设备或电器的要求设置合适的测试电压。
过高的电压可能会损坏设备或电器。
4. 防止误操作在操作兆欧表时,需要遵循正确的步骤,并注意避免误操作。
不要将测试引线接触到其他金属物质,以免干扰测量结果。
vc71b使用说明书
一、概述:
VC60B数字兆欧表,是采用低损耗高变比电感储能式直流电压变换器将9V电压变换成250V/500V1000V直流电压。
采用数字电桥进行电阻测量,用于绝缘电阻的测试,具有使用轻便,量程宽广,背光显示,测试锁定,自动关机等功能,还可以进行市电测量,整机美观高档,性能稳定,使用背带可双手作业,试用于电机、电缆、机电设备、电信器材,电力设施等绝缘电阻检测需要。
二、操作说明:
1、打开电池盒后盖装入5#电池6节(如图),注意电池极性不要接反:
2、将电源开关“POWER”键按下。
3、根据测量需要选择试电压(250V/500V/1000V/AC750V).
4、根据测量需要选择量程开关(RANGE)(除AC750V).
5、将被测对象的电极接本仪表相应插孔。
6、测试电缆时,插孔G接保护环。
7、按下测试开关,测试即进行,向右侧旋转可锁定按键开关:当显示值稳定后,即可读数。
8、最高位显示“1”,即表示超量程,需要以高量程档取数:当量程按键处于“■”时则表示绝缘电阻超过2000M2。
9、将仪表挂在脖子上可进行测量。
兆欧表(摇表)用来测量在高电压的情况下的电阻值,称为绝缘电阻
兆欧表的使用方法及要求
1.
测量前,应将兆欧表保持水平位置,左手按住表身,右手摇动兆欧表摇柄,转速约120r/m i n,指针应指向无穷大(∞),否则说明兆欧表有故障。
2.
测量前,应切断被测电器及回路的电源,并对相关元件进行临时接地放电,以保证人身与兆欧表的安全和测量结果准确。
3.
测量时必须正确接线。
兆欧表共有3个接线端(L、E、G)。
测量回路对地电阻时,L端与回路的裸露导体连接,E端连接接地线或金属外壳;测量回路的绝缘电阻时,回路的首端与尾端分别与L、E连接;测量电缆的绝缘电阻时,为防止电缆表面泄漏电流对测量精度产生影响,应将电缆的屏蔽层接至G端。
4.
兆欧表接线柱引出的测量软线绝缘应良好,两根导线之间和导线与地之间应保持适当距离,以免影响测量精度。
摇动兆欧表时,不能用手接触兆欧表的接线柱和被测回路,以防触电。
摇动兆欧表后,各接线柱之间不能短接,以免损坏。
VC60D+数字兆欧表使用方法
一、外观说明
二、使用步骤
1、打开电池盒后盖装入5#电池8节(如图),注意电池极性不要接反;
2、将电源开关“POWER”键按下
3、根据测量需要选择测试电压(VC60D+有1000V/2500V供选择)
4、根据测量需要选择量程开关
5、仪表接线:
L:高压输出端,通过专用电缆接至被测线路,例如:接至被测电机的绕组,电缆的线芯。
G:保护端,它接至三电级的保护端,消除被测表面泄漏效应。
E:称为地端,接至被测物体的地、零端。
例如:接至被测电极的外壳金属,变压器的铁芯,电缆的屏蔽层,以及接大地、人工放电棒。
6、按下测试开关,测试即进行,当显示值稳定后即可读值,读值完毕松开测试开关。
7、如果仅最高位显示“1”即表示超量程,需要以高量程挡取数。
五、绝缘电阻测量方法
六、安全注意事项
1、请注意安全!L为高压输出端!E端必须接大地,被测对像应脱离电网,并经过人工放电证明安全方可
接线或拆线!在测试过程中应尽量避免高压打火放电!频繁打火容易引起仪表故障。
2、在进行测试时,如出现读数不稳定可能是环境干扰或绝缘材料不稳定造成的,此时可将“G”端接到被
测物的屏蔽端,即可使读数稳定。
VC60B +/VC60D +/VC60E +使用说明书第一章1、 概述................................................1 2、 外观说明..........................................1 3、 技术特性..........................................2 4、 操作说明..........................................4 5、 绝缘电阻测量方法..............................5 6、 安全注意事项....................................5 7、 仪表的成套性 (6)第二章1、 概述................................................7 2、 外观说明..........................................7 3、 技术特性..........................................8 4、 操作说明..........................................10 5、 绝缘电阻测量方法..............................11 6、 安全注意事项....................................11 7、 仪表的成套性....................................12 8、 故障排除 (12)第一章 VC60B +一、概述VC60B +数字兆欧表,是采用低损耗高变比电感储能式直流电压变换器将9V 电压变换成250V/500V/1000V 直流电压。
采用数字电桥进行电阻测量,用于绝缘电阻的测试,具有使用轻便,量程宽广,背光显示,测试锁定,自动关机等功能,还可以进行市电测量,整机美观高档,性能稳定,使用背带可双手作业,试用于电机、电缆、机电设备、电信器材,电力设施等绝缘电阻检测需要。
VC60B+/VC60D+/VC60E+使用说明书索引第一章VC60B+1、概述 (1)2、外观说明 (1)3、技术特性 (2)4、操作说明 (4)5、绝缘电阻测量方法 (5)6、安全注意事项 (5)7、仪表的成套性 (6)第二章VC60D+/VC60E+1、概述 (6)2、外观说明 (7)3、技术特性 (8)4、操作说明 (9)5、绝缘电阻测量方法 (10)6、安全注意事项 (10)7、仪表的成套性 (11)8、故障排除 (12)第一章VC60B+一、概述VC60B+数字兆欧表,是采用低损耗高变比电感储能式直流电压变换器将9V电压变换成250V/500V/1000V直流电压。
采用数字电桥进行电阻测量,用于绝缘电阻的测试,具有使用轻便,量程宽广,背光显示,测试锁定,自动关机等功能,还可以进行市电测量,整机美观高档,性能稳定,使用背带可双手作业,试用于电机、电缆、机电设备、电信器材,电力设施等绝缘电阻检测需要。
二、外观说明1、2、3、4、电压选择开关AC750V/500V/250V/1000V。
5、电阻量程选择开关(RANGE)。
6、电源开关:自锁式电源开关(POWER)。
7、高压提示:LED显示。
8、测试按钮。
9、LCD显示器:显示测量数据及单位符号。
10、仪表型号。
11、L:接被测线路端插孔。
12、G:保护端插孔,当要求被测对象加保护环消除泄漏效应时,保护环电极导线接至“G”端插孔。
13、ACV:交流电压测试输入端。
14、E:接被测对象的地端插孔。
15。
三、技术特性1、一般特性(1)显示:84.8×59.8mm LCD显示,最大显示“1999”。
(2)超量程指示:超上限时仅最高位显示“1”。
(3)供电:5#电池LR6(1.5V)×6(可外接电源适配器)电压不足时具有欠压指示。
具备自动关机功能(开机后约15分钟)。
(4)功耗:测试空载时耗电<300mw。
(5)使用环境:温度0℃-40℃,湿度30%RH-85%RH . (6)外形尺寸:175(L)x110(W)x70(D)mm。
中控常用安全工器具及仪器仪表的使用一、安全工器具及仪器仪表使用培训(常用仪表使用方法、安全用具使用方法)1、日本共立KYORITSU 3121高压绝缘电阻测试仪(2500V)1)最适用于CV电缆及用电设备、高电压机器的绝缘测试;即使少量淋雨也无妨的防水构造;采用自动量程方式的双重刻度显示板。
当指针式高压绝缘电阻测试仪电源旋钮按下工作时蜂鸣器发声,提示有高压出现在仪表的接线端和地端(L端和E端),在测试时,确保电路接地,通常仪表的接地保护端(G端)接大地。
A、机械调零功能开关⑥置OFF位,调表针指示在“∞”刻度上。
用起子转动调零螺丝(安装在前面板的中央)。
B、电池检查 当电池装入仪表后,功能开关⑥置于BATT•CHECK位(电池检测),按下电源按钮⑤,当指针指示在BATT .GOOD区起始端向右,则电池电量足够使仪表正常工作,否则需更换电池。
注意:应避免此项长时间检测,因为此时将比绝缘测试时消耗更大的电流。
C、绝缘阻值读取本仪表为了拓宽量程,内部采用了量程自动转换电路,因此表盘为双色刻度显示,上档为绿色区,下档为橙色区,当仪表测量绝缘阻抗时,表盘上如红色发光二极管亮,则绝缘阻值按橙色区内的刻度值读取;如绿色发光二极管亮则绝缘阻值按绿色区内的刻度值读取。
2、胜利VC60B+ 数字兆欧表1)VC60B数字兆欧表操作规程(1)使用条件:数字兆欧表(以下简称兆欧表)在消防设施和电气安全检测中用于检测回路或系统的绝缘电阻值。
规格:6节AA电池供电,具有欠压指示,自动关机功能。
使用环境温度:0℃~40℃湿度:30%RH~85%RH存放环境温度:-10℃~+50℃存放相对湿度:<85%RH测量精度:±(4%+8d)(2)安全注意事项兆欧表的L端为高压输出端,其E端必须接大地。
禁止手持高压端测量。
测量前,被测对象应脱离电网,在经过人工放电证明安全条件下方可拆线或接线。
测量前,应检查所选择的测试电压LCD或面板提示的电压是否一致。
电子兆欧表1、图示说明:①LINE 探棒②保护端口③接地端口④高、低量程LED ⑤测试开关⑥功能开关⑦电池盖2、使用方法:注意:按下“PRESS TO TEST”键时,请务必小心仪器测试棒与接地端存在高压。
请确保将被测电路接地,通常将仪器接地端接地。
进行绝缘电阻测量时,蜂鸣器会持续鸣叫。
1)调零功能:将功能选择开关设置为“OFF”,用螺丝起子调整前面板中央的调零钮,使指针位于“∞”刻度。
2)检查电池:将功能选择开关调节至BA TT.CHECK位置, 按下测试开关。
若指针停留于BATT.GOOD区域或此区域右侧,表示电池状况良好。
否则,请更换电池。
注意:测试时,请勿长按或锁定测试开关。
若电池充足,则会造成大于绝缘电阻测量时的电流消耗。
3)绝缘电阻测量:将功能选择开关设置为OFF位置,并将被测回路接地。
将测试线连接仪器的接地端和被测回路的接地端。
将测试棒接触被测回路后按下测试开关。
绿色LED 点亮时,请读取外圈(高量程)刻度上的绝缘电阻值,若红色LED点亮,请读取内圈(低量程)刻度值。
进行5000V和10000V 的绝缘测试时,请分别读取黑色及红色刻度值(M-3123A)。
测试结束后,解除“PRESS TO TEST”测试开关并等待几秒后再将测试棒与被测回路断开。
这是为了释放被测回路上存储的电量。
4)导通测量:请确认被测回路已接地且仪器接地端的测试线连接被测回路的接地端。
按下“PRESS TO TEST”测试开关并沿顺时针方向旋转锁定后进行导通测量。
测量时,由于仪器测试线及接地端存在高电压,请注意安全。
5)保护端口的使用方法:图2所示是电线绝缘电阻测量的示例。
若LINE线测试探棒仅连接在电线导体上且接地线连接液体容器(如下图),由于测量中绝缘电阻的合成电阻和电线切口处的表面泄漏电阻的缘故将产生测量误差。
为消除表面泄漏电流,将安全线缠绕在电线切口处并使用保护测试线将其连接仪器的保护端口。
然后,表面泄漏电流将绕过绝缘电阻测试仪的指示器。
VC60B/VC60D/VC60E数字兆欧表使用说明书第一章VC60B一.概述VC60B数字兆欧表,是采用低损耗高变比电感储能式直流电压变换器将9V电压变换成250V/500V/1000V直流电压。
采用数字电桥进行电阻测量,用于电气绝缘电阻的测试。
具有使用轻便,量程宽广,自动关机,整机性能稳定,显示美观等优点适用于电梯,机电设备,电信系统等检修工作的需要。
二.外观说明1、LED显示器:显示测量数据及MΩ字符,显示器上提示当前的测试电压及高压符号2、电源开关:自锁式电源开关(POWER)3、量程选择开关(RANGE)4、5、6电压选择开关(1000V/500V/250V)7、测试按钮:自复式(PUSH)8、高压提示:LED显示9、L:接被测线路端插孔10、G屏蔽端、测电缆时接至保护环电极11、12、E2/E1:接被测对象的地端插孔三.技术特征1、一般特征(1)显示:60×32mm示窗大屏幕LED显示,最大显示“1999”(2)超量限指示:超上限时仅最高位显示“1”(3)供电:1个6F22型9V叠层电池供电,电压不足时具有欠压指示,具备自动关机功能(开机后越15分钟)(4)功耗:测试空载时耗电<300mW(5) 使用环境:温度0℃~40℃湿度30%RH~85%RH(6)外形:80×185×45mm(WLH)( 7) 重量:约360克(含电池)2、技术指标说明:(中值电阻保证测量两端电压不低于测试电压90%的电阻测量下限值)四.操作说明1、将电源开关“POWER”键按下2、根据测量需要选择测试电压(有1000V/500V250V供选择)3、根据测量需要选择量程开关(RANGE)4、将被测量对象的电极接本仪表相应插孔5、测试电缆时,插孔G接保护环6、按下“PUSH”测试开关,测试即进行,当显示值稳定后,即可读值,读值完毕松开PUSH开关7、将输入线“E1或E2”接至被测对象地端,“L”接至被测线路端;要求“L”引线尽量悬空8、如果仅最高位显示“1”即表示超量程,需要以高量程挡取数;当量程按键处于“”时则表示绝缘电阻超过2000MΩ五.安全注意事项1、测试电压选择键不按下时,输出电压插孔上将可以输出高压。
中控常用安全工器具及仪器仪表的使用一、安全工器具及仪器仪表使用培训(常用仪表使用方法、安全用具使用方法)1、日本共立KYORITSU 3121高压绝缘电阻测试仪(2500V)1)最适用于CV电缆及用电设备、高电压机器的绝缘测试;即使少量淋雨也无妨的防水构造;采用自动量程方式的双重刻度显示板。
当指针式高压绝缘电阻测试仪电源旋钮按下工作时蜂鸣器发声,提示有高压出现在仪表的接线端和地端(L端和E端),在测试时,确保电路接地,通常仪表的接地保护端(G端)接大地。
A、机械调零功能开关⑥置OFF位,调表针指示在“∞”刻度上。
用起子转动调零螺丝(安装在前面板的中央)。
B、电池检查当电池装入仪表后,功能开关⑥置于BATT•CHECK位(电池检测),按下电源按钮⑤,当指针指示在BATT .GOOD区起始端向右,则电池电量足够使仪表正常工作,否则需更换电池。
注意:应避免此项长时间检测,因为此时将比绝缘测试时消耗更大的电流。
C、绝缘阻值读取本仪表为了拓宽量程,内部采用了量程自动转换电路,因此表盘为双色刻度显示,上档为绿色区,下档为橙色区,当仪表测量绝缘阻抗时,表盘上如红色发光二极管亮,则绝缘阻值按橙色区内的刻度值读取;如绿色发光二极管亮则绝缘阻值按绿色区内的刻度值读取。
2、胜利VC60B+ 数字兆欧表1)VC60B数字兆欧表操作规程(1)使用条件:数字兆欧表(以下简称兆欧表)在消防设施和电气安全检测中用于检测回路或系统的绝缘电阻值。
规格:6节AA电池供电,具有欠压指示,自动关机功能。
使用环境温度:0℃~40℃湿度:30%RH~85%RH存放环境温度:-10℃~+50℃存放相对湿度:<85%RH测量精度:±(4%+8d)(2)安全注意事项兆欧表的L端为高压输出端,其E端必须接大地。
禁止手持高压端测量。
测量前,被测对象应脱离电网,在经过人工放电证明安全条件下方可拆线或接线。
测量前,应检查所选择的测试电压LCD或面板提示的电压是否一致。
兆欧表使用方法及读数1、工具:兆欧表2、测量前必须将被测设备电源切断,并对地短路放电。
决不能让设备带电进行测量,以保证人身和设备的安全。
对可能感应出高压电的设备,必须消除这种可能性后,才能进行测量。
3、被测物表面要清洁,减少接触电阻,确保测量结果的正确性。
4、测量前应将兆欧表进行一次开路和短路试验,检查兆欧表是否良好。
即在兆欧表未接上被测物之前.摇动手柄使发电机达到额定转速(120rmin),观察指针是否指在标尺的“∞”位置。
5、将接线柱“线(L)和地(E)”短接,缓慢摇动手柄,观察指针是否指在标尺的“0”位。
如指针不能指到该指的位置,表明兆欧表有故障,应检修后再用。
6、兆欧表使用时应放在平稳、牢固的地方,且远离大的外电流导体和外磁场。
7、摇测时将兆欧表置于水平位置,摇把转动时其端钮间不许短路。
摇动手柄应由慢渐快,若发现指针指零说明被测绝缘物可能发生了短路,这时就不能继续摇动手柄.以防表内线圈发热损坏。
8、读数完毕,将被测设备放电。
放电方法是将测量时使用的地线从兆欧表上取下来与被测设备短接一下即可(不是兆欧表放电)。
9、禁止在雷电时或高压设备附近测绝缘电阻,只能在设备不带电,也没有感应电的情况下测量。
10、摇测过程中,被测设备上不能有人工作。
11、兆欧表线不能绞在一起,要分开。
12、兆欧表未停止转动之前或被测设备未放电之前.严禁用手触及。
拆线时,也不要触及引线的金属部分。
13、测量结束时,对于大电容设备要放电。
14、兆欧表接线柱引出的测量软线绝缘应良好,两根导线之间和导线与地之间应保持适当距离,以免影响测量精度。
15、为了防止被测设备表面泄漏电阻,使用兆欧表时,应将被测设备的中间层(如电缆壳芯之间的内层绝缘物)接于保护环。
16、要定期校验其准确度。
实训三 钳形电流表与兆欧表的使用(一)实训目的学会使用钳形电流表测量线路电流和使用兆欧表测量电气设备的绝缘电阻。
(二)实训器材1、工具 常用电工工具一套2、仪表 VICTOR 6056B 钳形数字多用表、胜利VC60B 数字兆欧表。
3、器材 三相电动机、双副边绕组电源变压器。
(三)实训原理1、钳形电流表工作原理钳形电流表也是一种便携式电表,主要用于在要求不断开电路的情况下,测量正在运行的电气电路中具有安培级电流。
测量时只要将被测导线夹于钳口中,便可读数。
钳形表的原理结构如图3-1所示。
测量交流电流的钳形表实质上是由一个电流互感器和一个整流式仪表所组成。
被测载流导线相当于电流互感器的一次绕组,绕在钳形表铁芯上的线圈相当于电流互感器的二次绕组。
当被测载流导线夹于钳口中时,二次绕组便感应出电流,使指针偏转,指示出被测电流值。
测量交、直流电流的是一个电磁式仪表,放置在钳口中的被载流导线作为励磁线圈,磁通在铁芯中形成回路,电磁式测量机构位于铁芯的缺口中间,受磁场的作用而偏转,获得读数。
因其偏转不受测量电流种类的影响,所以可测量交直流。
钳形电流表的使用方法及注意事项:(1)若是指针式钳形电流表则测量前,应检查仪表指针是否在零位,若不在零位,应调至零位。
(2)测量时应先估计被测量值的大小,将量程旋钮置于合适的档位。
若测量值暂不能确定,应将量程旋至最高档,然后根据测量值的大小,变换至合适的量程。
(3)测量电流时,应将被测载流导线置于钳口的中心位置,以免产生误差。
(4)为使读数准确,钳口的两个面应接触良好。
若有杂声,可将钳口重新开合一次。
(5)指针式钳形电流表测量后一定要把量程旋钮置于最大量程档,以免下次使用时,由于未经量程选择而损坏仪表。
数字式钳形电流表则要把量程旋钮置于OFF 的位置。
(6)被测电流过小时,为了得到较准确的读数,若条件允许,可将被测导线绕几圈后套进钳口进行测量。
此时,钳形表读数除以钳口内的导线根数,即为实际电流值。