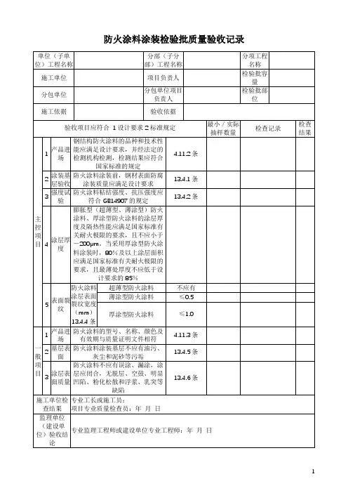
油漆检验记录表
- 格式:doc
- 大小:28.50 KB
- 文档页数:2
SGT涂料溶剂性涂饰工程检验批质量验收记录一、检验批质量验收记录概况项目名称:SGT涂料溶剂性涂饰工程施工单位:XXX有限公司验收时间:20XX年XX月XX日验收人员:XXX、XXX、XXX验收内容:涂饰工程的施工质量、涂料性能等方面二、施工质量验收1.各个施工节点的验收在涂饰工程的施工过程中,我们对各个施工节点进行了实时监控和验收。
包括底漆、中涂、面漆等施工阶段。
在每个施工节点,施工单位必须按照规范要求进行操作,确保涂装质量符合相关标准。
2.涂料颜色和光泽度的验收我们对施工完成的涂料进行了颜色和光泽度的检测。
通过比对色卡和使用光泽仪,确保涂层颜色和光泽度符合设计要求,达到整体统一的效果。
三、涂料性能验收1.耐磨性和耐久性测试我们对涂饰表面进行了耐磨性和耐久性测试。
包括擦拭测试、刮伤测试、耐候性测试等,确保涂装表面的质量满足工程要求,具有一定的耐久性。
2.耐化学性能测试由于SGT涂料溶剂性涂饰工程可能接触到各种化学物质,我们对涂装表面的耐化学性能进行了测试。
包括耐酸碱性、耐油脂性等,确保涂饰能够承受各种环境中的化学腐蚀。
四、验收结论通过对SGT涂料溶剂性涂饰工程的检验批质量验收,我们得出以下结论:1.施工单位按照规范要求进行作业,各施工节点符合要求;2.涂料颜色和光泽度符合设计要求,整体效果良好;3.涂装表面具有一定的耐磨性、耐化学性能,满足工程要求。
综上所述,SGT涂料溶剂性涂饰工程的检验批质量验收结果良好,符合设计和施工标准,工程质量得到保障。
希望在后续的使用过程中能够继续保持涂装表面的质量,确保工程效果持久耐用。
油漆工程检验批质量验收记录油漆工程是建筑装饰中非常重要的一环,涉及到施工工艺、工程质量等各个方面。
为了保证油漆工程的质量,需要进行检验批质量验收记录。
以下是一份油漆工程检验批质量验收记录,供参考:项目编号:XXXX工程地点:XXXX施工单位:XXXX监理单位:XXXX质检单位:XXXX一、检验批次信息检验批次:第X批施工日期:XXXX年XX月XX日-XXXX年XX月XX日验收日期:XXXX年XX月XX日检验批项目:XXX二、质量要求根据施工图纸、规范及技术要求,对本批次油漆工程的质量要求如下:1. 涂料材料:xxx型号、规格、批次等2.涂装工艺:底漆、面漆、涂层厚度、涂装方法等3.涂层外观:平整度、无麻点、无颜色差等4.粘结强度:符合设计要求5.耐久性:防腐、耐候、耐磨等性能三、检验项目及方法1.涂料材料检验方法:抽取涂料样品进行化学成分和物理性能检测2.涂装工艺检验方法:现场观察涂装过程、查看施工资料、验收涂装厚度3.涂层外观检验方法:进行外观检查,包括光泽度、无尘、无颗粒等4.粘结强度检验方法:进行剥离试验、粘结试验等5.耐久性检验方法:通过实验室测试和现场观察的方式进行评估四、检验结果记录根据以上质量要求和检验项目,对本批次油漆工程进行了检验,结果如下:1.涂料材料检验结果:合格/不合格2.涂装工艺检验结果:合格/不合格3.涂层外观检验结果:合格/不合格4.粘结强度检验结果:合格/不合格5.耐久性检验结果:合格/不合格五、质量问题记录和整改情况根据上述检验结果,对于不合格的项目,需要进行整改并记录整改情况。
整改情况如下:1.不合格项目:XXX2.整改要求:XXX3.整改措施:XXX4.整改后的检验结果:合格/不合格六、工程质量评定根据以上的检验结果和整改情况,综合评定本批次油漆工程的质量等级。
工程质量评定结果如下:质量等级:优/良/合格/不合格七、监理、施工单位意见监理单位对本批次油漆工程的质量进行评价,并提出监理意见。
油漆检验报告单1. 检验目的本报告旨在对油漆进行检验,评估其质量,并提供相关数据和分析结果。
2. 检验范围本次油漆检验覆盖以下方面:•涂料性能:粘度、干燥时间、耐候性等;•涂层厚度:测定涂层的厚度,以确保符合指定要求;•膜韧性:评估涂层的抗剪切强度和弯曲性能;•色泽均匀度:测定涂层的颜色稳定性和均匀度。
3. 检验方法3.1 涂料性能对于涂料性能的测试,将采用以下方法:•粘度:使用流变仪测定涂料的粘度,以确定其流动性和涂覆性能;•干燥时间:通过观察和测量,记录涂料的干燥时间;•耐候性:将涂料样品置于恶劣环境下,如高温、低温、湿度等条件,进行耐候性测试。
3.2 涂层厚度涂层厚度的测定可以采用以下方法之一:•磁感应法:使用磁感应涂层厚度计测定涂层的厚度;•膜厚仪法:使用毛刷法或喷雾法涂覆一层标准涂料,并使用膜厚仪测量厚度。
3.3 膜韧性评估涂层的膜韧性可以采用以下方法之一:•划格法:使用划格仪在涂层表面划格,评估涂层的韧性;•弯曲试验:在标准条件下对涂层进行弯曲试验,评估其弯曲性能。
3.4 色泽均匀度评估涂层的色泽均匀度可以采用以下方法之一:•视觉检查法:使用肉眼或相关仪器进行涂层的色差检查;•光波法:使用光波仪测量涂层的色差值,并进行分析比较。
4. 检验结果4.1 涂料性能利用流变仪测定了涂料样品的粘度,结果显示粘度为XX(单位)。
通过记录涂料样品在标准条件下的干燥时间,得出干燥时间为XX(单位)。
耐候性测试结果显示,涂料样品在高温、低温以及湿度等恶劣环境下,均具有较好的耐候性。
4.2 涂层厚度通过使用磁感应涂层厚度计测量,得出涂层的平均厚度为XX(单位)。
4.3 膜韧性使用划格法测试涂层的膜韧性,结果显示涂层的抗剪切强度和弯曲性能较好。
4.4 色泽均匀度通过目测和光波仪测量,涂料样品的色泽均匀度良好,色差值在标准范围内。
5. 结论本次油漆检验结果显示,涂料样品在粘度、干燥时间、耐候性、涂层厚度、膜韧性以及色泽均匀度等方面均符合要求。
喷涂操作安全检查记录表
1. 检查日期:[填写检查日期]
2. 检查人员:[填写检查人员姓名]
3. 检查项目:
4. 检查结果说明:
根据对喷涂操作的安全检查,以下是具体的检查结果说明:
- 工作环境:检查工作现场是否有杂物、易燃物等危险物品,是否有足够的通风,是否有防护措施等。
记录检查结果并备注需要改进的地方。
- 设备设施:检查喷涂设备的完好性、使用是否符合操作规范,是否存在漏电、渗漏等安全隐患。
记录检查结果并备注需要改进的
地方。
- 材料储存:检查喷涂材料的储存方式是否符合要求,是否有
泄漏、损坏等情况。
记录检查结果并备注需要改进的地方。
- 个人防护:检查操作人员是否佩戴个人防护装备,如防护眼镜、口罩、手套等,是否正确使用。
记录检查结果并备注需要改进
的地方。
5. 检查结论:
根据以上检查结果,综合评估喷涂操作的安全情况,得出以下
检查结论:
- 如果所有检查项目符合安全要求,可以判断喷涂操作安全合格。
- 如果有某些检查项目不符合安全要求,需要针对不符合的项
目制定整改措施,并记录在备注中。
6. 整改措施:
根据检查结论中不符合安全要求的项目,制定相应的整改措施,并在备注中说明。
7. 复检计划:
根据检查结果和整改措施,制定复检计划,并在备注中说明。
8. 备注:
在此处记录其他需要备注的事项,如特殊情况、风险提示等。
以上为喷涂操作安全检查记录表的内容,供参考使用。
墙面涂料检验批质量验收记录项目名称: [填写项目名称] [填写项目名称]验收日期: [填写验收日期] [填写验收日期]验收人员: [填写验收人员姓名] [填写验收人员姓名]一、项目概要本次验收记录主要针对墙面涂料检验批的质量进行验收,旨在确认涂料的合格程度以及是否符合相关标准和要求。
二、涂料信息涂料类型: [填写涂料类型,例如墙面乳胶漆、油漆等] [填写涂料类型,例如墙面乳胶漆、油漆等]涂料品牌: [填写涂料品牌名称] [填写涂料品牌名称]生产日期: [填写涂料生产日期] [填写涂料生产日期]批号: [填写涂料批号] [填写涂料批号]生产厂家: [填写涂料生产厂家名称] [填写涂料生产厂家名称]三、质量验收内容1. 外观质量验收:外观质量验收:- 涂料颜色是否与样品一致?- 涂料是否存在结块、结露、结皮等现象?2. 干燥时间验收:干燥时间验收:- 涂料干燥时间是否符合标准要求?3. 附着力验收:附着力验收:- 涂料附着力是否良好?4. 耐碱性验收:耐碱性验收:- 涂料在碱性环境下是否具备良好的抵抗力?5. 耐水性验收:耐水性验收:- 涂料在水浸条件下是否具备良好的耐水性能?6. 硬度验收:硬度验收:- 涂料硬度是否符合要求?四、质量验收结果根据对墙面涂料的质量验收,经检测和评估,以下为验收结果:1. 外观质量验收结果:外观质量验收结果:[填写验收结果,合格/不合格]2. 干燥时间验收结果:干燥时间验收结果:[填写验收结果,合格/不合格]3. 附着力验收结果:附着力验收结果:[填写验收结果,合格/不合格]4. 耐碱性验收结果:耐碱性验收结果:[填写验收结果,合格/不合格]5. 耐水性验收结果:耐水性验收结果:[填写验收结果,合格/不合格]6. 硬度验收结果:硬度验收结果:[填写验收结果,合格/不合格]五、质量验收意见根据以上质量验收结果,结合项目需求和相关规范要求,提出如下质量验收意见:[填写质量验收意见]六、验收记录验收人员签字:日期:____________日期:____________项目负责人签字:日期:____________日期:____________备注:[填写备注信息,如有]。
文件编号:QR19-06 第1页of共4页项目名称产品编号产品名称产品图号工序施工时间施工环境检查项目检查要求检查结果合格判定备注喷砂前外观检查施工日期:开始时间:结束时间:/随件卡片检查随件卡片前面工序是否完成焊缝检查焊缝有无飞溅物及外观缺陷表面质量检查表面有无磕碰伤、飞边毛刺、切屑、严重油污及外来残留物喷砂前表面清洗施工日期:开始时间:结束时间:/清洗溶剂检查清洗溶剂是否在有效期内设备仪表检查设备仪表是否在有效期内压缩空气压力(MPa)检查压缩空气压力是否达到0.55~0.7 MPa压缩空气清洁度检查压缩空气是否含有油和水目视检查检查表面有无目视可见油污及其它污染物喷砂前防护施工日期:开始时间:结束时间:/ 螺纹孔螺纹孔采用螺栓防护,检查螺纹孔有无漏防文件编号:QR19-06 第2页of共4页工序施工时间施工环境检查项目检查要求检查结果合格判定备注喷砂施工日期:开始时间:结束时间:相对湿度RH:表面温度Ts:空气温度Ta:露点温度Td:设备仪表检查设备仪表是否在有效期内磨料检查喷砂所用磨料的种类、规格表面清洁度用标准照片检查表面清洁度是否达到ISO 8501-1规定的Sa2.5表面处理等级表面粗糙度用表面粗糙度测量仪检查表面粗糙度是否达到ISO 8503-2规定的50-80微米(参照GE 91-421666标准测量)喷砂后外观检查施工日期:开始时间:结束时间:/焊缝检查焊缝有无飞溅物及外观缺陷表面质量检查表面有无磕碰伤、毛刺、油污及其它污染物底漆准备施工日期:开始时间:结束时间:相对湿度RH:表面温度Ts:空气温度Ta:露点温度Td:确认底漆检查所用底漆的种类、批号及有效期底漆配制比例检查底漆配制比例:A(基料):B(固化剂)=4:1底漆混合时间检查底漆的混合时间10-15分钟文件编号:QR19-06 第3页of共4页工序施工时间施工环境检查项目检查要求检查结果合格判定备注底漆喷涂施工日期:开始时间:结束时间:相对湿度RH:表面温度Ts:空气温度Ta:露点温度Td:设备仪表检查设备仪表是否在有效期内环境条件Ta:>5℃,<40℃RH:≤85℅Ts >Td 3℃以上底漆喷涂时间检查底漆涂装时间是否在喷砂结束后4小时之内完成预涂检查边、角、焊缝是否进行了预涂底漆混合使用时间检查底漆混合后是否在2小时之内用完底漆湿膜厚度1.施工后立即进行湿膜厚度检查2.依据油漆体积固体份,计算油漆干膜厚度所需要的湿膜厚度,控制涂层的湿膜厚度,保证油漆的干膜厚度底漆检查施工日期:开始时间:结束时间:/ 底漆干膜厚度用涂层测厚仪检查底漆干膜厚度是否达到工艺文件规定的144-270微米(参照GE91-421666标准测量)文件编号:QR19-06 第4页of共4页工序施工时间施工环境检查项目检查要求检查结果合格判定备注面漆准备施工日期:开始时间:结束时间:相对湿度RH:表面温度Ts:空气温度Ta:露点温度Td:确认面漆检查所用面漆的种类、批号及有效期面漆配制比例检查面漆配制比例:A(基料):B(固化剂)=10:1面漆混合时间检查面漆的混合时间10-15分钟面漆喷涂施工日期:开始时间:结束时间:相对湿度RH:表面温度Ts:空气温度Ta:露点温度Td:设备仪表检查设备仪表是否在有效期内环境条件Ta:>5℃,<40℃RH:≤85℅Ts >Td 3℃以上预涂检查边、角、焊缝是否进行了预涂面漆混合使用时间检查面漆混合后是否在1.5小时之内用完面漆湿膜厚度参照底漆湿膜厚度检查要求漆膜检查施工日期:开始时间:结束时间:/干膜总厚度用涂层测厚仪检查干膜总厚度是否达到工艺文件规定的176-330微米(参照GE91-421666标准测量)漆膜外观检查漆膜外观是否满足外观要求。
精心整理
精心整理
油漆喷涂质量检验记录表
序号
检验项目
技术要求
检验方法
检验结果
备注
1
表面尘点检测 表面不能有明显尘点
通过近处观察油
漆表面来检验
□合格
□不合格
2
表面漆雾及流挂检测 表面不能有漆雾及流
挂 通过近处观察油漆表面来检验
□合格
□不合格
3
刮灰效果检测
填补于车身上凹陷位置和边缘及接缝处。
要求刮灰处线条明晰,连贯。
通过近处观察油漆表面来检验 □合格
□不合格
4
抛光印和抛穿现象检测
表面不能有抛光印和
抛穿现象
近看油漆面(特别是边角)有无抛穿,远看光泽有无明显变化 □合格
□不合格
5
边角位检测
边角位是否修补到位
或漏喷 通过近处观察油漆表面来检验
□合格
□不合格
6
面漆及色漆检
测
面漆色漆有没有完全遮盖中涂漆或走珠现
象 0.5米处观察
□合格
□不合格
7
车身活动部件和装饰件等 车身活动部件和装饰件等的油漆和抛光蜡是否清除干净
通过近处观察油漆表面来检验
□合格
□不合格
8
表面光泽度
全车喷涂或新车光泽60度时大于90度,无明显“桔皮”现象 通过光泽度测试仪检验 □合格
□不合格
9
修补工件表面
光泽 修补工件表面的光泽与原车基本一致,形成衬托效果,不能相
差太远
远看,多角度观
察 □合格
□不合格
10
修补后漆纹与原车匹配度
修补后漆纹应与原车
相匹配
由远至近多角度
观察
□合格
精心整理
精心整理□不合格
11 漆膜厚度漆膜厚度应大于等于
50um
通过漆膜厚度检
测仪检验
□合格
□不合格
12 油漆附着力油漆附着力强,不能
出现脱落
通过百格刀、胶
带等工具检验
□合格
□不合格
13 车身LOGO及
字体
颜色、字体大小、间
距需与样板一致
由远至近多角度
对比观察
□合格
□不合格
14 综合判定:□允收□拒收□让步接收检验员:日期:。