被动红外探测器(枫叶DG467)
- 格式:ppt
- 大小:70.50 KB
- 文档页数:10
广州周立功单片机科技有限公司周立功被动红外检测设计方案类别内容关键词E931.96、被动红外、PIR 传感器摘要德国多特蒙德ELMOS 公司生产的E931.96芯片是一种超低能耗的运动探测控制型集成电路,外界PIR 传感器后,能将红外信号转换为数字信号输出。
并且能对芯片内部电压以及芯片温度进行监测。
辅以NXP MCU 产品LPC824作为控制单元就能形成一套针对于人体运动检测的解决方案。
是应用于安全报警行业的理想选择WeChat Note周立功被动红外检测设计方案摘要:德国多特蒙德ELMOS公司生产的E931.96芯片是一种超低能耗的运动探测控制型集成电路,外界PIR传感器后,能将红外信号转换为数字信号输出。
并且能对芯片内部电压以及芯片温度进行监测。
辅以NXP MCU产品LPC824作为控制单元就能形成一套针对于人体运动检测的解决方案。
是应用于安全报警行业的理想选择。
推送目的:干货分享是否原创:是关键字:E931.96、被动红外、PIR传感器正文:德国多特蒙德ELMOS公司生产的E931.96芯片是一种超低能耗的运动探测控制型集成电路,外界PIR传感器后,能将红外信号转换为数字信号输出。
并且能对芯片内部电压以及芯片温度进行监测。
辅以NXP MCU产品LPC824作为控制单元就能形成一套针对于人体运动检测的解决方案。
是应用于安全报警行业的理想选择。
1.1.1 被动红外传感原理红外辐射又称红外光,是不可见光,波长为0.1-1000um。
自然界中任何物体只要有它本身有一定温度(高于0℃,都能辐射红外光。
红外光和所有电磁波一样,具有反射、散射、干涉、吸收等特性。
红外光最大的特点是具有光热效应,对外辐射热量。
人体具有一定温度,能不断对外辐射红外线,也不断对外辐射热量。
热释电传感器LHI968基于红外的热效应,将红外信号转换为电信号,经过E931.96放大后得到比较明显的信号。
当人运动(走动,弯腰等时,E931.96检测到人体辐射的红外线强度处于变化当中,这一变化特性可作为人运动与否的一个标准。
HB-T205太阳能无线被动红外探测器说明书HB-T205太阳能无线被动红外探测器采用先进的智能识别技术,能检测到穿越防范区域的入侵者,并且具有智能方向识别、无线通讯等功能。
精巧的外观、灵活的安装方式,特别适合于窗户、走廊、过道等位置的安全防范。
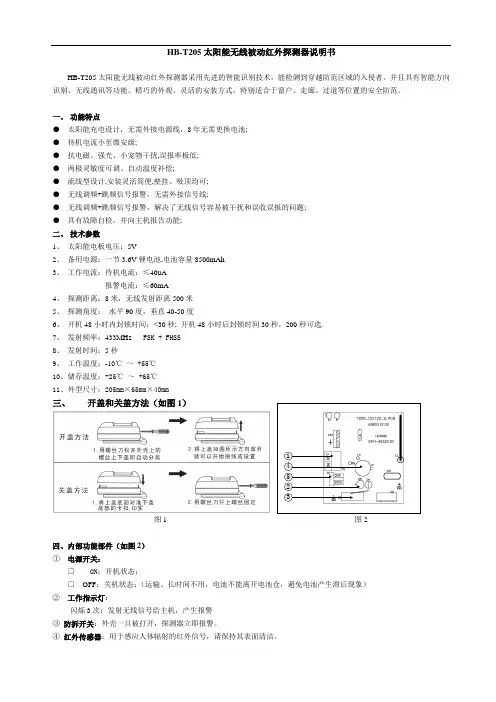
一、功能特点●太阳能充电设计,无需外接电源线,8年无需更换电池;●待机电流小至微安级;●抗电磁、强光、小宠物干扰,误报率极低;●两极灵敏度可调、自动温度补偿;●流线型设计,安装灵活简便,壁挂、吸顶均可;●无线调频+跳频信号报警,无需外接信号线;●无线调频+跳频信号报警,解决了无线信号容易被干扰和误收误报的问题;●具有故障自检,并向主机报告功能;二、技术参数1、太阳能电板电压:5V2、备用电源:一节3.6V锂电池,电池容量8500mAh3、工作电流:待机电流:≤40uA报警电流:≤60mA4、探测距离:8米,无线发射距离500米5、探测角度:水平90度,垂直40-50度6、开机48小时内封锁时间:<30秒; 开机48小时后封锁时间30秒,200秒可选.7、发射频率:433MH z FSK + FHSS8、发射时间:5秒9、工作温度:-10℃~ +55℃10、储存温度:-25℃~ +65℃11、外型尺寸:205mm×65mm×40mm三、开盖和关盖方法(如图1)14523图1 图2四、内部功能部件(如图2)①电源开关:□ ON:开机状态;□OFF:关机状态;(运输、长时间不用,电池不能离开电池仓,避免电池产生滞后现象)②工作指示灯:闪烁3次:发射无线信号给主机,产生报警③防拆开关:外壳一旦被打开,探测器立即报警。
④红外传感器:用于感应人体辐射的红外信号,请保持其表面清洁。
⑤跳线功能选择:功能:红外封锁时间选择(开机48小时内封锁时间30秒,48小时后由J1跳线决定)J1跳到“200S ”位置(默认):封锁时间为200秒;J1跳到“20S ”位置:封锁时间为30秒;双向报警模式(默认):当人体进入防范区域,探测器检测到信号报警后,将进入选择的红外封锁时间,在封锁时间内不产生任何红外报警。
HT-8080-6(T版)无线被动红外入侵探测器使用说明书一、概述:由专用红外传感信号处理芯片、双元热释电传感器、菲涅尔透镜、数字编码发射电路等先进的一体化设计技术,稳定可靠,抗干扰能力强。
用于室内探测入侵者的人体红外热辐射,并将入侵信号通过无线传输的方式发射给报警主机报警。
二、功能简介:1、外壳弧形线条设计,外观豪华美观。
2、广角探测,灵敏度可调节,探测距离远。
3、数字编码,频率稳定不漂移,发射距离远。
4、环境温度变化自动补偿灵敏度,探测灵敏度高。
5、高容量电池、微功耗设计,电池使用寿命可达2-3年。
6、配专用电池罩,有效防止电池松动、脱落。
7、采用SMT贴片技术,抗干扰能力强,性能稳定。
8、配专用万向节,探测角度自由调节,使用方便快捷。
三、技术参数:工作电压:DC 3.6V 1200mAh锂电池静态电流:40 uA发射电流:20mA发射频率:315MHz或433MHz探测距离:8—12米(室温25℃)发射距离:300—500米(开阔地)探测角度:110°工作温度:-20℃~40℃灵敏度:高、中、低三档可选工作模式:测试(8秒)、使用(60秒)四、使用安装方法:1、根据监控范围大小进行红外探测器灵敏度选择,灵敏度从高到低的方向分高、中、低三档选择。
2、探测器装上万向节后安装在室内离地面高度约2.5米的墙面上,调节万向节角度,使探测器探测窗口对准被监控场所,并拉出天线。
3、打开电源,发射灯亮,说明上电自检正常,随后延时几十秒进入警戒状态,此时如有人在被监控场所活动,指示灯闪亮并发出报警信号,触发主机报警。
4、红外探测器以周期探测发射的方式工作,第一次探测到入侵者发出报警信号,如果入侵者继续在被监控区域内活动,探测器就以约8秒或60秒(“工作模式”插块设置在“测试”为8秒;设置在“使用”为60秒)间歇的周期发射报警信号,确保报警及时、准确。
注:相对于探测器探测窗口横向运动的人体目标,探测灵敏度相对较高,而纵向较差,安装时应注意选择适当位置,以达到最佳探测效果。
有线被动探测器-室内外有线被动红外探测器介绍有线被动探测器分为室内和室外,室内有线红外探测器以及室外有线红外探测器品牌广州艾礼富电子都有。
广州市艾礼富电子是较早从事主动红外及激光探测器、报警控制系统等研发、生产、销售一体的民营高科技企业。
无线红外探测器广泛被使用于家庭住宅区、楼盘别墅、厂房、商场、仓库、写字楼等场所的安全防范。
室外有线被动红外探测器型号介绍:室外三鉴智能探测器WS-604HWZ1、概述:全球首先创立的高性能户外探测器,由三组高精度被动红外探测装置和光照感应电路及模糊逻辑内核组成,防水设计,造型优美,室内外均可使用。
突出特点:A、独步全球的三传感立体复合探测,并经ASIC模糊逻辑数码(专利)分析,排除种种普通探测器无法克服的干扰,只对真实人体移动做出报警,杜绝误报漏报,性能远远超出普通的室外探测器。
B、享有专利双曲线精密度温度补偿,无论环境温度如何变化,探测器敏感度始终一致,没有温度死区(一般探测器在32°C~40°C时,灵敏度大幅度下降,或在其他温区极易误报)。
C、全息防误报专利技术,抗强光、大风、小动物及各种恶劣气候。
D、适用于大型厂矿、油田、养殖场所、露天仓库防范监控,对于家居防盗可实现更合理的侵入室内前报警功能。
2、技术规格:电源电压:DC9~24V稳压电源工作电流:静态45mA(普通继电器输出)或10mA(电子继电器输出)报警15mA 上电自检:预热30秒传感器:三组低噪声特制双元结构感应指示:探测到人体移动时红色指示灯亮3秒感应灵敏度:4级可选探测张角:幕帘85°双幕帘夹角:6~9°覆盖范围:12m(典型值)温度补偿:自动双曲线温补3、报警防拆输出端有光参数:报警指示:红色指示灯亮3秒报警端口:常开常闭报警端口,接点容量100mA/30VDC防拆开关:平常为连通,拆开时开路,接点容量100mA/30VDC产品尺寸:138X75X46mm4、环境条件:工作温度:一40℃至60℃保存温度:一45℃至70℃抗电磁干扰:>30V/M抗白光干扰:>1,000,000LUx无线红外探测器为高稳定性无线红外探测器。
型号产 品 描 述报价(RMB)4110DL 系统4110DL 6 防区先进控制/通讯主机1,250.00 6148CH 控制主机中文键盘/带夜光720.00 4116布撤防锁,不带锁,需配合2147-70使用285.00VISTA-10P 6 防区先进控制/通讯主机,带防拆开关及变压器1,220.00 6148CH 控制主机中文键盘/带夜光720.00 6160可变文字英文键盘1,500.00 42044继电器模块1,290.00 TELECOMMAND 电话语音模块1,805.00 7845i-ENT Internet 网络通讯器5,580.00 8132iPKInternet 带有触摸屏键盘的网络通讯器9,810.00VISTA-20P 8防区先进控制/通讯主机/带2子系统,可扩充至48个防区,带防拆开关及变压器1,920.00 6148CH 控制主机中文键盘/带夜光720.00 6160可变文字英文键盘1,500.00 6164可变文字英文键盘,内置4个防区和1个继电器1,710.00 42198防区扩充器1,100.00 42298防区扩充器/带2继电器1,370.00 42044继电器模块1,290.00 TELECOMMAND 电话语音模块1,805.00 7845i-ENT Internet 网络通讯器5,580.00 8132iPKInternet 带有触摸屏键盘的网络通讯器9,810.00VISTA-120多功能型主机,带8个子系统,可扩充至128个防区,带防拆开关及变压器4,660.00VISTA-250BP 大型多功能安防套机,可划分8个子系统,扩展到250防区、15个智能卡门禁系,带防拆开关及变压器6,270.00 6160可变文字英文键盘1,500.00 4146主机布撤防开关,不带锁,适用于VISTA-120720.00 VISTAVIEW-100VISTA 视频切换模块,4路输入2路输出2,490.00 42044继电器模块1,290.00 4100SM 主机串行打印机接口模块1,670.00 4286电话语音接口模块2,530.00 4400电子地图接口模块(VISTA-120)15,580.00 7845i-ENTInternet 网络通讯器5,580.00VISTA-10PLUS 系统VISTA-20PLUS 系统VISTA-120 / VISTA-250BP 大型主机系统防 盗 产 品 价 目 表(2006)生效日期:2006.8.14110DL 控制主机VISTA 控制主机系列控制/通讯主机8132iPK Internet 带有触摸屏键盘的网络通讯器9,810.00IP-ALARM/4报警监控软件,支持4台一下报警主机(含4台)8,500.00 IP-ALARM/10报警监控软件,支持10台一下报警主机(含10台)12,800.00 IP-ALARM/F 报警监控软件,支持无限台报警主机19,200.00 IP-2000主机网络接口模块,适用于Vista-120/250BP 系列主机,每台主机一块5,150.004190SN 2防区总线扩充器380.00 4193SN 2防区扩充模块290.00 4293SN 1防区扩充模块290.00 4208SN 8防区总线扩充模块1,410.00 4209U 防火防区总线扩充模块1,410.00 4191SN-WH 埋藏式门磁开关/智能型380.00 4944SN-WH 埋藏式门磁开关/智能型247.00 4939SN 表面式门磁开关/智能型342.00 4959SN 卷匝门磁开关/智能型608.00998MX 998式被动红外探测器/智能型停产Q2260SN 总线双鉴探测器,18米1,140.00 4192CP 离子式烟感探测器1,330.00 5192SD 光电式烟感探测器1,100.00 5192SDT 光电式烟感探测器(带温感)1,750.00 4101SN 单个继电器输出模块740.00 4297增强型总线延伸模块1,310.00VISTA-KEY VISTA 读卡器模块2,700.00 OP30-FWM 感应式读卡器(用于 VISTA-KEY)2,070.00 PTPROX25感应卡,25个一套 - ADEMCO 34位编码格式1,980.005881ENH 无线接收器,跟VISTA 主机配套,345MHz 1,480.00 5802MN 便携式无线按钮800.00 5804-2无线按钮,2键570.00 58044键无线按钮760.00 5808LST 无线烟感探测器(带温感)1,690.00 5809无线温感发射器870.00 5814小型通用发射器437.00 5815门窗发射器(带门磁)610.00 5816小型门窗发射器720.00 5817三防区门窗发射器870.00 5818埋藏式发射器1,020.00 5819震动处理器910.00 5853玻璃破碎器探测器1,330.00 5869手持式紧急按钮650.00 5890无线被动红外探测器1,330.00 5890PI无线被动红外探测器(防宠物)1,330.00VISTA-120 / VISTA-250BP 双线总线器件VISTA-250BP 专用门禁模块VISTA 配套无线设备 -- 345MHZVISTA-120 系列网络报警系统IP-ALARM5899磁铁(用于5816,4只/包)150.00 5800RP天线转发器,345MHz1,480.00一体化无线控制主机系列LYNXR-PK套装:LYNXR一体化主机, 5890PI 红外探测器, 5816 门磁x 25,700.00OMNI 控制主机系列OMNI-400 系统OMNI-400N OMNI 4-8 防区控制/通讯主机820.00 XK108-CH OMNI 8 防区LED键盘,中文530.00 OMNI-KPCH OMNI 固定字符LCD键盘,中文700.00 OMNI-LCD OMNI 可变字符LCD键盘1,420.00OMNI-600 系统OMNI-600N OMNI 6-12 防区控制/通讯主机1,050.00 XK108-CH OMNI 8 防区LED键盘,中文530.00 OMNI-KPCH OMNI 固定字符LCD键盘,中文700.00 OMNI-LCD OMNI 可变字符LCD键盘1,420.00OMNI-624 系统OMNI-624OMNI 6-24 防区有线/无线控制主机1,620.00 OMNI-KPCH OMNI 固定字符LCD键盘,中文700.00 OMNI-LCD OMNI 可变字符LCD键盘1,420.00 OMNI-EXP8OMNI 8 防区扩展器760.00 XL4705 5 继电器扩展模块910.00OMNI-848 系统OMNI-848OMNI 8-48 防区有线/无线控制主机2,160.00 OMNI-KPCH OMNI 固定字符LCD键盘,中文700.00 OMNI-LCD OMNI 可变字符LCD键盘1,420.00 OMNI-EXP8OMNI 8 防区扩展器760.00 XL4705 5 继电器扩展模块910.00OMNI-624/848配套无线设备(345MHz)ZR401无线接收器,跟OMNI-624/848主机配套,345MHz950.00 5802MN便携式无线按钮800.00 5804-2无线按钮,2键570.00 58044键无线按钮760.00 5808LST无线烟感探测器(带温感)1,690.00 5809无线温感发射器870.00 5815门窗发射器(带门磁)610.00 5816小型门窗发射器720.00 5817三防区门窗发射器870.00 5818埋藏式发射器1,020.00 5819震动处理器910.00 5853玻璃破碎器探测器1,330.00 5869手持式紧急按钮650.005890无线被动红外探测器1,330.00 5890PI 无线被动红外探测器(防宠物)1,330.00 5899磁铁(用于5816,4只/包)150.00CE2R 遥控接收器与无线按钮(钥匙扣型)970.00 CEREM 与CE2R 一起使用的无线按钮(钥匙扣型)340.00 CEREMLR 长距离遥控按钮(钥匙扣型)460.00 TELECOMMAND电话语音模块,可与OMNI 系列主机配合使用1,805.00236 系列236TL 6防区通讯主机,带防拆开关及锁,1.5A 变压器,CCC 认证936.00 236LEDP 配236主机的LED 键盘,CCC 认证313.00238 系列238C 8防区通讯主机,带防拆开关及锁,1.5A 变压器,CCC 认证986.00 238LEDP 配238C 主机的LED 键盘,CCC 认证363.002316 系列2316TL 16防区通讯主机,带防拆开关及锁,1.5A 变压器,CCC 认证2,111.00 2316LEDP 配2316主机的LED 键盘,CCC 认证688.00238C Plus 系列238C PLUS,1.5A 8防区通讯主机,带防拆开关及锁,(1.5A)987.50 238C PLUS,3.0A 8防区通讯主机,带防拆开关及锁,(3A)1,040.00 238C Plus LEDP 配238C Plus 主机的LED 键盘363.002300系列主机附件ALPHA1液晶键盘,236、238、2316主机通用900.00 2300DVR2300系列主机继电器模块880.00型 号产 品 描 述报价(RMB)685-220数字报警接收机(含两块685-8,定购时请注明)84,000.00 685-8685多格式报警接收电话卡8,300.00 659EN 电话线监控器1,220.00 CIA 报警主机遥控编程通讯接口3,040.00 FE-100多功能数字报警接收机,完美兼容ADEMCO 、IntelliSense 等众多流行主机(出厂配置:2条电话线;可扩充至8条电话线)62,500.00 FE-100LX 多格式报警接收电话卡,可接2条电话线(适用于FE-100)9,630.00 FE-10A 2线200户小型中央接警系统(含软件)17,800.00 FE-10B 4线500户小型中央接警软件(含软件)23,800.00 MX-8000-3数字报警接收机(含3条电话线),总共可以扩充到36条电话线84,000.00 MX-8000-LC3MX-8000电话卡,每块卡可以接3条电话线15,000.00 7810iR-ENT网络报警接收机12,160.00报警中心接收机报警网络中心设备以及附件OMNI 系列附件INTELLISENSE 控制主机系列探测器/传感器型号产品描述报价(RMB)双鉴移动探测器IntelliSense DT系列DT72257.6米 x 9米,常闭触点,CCC认证450 DT7235T11米 x 11米,常闭触点,CCC认证500 DT743511米 x 11米,常闭触点,防宠物,CCC认证650 DT745015米 x 18米,常闭触点,CCC认证750 DT7450C15米 x 18米,常开/闭触点,CCC认证800 DT7550C15米 x 18米,常开/闭触点,防遮挡980 DT6360STC360° 吸顶安装,直径15米,CCC认证1100 DT90015米 x 12米/ 27米 x 21米,防遮挡,CCC认证2130 DT90637米 x 3米/61米 x 5米,防遮挡,CCC认证2500Optex双鉴移动探测器MX4012m x 12m,双技术探测器874 MX5015m x 15m,双技术探测器,长距离978被动红外探测器Ademco 被动红外探测器996EX被动红外探测器,带防拆380 998EX带下望窗被动红外探测器,带防拆460 997360度吸顶式被动红外探测器420IntelliSense 被动红外探测器IS150T15 米x 12米,普通型,CCC认证230 IS215T12 米x 12米,普通型,CCC认证183 IS220T15 米x 12米,智能型,CCC认证230 IS2260T智能型,防宠物,带幕帘式镜片;CCC认证320 IS216T-CUR10米 x 1.6米幕帘式被动红外探测器199IntelliSense 红外门控器IS310WH红外开门器-白色(进口)1102 IS310BL红外开门器-黑色(进口)1102 IS320WH红外开门器-白色带蜂鸣器(进口)1330 IS320BL红外开门器-黑色带蜂鸣器(进口)1330Optex被动红外探测器RX4012m x 12m,PIR,四元红外,CCC认证288 CX50215m x 15m PIR 双功能镜片834 CX502AM15m x 15m PIR 带防遮盖功能1541 CX70221m x 21m双功能镜片 PIR1259 FX360360 度吸顶式, PIR771 SX360Z360 度吸顶式,PIR1760玻璃破碎探测器Ademco玻璃破碎探测器2100EX音频和振动双技术玻璃破碎探测器610 2520智能微处理器玻璃破碎探测器720IntelliSense 玻璃破碎探测器FG1615T墙挂式,4.6米,CCC认证350 FG1625T墙挂式,7.6米,CCC认证450 FG1625RT圆形,7.6米,CCC认证530 FG1608玻璃破碎探测器(2.4米),带门磁500 FG1025Z吸顶式,7.6米,具方向性,CCC认证580 FG701玻璃破碎仿真器850红外对射探测器Optex红外对射探测器AX100S30m 室内红外对射探测器1113 AX100SR30m室内红外对射探测器,埋墙式安装1113 AX70T21m 室外红外对射探测器1199 AX130T40m室外红外对射探测器1346 AX100PLUS30m室外红外对射探测器,CCC认证1786 AX200PLUS60m室外红外对射探测器,CCC认证2007 AX250PLUS75m室外红外对射探测器,CCC认证4773 AX500PLUS150m室外红外对射探测器,CCC认证5629 AX350MKII100m室外红外对射探测器6509 AX650MKII200m室外红外对射探测器7584 BX100PLUS周界红外探测器2093户外被动式红外探测器Optex户外被动式红外探测器LX402室外PIR, 12m x 15m 广角1199 LX802N室外 PIR, 24m x 2m 长距离1199 BX80N12 x 2m,室外周界红外探测器1760 VX402多重稳定被动红外探测器(户外)1794 VX402REC多重稳定被动红外探测器(户外带录音功能)3013 Optex系列探测器附件FA3RX/MX 系列探测器墙面/吸顶安装架69 CA1W LX 系列墙面安装架104 CA2C LX 系列吸顶式安装架104 FL60N适用于RX40的长距离镜头35 BC1AX250和AX500背盖725 BC2AX100 和 AX200背盖610 HU1AX250和AX500加热器1771 HU2AX100 和 AX200加热器1426 CL80N CX502用长距离镜片35 WC1BX100PLUS用白色装饰盒109MG1BX100PLUS及BX80N用金属支架506震动探测器Ademco震动探测器11WH机械式振动开关,白色与棕色60 SD3振动探测器,白色230 MA100T多重计数震动分析器,用于SD3610 UN3电子震动探测器2565 UN3-ATM电子震动探测器(适用于ATM)2700烟感探测器JTY-LZ-14124线离子式烟感探测器 12VDC450 JTY-LZ-24124线光电式烟感探测器 12VDC550 4WT-B4线光电式烟感探测器带温感/57.2ºC 12VDC800 CC601温升探测器/固定温度探测(57ºC)200 CC602温升探测器/固定温度探测(93ºC)200其它探测器470-12水探测器1180 470PB水探测器探针190 TS300温度探测器950 TS300R温度探测器探针290IntelliSense探头附件SMB10旋转安装支架,白色,5只/包60 SMB10C吸顶安装支架,与SMB10一起使用,5只/包60 SMB10L长旋转安装支架,白色,5只/包60门磁和开关型号产品描述报价(RMB)Ademco紧急开关264钱夹开关170.00 266脚挑紧急开关1,240.00 268双按钮紧急开关190.00 269R锁定型紧急开关,金属壳170.00 270R锁定型紧急开关,塑料壳150.00Ademco门磁与开关7940WH多用型SPST门磁,白色或棕色60.00 7939WH SPST门磁,白色,棕色或灰色60.00 943WH小型表面式门磁,白色或棕色60.00 944-2GY SPDT埋藏式门磁,灰色100.00 947-75WH3/4" 埋藏式铁门门磁,白色或棕色80.00 947WH1" 埋藏式铁门门磁,白色或棕色80.00 950GY大型表面式门磁,棕色或灰色100.00951WH小型埋藏式门磁,白色或棕色60.00 957小型卷匝式门磁290.00 958可调磁铁卷匝式门磁290.00 958-2可调磁铁卷匝式门磁,SPDT340.00 960商业用表面安装门磁,适用于户外580.00 7945WH超小型表面安装门磁,白色152.00IntelliSense门磁开关MPS9WGW 3.175cm闭/5.08cm开,暗装,白色,CCC认证28.00 MPS9WGB 3.175cm闭/5.08cm开,暗装,棕色,CCC认证28.00 MPS20WGW 3.175cm闭/5.08cm开,表面安装,白色,CCC认证28.00 MPS20WGB 3.175cm闭/5.08cm开,表面安装,棕色,CCC认证28.00 MPS45WGW 2.54cm闭/5.08cm开,表面安装,白色,CCC认证28.00 MPS45WGB 2.54cm闭/5.08cm开,表面安装,棕色,CCC认证28.00 MPS70WGW 1.905cm闭/2.54cm开,暗装,白色,CCC认证34.00 MPS70WGB 1.905cm闭/2.54cm开,暗装,棕色,CCC认证34.00 MPS80WGW 5.08cm闭/7.62cm开,表面安装,白色,CCC认证34.00 MPS80WGB 5.08cm闭/7.62cm开,表面安装,棕色,CCC认证34.00IntelliSense卷帘门门磁MPS50 5.08cm闭/7.62cm开,地面安装,CCC认证140.00 MPS51 5.08cm闭/7.62cm开,地面安装,CCC认证140.00IntelliSense紧急按钮PB2白色塑料壳60.00 PB110金属壳110.00警号、闪灯、其它附件型号产品描述报价(RMB)Ademco警号与闪灯702117dB 电子警号6-12Vdc ,30W460.00 719109dB 电子警号6-12Vdc ,15W290.00 74795dB 电子警号6-15Vdc ,400mA190.00 710RD闪灯, 6-12vdc, 红色400.00IntelliSense警号SP20S白色方型,12VDC,107dB150.00IntelliSense可编程密码键盘EDS18P可编程密码键盘450.00 EDS18P/AL可编程密码键盘,铝护框500.00Ademco其它硬件2174钥匙开关带2平匙130.00 2174-70回转式钥匙开关130.00 4073钥匙开关带2圆匙190.00 4073-70回转式钥匙开关210.00。
Vi ringraziamo per aver scelto di acquistare questo rivelatore passivo di infrarossi PULTEX.Questo prodotto è in grado di fornire una protezione affidabile per molti anni quando correttamente installato e utilizzato.Leggere attentamente questo manuale di installazione prima di iniziare l'installazione per un uso corretto ed efficace del prodotto.Vi preghiamo di prendere nota che questo rivelatore è progettato per rilevare un’intrusione e per attivare un allarme;non è un’apparecchiatura che previene un’intrusione.Essendo solo parte di un sistema completo, non si possono assumere responsabilità per qualsiasi danno, ferite o perdite dovute a incidenti, uso improprio o anomalo, installazione difettosa o manutenzione non corretta del rivelatore e del sistema ad esso collegato.1.Descrizione del prodottoIl rivelatore passivo di infrarossi da esterno a due zone è un interruttore automatico che utilizza un sensore ad infrarosso per rilevare l’energia infrarossa (temperatura del corpo) emessa da un corpo umano.(Idoneo per impiego in esterno/interno)1)Questo rivelatore è provvisto di un sistema di rilevazione in “AND”e di un conteggio impulsi.2)Il sistema di rilevazione in AND rilascia un segnale d’allarme solo quando avviene la rilevazione contemporanea sianella zona orizzontale, sia in quella rivolta verso il basso.3)Il rivelatore è provvisto di diverse prestazioni quali:a) Il controllo dell’uscita allarme in funzione dell’illuminazione dell’area circostante b) Una regolazione dell’interruttore del ritardo di uscitac) Abbinando il rivelatore con altri dispositivi come un sistema di videosorveglianza per visualizzare e registrare la pre-senza di un intruso.Il rivelatore può essere abbinato ad un dispositivo di avvertimento acustico o visivo per segnalare la presenza di visita-tori.2.Descrizione delle partiRIVELATORE PASSIVO DI INFRAROSSI A DOPPIO FASCIO PER ESTERNOMANUALE DI INSTALLAZIONEPTX-MS12TE (cod. PTXMS12T)PTX-MS12FE (cod. PTXMS12F)3.Precauzioni per l'installazione• Installare il rivelatore ad un’altezza da m 0.80 a m 1.20 dal terreno.• Fissare il rivelatore in modo verticale, in modo che la zona orizzontale sia parallela al terreno.• Fissare il rivelatore nella direzione in cui le persone si trovano ad attraversare la zona di rilevazione.• Non fissare il rivelatorein prossimità del gettod’aria proveniente dacondizionatori.• Eliminare tutti gli osta-coli (alberi, cespugli,biancheria stesa, ecc.).• Eliminare tutti gli ostacoli (compresi vetri trasparenti) che possono creare un’area senza rilevazione.• Assicurarsi che la zona rivolta verso il basso non possa essere soggetta alla riflessione di raggi solari o di luci riflesse dall’acqua presente sulla strada, ecc.Altre precauzioni• Il LED di funzionamento lampeggia per circa 1 minuto dopo aver alimentato il rivelatore.Durante questo periodo di riscaldamento, il rivelatore non è in grado di rilevare movimenti.• L’interruttore crepuscolare consente al rivelatore di rila-sciare un segnale d’allarme solo quando l’area circostan-te è più buia del livello d’illuminazione impostato.In altre parole, se l’area circostante è più luminosa dell’illumina-zione impostata, il rivelatore non rilascia alcun allarme.• Questo rivelatore funziona durante il tempo di rilevazione + il tempo di ritardo impostato da un potenziometro.Esso continua a rimanere in allarme per tutto il tempo in cui rile-va dei corpi in movimento, indipendentemente dal tempo di ritardo impostato.• Non gettare acqua sul rivelatore con una canna, dato che esso è costruito per resistere alla pioggia, ma non è a tenuta ermetica.• Quando la modalità di rilevazione è impostata su AND, questo rivelatore rilascia un segnale d’allarme solo quan-do entrambi i sensori, quello superiore e quello inferiore rilevano dei corpi in movimento.In altre parole, esso non rileva movimenti nell’area che non è coperta da entrambi i sensori, quello superiore e quello inferiore.(Solo relativo al PTX-MS12FE).4.Area di rilevazioneLa zona di rilevazione di questo rivelatore consiste in una zona orizzontale e in una verticale.Il segnale d’allarme viene rilasciato solo quando entrambe le zone rilevano un corpo in movimento.La distanza di rilevazione può essere impo-stata regolando l’angolo della zona rivolta verso il basso.PTX-MS12TE è provvisto di 1 serie di sen-sori sul lato superiore.PTX-MS12FE è provvisto di 2 serie di sen-sori sul lato superiore e su quello inferiore, rendendo possibile la scelta fra la modalitàAND e OR.Il segnale d’allarme viene rilasciato solo quando sia la zona orizzontale, sia quella rivolta verso il basso rilevano corpi in movimento.Non vengono rilevati piccoli animali, che non raggiungono l’altezza della zona orizzontale.Non vengono rilevati veicoli che si muovono nell’area esterna alla portata della zona rivolta verso il basso (Fare attenzione che la presenza di acqua piovana non faccia da specchio per aumentare la portata del rivelatore).(1) Orientare il rivelatore verso il centro dell’area che sidesidera proteggere.Ruotando il rivelatore fino a ±45°, esso può rilevare tutte le direzioni davanti ad esso.Quando il rivelatore viene ruotato più di ±45°, le zone di rilevazione vengono eliminate una ad una dall’estremità.(2) Esso consiste di 7 zonedi rilevazione (Ampioangolo:90°)(3) Utilizzare il fogliomascheramento areequando si desideraeliminare delle zone dirilevazione.Rilevazione di una parete(1) Applicare il foglio di mascheramento area (accessorio)• Quando si sposta la zona dirilevazione lontana dalla parete,far scorrere la leva verso laparete.• Quando si sposta la zona di rilevazioneverso la parete, far scorrere la levalontano dalla parete.• Foglio mascheramento arealente che si trova all’interno del coperchio.(3) Fissare il coperchio e verificare la zona di rilevazione.5.RegolazioniONOFFL HONOFFNIGHT (Notte)DAY&NIGHT(Giorno e notte) 2 secondi 5 minuti1aOFF1b ONOFF6.Collegamenti elettrici TENSIONE DI ALIMENTAZIONE7.Installazione(1) Leggere “3.Precauzioni per l’installazione”prima del-l’installazione.(2) Allentare la vite di bloccaggio coperchio e togliere ilcoperchio.(3) Vedere “6.Collegamenti elettrici”e collegare i condut-tori alla morsettiera.(4) Fissare il rivelatore.(5) Vedere “4.Area dirilevazione”e “8.Verificadel funzionamento”.(6) Rimettere il coperchio.8.Verifica del funzionamento1.Impostazione della verifica del funzionamento• LED di funzionamento:ON• Crepuscolare:DAY&NIGHT (giorno e notte)• Temporizzazione:2 secondi(1) Stabilire l’area di rilevazione richiesta e impostare l’angolo orizzontale del rivelatore e la distanza di rilevazione.(2) Rimettere il coperchio e fissarlo al rivelatore con la vite di bloccaggio.(3) Alimentare il rivelatore e attendere 1 minuto fino a quando il LED di allarme cessa di lampeggiare.(4) Dopo il tempo di riscaldamento, effettuare una prova movimento nell’area di rilevazione per verificare che l’arearichiesta sia coperta.(5) T arare la sensibilità, il mascheramento o il conteggio impulsi se necessario.2.Verifica funzionamento(1) Effettuare le regolazioni finali come richiesto.(2) Rimettere il coperchio e verificare se il LED di funzionamento e le apparecchiature connesse funzionano in modoappropriato.9.Ricerca guasti10.Caratteristiche11.DimensioniD T 01328D I 0908R 00ondial ecs .r.l.www.mondialtec.it。
RF940E 被动红外探测器1.0 概述RF940E 是一探测性能很强的被动红外动态探测器。
它使用了先进的信号处理技术,提供了超高的探测和防误报性能。
RF940E 具有防宠物功能,可忽略对一只重约13公斤的狗,2只猫和大量啮齿动物的探测。
它带有一个RF 无线发射器,室外发送距离为300米。
实际发送距离会因安装方式的不同而不同。
每次发送信息时,都会发送一个电池报告;且每65分钟都会向控制主机发送一个监测信号。
2.0 规格• 尺寸尺寸(高(高(高×宽×深)×宽×深):7.6cm ×5.7cm ×3.8cm • 探测距离:12米×12米• 工作温度:0~+49°C ;相对湿度:0~95%(无霜)• 频率:433.42MHz• 最大无线电源:最大无线电源:小于10mW • 操作电压:操作电压:由两节3VDC 锂电池供电• 电池寿命:电池寿命:使用推荐电池,在正常工作条件下,寿命可达5年。
• 推荐电池类型:Duracell DL123A ,Energizer EL123AP 或Panasonic CR123A• 可兼容的接收机:RF3212E ,RF3222E 或RF3224E 。
•可选项:B335普通型旋转支架(使用安装支架可能会减少探测范围及增加死角面积)3.0 安装程序平面或拐角安装(不使用旋转支架)• 探测器的室外最大无线探测距离约为300米。
在家居或商业安装条件下,建议探测器与控制主机接收机间的距离保持在100米内。
•仅用于不使用防宠物功能时。
如需使用下视功能,则撕下下视屏蔽纸即可。
注意不可取下透明的塑料透镜。
• 探测器的安装高度为2.3-2.7米。
如果需要使用墙面防拆功能• 确定安装位置后,测量出距离探测器中心部分65mm的地方,并在墙壁上标出,然后在墙上钻一个9mm 的孔。
• • 1•设置墙壁防拆跳线。
4.0 编程编程时,输入ID不干贴标签的ID码。
所属类别:无线探测器及配件 > 室外无线被动红外探测器
产品型号:RWT312PR
产品名称:室外无线被动红外探测器
主要特点:
•微处理器控制,两个独立的被动红外通道的数字相关技术消除各种误报
•工作频率为433MHz
•开阔地的信号传输距离为400m
•四路主动红外防遮挡
•安装高度1.0~2.7m
•室外环境防护等级IP65
•防白光和特殊头罩保护探测器免受阳光、雨雪、冰雹、鸟粪等的破坏
•探测范围:广角镜片12m×90°,远距离镜片23m×5°,栅栏镜片15m×5°
•两个3V锂电池可工作三年
安装过程的灵活性确保了精确的探测覆盖范围
室外探测器为您呈现了超乎寻常的安装灵活性,从而受保护的地形能够享有精确的覆盖范围。
灵活性归功于探测器可调节的安装高度(从1.0m到2.7m),同时也要归功于可广泛适用于各种安装环境的旋转支架:壁挂式旋转支架、界线式旋转支架、导管适配器和杆子柱子适配器。