实际雷电活动分布下的线路雷击跳闸率计算_黄伟超
- 格式:pdf
- 大小:1.35 MB
- 文档页数:6
反击跳闸率计算说明1.反击跳闸率定义:雷击跳闸率是指在雷暴日数40=d T 的情况下、100km 的线路每年因雷击而引起的跳闸次数。
它是由绕击跳闸率和反击跳闸率组成。
而反击跳闸率是指在雷暴日数40=d T 的情况下、100km 的线路每年因雷击杆塔后引起对导线的逆向闪络发生跳闸的次数。
2.规程法详细计算说明:规程法中的线路反击计算,工程上应用起来简单方便,而且它经过了实践的检验,能够满足目前我国一般输电线路的雷电反击系统设计要求。
运行经验表明,在线路落雷总数中雷击杆塔所占的比例与避雷线根数及地形有关。
雷击杆塔次数与落雷总数的比值称为击杆率(g ),规程推荐的g 值如表1所示。
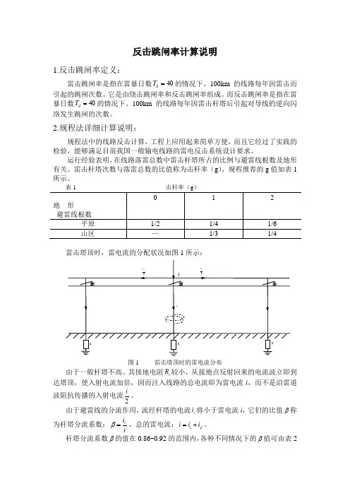
表1 击杆率(g )地 形避雷线根数0 1 2平原 1/2 1/4 1/6 山区 — 1/31/4雷击塔顶时,雷电流的分配状况如图1所示:图1 雷击塔顶时的雷电流分布由于一般杆塔不高、其接地电阻i R 较小,从接地点反射回来的电流波立即到达塔顶,使入射电流加倍,因而注入线路的总电流即为雷电流i ,而不是沿雷道波阻抗传播的入射电流2i。
由于避雷线的分流作用,流经杆塔的电流i i 将小于雷电流i ,它们的比值β称为杆塔分流系数:iit =β,总的雷电流:g t i i i +=。
杆塔分流系数β的值在0.86~0.92的范围内,各种不同情况下的β值可由表2iR iRiRtitL2g i2g ii查得。
表2 一般长度档距的线路杆塔分流系数β值线路额定电压/kV避雷线根数β 110 1 0.90 2 0.86 220 1 0.92 2 0.88 330 2 0.88 50020.88规程法认为雷击塔顶时绝缘子串上的过电压包含四个分量:(1) 杆塔电流t i 在横担以下的塔身电感L a 和杆塔冲击接地电阻R i 上造成的压降使横担具有一定的对地点位u a 。
)(dtdi L i R dt di L i R U a i t at i a +=+=β 式中dtdi为雷电流波前陡度,可取平均陡度,即)/(6.21s kA I T I dt di μ==,其中I 为雷电流幅值(kA),1T 为波前时间(μs)。
探究输电线路的雷击跳闸概率预测计算新方法【摘要】近年来,我国的电网不断发展,同时随着气候变化强对流天气越来越多,雷击灾害频发,对我国输电线路的安全性构成了较大的威胁。
因而就有需要及时的探究出一种新型的预测计算输电线路的雷击跳闸概率,通过掌握其中的规律,提前做好预防措施,就能尽量避免雷击给输电线路带来的损坏与事故,使输电线路更加安全。
本文就是对三时次雷区信息的电网雷击跳闸概率这种新型的计算方法进行阐述的。
【关键词】输电线路;雷击跳闸;三时次雷区信息近年来我国的电力用户渐渐增多,为了保证电力用户的安全性,要不断进行探索和研发,减少不安全的因素,雷击这种不规律的自然现象对输电线路的破坏是非常巨大的。
为了减少雷击跳闸率和输电线路的安全事故,对三时次雷区信息电网累计跳闸率进行研究,制定更加详细和完整的策略,有效的计算和预测雷击路线以及概率,保证用电安全。
1 探究输电线路的雷击跳闸概率预测计算新方法的必要性1.1 雷击降低输电线路的安全性近年来,由于气候的变化,强对流天气逐渐增多,雷电现象增多,大大降低了输电线路的安全性。
虽然雷电现象作为一种自然现象,是不可抗拒和不可改变的,但是它对电力线路的破坏却是巨大的。
在2010年安阳电厂就因为雷击而导致了电厂与系统解列运行的结果。
因为安阳电厂中的线路大多经过山区,而且周边的安阳线、靖义线、岭义线发生故障时对安阳电厂的安全性影响也较大。
在2010年5月12日11时41分左右,由于雷击天气,导致110KV线路A、C两相相间短路,此处距离安阳电厂26.32Km,在雷击的过程中发生连环反应,最终导致安阳电厂111、112开关跳闸,三台机甩负荷,143F在甩负荷过程中,由于负荷骤变,造成大轴后座,使转速继电器被磁头打损,导致了大面积的停电。
这在很大程度上降低了输电线路的安全性,造成了很大的用电安全事故。
1.2 保障电路线路安全性和稳定性的必要性随着目前科学技术的发展,我国的用电用户在逐年的增加,电网的覆盖范围越来越广泛电力线路和电力设备越来越多,保障用电安全的平稳对每一个用户来说都是很必要的,只有保证了用电线路的安全性与稳定性,人们的工作与生活才能正常开展。
浅谈如何降低输电线路雷击跳闸率作者:陈伟倪晟来源:《硅谷》2011年第13期摘要:现代社会里,电力系统不论是在工业还是家庭都得到广泛应用,电力系统的安全也成电力系统设计中最为重要的部分。
输电线路的防雷已经成为电力系统安全的重要课题,主要分析如何降低输电线路的雷击跳闸率,加强电力系统雷击的防范。
关键词:电力系统;输电线路;雷击跳闸率;电气模型中图分类号:TM862 文献标识码:A 文章编号:1671-7597(2011)0710175-01据有关资料的统计,江苏地区2010年里,雷击断线事故与雷击跳闸事故约为100余次,雷击断线事故约占总雷击的92%,国外也有资料介绍雷击断线事故约占总雷击的96.8%,日本的资料表明,雷击断线事故约占配电网绝缘事故得36.8%。
降低输电线路的雷击跳闸率已经成为电力系统的重要课题,迫在眉睫。
1 输电线路雷击的基本类型输电线路的雷击类型可以按照物理原理即电击线路产生的电压变化来分类,也可以按照雷电输电线路的部位不同而进行细致划分。
按前者可以分为由于雷电直击、避雷装置、输电用导线所导致的过电压的变化,可以统称为直击雷电过电压;还有一种是雷击到大地,特别是输电线路附近的,这样会产生电磁感应,由电磁感应引起过电压变化,这样的雷击类型称为感应雷击电压。
并且经验和实践都能够证实,两种类型比较而言,感应雷击电压仅仅在35kv以下的电压电路能够造成损害,直击雷过电压对整个电力系统的损害非常的严重。
传统分类中按照雷击的位置的不同,又可将直击类型的雷电过电压分为以下两个种类:一种是雷击杆塔、雷击避雷装置后,电流通过击点电阻产生的过电压,相对地电位而大幅增加。
如果雷击位置和输电线路之间的电位差值大于输电线路的绝缘冲击的放电电位差时还要引起闪路现象的发生。
这个时候,输电线路就产生了雷击过电压,而杆塔和避雷装置的电压又超出了输电线路电压,可以把这样的现象称为反击雷击电压。
另外一种是在没有任何避雷设施的前提下,雷电直接击到输电线路上面,引起雷击过电电压,该类型可以被叫做绕击累过电压。
对输电线路防雷计算中几个问题的看法作者:佚名发布日期:2007-12-26 21:28:51 (阅85次)所属频道: 电力安防关键词: 线路输电线输电线路对输电线路防雷计算中几个问题的看法潘丹青(锦州超高压局,锦州121001)摘要用击距法和传统经验法分析雷电绕击导线的可能性,结果表明雷击输电线路杆塔顶部时,上导线最易遭雷电反击。
对DL/T620—1997规定的绕击计算公式的使用、雷击跳闸率及其有关参数的选取和计算方法提出了看法。
关键词输电线路耐雷水平雷击跳闸率0前言 据统计,在我国高压输电线路总跳闸次数中,雷击跳闸事故占40~70,威胁电网供电可靠性。
本文就输电线路防雷计算中的几个问题作一探讨。
1雷击有避雷线杆塔顶部的耐雷水平在同一杆塔上,高度不等横担上的导线对地平均高度hc、横担对地高度ha及避雷线与导线间的几何耦合系数k0不同。
一般三者变化趋势相同,即使在同一高度的横担上,排列位置不同的导线k0也不同,故不同位置导线耐雷水平不同。
我国110~500kV常用杆塔顶部雷击时,塔上不同位置导线耐雷水平按文[1]式C17的计算结果,见表1。
表1表明:当雷击导线按三角形或垂直排列的杆塔顶部时,距避雷线最远,耦合系数最小的下导线的耐雷水平最高;距避雷线最近,耦合系数最大的上导线,耐雷水平最低。
上、下导线的耐雷水平相差最大者达14左右,因而上导线最易遭雷电反击。
不同于过去“距避雷线最远的导线,其耦合系数最小,一般较易发生反击”的传统观点[2],而与国内外输电线路的实际运行经验一致[3],两锦供电公司1997~1998年间的统计分析亦可证明。
可见,导线按非水平排列的输电线路,雷击杆塔顶部的耐雷水平计算时,应以其上导线的计算结果为准。
2绕击 目前绕击计算有击距法和经验法两种。
击距法理论认为:雷云向地面发展过程中先导放电通道的头部在到达被击物体的闪击距离(即击距)之前,不确定击中点,而是先到达哪个物体的击距之内,即向该物体放电,先导对避雷线(杆塔)、导线、地面的击距相等。
式中:H -杆塔高度,R -杆塔计径,r 3-塔基半径,h 1-塔基到中点的高度,波形如图2所示。
2仿真计算
从表1可知:输电线路在相同架设方式下,最大击距随地面倾角增大而增大。
因此,捕雷面积、雷击概率都随之增大,相应的最大绕击雷电流也愈大。
计算中,考虑到本文所研究的330kV 工程均处于山区和丘陵地形,地面倾角都比较大,因此可能遭受的绕击雷电流幅值较大。
——————————————————————
—作者简介:徐宇骏(1991-),男,安徽安庆人,本科,研究方向为高
电压与绝缘、电力系统保护控制。
图1杆塔的等效电路
图2 1.2/50的标准雷电波。
输电线路雷电绕击跳闸率计算摘要经济的快速发展离不开电力系统的不断扩展和完善,随着电力系统容量的不断扩大,拓扑结构日趋复杂,对输电线路故障的研究和防止成为追求系统安全稳定运行这一目标的重要课题。
输电线路的雷击跳闸事故占输电线路事故的60%以上,尤其是在山区的输电线路,由于特殊的地理环境和多变的气候条件导致雷击成为线路故障的主要原因。
根据国内外输电线路的运行统计结果,雷电绕击事故是雷击线路故障中的比例最高,也是输电线路跳闸事故的主要原因。
因此,开展输电线路雷电绕击跳闸率计算研究,对于制定有效地防雷保护措施,指导我国输电工程线路防雷设计,提高电力系统安全可靠性具有重要的意义。
本课题主要研究雷电绕击的机理,输电线路雷电绕击对输电可能产生的影响。
在此基础上开展输电线路雷电绕击跳闸率计算方法分析,掌握几种不同计算方法的优缺点以及适用范围,并利用其中的一种计算方法对某一实例进行验证分析。
最后为输电线路制定有效地防雷保护措施以及指导我国输电工程线路防雷设计提供理论依据。
关键词:输电线路,跳闸率,雷电绕击AbstractRapid economic development is inseparable from the continuous expansion and improvement of the power system, with the growing capacity of the power system and the topology increasingly complex, researching and preventing faults on transmission lines to pursue system safe and stable operation became an important subject of the goal. Lightning Accident transmission accounts the transmission line accidents for more than 60%, especially in the mountains of transmission lines, due to the special geographical environment and changing climate conditions that cause lightning to become the main reason for the fault in the line.According to the statistical results at home and abroad to run transmission lines, lightning shielding failure was the highest proportion of Lightning stroke fault, which is also the main reason for tripping accidents. Therefore, developing the calculation research of transmission line lightning flashover rate of shielding failure for effective lightning protection measures to guide the design of the transmission line lightning protection engineering, improve power system security and reliability is of great significance.The main subject of this article is to study the mechanism of lightning shielding, and the effect of lightning shielding transmission lines on transmission .On the basis of it to develop the transmission line lightning strike trip out rate calculation method analysis, to grasp the scope of the advantages and disadvantages as well as several different calculation methods, and the use of a calculation method in which instances of a confirmatory analysis. Finally, the development of effective lightning protection measures, and guide our engineering lightning protection design of transmission lines to provide a theoretical basis for the transmission lines.Keywords:transmission lines, tripping rate ,lightning shielding fai目录摘要 (I)Abstract (II)第一章绪论 (1)1.1课题研究的背景和意义 (1)1.2课题研究的国内外现状 (2)1.3 本文主要工作 (3)第二章雷电绕击的机理 (4)2.1雷电对输电线路的危害 (4)2.2雷电绕击的机理 (4)2.2.1雷电先导闪击的特性 (4)2.2.2 高幅值雷电先导闪击的特性 (5)2.2.3 低幅值雷电先导闪击的特性 (8)第三章输电线路雷电绕击跳闸率计算方法 (9)3.1规程法 (9)3.2电气几何模型法 (10)3.3先导发展模型法 (11)3.4 ATP-EMPT仿真计算方法 (14)第四章电气几何模型法 (15)4.1 雷电参数 (15)4.1.1雷暴日与雷暴小时 (15)4.1.2 地面落雷密度 (15)4.1.3 雷电流幅值 (15)4.2 电气几何模型 (16)4.2.1电气几何模型的构建与分析 (16)4.2.2 暴露距离计算绕击率 (19)4.2.3 电气几何模型的改进 (23)第五章案例分析 (25)5.1 案例分析一 (25)5.2 案例分析二 (28)第六章总结与展望 (37)参考文献 (38)谢辞 (40)第一章绪论1.1课题研究的背景和意义随着我国国民经济的快速发展,我国电力系统发展的步伐日益加快,电力系统容量不断增长,网络结构不断扩大,系统发生故障的可能性也日趋增加。
!"#""$年第%期以雷电日和落雷密度为参数的输电线路雷击跳闸率计算的对比分析输电线路雷击跳闸率是衡量输电线路防雷性能优劣的主要指标,目前所应用的输电线路雷击跳闸率的定义&%’是:雷电活动强度折算为("个雷电日和线路长度折算为%"")*的条件下,每年因雷击引起的线路跳闸次数,其单位是次+,百)*·("雷暴日-。
本文通过对雷电日统计的准确性及雷击跳闸率计算公式存在缺点的分析,探讨一个计算输电线路雷击跳闸率的新方法的可行性。
!新的输电线路雷击跳闸率算法的提出目前输电线路雷击跳闸率中雷电日的数据是由气象部门提供,而气象雷电日的统计是靠分布各地的气象站,以人工方式进行监听和记录的。
如浙江的雷电日是由分布全省的$.个气象监测站,通过人工方式进行落雷情况的监听、记录。
其缺点显而易见:靠人的听觉,漏听、错听的可能性很大。
输电线路雷击跳闸与线路所处地域的落雷情况密切相关,以气象雷电日作为某一地区输电线路雷击跳闸率的关联参数显得“以偏概全”,并不能全面反映此区域落雷的数量、密度和强度等情况。
在目前电力系统广泛采用雷击定位信息系统进行雷电参数监测的前提下,某一地区落雷的数量、强度和密度已能实现自动、准确的统计,传统的送电线路雷击跳闸率计算方法已显得不太科学了。
因此以落雷密度代替雷电日进行输电线路雷击跳闸率的计算应更为合理。
"两种雷击跳闸率算法计算结果的比较"#!"$$%年浙江省与周边各省份的雷击跳闸率对比浙江省是雷电活动频繁的省份,电力系统受雷害较为严重。
#""(年%%")/及以上输电线路雷击跳闸共有#(#次,其中%%")/线路有%0"次,##")/线路$%次,!"")/线路%%次。
气象部门统计#""(年浙江省雷电日为!1天,依据气象雷电日计算的雷击跳闸率分别为%21"、"2!0#和"2#00次+,百)*·("雷电日-。
高速铁路牵引网的直击雷跳闸率计算王思华;杨玉;赵峰【摘要】The increasing lightning-induced trip accidents of high-speed railway traction network in recent years-seriously threaten the normal operation of high-speed railway . Asmost of the high-speed railway was built on viaduct ,without special lightning conductor , the traction network is vulnerable to lightning strike . There-fore ,direct lightning trip-out rate is high .In this paper ,the lightning strike trip rate of traction network was analyzed based on the classical electrical geometric model . The electrical geometry model was improved consid-ering the influence of lightning incidence angle and wind speed .Combined with the Monte Carlo method ,the-lightning strike trip rate of thetraction network under different lightning incidence anglesand different wind speedswas calculated . When the wind speed increases twice , the shielding failure rate of contact lineand posi-tive feed-line will double . The change of lightning incidence angle will change the exposure distance of the line . When the lightning incidence angle is in the range of [0 , π4 ] , the overhead ground line is just shielded with the shielding failure rate being about zero . The calculation results will provide reference for the lightning pro-tection engineering for traction network .%近年来高速铁路牵引网的雷击跳闸事故不断增多,严重威胁高速铁路的正常运行.高速铁路建于高架桥的比例较高,而没有专设避雷线,容易遭受雷击,因此直击雷跳闸率较高.本文基于经典电气几何模型分析牵引网的直击雷跳闸率,考虑雷击入射角与风速的影响对电气几何模型加以改进,并结合蒙特卡罗法模拟计算不同雷击入射角与不同风速范围下牵引网的直击雷跳闸次数.当所处环境的风速升高两倍,计算所得接触线及正馈线的绕击率均升高至少一倍.雷击入射角的不同会影响线路的暴露距离,当雷电入射角较小,在[0,π4]范围内时,架空地线刚好被屏蔽,其绕击率为0.计算结果可为牵引网的防雷工程提供参考.【期刊名称】《铁道学报》【年(卷),期】2017(039)010【总页数】8页(P68-75)【关键词】高速铁路;牵引网;电气几何模型;蒙特卡罗法;雷击跳闸次数【作者】王思华;杨玉;赵峰【作者单位】兰州交通大学自动化与电气工程学院,甘肃兰州 730070;兰州交通大学自动化与电气工程学院,甘肃兰州 730070;国网山西省电力公司检修分公司,山西太原 030032;兰州交通大学自动化与电气工程学院,甘肃兰州 730070【正文语种】中文【中图分类】U225自2008年8月1日京津城际铁路开通运营以来,高速铁路得到了快速发展。
山区220kV输电线路绕击跳闸率的计算贾茹;王超;鲁志伟;高嘉义;李博;李旭【摘要】山区地面起伏比较大,造成雷电多发,大大增加了输电线路雷击的概率.雷电绕击受地形的影响比较严重,使得山区绕击跳闸率的计算比较困难.为此需要对地形进行一些近似,将山区地形分为4种,分别为山顶、沿坡、爬坡和跨谷.在各类地形的前提条件下利用电气几何模型对山区输电线路绕击跳闸率进行推导和计算,特别是对跨谷地形进行了合理近似,量化了该地形下输电线路的绕击跳闸率,证明了跨谷地形的绕击风险相对比较高.以通化地区220 kV输电线路为例,通过故障实例的计算和分析,验证了该绕击计算方法的正确性和可靠性,并比较了输电线路所处地面倾角和地形对其绕击跳闸率的影响.【期刊名称】《东北电力大学学报》【年(卷),期】2017(037)006【总页数】7页(P1-7)【关键词】山区;复杂地形;绕击跳闸率;地面倾角【作者】贾茹;王超;鲁志伟;高嘉义;李博;李旭【作者单位】东北电力大学电气工程学院,吉林吉林132012;国网通化供电公司,吉林通化134000;东北电力大学电气工程学院,吉林吉林132012;天津力神动力电池系统有限公司,天津300384;东北电力大学电气工程学院,吉林吉林132012;东北电力大学电气工程学院,吉林吉林132012【正文语种】中文【中图分类】TM614山区的高压架空输电线路由雷击造成的跳闸事故占输电线路故障的大部分。
输电线路雷击跳闸率计算的准确程度对保证电网安全可靠运行和差异化防雷改造具有重要意义。
目前输电线路绕击跳闸率的计算方法主要有先导发展模型和电气几何模型。
先导发展模型更贴近雷电发展的物理机制,但需要进一步考虑空间电荷分布、先导发展速度、先导发展随机性和先导通道的互相影响;电气几何模型将雷电放电特性和线路结构尺寸联系在一起,对于220 kV及以下的输电线路,采用该模型进行绕击分析的可信度较高[1]。
暴露距离可以反应地面倾角等地形参数,故本文将利用电气几何模型中的暴露距离法进行绕击跳闸率计算[2-4]。
超、特高压交流输电线路绕击跳闸率的改进计算方法潘文霞;黄涛;周玮;何慧雯【摘要】根据超、特高压杆塔的结构特点,对传统的电气几何模型(EGM)进行改进,并引入击距修正系数的概念,使得模型更加符合超、特高压杆塔的情况.从几何关系的角度提出了求解电气几何模型最大击距的改进计算方法,并应用该方法计算超、特高压交流输电线路的绕击跳闸率.计算结果表明:所提出的超、特高压交流输电线路绕击跳闸率的改进计算方法比传统计算方法更加准确、可靠.【期刊名称】《中国电力》【年(卷),期】2015(048)002【总页数】5页(P66-69,84)【关键词】超高压;特高压;交流输电线路;击距修正系数;电气几何模型;最大击距;绕击跳闸率【作者】潘文霞;黄涛;周玮;何慧雯【作者单位】河海大学能源与电气学院,江苏南京211100;河海大学能源与电气学院,江苏南京211100;河海大学能源与电气学院,江苏南京211100;中国电力科学研究院,湖北武汉430074【正文语种】中文【中图分类】TM863国内外运行经验表明,超、特高压交流输电线路雷击跳闸故障仍以绕击为主[1-2],这是因为目前计算绕击跳闸率模型与线路实际运行存在较大差异。
因此,改进超、特高压交流输电线路雷电绕击的计算方法,对于超、特高压电网的设计及安全运行具有重要意义。
现有输电线路绕击性能研究中,常采用传统的电气几何模型(EGM)进行研究,但其假设先导头部对杆塔、避雷线及导线的击距相等,忽略了雷击目标物体的形状和邻近效应等其他因素对击距的影响[3-4]。
然而超、特高压杆塔引雷半径大,上述的假设与忽略可能会造成较大的计算误差。
本文在传统电气几何模型计算方法的基础上,考虑了避雷线高度、导线高度对击距大小的影响,引入击距修正系数的概念,提出电气几何模型最大击距的改进计算方法,并采用该方法计算超、特高压交流输电线路的绕击跳闸率,计算结果更加合理,更加符合实际情况。
1.1 击距的影响因素击距是传统电气几何模型中用来描述物体引雷能力的物理量,其值反映了雷电到物体击穿强度的大小。