ASME API 视力检查记录表(Jaeger 耶格氏视力检查记录表 目视检验人员)
- 格式:doc
- 大小:50.00 KB
- 文档页数:1
TSR-18-01耶格视力表版本/修改:A/0视力测试近视测试按照《EN473北欧测试标准》进行的无损操作近视测试近视测试字体:TIMES NEW ROMANS字号:可打印字号在左,耶格数字在右侧。
《EN473北欧测试》要求:见最后一页N10=10号字体耶格J7这个字号通常用于各种成人阅读的书籍。
无损操作人员如果阅读这些文字有问题,距离标准要求相差很远。
N8=8号字体耶格J5如果阅读距离是30cm或以上的时候,你阅读这些文字有问题,你应该去咨询验光师或眼科医师。
N6=6号字体耶格J3很多标准称为“耶格视力表”,这种视力表已经过时了。
最新的标准、参考中,视力表都采用TIMES NEW ROMANS字体。
N5=5号字体耶格J2现在我们看到了《EN473北欧测试》中近视敏锐度最低要求字体。
但是,这种测试不是一种“权威的”眼力测试。
如果有迹象表明您需要矫正眼镜,我们必须强烈建议您去看眼科医师和验光师。
如果有迹象表明您的眼睛患有疾病或功能不全,您应该尽快联系眼科医生。
N4=4号字体耶格J1阅读距离至少30CM,这个字体字号才是你应该看到的(不论是否带矫正眼镜)。
如果可以看清,按照《EN473北欧测试》您的近视敏锐度令人满意。
如果阅读这些文字有问题,您应该咨询验光师,看看您是否需要配眼镜。
你能看到这些文字吗?如果可以,您的视力超过了J1要求。
另外一种测试(不要用耶格视力表)是:在一般的室内灯光下,如果您阅读电话黄页有问题,你应该拜访验光师。
记住,即使你认为自己的实力很好,也要知道在进行磁性微粒或穿透物测试时,或者在发送无线电报时,你也会被查出有窄缝或类似缝隙的迹象。
VISUAL EXAMINATION PROCEDURE FOR PIPING 动力管道目视检验管理规程Prepared by ________________ Date _____________编制:日期:Approved by _________________Date ____________批准:日期:Accepted by _________________ Date ____________认可:日期:************************Subsidiary Equipment Co., Ltd.************************1 ScopeThis procedure is used for visual examination on the power piping which is fabricated in according to B31.1本规程适用于按照ASME B31.1建造的动力管道的目视检测。
2. Examiner 检验员All personnel performing visual examination in JDB shall be qualified according to JDB/ASME-12.本公司所有进行目视检验的人员都应根据JDB/ASME-12的要求进行资格考试鉴定。
3. Examination Method 检验方法3.1 Direct Visual Examination直接目视检验Direct visual examination may usually be made when access is sufficient to place the eye within 24 in.(600mm) of the surface to be examined and at an angle not less than 30 deg. to the surface to be examined. Mirrors may be used to improve the angle of vision, and aids such as a magnifying lens may be used to assist examinations. Illumination (natural or supplemental white light) for the specific part, component, vessel, or section thereof being examined is required. The minimum light intensity at examination surface/site shall be 100footcandles (1000 lux). The light source, technique used, and light level verification is required to be demonstrated one time, documented, and maintained on file.当能够充分靠近,而使眼睛离被检验表面不超过24in.(600mm),与被检表面所成的视角不小于30°时,则一般可采用直接的目视检验,可以采用反光镜来改善观察的角度,并可借助于放大镜之类来帮助检验。
视力检查表格范本视力检查是用来测量人们的视觉能力和诊断视觉问题的一种常见方法。
为了方便医生和患者记录和解读检查结果,通常使用视力检查表格。
下面将介绍一个常见的视力检查表格范本。
该视力检查表格范本采用了常见的Snellen视力图表,其中包括标准的字母和数字。
该表格是一个二维矩阵,行代表不同的视力程度,列代表视力图形的大小。
每个单元格中的数字表示该图形被正常视力的人所能看到的距离。
首先,视力检查表格范本的第一列是用于记录患者姓名、性别、年龄和检查日期的表头。
这些基本信息对于医生来说是非常重要的,它们可以帮助医生了解患者的个人情况和检查的时间点。
其次,表格的主体部分是视力图形矩阵。
每个单元格的内容是以分数形式呈现的,例如6/6、6/12、6/24等。
这些数字分别代表了正常视力的标准和患者的视力程度。
更重要的是,这些数字也可以用于计算视力的百分比。
例如,6/6的视力相当于100%的视力,6/12的视力相当于50%的视力。
视力检查表格范本的第一行是用来记录不同视力级别的标签。
通常情况下,这些标签包括6/6、6/12、6/24、6/60和无法识别。
这些标签可以帮助医生和患者快速了解视力的程度,并进行比较和分析。
在表格的右上角,还可以添加一个小标题,用来说明该表格所使用的单位和方法。
例如,可以注明"视力以最后一行能够正确识别的字母大小为标准"。
这样的说明可以帮助医生和患者理解视力检查的标准和方法。
此外,在表格的下方可以添加一些附加信息栏,用于记录其他与视力相关的信息。
例如,可以记录患者的复查计划、配镜建议或其他需要注意的事项。
在使用视力检查表格范本时,医生可以根据患者的实际情况,在相应的单元格中记录患者的视力结果。
通过比较不同时间点的检查结果,医生可以判断患者的视力是否有改善或恶化,并相应地调整治疗方案。
对于患者来说,视力检查表格范本可以帮助他们了解自己的视力情况,并跟踪治疗进展。
总结一下,视力检查表格范本是一种用于记录和解读视力检查结果的工具。
视力检查记录表眼别:右眼/左眼检查日期:yy /mmm/ dd)对患者进行综合验光,配戴最佳矫正镜片后检查视力。
初始的视力检查在4米处进行,让患者从视力表的上端开始缓慢阅读(每秒念一个字母),检测人员在记录表上用圆圈标记阅读正确的字母,用X标记念错的字母,如果患者对某字母无反应,则不进行标记。
如果患者在一行中出现两次或两次以上的错误,则结束检测。
如果在4米处患者阅读的字母少于4个,则移至1米处检查,增加 + 0。
75 的球镜以补偿距离的缩短,告诉患者再次阅读并只阅读前6行。
4米检查1米检查行数对应Snellen分数ETDRS字母4米检查正确的字母数行数对应Snellen分数ETDRS字母1米检查正确的字母数120/400N C K Z O_______120/800N C K Z O_______ 220/320R H S D K_______220/640R H S D K_______ 320/250 D O V H R_______320/500 D O V H R_______ 420/200 C Z R H S_______420/800 C Z R H S520/160O N H R C_______520/640O N H R C_______ 620/126 D K S N V_______620/500 D K S N V_______ 720/100Z S O K N_______1米检查正确识别的字母总数820/80 C K D N R_______如果在1 米处正确识别的字母数为0,请标明:920/64S R Z K D_______指数光感手动无光感1020/50H Z O V C_______1120/40N V D O K_______1220/32V H C N O_______1320/26S V H C Z_______视力得分的计算1420/20O Z D V K_______ ++ =4 米检查正确识别的字母总数如果〈 4 个, 则进行 1 米检查在4 m正确识别的字母数如果在 4 m正确识别的字母数≥ 4则加上30如果在 4 m正确识别的字母数 < 4则记录00在1 m处正确识别的字母数(如果在4 m正确识别的字母数〈 4 时必须进行检查)如果未进行检查(患者在1m 处正确识别的字母视力得分____________________________________视力检查者签名。
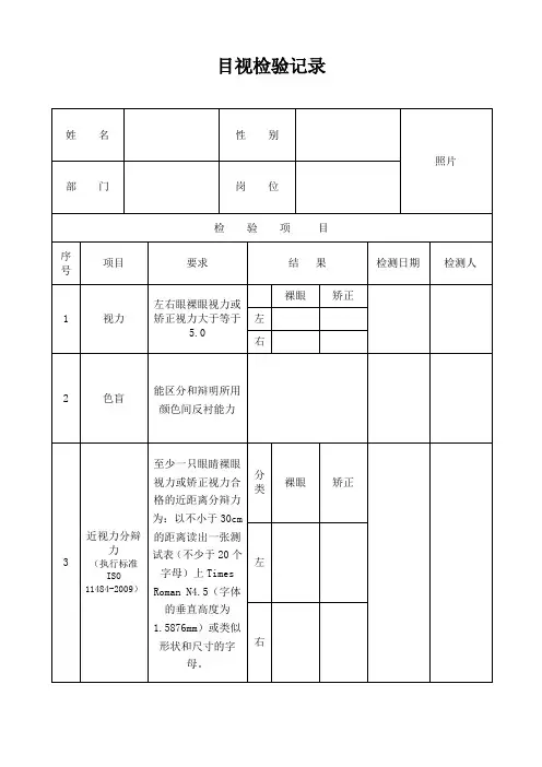
视力检查表一、基本信息姓名:__________ 性别:__________ 年龄:__________ 检查日期:__________二、视力检查1. 远视力检查(1)裸眼视力:右眼__________ 左眼__________(2)矫正视力:右眼__________ 左眼__________2. 近视力检查(1)裸眼视力:右眼__________ 左眼__________(2)矫正视力:右眼__________ 左眼__________3. 矫正视力(如有需要)(1)球镜度数:右眼__________ 左眼__________(2)柱镜度数:右眼__________ 左眼__________(3)轴位:右眼__________ 左眼__________(4)瞳距:__________4. 色觉检查(1)色觉正常:__________(是/否)(2)色觉异常:__________(是/否)5. 眼位检查(1)内斜视:__________(是/否)(2)外斜视:__________(是/否)(3)斜视度数:__________(1)眼底正常:__________(是/否)(2)眼底异常:__________(是/否)(3)异常描述:__________三、检查结果1. 远视力:右眼__________ 左眼__________2. 近视力:右眼__________ 左眼__________3. 矫正视力:右眼__________ 左眼__________4. 色觉:__________5. 眼位:__________6. 眼底:__________四、建议1. 如有视力问题,请及时就医,根据医生建议佩戴合适的眼镜或进行相关治疗。
3. 注意眼部卫生,避免揉眼、过度用眼等不良习惯。
4. 如有眼部不适,请及时就医,避免病情加重。
视力检查表一、基本信息姓名:__________ 性别:__________ 年龄:__________ 检查日期:__________二、视力检查1. 远视力检查(1)裸眼视力:右眼__________ 左眼__________(2)矫正视力:右眼__________ 左眼__________(1)裸眼视力:右眼__________ 左眼__________(2)矫正视力:右眼__________ 左眼__________ 3. 矫正视力(如有需要)(1)球镜度数:右眼__________ 左眼__________(2)柱镜度数:右眼__________ 左眼__________(3)轴位:右眼__________ 左眼__________(4)瞳距:__________4. 色觉检查(1)色觉正常:__________(是/否)(2)色觉异常:__________(是/否)5. 眼位检查(1)内斜视:__________(是/否)(2)外斜视:__________(是/否)(3)斜视度数:__________6. 眼底检查(1)眼底正常:__________(是/否)(2)眼底异常:__________(是/否)(3)异常描述:__________三、检查结果1. 远视力:右眼__________ 左眼__________2. 近视力:右眼__________ 左眼__________3. 矫正视力:右眼__________ 左眼__________4. 色觉:__________5. 眼位:__________6. 眼底:__________四、建议1. 如有视力问题,请及时就医,根据医生建议佩戴合适的眼镜或进行相关治疗。
有关民航无损检测人员视力检测要求采用的视力表探讨在《中国民航无损检测人员资格鉴定与认证》标准中,有对无损检测人员视力检测的要求,在标准7.1.2节中,对近距离视力检测要求是:在42cm(16in)±2.54cm(1in)距离,至少一只眼睛的裸视力或矫正视力为20/25(Snellen)或等效视力这样,视力检测近距离视力检查应每年进行一次。
雇主应保证所有必要的人员和设施符合以上的要求。
视力检查应由责任3级人员指定经培训的人员或有资质的医务人员实施。
当申请人以矫正视力通过视力检查时,所有的检测都应在矫正视力下进行视力表是检查评价主觉视力简便而实用的方法,而实际在国内医院几乎都没有Snellen视力表,这给每年进行的视力检查带来很大的困惑:能否采用其它视力表进行视力检查?理由在哪里?如果能采用其他视力表替代,那么合格的视力数值为多少?视力表是测验视力的标准图表,种类很多。
我国现在最常用的为国际标准视力表。
国际通用的为Snellen氏和Landolt氏表。
前者为中华眼科学会所推荐,现在我国通用从功能上分有近视力表、远视力表。
视力表是根据视角的原理制定的。
所谓视角,就是外界物体的二点射入眼内相交时所引成夹角角度,正常眼能看清最小物体的视角为1分视角,又称最小视角,小于此视角者,外界物体二点就不能辨认如上图”E”字母为视标,其笔划宽度与间隔均为1分视视角,视标E的边宽为5分视角,缺口宽度为3分视角视力表1.0的标准为可看见1分空间变化的视标的视力,最常见的视标为;E字形,C字形英文字母或阿拉伯数字儿童使用的简单图形试标一.视力表的发展与种类1、Francisus Donders首次使用“视力(visual acuity)”一词,并将其定义为视敏度(sharpness of vision),即受检者主观视力与标准视力的比值。
2、Hermann Snellen 发明了著名的Snellen视力表。
他首次使用了经物理方法处理后的视标(optotype)。
视力测试表视力测试未矫正视力(左眼)未矫正视力(右眼)矫正视力(左眼)矫正视力(右眼)初次测试1年后2年后3年后4年后5年后6年后7年后简介视力测试表用于记录个体在不同时间点的视力情况,包括未矫正视力和矫正视力。
该表格可以用于追踪个体的视力变化情况,并在需要的时候进行视力矫正。
使用指南1.下载该视力测试表的Markdown文本文件2.打开Markdown文件编辑器,如MarkdownPad、Typora等3.将Markdown文本文件导入编辑器4.根据实际情况填写每个时间点的视力测试结果5.保存并打印Markdown文件,或者将其导出为PDF 文件进行打印表格说明视力测试表包括以下字段:•视力测试:用于标识每个时间点的视力测试情况。
•未矫正视力(左眼):用于记录每个时间点左眼的未矫正视力情况。
请填写有效值,如1.0、0.8、0.6等。
•未矫正视力(右眼):用于记录每个时间点右眼的未矫正视力情况。
请填写有效值,如1.0、0.8、0.6等。
•矫正视力(左眼):用于记录每个时间点左眼的矫正视力情况,即佩戴眼镜或隐形眼镜后的视力。
请填写有效值,如1.0、0.8、0.6等。
•矫正视力(右眼):用于记录每个时间点右眼的矫正视力情况,即佩戴眼镜或隐形眼镜后的视力。
请填写有效值,如1.0、0.8、0.6等。
示例下面是一个填写了部分内容的视力测试表示例:视力测试未矫正视力(左眼)未矫正视力(右眼)矫正视力(左眼)矫正视力(右眼)初次测试0.80.91年后0.70.82年后0.60.73年后0.60.74年后0.50.6 5年后6年后7年后注意事项1.视力测试表仅用于参考和记录个体的视力情况,不具有诊断视力问题的功能,请在需要的时候咨询专业的眼科医生。
2.根据个体情况,可以添加或删除时间点并对表格进行扩展或收缩。
3.填写时请尽量准确,避免人为因素对结果产生干扰。
4.若进行矫正视力测试,请在矫正后进行测试,并将结果填写在相应字段。
视力检查的标准操作规程(SOP)
SOP编号:SOP-YK-QT-016-1 页数:2
制定人:审核人:批准人:
(签名、日期)(签名、日期)(签名、日期)生效日期:颁发日期:
修订登记:
审查登记:
一、目的
可以协助诊断、决定治疗原则及评估治疗效果。
二、准备器材
国际标准视力表,耶格(Jaeger)氏表。
三、操作方法
1.检查者要认真、耐心、准确的进行检查及记录。
2.检查受检者眼别先右后左,眼别要记录清楚、准确。
3.戴眼镜的患者须分别查裸眼视力及矫正视力。
4.远视力检查(用国际标准视力表)距离5米,以小数记录。
5.近视力检查用耶格(Jaeger)氏表检查;眼与视力表距离
为33厘米,必要时可移近眼前并记录距离。
6.视力正常值成人1.0以上为正常视力。
四、注意事项
1.戴眼镜患者(近视、远视、散光)应先查裸眼视力,再查戴镜矫正视力。
2.视力在0.02以下者应查视网膜功能。
视力表记录方法
视力表是一种测量人眼视力的工具,主要用于检查远视力和近视力。
以下是视力表的记录方法:
1. 视力表通常由一系列文字、符号或图片组成,这些文字、符号或图片的大小逐渐变小。
每个行的文字、符号或图片表示一个特定的视力值。
2. 检查者将被测试者置于适当的距离之后,让被测试者一次读出或识别出每一行的文字、符号或图片。
3. 检查者将被测试者所能读出或识别出的最小行记下来。
这行的视力值通常表示为分数,分子表示被测试者所能看到的行的距离,是固定的标准距离;分母表示正常人所能看到相同行的距离。
4. 在记录的时候,要注意标明左眼和右眼的视力值。
5. 若测试者需要佩戴眼镜进行测试,则需要在记录的时候标明测试时是否佩戴了眼镜。
6. 记录的时候应该标明测试者的名称、测试日期和测试者的年龄等信息。
7. 如果进行多次测试,需要标明每次测试的结果,并记录最终的结果。
这些记录的信息有助于医生或验光师了解被测试者的视力状况,以便做出准确的诊断和配镜。
测视力标准
测视力的标准常常以国际视力标准(International Standard Vision)为准。
以下是常见的视力标准表:
1. Snellen视力表:最常见的视力检查表之一,由E字组成的11行,每行字体逐渐变小。
标准视力是6/6,在此距离下能读到正常字体大小的字母。
2. LogMAR视力表:使用对数标度的视力检查表,最常用于科研和临床实践中。
标准视力为0.0,在此标准下,视力每差0.1,表示视力减少一倍。
3. Jaeger视力表:用于检查近视力,通常用于测试需要看清细小字体的能力,如读书、阅读等。
通常以J1(最清晰)到J10(最模糊)来表示。
在实际视力测试中,医生通常会要求患者读取不同大小的字母或图案,并根据患者读取的文字的清晰程度来确定视力。
视力标准可以根据使用的视力表和不同的国家有所差异,因此可以根据具体情况来确定具体的视力标准。
视力检查记录表
Vision Examination Record
编号No.:
受 检 人
The Examinee
姓 名 Name 工 号
Number
职 务 Title 部 门
Department
近距离视力
耶格视力表检查
Near Vision
Jaeger Test
□ J-2 离眼睛12英寸(305毫米) Held 12in. (305mm) from the Eyes.
右 眼 Right Eye 左 眼 Left Eye 双 眼 Both Eyes 结 果
Results
裸 眼
Natural
□ 合 格Accepted
□ 不合格Unaccepted
矫 正
Corrected
□ J-2 离眼睛17英寸(430毫米) Held 17in. (430mm) from the Eyes.
右 眼 Right Eye 左 眼 Left Eye 双 眼 Both Eyes 结 果
Results
裸 眼
Natural
□ 合 格Accepted
□ 不合格Unaccepted
矫 正
Corrected
色盲和
灰色影阴检查
Color Vision and
Shade of Gray
Test
离辨色板725mm Held plate 725mm from the individual tilted so that the
其平面与视线成90o plane of the plate is at right angles to the line of vision.
□ 10至10块以上辨色板 10 or More Plates □
合 格 Accepted □ 不合格
Unaccepted
□ 9至9块以下辨色板 9 or Less Plates □ 合 格 Accepted □
不合格
Unaccepted
□ 能识别20个以上灰度等级 Over 20 shades of gray chart can be discerned. □ 合 格 Accepted □
不合格
Unaccepted
解释结果 Results Explained 此视力检查结果已对我解释 The results of this visual acuity test have been explained to me. 受检人签字
Examinee Signature
检查日期
Examination Date
下次检验日期
Date of Next Examination
评语(假如无评语请写上“无”)
Comments (If no comments, write“none”)
检验部门 Examined by 签 字 Signature 职 务
Title
表格编号Form No.:QC-***