C4-3-1风管漏光检测记录(通风与空调工程)
- 格式:doc
- 大小:29.50 KB
- 文档页数:1
风管系统漏光检验记录
介绍
风管系统是建筑中用于通风、输送空气的管道系统。
对于风管系统的漏光检测
是一个非常重要的环节,它可以确保系统的完整性,从而保证室内空气的质量和安全。
本文将会介绍风管系统漏光检验的过程和记录,以便相关人员参考和管理。
检验前的准备工作
1.风管系统的清洗工作,应彻底清除内外表面的杂物和污垢。
2.安装检验仪器,根据系统的情况,选择合适的测试仪器。
常用的检测
仪器有烟雾机、气压检测仪等。
3.确定检验的工作流程和要求。
这包括安全措施、检验点、检验标准等。
检验过程
1.准备工作完成后,按照检验要求依次打开对应的风口和劣质线,确保
所有的通风管线都被检测。
2.检测仪器准备就绪,将烟雾或气压传送到风管系统中,以模拟风的流
动过程。
3.按要求从风口抽取样品,并将样品送到实验室进行分析,以确定风管
中是否有漏洞。
4.分析结果出来后,在检测人员的指导下,对漏洞点进行检测,进行修
补。
如果漏洞较小,则需封堵。
如果漏洞较大,则需要更换风管部分。
检验结果记录
1.检验记录需要完整、准确地记录漏洞的位置、大小、判定结果和处理
方式。
2.记录检测日期、检测记录人员的信息。
3.每次检验都需要将检验结果进行汇总,形成统计报表,定期进行分析,
以便后续的改进和管理。
风管系统的漏光检验是保障室内空气质量和人员安全的关键环节。
通过规范的
检验流程和记录,可以规避或减少漏洞对空气质量和人员健康的影响。
001-C4-2隐蔽⼯程检查验收记录归档编号:C4-2隐蔽⼯程检查验收记录(通风与空调⼯程)1、本记录适⽤于通风与空调⼯程系统中的风管和管道及设备安装⼯程隐蔽检查验收。
凡直接埋于地下或结构中,暗敷设于沟槽管井、夹层内、及不能进⼊检修的吊顶、地沟等部位,以及有保温、隔热(冷)要求的管道和设备,均属于隐蔽⼯程。
必须在结构封闭或覆盖前,对隐蔽⼯程的施⼯质量进⾏检查和验收,并填写“隐蔽⼯程检查验收记录”,且必须得到现场监理⼈员认可的合格签证,⽅能隐蔽。
2、本记录由施⼯单位项⽬专业技术⼈员填写,质量检查员验核,专业监理⼯程师(建设单位项⽬专业技术负责⼈)确认,参检⼈员签认后归档。
3、通风与空调隐蔽⼯程检查内容有:管道安装位置(坐标、标⾼),管道安装的⽔平度、垂直度、坡度、坡向,与相邻各种管道和电⼒管线间⽔平、垂直净距是否达到安全要求,管道⽀、吊架设置,管道及配件的品种、材质、规格,阀门型号、规格材质,管道连接形式及质量,设备接⼝连接形式及质量,管道穿墙或楼板的处理,风管严密性检验结果,管道试压、充⽔试验结果,管道冲洗、排污结果,本节点⽆表格防腐处理和绝热保温质量等。
4、填写说明:(1)隐蔽⼯程检查验收记录的填写,应在各分项⼯程所含检验批的隐蔽⼯程检查验收后及时完成。
(2)表中的隐蔽部位是指隐蔽的风管、管道、设备所在的楼层,轴线、房间的部位。
(3)检查项⽬的填写要点:1)安装位置(坐标)是指受检主、⼲风管、⽔管与临近轴线或墙表⾯的距离;安装位置(标⾼)地下管道指埋深,地上管道指安装⾼度(从管中⼼计算)。
2)⽔平度、垂直度、坡度、坡向应填写实测数值,写明是否符合设计要求和规范GB50243-2002的规定。
坡度主要是指冷凝排⽔管的坡度,宜⼤于或等于8‰。
3)安全距离,是指通风与空调系统中的风管和⽔管及⽀、吊架与相邻的给⽔、排⽔、采暖、燃⽓管道和电⼒管线的⽔平、垂直净距是否符合安全和检修的要求。
4)⽀、吊架设置,应填写风管、⽔管、空⽓处理设备的⽀、吊架结构形式和外形尺⼨及材料质量是否符合设计要求和产品标准,安装位置、距离是否正确,风管防⽌摆动的固定架和⽔管承重防晃⽀、吊架是否按规范要求设置,⽀、吊架安装是否牢固。
辽宁省建筑工程文件编制归档规程应用表格目录监理文件B1-5施工组织设计(方案)报审表B1-6、B1-7施工单位申请书B1-8监理工程师通知单B1-9工程竣工验收报审表B1-13监理月报B2-2工程开工/复工报审表B3-1施工测量放线报验表B3-2材料/构配件/设备报验表B3-4(5、6)工程报验审核表B3-13检测部门质量信息反馈处理记录B5-3工程临时/最终延期申请表B5-4工程临时/最终延期审批表B5-8工程变更报审表施工技术管理文件C1-3图纸会审记录C1-4设计交底记录C1-5-1设计变更通知单汇总目录C1-5-2设计变更通知单C1-6工程洽商记录(技术核定联系单)C1-9施工现场质量管理检查记录C1-10控制网设备记录C1-11工程定位(竣工)测量记录土建(建筑与结构)工程C2-1地基承载力复查记录C2-2-1施工材料、预制构件出厂合格证及进场试验汇总表C2-2-2-1砂试验报告C2-2-2-2碎石(卵)石试验报告C2-2-3-1烧结普通砖试验报告C2-2-3-2烧结多孔砖试验报告C2-2-3-3烧结空心砖试验报告C2-2-3-4蒸压加气混凝土块试验报告C2-2-3-5外墙陶瓷面砖试(复)验报告C2-2-4-1水泥试验报告C2-2-5-1钢筋(丝)试验报告C2-2-5-2结构型钢试验报告C2-2-5-3焊接材料试验报告C2-2-6(C2-2-7)试验报告C2-2-8-1混凝土构件出厂合格证C2-2-8-2钢构件出厂合格证C2-2-8-3预拌混凝土出厂(交货)合格证C2-2-8-4木构件出厂合格证C2-3-1施工试验记录汇总表C2-3-2-1土壤(素土、灰土、)击实试验报告C2-3-2-2土壤干土质量密度试验报告C2-3-3-1砂桨抗压强度试验报告C2-3-3-2砂桨配合比通知单C2-3-3-3砂桨抗压强度统计评定记录C2-3-4-1混凝土抗压强度试验报告C2-3-4-2混凝土配合比通告单C2-3-4-3混凝土抗渗试验报告C2-3-4-4混凝土试件抗压强度统计评定记录C2-3-5-1钢筋(结构钢)焊接试验报告C2-3-5-2钢筋机械接头试验报告C2-3-6金属及塑料外门窗物理性能试验报告C2-3-7饰面砖粘结强度试验报告C2-3-8-1建筑幕墙物理性能试验报告C2-3-8-2锚固螺栓锚固力试验报告C2-3-8-3建筑用硅酮结构密封胶试验报告C2-4-1地下防水工程防水质量检测报告C2-4-2砂桨抗压强度检测报告C2-4-3混凝土钢筋保护层厚度检测报告C2-4-4-1焊缝超声波探伤报告C2-4-4-2高强度螺栓预拉力试验报告C2-4-4-3高强度螺栓扭矩系数试验报告C2-4-4-4高强度螺栓连接摩擦面抗滑移系数试验报告C2-4-4-5高强度螺栓施工质量(终拧扭矩)检测报告C2-4-4-6网架节点承载力试验报告C2-4-4-7网架结构挠度检测报告C2-4-4-8构件变型检测报告C2-4-4-9主体结构尺寸检测报告C2-4-5-1建筑材料放射性检测报告C2-4-5-2人造板及其制品中甲醛释放量检测报告C2-4-5-3土壤氡浓度检测报告C2-4-5-4水性处理剂中TVOC和游离甲醛释放量检测报告C2-4-5-5水性涂料中TVOC和游离甲醛释放量检测报告C2-4-5-6溶剂型涂料中TVOC和苯释放量检测报告C2-4-5-7室内环境污染物浓度检测报告C2-5-1-1隐蔽工程检查验收记录汇总目录C2-5-1-2预制桩施工记录C2-5-1-3灌注桩基础施工记录C2-5-1-4静力压桩施工记录C2-5-1-5隐蔽工程检查验收记录C2-5-2屋面、楼面蓄淋水检验记录C2-5-3烟(风)道工程检查记录C2-5-4沉降观测记录C2-5-5结构吊装工程检查验收记录C2-6-1工程质量事故报告表C2-6-2工程质量事故处理记录C2-7-3分部(子分部)工程验收记录C2-7-4质量控制资料C2-7-5安全和功能检验(检测)报告C2-7-6观感质量验收给排水、消防、采暖、燃气工程施工文件C3-1-3设备安装记录C3-1-4设备试运转记录C3-1-5补偿器安装预拉伸(压缩)记录C3-1-6设备安装明细表C3-2-1管道隐蔽工程检查验收记录C3-2-2隐蔽工程检查验收记录汇总表C3-3-1管道系统隐蔽压力(灌水)试验记录C3-3-2阀门检验试验记录C3-3-3设备、卫生器具压力(满水)试验记录C3-3-4给排水管道、卫生器具通水试验记录C3-3-5地漏及地面清扫排水试验记录C3-3-6室内消火栓试射记录C3-3-7排水管道通球试验记录C3-3-8管道冲洗、吹扫、清洗记录C3-3-9采暖系统试运行、调试记录C3-5-3给水、排水、采暖及燃气分部(子分部)工程质量验收记录C3-5-4质量控制资料C3-5-5安全和功能检验(检测)报告C3-5-6观感质量验收通风与空调工程施工文件C4-1-2设备安装记录(通风与空调工程)C4-1-3设备单机试运转记录(通风与空调工程)C4-1-4设备明细表(通风与空调工程)C4-2隐蔽工程检查验收记录(通风与空调工程)C4-3-1风管漏光检测记录(通风与空调工程)C4-3-2风管漏风检测记录(通风与空调工程)C4-3-3现场组装除尘器、空调机组漏风检测记录(通风与空调工程)C4-3-4补偿器安装记录(通风与空调工程)C4-3-5阀门及设备试压(满水试验)记录(通风与空调工程)C4-3-6管道系统试压(充水试验)记录(通风与空调工程)C4-3-7制冷系统气密性试验记录(通风与空调工程)C4-3-8管道系统冲洗(吹扫)记录(通风与空调工程)C4-4-1风管系统试运行调试记录(通风与空调工程)C4-4-2房间室内空调系统试运行调试记录(通风与空调工程)C4-4-3空调水系统试运转调试记录(通风与空调工程)C4-4-4净化空调系统试运行调试记录(通风与空调工程)C4-4-5系统无生产负荷联合试运转及调试记录(通风与空调工程)C4-6-3通风与空调工程质量验收记录C4-6-4质量控制资料(通风与空调工程)C4-6-5安全和功能检验(检测)报告(通风与空调工程)C4-6-6-1观感质量验收(通风与空调工程)C4-6-6-2净化空调工程观感质量验收C4-6-7-1通风与空调子分部工程质量验收记录(送、排风系统)C4-6-7-2通风与空调子分部工程质量验收记录(防、排烟系统)C4-6-7-3通风与空调子分部工程质量验收记录(除尘系统)C4-6-7-4通风与空调子分部工程质量验收记录(空调风系统)C4-6-7-5通风与空调子分部工程质量验收记录(净化空调系统)C4-6-7-6通风与空调子分部工程质量验收记录(制冷系统)C4-6-7-7通风与空调子分部工程质量验收记录(空调水系统)电气工程(C5)、电梯工程(C6)施工文件1、电气工程施工文件C5-1-2(C6-1-2)设备安装记录C5-1-3建筑电气设备(缆、线)明细表C5-2-1建筑电气安装工程预检记录C5-2-2(C6-2-1)建筑电气(电梯)安装隐蔽工程记录C5-2-3(C6-2-2)接地电阻测试记录C5-2-4(C6-2-3)绝缘电阻测试记录C5-2-5花灯的固定及悬吊装置过载试验记录C5-2-6低压电器交接试验记录C5-2-7电气照明系统通电试验记录C5-2-8 1kv及以下配电装置和馈电线路试验记录C5-2-9电力电缆试验记录C5-2-10交流电动机试验记录C5-2-11变压器试验记录C5-3-1开关试验报告C5-3-2插座试验报告C5-3-3建筑用绝缘电线(电缆)导管试验报告C5-3-4聚氯乙烯绝缘电线(缆)(450/750)试验报告C5-3-5建筑用阻燃材料试验报告C5-3-6电缆在火焰条件下燃烧的试验报告C5-5-3建筑电气分部(子分部)工程验收记录C5-5-4建筑电气分部(子分部)工程质量控制资料C5-5-6建筑电气分部(子分部)工程观感质量验收2、电梯工程施工文件C6-2-4电梯安全装置检验记录C6-2-5电梯荷载(空、半、满、超载)试运行试验记录C6-2-6电梯负荷运行试验图表(确定平衡系数)C6-2-7自动扶梯、自动人行道安全装置检验记录C6-2-9自动扶梯、自动人行道试验记录C6-4-2电梯分部工程质量验收记录C6-4-3质量控制资料C6-4-4安全和功能检验(检测)报告C6-4-5观感质量验收C6-4-6电力驱动的曳引式电梯安装子分部工程质量验收记录表C6-4-7电力驱动的强制式电梯安装子分部工程质量验收记录表C6-4-8液压电梯安装子分部工程质量验收记录表C6-4-9自动扶梯安装子分部工程质量验收记录表C6-4-10自动人行道安装子分部工程质量验收记录表智能建筑工程施工文件C7-1-1设备材料进场检验记录C7-1-2软件产品合格证及进场检验记录C7-1-3产品及设备系统接口合格证及进场检验记录C7-1-4综合布线材料进场检验报告C7-2智能建筑系统安装隐蔽工程检查验收记录C7-3-1通信网络系统检测记录C7-3-2广播电视系统检测记录C7-3-3安全防范系统安装检测记录C7-3-4火灾自动报警及消防联动系统检测记录C7-3-5系统检测记录C7-3-6子系统检测记录C7-4-1建立独立卫星接收前端的有线电视系统检测报告C7-4-2双向数字电视系统电气性能检测报告C7-4-3公共广播系统参数检测报告C7-4-4公共广播系统声音效果检测报告C7-4-5网络管理功能检测报告C7-4-6应用软件检测报告C7-4-7建筑设备监控系统实时性检测报告C7-4-8建筑设备监控系统可维护功能检测报告C7-4-9建筑设备监控系统可靠性检测报告C7-4-10建筑设备监控系统联动功能检测报告C7-4-11建筑设备监控系统控制设备及执行器性能检测报告C7-4-12综合布线系统工程性能检测报告C7-4-12-1对绞电缆布线性能检测报告C7-4-12-2光纤布线性能检测报告C7-4-13室内空调环境系统检测报告C7-4-14电磁环境系统检测报告C7-4-15防火墙和防病毒软件产品检测报告C7-4-16网络安全系统检测报告C7-4-17火灾自动报警系统与建筑设备监控系统联动功能检测报告C7-4-18火灾自动报警系统与安全防范系统联动功能检测报告C7-4-19新型消防设施的设置功能检测报告C7-4-21表具数据自动抄收及远传系统检测报告C7-5智能建筑系统试运行记录C7-7-3分部(子分部)工程质量验收记录C7-7-4质量控制资料C7-7-5安全及功能检验(检测)报告C7-7-6观感质量验收工程竣工验收文件E1工程概况表E3-1单位(子单位)工程质量竣工验收记录E3-2单位(子单位)工程质量控制资料核查记录E3-3单位(子单位)工程安全和功能检验资料核查及主要功能抽查记录E3-4单位(子单位)工程观感质量检查记录E4房屋建筑工程质量检查报告书E5房屋建筑工程质量评估报告书E6房屋建筑工程竣工报告书E7房屋建筑工程竣工验收报告书。
通风及空调工程施工现场技术资料表格汇总本表由施工单位填写,施工单位、监理单位各保存一份。
1、本表由施工单位填写,交底单位与接受交底单位各存一份。
2、当做分项工程施工技术交底时,应填写“分项工程名称”栏,其他技术交底可不填写。
1.由施工单位整理、汇总,建设单位、监理单位、施工单位、城建档案馆各保存一份。
2.图纸会审记录应根据专业(建筑、结构、给排水及采暖、电气、通风空调、智能系统等)汇总、整理。
3.设计单位应由专业设计负责人签字,其他相关单位应由项目技术负责人或相关专业负责人签认。
1.本表由建设单位、监理单位、施工单位、城建档案馆各保存一份。
2.涉及图纸修改诉,必须注明应修改图纸的图号。
3.不可将不同专业的设计变更办理在同一份变更上。
4.“专业名称”栏应按专业填写,如建筑、结构、给排水、电气、通风空调等。
2.涉及图纸修改的必须注明应修改图纸的图号。
3.不可将不同专业的工程洽商办理在同一份洽商上。
4.“专业名称”栏应按专业填写,如建筑、结构、给排水、电气、通风空调等。
本表由施工单位填写并保存本表由试验单位提供,建设单位、施工单位各保存一份。
本表由施工单位填写,建设单位、施工单位各保存一份。
本表由施工填写,建设单位、施工单位、城建档案馆各保存一份。
本表由施工单位填写并保存。
本表由施工单位填写并保存。
1、本表由移交、接收和见证单位各保存一份。
2、见证单位应根据实际检查情况,并汇总移交和接收单位意见形成见证单位意见。
本表由施工单位填写,建设单位、施工单位、城建档案馆各保存一份。
附:必要的试运转调试测试表本表由施工单位填写,建设单位、施工单位、城建档案馆各保存一份。
本表由施工单位填写并保存。
本表由施工单位填写,建设单位、施工单位、城建档案馆各保存一份。
本表由施工单位填写并保存。
本表由施工单位填写并保存。
本表由施工单位填写并保存。
本表由施工单位填写并保存。
本表由施工单位填写并保存。
本表由施工单位填写并保存。
本表由施工单位填写,建设单位、施工单位、城建档案馆各保存一份。
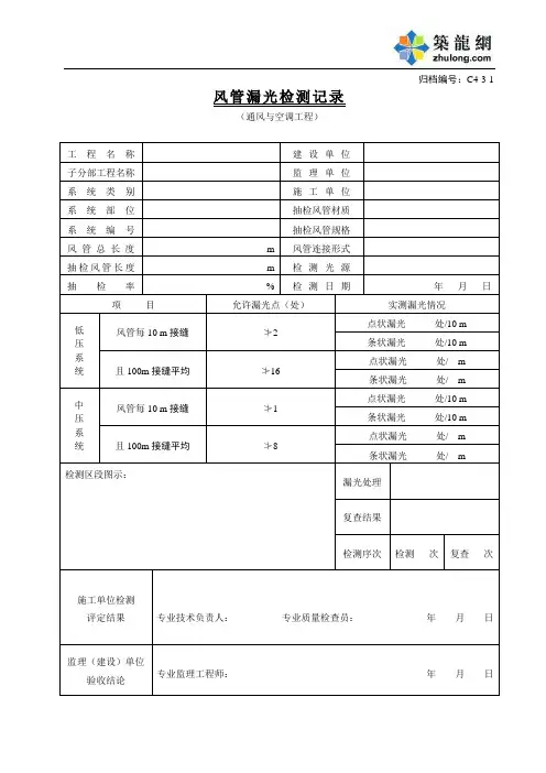
漏光检测试验方案风管漏光检测专项方案一.编制依据1.《通风与空调工程施工质量验收规范》GB-.《通风管道技术规程》141-2004二.工程概况03-21地块工程位于天津滨海新区于家堡金融区起步区,通风空调工程风管面积约为m²。
通风风管材质为热镀锌钢板,采用共板法兰工艺制作安装;空调风管为外彩钢内铝箔酚醛泡沫直接风管。
消防排烟工程风管面积约为7000m²。
通风风管材质为热镀锌钢板,采用角钢法兰工艺制作安装。
三.漏光检测方法1.风管严密度检测采用漏光法检测:采用光线对小孔的强穿透力对系统风管进行严密度检测。
2.检测应采用具有一定强度的安全光源。
光源采用200W带保护罩的低压照明灯。
3.系统风管漏光检测时,其光源置于风管内侧,但相对侧光线则较暗。
检测光源沿被检测部位与接缝作缓慢移动,在另一侧进行观察,当发现有光线射出,则说明查到明显漏风部位,并作好记实。
4.系统风管采用分段检测,汇总分析的方法。
被检测系统风管不应有多处条缝型的明显漏光。
当采用漏光法检测系统时,低压系统风管每10m接缝,漏光点不应超过2处,且100m接缝平均不应大于16处;中压系统风管每10m接缝,漏光点不该超过1处,且100m接缝平均不应大于8处为及格。
漏光检测中发现的条缝型漏光,采用密封胶作密封处理。
四.检测前准备1.36V电源变压器2个,200W带保护罩白炽灯2只,BV2*2.5电缆线200米,φ3钢丝200米,3米人字梯4把,平安电源架2个。
2.待检风管已安装就位,预留检测口,部分风系统管路较长,可在风管中间部位先开风口,利用风口放入白炽灯。
五.检测方法如下图1.检测工夫早晨8:00-10:002.检测前先将钢丝从风管一端穿至风管的另一端,钢丝一端系上灯泡,再将灯泡接上36V平安电源,封闭周围照明,使风管外边处于相对黑暗的情况,风管另一端利用钢丝牵引灯泡在风管内迟钝移动,在风管外侧逐一搜检咬口接缝及法兰接缝,若发现有光线射出及时用密封胶处置惩罚,并做好漏光检测记实。
第37章通风与空调工程管理验收资料37.1 通风与空调工程应形成的资料名称(1)通风与空调工程质量验收文件1)通风与空调工程质量控制资料核查记录△2)通风与空调工程安全和工能检验△3)通风与空调工程观感质量验收记录△4)净化空调工程观感质量验收记录△(2)分部(子分部)工程质量验收记录1)通风与空调分部(子分部)工程质量验收记录(表D-3)2)送、排风系统分部(子分部)工程质量验收记录(表D-3)3)防、排烟系统分部(子分部)工程质量验收记录(表D-3)4)防尘系统分部(子分部)工程质量验收记录(表D-3)5)空调风系统分部(子分部)工程质量验收记录(表D-3)6)净化空调系统分部(子分部)工程质量验收记录(表D-3)7)制冷系统分部(子分部)工程质量验收记录(表D-3)8)空调水系统分部(子分部)工程质量验收记录(表D-3)(3)施工技术资料1)技术交底记录(专项施工法案、“四新”(新材料、新产品、新技术、新工艺)设计变更)(表C2-1)2)图纸会审记录(表C2-2)3)设计变更通知单(表C2-3)4)工程洽商记录(表C2-4)第38章风管制作38.1风管制作分项工程应形成的资料名称(1)技术交底记录1)金属风管制作技术交底记录(表C2-1)2)双面铝箔复合风管制作与安装技术交底记录(表C2-1)3)防火板风管制作与安装技术交底记录(表C2-1)4)无机玻璃钢风管安装技术交底记录(表C2-1)(2)图纸会审记录、设计变更、工程洽商记录(3)合格焊工登记表;施工日志(4)施工物资资料1)板材、型材等主要材料、设备、成品的出厂合格证、质量证明及检测报告2)材料、构配件进场检验记录(表C4-1)3)工程物资进场报验表(表B2-4)(5)施工记录1)隐蔽工程验收记录(表C5-1)2)预检记录(表C5-1)3)金属(镀锌钢板)风管制作检查记录△(6)施工试验记录强度严密性试验记录(表C6-19)(7)施工质量验收记录1)风管与配件制作工程检验批质量验收记录表(金属风管)(Ⅰ)2)风管与配件制作工程检验批质量验收记录表(非金属、复合材料风管)(Ⅱ)3)风管制作分项工程质量验收记录表(表D-2)4)分项/分部工程施工报验表(表B2-7)第39章风管部件与消声器制作38.1风管部件与消声器制作分项工程应形成的资料名称(1)技术交底记录风管部件与消声器制作技术交底记录(2)设计变更、工程洽商记录;施工日志(3)施工物资资料1)材料出厂合格证、质量保证书和相关的性能检测报告△2)材料、构配件进场检验记录(表C4-1)3)工程物资进场报验表(表B2-4)(4)施工记录1)预检记录(表C5-2)2)风管部件与消声器制作检查记录△(5)施工质量验收记录1)风管部件与消声器制作工程检验批质量验收记录表2)风管部件与消声器制作分项工程质量验收记录表(D-2)3)分项/分部工程施工报验表(表B2-7)第40章风管系统安装40.1 风管系统安装分项工程应形成的资料(1)风管安装施工方案(2)技术交底记录风管系统安装技术交底记录(3)设计变更、工程洽商记录;施工日志(4)施工物资资料1)各种安装材料产品出厂合格证书或质量鉴定文件。
各施工、监理单位请注意:档案归档工作分为两部分,一部分为归市城建馆的档案资料(城建馆归档目录附后),另一部分为送到指挥部档案室的档案资料(归档内容参照指挥部[2012]年10号文内容),请各施工、监理单位按要求收集、整理。
所有档案资料需原件2份(城建馆和指挥部各1份),复印件2份。
各施工、监理单位在移交竣工资料的同时需提交相应的电子光盘2套。
指挥部工程部2013年3月28日附件:沈阳市城建档案馆入馆档案资料归档内容施工单位归档材料1、施工许可证副本2、单位工程交工验收证明3、单位(子单位)工程质量竣工验收记录4、图纸会审记录5、设计交底记录6、设计变更通知单汇总目录7、设计变更通知单8、工程洽商记录(技术核定联系单)9、工程定位(竣工)测量记录10、地基承载力复查记录11、沉降观测报告12、桩基础竣工报告及检测报告13、结构吊装工程检查验收记录14、隐蔽工程检查验收记录汇总目录15、隐蔽工程检查验收记录16、屋面、楼面蓄淋水检验记录17、主体结构抽样检测报告18、管疲隐蔽工程检查验收记录19、建筑电气(电梯)安装隐蔽工程记录20、管道系统/隐蔽压力(满水)试验记录21、设备、卫生器具压力(满水)试验记录22、管道冲洗、吹扫、清洗记录23、给排水管道、卫生器具通水试验记录24、地漏及地面清扫口排水试验记录25、排水管道通球试验记录26、采暖系统试运行、调试记录27、阀门检验试验记录28、室内消火栓试射记录29、接地电阻测试记录30、绝缘电阻测试记录31、电气照明系统通电试验记录32、电力电缆试验记录33、低压电器交接试验记录34、交流电动机试验记录35、变压器试验记录36、施工试验记录汇总表37、砂浆、混凝土配比通知单38、砂浆抗压强度统计评定记录39、砂浆抗压强度试验报告40、混凝土试件抗压强度统计评定记录41、混凝土抗渗试验报告42、混凝土抗压强度试验报告43、钢材、焊接材料进场复验报告和出厂合格证44、水泥进场复验报告和出厂合格证45、砂、石进场复验报告及出厂证明文件46、建筑砖、砌块、瓦进场复验报告及出厂合格证47、外封闭涂料(陶瓷面砖)试验报告48、防水材料产品合格证和进场抽样复验报告49、隔热、保温材料产品合格证和试验报告50、土壤(素土、灰土)击实试验报告51、土壤干土质量密度试验报告52、塑料管材、管件、阀门检测试验报告53、开关、插座试验报告54、建筑用绝缘电线(电缆)导管试验报告55、聚氯乙烯绝缘电线(缆)(450/750)试验报告56、建筑用阻燃材料试验报告57、施工材料、预制构件出厂合格证及进场试验报告汇总表58、混凝土构件出厂合格证59、钢构件出厂合格证60、预拌混凝土供应首次报告61、预拌混凝土出厂(交货)合格证62、金属及塑料外门窗理性能试验报告及出厂证明63、室内环境检测报告64、建筑外墙节能构造检验报告65、建筑外窗气密性检验报告66、建筑外窗传热系数检验报告67、中空玻璃露点检验报告68、木构件出厂合格证69、水电材料出厂检验报告及合格证70、施工现场质量管理检查记录71、工程质量事故报告表72、工程质量事故处理记录73、分部(子分部)工程验收记录(1)基础分部(子分部)工程质量验收记录(2)主体分部(子分部)工程质量验收记录(3)装饰、装修分部(子分部)工程质量验收记录(4)屋面分部(子分部)工程质量验收记录(5)水暖分部(子分部)工程质量验收记录(6)电气分部(子分部)工程质量验收记录(7)建筑节能分部工程质量验收记录74、单位(子单位)工程质量控制资料核查记录(1)地基与基础分部工程质量控制资料核查记录(2)建筑地面子分部质量控制资料核查记录(3)地下防水工程子分部质量控制资料核查记录(4)砌体结构分子分部质量控制资料核晒记录(5)混凝土结构实体检验资料核查记录(6)混凝土子分部质量控制资料核查记录(7)建筑屋面分部质量控制资料核查记录(8)建筑装修工程质量控制资料核查记录(9)给水、排水、采暖及燃气分部(子部)质量控制资料核查记录(10)建筑电气分总质量控制资料核查记录(11)建筑节能分部工程质量控制资料核查记录75、单位(子单位)工程观感质量检查记录(1)建筑地面整体面层工程观感质量验收记录(2)建筑地面板块面层工程观感质量验收记录(3)地下防立水分部工程子分部观感质量验收记录(4)砌体结构子分部工程观感质量验收记录(5)混凝土结构子分部工程观感质量验收记录(6)建筑屋面分部工程观感质量验收记录(7)建筑装饰装修工程观感质量验收记录(8)给水、排水、采暖及燃气分部(子分部)观感质量验收记录(9)建筑电气分部部工程观感质量验收记录76、单位(子单位)工程安全和功能检验资料核查及主要功能抽查记录(1)地基与基础分部工程安全和功能检测报告核查记录(2)建筑地面(子分部)工程安全和功能检验(检测)报告核查记录(3)地下防水子分部工程安全和功能检验(检测)报告核查记录(4)砌体结构子分部工程安全和功能检验(检测)报告核查记录(5)建筑屋面工程安全和功能检验(检测)报告核查记录(6)建筑装饰装修工程安全和功能检验(检测)报告核查记录(7)给水、排水、采暖及燃气分部(子分部)工程安全和功能检验(检测)报告核查记录(8)电气分部工程安全和功能检验(检测)报告核查记录77、消防初次检验报告78、智能检验报告79、竣工图80、工程建设过程中形成的声音、录像、照片(需要做成光盘)电梯归档内容1、建筑电气(电梯)安装隐蔽工程记录2、电梯分部工程观感质量验收记录3、电梯分部工程质量控制资料核查记录4、电梯分部工程质量验收记录5、电梯分部工程安全和功能检验(检测)报告6、电梯负荷运行试验图表(确定平衡系数)7、电梯荷载(空、半、满、超载)试运行试验记录8、电梯验收检查报告9、电梯合格证玻璃幕墙工程归档内容1、开工报告(施工许可证)2、竣工报告3、工程质量委托书4、施工合同5、招投标文件6、结构计算书7、设计修改文件8、材料代用文件9、工程决算10、竣工验收文件11、工程隐蔽记录12、玻璃性能检验报告13、铝型材化学成分检验报告14、铝型材力学性能检验报告15、钢材化学成分检验报告16、钢材力学成分性能检验报告17、结构硅酮密封胶与接触材料相容性检验报告18、耐候胶性能检验报告19、玻璃幕墙性能检查报告20、铝合金材料出厂质量证书21、玻璃材料出厂质量证书22、建筑密封型材料出厂质量证书23、结构桂酮密封胶及耐候胶出厂质量证书及有效期限证书24、保温材料及防火材料出厂质量证书25、构件出厂质量证书26、工程中所用钢材、五金件及其他材料出厂质量证书27、玻璃商检报告28、耐候胶商检报告29、结构胶商检报告30、铝材商检报告31、竣工图钢结构及网架工程1)开工报告2)竣工报告、交工验收证明3)图纸会审4)设计变更5)隐蔽工程6)主要结构材料、螺栓、焊条、焊剂合格证7)基础验收记录8)中间工序交接记录9)材料半成品复试、检验报告10)焊工资格审查及编号11)探伤报告12)钢结构吊装记录、质量检验记录及事故处理报告13)分部工程质量评定14)竣工图通风与空调工程归档内容1)C4—1—1 主要材料、设备、仪表的出厂合格证明、质量保证书及进场检(试)验报告2)C4—1—2 设备安装记录3)C4—1—3 设备单机试运行记录4)C4—1—4 设备明细表5)C4—2 隐蔽工程检查验收记录6)C4—3—1 风管漏光检测记录7)C4—3—2 风管漏风检测记录8)C4—3—3 现场组装除尘器、空调机组漏风检测记录9)C4—3—4 补偿器安装记录10)C4-3-5 伐门及设备试压(满水试验)记录11)C4-3-6 管道系统试压(充水试验)记录12)C4-3-7 制冷系统气密性试验记录13)C4-3-8 管道系统冲洗(吹扫)记录14)C4-4-1 风管系统试动行调试记录15)C4-4-2 房间室内空调系统试动行调试记录16)C4-4-3 空调水系统试运转调试记录17)C4-4-4 净化空调系统试运行调试记录18)C4-4-5 系统无生产负荷联合试运转及调试记录19)C4-5-1 工程质量事故报告表20)C4-5-2 工程质量事故处理记录21)C4-6-3 通风与空调分部工程质量验收记录22)C4-6-4 质量控制资料23)C4-6-5 安全和功能检验(检测)报告24)C4-6-6-1 观感质量验收25)C4-6-6-2 净化空调工程观感质量验收26)C4-6-7-1 通风与空调子分部工程质量验收记录(送、排风系统)27)C6-6-7-2 通风与空调子分部工程质量验收记录(防、排烟系统)28)C4-6-7-3 通风与空调子分部工程质量验收记录(除尘系统)29)C4-6-7-4 通风与空调子分部工程质量验收记录(空调风系统)30)C4-6-7-5 通风与空调子分部工程质量验收记录(净化空调系统)31)C4-6-7-6 通风与空调子分部工程质量验收记录(制冷系统)32)C4-6-7-7 通风与空调子分部工程质量验收记录(空调水系统)33)竣工图给排水、消防、采暖、燃气工程1、设备及产品质量合格证、质量保证书、技术资料2、塑料管材、管件、阀件检测试验报告3、设备安装记录4、设备试运转记录5、补偿器安装预拉伸(压缩)记录6、设备安装明细表7、管道隐蔽工程检查验收记录8、隐蔽工程检查验收记录汇总表9、管道系统(隐蔽)压力(灌水)试验记录10、阀门检验试验记录11、设备、卫生器具压力(满水)试验记录12、给排水管道、卫生器具通水试验记录13、地漏及地面清扫口排水试验记录14、室内消火栓试射记录15、排水管道通球试验记录16、管道冲洗、吹扫、清洗记录17、采暖系统试运行、调试记录18、工程质量事故报告表19、工程质量事故处理记录20、分部(子分部)工程质量验收记录21、质量控制资料22、安全和功能检验(检测)报告23、观感质量验收记录电气工程1、设备产品质量合格证2、设备安装记录3、建设电气设备(缆、线)明细表4、建设电气安装工程预检记录5、建设电气安装隐蔽工程记录6、接地电阻测试记录7、绝缘电阻测试记录8、花灯的固定及悬吊装置过载试验记录9、低压电器交接试验记录10、电气照明系统通电试验记录11、1KV及以下配电装置和馈电线路试验记录12、电力电缆试验记录13、交流电动机试验记录14、变压器试验记录15、开关试验报告16、插座试验报告17、建筑用绝缘电线(电缆)导管试验报告18、聚氯乙稀绝缘电缆试验报告19、建筑用阻燃材料试验报告20、电缆在火焰条件下燃烧的试验报告21、工程质量事故报告表22、工程质量事故处理记录智能建筑工程1、设备材料讲场检验记录2、软件产品合格证及进场检验记录3、产品及设备系统接口合格证及进场检验记录4、综合布线材料进场检验报告5、智能建筑系统安装隐蔽工程检查验收记录6、通信网络系统检测记录7、广播电视系统检测记录8、安全防范系统安装检测记录9、火灾自动报警及消防联动系统检测记录10、系统检测记录11、子系统检测记录12、建立独立卫星接收前端的有线电视系统检测报告13、双向数字电视系统电气性能检测报告14、公共广播系统参数检测报告15、公共广播系统声音效果检测报告16、网络管理功能检测报告17、应用软件检测报告18、建筑设备监控系统实时性检测报告19、建筑设备监控系统可维护功能检测报告20、建筑设备监控系统可靠性检测报告21、建筑设备监控系统联动功能检测报告22、建筑设备监控系统控制设备及执行器性能测试报告23、综合布线系统工程性能检测报告24、对绞电缆布线性能检测报告25、光纤布线性能检测报告26、室内空调环境系统检测报告27、电磁环境系统检测报告28、防火墙和防病毒软件产品检测报告29、网络安全系统检测报告30、火灾自动报警系统与建筑设备监控系统联动功能检测报告31、火灾自动报警系统与安全防范系统联动功能检测报告32、新型消防设施的设置及功能检测报告33、电源与接地系统检测报告34、表具数据自动抄收及远传系统检测报告35、智能建筑系统试运行记录36、工程质量事故处理37、工程质量事故报告表38、工程质量事故处理记录39、分部(子分部)工程质量验收记录40、质量控制资料41、安全和功能检验(检测)报告42、观感质量验收记录室外工程1、室外安装(给水、雨水、污水、热力、燃气、电讯、电力、照明、消防等)施工文件2、室外建筑环境(建筑小品、水景、道路、园林绿化等)施工文件竣工图综合竣工图1、总平面布置图(包括建筑、建筑小品、水景、照明、道路、绿化等)2、竖向布置图3、室外给水、排水、热力、燃气等管网综合图4、电气(包括电力、电讯、电视系统等)综合图5、设计总说明书6、室外给水7、室外雨水8、室外污水9、室外热力10、室外燃气11、室外电讯12、室外电力13、室外电视14、室外建筑小品15、室外消防16、室外照明17、室外水景18、室外道路19、室外绿化专业竣工图1、建筑竣工图2、结构竣工图3、装修(装饰)工程竣工图4、电气工程竣工图5、智能建筑工程竣工图6、给排水工程(消防工程)竣工图7、采暖通风空调工程竣工图8、燃气工程竣工图工程验收文件1、工程概况表2、工程竣工总结3、单位(子单位)工程质量竣工验收记录4、房屋建筑工程质量检查报告书5、房屋建筑工程质量评估报告书6、房屋建筑工程竣工报告书7、房屋建筑工程竣工验收报告书8、竣工验收备案书(包括各专项验收认可文件)送交桥涵工程档案材料内容施工单位(乙方)材料1、工程开工报告、施工组织设计、技术交底2、工程竣工报告3、工程质量等级核验认定书4、工程定位测量复核记录5、原材料出厂合格证、试化验报告单6、工程质量检查记录(包括单位、分部、工序)7、予应力钢筋张拉记录、焊接试验报告8、变形、倾斜观测记录9、隐蔽工程检查验收记录10、图纸绘审、设计变更、技术联系单11、施工技术总结12、工程质量鉴定报告及交接验收证书13、工程质量及优质工程证书14、工程质量事故报告及处理结果补救措施15、竣工图16、工程照片、录音、录像送交道路工程档案材料内容施工单位(乙方)材料1、工程开工报告、施工组织设计、技术交底2、工程竣工报告3、工程质量等级核验认定书4、原材料出厂合格证、试化验报告单5、工程质量检查记录(包括单位、分部、工序),高程复测及密实度记录6、图纸绘审、设计变更、技术联系单7、竣工总结8、交工验收书及上级颁发的优质工程证书9、竣工图(包括平面、纵、横断面、结构大样等)10、工程照片、录音、录像监理单位归档材料1、施工组织设计(方案)报审表2、工程项目管理体系报审3、施工单位申请书4、监理工程师通知书5、工程竣工验收报审表6、监理会议纪要中的有关质量问题7、监理月报中的有关质量问题8、工程竣工总结9、工程开工/复工报审表10、工程暂停令11、施工测量放线报验表12、(分部、单位工程)工程报验审核表13、(隐蔽、中间验收)工程报验审核表14、(安全和功能检验、设备运转调试)工程报验审核表15、不合格项处置记录16、工程质量事故处理有关资料17、有关工程奖罚的文件资料18、检测部门质量信息反馈处理记录19、工程临时/最终延期申请表20、工程临时/最终延期审批表21、工程变更报审表22、合同争议、违约报告及处理意见建筑工程声像档案归档范围1、项目概况(项目名称、地址、面积、层数、结构形式、建设单位、设计单位、施工单位)2、项目可行性研究3、项目技术经济论证4、项目立项5、项目审批(规划、土地、施工许可)6、项目勘察、设计7、开工前原址、原貌8、拆迁情况9、开工典礼、开工时间10、工程基槽开挖及验槽11、工程基础施工12、工程主体施工(钢筋、砼、屋面隐藏)13、管道及设备安装14、管道试压及设备试运行15、砂浆、砼试块取样16、原材料进场取样17、工程主体竣工验收18、伸缩缝处理过程19、工程质量事故及处理20、工程竣工典礼、验收。
WORD格式整理版风管漏光漏风量测试测试方案一工程概况 (1)二测试人员组成 (1)三测试依据 (1)四测试原理 (2)五测试前准备工作 (2)六测试仪器及性能参数 (3)七测试抽样方案 (3)八漏风量测试结果计算 (4)九风管漏风量测试判断依据 (4)一.工程概况本工程共有29个空调系统,其中14个为低压空调系统;15个为中压空调系统;二.测试人员测试人员:现场配合人员若干三.施工依据1、中华人民共和国国家标准《通风与空调工程及验收规范》(GB50243-20022、《建筑设备施工安装图集通风与空调工程》91SB63、在不违反国内标准及配合国情下同时参照DW14及SMACN标准。
4、规格说明书及施工图纸。
四.测试原理1、漏光法检测1、1漏光法检测是应采用光线对小孔的强穿透力,对系统风管严密程度进行检测的方法。
1、2检测应采用具有一定强度的安全光源,光源可采用不低于100W带保护罩的低压照明灯,或其它低压光源。
1、3系统风管漏光检测时,其光源可置于风管内侧或外侧,但相对侧应为暗黑环境。
检测光源应沿被检测部位与接缝作缓慢移动,在另一侧进行观察,当发现有光线射出,则说明查到明业漏风部位,并作好记录。
1、4系统风管宜采用分段检测,汇总分析的方法,被检测系统风管不应有多处条缝形的明显漏光。
底压系统风管每10m接缝,漏光点不应超过2处,且100m 接缝平均不应大于16处;中压系统风管每10m接缝,漏光点不应超过1处,且100m接缝平均不应大于8处为合格。
1、5漏光检测中发现的条缝隙形漏光,应进行密封处理。
2、漏风法检测2、1在理想状态下向一个密闭容器注入气体,保持容器内压力恒定,此时注入的气体流量与密闭容器的泄漏量相等。
2、2将漏风测试仪风机的出风口用软管连接到被测试的风管上,该段风管除和测试装置用软管连接以及从上面引出一根风管测压管外,其余接口均应堵死。
当启动漏风检测仪并逐渐提高风机转速时,通过软管向风管中注风,风管内的压力也会逐步上升。
6.9 通风空调工程6.9.1 通风空调工程资料的分类、编号、提供单位与归档保存见表6.9.1.通风空调工程资料分类、编导、提供单位与归档保存表表6.9.1注:C2、C4、C8类资料按6.1.4条和6.2.2执行6.9.2 通风与空调工程物资资料1 各类板材、管材等应有出厂质量证明文件和性能检测报告。
2 压力表、温度计、湿度计、流量计、水位计等应有产品合格证和检测报告。
3 阀门使用前应有质量检测部门压力试验报告。
4 绝热材料应有产品质量合格证和性能检测报告。
6.9.3 通风空调工程施工记录1 《设备精平、找正记录》(6.8.3条表C5-32)2 《风机、水泵安装记录》(6.8.3条表C5-33)6.9.4 通风与空调工程隐蔽工程检查验收记录,一般包括以下内容1敷设与竖井内、不进人吊顶内的风道(包括各类附件、部件、设备等)应检验:1)风道的标高、材质,接口严密性,附件、部件安装位置;2)支、吊、托架安装与固定;3)活动部件是否灵活可靠、方向正确;4)风道分支、变径处理是否符合要求;5)风管的漏光、漏风检测、空调水管的强度、严密性、冲洗等试验记录。
2 有绝热、防腐要求的风管、空调水管及设备应检验;1)绝热材料的材质、规格、防腐处理及做法;2)绝热管道与支、吊架之间所用材料及做法。
6.9.5通风空调工程施工检测资料1 风管系统安装完成后,应进行风管漏光检测,填写《风管漏光检测记录》《表C7-54》。
2 风管系统安装完成后,应进行风管漏风检测,填写《风管漏风检测记录》《表C7-55》。
3 除尘器壳体、组合式空气调节机组应做漏风量的检测,填写《除尘器、空调机组漏风检测记录》(表C7-56)。
4通风与空调工程无生产负荷联合试运转时,应分系统的,将同一系统内的各房间的风量、室内房间温度进行测量调整,填写《室内风量、温度检测记录》(表C7-57)。
5通风与空调工程无生产负荷联合试运转时,应分系统的,将同一系统内的各测点的风压、风速、风量进行测试和调整,填写《风管风量平衡检测记录》(表C7-58)。