风管漏光检测记录
- 格式:docx
- 大小:6.46 KB
- 文档页数:3
系统接缝总长度(m)检 测 光 源分 段 序 号
12345风 管 漏 光 检 测 记 录
表C6-39
工程名称系统名称10111213
6789合 计
检测结论:
按《通风与空调工程施工质量验收规范》(GB50243-2002)相关规定进行漏光测试的各段漏光点均未超标。
评
字 栏
7
施工单位
北京城建集团有限责任公司
建设(监理)单位
朝阳公园东小区(南区)工程
2#楼1层 新风系统
125
200W带保护罩低压白炽灯
实测漏光点数(个)
111
总漏光点数(个)
1011每10米接逢的允许漏光点数(个/10m)
不大于2不大于2不大于2000100不大于2不大于2不大于2不大于2不大于2不大于2不大于2不大于2编 号试 验 日 期工作压力(Pa)
每10m接缝为一检测段的分段
不大于2不大于2
每100米接逢的允许漏光点数(个/100m)
平均小于16个
结 论合格合格合格08-C6-001
2005年10月26
61713
合格合格合格合格合格合格合格合格合格合格结 论合格
签 字 栏
专业技术负责人
本表由施工单位填写并保存。
建设(监理)单位
专业质检员
专业工长
-001
0月26日
17
3
论
格
格
格
格
格
格
格
格
格
格
格
格
格
论
格
标。
评定结论合格
工长。
风管漏风检测记录范例风管漏风检测记录范例如下:
风管漏风检测记录
●工程名称: XXXX图书馆通风与空调工程
●系统名称: 一层空调系统
●试验压力(Pa): 500
●施工单位: X0xX空调集团有限公司
●单位面积允许漏风量(m3/h): 5.997
●工作压力(Pa): 500
●检测日期: (具体日期)
●执行标准: DB23/719-2003
●检测面积(M2): 71
检测分段图示: (此处应插入风管分段图示) 分段实测数值:
●分段编号: 1
●项目:分段表面积
●数值:16.5
●试验压力(Pa): 500
●实际漏风量(m3/h): 52
●分段编号: 2
●项目:分段表面积.
●数值: 20
●试验压力(Pa): 500
●实际漏风量(m3/): 45
●分段编号: 3
●项目:分段表面积
●数值: 17.5
●试验压力(Pa): 500
●实际漏风量(m3/M): 77
●分段编号: 4
●项目:分段表面积.
●数值: 18.5
●试验压力(Pa): 500
●实际漏风量(m3/h): 80
记录人: (签名)
请注意,上述范例是一个模拟的风管漏风检测记录,其中的数值和数据仅用于示例目的。
在实际应用中,应根据具体的工程情况和实际检测数据进行填写。
湘质监统编风管漏光检查记录 施2002-65工程名称:湖南中医药大学第二附属医院手术室(第七、八、九层)净化工程检测日期: 2015年 9月 日 分项工程名称:风管系子分部工程名称:净化系统名称:AHU-1空调风风管级别:中压系统 系统接缝总长度(m ): m 系统测定分段数(段):5段检测区段图示:见施工图系统分段实测数值序分段接缝长度每10m 接缝漏光点1 12 03 04 1 56 7 8 9 10汇总分析:漏光检测采用220V 安全电压,1000W 白炽灯,系统无条形的明显漏光,每10m 接缝漏光点不超过1处,且100m 接缝平均漏光点不超过8处。
施工单位检测人: 监理(建设)单位旁站监督人:施工单位检测结果: 施工单位项目专业技术负责人: 年 月 日监理(建设)单位核查结论: 项目专业监理工程师(建设单位项目技术负责人: 年 月 日注:汇总分析内容主要包括检测使用的安全光源;被检测系统缝管有无条缝型的明显漏光;被检测系统为低、中压风管,每10m 接缝的漏光点是否分别超过2处和1处,且100m 接缝平均其漏光点是否分别超过16处和8处。
湘质监统编 风管漏光检查记录 施2002-65工程名称:湖南中医药大学第二附属医院手术室(第七、八、九层)净化工程检测日期: 2015年 9月 日 分项工程名称:风管系子分部工程名称:净化系统名称:AHU-2空调风风管级别:中压系统 系统接缝总长度(m ): m 系统测定分段数(段):7段检测区段图示:见净化空调施工图 系统分段实测数值序分段接缝长度每10m 接缝漏光点1 0 21 30 40 50 6 9 1 7 18 9 10汇总分析:漏光检测采用220V安全电压,1000W白炽灯,系统无条形的明显漏光,每10m接缝漏光点不超过1处,且100m接缝平均漏光点不超过8处。
施工单位检测人:监理(建设)单位旁站监督人:施工单位检测结果:施工单位项目专业技术负责人:年月日监理(建设)单位核查结论:项目专业监理工程师(建设单位项目技术负责人:年月日注:汇总分析内容主要包括检测使用的安全光源;被检测系统缝管有无条缝型的明显漏光;被检测系统为低、中压风管,每10m接缝的漏光点是否分别超过2处和1处,且100m接缝平均其漏光点是否分别超过16处和8处。
建筑工程风管漏光检测记录表
编号:
单位工程名称分部工程名称
分项工程名称项目经理
施工执行标准
名称及编号
风管级别光源功率
施工图号
(系统名称)
检测日期
检测标准低压系统风管以每10m接缝,漏光点不大于2处,且100m接缝平均不大于16处为合格;中压系统风管以每10m接缝,漏光点不大于1处,且100m接缝平均不大于8处为合格。
实测记录
部位接缝长度(m)检测结果部位接缝长度(m)检测结果验
收结论施工单位
项目专业质量检查员(签名):
项目专业技术负责人(签名):
年月日
专业监理工程师(签名):
(建设单位项目专业技术负责人)
年月日。
风管漏光检测记录1. 检测目的本次风管漏光检测旨在确保风管系统的正常运行和安全性,及时发现并修复风管系统中的漏光问题,保障室内空气质量。
2. 检测时间和地点•检测时间:2022年5月10日•检测地点:某某大厦一楼大厅3. 检测仪器和工具•风管漏光检测仪•梯子•手电筒•记录本和笔4. 检测方法1.打开风管通风系统,确保空气流动。
2.使用风管漏光检测仪,对风管系统进行逐段检测。
3.检测仪器每隔3米记录一个检测数据,并进行标记,便于后期分析和修复。
4.在检测过程中,使用梯子和手电筒辅助检查风管连接处和弯角处是否有漏光现象。
5.将检测过程中发现的漏光问题和位置记录在记录本上。
5. 检测结果经过对风管系统的全面检测,发现以下漏光问题:•大厅北侧第一段风管连接处有明显漏光现象。
•大厅中央第二段风管弯角处有轻微漏光现象。
在记录本上详细标注了漏光问题的位置、等级和状态。
6. 处理建议根据检测结果,提出以下处理建议:1.对大厅北侧第一段风管连接处的漏光问题,建议将连接处重新密封,确保其紧密接合,防止空气漏出。
2.对大厅中央第二段风管弯角处的轻微漏光问题,建议在弯角处增加密封胶带,加强密闭性。
7. 处理计划根据漏光问题的等级和状态,制定了以下处理计划:1.大厅北侧第一段风管连接处的漏光问题需立即修复,计划在本周五前完成。
2.大厅中央第二段风管弯角处的轻微漏光问题可延后处理,计划在下个月的定期维护中进行修复。
8. 检测总结通过本次风管漏光检测,发现了部分风管系统中的漏光问题,并提出了相应的处理建议和计划。
及时发现和修复风管漏光问题对于提高室内空气质量和保障人身安全具有重要意义。
下一步将按照处理计划进行维修,并定期进行风管系统的检测和维护,确保风管系统的正常运行。
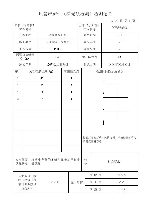
风管严密性(漏光法检测)检测记录风管严密性检测记录如下:单位名称:中骏﹒天誉(子单位)分部(子分地下室工程名称部)施工单位:XXX分项工程:防排烟系统风管系统安装:D-1/PF/PY-5、D-1/PF/PY-6、D-1/PF/PY-9风管级别:无工作压力:431Pa、464Pa、464Pa风管总接缝长度(m):104、144、156测试光源:100W低压照明灯允许漏光点:低压4点、低压5点、低压6点测试日期:无检测区段图示及说明:风管接缝长度(m)实测漏光点1 1点2 1点3 1点4 1点18 无28 1点28 1点30 1点存在问题:无处理情况:专业监理工程师(建设单位项目专业技术负责人)、质检员、施工单位施工员、试验员均认为结论符合要求。
检测区段图示及说明:风管接缝长度(m)实测漏光点1 1点2 1点3 1点4 1点5 1点28 1点28 1点28 1点30 1点30 1点存在问题:无处理情况:专业监理工程师(建设单位项目专业技术负责人)、质检员、施工单位施工员、试验员均认为结论符合要求。
检测区段图示及说明:风管接缝长度(m)实测漏光点1 1点2 1点3 1点4 1点5 1点6 1点24 1点24 1点24 1点24 1点30 1点30 1点存在问题:无处理情况:专业监理工程师(建设单位项目专业技术负责人)、质检员、施工单位施工员、试验员均认为结论符合要求。
将低压照明灯放在风管内侧,沿被检测部位与接缝做缓慢移动,以检测风管严密性(漏光法检测)。
本次检测记录包括风管系统安装情况、工作压力、风管总接缝长度等信息。
检测使用的测试光源为100W低压照明灯,共进行了4次测试。
专业监理、工程师、质检员、施工单位施工员和试验员等参与了本次检测。
经过检测,无结论符合要求。
以下是本次检测记录的详细信息:地下室工程名称:防排烟系统分项工程:D-1/PF/PY施工单位:XXX分包单位:XXX风管级别:低压允许漏光点:根据质控(通)表4.4.3-6共页第10页、第8页、第4页分别为无限制、149个、29个测试日期:分别为D-1/PF/PY-10、D-1/PF/PY-8、D-1/PF/PY-4检测区段图示及说明:在风管内侧,沿被检测部位与接缝做缓慢移动,共检测了24、26、30个接缝,实测漏光点分别为1、2、5个。
风管漏风检测记录填写范例以风管漏风检测记录填写范例为标题,写一篇文章。
风管漏风检测是指对建筑物或工业设备中的风管进行检测,以确定是否存在漏风现象。
漏风会导致能源浪费、室内温度不稳定等问题,因此及时发现并修复风管漏风问题十分重要。
本文将以填写风管漏风检测记录为主题,介绍一些填写范例,以供参考。
一、检测日期和地点检测日期:2022年4月1日检测地点:某商务大厦2楼办公区二、检测人员检测人员:张工联系方式:138xxxxxxx三、检测设备检测仪器:漏风检测仪型号:LD-200生产厂家:XXX仪器有限公司四、检测对象检测对象:2楼办公区风管系统风管材料:镀锌钢板风管直径:150mm五、检测方法检测方法:静态压力差法检测压力差:100Pa六、检测结果1. 风管1位置:2楼办公区东侧检测结果:无漏风现象2. 风管2位置:2楼办公区西侧检测结果:有局部漏风现象,风管连接处存在漏风缝隙3. 风管3位置:2楼办公区北侧检测结果:无漏风现象七、检测结论根据以上检测结果,风管系统存在局部漏风现象,请及时修复风管2的连接处漏风缝隙,以确保风管系统的正常运行和能源的有效利用。
八、修复措施1. 清除连接处残留的灰尘和异物。
2. 使用密封胶固定连接处,确保无漏风现象。
3. 检查风管其他部位是否存在漏风,如有漏风现象,及时修复。
九、检测记录填写人填写人:李秘书联系方式:139yyyyyyyy十、审核人审核人:王主管联系方式:137zzzzzzzz以上就是风管漏风检测记录的填写范例。
通过填写详细的检测记录,可以帮助相关人员了解风管系统的漏风情况,并采取相应的修复措施。
及时修复风管漏风问题,不仅可以提高能源利用效率,还可以改善室内环境质量,提升使用者的舒适度。
希望本文提供的填写范例能对风管漏风检测工作有所帮助,同时也希望大家在进行风管漏风检测时能够严谨认真,确保检测结果的准确性和可靠性。
只有这样,我们才能更好地保障建筑物和工业设备的运行效率,为可持续发展做出贡献。
风管漏光检测记录1. 检测内容本次风管漏光检测主要针对建筑物内部的通风系统进行。
通过使用透光装置,检测风管系统是否存在漏光现象,以确保系统的正常运行和通风效果。
2. 检测方法2.1 准备工作在进行风管漏光检测之前,需要做一些准备工作:•确保检测设备完好,包括透光装置、电源等。
•清理风管表面的灰尘和污垢,以避免干扰检测结果。
•关闭风管系统相关设备,以保证安全检测。
2.2 检测步骤以下是风管漏光检测的步骤:1.将透光装置倒置放置在风管入口,确保装置完全贴合风管表面,避免漏光。
2.打开透光装置的电源,并调整亮度和对比度,以获得清晰的图像。
3.检查风管表面,观察是否存在漏光现象。
4.使用摄像设备记录漏光情况,包括位置、大小等详细信息。
5.根据检测结果,及时修复或更换风管系统中存在漏光的部分,并重新进行漏光检测。
3. 检测结果本次风管漏光检测的结果如下:•检测到风管系统存在少量局部漏光现象,主要集中在风管连接处和弯头部分。
•漏光部分的大小从几毫米到几厘米不等。
•漏光现象主要由风管表面的磨损、老化或安装不牢固导致。
4. 问题解决根据检测结果,需要采取以下措施解决风管漏光问题:•确保风管连接处的密封性,若存在漏光现象,则重新进行密封处理。
•检查风管表面是否有磨损或老化现象,及时更换或修复受损部分。
•加强风管系统的安装和固定,确保其牢固可靠。
5. 结论通过本次风管漏光检测,发现并解决了风管系统中存在的漏光问题。
及时修复漏光部分,可以提高通风系统的效率和安全性。
风管漏光检测是建筑物通风系统维护中重要的一环,对于确保室内空气质量和健康环境具有重要意义。
定期对风管系统进行漏光检测,可提前发现问题并及时处理,确保通风系统的正常运行和安全性。
注意:检测过程中要注意安全,避免触碰电源和操作设备时造成误伤。
同时,在维护和修复风管漏光问题时,应遵循相关安全操作规程,确保作业人员的安全。
F0303_风管漏光检测记录一、检测目的:风管系统是建筑物内部通风、空气调节的重要设施。
检测风管是否存在漏光问题,是为了保证风管系统的正常运行和确保室内空气质量,减少能耗和提高建筑节能效果。
本次风管漏光检测的目的主要有两个方面:一是检测风管系统的密封性能,确保不会产生漏风现象;二是检测风管壁体的质量,确保不会有裂隙、破损等情况。
二、检测方法:本次风管漏光检测采用红外线热成像技术,通过红外相机对风管系统进行拍摄和图像记录,通过红外图像判断风管系统是否存在漏光问题。
同时,还可以通过目测和手触来辅助判断风管壁体的质量情况。
三、检测过程:1.对待检风管系统进行全面检查,包括主干管、支管、弯头、分支管等,确保所有部位都能够被检测到。
2.对每一部位进行红外成像拍摄,记录下每个部位的红外图像。
主要通过观察图像中是否有漏光现象来判断是否存在风管问题。
3.检测过程中,特别关注风管系统的连接部位和接口处,这些部位更容易发生漏风问题。
对于发现有漏光现象的部位,进行标记并记录下来。
4.在目测和手触的辅助下,对风管的壁体质量进行判断。
检查风管的外观是否有裂隙、破损等情况,手触风管的表面是否光滑平整。
5.检测完成后,整理红外图像和记录的数据,制作检测报告。
四、检测结果:本次风管漏光检测中,共检测了XX处风管系统。
经过仔细观察和红外图像分析,发现XX处存在漏光问题,主要集中在连接部位和接口处。
这些位置的漏光问题可能会导致风管系统的漏风,影响室内空气质量和能耗效果。
同时,目测和手触辅助下,发现了XX处风管的壁体质量存在问题。
有的风管表面有裂隙、破损的现象,非常不平整。
综上所述,本次风管漏光检测结果显示部分风管系统存在漏光问题,并且壁体质量也有待改善。
五、改进建议:针对检测结果显示的漏光问题和壁体质量问题,对风管系统进行改进和维修是必要的。
具体的改进建议如下:1.对存在漏光问题的部位进行修复,增强连接部位和接口处的密封性。
可以使用密封胶、胶带等材料进行修复,确保风管系统不再产生漏风现象。