静载荷试验报告模板
- 格式:doc
- 大小:210.00 KB
- 文档页数:14
报告编号第页共页受控号工程质量检测报告工程名称:检测内容:采用单桩竖向抗压静载荷试验检测单桩竖向承载力(例)检测机构名称委托单位:建设单位:设计单位:施工单位:监理单位:勘察单位:检测单位:说明:1、报告及骑缝未加盖检测报告专用章无效;2、报告复印件未加盖检测报告专用章无效;3、报告无检测人、编写、审核、批准签名无效;4、报告涂改无效;5、本报告复议期为十五天。
检测单位地址: XXXX检测单位资质证书编号: XX XX XX XX邮政编码:XX 电话:XX目录1 工程概况 (3)2 检测概述 (3)3 现场检测 (6)4 检测结果与分析 (7)5 结论 (8)附表1:X1#桩静载荷试验结果汇总表 (10)附表2:X2#桩静载荷试验结果汇总表 (12)附表3:X3#桩静载荷试验结果汇总表 (12)附图1:X1#工程桩的荷载-沉降、沉降-时间对数曲线 (12)附图2:X2#工程桩的荷载-沉降、沉降-时间对数曲线 (16)附图3:X3#工程桩的荷载-沉降、沉降-时间对数曲线 (16)附图4:试桩平面位置示意图 (13)附图5:X1#桩现场试验照片 (13)附图6:X2#桩现场试验照片 (12)附图7:X3#桩现场试验照片 (12)附件:桩基工程现场检测见证确认表(略) (13)1 工程概况工程概况见表1。
表1 工程概况表2.1检测目的该基桩工程已施工完毕,应委托方要求,采用静载试验进行验收检测,以确定单桩竖向抗压极限承载力是否满足设计要求。
2.2检测依据1 设计图纸;2 经批准备案的检测方案;3 《建筑基桩检测技术规范》(JGJ 106-2014);4 国家和地区有关法规及标准。
2.3试验仪器设备试验所用仪器设备见表2.3。
仪器设备均在正常使用有效期内。
2.4抽检数量2.4.1根据《建筑基桩检测技术规范》(JGJ 106-2014)第3.3.4条:当符合下列条件之一时,应采用单桩竖向抗压承载力静载试验进行验收检测。
单桩竖向抗压静载荷试验检测报告工程名称:******工程地点:*****委托单位:******检测日期:*年*月*日~*日报告编号:*******工程技术有限责任公司**年**月**日*******单桩竖向抗压静载荷试验检测报告检测人:**[此处填写检测员上岗证号]**[此处填写检测员上岗证号]报告编写人:**[此处填写检测员上岗证号]复核人:**[此处填写检测员上岗证号]审核人:**[此处填写检测员上岗证号]批准人:***声明:1. 本报告涂改、错页、换页、漏页无效;2. 检测单位名称与检测报告专用章名称不符者无效;3. 本报告无我单位相关技术资格证书章无效;4. 本报告无审核、批准人签字无效;5.未经书面同意不得复制(完整复制除外)或作为他用。
6.如对本检测报告有异议或需要说明之处,可在报告发出后15 天内向本检测单位书面提出,本单位将于5日内给予答复。
检测单位:**地址:*邮政编码:*监督联系电话:*单位网址:*E-m a i l :*联系人:***** ***年***月***日一项目概况 (4)二地质概况 (4)三检测依据 (5)四现场检测 (5)五检测结果 (5)六检测结论 (7)七附图表 (7)-、项目概况表二、地质概况详情见*****有限公司提供的勘察报告。
三、检测依据《建筑地基基础检测技术规范》DB42/269-2003《建筑基桩检测技术规范》JGJ106-2003四、现场检测1、加载、卸载方式(1)试验采用地锚作为反力装置。
该装置由上、下两大部分组成,地上部分为空间桁架结构,起到传递荷载约束变形的作用,地下部分由螺旋地锚排列组合而成,主要提供试验所需的抗拔反力,试验时用油压千斤顶分级加载。
(2)本次检测共分为10级,每级加载量为要求最大试验荷载的1/10,第一级按2倍分级荷载加载,其后逐级加至预定最大试验荷载。
(3)卸载共分5级,等额卸载。
2、沉降测量在桩顶两边对称装设2个百分表,按规定时间测定沉降量,百分表分辨率为0.01mm,每级荷载施加后按第5、15、30、45、60min测读桩顶沉降量,以后每隔30min 测读一次。
合川城区涪江上段防洪护岸工程(赵家渡段)二标段桩基静荷载试验报告编号:2014桩基(J)001检测报告重庆恒信水利工程质量检测有限责任公司2014年7月1日注意事项1、报告无检测单位“报告专用章”无效;2、报告无报告编写、报告校对、报告审核人签字无效;3、报告涂改无效;4、非经同意,不得部分复制本报告;5、对本检测报告若有异议,应于收到报告之日起十五日内向检测单位提出,逾期不予受理;6、对于委托检验,样品代表性由委托单位负责.建设单位:重庆江城水务有限公司设计单位:重庆市水利电力建筑勘察设计研究院监理单位:黄河工程监理咨询有限责任公司施工单位:重庆洪源建筑集团有限公司检测单位:重庆恒信水利工程质量检测有限责任公司项目参与人员:报告编写:报告校对:报告审核:合川城区涪江上段防洪护岸工程(赵家渡段)二标段桩基静荷载试验检测报告一、工程概况××工程地上2层.地基基础采用深层搅拌桩.桩径为ф700,基础混凝土强度等级为C25.单桩设计承载力为200kN,经深层搅拌处理后地基承载力特征值不得小于180KPa,建筑结构安全等级为二级.我中心于历时3日完成对该工程地基的静载荷试验检测工作,试验点(桩)总数为6个.(具体情况见下表1,平面布置示意图见下图1).现依据试验原始数据提交本次试验检测报告.表1 各试验点具体情况一览表图1 各试验点平面布置示意图二、检测依据1、《建筑地基处理技术规范》(JGJ79—2002)2、《岩土工程勘察规范》(GB50021-2001)3、《建筑桩基技术规范》(JGJ 94-94)4、《建筑基桩检测技术规范》(JGJ 106-2003)5、《江西省桩基质量检测管理规定》(试行)6、《江西省建筑基桩及复合地基检测方法及取样数量》---赣力基础【2005】第001号7 、设计图纸及相关说明文件三、载荷试验㈠、复合地基土载荷试验检测1、试验设备试验采用砂袋压重平台反力装置,千斤顶施压,主梁由4根18号工字钢组成,副梁由5根18号工字钢组成.采用1只QYL50型千斤顶加载,承压板顶面沉降变形分别采用对角的2个百分表(精度为0.01米米)测读.加载量由千斤顶上的精密压力表控制(承载板试验装置见图3-1-1).图3-1-1 承压板载荷试验装置2、试验方法采用分级对试点进行加载.试验标准参照《建筑地基处理技术规范》(JGJ79-2002)进行.①加载与卸载分级:分8级进行加载.②沉降观测时间:每级加载前后测读一次,以后每隔30米in测读一次沉降.当1小时内沉降量小于0.1米米时,施加下一级荷载.3、终止加载条件当出现下列情况之一时,即可终止加载:①沉降量急剧增大,土被挤出或承压板周围出现明显的隆起;②承压板的累计沉降量已大于其宽度或直径的6%;③当达不到极限荷载,而最大加载压力已大于设计要求压力值的2倍;4、复合地基承载力特征值的确定:①当压力-沉降曲线上极限荷载能确定,而其值不小于对应比例界限的2倍时,可取比例界限;当其值小于对应比例界限的2倍时,可取极限荷载的一半;②当压力-沉降曲线是平缓的光滑曲线时,可按相对变形值确定:水泥土搅拌桩或旋喷桩复合地基,可取s/b或s/d等于0.006所对应的压力.(s为载荷试验承压板的沉降量;b和d分别为承压板宽度和直径,当其大于2米时,按2米计算)㈡、单桩竖向静载试验检测1、试验原理单桩竖向抗压静载试验的原理是用接近于竖向抗压桩的实际工作条件的试验方法,确定单桩竖向抗压极限承载力,作为设计依据或对工程桩的承载力进行抽样检验和评价.2、试验设备试验采用砂袋压重平台反力装置,千斤顶施压,主梁由4根18号工字钢组成,副梁由5根18号工字钢组成.采用1只QYL50型千斤顶加载,桩顶面沉降变形分别采用对角的2个百分表(精度为0.01米米)测读.加载量由千斤顶上的精密压力表控制(单桩竖向静载试验装置见图3-2-1).图3-2-1 单桩竖向静载试验装置示意图3、试验步骤⑴、加载与卸载分级:根据规范,按设计要求最大试验荷载分8级进行加载,卸载每级为加载分级的两倍.具体加载与卸载分级详见各试桩竖向静载结果汇总表.⑵、沉降观测:每级加载后间隔5、30、60米in各测读一次,以后每隔30米in测读一次.⑶、试桩沉降相对稳定标准:每一小时的桩顶沉降量不超过0.1米米,并连续出现两次(从分级荷载施加后第30米in开始,按1.5h连续三次每30米in的沉降观测值计算).⑷、当桩顶沉降速率达到相对稳定标准时,再施加下一级荷载.⑸、卸载时,每级荷载维持1h,按第15、30、60米in测读桩顶沉降量后,即可卸下一级荷载.卸载至零后,应测读桩顶残余沉降量,维持时间为3h,测读时间为第15、30米in,以后每隔30米in测读一次.⑹、终止加载条件:当出现下列情况之一时,即可终止加载:①、某级荷载下,桩顶的沉降增量达前一级荷载下沉降增量的5倍;(注:当桩顶沉降量能相对稳定且总沉降量小于40米米时,宜加载至桩顶总沉降量超过40米米.)②、某级荷载下,桩顶沉降量大于前一级荷载作用下沉降增量的2倍;且经24h尚未达到相对稳定标准.③、已达设计和甲方要求最大试验荷载.④、当荷载-沉降曲线呈缓变型时,可加载至桩顶总沉降量60-80米米;在特殊情况下,可根据具体要求加载至桩顶累计沉降量超过80米米.⑺、极限承载力确定方法:①根椐沉降随荷载的变化特征确定极限承载力:对于陡降型Q-s曲线取其发生明显陡降的起始点对应的荷载值;②根椐沉降随时间的变化特征确定极限承载力:取s-lgt曲线尾部出现明显向下弯曲的前一级荷载值;③当某级荷载作用下,桩的沉降量大于前一级荷载作用下沉降量的2倍;且经24小时尚未达到稳定时,取前一级荷载值;④对于缓变型Q-s曲线可根据沉降量确定,宜取s=40米米对应的荷载值;当桩长大于40米时,宜考虑桩身弹性压缩量;对直径大于或等于800米米的桩,可取s=0.05D(D 为桩端直径)对应的荷载值.四、试验成果分析各点载荷试验结果汇总表及依据各附表绘制出的曲线(见附图1).3个试验点(1号点、2号点、3号点)当荷载加至140kN时,总沉降量均未超过承压板直径的6%,沉降及稳定时间均正常,Q-s曲线未出现陡降段,表明3个试验点在试验荷载下均未达到极限状态.依据规范综合分析确定, 3个试验点地基承载力特征值均不小于180KPa.1号桩试验加载至340kN时,本级沉降量为0.45米米,累计总沉降量为6.83米米,沉降及稳定时间正常,Q-s曲线未发生陡降,S-lgt曲线尾部未出现向下弯曲.依规范要求,决定终止加载.依据规范综合分析确定,该桩实测极限承载力不小于340kN.2号桩试验加载至340kN时,本级沉降量为0.65米米,累计总沉降量为15.43米米,沉降及稳定时间正常,Q-s曲线未发生陡降,S-lgt曲线尾部未出现向下弯曲.依规范要求,决定终止加载.依据规范综合分析确定,该桩实测极限承载力不小于340kN.3号桩试验加载至340kN时,本级沉降量为0.46米米,累计总沉降量为10.43米米,沉降及稳定时间正常,Q-s曲线未发生陡降,S-lgt曲线尾部未出现向下弯曲.依规范要求,决定终止加载.依据规范综合分析确定,该桩实测极限承载力不小于340kN.五、结论本次所检测的3根深层搅拌桩单桩极限承载力均不小于340kN,3个试验点的地基承载力特征值均不小于180KPa,表明该复合地基的地基承载力满足设计要求.重庆恒信水利工程质量检测有限责任公司附图11#桩桩径(m):0.70测试日期:单桩竖向抗压承载力试验汇总表工程名称:试验桩号:2#桩桩径(m):0.70测试日期:工程名称:试验桩号:3#桩桩径(m):0.70测试日期:工程名称:试验桩号:1#点承压板面积(m):0.385测试日期:工程名称:试验桩号:2#点承压板面积(m):0.385测试日期:工程名称:试验桩号:3#点承压板面0.385测试日期:工程名称:试验桩号:附件:工程施工现场应急预案及安全保证措施一、编制原则1、以人为本,安全第一原则。
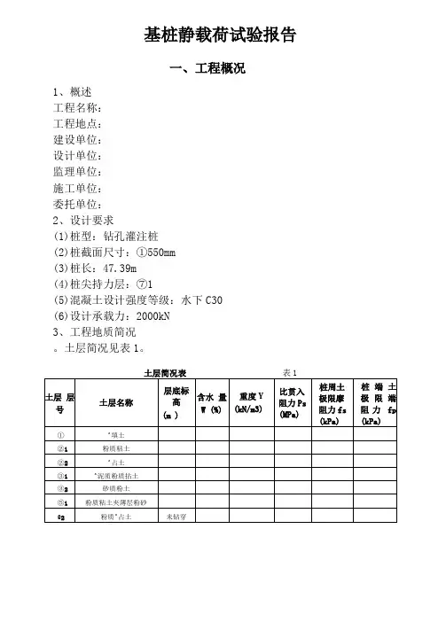
基桩静载荷试验报告一、工程概况1、概述工程名称:工程地点:建设单位:设计单位:监理单位:施工单位:委托单位:2、设计要求(1)桩型:钻孔灌注桩(2)桩截面尺寸:①550mm(3)桩长:47.39m(4)桩尖持力层:⑦1(5)混凝土设计强度等级:水下C30(6)设计承载力:2000kN3、工程地质简况。
土层简况见表1。
土层简况表表14、桩基施工简况:本次抽检桩的成桩资料详见表2。
试桩的施工简况:、现场检测1、检测目的根据有关规范及设计要求,通过对工程桩的静载荷试验,判定基桩极限承载力。
2、检测依据:《建筑基桩检测技术规程》(DGJ 08-218-2003)o3、检测设备:(1)反力装置:采用锚桩横梁反力装置,示意图见图1。
(2)荷载装置:试验荷载由两台3200kN油压千斤顶通过一台电动液压油泵施加于试桩桩顶。
荷载大小由并联于千斤顶油路的).4级精密压力表测读。
图1单桩竖向静载试验设备安装示意图(3)量测系统:试桩桩顶沉降量采用4只量程为50mm、精度为0.01mm 的百分表测读。
4只百分表对称安置在桩侧2个正交直径方向上,安置百分表的沉降测定平面在桩顶以下300mm。
固定和支撑百分表的磁性表支座安置在基准梁上。
基准梁为10号“工” 字钢,一端固定在基准桩上,另一端简支在基准桩上。
基准桩采用1.5m长的440mm钢管打入地下不小于1.0m,基准桩与试桩和锚桩中心距离均大于2.0m。
仪器设备的检定情况表34、测试数量:共2根试桩,试桩位置见桩位平面布置图。
6611斯位平面布管5、测试日期:2006年11月3日至11月6日。
6、荷载分级:本次试验最大加载量为3680kN,每级荷载增量为最大加载量的1/10,第一级荷载为加载增量的2倍,共分9级加载;每级卸载量为分级加载量的2倍,共分5级卸载。
力口、卸载顺序:0-736―1104—1472—1840—2208—2576—2944—3312—3680一2944—2208—1472-736-0(kN)7、加载方式:慢速维持荷载法。
静力载荷试验数据数据处理由原始数据统计处理,我们得到以下一个表格,每级荷载作用下,我们通过率定曲线,得出千斤顶的力,由此计算出每级荷载下,承压板对地基土的压力。
再由百分表的读数得出每级压力下稳定的沉降量,汇总于下表格。
以上表格数据,帮助我们绘出该地基土的P-S曲线(见附图一),由原始数据我们还得出每级荷载下的S-lgt曲线见(附图二)。
1.试验成果分析及工程应用通过载荷试验,得到的最直接,也是最重要的是载荷试验原始记录。
试验过程中不仅记录荷载-时间-沉降,还记录了其它与载荷试验相关的信息,包括载荷板尺寸、载荷点试验深度(或试验桩桩长)、千斤顶量程与型号、沉降观测仪器与型号、天气、气温等等。
记录数据见附表。
资料整理如下:(1)、绘制p-s曲线(p-s曲线的必要修正:图解法或最小二乘修正法)根据载荷试验原始沉降观测记录,将(p, s)点绘在厘米坐标纸上。
由于p-s曲线的初始直线段延长线不通过原点(0,0),则需对p-s曲线进行修正。
此处采用图解法进行修正,其中0=0.06s mm,即将曲线整体向上平移0.06mm。
如附图一所示。
(2)、绘制s -lg t 曲线在单对数坐标纸上绘制每级荷载下的s —lgt 曲线,注意标明坐标名称和单位。
同时需要标明每根曲线的荷载等级,荷载单位用kPa 。
如附图二所示。
(3)、地基承载力特征值ak f由于p-s 关系呈缓变曲线,不宜采用拐点法和极限荷载法确定地基承载力特征值,故采取相对沉降法。
其中,b=0.4m ,s/b 取0.01,即=0.010.4=0.004⨯s m = 4 mm 所对应的荷载作为地基承载力特征值,但其值不大于最大加载量的一半。
由p-s 曲线知,当=4s mm 时,=100p kPa试验在进行到加载为120kpa 时,由于天气原因,下雨了,我们被迫终止试验,因此120kpa 加载并非破坏时的最大荷载。
所以不能确定当=4s mm 时,=100p kPa 是否小于最大加载量的一半。
合川城区涪江上段防洪护岸工程(赵家渡段)二标段桩基静荷载试验报告编号:2014桩基(J)001检测报告重庆恒信水利工程质量检测有限责任公司年月日201471注意事项1、报告无检测单位“报告专用章”无效;2、报告无报告编写、报告校对、报告审核人签字无效;3、报告涂改无效;4、非经同意,不得部分复制本报告;5、对本检测报告若有异议,应于收到报告之日起十五日内向检测单位提出,逾期不予受理;、对于委托检验,样品代表性由委托单位负责。
6.桩基静荷载试验检测报告建设单位:重庆江城水务有限公司设计单位:重庆市水利电力建筑勘察设计研究院监理单位:黄河工程监理咨询有限责任公司施工单位:重庆洪源建筑集团有限公司检测单位:重庆恒信水利工程质量检测有限责任公司项目参与人员:写:编报告:对告校报核:告报审桩基静荷载试验检测报告合川城区涪江上段防洪护岸工程(赵家渡段)二标段桩基静荷载试验检测报告一、工程概况ф700,基础混凝土强度层。
地基基础采用深层搅拌桩。
桩径为2××工程地上,经深层搅拌处理后地基承载力特征值不得小200kN C25。
单桩设计承载力为等级为,建筑结构安全等级为二级。
180KPa于日完成对该工程地基的静载荷试验检测工作,试验点(桩)总数我中心于历时3。
现依据试验原始数据提交),平面布置示意图见下图16个。
(具体情况见下表1为本次试验检测报告。
各试验点具体情况一览表表1试验点(桩)最大试验荷载承压板面积承压板直径试验日期(kN)(m)2)(m号编日29月年1#桩20146340//29月2014年6点1#1400.600.283日29月6年2014桩2#/340/日29月6年2014点2#1400.2830.60日页12共页1第告检测报静荷载试验桩基各试验点平面布置示意图1图二、检测依据)—2002》(JGJ79理地基处技术规范1、《建筑(GB50021-2001)、《岩土工程勘察规范》2)94-94(JGJ基技术规范》3、《建筑桩)106-2003》规范(JGJ基4、《建筑桩检测技术(试行)、《江西省桩基质量检测管理规定》5《江西省建筑基桩及复合地基检测方法及取样数量》6、号】第001---赣力基础【2005、设计图纸及相关说明文件7三、载荷试验㈠、复合地基土载荷试验检测、试验设备1号工字钢组成,副根184试验采用砂袋压重平台反力装置,千斤顶施压,主梁由页12共页2第告检测报基静荷载试验桩型千斤顶加载,承压板顶面沉降变形分只QYL50号工字钢组成。
※※市※※区※※住宅楼地基土载荷试验报告委托单位:※※※※※※工程名称:※※报告编号: 2008TCOR003报告日期:※※※※检测有限公司共 12 页地基土承载力静载试验报告批准: 审核: 校核: 检验:一、概况(一)工程概况拟建的※※※※省※※市※※小区位于※※市※※区,南为工业路,西邻六一路,占地面积约※※平方米。
首次开工的※※小区3#、7#、8#、9#楼位于小区的西南部,为地上六层住宅楼,局部6.5层建筑。
3#、7#楼长※※米,宽※※米,8#楼长※※米,宽※※米,9#楼长※※米,宽※※米。
本次地基土共做3组静载荷试验。
(二)检测目的与任务根据《建筑地基处理技术规范》(JGJ79-2002)及设计要求,检测目的为:通过地基静载荷试验,确定地基土承载力特征值。
检测中严格执行国家有关规范、规程,随时与业主和设计院进行沟通,保证检测工作的顺利进行。
(三)检测工作执行规程、规范1、《建筑地基处理技术规范》(JGJ79-2002)2、《建筑基桩检测技术规范》(JGJ106-2003)3、《建筑地基基础设计规范》(GB5007-2002)(四)任务完成情况我单位于※※※※年※※月※※日~※※月※※日进行了地基土静载荷试验3组。
※※月※※日完成全部资料的分析整理,提交该成果报告。
二、工程地质条件拟建的※※市※※小区场地土以第四系沉积物为主。
岩性以粉土、粉质粘土、粉砂、中砂为主,夹有少量粗砂、卵砾石。
按照不同的岩土类型并结合现场原位测试结果(标准贯入、静探测试)将场地土划分为11层,工程特性自上而下分述如下。
1、杂填土:干-稍湿,松散,层厚0.30~2.10m;1-1、人工填砂:干-稍湿,松散,局部饱和,层厚0.50~1.20m2、粘土:湿,可塑、软塑,粘性较强,层厚0.30~2.00m;3、淤泥:软塑,饱和,层厚1.40~9.40m;4、粉质粘土:湿,可塑,软可塑为主,层厚0.90~11.00m;5、含泥中砂:饱和,稍密~中密,层厚0.40~17.50m;5-1、淤泥夹砂:饱和,流塑,层厚0.40~9.10m;6、淤泥质粘土:软塑,饱和,层厚0.40~14.70m;6-1、淤泥夹砂:湿,软塑、软可塑为主,饱和,层厚1.30~4.00m;6-2、粉质粘土:湿,可塑、软可塑为主,层厚1.60~9.00m;7、粉质粘土:湿,可塑、软可塑为主,层厚0.60~13.10m;7-1、含泥中砂:饱和,稍密~中密,层厚1.50~18.00m;8、残积砂质粘性土:湿,可塑,层厚0.40~2.00m;9、全风化片麻岩:湿,可塑,层厚0.40~7.20m;10、强风化细粒黑云母片麻岩:湿,硬,层厚0.00~10.80m;11、中风化细粒黑云母片麻岩:湿,较硬,该层最大揭示厚度4.50m。
地基基础检测报告工程名称:/检测项目:振冲桩复合地基静载荷试验、动力触探检测委托单位:/检测性质:委托检测检测日期:静载荷试验、动力触探检测设计单位:/监理单位:/地勘单位:/施工单位:/-试验:审核:签发:目录一、前言 (4)二、检测标准、原理 (4)三、工程慨述 (5)四、工程地质概况 (5)五、检测的仪器设备 (6)六、试验点位的选取 (6)七、检测结果 (6)八、结论 (8)附图表静载荷试验结果汇总表及P~S曲线图动力触探检测结果汇总表及曲线图桩位平面布置示意图声明:1、报告无计量认证章、资质专用章以及委托检验专用章或业务专用章无效。
2、复制报告未经重新加盖计量认证章、资质专用章以及委托检验专用章或业务专用章无效。
3、报告无报告人、审核人、批准人签章无效。
4、报告涂改、换页无效,无骑缝章无效。
5、对送样委托检测,检测报告仅对来样负责。
6、对检测报告假设有异议,应于收到报告之日起十五日内向检测单位提出。
医疗中心医院建设工程纯地下室静载荷试验、动力触探检测一、前言我公司受×××的委托,于年月日至日对×××工程纯地下室的振冲碎石桩桩体进行了动力触探检测;于年月日至月日进行了单桩复合地基静载荷试验。
检测目的:通过静载试验,模拟建筑物地基的实际受荷条件,测定振冲碎石桩复合地基的承载力特征值和变形参数。
通过动力触探,对桩体进行评价,判定地基振冲碎石桩桩体的施工质量。
现根据试验数据和资料综合分析提交试验报告。
二、检测标准、原理《建筑地基处理技术标准》〔JGJ79-2012〕;《岩土工程勘察标准》〔GB50021-2001 2009版〕;《四川省建筑地基基础检测技术规程》〔DBJ51/T014-2013〕。
1、静载荷试验:采用正方形承压板,压板面积为m2,由千斤顶反力加荷,精密百分表测量沉降。
根据沉降计算各测点承载力特征值。
试验加荷共分8级,每级加荷后立即读记一次沉降量,以后每隔30min观测一次,每级荷载的维持时间均不得少于小时,稳定标准为每小时的沉降量小于。
天然地基静载试验报告
一、天然地基静载试验报告
咱们来聊聊这个天然地基静载试验报告呀。
这东西其实还挺有趣的呢,就像是给地基做一场超级严格的体检。
地基嘛,那可是建筑的根基,就像人的脚一样重要。
这个静载试验呢,就是要看看这个“脚”到底够不够结实,能不能撑起上面的高楼大厦。
在做这个试验的时候啊,有好多步骤呢。
首先得选好测试的地点,这个地点可不能随便选,得具有代表性。
然后呢,要准备好各种各样的测试设备,那些设备看起来就特别酷,像是一堆精密的仪器在等着大展身手。
测试的时候,要一点一点地给地基加压力,就像给它做负重训练一样。
每加一点压力,就得仔细观察地基的反应,看看它会不会变形啊,会不会有什么异常的情况。
这个过程就像是在跟地基对话,问它“你行不行呀”。
在记录数据的时候也是超级重要的。
每一个数据都像是地基的小秘密,得小心翼翼地记下来。
要是一不小心记错了,那可就麻烦了,就像给地基误诊了一样。
而且啊,这个试验报告可不能随便写。
得把试验的过程、得到的数据、还有最后的结论都写得清清楚楚的。
比如说,这个地基的承载能力是多少,能不能满足建筑的要求等等。
最后呢,这个报告就像是地基的成绩单一样,是给建筑设计师还有施工人员看的。
他们看到这个报告,就知道这个地基靠不靠谱,能不能在上面安心地盖房子了。
反正啊,这个天然地基静载试验报告虽然做起来有点复杂,但是真的很重要呢。
它是保证建筑安全的一个关键环节,就像守护建筑的小卫士一样。
第1篇一、实验目的本次实验旨在通过混凝土静载实验,了解混凝土在静力作用下的力学性能,包括抗压强度、抗折强度和弹性模量等。
通过实验,加深对混凝土结构力学性能的认识,为实际工程应用提供理论依据。
二、实验原理混凝土静载实验是通过在混凝土试件上施加静力荷载,测量其应力、应变和变形等参数,从而得出混凝土的力学性能指标。
实验中,通常采用单轴压缩实验和抗折实验两种方法。
三、实验材料与设备1. 实验材料:- 混凝土试件:标准立方体试件(150mm×150mm×150mm)和标准棱柱体试件(150mm×150mm×300mm)。
- 水泥:符合国家标准的普通硅酸盐水泥。
- 砂:中粗砂,符合国家标准的级配要求。
- 石子:碎石,符合国家标准的级配要求。
- 水:符合国家标准的自来水。
2. 实验设备:- 混凝土静载实验机:用于施加静力荷载。
- 应变仪:用于测量混凝土试件的应变。
- 荷载传感器:用于测量混凝土试件所受荷载。
- 千分表:用于测量混凝土试件的变形。
- 秒表:用于记录实验时间。
四、实验步骤1. 准备试件:将混凝土试件加工成标准尺寸,并确保表面平整。
2. 涂抹凡士林:在试件表面涂抹一层凡士林,以防止试件在实验过程中发生滑移。
3. 安装试件:将试件放置在实验机上,确保试件中心与实验机中心对齐。
4. 施加荷载:按照实验要求,缓慢施加静力荷载,直至试件破坏。
5. 测量数据:在实验过程中,记录荷载、应变和变形等参数。
6. 计算结果:根据实验数据,计算混凝土的抗压强度、抗折强度和弹性模量等指标。
五、实验结果与分析1. 抗压强度:本次实验测得混凝土的抗压强度为30.2MPa,符合设计要求。
2. 抗折强度:本次实验测得混凝土的抗折强度为4.8MPa,符合设计要求。
3. 弹性模量:本次实验测得混凝土的弹性模量为3.2×10^4MPa,符合设计要求。
通过实验结果分析,可以看出,本次实验所制备的混凝土试件力学性能良好,满足设计要求。
检测报告工程名称:建设单位名称:工程地址:检测日期检测性质:XX交大工程项目管理XX报告日期:20XX年XX月XX日XXX静载试验检测报告主要检测人:报告编写人:审核人:批准人:声明1、检测报告无检测专用章、检测报告专用章与检测单位公章无效。
2、检测报告无审核、批准人签字无效。
3、复制检测报告未重新签章无效。
4、检测报告涂改、换页、无骑缝章无效。
5、对检测报告若有异议,应于收到报告之日起十五日内向检测单位提出。
6、本检测报告共XX页。
检测单位:XX交大工程项目管理XX单位地址:XX市金牛区交大路203号千佳大厦6楼〔〕:028-xxxxxxxx〔xxxxxxxx〕邮政编码:610031目录一、工程概况二、执行标准与依据三、工程地质概况四、现场检测4.1、试验点位4.2、检测方法4.3、设备列表五、试验资料整理与分析六、检测结论七、附录图表一、工程概况工程概况表表1我公司受XXXX的委托,于20XX年XX月XX日~XX月XX日对XXX工程进行单桩竖向抗压静载试验检测。
检测目的:采用单桩竖向抗压静载试验检测单桩竖向抗压承载力特征值是否满足设计要求。
二、执行标准与依据执行标准:1、《建筑基桩检测技术规X》〔JGJ 106-2014〕;2、《建筑地基基础工程施工质量验收规X》〔GB 50202-2002〕;3、《XX省建筑地基基础检测技术规程》〔DBJ51/T014-2013〕。
试验依据:1、《XXX工程岩土工程勘察报告》;2、委托方提供的设计、施工等相关资料。
三、工程地质概况四、现场检测4.1、试验点位根据相关规X并应委托方要求:抽取总桩数的1%且不少于3根桩进行单桩竖向抗压静载试验检测。
本工程总桩数共XXX根,抽取X根桩进行单桩竖向抗压静载试验,试验点位由甲方、设计与监理等单位共同选定,检测点位平面布置示意图详见附录二。
4.2、检测方法单桩竖向抗压静载试验4.2.1仪器设备与其安装本次单桩竖向抗压静载试验采用压重平台反力装置,配重采用2.5T/个标准砼荷载块;反力横梁由主梁和副梁组成,均采用工字形钢梁;荷载由油压千斤顶施加,荷载大小由准确度为0.4级的油压表 (或压力传感器〕量测;试验点的沉降量由安装在离桩顶平面200mm下的2只精度为0.01mm 的百分表〔或位移传感器〕量测。
合川城区涪江上段防洪护岸工程(赵家渡段)二标段桩基静荷载试验报告编号:2014桩基(J)001检测报告重庆恒信水利工程质量检测有限责任公司2014年7月1日注意事项1、报告无检测单位“报告专用章”无效;2、报告无报告编写、报告校对、报告审核人签字无效;3、报告涂改无效;4、非经同意,不得部分复制本报告;5、对本检测报告若有异议,应于收到报告之日起十五日内向检测单位提出,逾期不予受理;6、对于委托检验,样品代表性由委托单位负责.建设单位:重庆江城水务有限公司设计单位:重庆市水利电力建筑勘察设计研究院监理单位:黄河工程监理咨询有限责任公司施工单位:重庆洪源建筑集团有限公司检测单位:重庆恒信水利工程质量检测有限责任公司项目参与人员:报告编写:报告校对:报告审核:合川城区涪江上段防洪护岸工程(赵家渡段)二标段桩基静荷载试验检测报告一、工程概况××工程地上2层.地基基础采用深层搅拌桩.桩径为ф700,基础混凝土强度等级为C25.单桩设计承载力为200kN,经深层搅拌处理后地基承载力特征值不得小于180KPa,建筑结构安全等级为二级.我中心于历时3日完成对该工程地基的静载荷试验检测工作,试验点(桩)总数为6个.(具体情况见下表1,平面布置示意图见下图1).现依据试验原始数据提交本次试验检测报告.表1 各试验点具体情况一览表图1 各试验点平面布置示意图二、检测依据1、《建筑地基处理技术规范》(JGJ79—2002)2、《岩土工程勘察规范》(GB50021-2001)3、《建筑桩基技术规范》(JGJ 94-94)4、《建筑基桩检测技术规范》(JGJ 106-2003)5、《江西省桩基质量检测管理规定》(试行)6、《江西省建筑基桩及复合地基检测方法及取样数量》---赣力基础【2005】第001号7 、设计图纸及相关说明文件三、载荷试验㈠、复合地基土载荷试验检测1、试验设备试验采用砂袋压重平台反力装置,千斤顶施压,主梁由4根18号工字钢组成,副梁由5根18号工字钢组成.采用1只QYL50型千斤顶加载,承压板顶面沉降变形分别采用对角的2个百分表(精度为0.01米米)测读.加载量由千斤顶上的精密压力表控制(承载板试验装置见图3-1-1).图3-1-1 承压板载荷试验装置2、试验方法采用分级对试点进行加载.试验标准参照《建筑地基处理技术规范》(JGJ79-2002)进行.①加载与卸载分级:分8级进行加载.②沉降观测时间:每级加载前后测读一次,以后每隔30米in测读一次沉降.当1小时内沉降量小于0.1米米时,施加下一级荷载.3、终止加载条件当出现下列情况之一时,即可终止加载:①沉降量急剧增大,土被挤出或承压板周围出现明显的隆起;②承压板的累计沉降量已大于其宽度或直径的6%;③当达不到极限荷载,而最大加载压力已大于设计要求压力值的2倍;4、复合地基承载力特征值的确定:①当压力-沉降曲线上极限荷载能确定,而其值不小于对应比例界限的2倍时,可取比例界限;当其值小于对应比例界限的2倍时,可取极限荷载的一半;②当压力-沉降曲线是平缓的光滑曲线时,可按相对变形值确定:水泥土搅拌桩或旋喷桩复合地基,可取s/b或s/d等于0.006所对应的压力.(s为载荷试验承压板的沉降量;b和d分别为承压板宽度和直径,当其大于2米时,按2米计算)㈡、单桩竖向静载试验检测1、试验原理单桩竖向抗压静载试验的原理是用接近于竖向抗压桩的实际工作条件的试验方法,确定单桩竖向抗压极限承载力,作为设计依据或对工程桩的承载力进行抽样检验和评价.2、试验设备试验采用砂袋压重平台反力装置,千斤顶施压,主梁由4根18号工字钢组成,副梁由5根18号工字钢组成.采用1只QYL50型千斤顶加载,桩顶面沉降变形分别采用对角的2个百分表(精度为0.01米米)测读.加载量由千斤顶上的精密压力表控制(单桩竖向静载试验装置见图3-2-1).图3-2-1 单桩竖向静载试验装置示意图3、试验步骤⑴、加载与卸载分级:根据规范,按设计要求最大试验荷载分8级进行加载,卸载每级为加载分级的两倍.具体加载与卸载分级详见各试桩竖向静载结果汇总表.⑵、沉降观测:每级加载后间隔5、30、60米in各测读一次,以后每隔30米in测读一次.⑶、试桩沉降相对稳定标准:每一小时的桩顶沉降量不超过0.1米米,并连续出现两次(从分级荷载施加后第30米in开始,按1.5h连续三次每30米in的沉降观测值计算).⑷、当桩顶沉降速率达到相对稳定标准时,再施加下一级荷载.⑸、卸载时,每级荷载维持1h,按第15、30、60米in测读桩顶沉降量后,即可卸下一级荷载.卸载至零后,应测读桩顶残余沉降量,维持时间为3h,测读时间为第15、30米in,以后每隔30米in测读一次.⑹、终止加载条件:当出现下列情况之一时,即可终止加载:①、某级荷载下,桩顶的沉降增量达前一级荷载下沉降增量的5倍;(注:当桩顶沉降量能相对稳定且总沉降量小于40米米时,宜加载至桩顶总沉降量超过40米米.)②、某级荷载下,桩顶沉降量大于前一级荷载作用下沉降增量的2倍;且经24h尚未达到相对稳定标准.③、已达设计和甲方要求最大试验荷载.④、当荷载-沉降曲线呈缓变型时,可加载至桩顶总沉降量60-80米米;在特殊情况下,可根据具体要求加载至桩顶累计沉降量超过80米米.⑺、极限承载力确定方法:①根椐沉降随荷载的变化特征确定极限承载力:对于陡降型Q-s曲线取其发生明显陡降的起始点对应的荷载值;②根椐沉降随时间的变化特征确定极限承载力:取s-lgt曲线尾部出现明显向下弯曲的前一级荷载值;③当某级荷载作用下,桩的沉降量大于前一级荷载作用下沉降量的2倍;且经24小时尚未达到稳定时,取前一级荷载值;④对于缓变型Q-s曲线可根据沉降量确定,宜取s=40米米对应的荷载值;当桩长大于40米时,宜考虑桩身弹性压缩量;对直径大于或等于800米米的桩,可取s=0.05D(D 为桩端直径)对应的荷载值.四、试验成果分析各点载荷试验结果汇总表及依据各附表绘制出的曲线(见附图1).3个试验点(1号点、2号点、3号点)当荷载加至140kN时,总沉降量均未超过承压板直径的6%,沉降及稳定时间均正常,Q-s曲线未出现陡降段,表明3个试验点在试验荷载下均未达到极限状态.依据规范综合分析确定, 3个试验点地基承载力特征值均不小于180KPa.1号桩试验加载至340kN时,本级沉降量为0.45米米,累计总沉降量为6.83米米,沉降及稳定时间正常,Q-s曲线未发生陡降,S-lgt曲线尾部未出现向下弯曲.依规范要求,决定终止加载.依据规范综合分析确定,该桩实测极限承载力不小于340kN.2号桩试验加载至340kN时,本级沉降量为0.65米米,累计总沉降量为15.43米米,沉降及稳定时间正常,Q-s曲线未发生陡降,S-lgt曲线尾部未出现向下弯曲.依规范要求,决定终止加载.依据规范综合分析确定,该桩实测极限承载力不小于340kN.3号桩试验加载至340kN时,本级沉降量为0.46米米,累计总沉降量为10.43米米,沉降及稳定时间正常,Q-s曲线未发生陡降,S-lgt曲线尾部未出现向下弯曲.依规范要求,决定终止加载.依据规范综合分析确定,该桩实测极限承载力不小于340kN.五、结论本次所检测的3根深层搅拌桩单桩极限承载力均不小于340kN,3个试验点的地基承载力特征值均不小于180KPa,表明该复合地基的地基承载力满足设计要求.重庆恒信水利工程质量检测有限责任公司附图11#桩桩径(m):0.70测试日期:单桩竖向抗压承载力试验汇总表工程名称:试验桩号:2#桩桩径(m):0.70测试日期:工程名称:试验桩号:1#点承压板面积(m):0.385测试日期:工程名称:试验桩号:2#点承压板面积(m):0.385测试日期:工程名称:试验桩号:3#点承压板面0.385测试日期:工程名称:试验桩号:。
混凝土静载实验报告引言混凝土是一种常用的建筑材料,广泛应用于房屋、桥梁、道路等工程中。
为了确保混凝土结构的安全性能,需要进行静载试验以评估其承载能力和变形性能。
本次实验旨在通过静力加载混凝土试块,从而了解混凝土在荷载下的行为和性能。
实验设备与试件实验设备包括:- 荷载机:用于加载混凝土试块的设备,可进行静力加载。
- 力传感器:测量加载混凝土试块时的力。
- 位移测量仪:测量混凝土试块在加载过程中的变形情况。
试件选择:- 混凝土试块:选择具有代表性的混凝土试块,尺寸为15cm x 15cm x 15cm。
实验步骤与结果1. 准备工作:- 清洁试验台面和试块表面,确保无杂质和水分。
- 检查设备运行正常并进行校准。
2. 标定力传感器:- 将力传感器连接到荷载机上。
- 使用标准质量块对力传感器进行标定。
- 记录标定结果。
3. 加载试块:- 将试块放置在试验台上,并调整好加载方式。
- 逐渐加载试块,每次增加适当的荷载。
- 在每次加载后等待一段时间,记录下试块所承受的荷载和相应的变形。
4. 记录数据:- 使用位移测量仪测量试块的变形情况。
- 在每次加载后记录下荷载和试块的相对位移。
5. 终止加载:- 在试块达到破坏或变形可接受范围后终止加载。
- 记录最大承载力和试块破坏时的变形情况。
6. 数据分析与结果:- 将荷载与相对位移绘制成荷载-位移曲线。
- 分析曲线中的线性段和非线性段。
- 计算试块的屈服荷载、弹性模量和最大承载力。
结论通过本次混凝土静载实验,我们得出以下结论:- 混凝土在加载过程中呈现出线性和非线性阶段。
- 在线性阶段,混凝土的变形与荷载成正比,变形较小。
- 在非线性阶段,混凝土的变形增加较快,出现裂缝和破坏。
- 混凝土的屈服荷载、弹性模量和最大承载力是评估混凝土结构性能的重要指标。
本次实验结果可用于工程设计中的混凝土结构承载能力评估和安全性评价。
通过加深对混凝土行为和性能的理解,能够有效指导混凝土结构的设计和施工,提高工程质量和安全性。
复合地基静载荷试验检测报告Document serial number【UU89WT-UU98YT-UU8CB-UUUT-UUT108】××工程复合地基静荷载试验报告编号:07地基(J)02检测报告××检测中心×年×月×日注意事项1、报告无检测单位“报告专用章”无效;2、报告无报告编写、报告校对、报告审核人签字无效;3、报告涂改无效;4、非经同意,不得部分复制本报告;5、对本检测报告若有异议,应于收到报告之日起十五日内向检测单位提出,逾期不予受理;6、对于委托检验,样品代表性由委托单位负责。
建设单位:×××高速公路建设项目办公室设计单位:×××设计院监理单位:×××工程监理公司施工单位:×××公司检测单位:××检测中心项目参与人员:报告编写:报告校对:报告审核:××工程复合地基静荷载试验检测报告一、工程概况××工程地上2层。
地基基础采用深层搅拌桩。
桩径为ф700,基础混凝土强度等级为C25。
单桩设计承载力为200kN,经深层搅拌处理后地基承载力特征值不得小于180KPa,建筑结构安全等级为二级。
我中心于历时3日完成对该工程地基的静载荷试验检测工作,试验点(桩)总数为6个。
(具体情况见下表1,平面布置示意图见下图1)。
现依据试验原始数据提交本次试验检测报告。
表1 各试验点具体情况一览表二、检测依据1、《建筑地基处理技术规范》(JGJ79—2002)2、《岩土工程勘察规范》(GB50021-2001)3、《建筑桩基技术规范》(JGJ 94-94)4、《建筑基桩检测技术规范》(JGJ 106-2003)5、《江西省桩基质量检测管理规定》(试行)6、《江西省建筑基桩及复合地基检测方法及取样数量》---赣力基础【2005】第001号7 、设计图纸及相关说明文件三、载荷试验㈠、复合地基土载荷试验检测1、试验设备试验采用砂袋压重平台反力装置,千斤顶施压,主梁由4根18号工字钢组成,副梁由5根18号工字钢组成。
***************检测(或分析)报告检测项目:单桩抗压承载力(静载法)工程名称:*******委托单位:***检测类型:**检测单位:*****发出日期:****年**月**日1、检测概况表12、工程概况******3、成桩情况根据委托单位提供的设计及施工资料,本次检测**桩,桩径***mm,设计桩长**m,混凝土强度等级为**,混凝土于****年**月**日浇注。
4、试验依据与测试系统试验依据:静载试验依据中华人民共和国行业标准《建筑基桩检测技术规范》(JGJ 106-2003)进行。
测试系统:(1)数据采集采用静力载荷测试仪***,实现电子化远程采集数据。
(2)油压千斤顶:*只**T的油压千斤顶。
(3)位移计:采用位移传感器,精确至0.01mm。
5、试验方法采用堆载法,混凝土配重块均匀码放在钢梁上。
试验采用慢速维持荷载法,即分级加载法进行,每级荷载为预估极限承载力的1/10,第一级取分级荷载的2倍;待每级荷载下沉降稳定后再加下一级荷载,直至满足试验条件。
用静力载荷测试仪控制荷载量,用位移计测量桩顶沉降量。
6、试验终止条件本静载试验桩是工程桩,不做破坏试验。
加载终止条件和相应的极限加载值的取值按以下规定:(1)正常加载到设计极限承载力,位移能够达到稳定标准时,终止加荷。
(2)加载未达到极限承载力,但出现下列情况时,终止加荷:(a)总位移量大于或等于40mm,且本级荷载的位移量大于或等于前一级荷载的位移量的5倍时,加载即可终止。
取此终止时荷载小一级的荷载为极限加载值。
(b)总位移量大于或等于40mm,且本级荷载加上,24h后未达稳定,加载即可终止。
取此终止时荷载小一级的荷载为极限加载值。
7、试验结果(1)试验结果综述:**桩静载试验加荷至****kN时,抗压稳定,位移满足稳定条件,累计沉降量**mm。
(2)试验数据与图表见下表。
(3)结论:桩号为**的工程桩单桩竖向抗压极限承载力不小于**kN,该桩竖向抗压承载力满足设计要求。
桩基静载荷试验检测报告合川城区涪江上段防洪护岸工程(赵家渡段)二标段桩基静荷载试验报告编号:2014桩基(J)001检测报告重庆恒信水利工程质量检测有限责任公司2014年7月1日注意事项1、报告无检测单位“报告专用章”无效;2、报告无报告编写、报告校对、报告审核人签字无效;3、报告涂改无效;4、非经同意,不得部分复制本报告;5、对本检测报告若有异议,应于收到报告之日起十五日内向检测单位提出,逾期不予受理;6、对于委托检验,样品代表性由委托单位负责。
图1 各试验点平面布置示意图二、检测依据1、《建筑地基处理技术规范》(JGJ79—2002)2、《岩土工程勘察规范》(GB50021-2001)3、《建筑桩基技术规范》(JGJ 94-94)4、《建筑基桩检测技术规范》(JGJ 106-2003)5、《江西省桩基质量检测管理规定》(试行)6、《江西省建筑基桩及复合地基检测方法及取样数量》---赣力基础【2005】第001号7 、设计图纸及相关说明文件三、载荷试验㈠、复合地基土载荷试验检测1、试验设备试验采用砂袋压重平台反力装置,千斤顶施压,主梁由4根18号工字钢组成,副梁由5根18号工字钢组成。
采用1只QYL50型千斤顶加载,承压板顶面沉降变形分别采用对角的2个百分表(精度为0.01mm)测读。
加载量由千斤顶上的精密压力表控制(承载板试验装置见图3-1-1)。
图3-1-1 承压板载荷试验装置2、试验方法采用分级对试点进行加载。
试验标准参照《建筑地基处理技术规范》(JGJ79-2002)进行。
①加载与卸载分级:分8级进行加载。
②沉降观测时间:每级加载前后测读一次,以后每隔30min测读一次沉降。
当1小时内沉降量小于0.1mm时,施加下一级荷载。
3、终止加载条件当出现下列情况之一时,即可终止加载:①沉降量急剧增大,土被挤出或承压板周围出现明显的隆起;②承压板的累计沉降量已大于其宽度或直径的6%;③当达不到极限荷载,而最大加载压力已大于设计要求压力值的2倍;4、复合地基承载力特征值的确定:①当压力-沉降曲线上极限荷载能确定,而其值不小于对应比例界限的2倍时,可取比例界限;当其值小于对应比例界限的2倍时,可取极限荷载的一半;②当压力-沉降曲线是平缓的光滑曲线时,可按相对变形值确定:水泥土搅拌桩或旋喷桩复合地基,可取s/b或s/d等于0.006所对应的压力。
静力载荷试验数据力口压时间压力表读数千斤顶出力承压板压力百分沉降量百分表二沉降量沉降量当前压强累计沉降量累计沉降量mm5 5 0.2 4.6 9.2 8.617 19.8265 10 0.2 4.6 9.2 8.659 -0.042 19.82 0.006 -0.018-0.018-0.01810 20 0.2 4.6 9.2 8.652 0.007 19.818 0.002 0.0045-0.0135-0.013510 30 0.2 4.6 9.2 8.651 0.001 19.818 0 0.0005-0.013-0.01315 45 0.2 4.6 9.2 8.64 0.011 19.81 0.008 0.0095 -0.0035-0.003515 60 0.2 4.6 9.2 8.612 0.028 19.79 0.02 0.024 0.02050.0205 30 90 0.2 4.6 9.2 8.605 0.007 19.78 0.01 0.00850.029 0.02930 120 0.2 4.6 9.2 8.59 0.015 19.7590.021 0.018 0.047 0.04730 150 0.2 4.6 9.2 8.58 0.01 19.75 0.009 0.0095 0.05650.05650.2Mpks-轴线―^0.2Mpks-t曲线-0.04力口压压力千斤承压百分沉降百分沉降沉降当前累计沉时间表顶板量表二量量压强降量读数出力压力累计mm沉降量5 5 0.4 10.8 21.6 8.523 19.6885 10 0.4 10.8 21.6 8.509 0.014 19.67 0.013 0.013 0.013 0.01355 5 510 20 0.4 10.8 21.6 8.501 0.008 19.66 0.014 0.011 0.024 0.02451 510 30 0.4 10.8 21.6 8.495 0.006 19.65 0.009 0.007 0.032 0.0322 515 45 0.4 10.8 21.6 8.49 0.005 19.65 0.002 0.003 0.035 0.03555 515 60 0.4 10.8 21.6 8.479 0.011 19.63 0.012 0.011 0.047 0.0478 50.015 0.012 0.059 0.059 30 90 0.4 10.8 21.6 8.47 0.009 19.62330 120 0.4 10.8 21.6 8.458 0.012 19.61 0.013 0.012 0.071 0.07155 530 150 0.4 10.8 21.6 8.431 0.027 19.59 0.02 0.023 0.095 0.09550.4Mpks-t曲线—-0.4Mpks-t曲线加压时压千承百分表沉降百分表沉降沉降当前累计沉降量间力斤压一量一量量压强mm表顶板累计读沉降数出压量力力5 5 0.6 17348.203 19.387 05 10 0.6 17348.17 0.033 19.31 0.077 0.055 0.0550.05510 20 0.6 17348.131 0.039 19.28 0.03 0.03450.08950.089510 30 0.6 17348.125 0.006 19.271 0.009 0.00750.0970.09715 45 0.6 17348.12 0.005 19.261 0.01 0.00750.10450.104515 60 0.6 17348.118 0.002 19.259 0.002 0.002 0.10650.106530 90 0.6 17348.115 0.003 19.258 0.001 0.002 0.10850.108530 120 0.617348.101 0.014 19.239 0.019 0.01650.1250.12530 150 0.617348.094 0.007 19.235 0.004 0.00550.13050.13050.13050.6Mpks-t曲线加压时压千承百分表沉降百分表沉降沉降当前累计沉降量间力斤压一量一量量压强mm 表顶板累计读出压沉降数力力量5 0. 23. 46. 7.934 19.041 08 2 410 0. 23. 46. 7.9 0.034 19.039 0.002 0.018 0.018 0.0188 2 420 0. 23. 46. 7.89 0.01 19.018 0.021 0.015 0.033 0.03358 2 4 5 530 0. 23. 46. 7.872 0.018 19.006 0.012 0.015 0.048 0.0485-^0.6Mpks-t曲线8 2 4 545 0.8 23.246.47.871 0.001 18.99 0.016 0.00850.0570.05760 0.8 23.246.47.859 0.012 18.973 0.017 0.01450.07150.071590 0.8 23.246.47.854 0.005 18.96 0.013 0.009 0.0850.0805120 0.8 23.246.47.689 0.165 18.818 0.142 0.15350.2340.234150 0.8 23.246.47.678 0.011 18.791 0.027 0.019 0.2530.253180 0.8 23.246.47.669 0.009 18.781 0.01 0.00950.26250.2625210 0.8 23.246.47.659 0.01 18.769 0.012 0.011 0.27350.27350.27350.8Mpks-tffi线加压时压千承百分表沉降百分表沉降沉降当前累计沉降量间力斤压一量一量量压强mm表顶板累计出压沉降读数力力量5 1 29. 58. 7.471 18.57 03 610 1 29. 58. 7.412 0.059 18.531 0.039 0.049 0.049 0.0493 620 1 29. 58. 7.4 0.012 18.52 0.011 0.011 0.060 0.06053 6 5 530 1 29. 58. 7.389 0.011 18.511 0.009 0.01 0.070 0.07053 6 545 1 29.3 58.67.378 0.011 18.502 0.009 0.01 0.08050.080560 1 29.3 58.67.327 0.051 18.441 0.061 0.056 0.13650.136590 1 29.3 58.67.312 0.015 18.428 0.013 0.014 0.15050.1505120 1 29.3 58.67.252 0.06 18.362 0.066 0.063 0.21350.2135150 1 29.3 58.67.241 0.011 18.347 0.015 0.013 0.22650.22650.2265加压时压千承百分表沉降百分表沉降沉降当前累计沉降量间力斤压一量一量量压强mm表顶板累计读出压沉降数力力量5 1. 35. 71. 7.053 18.161 02 6 210 1. 35. 71. 6.946 0.107 18.042 0.119 0.113 0.113 0.1132 6 220 1. 35. 71. 6.88 0.066 17.969 0.073 0.069 0.182 0.18252 6 2 5 530 1. 35. 71. 6.809 0.071 17.893 0.076 0.073 0.256 0.2562 6 2 545 1. 35. 71. 6.764 0.045 17.839 0.054 0.049 0.305 0.30552 6 2 5 560 1. 35. 71. 6.723 0.041 17.799 0.04 0.040 0.346 0.3462 6 2 590 1. 35. 71. 6.708 0.015 17.78 0.019 0.017 0.363 0.3632 6 2120 1.2 35.671.26.658 0.05 17.73 0.05 0.05 0.413 0.413150 1.2 35.671.26.639 0.019 17.709 0.021 0.02 0.433 0.433180 1.2 35.671.26.573 0.066 17.648 0.061 0.06350.49650.4965210 1.2 35.671.26.568 0.005 17.628 0.02 0.01250.509 0.509240 1.2 35.671.26.559 0.009 17.62 0.008 0.00850.51750.5175270 1.2 35.671.26.551 0.008 17.611 0.009 0.00850.526 0.5260.5261.2Mpks-t曲线加压时压千承百分表沉降百分表沉降沉降]当前累计沉降量间力斤压一量一量量压强mm 表顶板累计读出压沉降数力力量5 1. 41. 93. 6.362 17.4 04 8 610 1. 41. 93. 6.29 0.072 17.351 0.049 0.060 0.060 0.06054 8 65 520 1. 41. 93. 6.225 0.065 17.28 0.071 0.068 0.128 0.12854 8 6 530 1. 41. 93. 6.134 0.091 17.17 0.11 0.100 0.229 0.229T-1.2Mpks-t曲线4 8 6 545 1.4 41.893.66.111 0.023 17.148 0.022 0.02250.25150.251560 1.4 41.893.66.03 0.081 17.059 0.089 0.085 0.33650.336590 1.4 41.893.65.964 0.066 16.98 0.079 0.07250.4090.409120 1.4 41.893.65.915 0.049 16.93 0.05 0.04950.45850.4585150 1.4 41.893.65.862 0.053 16.873 0.057 0.055 0.51350.5135180 1.4 41.893.65.843 0.019 16.852 0.021 0.02 0.53350.5335210 1.4 41.893.65.798 0.045 16.803 0.049 0.047 0.5850.5805240 1.4 41.893.65.756 0.042 16.759 0.044 0.043 0.62350.62351.4Mpks-t曲线加压时压千承百分表沉降百分表沉降沉降当前累计沉降量间力斤压一量一量量压强mm 表顶板累计读沉降数出压量力力5 1. 4 9 5.575 16.568 06 8 610 1. 4 9 5.481 0.094 16.442 0.126 0.11 0.11 0.11T-1.4Mpks-t曲线T-1.6Mpks-t曲线加压时压千承百分表沉降百分表沉降沉降当前累计沉降量间力斤压一量一量量压强mm 表顶板累计读出压沉降数力力量5 1. 54. 108. 10.11 29.915 08 2 410 1. 54. 108. 10.015 0.095 29.84 0.075 0.085 0.08 0.0858 2 4 520 1. 54. 108. 9.994 0.021 29.812 0.028 0.024 0.10 0.10958 2 4 5 9530 1. 54. 108. 9.733 0.261 29.557 0.255 0.258 0.36 0.36758 2 4 7545 1. 54. 108. 9.618 0.115 29.438 0.119 0.117 0.48 0.48458 2 4 4560 1. 54. 108. 9.369 0.249 29.209 0.229 0.239 0.72 0.72358 2 4 3590 1. 54. 108. 9.266 0.103 29.096 0.113 0.108 0.83 0.83158 2 4 15120 1. 54. 108. 9.095 0.171 28.932 0.164 0.167 0.99 0.9998 2 4 5 9150 1. 54. 108. 8.912 0.183 28.764 0.168 0.175 1.17 1.17458 2 4 5 45180 1. 54. 108. 8.799 0.113 28.649 0.115 0.114 1.28 1.28858 2 4 85210 1. 54. 108. 8.738 0.061 28.584 0.065 0.063 1.35 1.35158 2 4 15240 1.8 54.2108.48.65 0.088 28.512 0.072 0.08 1.43151.4315270 1.8 54.2108.48.582 0.068 28.421 0.091 0.07951.5111.511300 1.8 54.2108.48.55 0.032 28.392 0.029 0.03051.54151.5415330 1.8 54.2108.48.535 0.015 28.369 0.023 0.019 1.56051.5605360 1.8 54.2108.48.517 0.018 28.353 0.016 0.017 1.57751.5775390 1.8 54.2108.48.507 0.01 28.35 0.003 0.00651.5841.584加压时压千承百分表沉降百分表沉降沉降当前累计沉降量间力斤压一量一量量压强mm表顶板累计压沉降读出力量数力5 26 12 8.421 28.215 00 010 2 6 12 8.322 0.099 28.153 0.062 0.080 0.080 0.08050 0 5 520 2 6 12 8.312 0.01 28.14 0.013 0.011 0.092 0.0920 0 530 2 6 12 8.21 0.102 28.04 0.1 0.101 0.193 0.1930 0T-1.8Mpks-t曲线45 2 60 128.19 0.02 28.001 0.039 0.02950.22250.222560 2 60 128.088 0.102 27.915 0.086 0.094 0.31650.316590 2 60 128.007 0.081 27.83 0.085 0.083 0.39950.3995120 2 60 127.907 0.1 27.729 0.101 0.10050.5 0.5150 2 60 127.819 0.088 27.629 0.1 0.094 0.594 0.594180 2 60 127.693 0.126 27.53 0.099 0.11250.70650.7065210 2 60 127.632 0.061 27.47 0.06 0.06050.767 0.767240 2 60 127.577 0.055 27.405 0.065 0.06 0.827 0.827270 2 60 127.509 0.068 27.385 0.02 0.044 0.871 0.871300 2 60 127.5 0.009 27.345 0.04 0.02450.89550.8955330 2 60 127.392 0.108 27.259 0.086 0.097 0.99250.99252Mpks-t曲线数据处理由原始数据统计处理,我们得到以下一个表格,每级荷载作用下,我们通过率定曲线,得出千斤顶的力,由此计算出每级荷载下,承压板对地基土的压力。
(样式一,须另加专用封套)
(这里提供两种样式,各单位具体执行时可以微调,但信息量只能增加,不得减少)
※※※※※※※※※※工程
单桩竖向抗压静载试验
检测报告
报告编号:※
检测人员:(含上岗证号)
报告编写:(含上岗证号)
复核:(含上岗证号)(盖骑缝章)
审核:(含上岗证号)
批准人(含职务):(或技术负责人,各单位据质量管理手册自定)(技术资质专用章、CMA章等,分开或合一均可)
检测单位名称(须与专用章名称统一)
※年※月※日
声明
1. 本报告涂改、错页、换页、漏页无效;
2. 检测单位名称与检测报告专用章名称不符者无效;
3. 本报告无我单位相关技术资格证书章无效;
4. 本报告无检测、审核、批准人(或技术负责人)签字无效;
5.未经书面同意不得复制或作为他用。
6.如对本检测报告有异议或需要说明之处,可在报告发出后15 天内向本检测单位书面提出,本单位将于5日内给予答复。
检测单位:(加盖技术资质专用章、CMA章等,分开或合一均可)
地址:
邮编:
电话:
传真:
监督电话:联系人:
(样式二)
(这里提供两种样式,各单位具体执行时可以微调,但信息量只能增加,不得减少,正式报告中须去掉本规定格式中的注释红字)
单桩竖向抗压静载试验
检测报告
工程名称:
工程地点:
委托单位:(盖骑缝章)检测日期:※年※月※日
报告编号:
合同编号:(可缺省)
(技术资质专用章、CMA章等,分开或合一均可)
检测单位名称(须与专用章名称统一)
※年※月※日
※※※※※※※※※※※※工程
单桩竖向抗压静载试验检测人员:(含上岗证号)
报告编写:(含上岗证号)
复核:(含上岗证号)
审核:(含上岗证号)
批准人(含职务):(或技术负责人,各单位据质量管理手册自定)
声明:
1. 本报告涂改、错页、换页、漏页无效;
2. 检测单位名称与检测报告专用章名称不符者无效;
3. 本报告无我单位相关技术资格证书章无效;
4. 本报告无检测、审核、批准人(或技术负责人)签字无效;
5.未经书面同意不得复制或作为他用。
6.如对本检测报告有异议或需要说明之处,可在报告发出后15 天内向本检测单位书面提出,本单位将于5日内给予答复。
检测单位:(加盖技术资质专用章、CMA章等,分开或合一均可)
地址:
邮编:
电话:
传真:
监督电话:
联系人:
首页
(注:具体工程为了美观,表格可微调;设计桩长等栏应据桩型填写)
(技术资质专用章、CMA章等,分开或合一均可)
检测单位名称(须与专用章名称统一)
※年※月※日
目录
一项目概况…………………………………………※二地质概况…………………………………………※三检测依据…………………………………………※四现场检测…………………………………………※五检测结果…………………………………………※六检测结论…………………………………………※七附图表……………………………………………※
(注:页码须采用第※页共※页方式)
-项目概况
二、地质概况
(注:可从简,表述方式不限,但建议有柱状图,基本情况亦应说明清楚,如资料溯源,各层尤其持力层性状及基本物理力学指标,桩顶桩底位置描述等。
以下为一参考描述)
根据武汉市※院提供的《武汉※岩土工程勘察报告》(编号※),※场地所在部位为※,岩土层概况、相关岩土物理力学性质指标、桩周土概况详见表2。
场区岩土层概况表2
三、检测依据
1、检测依据标准及代号:
中华人民共和国行业标准《建筑桩基技术规范》 (JGJ94-94)
(根据新规程更改,可以增加其它的)
2、具体条文(可缺省)
3、其它依据(可缺省)
四、现场检测
1、加载方式(根据具体情况描述,可更详细并附图,举例如下)
现场试验采用慢速维持荷载法采用电动(手动)油泵逐级加载,共分10级加载和5级卸载,每级加载量为※kN,卸载量为其2倍,破坏性试验没有卸载。
采用由(桁架、主梁、)工字钢和跳板搭成的压重平台反力装置,沙袋堆积(或锚桩横梁反力装置、锚桩压重联合反力装置),最大压重量为※kN。
2、荷载及沉降测量(根据具体情况描述,举例如下)
荷载值通过压力传感器测量(或通过压力表测量,再由千斤顶的标定曲线换算给出,测试仪自动记录); 试桩沉降则通过对称正向布置于桩头百分表(位移传感器,测试
仪自动记录)测量,所有百分表(位移传感器)均用磁性表座固定于基准梁上,基
准梁在独立的基准桩上安装,基准桩中心与试桩中心的距离为※m,基准桩中心与压重平台支墩边的距离为※m。
3、检测流程(可缺省)
(述及检测现场发生的相关事项)
4、检测设备(根据实际情况调整表格)
现场检测设备一览表表3
五、检测结果
••(必须对单桩进行分析,要求言简意明,举例如下)
1、※号工程桩
该工程桩加载达到预期最大试验荷载时,终止加载。
•••试验加载到※kN时,总沉降量(分别)为※mm,沉降量小于※mm(40~60mm),
而且•Q~s曲线平缓,无明显陡降段,s~lgt曲线呈平缓规则排列,因此单桩极限承载力Qu≥※kN。
••• 2、※号工程桩
该工程桩在※kN(※级)荷载作用下,桩的沉降量已达到前一级荷载作用下沉降量的5倍以上(或2倍以上,且经24小时尚未达到相对稳定),终止加载。
分析此桩系桩头(或桩周土体、桩身,注:如为桩身,宜与低应变检测结果对应,给出缺陷部位)
破坏
•••试验加载到※kN(※-1级)时,总沉降量为※mm,沉降量不大,而且在此前•Q~s曲线平缓,无明显陡降段,s~lgt曲线呈平缓规则排列,其后1级荷载s~lgt曲线明显向下弯曲,因此该桩极限承载力Qu≥※kN。
上述检测结果汇总表见表4,检测桩试验荷载和沉降数据见表※,检测桩的Q~s曲线和s~lgt曲线见附图※。
试验结果汇总表表4
(注:1、上表必须加盖报告专用章;2、残余沉降可用回弹率替代;3、破坏桩无法观测残余沉降,可画横线)
六、检测结论
(系主要的和整体性的结论与建议,必要时可包含试桩结果的统计特征值及其说明,不用太细。
)
七、附图表
1.单桩荷载—沉降数据汇总表※张;
2.单桩Q~s曲线图及s~lgt曲线图※张;
3.桩位平面图※张;
4.单桩静载试验现场见证单※张;
5.其它附件。