隐蔽工程照片范本
- 格式:doc
- 大小:23.00 KB
- 文档页数:2
表C5-1-1 隐蔽工程验收记录 附页
工程名称:宽城兆丰农副产品交易中心建设项目商业二
拍摄人:袁瑞雨
拍摄时间:2017.03.07
拍摄地点:商业二
工程部位:楼梯间
施工工序:基层喷浆
照片编号:MHYB-009
拍摄人:袁瑞雨
拍摄时间:2017.03.10
拍摄地点:商业二
工程部位:楼梯间
施工工序:敷设网格布
照片编号:MHYB-010
拍摄人:袁瑞雨
拍摄时间:2017.03.10
拍摄地点:商业二
工程部位:楼梯间
施工工序:钢丝网加强
照片编号:MHYB-011
拍摄人:袁瑞雨
拍摄时间:2017.03.10
拍摄地点:商业二
工程部位:楼梯间
施工工序:抹灰面层
照片编号:MHYB-012。
拍摄时间2018年7月18日工程隐蔽部位十六层梁板、梯(1-18~1-34轴交1-N~1-A)照片内容十六层梁板、梯(1-18~1-34轴交1-N~1-A)建设工程现场隐蔽照片工程名称:盛腾·西湖首府1#栋拍摄时间2018年7月18日工程隐蔽部位十六层梁板、梯(1-18~1-34轴交1-N~1-A)照片内容十六层梁板、梯(1-18~1-34轴交1-N~1-A)拍摄时间2018年7月20日工程隐蔽部位十七层梁板、梯(1-1~1-17轴交1-N~1-A)建设工程现场隐蔽照片工程名称:盛腾·西湖首府1#栋拍摄时间2018年7月20日工程隐蔽部位十七层梁板、梯(1-1~1-17轴交1-N~1-A)拍摄时间2018年7月29日工程隐蔽部位十七层梁板、梯(1-18~1-34轴交1-N~1-A)建设工程现场隐蔽照片工程名称:盛腾·西湖首府1#栋拍摄时间2018年7月29日工程隐蔽部位十七层梁板、梯(1-18~1-34轴交1-N~1-A)拍摄时间2018年8月4日工程隐蔽部位十八层梁板、梯(1-1~1-17轴交1-N~1-A)建设工程现场隐蔽照片工程名称:盛腾·西湖首府1#栋拍摄时间2018年8月4日工程隐蔽部位十八层梁板、梯(1-1~1-17轴交1-N~1-A)拍摄时间2018年7月31日工程隐蔽部位十八层梁板、梯(1-18~1-34轴交1-N~1-A)照片内容十八层梁板、梯(1-18~1-34轴交1-N~1-A)建设工程现场隐蔽照片工程名称:盛腾·西湖首府1#栋拍摄时间2018年7月31日工程隐蔽部位十八层梁板、梯(1-18~1-34轴交1-N~1-A)拍摄时间2018年8月4日工程隐蔽部位十九层梁板、梯(1-1~1-17轴交1-N~1-A)建设工程现场隐蔽照片工程名称:盛腾·西湖首府1#栋拍摄时间2018年8月7日工程隐蔽部位十九层梁板、梯(1-18~1-34轴交1-N~1-A)建设工程现场隐蔽照片工程名称:盛腾·西湖首府1#栋拍摄时间2018年8月9日工程隐蔽部位二十层梁板、梯(1-1~1-17轴交1-N~1-A)建设工程现场隐蔽照片工程名称:盛腾·西湖首府1#栋拍摄时间2018年8月9日工程隐蔽部位二十层梁板、梯(1-1~1-17轴交1-N~1-A)拍摄时间2018年8月13日工程隐蔽部位二十层梁板、梯(1-18~1-34轴交1-N~1-A)建设工程现场隐蔽照片工程名称:盛腾·西湖首府1#栋拍摄时间2018年8月13日工程隐蔽部位二十层梁板、梯(1-18~1-34轴交1-N~1-A)拍摄时间2018年8月14日工程隐蔽部位二十一层梁板、梯(1-1~1-17轴交1-N~1-A)建设工程现场隐蔽照片工程名称:盛腾·西湖首府1#栋拍摄时间2018年8月14日工程隐蔽部位二十一层梁板、梯(1-1~1-17轴交1-N~1-A)拍摄时间2018年8月19日工程隐蔽部位二十一层梁板、梯(1-18~1-34轴交1-N~1-A)建设工程现场隐蔽照片工程名称:盛腾·西湖首府1#栋拍摄时间2018年8月21日工程隐蔽部位二十二层梁板、梯(1-1~1-17轴交1-N~1-A)建设工程现场隐蔽照片工程名称:盛腾·西湖首府1#栋拍摄时间2018年8月21日工程隐蔽部位二十二层梁板、梯(1-1~1-17轴交1-N~1-A)拍摄时间2018年8月26日工程隐蔽部位二十二层梁板、梯(1-18~1-34轴交1-N~1-A)建设工程现场隐蔽照片工程名称:盛腾·西湖首府1#栋拍摄时间2018年8月27日工程隐蔽部位二十三层梁板、梯(1-1~1-17轴交1-N~1-A)建设工程现场隐蔽照片工程名称:盛腾·西湖首府1#栋拍摄时间2018年8月27日工程隐蔽部位二十三层梁板、梯(1-1~1-17轴交1-N~1-A)拍摄时间2018年9月1日工程隐蔽部位二十三层梁板、梯(1-18~1-34轴交1-N~1-A)建设工程现场隐蔽照片工程名称:盛腾·西湖首府1#栋拍摄时间2018年9月1日工程隐蔽部位二十三层梁板、梯(1-18~1-34轴交1-N~1-A)拍摄时间2018年9月2日工程隐蔽部位二十四层梁板、梯(1-1~1-17轴交1-N~1-A)建设工程现场隐蔽照片工程名称:盛腾·西湖首府1#栋拍摄时间2018年9月6日工程隐蔽部位二十四层梁板、梯(1-18~1-34轴交1-N~1-A)建设工程现场隐蔽照片工程名称:盛腾·西湖首府1#栋拍摄时间2018年9月7日工程隐蔽部位二十五层梁板、梯(1-1~1-17轴交1-N~1-A)建设工程现场隐蔽照片工程名称:盛腾·西湖首府1#栋拍摄时间2018年9月7日工程隐蔽部位二十五层梁板、梯(1-1~1-17轴交1-N~1-A)拍摄时间2018年9月11日工程隐蔽部位二十五层梁板、梯(1-18~1-34轴交1-N~1-A)建设工程现场隐蔽照片工程名称:盛腾·西湖首府1#栋拍摄时间2018年9月13日工程隐蔽部位二十六层梁板、梯(1-1~1-17轴交1-N~1-A)建设工程现场隐蔽照片工程名称:盛腾·西湖首府1#栋拍摄时间2018年9月13日工程隐蔽部位二十六层梁板、梯(1-1~1-17轴交1-N~1-A)拍摄时间2018年9月17日工程隐蔽部位二十六层梁板、梯(1-18~1-34轴交1-N~1-A)建设工程现场隐蔽照片工程名称:盛腾·西湖首府1#栋拍摄时间2018年9月17日工程隐蔽部位二十六层梁板、梯(1-18~1-34轴交1-N~1-A)拍摄时间2018年9月13日工程隐蔽部位二十七层梁板、梯(1-1~1-17轴交1-N~1-A)建设工程现场隐蔽照片工程名称:盛腾·西湖首府1#栋拍摄时间2018年9月13日工程隐蔽部位二十七层梁板、梯(1-1~1-17轴交1-N~1-A)拍摄时间2018年9月28日工程隐蔽部位二十七层梁板、梯(1-18~1-34轴交1-N~1-A)建设工程现场隐蔽照片工程名称:盛腾·西湖首府1#栋拍摄时间2018年9月28日工程隐蔽部位二十七层梁板、梯(1-18~1-34轴交1-N~1-A)拍摄时间2018年7月26日工程隐蔽部位十七层剪力墙、柱(1-1~1-17轴交1-N~1-A)建设工程现场隐蔽照片工程名称:盛腾·西湖首府1#栋拍摄时间2018年7月26日工程隐蔽部位十七层剪力墙、柱(1-1~1-17轴交1-N~1-A)拍摄时间2018年7月30日工程隐蔽部位十七层剪力墙、柱(1-18~1-34轴交1-N~1-A)建设工程现场隐蔽照片工程名称:盛腾·西湖首府1#栋拍摄时间2018年7月30日工程隐蔽部位十七层剪力墙、柱(1-18~1-34轴交1-N~1-A)拍摄时间2018年7月31日工程隐蔽部位十八层剪力墙、柱(1-1~1-17轴交1-N~1-A)建设工程现场隐蔽照片工程名称:盛腾·西湖首府1#栋拍摄时间2018年7月31日工程隐蔽部位十八层剪力墙、柱(1-1~1-17轴交1-N~1-A)拍摄时间2018年8月5日工程隐蔽部位十八层剪力墙、柱(1-18~1-34轴交1-N~1-A)建设工程现场隐蔽照片工程名称:盛腾·西湖首府1#栋拍摄时间2018年8月5日工程隐蔽部位十八层剪力墙、柱(1-18~1-34轴交1-N~1-A)拍摄时间2018年8月6日工程隐蔽部位十九层剪力墙、柱(1-1~1-17轴交1-N~1-A)建设工程现场隐蔽照片工程名称:盛腾·西湖首府1#栋拍摄时间2018年8月10日工程隐蔽部位十九层剪力墙、柱(1-18~1-34轴交1-N~1-A)建设工程现场隐蔽照片工程名称:盛腾·西湖首府1#栋拍摄时间2018年8月10日工程隐蔽部位十九层剪力墙、柱(1-18~1-34轴交1-N~1-A)拍摄时间2018年8月11日工程隐蔽部位二十层剪力墙、柱(1-1~1-17轴交1-N~1-A)建设工程现场隐蔽照片工程名称:盛腾·西湖首府1#栋拍摄时间2018年8月11日工程隐蔽部位二十层剪力墙、柱(1-1~1-17轴交1-N~1-A)拍摄时间2018年8月17日工程隐蔽部位二十层剪力墙、柱(1-18~1-34轴交1-N~1-A)建设工程现场隐蔽照片工程名称:盛腾·西湖首府1#栋拍摄时间2018年8月17日工程隐蔽部位二十层剪力墙、柱(1-18~1-34轴交1-N~1-A)拍摄时间2018年8月17日工程隐蔽部位二十一层剪力墙、柱(1-1~1-17轴交1-N~1-A)建设工程现场隐蔽照片工程名称:盛腾·西湖首府1#栋拍摄时间2018年8月17日工程隐蔽部位二十一层剪力墙、柱(1-1~1-17轴交1-N~1-A)拍摄时间2018年8月19日工程隐蔽部位二十一层剪力墙、柱(1-18~1-34轴交1-N~1-A)建设工程现场隐蔽照片工程名称:盛腾·西湖首府1#栋拍摄时间2018年8月19日工程隐蔽部位二十一层剪力墙、柱(1-18~1-34轴交1-N~1-A)拍摄时间2018年8月24日工程隐蔽部位二十二层剪力墙、柱(1-1~1-17轴交1-N~1-A)建设工程现场隐蔽照片工程名称:盛腾·西湖首府1#栋拍摄时间2018年8月24日工程隐蔽部位二十二层剪力墙、柱(1-1~1-17轴交1-N~1-A)建设工程现场隐蔽照片工程名称:盛腾·西湖首府1#栋拍摄时间2018年8月29日工程隐蔽部位二十二层剪力墙、柱(1-18~1-34轴交1-N~1-A)建设工程现场隐蔽照片工程名称:盛腾·西湖首府1#栋建设工程现场隐蔽照片工程名称:盛腾·西湖首府1#栋拍摄时间2018年8月30日工程隐蔽部位二十三层剪力墙、柱(1-1~1-17轴交1-N~1-A)建设工程现场隐蔽照片工程名称:盛腾·西湖首府1#栋拍摄时间2018年8月30日工程隐蔽部位二十三层剪力墙、柱(1-1~1-17轴交1-N~1-A)建设工程现场隐蔽照片工程名称:盛腾·西湖首府1#栋拍摄时间2018年9月3日工程隐蔽部位二十三层剪力墙、柱(1-18~1-34轴交1-N~1-A)建设工程现场隐蔽照片工程名称:盛腾·西湖首府1#栋建设工程现场隐蔽照片工程名称:盛腾·西湖首府1#栋拍摄时间2018年9月4日工程隐蔽部位二十四层剪力墙、柱(1-1~1-17轴交1-N~1-A)建设工程现场隐蔽照片工程名称:盛腾·西湖首府1#栋拍摄时间2018年9月4日工程隐蔽部位二十四层剪力墙、柱(1-1~1-17轴交1-N~1-A)建设工程现场隐蔽照片工程名称:盛腾·西湖首府1#栋拍摄时间2018年9月9日工程隐蔽部位二十四层剪力墙、柱(1-18~1-34轴交1-N~1-A)建设工程现场隐蔽照片工程名称:盛腾·西湖首府1#栋拍摄时间2018年9月9日工程隐蔽部位二十四层剪力墙、柱(1-18~1-34轴交1-N~1-A)建设工程现场隐蔽照片工程名称:盛腾·西湖首府1#栋拍摄时间2018年9月10日工程隐蔽部位二十五层剪力墙、柱(1-1~1-17轴交1-N~1-A)建设工程现场隐蔽照片工程名称:盛腾·西湖首府1#栋拍摄时间2018年9月10日工程隐蔽部位二十五层剪力墙、柱(1-1~1-17轴交1-N~1-A)拍摄时间2018年9月14日工程隐蔽部位二十五层剪力墙、柱(1-18~1-34轴交1-N~1-A)建设工程现场隐蔽照片工程名称:盛腾·西湖首府1#栋拍摄时间2018年9月14日工程隐蔽部位二十五层剪力墙、柱(1-18~1-34轴交1-N~1-A)拍摄时间2018年9月16日工程隐蔽部位二十六层剪力墙、柱(1-1~1-17轴交1-N~1-A)建设工程现场隐蔽照片工程名称:盛腾·西湖首府1#栋拍摄时间2018年9月16日工程隐蔽部位二十六层剪力墙、柱(1-1~1-17轴交1-N~1-A)拍摄时间2018年9月19日工程隐蔽部位二十六层剪力墙、柱(1-18~1-34轴交1-N~1-A)建设工程现场隐蔽照片工程名称:盛腾·西湖首府1#栋拍摄时间2018年9月19日工程隐蔽部位二十六层剪力墙、柱(1-18~1-34轴交1-N~1-A)拍摄时间2018年9月21日工程隐蔽部位二十七层剪力墙、柱(1-1~1-17轴交1-N~1-A)建设工程现场隐蔽照片工程名称:盛腾·西湖首府1#栋拍摄时间2018年9月21日工程隐蔽部位二十七层剪力墙、柱(1-1~1-17轴交1-N~1-A)拍摄时间2018年9月28日工程隐蔽部位二十七层剪力墙、柱(1-18~1-34轴交1-N~1-A)建设工程现场隐蔽照片工程名称:盛腾·西湖首府1#栋拍摄时间2018年9月28日工程隐蔽部位二十七层剪力墙、柱(1-18~1-34轴交1-N~1-A)。
基站类型:制表人:基站名称:1、孔桩规格检查照片2、检查钢筋笼规格、制作工艺、钢筋型号照片隐蔽工程验收照片在钢筋笼放下之前,实际测量桩孔的深度、直径,要求和图纸相符合对钢筋笼的长度、直径、主筋型号、箍筋间距、钢筋绑扎和焊接工艺等进行仔细检查,与图纸要求相符钢筋笼总长度照片钢筋笼直径检查照片(混凝土浇筑基站)XX基站桩孔深度测量照片桩孔直径测量照片3、机房(机柜)基础制作照片(无机房及机柜,此项可不粘贴照片)机房(机柜)基础的钢筋笼(网)规格钢筋笼吊装照片钢筋笼下桩后的照片(测量钢筋笼保护层厚度)箍筋间距照片主筋型号照片主筋焊接处长度测量照片钢筋笼整体照片主筋型号照片4、接地隐蔽工程照片钢筋笼(网)规格照片钢筋笼(网)间距照片钢筋笼(网)规格照片钢筋笼(网)规格照片地网地沟整体照片(需要看见整体的角钢和扁铁)扁铁埋设深度照片检查铁塔地网的角钢数量、地网规格、地网埋设深度、焊接工艺、焊接处防腐处理等,符合设计要求5、机房(柜)基础接地网制作照片(无机房及机柜,此项可不粘贴照片)6、预埋件安置照片7、混凝土浇筑照片能看见整个机房(柜)接地网系统,检查地网焊接埋设深度机房(柜)接地网系统整体照片地网埋设深度照片现场安装铁塔预埋件,能够合理布局,将预埋件固定在钢筋笼主筋上,安装后浇筑前检查水平度现场监督混凝土浇筑,浇筑前要排除孔桩内的积水扁铁焊接处防腐照片扁铁焊接工艺照片机房(柜)接地网系统整体照片地网埋设深度照片预埋件安装完成后的整体照片预埋件安装完成后的水平度检查照片8、铁塔安装前混凝土强度检查照片浇筑前检查桩孔积水照片孔桩排水照片(若无积水,此项可不用粘贴照片)浇筑完成后照片浇筑完成后检查预埋件水平度照片铁塔安装前,对基础混凝土强度进行检测,达到可安装铁塔的设计要求强度现场检查桩头混凝土强度照片1(用回弹仪检测)浇筑前检查桩孔积水照片孔桩排水照片浇筑过程中照片浇筑完成后照片(检查预埋件水平度照片)现场检查桩头混凝土强度照片2(用回弹仪检测)9、铁塔安装照片10、多个环节国动员工与现场合影,显示时间和站名国动人员现场监督铁塔安装全过程铁塔地脚螺栓防腐处理照片铁塔整体完成照片铁塔安装照片国动员工与现场合影(显示站名和日期)铁塔地脚螺栓防腐处理照片铁塔整体完成照片不同环节国动员工与现场的合影,体现时间和站名现场检查桩头混凝土强度照片1现场检查桩头混凝土强度照片2地网制作时国动员工在现场铁塔安装时国动员工在现场钢筋笼检查时,国动员工在现场混凝土浇筑时国动员工在现场钢筋笼检查时,国动员工在现场。
隐蔽工程签证单
工程名称:新建血液透析中心通道桥项目共()页第()页
单元名称:
签证单号签证名称施工项目我单位施工的新建血液透析中心通道桥建设项目工程中,施工项目房屋拆除工程量如下:
建设单位监理单位施工单位
共()页第()页
单元名称:
签证单号签证名称施工项目我单位施工的新建血液透析中心通道桥建设项目工程中,卫生间墙面拆除工程量如下:
建设单位监理单位施工单位
共()页第()页
单元名称:
签证单号签证名称施工项目我单位施工的新建血液透析中心通道桥建设项目工程中,2人半天人工工程量如下:
建设单位监理单位施工单位。
隐蔽工程拍照标准1、施工工地水电工程验收完毕后,经业主确认并签字验收后,第一时间落实隐蔽工程拍照记录,此工作由各工地工程监理负责。
2、拍摄前,确保所有电路水路均处于未封闭状态,水电走线标志线张贴完整,现场清理干净,线路水路表面无杂物堆放掩盖。
3、所有线路水路表面敷设、回填保护工作必须在工程拍摄记录完毕后进行。
4、拍摄内容:水电路施工走线路径照片5、照片拍摄项目:所有新铺设水路、电路、排水、原始主进水、进电及其他特殊暗埋施工项目。
照片拍摄区域:以空间(例:客厅、卫生间)为区域划分标准,先地面→后墙面→再顶面。
照片拍摄顺序:单元门号→进门地面→进门全局→各区域→局部特写。
照片拍摄前准备:清理现场杂物→清除拍摄对象表面遮盖物→区域标注→将所有水路、电路、燃气管道进行量尺标注→所有水路走向标注标注注意点:在施工管线区域以尺水平贴于墙面,途径管线区域进行拍摄,图像要求清晰,且放大后看清楚的刻度,并注明所在区域,拍摄施工墙面全景。
照片拍摄方法:从左到右顺序拍摄,禁止区间跳跃。
照片拍摄要求:标注清晰、无遗漏死角、有明显区域标注及特征。
像素不得低于800万,相片对焦需清晰。
拍摄完毕后,需在电脑上将照片文件名更改为位置名称(例:东墙,西墙,天花板),并将不同区域的照片归到相应的文件夹内。
文件夹以房间名称命名(例:客厅、餐厅、主卫、主卧等)6、如遇业主后期更改隐蔽工程,必须对所更改部位重新拍摄照片。
7、相机使用事项:照片拍摄完成,及时交由下单员进行归类存档。
8、水电图片刻录:禁止更改原图,每户一张光盘。
9、后期洁具安装、地板安装、其他安装,水电必须做好线路部位的标志线标注工作,特殊部位安装需提前告知业主,如需进行钻孔,必须对照隐蔽工程照片确保无误后方可进行施工。
一、照相基本要求1、每张照片必须要设置正确的时间。
2、拍照时横平竖直、手端稳。
3、每张照片及时下载到工程助理处。
4、照片大小1024*768二、实拍要求1、入户门全景、竖拍,检查入户门是否保护、规定资料是否张贴。
被隐蔽工程所属检验批名称:卷材防水层覆盖物所属检验批名称:保护层隐蔽部位:地下室底板卷材防水层隐蔽内容及要求:1、基层质量牢固、基面洁净、平整、无空鼓、松动、起砂现象;防水层粘结牢固,结合紧密、厚度均匀一致。
2、地下室底板卷材防水隐蔽符合设计及规范要求.隐蔽原因:按设计要求地下室底板卷材防水被保护层所覆盖。
被隐蔽工程所属检验批名称:防水保护层覆盖物所属检验批名称:回填土(现浇钢筋混凝土)隐蔽部位:地下室外墙(底板)防水保护层隐蔽内容及要求:保护层的材料、厚度、铺设、表面平整度,符合设计要求及相关施工规范要求。
隐蔽原因:按设计要求地下室外墙卷材防水层被回填土所回填(地下室底板、顶板、外墙都有找平、防水、保护、回填土四道工序被隐蔽工程所属检验批名称:覆盖物所属检验批名称:土方回填隐蔽部位:挡土墙隐蔽内容及要求:挡土墙的组砌方式、几何尺符合设计要求和施工规范要求。
隐蔽原因:按设计要求挡土墙被回填土所回填被隐蔽工程所属检验批名称:基础砼垫层覆盖物所属检验批名称:水泥砂浆找平层隐蔽部位:基础垫层隐蔽内容及要求:垫层砼标号、几何尺寸、标高、轴线、外观质量符合设计及规范要求.隐蔽原因:按设计要求砼垫层被水泥砂浆找平层所覆盖。
被隐蔽工程所属检验批名称:独立柱基砼覆盖物所属检验批名称:土方回填隐蔽部位:独立柱基隐蔽内容及要求:独立柱基砼标号、几何尺寸、标高、轴线、外观质量符合设计及规范要求。
隐蔽原因:按设计要求独立柱基被回填土所回填被隐蔽工程所属检验批名称:±0.00以下柱及地梁砼覆盖物所属检验批名称:土方回填隐蔽部位:±0.00以下柱及地梁隐蔽内容及要求:±0.00以下柱及地梁砼标号、几何尺寸、标高、轴线、外观质量符合设计及规范要求.隐蔽原因:按设计要求±0.00以下柱及地梁被回填土所回填被隐蔽工程所属检验批名称:接地装置安装覆盖物所属检验批名称:砼施工隐蔽部位:基础防雷接地隐蔽内容及要求:按设计要求接地使用基础钢筋做接地体,然后用40×4镀锌扁铁引出,所用材料及连接符合设计和施工规范要求隐蔽原因:按设计要求接地电阻钢筋被砼所覆盖被隐蔽工程所属检验批名称:地下夹层底板垫层混凝土覆盖物所属检验批名称:涂膜防水层隐蔽部位:地下夹层底板垫层隐蔽内容及要求:地下夹层底板垫层的标注、标号、几何尺寸符合设计和施工规范要求隐蔽原因:地下夹层底板垫层被涂膜防水层覆盖被隐蔽工程所属检验批名称:接地装置安装覆盖物所属检验批名称:土方回填隐蔽部位:基坑隐蔽内容及要求:1、采用镀锌钢材、规格、尺寸符合设计要求,电焊接、暴露在空气经自检符合设计要求。
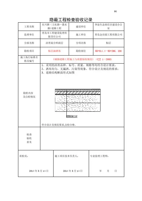
隐蔽工程检查验收记录工程名称东川路(习水路-惠水路)道路工程建设单位李沧生态商住区建设办公室监理单位青岛市工程建设监理有限责任公司施工单位青岛金谷园工程有限公司分部名称沥青混合料面层分项名称透层隐检项目透层油洒布隐检部位K0+014。
4—K0+296。
838透层施工执行标准名称及编号〈〈城镇道路工程施工与质量验收规范〉>(CJJ1—2008)隐检内容及自检情况1、采用的沥青品种、标号、质量、规格均符合设计要求;2、洒布均匀,无漏洒、污染等现象,符合设计及规范的要求;3、道路结构断面形式如下图符合设计及规范要求,自检合格.检查验收意见质检员:年月日施工项目技术负责人:年月日专业监理工程师:年月日隐蔽工程检查验收记录工程名称李沧东部10#线道路工程建设单位李沧生态商住区建设办公室监理单位青岛市工程建设监理有限责任公司施工单位青岛金谷园工程有限公司分部名称沥青混合料面层分项名称透层隐检项目透层油洒布隐检部位K0+020-K0+161施工执行标准名称及编号〈〈城镇道路工程施工与质量验收规范〉〉CJJ 1—2008隐检内容及自检情况1、采用的沥青品种、标号、质量、规格均符合设计要求;2、洒布均匀,无漏洒、污染等现象,符合设计及规范的要求;3、道路结构断面形式如下图检查验收意见质检员:年月日施工项目技术负责人:年月日专业监理工程师:年月日隐蔽工程检查验收记录工程名称李沧区东部9#线拓宽改造工程建设单位李沧生态商住区建设办公室监理单位青岛华鹏工程咨询集团有限公司施工单位青岛金谷园工程有限公司分部名称沥青混合料面层分项名称黏层隐检项目黏层油洒布隐检部位K0+030—K0+758施工执行标准名称及编号城镇道路工程施工与质量验收规范CJJ 1—2008隐检内容及自检情况1、采用的沥青品种、标号、质量、规格等均符合设计要求;2、洒布均匀,无漏洒、污染等现象,符合设计及规范的要求;3、道路结构断面形式如图检查验收意见质检员:年月日施工项目技术负责人:年月日专业监理工程师:年月日隐蔽工程检查验收记录工程名称李沧东部9#线道路工程建设单位李沧生态商住区建设办公室监理单位青岛华鹏工程咨询集团有限公司施工单位青岛金谷园工程有限公司分部名称沥青混合料面层分项名称透层隐检项目透层油洒布隐检部位K0+030—K0+758施工执行标准名称及编号<<城镇道路工程施工与质量验收规范>〉(CJJ 1-2008)隐检内容及自检情况4、采用的沥青品种、标号、质量、规格均符合设计要求;5、洒布均匀,无漏洒、污染等现象,符合设计及规范的要求;6、道路结构断面形式如下图检查验收意见质检员:年月日施工项目技术负责人:年月日专业监理工程师:年月日隐蔽工程检查验收记录工程名称李沧东部5#线道路工程建设单位李沧生态商住区建设办公室监理单位青岛华鹏工程咨询集团有限公司施工单位青岛金谷园工程有限公司分部名称沥青混合料面层分项名称透层隐检项目透层油洒布隐检部位K0+015-K0+746。
隐蔽工程检查验收记录2012年11月27 日编号:DLTLJ-08-1隐蔽工程检查验收记录2010年11月27 日编号:DLTLJ-08-2隐蔽工程检查验收记录Array年月日编号:路基—填筑—002隐蔽工程检查验收记录隐蔽工程检查验收记录隐蔽工程验收记录地基验槽年月日年月日年月日年月日年月日本表一式四份,由承包单位填写并存两份。
监理单位、建设单位各一份。
(地下混凝土结构工程)(地下防水、防腐工程)编号:隐蔽工程验收记录(钢筋工程)工程埋件、埋管、螺栓(隐蔽)会签单编号:隐蔽工程验收记录(混凝土工程结构施工缝)编号:(屋面工程)编号:(____________工程)编号:隐蔽工程检查验收记录(____________工程)编号:检表4表4检表4表4隐蔽工程检查验收记录工程名称施工单位隐检项目 污水检查井砌筑 隐检范围 xxxx 污水井检 查 情 况隐 检 内 容 及隐检内容:污水检查井外观质量,检查井内、外壁抹灰平整度 检查情况:符合规范及设计要求验 收 意 见处 理 情 况复查人: 年 月 日 建设单位监理单位施工项目技术负责人质检员质控(建)表4.1.5.3共页第页质控(建)表4.1.5.3共页第页质控(建)表4.1.5.3共页第页质控(建)表4.1.5.3共页第页质控(建)表4.1.5.3共页第页质控(建)表4.1.5.3共页第页质控(建)表4.1.5.3共页第页质控(建)表4.1.5.3共页第页质控(建)表4.1.5.3共页第页质控(建)表4.1.5.3共页第页质控(建)表4.1.5.3共页第页质控(建)表4.1.5.3共页第页。
隐蔽工程拍照标准1、施工工地水电工程验收完毕后,经业主确认并签字验收后,第一时间落实隐蔽工程拍照记录,此工作由各工地工程监理负责。
2、拍摄前,确保所有电路水路均处于未封闭状态,水电走线标志线张贴完整,现场清理干净,线路水路表面无杂物堆放掩盖。
3、所有线路水路表面敷设、回填保护工作必须在工程拍摄记录完毕后进行。
4、拍摄内容:水电路施工走线路径照片5、照片拍摄项目:所有新铺设水路、电路、排水、原始主进水、进电及其他特殊暗埋施工项目。
照片拍摄区域:以空间(例:客厅、卫生间)为区域划分标准,先地面→后墙面→再顶面。
照片拍摄顺序:单元门号→进门地面→进门全局→各区域→局部特写。
照片拍摄前准备:清理现场杂物→清除拍摄对象表面遮盖物→区域标注→将所有水路、电路、燃气管道进行量尺标注→所有水路走向标注标注注意点:在施工管线区域以尺水平贴于墙面,途径管线区域进行拍摄,图像要求清晰,且放大后看清楚的刻度,并注明所在区域,拍摄施工墙面全景。
照片拍摄方法:从左到右顺序拍摄,禁止区间跳跃。
照片拍摄要求:标注清晰、无遗漏死角、有明显区域标注及特征。
像素不得低于800万,相片对焦需清晰。
拍摄完毕后,需在电脑上将照片文件名更改为位置名称(例:东墙,西墙,天花板),并将不同区域的照片归到相应的文件夹内。
文件夹以房间名称命名(例:客厅、餐厅、主卫、主卧等)6、如遇业主后期更改隐蔽工程,必须对所更改部位重新拍摄照片。
7、相机使用事项:照片拍摄完成,及时交由下单员进行归类存档。
8、水电图片刻录:禁止更改原图,每户一张光盘。
9、后期洁具安装、地板安装、其他安装,水电必须做好线路部位的标志线标注工作,特殊部位安装需提前告知业主,如需进行钻孔,必须对照隐蔽工程照片确保无误后方可进行施工。
一、照相基本要求1、每张照片必须要设置正确的时间。
2、拍照时横平竖直、手端稳。
3、每张照片及时下载到工程助理处。
4、照片大小1024*768二、实拍要求1、入户门全景、竖拍,检查入户门是否保护、规定资料是否张贴。