城市规划计算题
- 格式:ppt
- 大小:82.00 KB
- 文档页数:12
《规划设计》题集一、选择题(每题1分,共10分)1.城市规划的主要目的是什么?A. 提升城市美观B. 促进经济发展C. 合理布局城市空间D. 增加人口数量2.在居住区规划中,以下哪项不是必须考虑的?A. 日照和通风B. 交通便利性C. 周边商业设施D. 土壤类型3.绿地规划在城市规划中的作用是什么?A. 提升城市温度B. 改善城市环境C. 增加城市人口密度D. 减少城市交通流量4.下列哪项不属于城市设计的基本原则?A. 功能性原则B. 艺术性原则C. 经济性原则D. 随机性原则— 1 —5.在进行城市规划时,哪项因素不是必须考虑的?A. 地质条件B. 气候条件C. 政治制度D. 个人喜好6.以下哪种方法是城市规划设计中的常用调研手段?A. 问卷调查B. 实验室研究C. 文学创作D. 美术创作7.在城市规划中,哪个因素对于防灾规划至关重要?A. 建筑风格B. 人口密度C. 避难场所设置D. 绿化面积8.交通规划的主要目标是什么?A. 增加交通拥堵B. 提高出行效率C. 减少汽车数量D. 提升油价9.下列哪项是城市景观规划的主要任务?A. 减少城市绿化面积— 2 —B. 破坏自然景观C. 创造优美的城市环境D. 增加城市垃圾量10.在进行旧城改造规划时,应优先考虑什么?A. 拆除所有旧建筑B. 保护历史文化遗产C. 增加高层建筑数量D. 减少公共设施二、填空题(每题1分,共10分)1.城市规划的核心任务是__________和__________的合理配置。
2.在城市绿地系统规划中,绿地的主要功能包括__________。
3.城市交通规划应遵循__________、__________和__________的原则。
4.城市设计的基本要素包括__________、__________。
5.旧城改造规划应注重__________、__________和__________的平衡。
6.居住区规划应确保居民的__________、__________和__________需求得到满足。
城市规划相关知识12(总分100,考试时间130分钟)单项选择题(共70题。
每题的备选项中,只有1个最符合题意)1. 社会控制的含义是( )。
A. 指建立在积极的社会个人顺从的动机上B. 利用任何社会或文化的工具,对个人或集体行为约束,使其依附于社会传统的行为模式,以促进社会或群众的调适和发展C. 处理人们行为而产生的诸如权威系统、法律条例、规程等D. 建立在惩罚或对某些惩罚的一种畏惧心理之上2. 在中庭设计的要求中,不包含的是( )。
A. 使用合理B. 空间得体C. 结构合理D. 美观华丽3. ( )是世界上现存最高的木塔。
A. 河南登封嵩岳寺塔B. 山西应县佛宫寺释迦塔C. 山东济南神通寺四门塔D. 陕西扶风法门寺塔4. 下列城市电网典型结线方式中,不宜在城市高压配电网中采用的是( )。
A. 放射式B. 环式C. 多回线式D. 格网式5. 自然环境包括:①土地;②空气;③淡水;④食物;⑤能源;⑥原料;⑦地质;⑧地貌;⑨气候;⑩生物。
在这十项中,对城市来说,最重要的资源是( )。
A. ①③⑤⑦B. ②④⑥⑧C. ①②③⑥⑨⑩D. ①②③④⑤⑥6. 矢量模型的适用对象为( )。
A. 大比例、边界明确的事物B. 大比例、边界模糊的事物C. 小比例、边界明确的事物D. 小比例、边界模糊的事物7. 低层住宅的基本特点不包括( )。
A. 适应性强,既能适应面积较大、标准较高的住宅,也能适应面积较小、标准较低的住宅B. 占地面积大,道路、管网以及其他市政设施投资较低C. 对基地要求不高,结构简单,可因地制宜,就地取材,住户可以自己动手建造D. 平面布置紧凑,上下交通联系方便8. 排水体制可分为( )。
A. 直排式合流制、截流式合流制、分流制B. 合流制、完全分流制、不完全分流制C. 分流制、合流制D. A和B9. 人行道宽度由( )确定。
A. 步行交通需要的宽度B. 路幅宽度和步行交通需要的宽度C. 步行交通需要的宽度和地下管线和绿化布置与人行道宽度的关系D. 路幅宽度及地下管线和绿化布置与人行道宽度的关系10. 标志一个城市地价最高的地方一般位于( )。
2023年城市规划师-城市规划原理考试备考题库附带答案第1卷一.全考点押密题库(共50题)1.(单项选择题)(每题 1.00 分) 下列以满足交通运输的要求为主要功能并承担城市主要的交通量及与对外交通联系的道路是()A. 生活性道路B. 交通性道路C. 主干路D. 快速路正确答案:B,2.(单项选择题)(每题 1.00 分) 为满足城市经济发展的需要,需扩充城市水源,应该优先考虑的方式是()。
A. 开采深层地下水B. 中水回用C. 跨流域引水D. 在过境的河道上修筑截流坝正确答案:B,3.(单项选择题)(每题 1.00 分) 计划经济体制下的城镇化模式是以()为主导。
A. 国有企业B. 分散家庭工业C. 乡村集体经济D. 私营企业正确答案:A,4.(单项选择题)(每题 1.00 分) 在城市干路选线时,应尽量配合自然地形,避免因追求道路网的形式而不顾起伏变化的地形。
地形坡度大时,()。
A. 道路一般可与等高线斜交,而避免与等高线垂直B. 道路一般可与等高线垂直,而避免与等高线斜交C. 路面排水困难D. 对埋设自流管线不利正确答案:A,5.(单项选择题)(每题 1.00 分) 属于第一批国家历史文化名城的城市是()。
A. 西安B. 平遥C. 天津D. 邯郸正确答案:A,6.(单项选择题)(每题 1.00 分)城镇体系的组织结构演变的进程为()。
[2010年真题]A. 低水平均衡阶段—扩散阶段—极核发展阶段—高水平均衡阶段B. 低水平均衡阶段—极核发展阶段—扩散阶段—高水平均衡阶段C. 极核发展阶段—低水平均衡阶段—扩散阶段—高水平均衡阶段D. 极核发展阶段—扩散阶段—低水平均衡阶段—高水平均衡阶段正确答案:B,7.(多项选择题)(每题 1.00 分) 城市绿地系统布局常用的形式有()A. 块状绿地布局B. 环形绿地布局C. 楔形绿地布局D. 带状绿地布局E. 立体绿地布局正确答案:A,C,D,8.(多项选择题)(每题 1.00 分) 绘制道路系统规划图包括()A. 纵断面图B. 平面图C. 用地结构图D. 横断面图E. 道路红线图正确答案:B,D,9.(单项选择题)(每题 1.00 分) 属于行政办公类的城市公共设施是()。
注册城乡规划师之城乡规划原理练习题库附有答案详解单选题(共20题)1. 根据《镇规划标准》,计算镇区人均建设用地指标的人口数应为( )。
A.镇区常住人口B.镇区户籍人口C.镇区非农人口D.镇域所有城镇建设用地内居住的人口【答案】 A2. 《雅典宪章》提出功能分区思想,对当时城市中出现各种问题解决起到了缓解和改善作用。
这些问题不包括()。
A.人口增长B.工业污染C.工业与居住混杂D.环境卫生恶化【答案】 A3. 不可以在卫生防护带中布置建筑是()。
A.消防车库B.仓库C.停车场D.体育设施【答案】 D4. 城市噪声中()是影响住宅布置最重要因素。
A.施工噪声B.交通噪声C.商业噪声D.娱乐噪声【答案】 B5. 城镇化基本概念中,无形城镇化即精神上、意识上城镇化,生活方式城镇化,具体包括()。
A.人口集中B.空间形态改变C.城市生活方式扩散D.经济社会结构变化【答案】 C6. 关于区域城镇体系演变基本规律理解不正确是?A.镇体系是区域城镇群发展到一定阶段产物,也是区域社会经济发展到一定阶段产物。
B.镇体系存在着一个形成—发展—成熟过程C.工业化阶段,城镇体系以规模小、职能单一、孤立分散低水平均衡分布为特征D.“点—轴—网”空间结构系统形成阶段,区域进入全面有组织状态。
【答案】 C7. 对历史文化保护区内重点保护地段的建设控制指标和规定,是()内容。
A.城市总体规划工作的B.城市规划强制性C.城市修建性详细规划的D.城市控制性详细规划的【答案】 B8. 城市交通调查目是()。
A.进行城市交通规划、城市道路系统规划和城市道路设计基础工作B.收集城市公共交通客运总量、货运总量,对外交通量、货运总量等运输现状与发展资料C.根据调查资料,分析城市车辆以及客、货运量增长特点和规律D.摸清城市道路上交通状况,城市交通产生、分布、运行规律以及现状存在主要问题【答案】 D9. 下列哪项不属于详细规划阶段燃气工程规划工作内容?( )A.计算燃气管网管径B.规划布局燃气输配管网C.预测用户燃气用量D.选择气源种类【答案】 D10. 1978年l2月,( )作出了把党工作重点转移到社会主义现代化建设上来战略决策,以这次会议为标志,我国进入了改革开放新阶段。
城市规划考试题库1、单选(江南博哥)下面关于地表水取水构筑物的要求叙述错误的是()。
A.设在水量充沛、水质较好的地点,宜位于城镇和工业的上游清洁河段B.取水构筑物的设计最高水位应按100年一遇频率确定C.具有稳定的河床和河岸,靠近主流,有足够的水源,水深一般不小于2.5~3.0m。
弯曲河段上,宜设在河流的凹岸,但应避开凸岸主流的顶冲点D.尽可能减少泥沙、漂浮物、冰凌、冰絮、水草、支流和咸潮的影响;具有良好的地质、地形及施工条件本题答案:C2、单选大跨度建筑空间结构体系中,薄壳结构的曲面形式不包括()。
A.翻折曲面B.旋转曲面C.平移曲面D.直纹曲面本题答案:A本题解析:本题的考点是大跨度建筑空间结构体系中薄壳结构的曲面形式。
薄壳结构的曲面形式。
(1)旋转曲面,由一平面曲线作母线绕其平面内的轴旋转而形成的曲面称为旋转曲面。
(2)平移曲面,由一竖向曲母线沿另一竖向曲导线平移所形成的曲面称平移曲面。
(3)直纹曲面,一段直线的两端各沿2条固定曲线移动形成的曲面叫直纹曲面。
3、多选空间结构体系包含()等结构形式。
A.排架B.薄壳C.网架D.折板E.悬索本题答案:B,C,D,E本题解析:本题的考点是空间结构体系。
空间结构体系包含网架、薄壳、折板、悬索等结构形式。
熟悉不同空间结构形式及其特点,可能会在考试中出现。
4、单选下列工作内容中()项不属于城市分区规划中燃气工程规划的内容。
A、选择城市气源种类B、确定燃气输配设施的分布、容量和用地C、确定燃气输配管网的级配等级,布置输配干线管网D、确定燃气输配设施的保护要求本题答案:A5、单选城市土地价格由()来决定。
A.政府规定B.开发商C.供求决定D.土地部门本题答案:C6、单选根据一般对城市形态作为城市用地空间表现的几何形状的认识,城市形态由()组成。
A.道路网、街区、节点、城市用地和城市发展轴B.道路网、街区、节点C.道路网、街区、城市用地和城市发展轴D.街区、节点、城市用地和城市发展轴本题答案:A7、多选平面环形交叉口设计的主要内容有()。
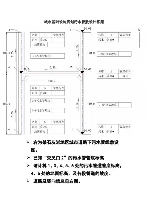
城市基础设施规划污水管敷设计算题右为某石灰岩地区城市道路下污水管线敷设图。
已知“交叉口2”的污水管管底标高请计算1、3、4、5、6处的污水管道管底标高,4、6处的地面标高,及各段管道的坡度。
道路及竖向信息见右图。
解法一:∵②处道路标高为50.45m,管底标高46.4m∴②埋设深度=②道路标高-②管底标高=50.45-46.4=4.05m根据规范:A.石灰岩地层埋深不超过5m B.管道与路面纵坡平行的时候施工难度较小C.管顶覆土厚度不小于0.7m∴管道应与道路纵坡平行时合理∴起点埋深=终点埋深由此可得:①管底标高=①道路标高-埋深=50.95-4.05=46.9m管道坡度= 垂直高度/水平距离= (起点埋深-终点埋深)/管道水平距离*100%∴ 1-2污水管坡度=(46.9-46.4)/100*100%=0.5%同理③管底标高=③道路标高-埋深=50.9-4.05=46.85⑤管底标高=⑤道路标高-埋深=50.0-4.05=45.952-3污水管坡度=(46.85-46.4)/150*100%=0.3%2-5污水管坡度=(46.4-45.95)/150*100%=0.3%道路坡度=(高程差/水平距离)*100%设④道路标高为x ,⑥道路标高为y(50-x)/100*100%=0.5% (y-50)/150*100%=0.3%求得x=49.5 y=50.45∴④管道标高=④道路标高-埋深=49.5-4.05=45.45⑥管道标高=⑥道路标高-埋深=50.45-4.05=46.44-5污水管坡度=(45.95-45.45)/100*100%=0.5%5-6污水管坡度=(46.4-45.95)/150*100%=0.3%解法二:已知交叉口2的污水管管底标高,地面标高管道埋设:50.45-46.4=4.05一般情况下,管首和管尾的管道埋设一致1的地面标高:50.95可得1的管底标高:50.95-4.05=46.90管道坡度:(管首的管底坡度-管尾的管底坡度)/总管长1-2污水管坡度:(46.95-46.4)/100.0=0.5%同理可得3的地面标高:50.90可得3的管底标高:50.90-4.05=46.852-3污水管坡度:(46.85-46.4)/150.0=0.3%5的地面标高:50.0可得5的管底标高:50.0-4.05=45.952-5污水管坡度:(46.4-45.95)/150.0=0.3%已知4-5道路坡度:0.5% 5-6道路坡度:0.3%道路坡度:道路两端高程差/水平距离4-5高程差:100.0*0.5%=0.5可得4的地面标高:50.0-0.5=49.54的管底标高:49.5-4.05=45.454-5污水管坡度:(45.95-45.45)/100.0=0.5%同理可得5-6高程差:150.0*0.3%=0.45可得6的地面标高:50.0+0.45=50.456的管底标高:50.45-4.05=46.45-6污水管坡度:(46.4-45.95)/150.0=0.3%总结:1管底标高:46.951-2污水管坡度:0.5%2-3污水管坡度:0.3%3管底标高:46.854地面标高:49.54管底标高:45.454-5污水管坡度:0.5%2-5污水管坡度:0.3%5管底标高:45.955-6污水管坡度:0.3%6地面标高:50.456管底标高:46.4。
《城市控制性详细规划》复习题一、单项选择题 (共50题)1.城市交通集散广场的用地总面积,可按城市规划人口每人()计算。
AA.0.07~0.10平方米B.0.09~0.12平方米C.0.1~0.2平方米D.0.15~0.25平方米2.道路的走向及坐标是通过()控制的。
AA.道路红线B.道路交叉路口形式C.地形地貌D.道路性质、功能3.老年人设施场地内建筑密度不应大于(),容积率不宜大于()。
AA.30%;0.8B.40%;0.8C.30%;1D.40%;14.通常情况下,城市道路用地适宜最小坡度为(),最大坡度为()。
DA.0;2B.0.2;2C.0.2;5D.0.2;85.城市公共停车场用地总面积的确定是()。
DA.按城市人口人均0.9-1.2平方米B.按规划人口人均0.9-1.2平方米C.按城市人口人均0.8-1.0平方米D.按规划人口人均0.8-1.0平方米6.红线宽度大于50m的道路绿地率不得小于()。
DA.20%B.25%C.30%D.40%7.220KV城市高压电力架空线路走廊宽度为()米。
BA.20~30B.30~40C.40~50D.60~708.根据设计规范要求,场地出入口距离人行道、地铁出入口应大于()米。
B A.20米 B.30米 C.40米 D.50米9.生活垃圾转运站周边设置的绿化隔离带最小不能低于()米。
BA.2B.3C.4D.510.受让方在()情况下,经城市规划行政主管部门批准后,可给予适当提高容积率的补偿。
DA. 符合规划设计条件外为城市公共事业提供便利的B. 符合规划设计条件外获得了外部空间效益的C. 向城市建设需要时,无偿转让给国家部分已获得的土地的D. 符合城市规划设计条件外为公众提供公共使用空间或设施的11.机动车公共停车场的服务半径,在市中心地区不应大于();一般地区不应大于()。
BA.150米;250米B.200米;300米C.300米;400米D.400米;500米12.下列城市规划的几项强制性内容,哪一项不完全正确()。
同济大学城市计划期末试题带答案2003-2004学年第一学期《城市计划原理1》试题专业:学号:姓名:成绩:一、名词说明(每题5分)日照间距绿地率容积率效劳半径户室比二、简答题(每题10分)一、阻碍住宅通风的因素有哪些?二、什么缘故要在居住区道路系统计划中提倡“顺而不顺畅”的原那么?3、绘制“居住区计划用地平稳表”。
4、居住区级、居住小区级、居住组团级和宅间道路的宽度别离为多少米?五、居住区级、居住小区级和居住组团级公共效劳设施的效劳半径别离为多少米?三、计算题(25分)某住宅区用地面积为12公顷,有三个居住组团。
第一个组团为3层住宅,用地为4公顷,建筑密度为20%。
第二个组团为6层住宅,用地为8公顷,容积率为。
请计算:整个住宅区的住宅建筑总面积。
整个住宅区的容积率。
须列出计算进程。
试题答案:一、名词说明日照间距:前后两排住房之间,为保证后排住宅能在规定时日获得所需日照而必须保持的距离。
绿地率:住宅区绿地与住宅区总用地的比值为绿地率,住宅区绿地包括公共绿地、道路绿地、宅间绿地和专属绿地。
容积率:容积率=总建筑面积/总用地面积,是一个反映单位用地面积上开发强度的指标。
服务半径:服务半径是各项公共服务设施所服务的空间距离或时间距离。
户室比:住宅区或住宅建筑内各种不同户型的住宅所占的比例。
二、简答题(每题10分)1、阻碍住宅通风的因素有哪些?建筑的间距、排列的方式、通风的方向等。
2、什么缘故要在居住区道路系统计划中提倡“顺而不顺畅”的原那么?保证住宅区通行方便,避免穿越性交通。
3、绘制“居住区计划用地平稳表”。
用地面积(ha) 比重(%) 人均面积(m2/人)居住区用地其中住宅用地公建用地道路用地公共绿地其他用地4、居住区级、居住小区级、居住组团级和宅间道路的宽度别离为多少米?居住区级:路面10-14米;红线20-30米。
小区级:路面6-9米;红线10-14米。
组团级:路面3-5米;红线8米。
宅间:路面不小于米。
2023年注册城乡规划师考试《城乡规划相关知识》真题【完整版】一、单项选择题(共80题,每题1分。
每题的备选项中,只有1个最符合题意)1.下列关于建筑体形系数说法,正确的是()。
A.建筑体形系数是建筑体积与其外表面积的比值B.建筑体形系数是建筑室内面积与外表面积的比值C.两幢相同的板形建筑合并成一幢,建筑体形系数提高D.一建筑以表面积最大一面接地,体形系数最小2.关于建筑环境中无障碍出入口设置的说法,错误的是()。
A.出入口应同时设置台阶和升降平台B.平坡出入口地面坡度应不大于1:20C.无障碍出入口应避免设置在雨篷下方D.非平坡式的无障碍出入口前应设置平台3.下列建筑面积计算的方法,正确的是()。
A.按建筑每个自然层楼面的外围结构中线所围空间的水平投影面积计算B.按建筑每个自然层楼面处内围结构内表面所围空间的水平投影面积计算C.不封闭的阳台,按其围护设施外表面所围空间水平投影面积的1/2计算D.结构层高2.1米的建筑空间计入建筑面积4.下列为一供日常交通公用楼梯的设计参数,不符合设计要求的是()。
A.梯段设计宽度按3股人流计算B.每股人流宽度按0.55米计算C.最长梯段16级踏步D.梯段设计净高2.0米5.普通房屋结构设计安全使用年限正确的是()。
A.25年B.30年C.50年D.70年6.下列古代典籍,属于北宋时期官方颁布的营建规范的是()。
A.营造法式B.工程做法图则C.木经D.营缮令7.下列古代城市属于街巷制城市布局的是()。
A.曹魏城B.北宋平城C.隋大兴城D.南宋平江城8.唐长安规划对日本城市()的布局影响显著。
A.横滨B.镰仓C.京都D.东京9.下列建筑体系,不属于世界三大建筑体系的是()。
A.中国建筑B.欧洲建筑C.伊斯兰建筑D.古代埃及建筑10.下列传统民居与其主要分布的地区配对,错误的是()。
A.四合院/北京B.一颗印/云南C.围龙屋/浙江D.窑洞/陕西11.根据《城市综合交通体系规划标准》,下列设施,不属于公共交通首末站配套设施的是()。
城市道路与交通规划习题集结构1. 章节序参照<<城市道路与交通>>2. 题型分填空题.选择题.名词解释.简答题.计算题.论述题.综合题(含作图题.设计等)3. 参考书目绪论一. 简答题1. 城市道路的功能有哪些? 由哪些部分组成?2. 为什么说城市道路系统规划是城市建设的百年大计?3. 城市道路分类的目的和依据是什么? 试举例说明其必要性。
4. 为何要进行城市道路红线规划?5. 城市道路应如何分类?试举各类道路的功能.特点与技术指标说明之?6. 城市交通的基本概念是什么?7. 公路与城市道路在设计标准和技术要求上有什么不同?二名词解释1. 绿波交通第一、二章一. 填空题1. 设计车速指。
2. 车流密度指。
3. 交通量是指。
4. 道路通行能力指。
5. 小型汽车的外廓尺寸:总长米,总宽米,总高米.。
6. 一条机动车道可能通行能力一般为辆/小时。
7. 一条自行车道可能通行能力一般为辆/小时。
8. 一米人行道可能通行能力一般为人/小时。
9. 在平面交叉的道路网上,一条机动车道的实际通行能力常为辆/小时。
10. 常见公共汽车的车身宽度为米,道路交叉口上空,无轨电车架空线净空不得低于米。
11. 自行车行驶时,左右摆动的宽度各为米,一条自行车道净高为米。
12. 交通量观测资料可应用在, , 三方面,其中高峰小时交通量是设计的依据,而年平均昼夜交通量是设计的依据。
1. 一条车道的通行能力是指在单位时间内,车辆的行驶长度被:(1)平均车身长度(2)车头间距长度(3)停车视距除得的数值。
2. 车辆在高速行驶时, 驾驶员的视野:(1)越来越宽阔(2)越来越近(3)越来越狭窄。
注意力的集中点也(1)越来越近(2)越来越远(3)越来越高。
3. 道路上车速越高,车流密度(1)越大(2)越小(3)先小后大。
三. 名词解释1. 交通量2. 一条机动车道理论通行能力3. 服务水平4. 服务流量5. 动力因素6. 停车视距三. 简答题1. 城市道路交通的特征如何?2. 城市交通运输的工具有哪些?它们的特点如何?3. 交通工具的尺寸与道路设计的哪些方面有关?4. (结合图示)说明车流密度.车流量.速度三者的关系如何?何者起主要影响作用?5. 外白渡桥宽为三条机动车道,以往两边各一条车道上下行,中间一条车道为自由使用,实际效果不好,后改为上坡两车道,下坡一车道(在桥中央换位),效果较好。
城市规划问答题引言概述:城市规划是指通过对城市的土地利用、交通、建筑、环境等方面进行科学合理的规划,以实现城市可持续发展和提升居民生活质量的目标。
在城市规划中,涉及到许多重要的问题和概念。
本文将回答一些常见的城市规划问答题,以帮助读者更好地了解和理解城市规划的相关知识。
一、城市规划的基本概念1.1 城市规划是什么?城市规划是指对城市进行科学、合理的布局和设计,包括土地利用、交通规划、建筑设计、环境保护等方面的规划,以实现城市发展的目标和要求。
1.2 城市规划的目的是什么?城市规划的目的是实现城市的可持续发展,提升居民的生活质量。
通过科学规划,可以合理利用土地资源,改善交通状况,提供良好的居住和工作环境,保护自然环境,促进经济发展和社会进步。
1.3 城市规划的重要性是什么?城市规划对于城市的发展至关重要。
它可以避免城市发展中的混乱和无序,提高城市的生活质量和环境质量,促进经济的繁荣和社会的进步。
城市规划还可以提前预测和解决城市发展中可能出现的问题和挑战,为城市的可持续发展奠定基础。
二、城市规划的原则和方法2.1 城市规划的基本原则有哪些?城市规划的基本原则包括可持续发展原则、合理布局原则、生态保护原则、社会公平原则等。
可持续发展原则要求在规划过程中兼顾经济、社会和环境的平衡发展;合理布局原则要求合理规划城市的土地利用和功能布局;生态保护原则要求保护自然环境和生态系统;社会公平原则要求公平分配城市资源和服务。
2.2 城市规划的方法有哪些?城市规划的方法包括城市调查和研究、规划编制和设计、评估和监测等。
城市调查和研究是为了了解城市的现状和问题,为规划提供数据支持;规划编制和设计是根据城市的需求和目标进行规划方案的制定和设计;评估和监测是对规划方案的实施效果进行评估和监测,以及对规划进行调整和完善。
2.3 城市规划中的参与和沟通有何重要性?城市规划的参与和沟通是确保规划的科学性和民主性的重要手段。
通过广泛的参与和沟通,可以充分听取各方的意见和建议,提高规划的质量和可行性,增强公众对规划的认同和支持,避免规划的冲突和争议。
城市规划期末试题及答案一、选择题1.以下哪项不是城市规划的基本要素?A.土地利用B.交通规划C.建筑设计D.环境保护答案:C2.城市规划的主要目标是:A.提供良好的居住环境B.促进经济发展C.保护历史文化遗产D.提高社会福利水平答案:D3.以下哪个不是城市规划的层次之一?A.总体规划B.详细规划C.专项规划D.项目规划答案:C4.城市规划中的绿地系统包括以下哪些元素?A.公园和广场B.街道绿化C.河流和湖泊D.都市森林答案:A、B、C、D5.以下哪个不是城市规划的常用工具和技术?A.交通模型B.土地利用评价C.景观设计D.环境影响评估答案:C二、判断题判断以下说法是否正确:1.城市规划的目标是实现城市发展的有序性和合理性。
答案:正确2.城市规划一般包括总体规划、详细规划和专项规划三个层次。
答案:正确3.绿地系统是城市规划中的重要组成部分,可以提供人们休闲娱乐的场所。
答案:正确4.城市规划师需要考虑城市的社会、经济、环境等方面的因素。
答案:正确5.城市规划中的交通规划主要包括道路规划和交通设施布局。
答案:正确三、简答题1.请简要描述城市规划的定义和目标。
答案:城市规划是指对城市的发展进行有序和可持续的规划和管理。
其目标是实现城市的有序发展、提供良好的居住环境、促进经济繁荣、保护环境资源和文化遗产等。
2.请列举城市规划中常用的工具和技术。
答案:城市规划中常用的工具和技术包括交通模型、土地利用评价、环境影响评估、空间分析技术等。
3.简述城市规划中的土地利用规划的重要性。
答案:土地利用规划是城市规划的重要组成部分,涉及到土地的合理利用和空间布局。
通过对土地利用规划的制定和执行,可以达到节约土地资源、提高土地利用效率和保护环境的目标。
四、综合题某市计划进行城市更新项目,请你以城市规划师的身份,以50字左右的标题和正文的形式回答以下问题:标题:某市城市更新项目规划方案正文:我市计划进行城市更新项目,该项目旨在提升城市形象、改善居住环境,并促进经济发展。
城市规划原理(第四版)课后习题解答第一章1.城市由哪些基本要素构成?产业构成、人口数量、职能。
(当然,还有一些非基本要素:市政和公共设施、人造和自然景观、建筑数量等)2.工业前城市与工业城市各自的特征是什么?工业前城市:①城市规模小②依赖风力和水力天然能源③以马车为主要交通工具工业城市:①城市圈层式向外扩张②出现城市仓储用地③出现商务贸易活动区④火车、轮船成为城市对外运输的主要工具,汽车成为城市运输的主要工具⑤城市类型增加3.中国城市化面临的主要挑战是什么?依你的推测,2030年中国城市化的水平将达到多少?①城市化进程分为三个阶段:起步、加速和稳定三个阶段,我国正处于加速发展阶段。
②中国幅员辽阔,不同地区经济社会发展和和环境条件存在巨大差异,以统一的标准衡量中国城镇化发展,并以此制定政策,不能满足需求。
③城镇化是一种现象,不是人类社会的发展目标,实现城市及区域的永续和谐发展是重点。
60%以上,官方预测为70%(8月27日发布的《2013中国人类发展报告》预测,到2030年,中国将新增3.1亿城市居民,城镇化水平将达到70%。
届时,中国城市人口总数将超过10亿。
),进入城市化的稳定阶段。
4.城市化有哪些基本规律?城市化发展与全球气候变化有哪些关系?①城市人口占总人口的比重不断上升。
②产业结构由第一产业向第二三产业转变。
③农业人口剩余推动城市化发展。
①城市用地增加,农业用地、森林、湿地等非城市用地减少。
②城市化耗费大量煤、石油等非天然能源,造成环境污染。
③城市化同时促进科技发展,产生电池、塑料、建筑垃圾等人造污染物。
第二章1.中国古代的城市格局反映了哪些重要的城市规划思想?①整体观念和长远发展(《管子》提出功能分区)、(《商君书》提出从城乡关系、区域经济、交通布局考虑)②人工环境和自然环境和谐【道家】(战国时代,吴国国都阖闾城建设,伍子胥提出“相土尝水,象天法地”)、(秦统一中国,规划时,也提出“象天法地”,强调方位)、(三国时期,吴国国都选址金陵,“以石头山、长江险要为界,依托玄武湖防御”)③严格有序的城市等级制度:中轴对称,道路分等级等【儒家】(周礼考工记,周王城建造,按封建等级)、(曹邺魏城、隋唐长安城、元大都皆是依据周王城而建)2.你认为哪些古代经典城市的规划案例,对未来的城市发展仍然有重要意义?①曹魏邺城,采用功能分区布局。
1-2章1、房地产开发与城市规划的关系是什么?(1.3)答:房地产开发,首先研究宏观规划,然后介入具体规划,同时接受规划管理,最后实施规划。
2、影响城市发展的主要因素有哪些?答:技术、生产力发展、军事防御、文化、政治体制等。
3、现代城市规划建立的标志是什么?答:霍华德“田园城市”理论标志着现代城市规划建立。
4、十九世纪中期巴黎改建的重点是什么?(2.2.3)答:①促进阶层分化,将工人区赶出市中心,改善贵族和上层阶级的居住环境。
②疏导交通,消灭便于反抗和巷战的狭窄街道。
③完成巴黎的大十字干道和两个环形路。
5、城市化/城镇化的含义是什么?你预测2030年中国城市化的水平将达到多少?(2.3.2)答:一般指农业人口及土地向非农业的城市转化的现象及过程,包括:①人口职业由农业转为工业、服务业;②产业结构由一产为主转为二、三产为主;③土地从农用途转为非农用途,居住由分散、低密转为集中、高密;④分散、低效的基础设施转为完备、高质的公共设施。
估计2030年中国城市化水平会达到70%左右。
6、你认为哪些城市规划理论深刻影响了城市的发展?答:现代主义建筑、雅典宪章、马丘比丘宪章等。
7、举出5个推动了城市形成和发展的重要因素。
答:军事、政治、经济、文化、生产力等。
3-4章1、我国的规划体系有哪些层面构成?答:①国土规划;②区域规划;③城乡规划。
2、什么是城市规划区和城市建设用地?(4.3.1)答:城市规划区:依据城市规划法,指城市市区、近郊区及城市行政区域内因城市建设和发展需要实行规划控制的区域。
①市区(城市建成区):由城市基础设施直接服务,有相当规模,集中成片建设的地区;②近郊区:紧邻市区,主要由城市基础设施服务,基本建成连片的地区,包括为市区服务的近郊农副食基地、蔬菜基地;③城市规划控制区:城市扩大规模需要而近期又不能开发建设的地区;城市用地:是城市规划区内赋以一定用途与功能的土地的统称,是用于城市建设和满足城市机能运转所需要的土地,既指已经建设利用的土地,也包括以列入城市规划区域范围内尚待开发建设的土地。
城市规划实务-152(总分140, 做题时间90分钟)(一)1.图2-1-1所示为某城市新区主干路AB与次干路CD交叉口规划平面图,规划主干路AB的横断面为双向6条机动车道三块板布置,次干路CD的横断面为双向4条机动车道一块板布置。
交叉口设置了5个公交停靠站,其中2、3、5号站为直行、右转公交站,1、4号站为左转公交站,停靠站距交叉口距离如图2-1-1所示。
试指出该交叉口规划平面布置存在的问题。
SSS_TEXT_QUSTI该题您未回答:х该问题分值: 20答案:1.缺乏交叉口拓宽措施。
2.双向4车道画成双向6车道。
3.分隔带距离交叉口过近,压占人行横道。
4.交叉口公交车站设置过多,换乘及间距不合理。
5.公交停靠站点压占人行横道。
6.道路红线用双点画线表示不合规划制图规范。
(二)1.某地级市总体规划确定,主城区在现状基础上仍分为5个组团,该市地势西北高,东南低,有3条河流,主导风向东北风,主城区现状常住人口60万人,规划为90万人。
城市总体规划用地现状示意图如图2-1-2所示,城市总体规划用地布局规划示意图如图2-1-3所示。
规划要点如下。
1.城市性质:省城北部区域中心城市,新型工业基地。
2.总体布局:为“二主三副”的组合型空间布局结构,两个核心为A、E 组团,三副为B、C、D功能组团。
各组团之间以农田和生态绿地进行分隔。
3.道路交通:增建高速公路出入口3,规划连接各组团的城市快速路系统。
4.工业布局:规划1处工业区,在A组团安排机械制造和生物制药园区;C组团安排新型建材及水泥厂;E组团安排电子信息高新技术园区;B组团安排物流中心;D组团安排旅游设施;规划1处均不安排大的工业项目。
5.在组团隔离带内留出高压电力线走廊,新规划1个水厂、4个污水处理厂。
请指出上述规划要点中不合理之处,并简述理由。
SSS_TEXT_QUSTI该题您未回答:х该问题分值: 20答案:1.总体布局结构为“二主三副”不合理(E组团没有成为核心组团的条件)。
第二章设施选址10.一家银行准备在某县的农村地区投放一批ATM自动取款机,以方便农村的用户取款。
该农村地区的村落座落情况和相对距离如图2.13所示。
为了能确保任一村的人都可以在20分钟之内到达自动取款机取款,银行需要多少台自动取款机?它们的位置又在哪里?图2.13 村落座落情况和相对距离要点:1. 明确N,M,,含义;2. 分析正确后,可参照直接写出,无需再看网络图;3. 熟悉最少点覆盖启发式算法的步骤,考虑是否有容量约束。
解:【集合覆盖模型】区域中需求点集合N={1,2,3,4,5,6,7};ATM取款机设施候选点集合M={1,2,3,4,5,6,7};由网络图确定候选设施点j可覆盖的需求点集合和可覆盖需求点i的设施节点的集合,见表2.10.1。
2.10.1 候选点服务范围因为={2,3,4,6,7},||=5为最大,故首先=4。
因无容量约束,指派2,3,4,6,7归村落4服务。
此时N={1,5},M={1,2,3,5,6,7};则更新候选点服务范围,见表2.10.2。
2.10.2 更新后的候选点服务范围因为={1,5}=N,恰好满足条件。
则=2。
综上所述,银行需要2台自动取款机,分别至于村落号为2和4的位置,2号为1,5村落服务,4号为2,3,4,6,7村落服务。
11. —个临时帮助服务中心计划在一个大城市的郊外开设一个新的办公室。
在经过一定的精简之后,该公司有5个大的合作伙伴。
在一个以km为单位的笛卡尔坐标系中,它们的坐标分别为:(4,4),(4,11),(7 ,2),(11,11),(14,7)。
它们的服务需求量的权重分别为:wl=3,w2=2,w3=2,w4=4,w5=1。
对于该服务中心来说,主要的日常费用是他们员工完成任务过程中的运输费用。
因此,用城市距离进行考虑,要求新的办公室到各个合作伙伴之间运输的运输费用最小。
1)请确定一个新办公室的地址,用笛卡尔坐标来表达相应结果。
2)如果由于该地区的人口稀少,城市还没有达到一定的规模,可以用欧几米德距离进行计算,新办公室又得在哪里投建?请比较两次结果,分析它们之间的关系。