设计工程有限公司设计制图规范总则
- 格式:doc
- 大小:125.00 KB
- 文档页数:9
设计工程有限公司设计制图规范1.总则1.1、目的1.1.1规范化--有效提高装饰设计的工作质量;1.1.2标准化--提高装饰设计的工作效率;1.1.3网络化--便于网络上规范化管理和成果的共享。
1.2、适用范围1.2.1本规范适用于我公司所有工程项目的工程制图和CAD制图。
1.2.2本规范所指施工图纸为:平面图、顶面图、立面图、构造结点图、配套装置家具图及水工电工改造图等。
1.3、工作风格1.3.1本规范为公司绘图表达的风格的统一,不提倡个人绘图表达风格。
工程制图严格遵照国家有关建筑制图规范制图,制图的表达应清晰、完整、所有图面的表达方式均保持一致。
1.4、依据1.4.1本规范的基本依据是GB/T50001-----2001《房屋建筑制图统一标准》,如有相驳之处,则以GB/T50001-----2001《房屋建筑制图统一标准》为准。
2.图纸排序2.1 施工图编排顺序:1、图封面2、设计说明3、图纸目录4、装饰施工图(平面图、顶面图、立面图、剖面图、构造节点图、详图)5、给水平面改造施工图,排水平面改造施工图6、电气改造施工图3.字体3.1 图纸字体:除投标及其特殊情况外,均应采取以下字体文件,尽量不使用TureType字体,以加快图形的显示,缩小图形文件。
同一图形文件内字型数目不要超过四种。
以下字体形文件为标准字体,将其放置在CAD软件的FONTS目录中即可。
Romans.shx(西文花体)、romand.shx(西文花体)、bold.shx(西文黑体)、txt.shx(西文单线体)、simpelx(西文单线体)、st64f.shx(汉字宋体)、ht64f.shx(汉字黑体)、kt64f.shx(汉字楷体)、fs64f.shx(汉字仿宋)、hztxt.shx(汉字单线)。
3.2 汉字字型优先考虑采用hztxt.shx和hzst.shx;西文优先考虑romans.shx和simplex 或txt.shx。
工程设计制图规范1 目的为了明确工程设计过程的责任、提高工程设计的质量、实行工程设计标准化、提高技术资料的使用效率,特制定本规范。
2 适用范围生产和技改过程中除地形图、地质图以外的所有工程设计图纸的实物版执行本规范中的第三条。
涉及到地形平面图的电子版CAD格式的图纸执行除第三条第一款以外的条款。
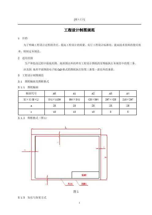
3 工程设计制图规范3.1 图纸幅面及图框格式3.1.1 图纸幅面3.1.2 图框格式(图1)图13.1.3 加长与加宽方式1)加长A0、A2、A4按A0幅面长边的1/8即148mm的倍数加长;A1、A3按A0幅面短边的1/4即210mm的倍数加长。
2)加宽A0按其幅面短边的1/4即210mm的倍数加宽;A1按A0幅面长边的1/8即148mm的倍数加宽。
3.2比例1)缩小比例:1:1.5、1:2、1:2.5、1:3、1:4、1:5、1:10n、1:10n、1:1.5×10n、1:2×10n、1:2.5×10n、5×10n,n为正整数。
2)放大比例:2:1、2.5:1、4:1、5:1、10n: 1、10×n:1,n为正整数。
3)标题栏内所标比例即为该图比例,当图中某个视图需要采用不同比例时,必须另行标注。
3.3标题栏3.3.1标题栏规格及内容3.3.2 标题栏位置一般采用图2方式,必要时采用图3方式图2图3 3.4 图号3.4.1 分类1)按时间分类;2)按用途分为技术改造、生产两大类;3)按生产单位分类;4)按专业分类。
3.4.2 图号标识3.4.2.1 技术改造类工程设计图图号1)统一图号图号形式:aJGb0-0-0-ca—制图时间,采用公历年后两位数字;JG—技术改造缩写代号;b—单位代号,见下表;c—专业代号,取专业名称第一字。
2)图号标识例如2006年二选矿厂技改选矿专业总图图号标识为:06JGXⅡ0-0-0-选;如2007年铜选冶厂技改电气专业总图图号标识为:07JGTX0-0-0-电。
设计部制图规定一:基本设置要求1.图框1.1图幅1.2标题栏图框已经制成标准图块。
2 比例3.字体3.1 字高a、图面字高应严格采用3.5、7mm(图幅里的图名)等2类字高,高宽比设定为0.7;b、汉字字高应不小于3.5mm,英文字符与数字高度应不小于2.5mm;c、设计说明部分采用3.5mm字高,尺寸标注采用2.5mm字高。
即模型字高为700mm,采用1:200比例,布局字高即为3.5mm, 模型字高为350mm,采用1:100比例,布局字高也为3.5mm。
3.2 字间距及行距字间距宜使用标准字间距,行间距宜采用1.5倍行距。
3.3 字体标准图内及说明的字体要求统一选用LLR(领路人,宋体),使用字体类型定为宋体。
二:图层管理根据图纸模板,管理图层三:图纸顺序1:图纸顺序如下:1 封面2图纸目录3 设计说明4 系统图5 平面图(附图例表)6 立面图(附图例表)7 节点图2:设计说明要点:用统一的设计说明四:管线敷设方式线路标注a-b(c×d)-e-fa:线路编号b:电缆或导线型号c:导线或芯线数d:导线截面积(mm2)e:敷设方式f:安装部位例:配电箱编号-回路编号-线缆型号-管材型号-敷设方式AL1-N1-WDZA YJY3*4-SC20(或线槽、桥架)-FC导线敷设方式的标注:导线敷设部位的标注:六:其他注意事项1:管子一般选用原则1〉室内一般选用JDG管、暗敷。
2〉室外一般选用PC或SC管。
优先采用PC。
3〉出户管一般选用RC管。
埋深-700mm。
出散水坡1000mm。
2:图纸中的文字一般同类型的说明或标注应一致。
大小应有设计原则。
********建筑装饰工程公司设计部制图规范一、总则工作目标:规范化-—有效提高装饰设计的工作质量;标准化--提高装饰设计的工作效率;网络化--便于网络上规范化管理和成果的共享。
工作范围:本规范适用于我公司所有工程项目的工程制图和CAD制图。
本标准为形成设计院绘图表达的风格的统一,不提倡个人绘图表达风格。
建筑、装饰制图的表达应清晰、完整、统一.二、制图1。
制图规范:工程制图严格遵照国家有关建筑制图规范制图,要求所有图面的表达方式均保持一致;2.图纸目录编排顺序:装修:图封面→设计说明→图纸目录→装饰施工图(平面图、顶面图、立面图、剖面图、构造节点图、详图)→电气改造施工图电气:电气设计说明→主要设备材料表→平面图→详图→系统图→控制线路图。
大型工程应按强电、弱电、火灾报警及其智能系统分别设置目录.3。
图纸深度工程图纸除应达到国家规范规定深度,公司规定深度外、尚须满足业主提供例图深度及特殊要求.4。
图纸字体除投标及其特殊情况外,均应采取以下字体文件,尽量不使用TureType字体,以加快图形的显示,缩小图形文件。
同一图形文件内字型数目不要超过四种。
以下字体形文件为标准字体,将其放置在CAD软件的FONTS目录中即可.Romans。
shx(西文花体)、romand。
shx(西文花体)、bold.shx(西文黑体)、txt。
shx(西文单线体)、simpelx(西文单线体)、st64f.shx(汉字宋体)、ht64f.shx(汉字黑体)、kt64f.shx(汉字楷体)、fs64f。
shx(汉字仿宋)、hztxt.shx(汉字单线)。
汉字字型优先考虑采用hztxt.shx和hzst.shx;西文优先考虑romans.shx和simplex或txt。
shx.所有中英文之标注宜按下表执行5。
图纸版本及修改标记5。
1图纸版本图纸修改等改用版本标志,停用原先采用用建修、结修、电、水、暖修等及其他编号标志。
5.1.1施工图版本号第一次出图版本号为0第二次修改图版本号为1第三次修改图版本号为25.1。
设计图纸的规范细则在工程建设、产品制造等众多领域,设计图纸是将创意和构想转化为实际可操作方案的重要工具。
一份规范、准确、清晰的设计图纸不仅能够有效地传达设计意图,还能为后续的施工、生产等环节提供可靠的依据,减少误解和错误,提高工作效率和质量。
为了确保设计图纸的质量和有效性,以下将详细阐述设计图纸的规范细则。
一、图纸格式与布局1、图纸尺寸应根据实际需要选择标准的图纸尺寸,如 A0、A1、A2、A3 等,并确保在整个项目中保持统一。
2、边框与标题栏图纸四周应绘制边框,边框的宽度和样式应符合相关标准。
标题栏应位于图纸的右下角,包含项目名称、图纸名称、编号、比例、绘图日期、设计单位等必要信息。
3、图面布局图形应布置合理,留出足够的空间用于标注尺寸、注释和技术要求等。
不同类型的图形元素(如线条、符号、文字等)应层次分明,避免相互重叠和混淆。
二、图形绘制1、线条类型与用途根据不同的表达内容,使用不同类型的线条,如实线、虚线、点划线等。
实线用于表示物体的可见轮廓,虚线用于表示不可见轮廓,点划线用于表示中心线等。
2、图形比例应根据物体的实际尺寸和图纸的大小选择合适的比例,确保图形能够清晰地展示物体的形状和结构。
比例应在标题栏中明确标注。
3、投影方法通常采用正投影法绘制图形,以保证物体的形状和尺寸能够准确地表达。
对于复杂的物体,可以采用多个视图(如主视图、俯视图、左视图等)来全面展示其特征。
4、图形符号与标注应使用标准的图形符号来表示各种零部件、设备和工艺等。
标注应清晰、准确,包括尺寸标注、公差标注、表面粗糙度标注等,标注的字体大小和样式应统一。
三、尺寸标注1、尺寸基准选择合适的尺寸基准,确保所标注的尺寸能够准确地反映物体的形状和位置关系。
2、尺寸标注的形式尺寸应采用水平、垂直或倾斜的方式标注,尺寸线应与被标注的轮廓线保持适当的距离,尺寸数字应位于尺寸线的上方或中断处,且字头朝上或朝左。
3、公差标注对于有公差要求的尺寸,应按照相关标准进行标注,明确公差的类型(如尺寸公差、形位公差等)和数值。
工艺设计制图规定第一章一般规定第一节制图比例1.1.1工艺设计图必须按比例绘制(流程图、管道系统图、示意图除外 ,常用比例和可用比例见下表。
常用比例1:1 1:2 1:5 1:10 1:20 1:50 1:100 1:200 1:500 1:1000 可用比例 1:3 1:15 1:25 1:30 1:40 1:60 1:150 1:250 1:3001:4001.1.2制图的比例,应根据设计时间、图面内容的复杂程度和图纸幅面的大小来适当选择,以图面清晰为原则。
1.1.3工艺制图比例规定如下:(1全厂生产车间布置图,平面图可选择 1:1000、 1:500的比例,剖面图可选用 1:200的比例(2各子项布置平、剖面图,尽量采用 1:100的比例,也可以选用 1:50、 1:200的比例。
(3详图、单体图、图册等可选用 1:50、 1:30、 1:20、 1:10、 1:5等的比例。
1.1.4在同一张图纸中只采用一种比例时,仅注在标题栏中即可;在同一张图纸中采用多种比例时, 应将比例注写在各样图名称横线下面的中间, 比例的字高应比图名的字高小一号,如下图。
1.1.5同一样图中比例应尽量相同,设计制图时应严格按比例绘制。
第二节字体及书写方法1.2.1工艺设计图纸中统一采用体的高度代表字体的号数。
1.2.2 CAD 制图中英文字体式样名统一采用。
字体文件用:simplex字型文件,字体的宽度比例一般为字高 0.7倍。
1.2.3文字、数字或符号不得与图线重迭、混淆,不可避免时,应先保证文字或者数字的清晰,如下图。
1.2.4工艺图中常用字高的一般规定,见下表。
字高 (mm 一般用途 7号 1、图纸名称; 2、图中剖面编号5号 1、布置图中设备及非标件标号的标注; 2、附注文件中的文件说明; 3、图示栏目的填写3.5号 1、布置图中尺寸、标高、载荷、储库等的标注,图中说明性文字; 2、局部剖面编号; 3、流程图,系统管道图中设备编号等。
制图规范第一章总则1.为了统一公司制图规则,保证制图质量,提高制图效率,做到图面清晰、简明、规范、美观,符合预算、施工、存档的要求,制定本标准。
2.本标准以国家现行制图标准为依据,结合本公司的制图风格及经验编制而成。
3.本标准适用于xx计算机制图。
4.作图必须以mm为单位,在坐标原点附近按实际尺寸精确绘制;图面总体布局整齐、表达清晰、美观。
第二章一般规定第一节出图(图幅、比例)一.图纸幅面:1.根据项目情况选择相应图框。
(A2—A0)2.图纸加长规定:图纸的短边一般不应加长,长边可加长,加长比例应符合表1的规定。
3.图纸以短边作为垂直边称为横式,以短边作为水平边称为立式。
一般A0~A3图纸宜横式使用;必要时也可立式使用。
4.一个项目设计中,使用的图纸一般不宜多于三种幅面,不含目录及表格使用的幅面。
二.比例:1.绘图所用的比例,应根据图样的用途与被绘制对象的复杂程度,从表2中选用,并优先选用表中常用比例。
2.比例符号“:”应用中文半角状态输入。
3.为方便看图,一张图纸的内容应尽量反映本部分详图的全部内容,包括铺装大样、做法、节点图等。
第二节绘图一、图层1.要求图层分类清晰,图层名称简洁、贴切准确反映层的内容。
2.0层不作为绘图层,当使用自动标注后,AutoCAD会自动生成一个名为Defpoints的层,此层不得作为绘图层。
255号不作为绘图颜色。
3.图层分类首位代码依据专业划分:总体布局—G建筑物,地上构筑物—A铺装—D结构—S绿化—P给排水—W电气—E4.原有建筑、道路、植物均应单独建层,图层首位代码为Y,名称分别为“原有建筑”“原有道路”“原有植物”。
5.出图前,图层应清理干净。
4.绿化图视项目的复杂程度,一般应建立:落乔、常绿、大灌木、小灌木、地被等层,颜色自定,建议不要用同种颜色。
5.其他层:图层名、颜色自定。
二、图线、图例(一)图线:1.一般图层均选用实线,线型CONTINOUS,线宽0.15 mm。
工程制图管理制度规定第一章总则为规范工程制图工作,提高工程制图质量,保障工程设计顺利进行,特制定本制度。
第二章管理范围本制度适用于公司内所有工程设计部门或工程设计项目的制图管理工作。
第三章制图人员的要求1. 制图人员应具备相关专业知识和技能,能够熟练操作CAD等制图软件。
2. 制图人员应具备团队合作精神,能够有效沟通和协作。
3. 制图人员应保持良好的工作态度,认真负责,严格遵守相关制度和规定。
第四章制图流程1. 项目启动阶段:(1)明确项目需求,确定制图要求。
(2)制定制图计划,明确制图人员、时间进度等。
2. 初步设计阶段:(1)根据设计需求,进行初步制图。
(2)及时进行设计会审,确保制图结果符合要求。
3. 施工图设计阶段:(1)根据初步设计结果,进行详细制图设计。
(2)严格按照相关标准和规范进行制图。
4. 完成阶段:(1)制图完成后进行审核确认,确保没有错误。
(2)归档存储相关制图文件,做好备份工作。
第五章质量控制1. 制图过程中应严格按照相关标准和规范进行操作。
2. 制图完成后必须进行质量审核,确保制图结果准确无误。
3. 发现制图错误或问题,应及时整改处理。
4. 制图质量问题,造成后续工作延误的,责任人应承担相应责任。
第六章文件管理1. 制图文件必须按照规定格式进行命名,便于查找和管理。
2. 制图文件必须存放在指定的位置,做好备份和归档工作。
3. 制图文件的分发和传递必须经过相关审核确认,确保安全可靠。
第七章知识产权保护1. 制图人员在制图过程中产生的作品,属于公司的知识产权。
2. 制图人员必须遵守相关法律法规,保护公司知识产权不受侵犯。
3. 制图人员不得私自泄露公司的制图信息,否则将受到相应处理。
第八章奖惩措施1. 对于制图工作出色、贡献突出的人员,公司将给予相应奖励。
2. 对于制图工作不到位、出现错误的人员,公司将进行相应惩罚。
3. 对于违反制度规定的人员,公司将进行严肃处理。
第九章其他1. 工程制图管理制度的解释权归公司相关部门负责。
设计公司绘图组规章制度第一章总则第一条为了规范设计公司绘图工作,提高绘图组工作效率和质量,制订本规章制度。
第二条本规章制度适用于设计公司绘图组的所有成员。
第三条绘图组成员应当遵守国家法律法规,遵守公司规章制度,遵循职业道德,严格执行本规章制度。
第四条绘图组成员应当努力提高自身绘图技能,不断学习和积累经验,提高绘图质量和效率。
第五条绘图组负责人应当严格执行本规章制度,监督组员执行情况,及时发现和解决问题。
第二章绘图组绘图流程第六条设计公司绘图组绘图流程包括接收设计任务、确定绘图方案、绘制初稿、修改完善、最终确定、交付等环节。
第七条绘图组成员接收设计任务后,应当仔细阅读要求,确定所需信息和材料。
第八条绘图组成员应当根据设计任务确定绘图方案,并按照约定时间完成初稿。
第九条绘图组成员在绘制初稿后,应当及时修改完善,确保绘图质量。
第十条绘图组负责人应当审核绘图稿件,最终确定为最终稿,交付客户。
第三章绘图组工作要求第十一条绘图组成员应当保持绘图环境整洁,保护绘图设备和工具。
第十二条绘图组成员应当遵守绘图规范,按照客户需求进行绘图,不擅自改动设计方案。
第十三条绘图组成员应当遵守保密协议,严守客户隐私,不得私自泄露设计方案。
第十四条绘图组成员应当遵守工作纪律,按时到岗上班,不擅离职守。
第十五条绘图组成员应当遵守公司规章制度,服从领导安排,积极完成工作任务。
第四章绘图组奖惩制度第十六条绘图组奖励制度包括表彰制度、奖金制度、晋升制度等。
优秀绘图组成员有机会获得公司颁发的奖励。
第十七条绘图组惩罚制度包括批评教育、警告、调岗、降职等。
违反规章制度的绘图组成员将受到相应惩罚。
第五章附则第十八条本规章制度由设计公司绘图组负责人负责解释,并在全体绘图组成员中予以宣传。
第十九条绘图组应当根据实际情况不断完善本规章制度,提高绘图工作效率和质量。
第二十条本规章制度自发布之日起生效。
以上就是设计公司绘图组规章制度的内容,希望绘图组成员能严格执行,做到规范绘图工作,提高工作效率和质量。
公司绘图管理制度第一章总则为规范公司绘图工作,提高绘图质量和效率,制定本制度。
第二章绘图工作的范围和目的1. 公司绘图工作范围包括:产品设计图纸、机电设备安装图纸、建筑施工图纸等。
2. 绘图的目的是为了保证设计的准确性和施工的顺利进行,确保项目的质量和进度。
第三章绘图管理的原则1. 绘图应符合国家相关标准和规范。
2. 绘图应做到准确、完整、清晰。
3. 绘图应根据项目的特点进行调整和改进。
4. 绘图应定期进行审核和更新。
第四章绘图管理的组织和责任1. 公司设立绘图管理部门,负责指导和监督公司各部门的绘图工作。
2. 绘图管理部门负责制定绘图工作流程和标准,确保绘图质量和效率。
3. 各部门负责确定专人负责绘图工作,并定期评估其绘图水平和工作情况。
第五章绘图管理的流程1. 绘图需求确认:根据项目需求确定绘图内容和要求。
2. 制定绘图方案:确定绘图规范和尺寸,制定绘图计划。
3. 绘图设计:根据方案进行绘图设计,包括平面图、立面图、剖面图等。
4. 绘图审核:由专人进行绘图审核,确保绘图准确无误。
5. 绘图归档:将审核通过的绘图归档保存,确保随时查阅。
第六章绘图管理的考核与奖惩1. 绘图质量考核:定期进行绘图质量评比,对优秀的绘图人员进行奖励。
2. 绘图工作纪律:对违反绘图管理制度的行为进行惩罚,包括批评教育、警告甚至解雇。
第七章附则1. 本制度自颁布之日起开始执行。
2. 绘图管理部门负责解释和调整绘图管理制度。
公司绘图管理制度的制定和执行,有效保障了公司绘图工作的质量和效率,为公司的项目发展提供了有力支持。
希望全体员工认真遵守本制度,共同努力,为公司的发展做出更大的贡献。
设计院图纸规章制度模板第一章总则第一条为规范设计院图纸编制工作,提高设计质量,确保工程施工质量,制定本规章制度。
第二条本规章制度适用于设计院所有图纸编制工作,包括建筑、结构、给排水、暖通空调、电气等专业。
第三条图纸编制应遵循科学、规范、严谨的原则,根据相关技术标准和规范进行。
第四条图纸编制应力求准确、清晰、全面,内容充实、结构合理。
第五条设计院应建立健全图纸审核制度,确保图纸合格。
第六条设计院应定期进行图纸审查,发现问题及时整改。
第七条设计院应建立完善的图纸管理制度,确保图纸的安全性和保密性。
第八条在图纸编制过程中,设计人员应遵守职业操守,勤勉尽责。
第二章图纸编制流程第九条图纸编制包括方案设计、施工图设计、施工图审核等环节。
第十条方案设计应根据项目需求和设计要求,在方案设计阶段完成初步构想和设计方案。
第十一条施工图设计应在方案设计阶段基础上,根据工程实际情况、技术标准和规范,细化为施工图。
第十二条施工图审核应由设计人员、专业审核人员、项目负责人等组成审核小组,对施工图进行逐项审核。
第十三条审核小组应认真审核图纸内容和技术细节,确保图纸质量。
第十四条图纸编制应按照设计院的图纸编制标准和规范进行,确保图纸质量和设计成果。
第十五条图纸编制应严格按照设计要求和程序进行,禁止违规操作。
第十六条图纸编制涉密内容应加密处理,严格保密。
第三章图纸审核制度第十七条设计院应建立完善的图纸审核制度,明确审核程序和责任主体。
第十八条图纸审核应分为初审、复审和终审三个阶段。
第十九条初审主要由设计人员负责,复审和终审由专业审核人员和项目负责人负责。
第二十条审核人员应认真负责,不得漏审和虚审。
第二十一条审核人员应对图纸内容和技术细节进行逐项审核,确保图纸质量。
第二十二条审核人员应及时将审核结果反馈给设计人员,确保问题及时整改。
第二十三条图纸审核应实行签字确认制度,审核人员应对审核结果负责。
第四章图纸管理制度第二十四条设计院应建立专门的图纸管理部门,明确图纸管理责任。
工程制图管理制度第一章总则第一条为规范工程制图管理,提高工程制图质量,保证项目顺利进行,特制定本管理制度。
第二条本管理制度适用于公司内所有项目的工程制图管理,包括建筑、土木、机电等领域。
第三条工程制图是工程设计的重要组成部分,是设计师将设计方案呈现给建设方和施工方的重要工具。
第四条工程制图管理应遵循“规范、严谨、有效、全面”的原则,确保设计方案的准确呈现和传达。
第五条工程制图管理应遵循“科学设计、提高效率、保证质量、节约成本”的原则,实现工程设计的最佳效果。
第六条公司应建立健全的工程制图管理体系,明确工程制图的组织架构、工作程序和责任分工。
第七条全体设计人员应遵守本管理制度的规定,认真履行工程制图管理职责,提高工作效率和质量。
第二章工程制图管理机构第八条公司设立工程制图管理部门,负责制订和实施工程制图管理制度。
第九条工程制图管理部门的主要职责包括:(一)负责编制和修订公司工程制图管理制度;(二)负责审核和审查项目设计图纸,确保设计方案的准确性和完整性;(三)负责监督和检查设计人员的工作进度和工作质量;(四)负责组织和开展工程制图管理培训和考核工作。
第十条公司各项目部门应设立工程制图管理岗位,担负项目工程制图管理工作。
第十一条项目部门的工程制图管理岗位的主要职责包括:(一)负责审核和审查项目设计图纸,确保设计方案的准确性和完整性;(二)负责与设计人员和建设方沟通,协调解决工程制图中的问题和矛盾;(三)负责制定项目的工程制图管理计划和工作安排。
第三章工程制图管理流程第十二条工程制图管理流程包括设计方案、初步设计、施工图设计和竣工图设计等阶段。
第十三条设计方案阶段主要任务包括确定设计范围、建筑风格和总体布局等内容。
第十四条初步设计阶段主要任务包括确定建筑结构、建筑设备和建筑装饰等内容。
第十五条施工图设计阶段主要任务包括详细设计建筑结构、建筑设备和建筑装饰等内容。
第十六条竣工图设计阶段主要任务包括整理和归档设计图纸,提供给建设方和施工方使用。
建筑设计画图规章制度范本第一章总则第一条为了规范建筑设计图纸的编制和使用,提高设计质量,保障工程的顺利进行,制定本规章制度。
第二条本规章制度适用于建筑设计单位的建筑设计图纸编制和使用工作。
第三条建筑设计图纸应当符合国家建筑设计规范和相关标准的要求,保证设计方案的合理性和可行性。
第四条建筑设计图纸应当具有明确的主次关系和完整的内容,包括设计方案、施工图、结构图、设备图等。
第五条建筑设计图纸应当经过专业人员审核和业主确认后方可使用,未经审核和确认的设计图纸不得用于施工。
第二章建筑设计图纸的编制第六条建筑设计图纸的编制应当按照国家建筑设计规范的要求,有序进行,不得有遗漏和错误。
第七条建筑设计图纸应当包括建筑设计方案的整体布局、详细图纸和计算书等内容,要求清晰明了,符合实际施工需要。
第八条建筑设计图纸的编制应当结合实际情况和业主要求,灵活运用专业知识和技术手段,确保设计方案的合理性和实用性。
第九条建筑设计图纸的编制应当根据工程的性质和规模确定编制周期,保证工期的紧凑和效率的高效。
第三章建筑设计图纸的审查第十条建筑设计图纸应当由设计单位的专业人员进行审核,包括结构工程师、建筑师、给排水工程师等。
第十一条建筑设计图纸的审查应当认真负责,一丝不苟,确保图纸的合理性、准确性和完整性。
第十二条建筑设计图纸的审查人员应当熟悉国家建筑设计规范和相关标准,具有丰富的工作经验和专业知识。
第十三条建筑设计图纸的审查应当标明审查意见和结果,未经审查合格的设计图纸不得用于施工。
第四章建筑设计图纸的保密第十四条建筑设计图纸是设计单位的商业秘密,未经业主同意不得向外泄露。
第十五条建筑设计单位应当建立健全图纸保密管理制度,加强员工的保密意识和安全防范能力。
第十六条建筑设计图纸的存储和传输应当采取加密和防护措施,防止泄漏和损坏。
第五章建筑设计图纸的使用第十七条建筑设计图纸的使用应当按照审查结果和业主要求进行,不得私自修改或变动。
第十八条建筑设计图纸的使用应当由专业人员进行解读和操作,确保施工的质量和安全。
建筑设计制图规范篇一:设计制图规范第一,介绍总平面(也称为总图)的表达要点:1.应标明用地(也成为场地)所在地的风玫瑰图(含指北针),一般情况为上北下南。
2.应标明图纸名称(总平面),比例(或比例尺),一般是1:500、1:1000。
3.应标明蓝线、绿线、红线等,红线又分建筑红线和用地红线(在美国则称为地产线)。
4.应标明场地的开口位置。
5.应标明红线内建筑物、构筑物、道路名称及位置。
6.应标明红线内绿化、铺地、停车位及小品。
7.应标明红线外四周的道路及环境。
8.应标明建筑的外轮廓线、各层可见的屋面;需要特别表达时应标明外轮廓或者最外侧轴线的定位;需要特别表达时,不可见外轮廓线(如地下室等)用虚线标明。
9.应标明建筑物的层数。
10.应标明每一座建筑物、建筑物的每一个出入口名称和位置。
11.需要特别表达时,应标明建筑物室内地坪的标高(以m为单位,精确到cm)。
12.在水平面上(X轴、Y轴)上的尺寸也以m为单位,一般精确到10cm。
13.宜画出阴影,能更好地表达各建筑单体间及建筑各部分的高低关系。
第二,介绍建筑单体设计中各层平面的表达要点:1.首层平面(1)应标明指北针,朝向与总平面一致,一般情况为上北下南。
(2)应标明图纸名称(首层平面或一层平面)、比例,比例一般是1:100、1:200、1:300等。
(3)应标明建筑室外的散水、绿化、铺地及停车等环境情况。
(4)应标明建筑每一个出口的名称和位置。
(5)应标明房间的名称。
(6)应标明门窗的开启方向。
(7)应标明剖面图的索引符号(剖切号)。
(8)应标明轴线的位置及相互间间隔尺寸。
(来自: 小龙文档网:建筑设计制图规范)(9)水平面上(X轴、Y轴)上的尺寸以mm为单位,精确到mm。
(10)应标明室内、外地坪的标高,有高差地面的标高(以m 为单位,精确到mm)。
2.其他各层平面(1)图纸的朝向应与一层平面一致,一般情况为上北下南。
(2)应标明图纸名称(某层平面)、比例,比例一般是1:100、1:200、1:300等,一般与一层平面一致。
施工图设计制图标准一、总则1、为了规范施工图设计制图,提高制图质量,统一设计标准,特制定本标准。
2、本标准适用于本公司内部各专业施工图设计制图。
二、基本规定1、制图应符合国家有关标准和规定。
2、图纸内容应完整、准确,清晰易懂。
3、图纸应按照比例绘制,比例尺可根据需要选择。
4、图例符号应统一、规范。
5、图纸应使用中文或英文标注,标注应清晰、准确。
6、图纸应按照规定的格式进行排版,页边距应大于1cm。
7、图纸应使用黑色绘图,字体应清晰、易读。
8、图纸中的标注、说明等应使用规范字体,不得使用草书、行书等不规范字体。
9、图纸中的图例符号应按照国家标准或行业标准进行绘制。
10、图纸中的表格应按照规定格式进行排版,内容应准确、完整。
11、图纸中的数据应按照规定格式进行标注,标注应清晰、准确。
12、图纸中的文字说明应使用规范语言,不得使用口语或俚语。
13、图纸中的图形符号应符合国家或行业标准,不得自行创造。
14、图纸中的材料表、设备表等应按照规定格式进行排版,内容应准确、完整。
15、图纸中的标题栏应按照规定格式进行填写,内容应准确、完整。
16、图纸中的签字栏应按照规定格式进行填写,签字应规范、易读。
施工图制图代码在当今的建筑设计领域,施工图制图代码已经成为了一种重要的数字化工具。
它可以将设计师的创意转化为具体的施工方案,为建筑项目的实施提供精确的指导。
本文将探讨施工图制图代码的重要性,以及如何利用它实现精细化建筑设计的目标。
一、施工图制图代码的背景和意义随着计算机技术的发展,建筑行业逐渐实现了数字化转型。
设计师可以通过计算机辅助设计软件进行初步设计和概念设计,但是要将这些设计转化为具体的施工方案,仍然需要手动绘制施工图。
在这种情况下,施工图制图代码应运而生。
它可以将设计师的手动绘图转化为数字化施工图,大大提高了设计效率和质量。
二、施工图制图代码的实现过程施工图制图代码的实现过程主要包括以下几个步骤:1、收集数据:首先需要收集建筑项目的相关数据,包括设计图纸、现场照片、施工规范等等。
装修公司设计图纸规章制度一、总则为了规范装修公司设计图纸的制作和使用,保障设计质量,提高工作效率,特制定本规章制度。
二、设计图纸的分类1. 按照具体的设计内容和要求,设计图纸分为建筑设计图纸、结构设计图纸、给排水设计图纸、电气设计图纸等。
2. 每类设计图纸按照项目的不同阶段,分为施工图纸、施工图、竣工图等。
3. 设计图纸必须按照相关规定进行编号和归档,以便于查阅和管理。
三、设计图纸的制作要求1. 所有设计图纸必须由具有设计资格证书的注册设计师主持制作,不得委托未经批准的单位或个人进行设计。
2. 设计图纸必须符合国家、地方和行业规定的相关标准和规范要求,确保设计方案的合法性和科学性。
3. 设计图纸必须具有清晰、准确、完整的信息,包括设计图纸的基本信息、设计单位信息、设计师信息、图纸编码、图纸日期等。
4. 设计图纸必须符合工程的实际需求,保证施工过程的顺利进行,确保工程质量和工期的有序推进。
5. 设计图纸必须经过专业技术人员的审查和批准后才能进行施工使用,未经审查和批准的设计图纸不得擅自变更或使用。
四、设计图纸的保管与管理1. 设计单位必须建立健全的设计图纸管理体系,确保设计图纸的安全和完整性。
2. 设计图纸必须按照规定进行归档和编号,分门别类地存放,以便于查阅和管理。
3. 设计图纸必须采用防水、防火、防潮等措施进行保管,保证设计图纸的清晰和完整性。
4. 设计单位必须定期对设计图纸进行检查和整理,确保设计图纸的及时更新和完善。
五、设计图纸的使用与传递1. 设计图纸必须按照施工进度和工程实际需要,及时提供给相关施工单位和监理单位使用。
2. 设计图纸在传递过程中必须经过严格的审查和确认,确保设计图纸的准确性和有效性。
3. 设计单位必须建立设计图纸传递的相关记录,包括传递时间、传递单位、接收单位、传递内容等。
4. 设计单位必须对设计图纸传递过程中出现的问题和矛盾及时进行处理和解决,确保设计图纸的正常使用。
设计工程有限公司设计制图规范1.总则1.1、目的1.1.1规范化--有效提高装饰设计的工作质量;1.1.2标准化--提高装饰设计的工作效率;1.1.3网络化--便于网络上规范化管理和成果的共享。
1.2、适用范围1.2.1本规范适用于我公司所有工程项目的工程制图和CAD制图。
1.2.2本规范所指施工图纸为:平面图、顶面图、立面图、构造结点图、配套装置家具图及水工电工改造图等。
1.3、工作风格1.3.1本规范为公司绘图表达的风格的统一,不提倡个人绘图表达风格。
工程制图严格遵照国家有关建筑制图规范制图,制图的表达应清晰、完整、所有图面的表达方式均保持一致。
1.4、依据1.4.1本规范的基本依据是GB/T50001-----2001《房屋建筑制图统一标准》,如有相驳之处,则以GB/T50001-----2001《房屋建筑制图统一标准》为准。
2.图纸排序2.1 施工图编排顺序:1、图封面2、设计说明3、图纸目录4、装饰施工图(平面图、顶面图、立面图、剖面图、构造节点图、详图)5、给水平面改造施工图,排水平面改造施工图6、电气改造施工图3.字体3.1 图纸字体:除投标及其特殊情况外,均应采取以下字体文件,尽量不使用TureType字体,以加快图形的显示,缩小图形文件。
同一图形文件内字型数目不要超过四种。
以下字体形文件为标准字体,将其放置在CAD软件的FONTS目录中即可。
Romans.shx(西文花体)、romand.shx(西文花体)、bold.shx(西文黑体)、txt.shx(西文单线体)、simpelx(西文单线体)、st64f.shx(汉字宋体)、ht64f.shx(汉字黑体)、kt64f.shx(汉字楷体)、fs64f.shx(汉字仿宋)、hztxt.shx(汉字单线)。
3.2 汉字字型优先考虑采用hztxt.shx和hzst.shx;西文优先考虑romans.shx 和simplex或txt.shx。
3.3文字标注均为黑体,图名标注文字高度为:绘图比例×5,所用装饰材料及施工要点均要标示明确,且标示文字高度为:绘图比例×2,图名标注下划线分别为0.4mm粗实线与0.07mm细实线。
说明文字一般应位于图面右侧。
4.图式4.1图纸幅面:图纸图幅以A3图纸为主。
4.2图纸尺寸规格(表2)4.3特殊需要可采用按长边1/8模数加长尺寸(按房屋建筑制图统一标准)。
4.4一个专业所用的图纸,不宜多于两种幅面(目录及表格所用A4幅面除外)。
4.4图纸的格式:采用横向格式,式样见附tukuang.dwg文件4.5标题与会签栏:标题与会签栏内容包括:图纸名称、设计单位、图名、设计编号、设计人、绘图人、审批人、审定(客户)等方面内容,为便于查阅,标题与会签栏设在图框内右。
5.制图5.1线型5.1.1常用绘图线型有实线、虚线、折断线、点划线等一般分粗线、中粗线、细线三种。
5.1.2线型宽用:0.4mm、0.2mm、0.15mm、0.07mm四种。
5.1.3所有施工图纸,均参照表5所列笔宽绘制,线型及其宽度所适用的范围如下表:5.1.4线宽与绘图色彩的对应:0.4 mm宽线为白色(墙体),0.2 mm宽线为浅蓝色(家私),0.15 mm宽线为绿色(装饰结构的辅助线、门窗线)、黄色(材料说明文字、文字引出线)、红色(标注尺寸线)、0.07 mm宽线为浅灰色(填充线)。
5.2标注5. 2. 1 尺寸标注线型为0.15mm宽的细实线5.2.2起止符号为0.20mm宽的斜中粗线,其倾斜方向与尺寸界线成顺时针45度角,长度为2-3mm。
5.2.3尺寸数字:在一般情况下,当尺寸线为水平方向时,数字注写于尺寸线的上方,当尺寸线为垂直方向时,数字注写于尺寸线左边。
数字大小为绘图比例的二倍。
5.2.4尺寸标注5.2.4.1 尺寸数字宜标注于图样轮廓线以外,不宜与图纸、文字及符号等相交。
5.2.4.2 互相平行的尺寸线,应从被注的图形轮廓线由近向远排列,小尺寸线应距轮廓线较近,大尺寸线应距轮廓线较远。
5.2.4.3度的尺寸标注:在某些施工图中5.2.4.4标注数字为黑体。
5.3比例5.3.1图纸可用比例:1:1、1:2、1:5、1:10、1:20、1:25、1:50、1:100、1:200、1:500、1::1000。
5.3.2 同一张图纸中,不宜出现三种以上的比例。
5.3.3平面图、顶面图、给排水施工图、电气改造图等按构筑主体大小一般定为1:50、1:100、1:150、1:200。
5.3.4 立面图一般为1:20、1:255.3.5详图、构造结点图一般为1:20、1:10,1:2、1:1。
5.3.6比例标注置于图名右边外加()。
5.4制图常用符号5.4.1 剖切符号:图5.4.1 剖视的剖切符号说明:剖切符号二大项1、表示剖切位置2、表示剖切方向上图中1、2剖线表示平面图的全面剖示;3剖线表示局部断面图的剖视5.4.2轴线。
轴线圆均应以细实线绘制。
圆的直径8mm。
5.4.3索引符号,索引符号的圆及直径均应以细实线绘制。
圆的直径10mm。
(a)(b) (c)图5.4.3 用于索引剖面详图的索引符号索引符号圆用0.15线宽的细实线。
1、圈内上部数字表示详图编号,下部数字表示详图所在的图纸编号2、如果详图设在本页内,圈内下部即可用一水平细实线表示(见图5.4.3 b)3、所索引的详图是局部剖面(或断面)详图时,索引符号在引出线的一侧加画一剖切位置线,引出线在剖切位置线的另一侧,即表示该剖面(或断面)是向哪个方向作的剖视,、图表示从上向下投影。
5.4.4 详图:详图符号以粗实线绘制,直径为14mm。
5.4.5引出线:引出线均采用水平向0.25宽细线,文字说明均写於水平线之上。
同时引出几个相同部分的引出线,宜互相平行。
图5.4.5引出线图5.4.5共同引出线5.4.6尺寸标注:尺寸界线、尺寸线,应用细实线绘制,端部出头2mm。
尺寸起止符号用中粗线绘制,其倾斜方向与尺寸线成顺时针45°,长度为2~3mm。
5.4.7标高:0.15 2.80标高符号以等腰三角形表示,凡三角形尖角无横线者,又用于平面图,顶面图,如图(一),有横线者,其横线应指被注的剖立面的高度,尖角可指向上或指向下。
以m为单位5.4.8连接符号:连接符号是以折断线表示需连接的部位,应以折断线两端靠图样一侧的大写英文字母表示连接编号,两个被连接的图样必须用相同的字母编号。
5.4.9坡度:0.2%(一)图百分数表示坡度比例,箭头表示坡度方向;(二)图多用于屋面坡度(以m为单位)5.4.10立面投影符号:箭头方向表示该方向的投影,圆圈内的字母表示投影面的编号,横下数字表示投影立面图的编号。
5.6图常用图例5.6.1常用图例遵照房屋建筑制图统一标准(GBJ186),总图制图标准(GBJ103-87),GB/T50001-----2001《房屋建筑制图统一标准》图例规定6.图层6.1 采用图层的目的是用于组织、管理和交换CAD图形的实体数据以及控制实体的屏幕显示和打印输出。
图层具有颜色、线形、状态等属性。
6.2 图层组织根据不同的用途、阶段、实体属性和使用对象可采取不同的方法,但应具有一定的逻辑性,便于操作。
各类实体应放置在不同的图层上,如平面图中,轴线标注和第三道尺寸应分层标注,标注门、窗洞口的细部尺寸应分层表示;厨厕洁具及其标注等单独设置图层表示;标高等尺寸也应独立分层表示。
6.3在采用CAD技术绘图时,尽量用色彩(COLOR)控制绘图笔的宽度,尽量少用多义线7.保存7.1保存位置7.1.1施工图、效果图存放于项目目录文件夹中。
7.1.2图块、模块集中存放且归类整理。
7.2文件名7.2.1绘图文件的命名规则:CAD文件的命名应简单、明潦、易记,易于交换数据。
设计图纸可按设计工种和图纸目录顺序命名,如:装饰施工图为Z1、Z2…,初步设计加注C,如ZC1、Z C2…;电气为E1、E2…,初步设计加注C,如EC1、EC2…;给排水为S1、S2…,初步设计加注C,如SC1、SC2…;通风为H1、H2…,初步设计加注C,如HC1、HC2…等。
8.审图8.1 正常审图8.1.1正常审图指工程量在30万元以下的设计制图。
8.1.2正常审图由设计部经理和设计总监进行审核。
8.1.3制图、审核、审定均为手写签名。
8.1.4审核合格后加盖出图章。
8.1.5审核结果由审核人予以登记。
8.2特殊审图8.2.1特殊审图指工程量在30万元以上的设计制图。
8.2.3 特殊审图由各分公司设计主管或经理会同设计部经理或分公司负责人进行审核。
8.2.4 审核合格后加盖出图章。
8.2.5 审核结果由分公司审核人予以登记。
8.3仲裁8.3.1公司审核人与设计师对审核结果发生分歧,交设计部总监仲裁。
9.管理9.1装订9.1.1 设计师对设计方案统一装订。
9.1.2经审核合格的全套施工方案,外加公司施工图封面,并套以塑料保护套后,由装订机打孔装订。
9.2 存档9.2. 1装订完好的施工方案交档案管理员统一管理。
9..2设计师与档案管理员办理相应交接手续。
10.附则10. 1 本规范解释权为设计部总监。