桩基础课程设计终稿
- 格式:doc
- 大小:1.19 MB
- 文档页数:14
目录2 桩基础课程设计................................................ - 1 -2.1设计资料................................................. - 2 -2.1.1地形.............................................. - 2 -2.1.2工程地质条件...................................... - 2 -2.1.3岩土设计技术参数.................................. - 2 -2.1.4水文地质条件...................................... - 3 -2.1.5场地条件.......................................... - 3 -2.1.6上部结构资料...................................... - 3 -2.1.7本人设计资料...................................... - 4 -2.2 灌注桩基设计............................................ - 4 -2.2.1单桩承载力计算.................................... - 4 -2.2.2桩基竖向承载力验算................................ - 5 -2.2.3承台设计.......................................... - 7 -2.2.4桩身结构设计..................................... - 10 -2.2.5桩身构造设计......................... 错误!未定义书签。
桥梁基础桩基础课程设计一、课程目标知识目标:1. 学生能理解桥梁基础桩的基本概念、分类及在桥梁工程中的应用。
2. 学生能掌握基础桩的受力原理、设计要点及施工方法。
3. 学生能了解桥梁基础桩的检测与验收标准。
技能目标:1. 学生能运用基础桩知识,分析桥梁工程中基础桩的选择与应用。
2. 学生能运用所学原理,进行基础桩的简单设计和施工方案制定。
3. 学生能运用检测方法,评估桥梁基础桩的质量。
情感态度价值观目标:1. 学生培养对桥梁工程建设的兴趣,增强对国家基础建设的责任感和使命感。
2. 学生树立正确的工程质量观念,注重施工安全和环境保护。
3. 学生培养团队合作精神,学会在工程实践中相互协作、共同解决问题。
课程性质:本课程为工程专业实践课程,结合理论知识与实际应用,提高学生的工程实践能力。
学生特点:学生具备一定的桥梁工程知识基础,对桥梁基础桩有一定了解,但缺乏深入的认识和实际操作经验。
教学要求:通过本课程的学习,使学生能够掌握桥梁基础桩的知识,具备实际操作能力,培养解决实际问题的能力。
教学过程中注重理论与实践相结合,提高学生的综合素质。
课程目标分解为具体学习成果,以便于教学设计和评估。
二、教学内容1. 桥梁基础桩概述- 基础桩的定义、分类及功能- 桥梁基础桩的发展历程及现状2. 基础桩受力原理- 桩土相互作用原理- 桩基承载力的计算方法- 桩身强度及稳定性分析3. 桥梁基础桩设计- 设计原则与要求- 桩长、桩径、桩距的确定- 桩基施工图的绘制4. 桥梁基础桩施工技术- 施工准备与工艺流程- 钻孔灌注桩施工方法- 预制桩施工方法- 桩基施工质量控制措施5. 桥梁基础桩检测与验收- 检测方法与技术- 验收标准与程序- 桩基工程质量评定6. 案例分析与讨论- 现有桥梁基础桩工程案例介绍- 案例分析与问题讨论- 解决实际工程问题的方法与技巧教学内容根据课程目标进行科学性和系统性组织,结合教材相关章节进行详细讲解。
基础工程课程设计————桩基础设计一:设计资料1、建筑场地土层按其成因土的特征和力学性质的不同自上而下划分为五层,物理力学指标见下表。
勘查期间测得地下水位深为2.5m。
桩基安全等级为2级,已知上部结构由柱子传来的荷载:相应于荷载效应组合时作用于柱底荷载为:F K =6500kN, 长边方向M yk = 100kN∙m、H k = 300kN;柱的截面尺寸为:400×400mm;2、根据地质资料,以粉质粘土为桩尖持力层,沉管灌注桩桩径为500mm;附:1):土层主要物理力学指标;三:桩基础设计(一):必要资料准备岩土工程勘察报告:见上页附表(二):外部荷载及桩型确定1、选择持力层:10.9~15.0m,粉质粘土为桩端持力层,桩端进入第三层粉质粘土2.1m, 取承台埋深2.0米。
2、桩型确定:1)、桩为沉管灌注桩;2)、构造尺寸:桩长L=11.0m,桩径d=500mm3)、桩身:混凝土强度 C30、c f =15MPa 、mf=16.5MPa4φ16 yf=300MPa(三):单桩承载力确定1、 单桩竖向承载力的确定:根据地基基础规范公式计算:1°、桩端承载力计算: 粉质粘土,3L I=0.10,入土深度为13.0m,4284pakPa q=2°、桩侧土摩擦力: 粘土层1:0.6LI = ,40~52sakPa q= 取47kPa 粘土层2:20.85L I= ,228~40sa kPa q 取35kPa 粉质粘土层1:30.1L I=,363~72sa kPa q= 取68kPa桩周长: 3.140.5 1.57d m μπ==⨯= 桩截面积:22/40.196p A d m π==242840.5/40.5(47 3.635 5.368 2.1)839.7 1.57497.51620.8uk pipsiapaQ pk sk kPaQ Q q q lAππμ=+=⨯+⨯⨯⨯+⨯+⨯=+⨯=+=∑单桩承载力标准值:查表 1.75s pγγ==1620.8926.21.75pkukaspkN QQRγγ=+==2、桩数和桩的布置: 1°、桩数和桩距 65001.1 1.17.7926.2k aF n R =⨯=⨯= 取 n=9根桩距 :()()3.5~4 3.5~40.5 1.75~2S d m ==⨯= 取 1.8S m = 2°、桩的布置和承台尺寸及柱排列如下图:承台长、宽:2(1.80.5) 4.6a b ==⨯+=,承台高h=1.5m, 桩顶深入承台80mm, 保护层100mm, 有效高度0 1.50.1 1.41400h m m m =-==(四):单桩受力验算:1、单桩所受平均竖向力:320/G kN m γ=6500204.64.62816.3926.29k kK a F G Q kPa R kPa n++⨯⨯⨯===<=2、单桩所受最大及最小力:()()m ax m ax22m in100300 1.5 1.8816.36 1.8()k ik k Q M H h xQx+⨯⨯=±=±=⨯+∑765.4kN>03、 单桩水平承载力计算: 30033.39kiH kN n H=== ,6500722.29ikN F==33.311722.221.612H F==< 即 iF与i H 合力 与i F 的夹角小于5∴单桩水平承载力满足要求,不需要进一步的验算。
*******大学土木工程学院《基础工程》课程设计(土木工程地下工程方向)姓名:******学号:********组别:*****一班(ACE组)二〇一一年六月目录一. 工程概况 (3)二 .选择桩型、桩端持力层、承台埋深 (6)三. 确定单桩承载力特征值 (6)四. 确定桩数 (7)五. Z1、Z2类柱下桩基础设计 (8)六. Z3类柱下桩基础设计 (11)七. Z4类柱下桩基础设计 (14)八. 连系梁设计 (18)九. 基础布置总平面图 (20)一 .工程概况凤凰大厦为六层框架结构,±0.00以上高度19.6米,拟采用400×400mm 2钢筋混凝土预制桩基础,整个基础占地面积为()()22.8350.322.780.6m =+⨯⨯⨯.具体的地质等工程条件如下:Z 1Z 2Z 2Z 2Z 2Z 2Z 2Z 2Z 1Z 1Z 3Z 3123456789DCB A底层柱网平面布置图1、场地工程地质条件 (1)钻孔平面布置图Zk1Zk2Zk3Zk4(2)工程地质剖面图-1.8-2.0-2.2-2.5-5.1(-5.8)-9.5(-10.5)-18.4(-20.4)-3.0(-4.0)-15.5(-17.3)-4.5(-5.3)-8.6(-9.2)-20.5(-21.8)-6.0(-6.5)-9.0(-9.7)-20(-21.2)杂填土淤泥粉质粘土砾质粘土-8.5(-9.8)Ⅰ—Ⅰ 剖面-1.8-2.0-2.2-2.4-4.9(-4.5)-10.0(-11.4)-14.5(-16.3)-3.0(-4.5)-8.0(-9.4)-17.0(-18.5)-5.5(-6.2)-22.0(-23.0)-6.5(-7.5)-9.5(-11.3)-21.5-(22.0)杂填土淤泥粉质粘土砾质粘土-8.5(-10.7)Ⅱ—Ⅱ 剖面(3)预制桩桩端承载能力标准值2、底层柱截面尺寸及荷载3、其它条件(1)柱底标高为-1.0m;(2)基础梁(连系梁)顶面荷载Q=15kN/m;(3)建筑物处于非地震区,可不考虑抗震。
基础工程桩基础课程设计桩基础在工程中都有着极其重要的作用,它可以为建筑物提供承载和稳定性,从而保证建筑物的安全稳定等特质。
因此,优质的桩基础设计是建筑物的基础,在建设项目中有重要的地位。
针对桩基础课程设计,从理论基础知识、基本原理、设计依据、设计流程、施工技术等方面来分析,构建一套完整的基础工程桩基础课程设计框架。
一、理论基础知识桩基础知识的理论基础是物理学、地质学和力学知识,包括地质地基及其特性,地质力学原理、基础桩的类型和性能、桩的结构和形成机制、桩的试验方法等内容。
二、基本原理桩基础设计的基本原理有三个方面:1)地质力学原理:桩基础设计要考虑地质地基和地质力学特性,充分发挥桩基础特性,承载力和稳定性。
2)桩设计原理:根据建筑物的荷载和地质条件,确定桩的尺寸、施工方法、施工技术等,以保证桩的承载能力和稳定性。
3)研究原理:在设计基础桩时,要利用各种研究方法,最多可以使用计算机模拟分析技术。
三、设计依据桩基础的设计依据要素有:1)建筑物的荷载和重量:要考虑建筑物的静荷载、动荷载及风荷载等,并根据建筑物的荷载和重量,确定桩的尺寸、施工方法、施工技术等。
2)地质条件:要仔细调查地质条件,合理判断地质环境的承载能力,并考虑地质环境的变化对建筑物的影响,包括地质力学性质、坡度、深度等。
3)计算原理:要考虑桩基础承载能力、稳定性、刚度、挠度等参数,根据计算原理,运用计算机模拟分析技术来确定最佳设计方案。
四、设计流程基础工程桩基础设计流程包括:1)前期准备:对桩基础设计做初步调研,收集有关资料,完成前期准备工作;2)设计分析:测定建筑物的荷载和地质条件,确定桩的尺寸、施工方法和施工技术等,运用计算机模拟分析技术进行设计分析;3)施工计划:制定施工计划,包括工程周期安排、人力配置、桩基础施工工艺流程等;4)监理管控:对桩基础施工过程进行监理管控,以确保施工质量。
五、施工技术桩基础施工技术,包括:1)施工准备:定位桩、严格控制开挖深度、保持孔内湿度、确保桩周围稳定等;2)施工方法:地基支护、桩芯施工、浇筑、桩芯处理等;3)施工质量检测:取样检验、桩芯的分析试验、桩基础抗压实验等。
独立桩基础课程设计一、课程目标知识目标:1. 学生能理解独立桩基础的定义、分类及构造特点。
2. 学生能掌握独立桩基础的承载特性及影响因素。
3. 学生能了解独立桩基础在工程中的应用及优缺点。
技能目标:1. 学生能够运用所学知识,分析独立桩基础在实际工程中的适用性。
2. 学生能够通过实例,评估独立桩基础的承载能力。
3. 学生能够设计简单的独立桩基础结构,并对其进行简单的受力分析。
情感态度价值观目标:1. 培养学生对土木工程学科的兴趣,激发其探索精神。
2. 培养学生的团队合作意识,使其在小组讨论和实践中学会倾听、交流、协作。
3. 培养学生关注社会热点问题,了解土木工程在国民经济和社会发展中的重要作用。
课程性质:本课程为土木工程专业基础课程,旨在让学生掌握独立桩基础的基本理论、设计和应用。
学生特点:学生已具备一定的力学基础和土木工程知识,具有一定的分析问题和解决问题的能力。
教学要求:结合理论知识与实践应用,注重培养学生的动手能力和实际操作技能,提高其解决实际工程问题的能力。
在教学过程中,注重启发式教学,引导学生主动参与、积极思考、乐于探究。
通过课程学习,使学生在知识、技能和情感态度价值观方面得到全面提升。
二、教学内容1. 独立桩基础的定义、分类及构造特点- 桩基础的分类及适用范围- 独立桩基础的构造及组成部分- 桩身材料及其性能要求2. 独立桩基础的承载特性及影响因素- 桩的受力分析及承载机制- 影响桩承载力的主要因素- 桩基设计中的安全系数及可靠性分析3. 独立桩基础的设计方法- 桩长的确定- 桩径的选择- 桩间距及排布方式- 桩基施工工艺及质量控制4. 独立桩基础在工程中的应用实例- 桩基础在高层建筑中的应用- 桩基础在桥梁工程中的应用- 桩基础在水利工程中的应用5. 独立桩基础的优缺点分析- 独立桩基础的优点- 独立桩基础的局限性- 独立桩基础与其他类型基础的比较教学内容安排与进度:第一周:独立桩基础的定义、分类及构造特点第二周:独立桩基础的承载特性及影响因素第三周:独立桩基础的设计方法第四周:独立桩基础在工程中的应用实例及优缺点分析教学内容依据课程目标,紧密结合教材,注重理论与实践相结合,旨在培养学生的实际工程设计能力。
桩基工程课程设计1. 课程设计背景本课程设计是为了让学生掌握桩基工程的设计与计算,培养学生分析和解决实际工程问题的能力。
桩基工程是建筑工程中一个重要的分支,其应用范围广泛,尤其在高层建筑、大型桥梁、海洋平台等工程项目中应用十分广泛,因此学生掌握桩基工程设计与计算的能力是非常必要的。
2. 思路设计2.1 确定教学目标本课程设计主要是为了让学生掌握基础的桩基工程设计与计算方法,具体目标如下:1.理解桩基工程的相关知识;2.掌握桩基工程设计与计算的方法;3.能够运用所学知识和方法分析和解决工程实际问题。
2.2 课程设计内容1.桩基工程的相关知识授课;2.桩基工程设计与计算方法的讲解;3.在实践中应用所学知识和方法进行实例分析。
2.3 课程设计方法本课程主要采用讲授、实例分析等教学方法。
教师通过讲解桩基工程的相关知识和设计计算方法,引导学生理解和掌握所学知识;通过实例分析,让学生了解并应用所学知识和方法解决实际问题。
3.1 课程设计流程图graph TD;A[桩基工程的相关知识授课]-->B[桩基工程设计与计算方法的讲解];B-->C[在实践中应用所学知识和方法进行实例分析];3.2 课程设计实施步骤1.教师讲解桩基工程的相关知识;2.教师讲解桩基工程设计与计算方法;3.学生独立或小组完成实例分析和解答题目;4.教师讲解和点评实例的解答。
3.3 实例分析题目3.3.1 问题一某工程需要设置桥墩,根据勘察资料,岩石层深度为20m,砂石混合土层深度为5m,上部软土深度为5m,要求桩长为15m,根据上述情况,计算该桥墩应设置在什么深度,桩的直径需多大?3.3.2 问题二在某工程中,需要钻孔灌注桩,岩石层深度为15m,砂石混合土层深度为12m,需要计算该桩的容许承载力,根据资料得到钻孔直径为0.8m,桩长20m,钻孔长度为30m,地下水位深度12m,岩石的单轴抗压强度为140MPa,砂石混合土的容重为19kN/m^3,其抗剪强度特征值为30kPa,分别计算岩石层和砂石混合土层的固结应力的影响系数,进而计算出孔壁土的等效内摩擦角和粘聚力。
设计计算一.确定尺寸及桩个数:设计采用C20的混凝土,桩径d=1.00m ,挖孔灌注桩,桩长l=41.00m ,伸入持力层(粗纱)的深度为3.3m 。
1.求[]σ:根据条件,所选公式:[]()d k d k 2'2220634γγσσ+-+=可查知持力层的基本承载力 kPa 4000=σ查《规范》得 52=k 5.225'2==k 3'2/10102010M KN =-=-==γγγ 则桩底地基土的容许承载力:[]Kpa6001105.26)34(105400=⨯⨯⨯+-⨯⨯+=σ2.求[]p :公式:[][]∑+=σA m l f U p i i 021227854.04m d A ==πm U 2673.304.1=⨯=π查《规范》得4.00=m查《规范》得i f (钻孔灌注桩极限摩阻力)。
K P a f 451=m l 8.03=; K P a f 502= m l 1.82= K P a f 303=m l 8.03=; KPa f 554= m l 8.265= K P a f 805=m l 3.35=。
则:[]Kpap 56.3875607854.04.0)3.3808.26558.0301.850245(2673.321=⨯⨯+⨯+⨯+⨯+⨯+⨯⨯⨯=3.定桩数:取u=1.5则: []91.756.38755.204425.1=⨯==p Nn μ根取8=∴n布桩如下:二.计算:1. 桩的计算宽度b o : 公式:b k kk b f 00=()()md h b n h L 6136.026.31136.06.02131'11=+====+⨯=<=-=则11''6.01h L b b k ⋅-+=∴822.0626.06.016.0=⋅-+=9.0=f k ()2/10=+=d k α m b 48.1129.082.00=⨯⨯⨯=∴ 2. 求变形系数α: 假设为弹性桩,则:()()()26474224241211006.1641107.28.08.0/864008.408.208.222900027500/9000/750008.2208.423.113.1308.4104.1212m KN I E EI M KN m m KN m m KN m h h m d h h m ⋅⨯=⋅⨯⨯⨯===⨯+⨯⨯+⨯====-==-==+⨯=+=π则得:立。
桩基工程课程设计桩基工程课程设计引言:桩基工程是土木工程领域中非常重要的一部分,它涉及到建筑物、桥梁和其他结构物的基础设计和施工。
桩基工程的目的是通过将桩植入地下,来提供额外的承载能力和稳定性。
在本文中,我将深入探讨桩基工程的课程设计内容,并分享我的观点和理解。
一、桩基工程概述1.1 桩基工程的定义与作用桩基工程是指通过在地下打入或钻进桩体(主要由钢筋、混凝土或其他材料制成),将结构荷载引入更深的土层以增加承载能力和稳定性的一种土木工程技术。
它广泛应用于高层建筑、大型桥梁和特殊土地等工程项目中,可以有效解决地基沉降、抗倾覆等问题。
1.2 桩基工程的分类桩基工程可分为不同类型,包括:摩擦桩、端承桩、复合桩、静力压桩等。
每种桩基有其适用场景和特点,工程师在设计时需根据具体项目情况选择最合适的桩基类型。
二、桩基工程的课程设计内容在桩基工程的课程设计中,学生将学习和掌握以下重要内容:2.1 地质勘察与桩基设计地质勘察是桩基工程设计的关键步骤,通过调查和采样地下土壤,了解土壤的物理和力学性质,并综合考虑建筑物的荷载和环境要素,以确定合适的桩基设计方案。
2.2 桩基工程的计算和分析方法学生将学习如何使用计算机软件和桩基设计规范,进行桩长、桩径、桩间距等参数的计算和分析。
他们将研究不同的荷载情况,并通过模拟测试和现场实验来验证桩基设计的有效性。
2.3 桩基施工工艺了解不同桩基类型的施工工艺是桩基工程课程设计的重要组成部分。
学生将学习各种施工方法,并了解桩灌注桩、循环钻等施工设备和工具的使用。
2.4 桩基工程的质量控制学生将学习桩基施工过程中的质量控制方法,包括对桩基质量的监测和检测。
他们将研究不同的质量指标,并学习如何确定和改进桩基施工的质量。
三、我的观点和理解作为一个桩基工程的写手,我对这门课程设计有着自己的观点和理解。
我认为桩基工程在目前的土木工程中起着至关重要的作用。
高层建筑、大型桥梁等重大工程项目需要可靠的基础支撑,桩基工程正是为此而生。
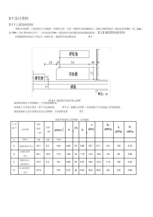
2.1设计资料2.1.1上部结构资料某教学实验楼,上部结构为七层框架,其框架主梁、次梁、楼板均为现浇整体式,混凝土强度等级为底层层高3.4m (局部10m,内有10 t桥式吊车),其余层高3.3m,底层柱网平面布置及柱底荷载见附图。
2.1.2建筑物场地资料拟建建筑物场地位于市区内,地势平坦,建筑物平面位置见图2-1。
建筑物场地位于非地震区,不考虑地震影响。
场地地下水类型为潜水,地下水位离地表 2.1米,根据已有资料,该场地地下水对混凝土没有腐蚀性。
建筑地基的土层分布情况及各土层物理、力学指标见表 2.1.土层编号土层名称层底埋深(m)层厚(m)3(kN/m ) e(%)I Lc(kPa)E s(MPa)f k(kPa)P s(MPa)1 杂填土 1.8 1.8 17.52 灰褐色粉质粘土10.1 8.3 18.4 0.90 33 0.95 16.7 21.1 5.4 125 0.723 灰褐色泥质粘土22.1 12.0 17.8 1.06 34 1.10 14.2 18.6 3.8 95 0.864黄褐色粉土夹粉质粘土27.4 5.3 19.1 0.88 30 0.70 18.4 23.3 11.5 140 3.445灰-绿色粉质粘土>27.4 19.7 0.72 26 0.46 36.5 26.8 8.6 210 2.82C30。
二三三三E三三三三2.2选择桩型、桩端持力层、承台埋深2.2.1 选择桩型因为框架跨度大而且不均匀,柱底荷载大,不宜采用浅基础。
根据施工场地、地基条件以及场地周围环境条件,选择桩基础。
因转孔灌注桩泥水排泄不便,为减少对周围环境污染,采用静压预制桩,这样可以较好的保证桩身质量,并在较短的施工工期完成沉桩任务,同时,当地的施工技术力量、施工设备以及材料供应也为采用静压桩提供可能性。
2.2.2选择桩的几何尺寸以及承台埋深依据地基土的分布,第③层是灰色淤泥质的粉质粘土,且比较后,而第④层是粉土夹粉质粘土,所以第④层是比较适合的桩端持力层。
设计计算一.确定尺寸及桩个数:设计采用C20的混凝土,桩径d=1.00m ,挖孔灌注桩,桩长l=41.00m ,伸入持力层(粗纱)的深度为3.3m 。
1.求[]σ:根据条件,所选公式:可查知持力层的基本承载力 kPa 4000=σ查《规范》得 52=k 5.225'2==k 则桩底地基土的容许承载力: 2.求[]p :公式:[][]∑+=σA m l f U p i i 021查《规范》得4.00=m查《规范》得i f (钻孔灌注桩极限摩阻力)。
则:[]Kpap 56.3875607854.04.0)3.3808.26558.0301.850245(2673.321=⨯⨯+⨯+⨯+⨯+⨯+⨯⨯⨯=3.定桩数:取u=1.5则: []91.756.38755.204425.1=⨯==p Nn μ布桩如下: 二.计算:1. 桩的计算宽度b o : 公式:b k kk b f 00= 2. 求变形系数α: 假设为弹性桩,则:则得:立。
故属于弹性桩,假设成5.281.164141.041.01006.14796.186405650>=⨯==⨯⨯==l EI mb αα 3. 计算1ρ:查《规范》得 440/105.2M KN m ⨯=因而取m d 30=,所以22200069.7434M d A =⋅==ππ4. 计算2ρ,3ρ,4ρ因00=l α,0.481.164141.0>=⨯=l α 所以查《规范》知: 则:三.计算承台位移βα,,b : 1.计算 bb γ,aa γ,βγa ,ββγ;2.计算 'aa γ,'βγa ,'a βγ,'ββγ;地面以下承台计算宽度: 3.计算βα,,b情况一:双孔重载; 情况二:一孔重载; 四.墩顶位移检算: 将墩身作如图划分; 1.墩帽所受风力: 托盘所受风力: 托盘如下图; 则:墩身四个部分每个部分所受风力: H 3= H 4 =H 5= H 6由所得风力(水平),及墩顶荷载,得各截面弯矩,列表如下:2.计算墩顶的水平位移△根据621233ii i bh bh I =⨯=列表如下:五.单桩承载力验算: 六.群桩承载力验算:七.桩在上面处的位移检算: 八.桩身截面配筋: 1.Mz 计算表:按要求只验算一孔重载情况:则:MM MM Z B A B A M 1.2027.2209.20241.0321.9+-=+-=系数M M B A ,的值根据0.4,≥l z αα及从《基础工程》表6—11查得并计算列表如下:桩身弯矩表弯矩图:2.截面的配筋;根据桥规规定,取=min μ0.5% 则 采用φ22的光面钢筋 则:43.158.1427.392=⨯=πn所以取n =16 则2272.408.1416cm A g =⨯⨯=π实取钢筋的净保护层厚度为80mm 。
山东农业大学桩基础课程设计报告书姓名:王海林指导老师:刘传孝学号:20107486专业:道路桥梁工程班级:10级2班1、确定桩的类型 (1)2、确定单桩竖向承载力。
(3)3、确定桩数及其布置。
(3)4、进行基桩承载力验算. (4)5、承台计算 (5)6、桩身结构强度计算及配筋 (7)7、桩顶位移计算 (7)8、绘制桩基础施工详图 (8)1、确定桩的类型、规格,桩端持力层,承台埋深,承台尺寸等。
桩身设计采用C25的混凝土, 挖孔灌注桩,桩径d=1m, 桩深入承台0.1m,伸入持力层(石灰岩)的深度为1m ,桩长l=1+0.1+13=14.1m,承台埋深为3m ,承台厚度1.5m ,拟定承台尺寸为:长10m 宽8m ,钢筋布置情况:6根22Φ 。
2、确定单桩竖向承载力。
查规范得: 10.5c =,[]()210.56000010.041600000.50.2137410482a R πππ⎛⎫=⨯⨯+⨯⨯⨯⨯+⨯⨯⨯⨯⨯+⨯=⎪⎝⎭31322.3kN按桩身材料计算:()()'0.80.811.525000019522816133.4c c p y s R f A f A KN ϕψπ=+=⨯⨯⨯+⨯=R 取较小值。
3、确定桩数及其布置。
(1)确定桩数:200002010831.1 4.456133.4F G n R μ++⨯⨯⨯=== 取5根。
(2)布桩: 桩的中心距6d=6m ; 承台底的布桩设计如下图:(3)重新验算桩数 按布桩后,承台及承台上土的自重,则:200002010831.1 4.326133.4F G n R μ++⨯⨯⨯=== 取5根。
4、进行基桩承载力验算.(1)首先进行竖向承载力的验算,应满足以下两个条件:0N R γ≤; 0max 1.2N R γ≤2000020108349605F G N n ++⨯⨯⨯=== 04960 1.15456N γ=⨯=<Rmax max 223000500354565526.344y i M x F G N n X ++⨯=+=+=⨯∑0max 1.15526.36078.9 1.27360.08N R γ=⨯=<=所以基桩竖向承载力满足要求。
基础工程桩基础课程设计1. 设计资料1.1 上部结构资料某城市新区拟建一栋15层框架结构的办公楼,其场地位于临街地块居中部位,无其他邻近建筑物,地层层位稳定,现浇整体式,混凝土强度等级为C30。
设计柱下独立承台桩基础。
1.2 建筑物场地资料拟建建筑物场地位于市区内,地势平坦,建筑物场地位于非地震区,不考虑地震影响。
场地地下水类型为潜水,地下水位离地表2.2米,根据已有资料,该场地地下水对混凝土没有腐蚀性。
2. 选择桩型、桩端持力层 、承台埋深2.1 选择桩型因为框架跨度大而且不均匀,柱底荷载大 ,不宜采用浅基础。
根据施工场地、地基条件以及场地周围环境条件,选择桩基础。
因转孔灌注桩泥水排泄不便,为减少对周围环境污染,采用静压预制桩,这样可以较好的保证桩身质量,并在较短的施工工期完成沉桩任务,同时,当地的施工技术力量、施工设备以及材料供应也为采用静压桩提供可能性。
2.2 选择桩的几何尺寸以及承台埋深依据地基土的分布,第3层是粉质粘土,第4层是淤泥质土,且比较厚,而第5层是卵石层,所以第5层是较适合的桩端持力层。
桩端全断面进入持力层1.0m (>2d ),工程桩入土深度为h 。
故:m h .2.2712.95.45.90.3=++++=由于第1层厚3.0m,地下水位为离地表2.2m,为了使地下水对承台没有影响,即承台埋深为2.2m,桩基得有效桩长即为27.2-2.2=25m。
桩截面尺寸选用:取350mm×350mm,由施工设备要求,桩分为两节,上段长13m,下段长13m(不包括桩尖长度在内),实际桩长比有效桩长,这是考虑持力层可能有一定的起伏以及桩需要嵌入承台一定长度而留有的余地。
桩基以及土层分布示意如图2.2.1。
图2.2.1土层分布示意3 .确定单桩极限承载力标准值本设计属于二级建筑桩基,当根据土的物理指标与承载力参数之间的经验关系确定单桩竖向极限承载力标准值时,宜按下式计算: p pk i sik pk sk uk A q l q u Q Q Q +=+=∑式中sikq --- 桩侧第层土的极限侧阻力标准值如无当地经验值时可按《建筑桩基技术规范》JGJ 94-94中表5.2.8-1(桩的极限侧阻力标准值)取值。
2.1 设计资料2.1.1 上部结构资料某教学实验楼,上部结构为七层框架,其框架主梁、次梁、楼板均为现浇整体式,混凝土强度等级为C30。
底层层高3.4m(局部10m,内有10 t桥式吊车),其余层高3.3m,底层柱网平面布置及柱底荷载见附图。
2.1.2 建筑物场地资料拟建建筑物场地位于市区内,地势平坦,建筑物平面位置见图2-1。
图2-1 建筑物平面位置示意图建筑物场地位于非地震区,不考虑地震影响。
场地地下水类型为潜水,地下水位离地表2.1米,根据已有资料,该场地地下水对混凝土没有腐蚀性。
建筑地基的土层分布情况及各土层物理、力学指标见表2.1.表2.1地基各土层物理,力学指标土层编号土层名称层底埋深(m)层厚(m)3(kN/m)γe(%)ωLI(kPa)c()ϕ︒(MPa)sE(kPa)kfMPasP()1 杂填土 1.8 1.8 17.52灰褐色粉质粘土10.1 8.3 18.4 0.90 33 0.95 16.7 21.1 5.4 125 0.723灰褐色泥质粘土 22.1 12.0 17.8 1.06 34 1.10 14.2 18.6 3.8 95 0.864 黄褐色粉土夹粉质粘土 27.4 5.3 19.1 0.88 30 0.70 18.4 23.3 11.5 140 3.445 灰-绿色粉质粘土>27.4 19.7 0.72 26 0.46 36.5 26.8 8.6 210 2.822.2 选择桩型、桩端持力层 、承台埋深2.2.1 选择桩型因为框架跨度大而且不均匀,柱底荷载大 ,不宜采用浅基础。
根据施工场地、地基条件以及场地周围环境条件,选择桩基础。
因转孔灌注桩泥水排泄不便,为减少对周围环境污染,采用静压预制桩,这样可以较好的保证桩身质量,并在较短的施工工期完成沉桩任务,同时,当地的施工技术力量、施工设备以及材料供应也为采用静压桩提供可能性。
2.2.2 选择桩的几何尺寸以及承台埋深依据地基土的分布,第③层是灰色淤泥质的粉质粘土,且比较后,而第④层是粉土夹粉质粘土,所以第④层是比较适合的桩端持力层。
基础工程课程设计课程名称:桩基础课程设计院系:土木工程系专业:年级::学号:指导教师:西南交通大学目录一、概述 (3)1.1 设计任务 .............................................................................................................................. 3 1.2设计资料 ................................................................................................. 错误!未定义书签。
二、设计计算 ........................................................................................................ 错误!未定义书签。
2.1桩的计算宽度......................................................................................... 错误!未定义书签。
2.2桩的变形系数α ..................................................................................... 错误!未定义书签。
2.3桩顶的刚度系数ρ1,ρ2,ρ3,ρ4。
............................................... 错误!未定义书签。
2.4计算承台底面形心O 点的位移a,b,β................................................ 错误!未定义书签。
可编辑修改精选全文完整版1.设计资料柱底荷载标准组合:Fk=1403KN,M kx=30kN,H kx=22kNM ky=-42kN H ky=-34kN柱底荷载基本组合=柱底荷载标准组合×1.352.选择桩端持力层、承台埋深根据上表土层条件,以碎石混砂层为桩尖持力层,采用钢筋混凝土预制桩,型号。
桩端进入持力层1.0m(>2d).工程桩桩入土深度h=0.5+3.5+6+11+1=22m,则桩基有效长度为L=22-2.0=20m.桩基尺寸选择400mm x400mm。
本工程桩身混凝土强度等级为C80。
承台用C20级混凝土桩,取f t=1100kPA配置HRB335级ƒy=300N/mm²。
3.确定单桩极限承载力标准值极限侧阻力标准值q sk粘土q s1k=24kpa淤泥q s2k=12kpa淤泥质粘土q s3k=20kpa碎石混砂q s4k=40kpa极限端阻力标准值q pk q pk=2300kpa=2300x0.42+4x0.4x(24x2+12x6+20x11+40x1)=976kNK取2单桩竖向承载力特征值:R a=Q uk/K=976/2=488kNA-⑦4.确定桩的根数、布桩及承台尺寸 桩距:s=4d=4x400=1600mm,取s=1.6m. 预设承台尺寸:承台的边长a=b=(0.4+0.8)x2=2.4m 。
承台为边长=2.4m 的正方形。
初设承台埋深2m ,承台高度h=1.2m ,桩顶伸入承台50mm ,钢筋保护层取70mm 。
承台的有效高度为:h 0=1.2-0.07=1.13m=1130mm 取承台及其上土的平均重度。
3.34=48822.42.420+1403R G +F ≥n a k K ⨯⨯⨯= 暂取 n=4根。
5.计算桩顶荷载取承台及其上土的平均重度桩顶平均竖向力:Q k =(F k +G k )/n=(1403+20x2.4x2.4x2)/4=408.35KN<R a =488kN{585.6KN =1.2Ra <416.6KN 400.1KN25.87517.625±408.35=)(4x0.80.81.2)-34+(-42±)(4x0.80.8)1.222+30(±408.35=x ∑x )h H +(M ±y ∑y )h H +M (±Q =Q 222i i k y k y 2i i k x k x k max min =⨯⨯⨯⨯=相应于作用的基本组合是作用于柱底的荷载设计值为: F=1.35F k =1.35x1403=1894.05kN M=1.35M kx =1.35x30=40.5kN =1.35M ky =1.35x -42=-56.7kN H=1.35H kx =1.35x22=29.7kN =1.35H ky =1.35x -34=-45.9kN扣除承台和其上填土自重后的桩顶竖向设计值: N=F/n=473.5kN2iik y k y 2i i k x k x max minx ∑x )h H +(M ±y ∑y )h H +M (±N =N=473.5±23.834.9 ={kN kN6.4844.4626.承台受冲切承载力验算①柱边冲切计算:冲切力 kN N F F i l 05.1894005.1894=-=-=∑ 受冲切承载力截面高度影响系数=hp β计算 因为h 0=2m 所以=hp β0.9 冲垮比λ与系数β的计算310.013.135.0000===h a x x λ 647.12.0310.084.02.084.0x 00=+=+=λx β310.013.135.0000===h a y y λ 647.12.0310.084.02.084.0y 00=+=+=λy β)(05.1894626413.111009.0)]35.05.0(647.1)35.05.0(647.1[2h f ]a a [20t hp y 0c y 0y 0c 0可以β)(β)(βkN F kN b b l x =>=⨯⨯⨯+⨯++⨯=+++ ②角柱向上冲切,c 1=c 2=0.6m,a 1x =a 0x =a 1y =a 0y =0.35,λ1x =λ0x =λ1y =λ0y =0.310098.12.0310.056.02.056.0098.12.0310.056.02.056.0y 11x 11=+=+==+=+=λλyx ββ)(6.484190413.111009.0)]2/35.06.0(098.1)2/35.06.0(098.1[h f ]a 2/a [max 0t hp 11y 1y 121可以β)(β)(βkN N kN c c x x =>=⨯⨯⨯+⨯++⨯=+++ 7.承台受剪切承载力计算 剪跨比与以上冲切跨比相同。
桩基础课程设计1. 引言桩基础是建筑工程中常用的基础形式之一,它能够分散建筑物的重量并传递到稳定的土层中。
本文将讨论桩基础的设计过程。
我们将从桩基础的类型、设计要求、计算方法和施工步骤等方面进行探讨。
2. 桩基础类型桩基础可分为以下几种类型: - 摩擦桩:通过桩与周围土壤的摩擦力来传递荷载。
- 立桩:通过桩与土壤的承载力来传递荷载。
- 预应力桩:在施工过程中施加预应力,以增加桩体的抗弯能力。
- 钢管桩:由钢管组成的桩,具有较高的强度和抗侧向力能力。
3. 桩基础设计要求在进行桩基础设计时,需要考虑以下几个方面的要求: - 承载力要求:根据建筑物的重量和荷载要求,确定桩的承载力。
- 稳定性要求:确保桩在承受荷载时不会发生倾覆和滑移。
- 抗浮托要求:应对桩基础可能遭受的浮托力进行抗浮托设计。
- 碰撞考虑:考虑桩基础在施工过程中可能发生的与其他结构或设备的碰撞情况。
4. 桩的计算方法4.1. 摩擦桩计算方法:摩擦桩的承载力主要由桩侧面土壤的摩擦力和桩端阻力共同承担。
根据土的性质和桩的几何形状计算桩的总承载力。
4.2. 立桩计算方法:立桩的承载力主要由桩端的承载力来传递。
根据桩端土壤的性质和桩的几何形状计算桩的总承载力。
4.3. 预应力桩计算方法:预应力桩的抗弯能力是通过施加预应力来提高桩体的承载能力。
预应力桩的设计中需要考虑桩的长度和预应力的大小。
4.4. 钢管桩计算方法:钢管桩的设计需要考虑桩的截面形状和钢管的材料强度。
通过计算桩的承载力和桩体的变形来确定钢管桩的设计参数。
5. 桩基础施工步骤5.1. 桩基础设计阶段:根据建筑物的荷载要求和土壤的性质,确定桩基础的类型和设计参数。
5.2. 桩基础施工准备:准备施工现场,测量和标记桩位,并进行土壤勘探。
5.3. 桩基础施工过程:按照设计要求进行桩的打桩、拔桩或钻孔设桩的工艺。
5.4. 桩基础质量控制:进行桩基础的质量监测,包括钢筋的布置情况、混凝土的振捣和强度的检测等。
目录1 .设计资料 (1)1.1 上部结构资料 (1)1.2 建筑物场地资料 (1)2 .选择桩型、桩端持力层、承台埋深 (2)2.1 选择桩型 (2)2.2 选择桩的几何尺寸以及承台埋深 (3)3 .确定单桩极限承载力标准值 (4)4 .确定桩数和承台底面尺寸 (4)5 .确定复合基桩竖向承载力设计值 (5)6 .桩顶作用验算 (5)7 .桩基础沉降验算 (6)8 .桩身结构设计计算 (7)9 .承台设计 (8)9.1 承台抗弯验算 (8)9.2 承台抗冲切验算 (9)9.3 承台抗剪切验算 (10)9.4 承台局部承载力验算 (10)10.参考文献 (12)1设计资料1.1、上部结构资料某教学实验楼,上部结构为7层框架,其框架主梁、次梁均为现浇整体式,混凝土强度等级C30。
底层层高3.4m(局部10m,内有10t桥式吊车,其余层高3.3m,底层柱网平面布置及柱底荷载如图2所示。
1.2、建筑物场地资料(1)拟建建筑物场地位于市区内,地势平坦,建筑物平面位置如图1所示图1建筑物平面位置示意图(2)建筑场地位于非地震区,不考虑地震影响。
场地地下水类型为潜水,地下水位离地表2.1m,根据已有分析资料,该场地地下水对混凝土无腐蚀作用。
(3)建筑地基的土层分布情况及各土层物理、力学指标见表1。
表1 地基各土层物理、力学指标土层编号土层名称层底埋深(m)层厚(m)天然重度(kN/m)预应力管桩承载力特征值钻孔灌注桩承载力特征值压缩模量(MPa)地基承载力(kPa)q sia(kPa) q pa(kPa) q sia(kPa) q pa(kPa)2. 选择桩型、桩端持力层、承台埋深2.1 选择桩型因为框架跨度大而且不均匀,柱底荷载大,不宜采用浅基础。
根据施工场地、地基条件以及场地周围环境条件,选择桩基础。
因转孔灌注桩泥水排泄不便,为减少对周围环境污染,采用静压预制桩,这样可以较好的保证桩身质量,并在较短的施工工期完成沉桩任务,同时,当地的施工技术力量、施工设备以及材料供应也为采用静压桩提供可能性。
2.2 选择桩的几何尺寸以及承台埋深依据地基土的分布,第②层是灰褐色粉质粘土,第③层是灰色淤泥质的粉质粘土,且比较厚,而第④层是黄褐色粉土夹粉质粘土,所以第④层是较适合的桩端持力层。
桩端全断面进入持力层1.2m(>2d),工程桩入土深度为h。
故:m++=+2.1h23123.85.1=由于第①层厚1.5m,地下水位为离地表2.1m,为了使地下水对承台没有影响,所以选择承台底进入第②层土0.5m,即承台埋深为2m,桩基得有效桩长即为23-2=21m。
桩截面尺寸选用:取直径400mm,壁厚95mm,由施工设备要求,桩分为两节,上段长12m,下段长12m(不包括桩尖长度在内),实际桩长比有效桩长长1m,这是考虑持力层可能有一定的起伏以及桩需要嵌入承台一定长度而留有的余地。
3 .确定单桩极限承载力设计值本设计属于二级建筑桩基,当根据土的物理指标与承载力参数之间的经验关系确定单桩竖向极限承载力特征值时,宜按下式计算:=a R p pa i sia p A q l q u +∑-p A 桩身的横截面面积,p A =2221256.044.014.34m D =⨯=π-p u 桩身周长,m D u p 256.14.014.3=⨯==π;-pa q 桩端土的承载力特征值,; -ia q s 桩周土的摩擦力特征值;-i l 按土层划分的各段桩长。
a R 1100 3.140.20.2 3.140.4(137.8128 1.230)431.31kN =⨯⨯⨯+⨯⨯⨯+⨯+⨯=4 .确定桩数和承台底面尺寸最大轴力组合的荷载:N=k F =2507kN ,k M = 22kN •m ,k Q =18 kN1.851.34312507==≥kNkN R N n a 取n =6根,桩距 3d .6m 1≥=a S ,承台底面尺寸为4.0m ×2.4m ×1.2m,承台及上覆土重度取20kN/ 3m ,则204 2.42384k G kN =⨯⨯⨯=66.54375.33.4312.138425072.12max k <=-⨯+=∑-+≥i i yk a k x x M R G F n5. 确定复合基桩竖向承载力设计值复合基桩竖向承载力设计值:R= a c ak c R f A +η 因为/a s A n ==2.44/6⨯=1.26m,d=0.4m,/a s d=3.2/ 2.4/210.114c B l ==该地基为软土地基,所以c η宜取低值的0.8倍,即取0.048c A =2.4⨯4-6⨯π⨯20.2=8.846 2m ak f =110kpaR=431.31+0.048⨯110⨯8.846=478.02kN6 .桩顶作用验算k F = 2507kN ,k M = 22kN •m ,k Q =18 kN承台高度设为1.2m 等厚,荷载作用于承台顶面。
建筑物的重要性系数:0 1.0γ=作用在承台底形心处的弯矩:2218 1.243.6M kN =+⨯=∑·m桩顶受力计算如下:max max 22289143.6 1.6488.6564 1.6yk x k k i M x F G N kN n x ⨯+⨯=+=+=⨯∑∑ max min 22289143.6 1.6475.0264 1.6yk i k k iM x F G N kN n x ⨯+⨯=-=-=⨯∑∑ 2891481.836k k F G N kN n +=== max 0488.65 1.2 1.2431.31517.572a N kN R kN γ=<=⨯=min 00N γ> 满足要求7. 桩基础沉降验算采用长期效应组合的荷载标准值进行桩基础的沉降计算。
由于桩基础的桩中心距小于6d ,所以可以采用分层总和法计算最终沉降量。
竖向荷载标准值:2507F kN = 基底处压力:25074 2.420(221)721.1464 2.4F G p kPa A ++⨯⨯⨯+===⨯ 基底自重压力:15.5 1.517.30.67.37.7 6.2128.3 1.2174.2d kPa γ=⨯+⨯+⨯+⨯+⨯= 基底处的附加应力:0721.146174.2546.946P P d kPa γ=-=-=表7.1z c σσ,的计算结果(17号柱)在z=6.02m 处,=46.51/233.860.1990.2zc σσ=<,所以本基础取m Z n 98.6=计算沉降量。
表7.2计算沉降量(17号柱)故:S ’=45.76+33.89+21.61+17.26+11.62+8.38+6.35=144.87mm 桩基础持力层性能良好,沉降经验系数0.1=ψ。
短边方向桩数2b n =,等效距径比1600=4400Sa d =,长径比2152.50.4l d ==长宽比7.61=BcLc ,查表得:21.78,693.1,066.0210===C C C ;0121210.0660.162(1) 1.693(21)8.721b e b n C C n C ψ--=+=+=-+⨯-+所以,五桩桩基础最终沉降量'S S e ψψ==10.162144.8723.47mm ⨯⨯= 满足要求8.桩身结构设计计算先按构造配筋,取184Φ, As=10172mm ﹥π65.04d 2⨯%=8172mm b φ5箍筋c c p f A ϕs max N ≤-m ax N 相应于荷载效应基本组合时的单桩竖向力最大设计值; -c ϕ基桩成桩工艺系数,混凝土预制桩和预应力混凝土空心桩取0.85;-c f 混凝土轴心抗压强度设计值,2/5.27mm N f c =;-s p A 桩身横截面积,222s 09098.04)21.04.0(14.3m A p =-⨯=桩身混凝土强度:pa .7212685.010005.2709098.0k f A c c ps =⨯⨯⨯=ϕ c c p f A kN ϕ<=5.6488N max 满足要求9. 承台设计设承台混凝土强度等级采用C25, c f =11.9Mpa ,承台是长方形,保护层厚度为100mm 。
选用钢筋为HRB335,y f =300Mpa ,承台有效高度m h o .11=。
9.1.承台抗弯验算(1)承台右侧第1列桩的竖向力:max 122250743.6 1.6424.664 1.6yk x k iM x F N kN n x ⨯⨯=+=+=⨯∑∑ 承台中间列桩的竖向力值: 22507417.86k F N kN n === 承台左侧第1列桩的竖向力值:max 322250743.6 1.641164 1.6yk i k i M x F N kN n x ⨯⨯=-=-=⨯∑∑ 柱边计算截面弯矩:2424.6 1.351146.42()y i i M N x kN m ==⨯⨯=•∑ 3417.80.55689.37()x i i M N y kN m ==⨯⨯=•∑(2)沿X 轴方向配筋计算,b=2.4m根据《混凝土结构设计规范》,有10()2y c xM f bx h α≤-;1146.421 11.91000 2.4(1.10.5)x x =⨯⨯⨯-得到受压区高度:x=0.037m 。
钢筋截面积:621111.9 2.40.03710=3522.4mm 300c s yf bxA f α⨯⨯⨯==⨯()配12Φ20@190已能满足要求。
(3)沿y 轴方向配筋计算,b=4m根据《混凝土结构设计规范》,有10()2x c xM f bx h α≤-;689.371 11.910004(1.10.5)x x =⨯⨯⨯-得到受压区高度:x=0.0133m 。
钢筋截面积:621111.940.013310=2104mm 300c s yf bxA f α⨯⨯⨯==⨯()配20Φ12@190已能满足要求。
9.2承台抗冲切验算将圆桩等效成320mm 的方桩,如图所示:(1)柱对承台的冲切验算000/h a x x =λ=1.19/1.1=1.08>1,取1.1a 100==x x ,λ;2.084.0ox x 0+=λβ=0.84/1.02=0.7;000/h a y y =λ=0.39/1.1=0.35;2.084.0+=oy oy λβ=0.84/0.55=1.51;[]kN kN h f a h a b t hp ox c oy oy c ox 250776.82101.1100027.1967.0)]1.15.0(51.1)39.05.0(7.0[2)()(20>=⨯⨯⨯⨯+⨯++⨯⨯=+++βββ 满足要求(2)角桩对承台的冲切验算011/h a x x =λ=1.19/1.1=1.08>1,取1.1a 111==x x ,λ2.056.01x x 1+=λβ=0.56/1.02=0.467011/h a y y =λ=0.39/1.1=0.35; 2.056.011+=y y λβ=0.56/0.55=1.02[]kNN kN h f a c a t hp x y y x 6.42433.18751.1100027.1967.0)]55.056.0(933.0)239.056.0(467.0[)2/()c (10111121=>=⨯⨯⨯⨯+⨯++⨯=+++βββ 满足要求9.3承台抗剪切验算抗剪切验算时,圆桩按周长等效为方桩,同抗冲切验算。