桩基础课程设计
- 格式:doc
- 大小:1.05 MB
- 文档页数:22
一,设计资料1.1上部结构资料哈市近郊单层工业厂房,室内室外地面高差0.3m ,室外设计地面与天然地面一致,两跨,第一跨度为30m ,有两台50顿桥式吊车,另一跨跨度为24m ,有两台30顿桥式吊车,柱距为12m ,预制中柱截面600×1200mm2,作用于杯口顶面的荷载设计值为:,4.55,103.10,29902KN V m KN M KN F =⋅⨯==底层柱网平面布置及柱底荷载见设计任务书内附图。
1.2建筑物场地资料土层分布和物理力学性质如任务书内附表二,选择桩型,桩端持力层,承台埋深2.1选择桩型根据施工场地的地质条件,采用静压预制桩。
2.2选择桩的几何尺寸及承台埋深如图1所示,承台埋深2.3m ,桩长10m ,桩边长取400×400。
三,确定单桩极限承载力标准值本设计属于二级建筑桩基,根据土的物理指标与承载力参数之间的关系, 单桩竖向极限承载力标准值:26004.0)6.41004.536(4.0421⨯+⨯+⨯⨯⨯=+⋅=+=∑p pk i sik pk sk uk A q l q Q Q Q μ KN 04.14636.404.1047=+=估算单桩承载力设计值(65.1,65.1==p s γγ) KN Q Q R p pk s sk69.88665.104.1463==+=γγ 以此初步确定桩数四,确定桩数和承台底面尺寸4.1桩数及承台的确定荷载,4.55,103.10,29902KN V m KN M KN F =⋅⨯==初步估算桩数,柱子偏心受压考虑。
37.369.8862990==≥R F n (根)取4=n 柱距.2.13m d S a =≥承台底面尺寸3.0m ×2.4m ,边距3002002=d 满足要求。
五,确定复合桩基竖向承载力设计值该桩基属于非端承桩.3 n 按复合基桩计算竖向承载力设计值,采用群桩效应计算复合基桩承载力设计值5.1四桩承台力计算承台净面积:2256.64.044.20.3m A c =⨯-⨯=承台低地基极限阻力标准值,a ck kp q 160= a c ck ck kp n A q Q 4.262456.6160=⨯== a sk kp Q 04.1047=a sk kp Q 416= 分项系数70.1,65.1===c p s γγγ因为桩分布不规则,所以要对桩的距径进行修正,0.34.044.20.3886.0886.0=⨯⨯⨯==b n A d s c a 2.124.2==l B c 群桩效应系数查表得64.1,8.0==p s ηη 承台底土阻力群桩效应系数c e c e c c i c i cc A A A A ηηη+= 承台外正净面积:281.1)5.04.2()5.03(56.6m A e c =-⨯--=承台内正净面积:275.481.156.6m i A i c =-=查表得63.0,11.0==e c i c ηη 25.056.681.163.056.675.411.0=+=+=c e c e c c i c icc A A A A ηηη 则,复合桩基竖向承载力设计值R:KN Q Q Q R c ck c p pk p s sk s723.9597.14.26225.065.141664.165.104.10478.0=++=++=γηγηγη六,单桩设计吊运及吊运采用单点吊桩的强度进行桩身配筋计算,吊点位置在距桩顶,桩端平面处0.293L (L=10m ),起吊时桩身的最大正负弯矩:m kN q k kql M 8.42.1254.0,3.1,,0429.022max =⨯⨯===桩身采用c30混凝土,Ⅱ级钢,m kN kql M ⋅==8.260429.02max桩身截面有效高度:36.004.04.0=-=o h03615.02==o c s bh f M α 查表得9816.0=s γ 2253mm h f M A o y s s ==γ选用2Φ18(2253509mm A s >=)整个主筋为4Φ1821018mm A s =配筋率%6.0%636.0min =>=ρρ满足要求桩身强度:kN R KN A f A f s y c c 691.8866.2364)10183003604003.140.1(0.1)(=>=⨯+⨯⨯⨯=+ϕϕ满足要求七,桩顶作用验算7.1中心受压计算KN G F 6.32996.30929902015.24.20.32990=+=⨯⨯⨯+=+kN n G F N 9.82446.3299==+= kN R N o 69.8869.8249.8240.1=<=⨯=γ7.2偏心荷载计算KN KN M n G F N i6.5812.106875.0475.0103046.329)(22maxmin max =⨯⨯±=⨯±+=∑∑γγ 0,03.10642.112.1068min max >=≈=N KN R KN N o o γγ满足要求八,承台设计8.1承台尺寸柱插入深度1000mm ,柱底与杯底距50mm ,承台厚1450mm ,采用c30混凝土,钢筋采用二级钢,台底保护层厚100mm8.2冲切承载力验算承台底面在45°范围之内,可不进行冲切验算8.3 受弯计算由桩受力可知,2.1068max KN N =平均受力KN N 9.824= KN n G N N j 8.99046.3092.1068max max =-=-= KN n F n G N N j 5.74742990===-= 承台1-1截面处最大弯矩m KN y N M j ⋅=+⨯==64.792)24.02.0(6.19812max 22175)1001050(3009.0792640009.0mm h f M A o y s =-⨯⨯== 选配15Φ14221752308mm A s >=承台2-2截面处最大弯矩m KN y N M j ⋅=+⨯==64.792)24.02.0(6.19812max 选配15Φ14221752308mm A s >=8.4受剪承载力计算mm a y 200=,mm a x 200=,3.015.01350200<====o x y x h a λλ 取2.03.012.0,3.0=+==λβλ ○1KN h f f o y c 4.92661035.14.23.142.06=⨯⨯⨯⨯=β KN v o 4.92666.19818.99020.1<=⨯⨯=γ○2KN h f f o y c 115831035.133.142.06=⨯⨯⨯⨯=β KN v o 115836.19818.99020.1<=⨯⨯=γ。
桩基础课程设计一、设计资料1、地形拟建建筑场地地势平坦, 局部堆有建筑垃圾。
2.工程地质条件自上而下土层依次如下:(号土层: 素填土, 层厚约1.5m, 稍湿, 松散, 承载力特性值fak=95kPa(号土层: 淤泥质土, 层厚3.3m, 流塑, 承载力特性值fak=65kPa。
(号土层: 粉砂, 层厚6.6m, 稍密, 承载力特性值fak=110kPa。
(号土层:粉质黏土, 层厚4.2m, 湿, 可塑, 承载力特性值fak=165kPa。
(号土层:粉砂层, 钻孔未穿透, 中密-密实, 承载力特性值fak=280kPa。
3.岩土设计技术参数岩土设计参数如表3.1和表3.2所示.表3.1 地基岩土物理力学参数土层编号土的名称孔隙比e含水量W(%液性指数I L标准贯入锤击数N压缩模量Es(MPa)素填土---- 5.0 淤泥质土 1.04 62.4 1.08 - 3.8 ●粉砂0.81 27.6 -14 7.5 ❍粉质黏土0.79 31.2 0.74 -9.2 ⏹粉砂层0.58 --31 16.8表3.2 桩的土的名称桩的侧阻力qsk桩的端阻力qpk土层编号土的名称桩的侧阻力qsk桩的端阻力qpk(1)拟建场区地下水对混凝土结构无腐蚀性。
(2)地下水位深度: 位于地表下3.5m。
5.场地条件建筑物所处场地抗震设防烈度为7度, 场地内无可液化砂土、粉土。
6.上部结构资料拟建建筑物为六层钢筋混凝土结构, 长30m, 宽9.6m。
室外地坪标高同自然地面, 室内外高差450mm。
柱截面尺寸均为400mm×400mm, 横向承重, 柱网布置如图3.1所示。
图3.1 柱网布置图7、上部结构作用上部结构作用在柱底的荷载效应标准组合值如表3.3所示, 该表中弯矩MK 、水平力VK 均为横向方向。
上部结构作用在柱底的荷载效应基本组合值如表3.4所示, 该表中弯短M、水平力V均为横向方向。
表3.3 柱底荷载效应标准组合值题号FK(kN)MK( kN.m)VK(kN)A轴B轴C轴A轴B轴C轴A轴B轴C轴1 1256 1765 1564 172 169 197 123 130 1122 1350 1900 1640 185 192 203 126 135 1143 1650 2050 1810 191 197 208 132 141 1204 1875 2160 2080 205 204 213 139 149 1345 2040 2280 2460 242 223 221 145 158 1486 2310 2690 2970 275 231 238 165 162 1537 2568 3225 3170 293 248 247 174 179 1658 2670 3550 3410 299 264 256 183 190 1709 2920 3860 3720 304 285 281 192 202 19110 3130 3970 3950 323 302 316 211 223 230题号FK (kN)MK( kN.m)VK(kN)9、混凝土强度等级为C25~C30, 钢筋采用HPB235.HRB335级。
桩基础课程设计(1)一、概述桩基础是现代建筑中广泛应用的一种地基处理方式。
桩基础不仅具有承受建筑荷载的能力,而且可有效地降低地基沉降,防止地基侧移,提高建筑的抗震能力。
本课程旨在通过教授桩基础的原理、设计方法和施工技术,培养学生对桩基础的深刻理解。
二、课程大纲2.1 桩基础原理•桩基础的定义•桩基础的分类•桩基础的荷载传递机理•桩基础的作用2.2 桩基础设计•桩基础设计的基本原理和方法•桩基础的荷载-位移特性分析•桩基础的设计参数选择•不同种类桩基础应用场合与设计方法2.3 桩基础施工技术•桩基础施工前的准备工作•桩基础施工过程•桩基础施工质量控制•桩基础施工常见问题解决方法三、教学方法3.1 理论讲授本课程通过理论讲授,传授桩基础的原理、设计方法和施工技术,使学生对桩基础有系统、全面的了解,为后续的实践操作打下坚实的基础。
3.2 实践操作为了提高学生的实操能力和解决实际问题的能力,本课程安排了大量的实践操作环节,包括桩基础的施工现场观摩、桩基础施工质量检查和实操演练等。
四、考核方法考核方法主要包括两种方式:理论考试和实践操作。
4.1 理论考试理论考试采用笔试方式进行,考察学生对桩基础原理、设计方法和施工技术的掌握程度以及理论基础的扎实程度。
4.2 实践操作实践操作主要考察学生的实操能力和解决实际问题的能力,通过桩基础施工现场观摩和实操演练等方式进行。
五、教学资源为了保证教学质量,本课程所需要的教学资源包括:•一份通俗易懂的桩基础设计教材•一份桩基础设计软件——STAAD.Pro•一份桩基础施工操作手册六、教学成果通过本课程的学习,学生应掌握以下知识与技能:•理解桩基础的定义、分类和作用•掌握桩基础设计的基本原理和方法•能够分析和计算桩基础的荷载-位移特性•熟练掌握桩基础施工过程和质量控制方法•具备解决桩基础施工常见问题的能力七、桩基础是建筑结构中不可或缺的组成部分,学习桩基础课程对建筑专业学生具有重要意义。
12根桩的桩基础课程设计摘要:一、引言1.介绍桩基础课程设计的目的2.阐述桩基础在建筑工程中的重要性二、设计背景及要求1.工程概况a.工程名称b.工程地点c.工程类型d.工程规模2.设计要求a.设计标准b.设计桩型c.设计桩径d.设计桩长e.设计承载力三、设计过程1.资料收集与分析a.地质资料b.地形地貌资料c.气象资料d.地震资料2.设计计算a.桩基的稳定性分析b.桩基的承载力计算c.桩顶的位移计算d.桩基的沉降计算3.设计优化a.桩数的优化b.桩径的优化c.桩长的优化d.桩型的优化四、设计成果与应用1.设计成果a.桩基布置图b.桩基承载力计算书c.桩基施工图d.桩基设计说明书2.设计应用a.工程实践中的应用b.设计理念的推广c.工程案例分析五、总结与展望1.总结a.桩基础课程设计经验总结b.设计中遇到的问题及解决方法2.展望a.桩基础设计的未来发展趋势b.桩基础设计在建筑工程中的创新应用正文:一、引言桩基础课程设计是土木工程专业中非常重要的一门课程,它旨在培养学生的理论知识和实践能力,使学生能够独立完成桩基设计任务。
本文以12根桩的桩基础课程设计为例,详细介绍了设计背景、设计要求、设计过程、设计成果及应用等方面的内容。
二、设计背景及要求本工程为某建筑工程,位于我国某地,工程类型为住宅楼,规模适中。
设计要求包括:设计标准、设计桩型、设计桩径、设计桩长及设计承载力。
根据工程特点和设计要求,本课程设计选取了合适的桩型、桩径和桩长,以确保工程的稳定性和安全性。
三、设计过程设计过程包括资料收集与分析、设计计算和设计优化。
在资料收集与分析阶段,我们充分了解了地质、地形地貌、气象和地震等资料,为后续设计提供了有力保障。
在设计计算阶段,我们根据所选桩型、桩径和桩长,进行了桩基的稳定性分析、承载力计算、桩顶位移计算和沉降计算。
在设计优化阶段,我们对桩数、桩径、桩长和桩型进行了优化,以提高设计方案的经济性和合理性。
课程设计桩基础设计总结一、教学目标本课程旨在让学生掌握桩基础设计的基本原理和方法,能够运用所学知识分析和解决实际工程问题。
具体目标如下:1.知识目标:学生能够理解桩基础的分类、适用范围、工作原理和设计流程;掌握单桩承载力计算、群桩承载力计算和桩身强度计算的方法。
2.技能目标:学生能够运用所学知识进行桩基础设计,包括选择合适的桩型、确定桩的布置方式、计算桩的承载力和沉降等;能够使用相关软件进行桩基础设计的模拟和计算。
3.情感态度价值观目标:培养学生对工程安全的重视,使其能够遵循工程规范和标准进行设计;培养学生团队协作和沟通能力,使其能够在工程项目中发挥积极作用。
二、教学内容本课程的教学内容主要包括以下几个部分:1.桩基础概述:介绍桩基础的分类、适用范围、工作原理和设计流程。
2.单桩承载力计算:讲解单桩承载力计算的方法,包括摩尔-库仑理论、美国API规范等。
3.群桩承载力计算:介绍群桩承载力计算的方法,包括等效单桩法、系数法等。
4.桩身强度计算:讲解桩身强度计算的方法,包括混凝土抗压强度计算、钢筋抗拉强度计算等。
5.桩基础设计实例:分析实际工程案例,让学生掌握桩基础设计的方法和技巧。
三、教学方法为了提高教学效果,本课程将采用以下几种教学方法:1.讲授法:讲解基本概念、原理和方法,使学生掌握桩基础设计的基础知识。
2.案例分析法:分析实际工程案例,让学生学会将理论知识应用于实际问题。
3.讨论法:学生进行小组讨论,培养学生的团队协作和沟通能力。
4.实验法:安排实验课程,让学生亲手操作,加深对桩基础设计方法的理解。
四、教学资源为了支持教学内容和教学方法的实施,我们将准备以下教学资源:1.教材:选用权威、实用的教材,为学生提供系统的学习资料。
2.参考书:提供相关的参考书籍,拓展学生的知识视野。
3.多媒体资料:制作精美的PPT、动画等多媒体资料,提高学生的学习兴趣。
4.实验设备:配置齐全的实验设备,确保学生能够进行实地操作。
2.1 设计资料2.1.1 上部结构资料某教学实验楼,上部结构为七层框架,其框架主梁、次梁、楼板均为现浇整体式,混凝土强度等级为C30。
底层层高3.4m(局部10m,内有10 t桥式吊车),其余层高3.3m,底层柱网平面布置及柱底荷载见附图。
2.1.2 建筑物场地资料拟建建筑物场地位于市区内,地势平坦,建筑物平面位置见图2-1。
图2-1 建筑物平面位置示意图建筑物场地位于非地震区,不考虑地震影响。
场地地下水类型为潜水,地下水位离地表2.1米,根据已有资料,该场地地下水对混凝土没有腐蚀性。
建筑地基的土层分布情况及各土层物理、力学指标见表2.1.表2.1地基各土层物理,力学指标土层编号土层名称层底埋深(m)层厚(m)3(kN/m)γe(%)ωLI(kPa)c()ϕ︒(MPa)sE(kPa)kfMPasP()1 杂填土 1.8 1.8 17.52灰褐色粉质粘土10.1 8.3 18.4 0.90 33 0.95 16.7 21.1 5.4 125 0.723灰褐色泥质粘土 22.1 12.0 17.8 1.06 34 1.10 14.2 18.6 3.8 95 0.864 黄褐色粉土夹粉质粘土 27.4 5.3 19.1 0.88 30 0.70 18.4 23.3 11.5 140 3.445 灰-绿色粉质粘土>27.4 19.7 0.72 26 0.46 36.5 26.8 8.6 210 2.822.2 选择桩型、桩端持力层 、承台埋深2.2.1 选择桩型因为框架跨度大而且不均匀,柱底荷载大 ,不宜采用浅基础。
根据施工场地、地基条件以及场地周围环境条件,选择桩基础。
因转孔灌注桩泥水排泄不便,为减少对周围环境污染,采用静压预制桩,这样可以较好的保证桩身质量,并在较短的施工工期完成沉桩任务,同时,当地的施工技术力量、施工设备以及材料供应也为采用静压桩提供可能性。
2.2.2 选择桩的几何尺寸以及承台埋深依据地基土的分布,第③层是灰色淤泥质的粉质粘土,且比较后,而第④层是粉土夹粉质粘土,所以第④层是比较适合的桩端持力层。
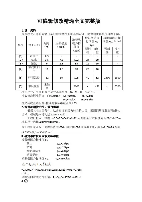
可编辑修改精选全文完整版1.设计资料柱底荷载标准组合:Fk=1403KN,M kx=30kN,H kx=22kNM ky=-42kN H ky=-34kN柱底荷载基本组合=柱底荷载标准组合×1.352.选择桩端持力层、承台埋深根据上表土层条件,以碎石混砂层为桩尖持力层,采用钢筋混凝土预制桩,型号。
桩端进入持力层1.0m(>2d).工程桩桩入土深度h=0.5+3.5+6+11+1=22m,则桩基有效长度为L=22-2.0=20m.桩基尺寸选择400mm x400mm。
本工程桩身混凝土强度等级为C80。
承台用C20级混凝土桩,取f t=1100kPA配置HRB335级ƒy=300N/mm²。
3.确定单桩极限承载力标准值极限侧阻力标准值q sk粘土q s1k=24kpa淤泥q s2k=12kpa淤泥质粘土q s3k=20kpa碎石混砂q s4k=40kpa极限端阻力标准值q pk q pk=2300kpa=2300x0.42+4x0.4x(24x2+12x6+20x11+40x1)=976kNK取2单桩竖向承载力特征值:R a=Q uk/K=976/2=488kNA-⑦4.确定桩的根数、布桩及承台尺寸 桩距:s=4d=4x400=1600mm,取s=1.6m. 预设承台尺寸:承台的边长a=b=(0.4+0.8)x2=2.4m 。
承台为边长=2.4m 的正方形。
初设承台埋深2m ,承台高度h=1.2m ,桩顶伸入承台50mm ,钢筋保护层取70mm 。
承台的有效高度为:h 0=1.2-0.07=1.13m=1130mm 取承台及其上土的平均重度。
3.34=48822.42.420+1403R G +F ≥n a k K ⨯⨯⨯= 暂取 n=4根。
5.计算桩顶荷载取承台及其上土的平均重度桩顶平均竖向力:Q k =(F k +G k )/n=(1403+20x2.4x2.4x2)/4=408.35KN<R a =488kN{585.6KN =1.2Ra <416.6KN 400.1KN25.87517.625±408.35=)(4x0.80.81.2)-34+(-42±)(4x0.80.8)1.222+30(±408.35=x ∑x )h H +(M ±y ∑y )h H +M (±Q =Q 222i i k y k y 2i i k x k x k max min =⨯⨯⨯⨯=相应于作用的基本组合是作用于柱底的荷载设计值为: F=1.35F k =1.35x1403=1894.05kN M=1.35M kx =1.35x30=40.5kN =1.35M ky =1.35x -42=-56.7kN H=1.35H kx =1.35x22=29.7kN =1.35H ky =1.35x -34=-45.9kN扣除承台和其上填土自重后的桩顶竖向设计值: N=F/n=473.5kN2iik y k y 2i i k x k x max minx ∑x )h H +(M ±y ∑y )h H +M (±N =N=473.5±23.834.9 ={kN kN6.4844.4626.承台受冲切承载力验算①柱边冲切计算:冲切力 kN N F F i l 05.1894005.1894=-=-=∑ 受冲切承载力截面高度影响系数=hp β计算 因为h 0=2m 所以=hp β0.9 冲垮比λ与系数β的计算310.013.135.0000===h a x x λ 647.12.0310.084.02.084.0x 00=+=+=λx β310.013.135.0000===h a y y λ 647.12.0310.084.02.084.0y 00=+=+=λy β)(05.1894626413.111009.0)]35.05.0(647.1)35.05.0(647.1[2h f ]a a [20t hp y 0c y 0y 0c 0可以β)(β)(βkN F kN b b l x =>=⨯⨯⨯+⨯++⨯=+++ ②角柱向上冲切,c 1=c 2=0.6m,a 1x =a 0x =a 1y =a 0y =0.35,λ1x =λ0x =λ1y =λ0y =0.310098.12.0310.056.02.056.0098.12.0310.056.02.056.0y 11x 11=+=+==+=+=λλyx ββ)(6.484190413.111009.0)]2/35.06.0(098.1)2/35.06.0(098.1[h f ]a 2/a [max 0t hp 11y 1y 121可以β)(β)(βkN N kN c c x x =>=⨯⨯⨯+⨯++⨯=+++ 7.承台受剪切承载力计算 剪跨比与以上冲切跨比相同。
2.1 设计资料2.1.1 上部结构资料某教学实验楼,上部结构为七层框架,其框架主梁、次梁、楼板均为现浇整体式,混凝土强度等级为C30。
底层层高3.4m(局部10m,内有10 t桥式吊车),其余层高3.3m,底层柱网平面布置及柱底荷载见附图。
2.1.2 建筑物场地资料拟建建筑物场地位于市区内,地势平坦,建筑物平面位置见图2-1。
图2-1 建筑物平面位置示意图建筑物场地位于非地震区,不考虑地震影响。
场地地下水类型为潜水,地下水位离地表2.1米,根据已有资料,该场地地下水对混凝土没有腐蚀性。
建筑地基的土层分布情况及各土层物理、力学指标见表2.1.表2.1地基各土层物理,力学指标土层编号土层名称层底埋深(m)层厚(m)3(kN/m)γe(%)ωLI(kPa)c()ϕ︒(MPa)sE(kPa)kfMPasP()1杂填土1.81.817.52灰褐色粉质粘土10.18.318.4.9033.9516.721.15.41250.723灰褐色泥质粘土22.112.017.81.06341.1014.218.63.8950.864黄褐色粉土夹粉质粘土27.45.319.1.883.7018.423.311.5143.445灰-绿色粉质粘土>27.419.7.7226.4636.526.88.6212.822.2 选择桩型、桩端持力层、承台埋深2.2.1 选择桩型因为框架跨度大而且不均匀,柱底荷载大,不宜采用浅基础。
根据施工场地、地基条件以及场地周围环境条件,选择桩基础。
因转孔灌注桩泥水排泄不便,为减少对周围环境污染,采用静压预制桩,这样可以较好的保证桩身质量,并在较短的施工工期完成沉桩任务,同时,当地的施工技术力量、施工设备以及材料供应也为采用静压桩提供可能性。
2.2.2 选择桩的几何尺寸以及承台埋深依据地基土的分布,第③层是灰色淤泥质的粉质粘土,且比较后,而第④层是粉土夹粉质粘土,所以第④层是比较适合的桩端持力层。
桩基础课程设计计算书一、引言桩基础是土木工程中常用的一种基础形式,用于承受建筑物或其他结构的重力和水平力。
本文旨在通过桩基础课程设计计算书,对桩基础的设计和计算过程进行详细介绍。
二、桩基础设计原则1.选取合适的桩型:根据工程场地的地质条件和设计要求,选择适合的桩型,常见的桩型有钢筋混凝土灌注桩、预制桩和钢管桩等。
2.确定桩的数量和布置:根据建筑物或结构的荷载和地质条件,确定桩的数量和布置方式,以保证桩基础的稳定性和承载能力。
3.计算桩的承载力:根据桩的类型和地质条件,采用适当的计算方法计算桩的承载力,包括桩身承载力和桩端承载力。
4.考虑桩与土的相互作用:在桩基础设计中,需要考虑桩与土之间的相互作用,包括桩身的摩擦阻力和桩端的土的阻力等。
5.确定桩的长度和直径:根据桩的承载力和桩身的应力条件,确定桩的长度和直径,以满足设计要求。
三、桩基础设计计算书的内容1.工程概况:包括工程名称、地理位置、建设单位、设计单位等基本信息。
2.设计依据:包括国家相关标准、规范和技术要求等。
3.地质勘察报告摘要:根据地质勘察报告的结果,对地质条件进行简要描述。
4.荷载计算:根据建筑物或结构的荷载标准,计算垂直和水平荷载,包括永久荷载、活荷载和地震荷载等。
5.桩的类型和布置:根据地质条件和设计要求,确定桩的类型和布置方式。
6.桩身承载力计算:根据所选桩的类型和地质条件,计算桩身的承载力,包括桩身的摩擦阻力和桩身的承载力等。
7.桩端承载力计算:根据所选桩的类型和地质条件,计算桩端的承载力,包括桩端的土的阻力和桩端的承载力等。
8.桩的长度和直径计算:根据桩的承载力和桩身的应力条件,计算桩的长度和直径。
9.桩基础的稳定性分析:对桩基础的稳定性进行分析,包括桩身的稳定性和桩端的稳定性等。
10.施工及验收规范:根据国家相关标准和规范,列出桩基础施工的要求和验收标准。
四、桩基础设计计算书的编写要点1.准确性:设计计算书应准确描述桩基础的设计和计算过程,避免歧义或错误信息的出现。
桩基础课程设计1. 引言桩基础是建筑工程中常用的基础形式之一,它能够分散建筑物的重量并传递到稳定的土层中。
本文将讨论桩基础的设计过程。
我们将从桩基础的类型、设计要求、计算方法和施工步骤等方面进行探讨。
2. 桩基础类型桩基础可分为以下几种类型: - 摩擦桩:通过桩与周围土壤的摩擦力来传递荷载。
- 立桩:通过桩与土壤的承载力来传递荷载。
- 预应力桩:在施工过程中施加预应力,以增加桩体的抗弯能力。
- 钢管桩:由钢管组成的桩,具有较高的强度和抗侧向力能力。
3. 桩基础设计要求在进行桩基础设计时,需要考虑以下几个方面的要求: - 承载力要求:根据建筑物的重量和荷载要求,确定桩的承载力。
- 稳定性要求:确保桩在承受荷载时不会发生倾覆和滑移。
- 抗浮托要求:应对桩基础可能遭受的浮托力进行抗浮托设计。
- 碰撞考虑:考虑桩基础在施工过程中可能发生的与其他结构或设备的碰撞情况。
4. 桩的计算方法4.1. 摩擦桩计算方法:摩擦桩的承载力主要由桩侧面土壤的摩擦力和桩端阻力共同承担。
根据土的性质和桩的几何形状计算桩的总承载力。
4.2. 立桩计算方法:立桩的承载力主要由桩端的承载力来传递。
根据桩端土壤的性质和桩的几何形状计算桩的总承载力。
4.3. 预应力桩计算方法:预应力桩的抗弯能力是通过施加预应力来提高桩体的承载能力。
预应力桩的设计中需要考虑桩的长度和预应力的大小。
4.4. 钢管桩计算方法:钢管桩的设计需要考虑桩的截面形状和钢管的材料强度。
通过计算桩的承载力和桩体的变形来确定钢管桩的设计参数。
5. 桩基础施工步骤5.1. 桩基础设计阶段:根据建筑物的荷载要求和土壤的性质,确定桩基础的类型和设计参数。
5.2. 桩基础施工准备:准备施工现场,测量和标记桩位,并进行土壤勘探。
5.3. 桩基础施工过程:按照设计要求进行桩的打桩、拔桩或钻孔设桩的工艺。
5.4. 桩基础质量控制:进行桩基础的质量监测,包括钢筋的布置情况、混凝土的振捣和强度的检测等。
桩基础课程设计计算书一、引言桩基础是一种通过深埋桩体来传递建筑物或其他结构物荷载到地下的基础形式。
它通过桩与土层之间的摩擦力和桩端的承载力来支撑结构物。
桩基础的设计和计算是确保工程安全可靠的重要环节。
二、桩基础的类型桩基础可分为承载桩和摩擦桩两种类型。
承载桩主要通过桩端的承载力来支撑荷载,而摩擦桩主要通过桩身与土层之间的摩擦力来传递荷载。
根据桩体材料的不同,桩基础又可分为钢筋混凝土桩、预应力混凝土桩、木桩等。
三、桩基础的设计步骤1. 确定设计荷载:根据工程要求和土层特性,确定设计荷载的大小和分布情况。
2. 选择桩型和桩长:根据设计荷载和土层条件,选择合适的桩型和桩长。
3. 桩身计算:根据桩型和桩长,计算桩身的抗弯强度和抗剪强度。
4. 桩端计算:根据桩型和桩长,计算桩端的承载力和桩身与桩端的转换段的承载力。
5. 桩身与土层的摩擦力计算:根据土层性质和桩身形状,计算桩身与土层之间的摩擦力。
6. 桩身与土层的稳定性计算:根据桩身形状和土层特性,计算桩身与土层之间的稳定性。
四、桩基础的计算方法1. 桩身抗弯强度的计算:根据横截面形状和材料强度,采用梁理论计算桩身的抗弯强度。
2. 桩身抗剪强度的计算:根据横截面形状和材料强度,采用剪切理论计算桩身的抗剪强度。
3. 桩端承载力的计算:根据桩端形状和土层特性,采用承载力公式计算桩端的承载力。
4. 桩身与桩端转换段承载力的计算:根据桩型和土层特性,采用承载力公式计算转换段的承载力。
5. 桩身与土层的摩擦力的计算:根据土层性质和桩身形状,采用摩擦力公式计算桩身与土层之间的摩擦力。
6. 桩身与土层的稳定性的计算:根据土层特性和桩身形状,采用稳定性公式计算桩身与土层之间的稳定性。
五、桩基础设计实例以某建筑物的桩基础设计为例,设计要求为承载力为1000kN,桩的直径为600mm,桩长为12m。
根据土层特性和建筑物的荷载情况,选择了钢筋混凝土桩作为基础形式。
根据设计要求,计算桩身的抗弯强度和抗剪强度,采用梁理论和剪切理论进行计算。
12根桩的桩基础课程设计(原创实用版)目录1.桩基础课程设计的概述2.12 根桩的设计要求3.设计过程与方法4.设计成果与分析5.总结与展望正文【1.桩基础课程设计的概述】桩基础课程设计是土木工程专业中的一项重要课程,它涉及到桩基础理论、设计方法、计算技巧等多方面的知识。
本次设计的任务是设计一个由 12 根桩组成的桩基础,以检验学生对桩基础设计知识的掌握程度。
【2.12 根桩的设计要求】本次设计的 12 根桩基础,要求满足以下设计要求:(1)桩的数量:共设计 12 根桩,其中 8 根主桩,4 根副桩。
(2)桩的类型:主桩采用预制混凝土方桩,副桩采用预制混凝土管桩。
(3)桩的尺寸:主桩尺寸为φ600mm×3000mm,副桩尺寸为φ500mm ×2500mm。
(4)桩的基础深度:主桩基础深度为 20 米,副桩基础深度为 15 米。
(5)桩的布置方式:主桩布置间距为 5 米,副桩布置间距为 3 米。
【3.设计过程与方法】设计过程主要包括以下几个步骤:(1)确定设计参数:根据设计要求,确定桩的类型、尺寸、基础深度等设计参数。
(2)选型与方案比选:对可选的桩类型进行方案比选,从经济性、技术性、可行性等方面进行综合评价,确定最佳方案。
(3)桩基础设计计算:根据选定的方案,进行桩基础的设计计算,包括桩的承载力、沉降量、稳定性等方面的计算。
(4)绘制设计图纸:按照设计计算结果,绘制桩基础的设计图纸,包括桩的布置图、详图等。
【4.设计成果与分析】经过以上设计过程,我们得到了 12 根桩的桩基础设计方案。
根据设计计算,该方案在承载力、沉降量、稳定性等方面均满足设计要求,且具有较好的经济性和可行性。
【5.总结与展望】本次 12 根桩的桩基础课程设计,使学生对桩基础设计理论和方法有了更深入的理解,提高了学生的设计能力和实际操作能力。
基础工程课程设计桩基础一、课程目标知识目标:1. 让学生掌握桩基础的定义、分类及构造,理解其在基础工程中的应用;2. 使学生了解桩基础的设计原理,掌握设计桩基础的基本步骤和方法;3. 引导学生了解桩基础施工技术,了解桩基施工过程中的质量控制要点。
技能目标:1. 培养学生运用桩基础设计原理解决实际工程问题的能力;2. 提高学生分析桩基础施工过程中质量问题的能力;3. 培养学生运用专业软件或工具进行桩基础设计和施工方案制定的能力。
情感态度价值观目标:1. 培养学生热爱工程专业,树立从事工程建设的职业理想;2. 增强学生的团队协作意识,培养在工程实践中沟通、协作的能力;3. 培养学生严谨的科学态度和良好的工程伦理观念,注重工程质量、安全和环保。
课程性质:本课程为基础工程课程的实践环节,以桩基础为研究对象,结合理论知识,培养学生的实际操作能力。
学生特点:本课程面向大学本科土木工程专业三年级学生,学生已具备一定的专业基础知识,具有较强的学习能力和实践操作欲望。
教学要求:结合学生特点,本课程要求教师采用案例教学、现场教学等多元化的教学方法,注重理论与实践相结合,提高学生的实践操作能力和解决实际问题的能力。
在教学过程中,关注学生的个体差异,激发学生的学习兴趣,培养其自主学习能力。
通过课程学习,使学生能够达到上述课程目标,为今后从事工程建设打下坚实基础。
二、教学内容1. 桩基础概述:介绍桩基础的定义、分类、构造及其在基础工程中的应用,对应教材第3章第1节;- 桩的分类及特点;- 桩基础的构造及受力特点。
2. 桩基础设计原理:讲解桩基础的设计原理、设计方法及步骤,对应教材第3章第2节;- 桩基础设计的基本原理;- 桩基础设计的基本步骤;- 桩基础设计的方法。
3. 桩基础施工技术:阐述桩基础施工技术及质量控制要点,对应教材第3章第3节;- 桩基础施工工艺;- 桩基施工过程中的质量控制;- 桩基施工常见问题及处理方法。
《桩基础课程设计》课程设计《桩基础课程设计》题目:某实验室多层建筑桩基础设计学生姓名:--------------------指导教师:--------------------考核成绩:--------------------建筑教研室目录一、课程设计任务书 (3)二、课程设计指导书 (5)(一)课程设计编写原则(二)课程设计说明书编写指南1、设计资料的收集 (5)2、桩型、桩断面尺寸及桩长的择 (7)3、确定单桩承载力 (7)4、桩的数量计算及桩的平面布置 (10)5、桩基础验算 (11)6、桩身结构设计 (14)7、承台设计 (15)三、附录附录一:课程设计评定标准 (21)《桩基础课程设计》设计任务书题目:某实验室多层建筑桩基础设计时间及地点:2009年月日-- 月日(1周),教室指导教师:一、课程设计基础资料某实验室多层建筑一框架柱截面为400mm×800mm,承担上部结构传来的荷载设计值:轴力F=2800kN,弯矩M=420kN·m,H=50kN。
经勘查地基土层依次为:0.8m厚人工填土;1.5m厚黏土;9.0m厚淤泥质黏土;6m厚粉土。
各土层物理力学性质指标如下表所示,地下水位离地表1.5m。
试设计该桩基础。
表7-35 各土层物理力学指标土层号土层名称土层厚度(m)含水量(%)重力密度(kN/m3)孔隙比液限指数压缩模量(Mpa)内摩擦角(0)凝聚力(kPa)①②③④⑤⑥人工填土黏土淤泥质黏土粉土淤泥质黏土风化砾石0.81.59.06.012.05.0324932.843.0181917.518.917.60.8641.340.801.200.3631.6130.5271.3495.22.811.073.1131118121216317二、设计依据和资料(详见实例)三、设计任务和要求根据教学大纲要,通过《土力学地基基础》课程的学习和桩基础的课程设计,使学生能基本掌握主要承受竖向力的桩基础的设计步骤和计算方法。
本课程设计拟结合上部结构为钢筋混凝土框架结构的多层、高层办公楼,已知其柱底荷载、框架平面布置、工程地质条件、拟建建筑物的环境及施工条件进行桩基础设计计算,并绘制施工图,包括桩位平面布置图、承台配筋图、桩配筋图及施工说明。
桩基设计依据为《建筑桩基技术规范》(IGJ94-94)与《混凝土结构设计规范》(GB50010-2002)。
四、课程设计成果及要求设计成果包括说明书、桩基础设计计算及施工图内容。
具体要求如下:1)、说明书说明书内容完整,符合课程设计要求;书写认真、字迹工整、格式参考国家正式出版的书籍和论文形式编排;计算部分列出具体公式、参数,必要时可附示意图;应有目录等相关内容。
2)、图纸制图正确、图面饱满、绘制清晰、比例适当、尺寸齐全、图幅规定为3号图,内容为桩位平面布置图、承台配筋图、桩配筋图。
五、课程设计时间安排1、了解任务书及熟悉资料0.5天2、收集编写相关资料0.5天3、编写说明书及绘制施工图 3.5天4、整理报告0.5天合计 5.0天六、课程设计考核与成绩评定1、考核内容学生在课程设计过程中的表现,例如出勤、纪律表现;上交材料是否完整并符合设计要求;图纸绘制是否清晰准确;说明书是否符合设计要求。
2、成绩评定方法成绩评定按百分制。
其中出勤表现计30分,采用扣分制,每缺席一次扣5分,扣完为止。
设计成果计70分,分为三部分:(1)总体设计验收;(2)上交材料质量评定;(3)设计内容是否具有创新性的设计成分;具体评定标准参见附录一。
《桩基础课程设计》设计指导书一、桩基础设计的基本原则根据承载能力极限状态和正常使用极限状态的要求,对主要受竖向力的桩基础应进行以下的计算和验算:(1)桩基础竖向承载力计算:对桩数超过3根的非端承桩宜考虑由桩群、土、承台作用产生的承载力群桩效应。
(2)对桩身及承台承载力进行计算:对于桩侧为可液化土、极限承载力小于50kPa(或不排水抗剪强度小于10kPa)土层中的细长桩尚应进行桩身压屈验算;对于钢筋混凝土预制桩尚应按施工阶段的吊装、运输、堆放和锤击作用进行强度验算。
(3)当桩端平面以下存在软弱下卧层时,应验算软弱卧层的承载力。
(4)对位于坡地、岸边的桩基础应验算整体稳定性。
(5)按现行《建筑抗震设计规范》规定,对应进行抗震验算的桩基,应验算其抗震承载力。
(6)桩端持力层为软弱土的一、二级建筑桩基础以及桩端持力层为黏性土、粉土或存在软弱下卧层的一级建筑桩基础应验算沉降。
二、桩基础设计的基本资料(1)工程地质勘察资料:包括土层分布及各土层物理力学指标、地下水位、试桩资料或邻近类似桩基工程资料、液化土层资料等。
(详见设计任务书)(2)建筑物情况:拟建场地位于市区内,地势平坦,建筑平面位置见下图。
建筑物小河实验室建筑物道路(3)建筑环境条件和施工条件:建筑场地位于非地震区,不考虑地震影响。
三、桩基础的一般构造要求(1)混凝土灌注桩1)桩的长径比应符合以下规定:穿越一般黏性土、砂土的端承桩宜取l/d ≤60;穿越淤泥、自重湿陷性黄土的端承桩宜取l/d≤40。
2)对主要受竖向力作用的桩基础,当桩顶轴向压力符合下式规定时,桩身可按构造要求配筋,即γ0N≤ΨC Af c式中γ0——建筑桩基重要性系数,对一、二、三级桩基础分别取γ=1.1、1.0、0.9;对于柱下单桩提高一级考虑,一级桩基取γ=1.2;N——桩顶轴向压力设计值;fc——混凝土轴心抗压强度设计值; A——桩身截面面积;ΨC ——桩的施工工艺系数,对于干作业非挤土灌注桩ΨC=0.9;泥浆护壁和套管护壁非挤土灌注桩、部分挤土灌注桩、挤土灌注桩ΨC=0.8。
灌注桩桩身构造配筋要求如下:①二级建筑桩基础,根据桩径大于配置4-8根Φ10-12的桩顶与承台连接钢筋,锚入承台至少30倍主筋直径且伸入桩身长度不小于5倍桩身直径;对于沉管灌注桩,配筋长度不应小于承台下软弱土层层底深度。
3)桩顶轴向力不满足式(7-1)的灌注桩,应按下列规定配筋:①当桩身直径为300-2000mm,截面配筋率可取0.65%--0.20%(小直径取高值,大直径取低值),对嵌岩端承桩根据计算确定配筋率。
②端承桩宜沿桩身通长配筋;对于单桩竖向承载力较高的摩擦端承桩宜沿深度分段变截面配通长或局部长度钢筋;对承受负摩阻力和位于坡地岸边的基桩应通长配筋。
③对抗压桩,主筋不应小于6Φ10,纵向主筋应沿桩身周边均匀布置,其净距不应小于60mm,并尽量减少钢筋接头。
④箍筋采用Φ6-8@200-300mm宜采用螺旋式箍筋;受水平力较大的桩基础和抗震桩基础,桩顶3-5倍桩身直径范围内箍筋应适当加密;当钢筋笼长度超过4m 时,应每隔2m左右设一道Φ12-18焊接加劲筋。
4)混凝土强度等级不得低于C15,水下灌注混凝土时不得低于C20,混凝土预制桩尖不得低于C30。
5)主筋的混凝土保护层厚度不应小于35mm,水下灌注混凝土不得小于50mm。
(3)承台1)承台尺寸:①承台最小宽度不应小于500mm,承台边缘至边桩中心的距离不宜小于桩的直径或边长,且边缘挑出部分不应小于150mm。
对于条形承台边缘挑出部分不应小于75mm。
②柱下独立桩基础承台的厚度不应小于300mm③承台埋深应不小于600mm,且应满足冻胀等要求。
2)承台的混凝土:承台混凝土强度等级不宜小于C15,采用HRB335级钢筋时混凝土强度等级不宜小于C20;承台底面钢筋的混凝土保护层厚度不宜小于70mm,当设素混凝土垫层时,保护层厚度可适当减小;垫层厚度宜为100mm,强度等级宜为C7.5。
3)承台构造配筋要求:①承台梁纵向主筋直径不宜小于Φ12,架立筋直径不宜小于Φ6。
②柱下独立桩基承台的受力钢筋应通长配筋。
矩形承台板配筋宜按双向均匀布置,钢筋直径不宜小于Φ10,间距应满足100-200mm;三桩承台按三向板带均匀配置,最里面三根钢筋围成的三角形应位于柱截面范围以内。
4)桩与承台的连接①桩顶嵌入承台的长度,对大直径桩不宜小于100mm,对中等直径桩不宜小于50mm。
②桩顶主筋伸入承台内的锚固长度不宜小于30倍主筋直径;对预应力混凝土桩可采用钢筋与桩头钢板焊接连接;钢桩可采用在桩头加焊锅型板或钢筋与承台连接。
四、桩基础的设计与计算(1)桩型与成桩工艺选择桩型与成桩工艺选择应根据建筑结构类型、荷载性质与大小、桩的使用功能、穿越土层的性质、桩端持力层土类、地下水位、施工设备、施工环境、施工经验、制桩材料供应条件等,选择经济合理、安全适用的桩型和成桩工艺。
选择时可参考《建筑桩基技术规范》(JGJ94-94)附录A。
(2)桩基础持力层的选择一般应选择压缩性低而承载力高的较硬土层作为持力层,同时考虑桩所负荷载特性、桩身强度、沉桩方法等因素,根据桩基承载力、桩位布置、桩基沉降的要求,并结合有关经济指标综合评定确定。
桩端全断面进入持力层的深度,对于黏性土、粉土不宜小于2d,砂土不宜小于1.5d,碎石类土不宜小于1d,当存在软弱下卧层时,桩基以下硬持力层厚度不宜小于4d(d为桩径)。
同一结构单元宜避免采用不同类型的桩。
同一基础相邻桩的桩底标高差,对于非嵌岩端承桩不宜超过相邻桩的中心距,对于摩擦型桩,在相同土层中不宜超过桩长的1/10。
当持力层较厚且施工条件许可时,桩端全断面进入持力层的深度宜达到桩端阻力的临界深度。
砂与碎石类土的临界深度为(3-10)d,随其密度提高而增大;粉土、黏土的临界深度为(2-6)d,随土的空隙比和液性指数的减小而增大。
(3)桩截面的选择桩截面的选择主要根据上部荷载的情况、桩型、楼层数、地基土的性质、现场施工条件及经济指标等初步确定截面尺寸,然后验算其截面的抗压强度。
常用的桩截面与楼层数的经验关系可参考表7-24表7-24 楼层数与桩截面(mm)的经验关系楼层数<10 10-20 20-30 30-40桩型预制桩300-400 400-500 450-550 500-550(预应力)Φ800(钢管桩)灌注桩Φ500-80 Φ800-1000 Φ1000-1200 大于Φ1200(4)桩基础竖向承载力1)单桩竖向极限承载力标准值Q uk:应按下列规定确定:一级建筑桩基采用现场静荷载试验,并结合静力触探、标准贯入等原位测试方法综合确定;二级建筑桩基根据静力触探、标准贯入、经验公式等估算,并参照地质条件相同的试桩资料综合确定,当缺乏可参照的试桩资料或地质条件复杂时应由现场静载荷试验确定;对三级建筑桩基,如无原位测试资料时,可利用承载力经验参数估算。
①根据静载荷试验确定单轴竖向极限承载力标准值Q uk;其方法见《建筑桩基技术规范》(JGJ94-94)附录C。
采用该方法确定Q uk时,在同一条件下的试桩数量不宜少于总桩数的1%,且不应小于3根,当总桩数不超过50根时,试桩数可为2根。