适筋梁受弯破坏试验设计方案
- 格式:doc
- 大小:249.50 KB
- 文档页数:6
《混凝土结构设计原理》实验指导书及报告书专业班级:姓名:学号:实验成绩:土木建筑工程学院结构实验室2017年11月实验一钢筋混凝土单筋矩形梁正截面受弯承载力试验一、试验目的1、观察适筋梁的破坏过程(裂缝出现及开展,挠度变化及破坏特征)。
2、观察适筋梁纯弯段在使用阶段的裂缝宽度及裂缝间距。
3、验证平截面假定。
4、初步了解正截面科学研究的基本方法。
二、试件设计为了确保梁正截面受弯破坏,试件的剪弯区段配置足够数量箍筋。
纵筋端部锚固也足够可靠。
图1-1和表1-1给出了L-1(适筋梁)的配筋详图及截面参数。
设计时,砼采用C30,架立钢筋HPB300级钢筋,纵向受力筋HRB400级钢筋。
表1-1 实验梁参数图1-1 配筋详图三、试件制作试件采用干硬性砼,振捣器振捣,蒸气养护或自然养护28天,制作试件同时预留砼立方体试块(150mm×150mm×150mm)和纵向受力钢筋试件以测得砼和钢筋的实际强度,所用钢筋不得冷拉。
表1-2 材料强度四、加荷装置采用三等分点加荷,梁中部为纯弯区段,见图1-2。
图1-2 加载装置示意图五、仪表安装1、百分表(φ1~φ3)用来测定梁的挠度,其中φ1、φ2用来测定支座沉降。
123f ()2φφφ+挠度=-2、用应变片来测定纵向应变以验证平截面假定。
3、分配梁应与试件在同一平面内,并对中。
4、通过加载系统电脑直接显示所加荷载。
六、安全措施及注意事项为了得到准确可靠的试验数据以及保证试验过程中人和仪器仪表的安全,应做到:1、试验区域必需清洁整齐。
2、加荷系统稳定可靠。
3、为了防止仪表损坏,在安装时应轻拿轻放,用力要适当,并绑好安全绳。
4、在试验中不能够触动仪表,以免影响读数。
5、试验梁下设安全垫块以免梁破坏时伤害操作人员和破坏仪表。
6、试验过程中为避免人员伤害,不得在试件破坏阶段离试件过近(尤其不能在试件底面观察)。
七、加荷制度1、荷载分级不宜超过计算破坏荷载的10%,构件开裂前每级荷载宜取计算破坏荷载的10%,超过计算破坏荷载的90%后,取5%。
郑州大学现代远程教育《综合性实践环节》试验指导赵军楚留声编一、试验名称:钢筋混凝土梁正截面受弯性能试验(一)试验目的1.了解适筋梁、超筋梁和少筋梁的受力过程和破坏特征以及配筋率对破坏特征的影响。
2.验证钢筋混凝土受弯构件正截面承载力计算理论和计算公式。
3.掌握钢筋混凝土受弯构件的试验方法及荷载、应变、挠度、裂缝宽度等数据的测试技术和有关仪器的使用方法。
4.培养学生对钢筋混凝土构件试验分析的初步能力。
(二)试验构件和仪器布置1.试验梁分三种,即、、,其几何尺寸及配筋见图1。
试验梁制作时每根梁(或每盘混凝土)取150×150×150mm试块三个,以确定混凝土强度。
每种直径和钢筋取300mm长试件三根,以测定钢筋的屈服强度、极限强度和延伸率。
2.加荷装置和仪表布置试验梁放置于静力试验台座上,通过加荷架用千斤顶施加荷载。
加荷装置见图2所示。
每根梁布置百分表5块,以测定跨中挠度。
用电阻应变仪量测钢筋和混凝土在各级荷载作用下的应变。
(三)试验准备工作认真学习有关专业知识,了解钢筋混凝土梁的正截面破坏形态。
(四)试验前在材料试验机上对钢筋试件和混凝土试块进行试验,以确定钢筋的屈服强度和极限强度、延伸率以及混凝土的立方体抗压。
根据测定的求出混凝土棱柱体抗压强度、抗拉强度及弹性模量的试验值。
图1图 2(五)估算开裂荷载图3为试验梁加荷时的计算简图。
纯弯段CD的弯矩为图 3 开裂弯矩按下式计算M cr=0.292(1+2.5a1)f t bh2式中b、h分别为试验梁的宽度和高度。
为钢筋的截面积。
,为钢筋的弹性模量,取值2.1× Mpa,为砼弹性模量。
则开裂荷载为(六)估算破坏荷载1.计算ρmax=ξα1f c/f yρmin=0.45f t/f y本试验单排钢筋a=35mm。
2.计算破坏弯矩若≤表示试验梁为少筋梁则=若<≤表示试验梁为适筋梁则x= f y A s/(α1f c b)M u=α1f c bx(h0-0.5x) 若>表示试验梁为超筋梁则由α1f c bx=σs A s解出x按下式计算破坏弯矩:M u= σs A s(h0-0.5x)3.计算破坏荷载(七)试验步骤1.量测实际尺寸,熟悉仪表操作。
标准实用L ENGINEERING《混凝土结构基本原理》试验课程作业适筋梁受弯破坏试验设计方案试验课教师黄庆华学号手机号任课教师顾祥林合作者适筋梁受弯破坏试验设计方案一、 试验目的:(1) 通过实践掌握试件的设计、实验结果整理的方法。
(2) 加深对混凝土基本构建受力性能的理解。
(3) 更直观的了解适筋梁受弯破坏形态及裂缝发展情况。
(4) 验证适筋梁破坏过程中的平截面假定。
(5) 对比实验值与计算理论值,从而更好地掌握设计的原理。
二、 试件设计:(1)试件设计的依据根据梁正截面受压区相对高度ξ和界限受压区相对高度b ξ的比较可以判断出受弯构件的类型:当b ξξ≤时,为适筋梁;当b ξξ>时,为超筋梁。
界限受压区相对高度b ξ可按下式计算:b y s 0.810.0033f E ξ=+在设计时,如果考虑配筋率,则需要确保1αρρξ≤=c b byf f其中在进行受弯试件梁设计时,yf 、s E 分别取《混凝土结构设计规》规定的钢筋受拉强度标准值和弹性模量;进行受弯试件梁加载设计时,y f、s E 分别取钢筋试件试验得到钢筋受拉屈服强度标准值和弹性模量。
同时,为了防止出现少筋破坏,需要控制梁受拉钢筋配筋率ρ大于适筋构件的最小配筋率min ρ,其中min ρ可按下式计算:t min y0.45f f ρ=(2)试件的主要参数 ①试件尺寸(矩形截面):b ×h ×l =180×250×2200mm ; ②混凝土强度等级:C35;③纵向受拉钢筋的种类:HRB400;④箍筋的种类:HPB300(纯弯段无箍筋); ⑤纵向钢筋混凝土保护层厚度:25mm ;综上所述,试件的配筋情况见图3和表1:图3 梁受弯实验试件配筋试件 编号试件特征配筋情况预估荷载P (kN) ①② ③P cr P y P u MLA适筋梁4162φ10φ850(2)32.729147.266.629说明:预估荷载按照《混凝土结构设计规》给定的材料强度标准值计算,未计试件梁和分配梁的自重。
┊┊┊┊┊┊┊┊┊┊┊┊┊装┊┊┊┊┊订┊┊┊┊┊线┊┊┊┊┊┊┊┊┊┊┊┊┊L ENGINEERING《混凝土结构基本原理》试验课程作业适筋梁受弯破坏试验设计方案试验课教师黄庆华姓名学号手机号任课教师顾祥林合作者┊┊┊┊┊┊┊┊┊┊┊┊┊装┊┊┊┊┊订┊┊┊┊┊线┊┊┊┊┊┊┊┊┊┊┊┊┊适筋梁受弯破坏试验设计方案一、试验目的:(1)通过实践掌握试件的设计、实验结果整理的方法。
(2)加深对混凝土基本构建受力性能的理解。
(3)更直观的了解适筋梁受弯破坏形态及裂缝发展情况。
(4)验证适筋梁破坏过程中的平截面假定。
(5)对比实验值与计算理论值,从而更好地掌握设计的原理。
二、试件设计:(1)试件设计的依据根据梁正截面受压区相对高度ξ和界限受压区相对高度bξ的比较可以判断出受弯构件的类型:当bξξ≤时,为适筋梁;当bξξ>时,为超筋梁。
界限受压区相对高度bξ可按下式计算:bys0.810.0033fEξ=+在设计时,如果考虑配筋率,则需要确保1αρρξ≤=cb byff其中在进行受弯试件梁设计时,y f、s E分别取《混凝土结构设计规范》规定的钢筋受拉强度标准值和弹性模量;进行受弯试件梁加载设计时,y f、s E分别取钢筋试件试验得到钢筋受拉屈服强度标准值和弹性模量。
同时,为了防止出现少筋破坏,需要控制梁受拉钢筋配筋率ρ大于适筋构件的最小配筋率minρ,其中minρ可按下式计算:tminy0.45ffρ=(2)试件的主要参数①试件尺寸(矩形截面):b×h×l=180×250×2200mm;②混凝土强度等级:C35;③纵向受拉钢筋的种类:HRB400;④箍筋的种类:HPB300(纯弯段无箍筋);⑤纵向钢筋混凝土保护层厚度:25mm;综上所述,试件的配筋情况见图3和表1:┊┊┊┊┊┊┊┊┊┊┊┊┊装┊┊┊┊┊订┊┊┊┊┊线┊┊┊┊┊┊┊┊┊┊┊┊┊图3 梁受弯实验试件配筋试件编号试件特征配筋情况预估荷载P (kN)①②③P cr P y P u MLA 适筋梁416 2φ10φ8@50(2)32.729 147.266 163.629说明:预估荷载按照《混凝土结构设计规范》给定的材料强度标准值计算,未计试件梁和分配梁的自重。
适筋梁受弯性能试验【试验目的】1、 通过观察混凝土适筋梁受弯破坏的全过程,研究认识混凝土适筋梁的受弯性能。
2、 理解和掌握钢筋混凝土适筋梁受弯构件的实验方法和实验结果,通过实践掌握试件的设计、实验结果整理的方法。
3、 通过撰写实验报告的过程,加深对混凝土结构适筋梁构件受弯性能的理解。
【试件设计】试件的主要参数:试件长度:L=2000mm ; 试件尺寸(矩形截面):b ×h =200mm ×300mm ; 混凝土强度等级:C30;纵向受拉钢筋的种类:HRB400;箍筋的种类:HPB235(纯弯段无箍筋); 纵向钢筋混凝土保护层厚度:25mm ; 试件的配筋情况见图1和表1;图1 适筋梁受弯试验试件配筋表1 适筋梁受弯试件的配筋说明:预估荷载按照《混凝土结构设计规范》给定的材料强度标准值计算,未计试件梁和分配梁的自重。
【试验装置和加载方式】 1、试验装置图2为进行适筋梁受弯性能试验采用的加载装置,加载设备为千斤顶。
采用两点集中力加载,在跨中形成纯弯段,由千斤顶及反力梁施加压力,分配梁分配荷载,压力传感器测定荷载值。
适筋梁受弯性能试验,取L =2000mm ,a =150mm ,b =600mm ,c=500 mm 。
1—试验梁;2—滚动铰支座;3—固定铰支座;4—支墩;5—分配梁滚动铰支座;6—分配梁滚动铰支座;7—集中力下的垫板;8—分配梁;9—反力梁及龙门架;10—千斤顶;图2 适筋梁受弯试验装置图(a)加载简图(kN,mm)(b)弯矩图(kNm)(c)剪力图(kN)图3 适筋梁受弯试验加载和内力简图2、加载方式(1)单调分级加载机制试件的加载简图和相应的弯矩、剪力图见图2和3所示。
梁受弯试验采用单调分级加载,每次加载时间间隔为15分钟。
在正式加载前,为检查仪器仪表读数是否正常,需要预加载,预加载所用的荷载是分级荷载的前2级。
对于适筋梁:(1)在加载到开裂试验荷载计算值的90%以前,每级荷载不宜大于开裂荷载计算值的20%;(2)达到开裂试验荷载计算值的90%以后,每级荷载值不宜大于其荷载值的5%;(3)当试件开裂后,每级荷载值取10%的承载力试验荷载计算值(P u)的级距;(4)当加载达到纵向受拉钢筋屈服后,按跨中位移控制加载,加载的级距为钢筋屈服工况;(5)加载到临近破坏前,拆除所有仪表,然后加载至破坏。
试验四“钢筋混凝土简支梁受弯破坏试验”实验指导书(综合性、设计性)一、试验目的1.掌握制定结构构件试验方案的原则,设计简支梁受弯破坏试验的加荷方案和测试方案,并根据试验的设计要求选择试验测量仪器仪表。
2.观察钢筋混凝土受弯试件从开裂、受拉钢筋屈服、直至受压区混凝土被压碎这三个阶段的受力与破坏全过程,掌握适筋梁受弯破坏各个临界状态截面应力应变图形的特点。
3.能够按照国家规范要求,对使用荷载作用下受弯构件的强度、刚度以及裂缝宽度等进行正确评价。
⑵荷载分级原则上是以正常使用阶段荷载标准值的20%为一级,开裂荷载附近加载量应适当减少,不宜大于正常使用阶段荷载标准值的5%。
超过正常使用极限状态以后,每级加载量减少至荷载标准值的10%,接近极限承载能力时,每且该区段内各截面最大应力相等。
因此,在纯弯段内任选两个截面,沿梁截面高度上分别布置四个混凝土应变测点,以观测该截面处混凝土压应变和中和轴的变化情况。
在梁纯弯段内受拉钢筋的五个截面处布置了10个应变测点,以观测钢筋的应变状态。
为了试件的变形情况,沿梁长(包括梁的跨中和两个集中力作用点处)布置了一定数量的位移传感器。
考虑到支座处可能也有下沉,在支座处也b)受拉主筋应变s1- s10,采用静态电阻应变仪和函数记录仪。
c)梁的挠曲变形f1-f19,采用百分表、千分表和位移计。
d)荷载测量选用20t或10t应变式荷载传感器,接入动态电阻应变仪,输出到函数记录仪自动记录。
四、试验步骤1.按照加荷方案配备加荷设备,安装试件,固定加荷系统。
2.按照观测方案,安装、调试测试仪器及仪表。
3.将各测点进行编号,并记录试件初始缺陷或裂缝等。
4.统一读取初读数,并按加载制度进行加载试验。
每加一级荷载后均应测读记录一次各个测点的数据,并密切观察构件裂缝开展和变形情况。
5.试验期间和试验完毕后,应描绘试件裂缝展开图及破坏特征图,包括裂缝出现时的荷载值,裂缝出现的位置、宽度以及破坏特征等均应标注在图中。
实验三简支钢筋混凝土梁受弯破坏试验日期______________第______周、星期、第节课地点、组员名单
一、试验目的和内容
二、试验主要仪器及设备
三、试验方案
四、试验步骤
五、试验结果整理与分析
1、数据处理
表1 原始数据记录表
表2 试验数据记录表
表2 试验数据分析计算表
2、整理出的试验曲线
(1)弯矩与受压区混凝土最大应变点的关系曲线(2)弯矩与受拉区混凝土最大应变点的关系曲线(3)弯矩与受拉钢筋应变点的关系曲线;(4)弯矩与最大挠度点的关系曲线
(5)弯矩与截面刚度的关系曲线
3、裂缝开展和构件破坏形态图
六、回答问题
(1)将实测的开裂荷载N s cr、破坏荷载N s u与理论计算的N cr和N u进行比较,并分析其差异的原因。
(2)根据实测得到的M-f曲线与理论值进行比较,并分析其差异原因。
(3)对梁的破坏形态和特征作出评定。
《混凝土结构基本原理》试验课程作业混凝土结构基本原理试验报告试验名称 适筋梁受弯实验试验课教师 赵勇 姓名 王xx 学号1xxxxxx 手机号 188xxxxxxxx 任课教师 李方元 日期2014年10月24日L ENGINEERING目录1. 试验目的 (2)2. 试件设计 (2)2.1 材料和试件尺寸 (2)2.2 试件设计 (2)2.3 试件的制作 (4)3. 材性试验 (4)3.1 混凝土材性试验 (4)3.2 钢筋材性试验 (4)4. 试验过程 (5)4.1 加载装置 (5)4.2 加载制度 (7)4.2.1单调分级加载机制 (7)4.2.2承载力极限状态确定方法 (7)4,2.3具体加载方式 (7)4.3量测与观测内容 (7)4.3.1 荷载 (8)4.3.2 纵向钢筋应变 (8)4.3.3 混凝土平均应变 (8)4.3.4 挠度 (8)4.3.5 裂缝 (9)4.4 裂缝发展及破坏形态 (9)5. 试验数据处理与分析 (10)5.1 试验原始资料的整理 (10)5.2 荷载-挠度关系曲线 (10)5.3 弯矩-曲率关系曲线 (12)5.5 正截面承载力分析 (14)5.6 斜截面承载力分析 (15)5.7 构件的承载力分析 (16)6 结论 (16)1. 试验目的(1)观察并掌握适筋梁受弯破坏的力学行为和破坏模式; (2)掌握构件加载过程中裂缝和其他现象的描述和记录方法; (3)掌握对实验数据的处理和分析方法;(4)学会利用数据分析实验过程中的现象,尤其是与理论预期有较大偏差的现象; (5)通过撰写实验报告的过程,加深对混凝土结构适筋梁构件受弯性能的理解。
2. 试件设计2.1 材料和试件尺寸(1)钢筋:纵筋HPB335、箍筋HPB235 (2)混凝土强度等级:C20(3)试件尺寸(矩形截面):b ×h ×l =120×200×1800mm2.2 试件设计(1)试件设计的依据根据梁正截面受压区相对高度ξ和界限受压区相对高度b ξ的比较可以判断出受弯构件的类型:当b ξξ≤时,为适筋梁。
实验一钢筋混凝土梁抗弯实验一、试验的目的1.了解钢筋混凝土梁受力破坏的全过程,并验证正截面强度计算公式。
2.了解对钢筋混凝土结构进行试验研究的方法。
3.掌握进行钢筋混凝土结构试验的一些基本技能。
二、实验原理(1)适筋破坏:适筋梁具有正常配筋率,受拉钢筋首先屈服,随着受拉钢筋塑性变形的发展,受压混凝土边缘纤维达到极限压应变,混凝土压碎。
这种破坏前有明显的塑性变形和裂缝预兆.破坏不是突然发生的,呈塑性性质。
破坏前裂缝和变形急剧发展,故也称为延性破坏。
(2)超筋破坏:当构件受拉区配筋量很高时,则破坏时受拉钢筋不会屈服,破坏是因混凝土受压边缘达到极限压应变、混凝土被压碎、钢筋的强度得不到充分利用而引起的。
发生这种破坏时,受拉区混凝土裂缝不明显,破坏前无明显预兆,是一种脆性破坏。
由于超筋梁的破坏屈于脆性破坏,破坏前无警告,并且受拉钢筋的强度未被充分利用而不经济,故不应釆用。
(3)少筋破坏:当梁的受拉区配筋量很小时,其抗弯能力及破坏特征与不配筋的素混凝土类似,受拉区混凝土一旦开裂,则裂缝区的钢筋拉应力迅速达到屈服强度并进入强化段,其至钢筋被拉断。
发生这种破坏时,受拉区混凝土裂缝很宽、构建扰度很大,而受压混凝土并未达到极限压应变。
这种破坏是“一裂即坏”型,破坏弯矩往往低于构件开裂时的弯矩,属于脆性破坏,故不允许设计少筋梁。
.三、实验仪器和设备(1)静态应变仪(2)百分表或电子百分表(3)手动液压泵全套设备(4)工字钢分配梁(5)千分表(6)手持式引伸仪(7)千斤顶实验方案(8)裂缝观察镜和裂缝宽度量测卡(1)方案介绍正交试验设计(Oithogonal expenmental design)是研究多因素多水平的乂一种设计方法,它是根据正交性从全面试验中挑选出部分有代表性的点进行试验,这些有代表性的点具备了“均匀分散,齐整可比”的特点,正交试验设计是分式析因设计的主要方法。
是一种高效率、快速、经济的实验设计方法。
适筋梁受弯实验流程
适筋梁受弯实验流程:
①试件设计:根据实验目的设计试件尺寸、配筋、混凝土强度等级等参数。
②材料准备:选择符合设计要求的混凝土和钢筋,确保材料质量。
③试件制作:浇筑混凝土,植入钢筋,确保钢筋位置准确,养护至指定强度。
④试件标记:在试件上标记用于观测的裂缝出现和发展位置。
⑤加载装置准备:设置加载设备,如千斤顶,以及位移传感器、应变片等测量仪器。
⑥试件安装:将试件正确安装于加载装置上,确保加载方向与试件轴线一致。
⑦预加载:施加小量预加载,检查测量系统和加载设备的工作状态。
⑧正式加载:逐步增加荷载,直至试件破坏,记录荷载与变形关系。
⑨数据记录:在加载过程中,持续记录荷载、位移、裂缝宽度等数据。
⑩破坏观察:注意观察裂缝的发生、发展以及最终破坏模式。
⑪实验终止:当试件达到破坏状态,立即停止加载,确保实验安全。
⑫数据整理:实验结束后,整理实验数据,分析适筋梁的受弯性能。
⑬撰写报告:基于实验数据和观察,撰写详细的实验报告,总结实验成果。
混凝土梁弯曲破坏试验方法一、前言混凝土梁是建筑物中常用的结构元件,其承载能力直接影响建筑物的安全性能。
因此,混凝土梁弯曲破坏试验是建筑材料试验中的重要一环。
本文将介绍混凝土梁弯曲破坏试验的具体方法。
二、试验前准备1.试验材料准备(1)混凝土:按照设计要求制备混凝土试块,并按试块的抗压强度计算出混凝土梁的设计强度。
(2)钢筋:根据设计要求,选用相应规格的钢筋。
(3)模具:选用符合规定的模具。
2.试验设备准备(1)弯曲试验机:选用合适规格的万能材料试验机。
(2)长度计:用于测量混凝土梁的变形。
(3)应变计:用于测量混凝土梁受力时的应变值。
(4)电子称:用于称重。
三、试验步骤1.制备混凝土梁(1)根据设计要求制备混凝土试块。
(2)在模具中按照设计要求摆放预制钢筋。
(3)将混凝土倒入模具中。
(4)振捣混凝土,使其充分密实。
(5)待混凝土凝固后,拆卸模具,取出混凝土梁。
2.试件标记(1)用电子称称重,记录混凝土梁的质量。
(2)用应变计测量混凝土梁中钢筋的应变值,将应变计固定在混凝土梁上。
(3)在混凝土梁上标记试件编号、试验日期、试验室名称等信息。
3.试件准备(1)根据设计要求,调整弯曲试验机的支座跨距,使其符合试验要求。
(2)将混凝土梁放置在试验机支座上。
(3)将长度计装置固定在混凝土梁上,用于测量混凝土梁的变形。
4.试验进行(1)调整试验机参数,按照设计要求施加荷载。
(2)在试验过程中,记录试验机施加的荷载值和混凝土梁的变形值。
(3)当混凝土梁达到破坏点时,停止试验。
5.试验结束(1)拆卸试验机,取下混凝土梁。
(2)将混凝土梁的破坏形态进行记录和分析。
(3)根据试验数据计算混凝土梁的抗弯强度、抗剪强度等试验数据。
四、试验注意事项1.混凝土梁的制备应符合设计要求,以保证试验数据的准确性。
2.试验前应检查试验设备的正常运行状态,确保试验的安全性。
3.试验过程中应及时记录试验数据,以便后续分析和计算。
4.在试验结束后,应对试验数据进行分析和计算,并将结果进行记录和保存。
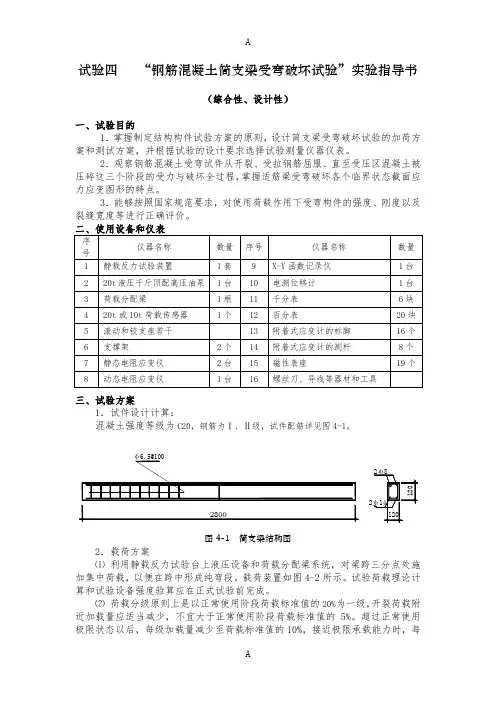
试验四钢筋混凝土简支梁受弯破坏试验
试验四“钢筋混凝土简支梁受弯破坏试验”实验大纲
(综合性、设计性试验)
一、试验目的
1.掌握制定结构构件试验方案的原则,设计简支梁受弯破坏试验的加荷方案和测试方案,并根据试验的设计要求选择试验测量仪器仪表。
2.观察钢筋混凝土受弯试件从开裂、受拉钢筋屈服、直至受压区混凝土被压碎这三个阶段的受力与破坏全过程,掌握适筋梁受弯破坏各个临界状态截面应力应变图形的特点。
3.能够按照国家规范要求,对使用荷载作用下受弯构件的强度、刚度以及裂缝宽度等进行正确评价。
三、试验要求
3.测试方案设计
⑴ 根据简支梁的内力和变形特点,进行各方面的测点布置;⑵根据量程和精度要求选择各种量测仪器仪表;4.组织方案设计四、试验报告
1.简述该项试验的概况;
2.绘制加荷方案示意图,测点布置图和加荷程序控制图。
3.绘制在80% cr P 、y P 、u P 荷载时简支梁纯弯段某一截面混凝土应变分布图,并确定中和轴的位置。
3. 以任一应变测点记录为对象,绘制荷载-应变(P ε-)曲线,并结合试验现象加以分析。
4.绘制荷载-跨中挠度变形曲线,描述其特点,并结合试验现象及已有知识加以分析。
5. 结合试验现象,简要描述简支适筋梁受弯破坏三个阶段的主要特征。
七、思考题
1.根据受弯构件正截面破坏试验的经验,试规划一根简支梁斜截面破坏的试验方案,包括载荷方案、测试方案及加载制度的设计。
2.在试验过程中开裂荷载、屈服荷载及极限破坏荷载如何确定?
制定者:龚安礼指导教师:龚安礼、喻磊、郭昕审定者:张兴虎批准者:王泽军
结构与抗震实验室
制定日期:2005年12月30日。
适筋梁跨中单点加载受弯破坏梁1、实验目的:通过适筋梁三分点加载受弯破坏实验,认识混凝土结构构件的受力全过程、加深对混凝土结构基本构件受力性能的理解和掌握,了解、掌握混凝土受弯和受压构件基本性能的试验方法。
要求:1)参加并完成规定的实验项目内容,理解和掌握钢筋混凝土构件的实验方法和实验结果,过实践掌握试件的设计、实验结果整理和实验报告的撰写。
2)在学习钢筋混凝土受弯构件正截面受力性能的基础上,通过钢筋混凝土简支梁的设计、制作和受弯全过程的实验,对受弯承载力、刚度和裂缝进行测定,并对破坏形态进行观测,进一步加强对钢筋混凝土梁受弯性能、正截面承载力计算理论、裂缝及变形性能的理解。
3)写出实验报告。
2、实验内容:(1)按小组参加实验,观察分级荷载下适筋梁试件受弯破坏的全过程,观测裂缝的产生并绘制裂缝分布和破坏形式示意图,记录开裂荷载,观测梁的破坏形式。
(2)肉眼观察裂缝的产生与发展,并用笔在刷白的试件上画出裂缝的发展,测出裂缝宽度和间距,试验结束后手工绘制裂缝展开图,作裂缝分析;(3)获取材料试验数据,计算钢筋、混凝土强度等指标;(4)电脑记录试验全过程的数据,根据荷载、应变、位移等数据绘制荷载挠度曲线图、荷载-曲率关系曲线、荷载-总进应变关系曲线等,并进行钢筋混凝土适筋梁正、斜截面受弯承载力分析,完成试验报告。
(5)并与适筋梁跨中单点加载受弯破坏实验进行对比、试件介绍试件设计图纸及相应说明1、试件设计:试件设计要求:试件在规定的荷载作用下,能够或只能发生规定的破坏形式,不会发生其他形式的破坏。
对于受弯破坏梁,按三分点加载和跨中单点加载两种情况,验算跨中正截面抗弯承载力和受剪区段斜截面抗剪承载力,对于抗剪承载力的荷载应为抗弯承载力的荷载的 1.9倍(适筋梁)。
世軌火f谢蘇)下磁&为锻坏VL£ OU灘j TWMt^ZtSOiMLU 下部耐加曲4.C^WAtHHEtt相耳》哄试件主要参数:1)构件尺寸(矩形截面):b x h x l=100mm< 150m M 1400mm;2)混凝土强度等级:C25;3)纵向受拉钢筋:2①14;4)箍筋:场@75;5)纵向受压:208;6)梁的配筋图如附图2所示2、试件制作:1)材料准备,钢筋下料、制作,其他材料;2)应变测点布置,应变片粘贴、保护等;3)钢筋绑扎,支模板,浇捣混凝土;4)养护。
钢筋混凝土梁受弯及受剪性能试验指导书一、试验目的1.掌握钢筋混凝土梁的受弯性能,分析其受弯破坏机理,计算其抗弯强度、延性系数等力学性能参数。
2.掌握钢筋混凝土梁的受剪性能,分析其受剪破坏机理,计算其抗剪强度等力学性能参数。
二、试验原理1.受弯性能试验钢筋混凝土梁在承受一定荷载作用下,会产生弯曲应力,当弯曲应力达到混凝土、钢筋分别的极限强度时,梁发生破坏。
本试验采用四点弯曲法,即将试件放置在两个支座上,荷载集中在两个内侧点上,使试件弯曲,引起试件顶部受压,底部受拉,以实现试件跨中产生的最大弯矩。
2.受剪性能试验钢筋混凝土梁在承受水平力作用下,会产生剪切应力。
当剪切应力达到混凝土的极限强度时,梁发生破坏。
本试验采用直剪法,即施加束缚力以防止试件滑移,然后垂直于延长线方向的力荷载施加在试件纵向中心线上,达到试件抗剪强度下破坏。
三、试验设备1. 电子万能试验机2. 直线变形测量仪3. 金属劈裂计4. 数字电压表5. 弯曲试验支座6. 剪切试验支座四、试验步骤1.受弯性能试验1.1 准备试件:制作试件时应按照标准规范进行制作,试件应养护至规定时间,并进行检验合格后再进行试验。
1.2 安装试件:将试件放置在两个弯曲试验支座上,试件应平稳放置,并通过压板和夹紧装置将之固定。
1.3 测量试件尺寸:使用直线变形测量仪,测量试件长度、宽度和高度等尺寸,并记录下来。
1.4 施加荷载:在试件的第三点和第四点上同时施加所需的荷载,保持荷载的稳定,不要急剧加大荷载,应逐步增加直至试件破坏。
1.5 记录数据:记录荷载和试件弯曲度等数据,制作荷载-弯曲度曲线,计算试件的抗弯强度、延性系数等力学性能参数。
2.受剪性能试验2.1 准备试件:制作试件时应按照标准规范进行制作,试件应养护至规定时间,并进行检验合格后再进行试验。
2.2 安装试件:将试件放置在两个剪切试验支座上,通过束缚装置固定试件,并确保试件与支座之间没有摩擦产生。
2.3 施加荷载:在试件的中心线上施加所需荷载并保持荷载稳定,不要急剧加大荷载,应逐步增加直至试件破坏。
《混凝土结构基本原理L》试验课程作业适筋梁受弯破坏试验设计方案试验课教师 _____________ 黄庆华_____________姓名 ________________________________学号 ________________________________手机号 ___________________________________任课教师 _______________ 顾祥林_____________合作者 ___________________________________适筋梁受弯破坏试验设计方案1、试验目的:(1)通过实践掌握试件的设计、实验结果整理的方法。
(2)加深对混凝土基本构建受力性能的理解。
(3)更直观的了解适筋梁受弯破坏形态及裂缝发展情况。
(4)验证适筋梁破坏过程中的平截面假定。
(5)对比实验值与计算理论值,从而更好地掌握设计的原理。
二、试件设计:(1)试件设计的依据根据梁正截面受压区相对高度和界限受压区相对高度b的比较可以判断出受弯构件的类型:当b时,为适筋梁;当b时,为超筋梁。
界限受压区相对高度b可按下式计算:0.8f y0.0033E s在设计时,如果考虑配筋率,则需要确保其中在进行受弯试件梁设计时,fy、E s分别取《混凝土结构设计规范》规定的钢筋受拉强度标准值和弹性模量;进行受弯试件梁加载设计时,fy、E s分别取钢筋试件试验得到钢筋受拉屈服强度标准值和弹性模量。
同时,为了防止出现少筋破坏,需要控制梁受拉钢筋配筋率大于适筋构件的最小配筋率min,其中min可按下式计算:min 0.45f^T y(2)试件的主要参数①试件尺寸(矩形截面):b x h x | = 180X 250x 2200mm;②混凝土强度等级:C35;③纵向受拉钢筋的种类:HRB400;④箍筋的种类:HPB300 (纯弯段无箍筋);⑤纵向钢筋混凝土保护层厚度:25mm;综上所述,试件的配筋情况见图3和表1:试件编号试件特征配筋情况预估荷载P (kN)①②③P cr P y P uMLA适筋梁44?16 2 108@50(2)32.729147.266163.629说明:预估荷载按照《混凝土结构设计规范》给定的材料强度标准值计算,未计试件梁和分配梁的自重。
适筋梁受弯破坏试验设计方案
一、 试验目的:
(1) 通过实践掌握试件的设计、实验结果整理的方法。
(2) 加深对混凝土基本构建受力性能的理解。
(3) 更直观的了解适筋梁受弯破坏形态及裂缝发展情况。
(4) 验证适筋梁破坏过程中的平截面假定。
(5)
对比实验值与计算理论值,从而更好地掌握设计的原理。
二、 试件设计:
(1)试件设计的依据
根据梁正截面受压区相对高度ξ和界限受压区相对高度b ξ的比较可以判断出受弯构件的类型:当b ξξ≤时,为适筋梁;当b ξξ>时,为超筋梁。
界限受压区相对高度
b ξ可按下式计算:
b y s 0.8
10.0033f E ξ=
+
在设计时,如果考虑配筋率,则需要确保1αρρξ≤=c b b
y
f f
其中在进行受弯试件梁设计时,
y
f 、s E 分别取《混凝土结构设计规范》规定的
钢筋受拉强度标准值和弹性模量;进行受弯试件梁加载设计时,y f
、s E 分别取钢筋试件试验得到钢筋受拉屈服强度标准值和弹性模量。
同时,为了防止出现少筋破坏,需要控制梁受拉钢筋配筋率ρ大于适筋构件的最小配筋率min ρ,其中min ρ可按下式计算:
t min y
0.45
f f ρ=
(2)试件的主要参数 ①试件尺寸(矩形截面):b ×h ×l =180×250×2200mm ; ②混凝土强度等级:C35;
③纵向受拉钢筋的种类:HRB400;
④箍筋的种类:HPB300(纯弯段无箍筋); ⑤纵向钢筋混凝土保护层厚度:25mm ;
综上所述,试件的配筋情况见图3和表1:
图3 梁受弯实验试件配筋
表1
试件 编号
试件特征
配筋情况
预估荷载P (kN) ①
② ③
P cr P y P u MLA
适筋梁
416
2φ10
φ8@50(
2)
32.729
147.266
163.629
说明:预估荷载按照《混凝土结构设计规范》给定的材料强度标准值计算,未计试件梁和分配梁的自重。
三、 试验装置:
图1为本方案进行梁受弯性能试验采用的加载装置,加载设备为千斤顶。
采用两点集中力加载,以便于在跨中形成纯弯段。
并且由千斤顶及反力梁施加压力,分配梁分配荷载,压力传感器测定荷载值。
梁受弯性能试验中,采用三分点加载方案,取2200L mm =,100a mm =,700b mm =,600c mm =。
图2.a 为加载简图,此时千斤顶加力为P ,经过分配梁后,可视为两个大小为/2P 的集中荷载分别作用于图示位置。
图2.b 为荷载作用下的弯矩图。
由此图可知,纯弯段的弯矩最大,0.35M P =. 图2.c 为荷载作用下的剪力图。
1—试验梁;2—滚动铰支座;3—固定铰支座;4—支墩;5—分配梁滚动铰支座;
6—分配梁滚动铰支座;7—集中力下的垫板;8—分配梁;9—反力梁及龙门架;10—千斤顶;
图1 梁受弯试验装置图
(a)加载简图(kN, mm)
•)
(b)弯矩图(kN mm
(c)剪力图(kN)
图2 梁受弯试验加载和内力简图
四、加载方式:
(1)单调分级加载机制:
梁受弯试验采取单调分级加载,每次加载时间间隔为15分钟。
在正式加载前,为检查仪器仪表读数是否正常,需要预加载,预加载所用的荷载是分级荷载的前两级。
具体加载过程为:
①在加载到开裂荷载计算值的90%以前,每级荷载不宜大于开裂荷载计
算值得20%
②达到开裂荷载计算值的90%以后,每级荷载不宜大于其荷载值的5%;
③当试件开裂后,每级荷载值取10%的承载力试验荷载计算值的级距;
④当加载达到纵向受拉钢筋屈服后,按跨中位移控制加载,加载的级距
为钢筋屈服工况对应的跨中位移;
⑤加载到临近破坏前,拆除所有仪表,然后加载至破坏。
(2)开裂荷载实测值确定方法:
对于本次试验,采用放大镜观测法确定开裂荷载实测值。
具体过程:用放大倍率不低于四倍的放大镜观察裂缝的出现;当加载过程中第一次出现裂缝时,应取前一级荷载作为开裂荷载实测值;当在规定的荷载持续时间内第一次出现裂缝时,应取本级荷载值与前一级荷载的平均值作为开裂荷载实测值;当在规定的荷载持续时间结束后第一次出现裂缝时,应取本次荷载值作为开裂荷载实测值。
(3)承载力极限状态确定方法:
对梁试件进行受弯承载力试验时,在加载或持载过程中出现下列标记即可认为该结构构件已经达到或超过承载力极限状态,即可停止加载:
①受拉主钢筋拉断;
②受拉主钢筋处最大垂直裂缝宽度达到1.5mm;
③挠度达到跨度的1/30;
④受压区混凝土压坏。
五、试验测量内容、方法和测点仪表布置:
(1)混凝土平均应变
在梁跨中一侧面布置5个位移计,位移计间距50mm,标距为150mm,以量测梁侧表面混凝土沿截面高度的平均应变分布规律,测点布置见图4。
图4梁受弯试验混凝土平均应变测点布置
(2)纵向钢筋应变
在试件纵向受拉钢筋中部粘贴电阻应变片,以量测加载过程中钢筋的应力变化,测点布置见图5。
图5 纵筋应变片布置
(3)挠度
对受弯构件的挠度测点应布置在构件跨中或挠度最大的部位截面的中轴线上,如图6所示。
在试验加载前,应在没有外荷载的条件下测读仪表的初始读数。
试验时在每级荷载下,应在规定的荷载持续试件结束时量测构件的变形。
结构构件各部位测点的测度程序在整个试验过程中宜保持一致,各测点间读数时间间隔不宜过长。
图6 梁受弯试验挠度测点布置
(4)裂缝
试验前将梁两侧面用石灰浆刷白,并绘制50mm×50mm的网格。
试验时借助放大镜用肉眼查找裂缝。
构件开裂后立即对裂缝的发生发展情况进行详细观测,用读数
放大镜及钢直尺等工具量测各级荷载(0.4P u ~0.7P u )作用下的裂缝宽度、长度及裂缝间距,并采用数码相机拍摄后手工绘制裂缝展开图,裂缝宽度的测量位置为构件的侧面相应于受拉主筋高度处。
最大裂缝宽度应在使用状态短期试验荷载值持续15min 结束时进行量测。
六、 理论极限荷载计算书
(1)配筋计算:
由所选材料性能可知:
222222
2400/360/270/23.4/16.7/2.20/1.57/yk y yv ck c tk t f N mm f N mm f N mm f N mm f N mm f N mm f N mm =======
3
t min y 1.57
0.450.45 1.9610360
ρ-==⨯=⨯f f
b y s 0.810.0033f E ξ=
+
=0.523
1116.7
0.5230.024
360
αρξ⨯==⨯=c b b y f f
025********
d
h h c mm =--
=--= 所以,当所配纵筋为314时,钢筋面积A s =804mm 2;
0.021s
A bh ρ==
此时
min ρρρ≤≤b
所以该梁为适筋梁
(2)试件加载估算 1. 开裂弯矩估算
5
s E 4
c 2.0610 6.5403.1510
α⨯===⨯E E
E s A 22 6.54804
0.234180250
A bh αα⨯⨯=
==⨯
()2
cr tk 20.292(1 2.5)0.2921 2.50.234 2.2018025011.455A M f bh kN m
α=+=⨯+⨯⨯⨯⨯=•
2. 屈服弯矩估算
作为估算,可以假定钢筋屈服时,压区混凝土的应力为线性分布,因此有:
y y s 0n u
(/3)0.9M f A h x M =-≈
3. 极限弯矩估算
yk s
1ck 0
400804
0.350123.4180218
f A f bh ξα⨯=
=
=⨯⨯⨯
()2u 1ck 02(10.5)
123.41802170.35010.50.35057.270kN m
k M f bh αξξ=-=⨯⨯⨯⨯⨯-⨯=⋅ 11.455
kN=32.729kN 0.350.35cr cr M P ∴==
u 57.270P kN 163.629kN 0.350.35u M ===
0.9147.266kN y u P P ==
4. 抗剪验算
梁中箍筋采用上述配置,及
()
8@502φ,此时梁的抗剪能力如下:
0700 3.2217a h λ===
>3λ =3λ∴
222
28100.534
sv A mm mm π
=
⨯⨯=
33min 0100.53
=
2.57100.24 1.4310180217sv t yv
A f bh f ρρ--==⨯>==⨯⨯ ,max 00.250.25 1.016.7180217163.075kN u c c V f bh N β==⨯⨯⨯⨯=
001.75
144.6kN 1sv u t yv A V f bh f h s
λ=+=+
.max u u V V > 144.6kN u
V ∴=
此时
2289.2kN cu u P V =⨯= 因为 cu u P
P >,所以该梁出现正截面破坏,符合要求。