高强螺栓紧固记录
- 格式:docx
- 大小:36.36 KB
- 文档页数:2
扭剪型高强螺栓连接交底记录
一、项目概况
本次项目使用的是扭剪型高强螺栓作为连接件,在施工前需要进行
交底,明确该连接件的使用方法及注意事项,保障连接件的施工质量。
二、扭剪型高强螺栓连接件的特点
扭剪型高强螺栓连接件是一种热镀锌高强度紧固件,具有以下特点:•优良的切割能力和切向受载能力
•轴向受载和剪切受载能力均匀分配,可靠性高
•高强度和刚性,能够保证结构的稳定性和安全性
•环保、节能、耐久、耐腐蚀性能优越
三、连接过程
挑选适合规格的高强扭剪型螺栓,千万不能过量使用或者减少使用
数量,避免出现过量使用导致连接件出现紧张变形的问题,也不要减
少使用数量导致承载能力出现减弱的情况。
连接过程中,要使用扭矩扳手进行对螺栓进行拧紧,确保能够达到
预定的扭矩力矩,并进行合适的转角,使拧紧在适宜的转角下实现。
如果扭矩达不到要求,需要及时更换螺栓。
四、注意事项
1.螺栓的尺寸按规定使用;
2.严格按照图纸要求、技术规范、质量标准进行施工,保证
项目质量;
3.拧紧螺栓时,要适当增加力矩,避免出现松动等问题;
4.在连接过程中,要注意松紧的程度,不要过度或者不足,
以免引起质量问题;
5.在使用扭剪型高强螺栓连接件的过程中,需要加密检查和
维护,保证其整体的稳定性和承载能力;
五、总结
在以上的扭剪型高强螺栓连接交底记录中,我们从连接件的选择、连接过程、注意事项等方面,对该连接件的使用进行了详细的讲解。
在工程中,扭剪型高强螺栓连接件的使用是相对较为常见的一种,我们需要严格确保连接件的使用质量,以避免影响到工程的整体使用效果。
(项目名称)高强螺栓连接检查记录单项工程单项工程编号单位工程单位工程编号结构名称材质序号构件位置螺栓规格螺栓孔径(mm)初拧时间初拧扭距N.m终拧时间终拧扭矩值(N·m)扩孔数量(个)摩擦面处理方法复查人施拧人施拧顺序结论12345678附:钢结构抗滑移系数试验报告份。
监理单位总承包单位施工单位监理工程师:年月日专业工程师:年月日质量检查员:技术负责人:年月日(项目名称)高强螺栓连接检查记录单项工程单项工程编号单位工程单位工程编号结构名称材质序号构件位置螺栓规格螺栓孔径(mm)初拧时间初拧扭距N.m终拧时间终拧扭距N.m扩孔数量(个)摩擦面处理方法终拧扭矩值(N·m)施拧人施拧顺序结论12345678附:钢结构抗滑移系数试验报告份。
监理单位总承包单位施工单位监理工程师:年月日专业工程师:年月日质量检查员:技术负责人:年月日(项目名称)高强螺栓连接检查记录单项工程单项工程编号单位工程单位工程编号结构名称材质序号构件位置螺栓规格螺栓孔径(mm)初拧时间初拧扭距N.m终拧时间终拧扭距N.m扩孔数量(个)摩擦面处理方法终拧扭矩值(N·m)施拧人施拧顺序结论9101112附:钢结构抗滑移系数试验报告份。
监理单位总承包单位施工单位监理工程师:年月日专业工程师:年月日质量检查员:技术负责人:年月日。
高强螺栓初、终拧施工记录工程名称北方博业科技发展有限公司建设年产10万台3G路由器检查项目高强螺栓连接(标高8.3m)总包单位天津泉州建设集团有限公司施工图号结施04、05、06标准规定钢结构工程施工质量验收规范(GB50205-2001) Tc=k×Pc×d k=0.137 Pc=170KN d=20mm 终拧Tc=465.8(N•m)初拧To=465.8×0.5=232.9(N•m)部位编号施工记录部位编号施工记录监理单位验收记录To Tc To Tc检查部位编号To TcA/1124047213240474标高8.3m224647014242468B~C/132404583244474D/11248470524446442404682246471D/1523846652404703252474823047062424714248470124845672484745248474D~E/33246472824647062464684252470925247472444696248468 124846882476G/3124847442次梁8 ↑1244469次梁18↓124247222404702242472次梁9 ↓1242472次梁18↑124447622424722244476次梁9 ↑1244476次梁19↓124246822444762240470施工单位检查评定结果专业工长施工班组长施工单位专业质量检查员:年月日监理单位验收结论专业监理工程师:年月日注:高强螺栓施拧顺序详附图。
2008年10月150施管表5交底内容:3.2螺栓长度的选择:扭剪型高强螺栓的长度为螺栓头根部至螺栓梅花卡头切口处的长度.选用螺栓的长度应为紧固连接板厚度加上一个螺母和一个垫圈的厚度,并且紧固后要露出不少于两扣螺纹的余长,一般按连接板厚加表5-2中的增加长度,并取5mm的整倍数.3.3接头组装:3.3.1连接处的钢板或型钢应平整,板边、孔边无毛刺;接头处有翘曲、变形必须进行校正,并防止损伤摩擦面,保证摩擦面紧贴.3.3.2装配前检查摩擦面,试件的摩擦系数是否达到设计要求,浮锈用钢丝刷除掉,油污、油漆清除干净.3.3.3板叠接触面间应平整,当接触有间隙时,应按规定处理,见表5-3.技术交底记录2008年10月15∈施管表5交底内容:下来的卡头应放入工具袋内收集在一起,防止从高空坠落造成安全事故.3.7检查验收:3.7.1扭剪型高强螺拴应全部拧掉尾部梅花卡头为终拧结束,不准遗漏.3.7.2个别不能用专用扳手操作时,扭剪型高强螺栓应按大六角头高强螺栓用扭矩法施工.终拧结束后,检查漏拧、欠拧宜用0.3~0.5kg重的小锤逐个敲检,如发现有欠拧、漏拧应补拧;超拧应更换.检查时应将螺母回退30°~50°,再拧至原位,测定终拧扭矩值,其偏差不得大于±10%,已终拧合格的做出标记.4、质量标准技术交底记录5、成品保护5.1结构防腐区段(如酸洗车间)应在连接板缝、螺头、螺母、垫圈周边涂抹防腐腻子(如过氯乙烯腻子)封闭,面层防腐处理与该区钢结构相同.5.2结构防锈区段,应在连接板缝、螺头、螺母、垫圈周边涂快干红丹漆封闭,面层防锈处理与该区钢结构相同.技术交底记录6、应注意的质量问题6.1装配面不符合要求:表面有浮锈、油污,螺栓孔有毛刺、焊瘤等,均应清理干净.6.2连接板拼装不严:连接板变形,间隙大,应校正处理后再使用.6.3螺栓丝扣损伤:螺栓应自由穿入螺孔,不准许强行打入.6.4扭矩不准:应定期标定扳手的扭矩值,其偏差不大于5%,严格按紧固顺序操作.7、质量记录7.1高强螺栓、螺母、垫圈组成的连续副的出厂质量证明、出厂检验报告.7.2高强螺栓预拉力复验报告.7.3摩擦面抗滑移系数(摩擦系数)试验及复验报告.7.4扭矩扳手标定记录.7.5设计变更、洽商记录.7.6工程检查记录.。
表142高强度螺栓连接检验批质量验收记录
填表说明
1、检验批容量填写:同一检验批内,填写构件的总数
2、最小/实际检查数量栏中,实际检查数量:按实填写且不少于最小数量。
D成品进场:质量证明文件全数检查,抽样数量按进场批次和产品的抽样检验方案确定。
2)扭矩系数或轴力复验:见《钢结构工程施工质量验收规范》GB50205表瓦
3)抗滑移系数试验:见《钢结构工程施工质量验收规范》GB50205表B。
4)终拧扭矩:高强度螺栓连接副按节点数抽查IOK且不少于10个,每个被抽查到的节点,按螺栓数抽查10%,且不少于2个。
扭剪型高强度螺栓连接副按节点数抽查IOK且不少于10个,被抽查节点中梅花头未拧掉的扭剪型高强度螺栓连接副全数进行终拧扭矩检查。
5)成品包装:按包装箱数抽查5%,且不应少于3箱。
6)表面硬度试验:按规格抽查8只。
7)镀层厚度:按规格抽查8只。
8)初拧、终拧扭矩:全数检查。
9)连接外观质量:按节点数抽查5%,且不应小于10个。
10)摩擦面外观:全数检查。
11)扩孔:被扩螺栓孔全数检查。
3、表头中“施工依据”栏目应依照实际的施工操作依据填写,如施工企业的操作规程、工法、施工工艺标准。
高强螺栓连接施工记录工程名称盐城市妇幼保健医院钢结构采光顶棚工程施拧部位钢螺栓扭力扳手型号AC 记录人卞金铃施工单位江苏恒龙装饰工程有限公司初拧425 N.m 终拧840N.m 螺栓形式大六角等级10.9S 螺栓规格M20序号结点编号初拧(N.m)日期终拧(N.m)日期序号结点编号初拧(N.m)日期终拧(N.m)日期1 16-44-12 425 840 36 16-45-17 425 8402 16-44-13 425 840 37 16-45-18 425 8403 16-44-14 425 840 38 16-45-19 425 8404 16-44-15 425 840 39 16-45-20 425 8405 16-44-16 425 840 40 16-45-21 425 8406 16-44-17 425 840 41 16-45-22 425 8407 16-44-18 425 840 42 16-45-23 425 8408 16-44-19 425 840 43 16-45-24 425 8409 16-44-20 425 840 44 16-45-25 425 84010 16-44-21 425 840 45 16-45-26 425 84011 16-44-22 425 840 46 16-45-27 425 84012 16-44-23 425 840 47 16-45-28 425 84013 16-44-24 425 840 48 16-45-29 425 84014 16-44-25 425 840 49 16-45-30 425 84015 16-44-26 425 840 50 16-46-1 425 84016 16-44-27 425 840 51 16-46-2 425 84017 16-44-28 425 840 52 16-46-3 425 84018 16-44-29 425 840 53 16-46-4 425 84019 16-44-30 425 840 54 16-46-5 425 84020 16-45-1 425 840 55 16-46-6 425 84021 16-45-2 425 840 56 16-46-7 425 84022 16-45-3 425 840 57 16-46-8 425 84023 16-45-4 425 840 58 16-46-9 425 84024 16-45-5 425 840 59 16-46-10 425 84025 16-45-6 425 840 60 16-46-11 425 84026 16-45-7 425 840 61 16-46-12 425 84027 16-45-8 425 840 62 16-46-13 425 84028 16-45-9 425 840 63 16-46-14 425 84029 16-45-10 425 840 64 16-46-15 425 84030 16-45-11 425 840 65 16-46-16 425 84031 16-45-12 425 840 66 16-46-17 425 84032 16-45-13 425 840 67 16-46-18 425 84033 16-45-14 425 840 68 16-46-19 425 84034 16-45-15 425 840 69 16-46-20 425 84035 16-45-16 425 840 70 16-46-21 425 840扭力扳手型号AC 记录人卞金铃施工单位江苏恒龙装饰工程有限公司初拧425 N.m 终拧840N.m 螺栓形式大六角等级10.9S 螺栓规格M20序号结点编号初拧(N.m)日期终拧(N.m)日期序号结点编号初拧(N.m)日期终拧(N.m)日期1 16-46-22 425 840 36 16-47-27 425 8402 16-46-23 425 840 37 16-47-28 425 8403 16-46-24 425 840 38 16-47-29 425 8404 16-46-25 425 840 39 16-47-30 425 8405 16-46-26 425 840 40 16-48-1 425 8406 16-46-27 425 840 41 16-48-2 425 8407 16-46-28 425 840 42 16-48-3 425 8408 16-46-29 425 840 43 16-48-4 425 8409 16-46-30 425 840 44 16-48-5 425 84010 16-47-1 425 840 45 16-48-6 425 84011 16-47-2 425 840 46 16-48-7 425 84012 16-47-3 425 840 47 16-48-8 425 84013 16-47-4 425 840 48 16-48-9 425 84014 16-47-5 425 840 49 16-48-10 425 84015 16-47-6 425 840 50 16-48-11 425 84016 16-47-7 425 840 51 16-48-12 425 84017 16-47-8 425 840 52 16-48-13 425 84018 16-47-9 425 840 53 16-48-14 425 84019 16-47-10 425 840 54 16-48-15 425 84020 16-47-11 425 840 55 16-48-16 425 84021 16-47-12 425 840 56 16-48-17 425 84022 16-47-13 425 840 57 16-48-18 425 84023 16-47-14 425 840 58 16-48-19 425 84024 16-47-15 425 840 59 16-48-20 425 84025 16-47-16 425 840 60 16-48-21 425 84026 16-47-17 425 840 61 16-48-22 425 84027 16-47-18 425 840 62 16-48-23 425 84028 16-47-19 425 840 63 16-48-24 425 84029 16-47-20 425 840 64 16-48-25 425 84030 16-47-21 425 840 65 16-48-26 425 84031 16-47-22 425 840 66 16-48-27 425 84032 16-47-23 425 840 67 16-48-28 425 84033 16-47-24 425 840 68 16-48-29 425 84034 16-47-25 425 840 69 16-48-30 425 84035 16-47-26 425 840 70 A-3-1 425 840扭力扳手型号AC型记录人卞金铃施工单位江苏恒龙装饰工程有限公司初拧425 N.m 终拧840N.m 螺栓形式大六角等级10.9S 螺栓规格M20序号结点编号初拧(N.m)日期终拧(N.m)日期序号结点编号初拧(N.m)日期终拧(N.m)日期1 A-3-2 425 840 36 A-4-7 425 8402 A-3-3 425 840 37 A-4-8 425 8403 A-3-4 425 840 38 A-4-9 425 8404 A-3-5 425 840 39 A-4-10 425 8405 A-3-6 425 840 40 A-4-11 425 8406 A-3-7 425 840 41 A-4-12 425 8407 A-3-8 425 840 42 A-4-13 425 8408 A-3-9 425 840 43 A-4-14 425 8409 A-3-10 425 840 44 A-4-15 425 84010 A-3-11 425 840 45 A-4-16 425 84011 A-3-12 425 840 46 A-4-17 425 84012 A-3-13 425 840 47 A-4-18 425 84013 A-3-14 425 840 48 A-4-19 425 84014 A-3-15 425 840 49 A-4-20 425 84015 A-3-16 425 840 50 A-4-21 425 84016 A-3-17 425 840 51 A-4-22 425 84017 A-3-18 425 840 52 A-4-23 425 84018 A-3-19 425 840 53 A-4-24 425 84019 A-3-20 425 840 54 A-4-25 425 84020 A-3-21 425 840 55 A-4-26 425 84021 A-3-22 425 840 56 A-4-27 425 84022 A-3-23 425 840 57 A-4-28 425 84023 A-3-24 425 840 58 A-4-29 425 84024 A-3-25 425 840 59 A-4-30 425 84025 A-3-26 425 840 60 A-5-1 425 84026 A-3-27 425 840 61 A-5-2 425 84027 A-3-28 425 840 62 A-5-3 425 84028 A-3-29 425 840 63 A-5-4 425 84029 A-3-30 425 840 64 A-5-5 425 84030 A-4-1 425 840 65 A-5-6 425 84031 A-4-2 425 840 66 A-5-7 425 84032 A-4-3 425 840 67 A-5-8 425 84033 A-4-4 425 840 68 A-5-9 425 84034 A-4-5 425 840 69 A-5-10 425 84035 A-4-6 425 840 70 A-5-11 425 840扭力扳手型号AC 记录人卞金铃施工单位江苏恒龙装饰工程有限公司初拧425 N.m 终拧840N.m 螺栓形式大六角等级10.9S 螺栓规格M20序号结点编号初拧(N.m)日期终拧(N.m)日期序号结点编号初拧(N.m)日期终拧(N.m)日期1 A-5-12 425 840 36 A-6-17 425 8402 A-5-13 425 840 37 A-6-18 425 8403 A-5-14 425 840 38 A-6-19 425 8404 A-5-15 425 840 39 A-6-20 425 8405 A-5-16 425 840 40 A-6-21 425 8406 A-5-17 425 840 41 A-6-22 425 8407 A-5-18 425 840 42 A-6-23 425 8408 A-5-19 425 840 43 A-6-24 425 8409 A-5-20 425 840 44 A-6-25 425 84010 A-5-21 425 840 45 A-6-26 425 84011 A-5-22 425 840 46 A-6-27 425 84012 A-5-23 425 840 47 A-6-28 425 84013 A-5-24 425 840 48 A-6-29 425 84014 A-5-25 425 840 49 A-6-30 425 84015 A-5-26 425 840 50 A-7-1 425 84016 A-5-27 425 840 51 A-7-2 425 84017 A-5-28 425 840 52 A-7-3 425 84018 A-5-29 425 840 53 A-7-4 425 84019 A-5-30 425 840 54 A-7-5 425 84020 A-6-1 425 840 55 A-7-6 425 84021 A-6-2 425 840 56 A-7-7 425 84022 A-6-3 425 840 57 A-7-8 425 84023 A-6-4 425 840 58 A-7-9 425 84024 A-6-5 425 840 59 A-7-10 425 84025 A-6-6 425 840 60 A-7-11 425 84026 A-6-7 425 840 61 A-7-12 425 84027 A-6-8 425 840 62 A-7-13 425 84028 A-6-9 425 840 63 A-7-14 425 84029 A-6-10 425 840 64 A-7-15 425 84030 A-6-11 425 840 65 A-7-16 425 84031 A-6-12 425 840 66 A-7-17 425 84032 A-6-13 425 840 67 A-7-18 425 84033 A-6-14 425 840 68 A-7-19 425 84034 A-6-15 425 840 69 A-7-20 425 84035 A-6-16 425 840 70 A-7-21 425 840扭力扳手型号AC 记录人卞金铃施工单位江苏恒龙装饰工程有限公司初拧425 N.m 终拧840N.m 螺栓形式大六角等级10.9S 螺栓规格M20序号结点编号初拧(N.m)日期终拧(N.m)日期序号结点编号初拧(N.m)日期终拧(N.m)日期1 A-7-22 425 840 36 A-8-27 425 8402 A-7-23 425 840 37 A-8-28 425 8403 A-7-24 425 840 38 A-8-29 425 8404 A-7-25 425 840 39 A-8-30 425 8405 A-7-26 425 840 40 3-31-1 425 8406 A-7-27 425 840 41 3-31-2 425 8407 A-7-28 425 840 42 3-31-3 425 8408 A-7-29 425 840 43 3-31-4 425 8409 A-7-30 425 840 44 3-31-5 425 84010 A-8-1 425 840 45 3-32-1 425 84011 A-8-2 425 840 46 3-32-2 425 84012 A-8-3 425 840 47 3-32-3 425 84013 A-8-4 425 840 48 3-32-4 425 84014 A-8-5 425 840 49 3-32-5 425 84015 A-8-6 425 840 50 3-33-1 425 84016 A-8-7 425 840 51 3-33-2 425 84017 A-8-8 425 840 52 3-33-3 425 84018 A-8-9 425 840 53 3-33-4 425 84019 A-8-10 425 840 54 3-33-5 425 84020 A-8-11 425 840 55 3-34-1 425 84021 A-8-12 425 840 56 3-34-2 425 84022 A-8-13 425 840 57 3-34-3 425 84023 A-8-14 425 840 58 3-34-4 425 84024 A-8-15 425 840 59 3-34-5 425 84025 A-8-16 425 840 60 3a-32-1 425 84026 A-8-17 425 840 61 3a-32-2 425 84027 A-8-18 425 840 62 3a-32-3 425 84028 A-8-19 425 840 63 3a-32-4 425 84029 A-8-20 425 840 64 3a-32-5 425 84030 A-8-21 425 840 65 3a-33-1 425 84031 A-8-22 425 840 66 3a-33-2 425 84032 A-8-23 425 840 67 3a-33-3 425 84033 A-8-24 425 840 68 3a-33-4 425 84034 A-8-25 425 840 69 3a-33-5 425 84035 A-8-26 425 840 70 3a-34-1 425 840扭力扳手型号AC 记录人卞金铃施工单位江苏恒龙装饰工程有限公司初拧425 N.m 终拧840N.m 螺栓形式大六角等级10.9S 螺栓规格M20序号结点编号初拧(N.m)日期终拧(N.m)日期序号结点编号初拧(N.m)日期终拧(N.m)日期1 3a-34-2 425 840 36 M-27-17 425 8402 3a-34-3 425 840 37 M-27-18 425 8403 3a-34-4 425 840 38 M-2719 425 8404 3a-34-5 425 840 39 M-27-20 425 8405 3b-32-1 425 840 40 M-27-21 425 8406 3b-32-2 425 840 41 M-27-22 425 8407 3b-32-3 425 840 42 M-27-23 425 8408 3b-32-4 425 840 43 M-27-24 425 8409 3b-32-5 425 840 44 M-27-25 425 84010 3b-33-1 425 840 45 M-27-26 425 84011 3b-33-2 425 840 46 M-27-27 425 84012 3b-33-3 425 840 47 M-27-28 425 84013 3b-33-4 425 840 48 M-27-29 425 84014 3b-33-5 425 840 49 M-27-30 425 84015 3b-34-1 425 840 50 M-28-1 425 84016 3b-34-2 425 840 51 M-28-2 425 84017 3b-34-3 425 840 52 M-28-3 425 84018 3b-34-4 425 840 53 M-28-4 425 84019 3b-34-5 425 840 54 M-28-5 425 84020 M-27-1 425 840 55 M-28-6 425 84021 M-27-2 425 840 56 M-28-7 425 84022 M-27-3 425 840 57 M-28-8 425 84023 M-27-4 425 840 58 M-28-9 425 84024 M-27-5 425 840 59 M-28-10 425 84025 M-27-6 425 840 60 M-28-11 425 84026 M-27-7 425 840 61 M-28-12 425 84027 M-27-8 425 840 62 M-28-13 425 84028 M-27-9 425 840 63 M-28-14 425 84029 M-27-10 425 840 64 M-28-15 425 84030 M-27-11 425 840 65 M-28-16 425 84031 M-27-12 425 840 66 M-28-17 425 84032 M-27-13 425 840 67 M-28-18 425 84033 M-27-14 425 840 68 M-2819 425 84034 M-27-15 425 840 69 M-28-20 425 84035 M-27-16 425 840 70 M-28-21 425 840扭力扳手型号AC 记录人卞金铃施工单位江苏恒龙装饰工程有限公司初拧425 N.m 终拧840N.m 螺栓形式大六角等级10.9S 螺栓规格M20序号结点编号初拧(N.m)日期终拧(N.m)日期序号结点编号初拧(N.m)日期终拧(N.m)日期1 M-28-21 425 840 36 M-29-26 425 8402 M-28-22 425 840 37 M-29-27 425 8403 M-28-23 425 840 38 M-29-28 425 8404 M-28-24 425 840 39 M-29-29 425 8405 M-28-25 425 840 40 M-29-30 425 8406 M-28-26 425 840 41 M-30-1 425 8407 M-28-27 425 840 42 M-30-2 425 8408 M-28-28 425 840 43 M-30-3 425 8409 M-28-29 425 840 44 M-30-4 425 84010 M-28-30 425 840 45 M-30-5 425 84011 M-29-1 425 840 46 M-30-6 425 84012 M-29-2 425 840 47 M-30-7 425 84013 M-29-3 425 840 48 M-30-8 425 84014 M-29-4 425 840 49 M-30-9 425 84015 M-29-5 425 840 50 M-30-10 425 84016 M-29-6 425 840 51 M-30-11 425 84017 M-29-7 425 840 52 M-30-12 425 84018 M-29-8 425 840 53 M-30-13 425 84019 M-29-9 425 840 54 M-30-14 425 84020 M-29-10 425 840 55 M-30-15 425 84021 M-29-11 425 840 56 M-30-16 425 84022 M-29-12 425 840 57 M-30-17 425 84023 M-29-13 425 840 58 M-30-18 425 84024 M-29-14 425 840 59 M-30-19 425 84025 M-29-15 425 840 60 M-30-20 425 84026 M-29-16 425 840 61 M-30-21 425 84027 M-29-17 425 840 62 M-30-22 425 84028 M-29-18 425 840 63 M-30-23 425 84029 M-2919 425 840 64 M-30-24 425 84030 M-29-20 425 840 65 M-30-25 425 84031 M-29-21 425 840 66 M-30-26 425 84032 M-29-22 425 840 67 M-30-27 425 84033 M-29-23 425 840 68 M-30-28 425 84034 M-29-24 425 840 69 M-30-29 425 84035 M-29-25 425 840 70 M-30-30 425 840扭力扳手型号AC 记录人卞金铃施工单位江苏恒龙装饰工程有限公司初拧425 N.m 终拧840N.m 螺栓形式大六角等级10.9S 螺栓规格M20序号结点编号初拧(N.m)日期终拧(N.m)日期序号结点编号初拧(N.m)日期终拧(N.m)日期1 M-31-1 425 840 36 M-31-36 425 8402 M-31-2 425 840 37 M-32-1 425 8403 M-31-3 425 840 38 M-32-2 425 8404 M-31-4 425 840 39 M-32-3 425 8405 M-31-5 425 840 40 M-32-4 425 8406 M-31-6 425 840 41 M-32-5 425 8407 M-31-7 425 840 42 M-32-6 425 8408 M-31-8 425 840 43 M-32-7 425 8409 M-31-9 425 840 44 M-32-8 425 84010 M-31-10 425 840 45 M-32-9 425 84011 M-31-11 425 840 46 M-32-10 425 84012 M-31-12 425 840 47 M-32-11 425 84013 M-31-13 425 840 48 M-32-12 425 84014 M-31-14 425 840 49 M-32-13 425 84015 M-31-15 425 840 50 M-32-14 425 84016 M-31-16 425 840 51 M-32-15 425 84017 M-31-17 425 840 52 M-32-16 425 84018 M-31-18 425 840 53 M-32-17 425 84019 M-31-19 425 840 54 M-32-18 425 84020 M-31-20 425 840 55 M-32-19 425 84021 M-31-21 425 840 56 M-32-20 425 84022 M-31-22 425 840 57 M-32-21 425 84023 M-31-23 425 840 58 M-32-22 425 84024 M-31-24 425 840 59 M-32-23 425 84025 M-31-25 425 840 60 M-32-24 425 84026 M-31-26 425 840 61 M-32-25 425 84027 M-31-27 425 840 62 M-32-26 425 84028 M-31-28 425 840 63 M-32-27 425 84029 M-31-29 425 840 64 M-32-28 425 84030 M-31-30 425 840 65 M-32-29 425 84031 M-31-31 425 840 66 M-32-30 425 84032 M-31-32 425 840 67 M-32-31 425 84033 M-31-33 425 840 68 M-32-32 425 84034 M-31-34 425 840 69 M-32-33 425 84035 M-31-35 425 840 70 M-32-34 425 840扭力扳手型号AC 记录人卞金铃施工单位江苏恒龙装饰工程有限公司初拧425 N.m 终拧840N.m 螺栓形式大六角等级10.9S 螺栓规格M20序号结点编号初拧(N.m)日期终拧(N.m)日期序号结点编号初拧(N.m)日期终拧(N.m)日期1 M-32-35 425 840 36 L-40-10 425 8402 M-31-36 425 840 37 L-40-11 425 8403 L-39-1 425 840 38 L-40-12 425 8404 L-39-2 425 840 39 L-40-13 425 8405 L-39-3 425 840 40 L-40-14 425 8406 L-39-4 425 840 41 L-40-15 425 8407 L-39-5 425 840 42 L-40-16 425 8408 L-39-6 425 840 43 L-40-17 425 8409 L-39-7 425 840 44 L-40-18 425 84010 L-39-8 425 840 45 L-40-19 425 84011 L-39-9 425 840 46 L-40-20 425 84012 L-39-10 425 840 47 L-40-21 425 84013 L-39-11 425 840 48 L-40-22 425 84014 L-39-12 425 840 49 L-40-23 425 84015 L-39-13 425 840 50 L-40-24 425 84016 L-39-14 425 840 51 L-41-1 425 84017 L-39-15 425 840 52 L-41-2 425 84018 L-39-16 425 840 53 L-41-3 425 84019 L-39-17 425 840 54 L-41-4 425 84020 L-39-18 425 840 55 L-41-5 425 84021 L-39-19 425 840 56 L-41-6 425 84022 L-39-20 425 840 57 L-41-7 425 84023 L-39-21 425 840 58 L-41-8 425 84024 L-39-22 425 840 59 L-41-9 425 84025 L-39-23 425 840 60 L-41-10 425 84026 L-39-24 425 840 61 L-41-11 425 84027 L-40-1 425 840 62 L-41-12 425 84028 L-40-2 425 840 63 L-42-1 425 84029 L-40-3 425 840 64 L-42-2 425 84030 L-40-4 425 840 65 L-42-3 425 84031 L-40-5 425 840 66 L-42-4 425 84032 L-40-6 425 840 67 L-42-5 425 84033 L-40-7 425 840 68 L-42-6 425 84034 L-40-8 425 840 69 L-42-7 425 84035 L-40-9 425 840 70 L-42-8 425 840扭力扳手型号AC 记录人卞金铃施工单位江苏恒龙装饰工程有限公司初拧425 N.m 终拧840N.m 螺栓形式大六角等级10.9S 螺栓规格M20序号结点编号初拧(N.m)日期终拧(N.m)日期序号结点编号初拧(N.m)日期终拧(N.m)日期1 L-42-9 425 840 36 L-44-8 425 8402 L-42-10 425 840 37 L-44-9 425 8403 L-42-11 425 840 38 L-44-10 425 8404 L-42-12 425 840 39 L-44-11 425 8405 L-43-1 425 840 40 L-44-12 425 8406 L-43-2 425 840 41 L-44-13 425 8407 L-43-3 425 840 42 L-44-14 425 8408 L-43-4 425 840 43 L-44-15 425 8409 L-43-5 425 840 44 L-44-16 425 84010 L-43-6 425 840 45 L-44-17 425 84011 L-43-7 425 840 46 L-44-18 425 84012 L-43-8 425 840 47 L-44-19 425 84013 L-43-9 425 840 48 L-44-20 425 84014 L-43-10 425 840 49 L-44-21 425 84015 L-43-11 425 840 50 L-44-22 425 84016 L-43-12 425 840 51 L-44-23 425 84017 L-43-13 425 840 52 L-44-24 425 84018 L-43-14 425 840 53 L-45-1 425 84019 L-43-15 425 840 54 L-45-2 425 84020 L-43-16 425 840 55 L-45-3 425 84021 L-43-17 425 840 56 L-45-4 425 84022 L-43-18 425 840 57 L-45-5 425 84023 L-43-19 425 840 58 L-45-6 425 84024 L-43-20 425 840 59 L-45-7 425 84025 L-43-21 425 840 60 L-45-8 425 84026 L-43-22 425 840 61 L-45-9 425 84027 L-43-23 425 840 62 L-45-10 425 84028 L-43-24 425 840 63 L-45-11 425 84029 L-44-1 425 840 64 L-45-12 425 84030 L-44-2 425 840 65 L-46-1 425 84031 L-44-3 425 840 66 L-46-2 425 84032 L-44-4 425 840 67 L-46-3 425 84033 L-44-5 425 840 68 L-46-4 425 84034 L-44-6 425 840 69 L-46-5 425 84035 L-44-7 425 840 70 L-46-6 425 840扭力扳手型号AC 记录人卞金铃施工单位江苏恒龙装饰工程有限公司初拧425 N.m 终拧840N.m 螺栓形式大六角等级10.9S 螺栓规格M20序号结点编号初拧(N.m)日期终拧(N.m)日期序号结点编号初拧(N.m)日期终拧(N.m)日期1 L-46-7 425 840 36 L-48-6 425 8402 L-46-8 425 840 37 L-48-7 425 8403 L-46-9 425 840 38 L-48-8 425 8404 L-46-10 425 840 39 L-48-9 425 8405 L-46-11 425 840 40 L-48-10 425 8406 L-46-12 425 840 41 L-48-11 425 8407 L-47-1 425 840 42 L-48-12 425 8408 L-47-2 425 840 43 L-48-13 425 8409 L-47-3 425 840 44 L-48-14 425 84010 L-47-4 425 840 45 L-48-15 425 84011 L-47-5 425 840 46 L-48-16 425 84012 L-47-6 425 840 47 L-48-17 425 84013 L-47-7 425 840 48 L-48-18 425 84014 L-47-8 425 840 49 L-48-19 425 84015 L-47-9 425 840 50 L-48-20 425 84016 L-47-10 425 840 51 L-48-21 425 84017 L-47-11 425 840 52 L-48-22 425 84018 L-47-12 425 840 53 L-48-23 425 84019 L-47-13 425 840 54 L-48-24 425 84020 L-47-14 425 840 55 L-49-1 425 84021 L-47-15 425 840 56 L-49-2 425 84022 L-47-16 425 840 57 L-49-3 425 84023 L-47-17 425 840 58 L-49-4 425 84024 L-47-18 425 840 59 L-49-5 425 84025 L-47-19 425 840 60 L-49-6 425 84026 L-47-20 425 840 61 L-49-7 425 84027 L-47-21 425 840 62 L-49-8 425 84028 L-47-22 425 840 63 L-49-9 425 84029 L-47-23 425 840 64 L-49-10 425 84030 L-47-24 425 840 65 L-49-11 425 84031 L-48-1 425 840 66 L-49-12 425 84032 L-48-2 425 840 67 L-50-1 425 84033 L-48-3 425 840 68 L-50-2 425 84034 L-48-4 425 840 69 L-50-3 425 84035 L-48-5 425 840 70 L-50-4 425 840扭力扳手型号AC 记录人卞金铃施工单位江苏恒龙装饰工程有限公司初拧425 N.m 终拧840N.m 螺栓形式大六角等级10.9S 螺栓规格M20序号结点编号初拧(N.m)日期终拧(N.m)日期序号结点编号初拧(N.m)日期终拧(N.m)日期1 L-50-5 425 840 36 4a-2-3 425 8402 L-50-6 425 840 37 4a-2-4 425 8403 L-50-7 425 840 38 4a-2-5 425 8404 L-50-8 425 840 39 4a-3-1 425 8405 L-50-9 425 840 40 4a-3-2 425 8406 L-50-10 425 840 41 4a-3-3 425 8407 L-50-11 425 840 42 4a-3-4 425 8408 L-50-12 425 840 43 4a-3-5 425 8409 4-1-1 425 840 44 4a-4-1 425 84010 4-1-2 425 840 45 4a-4-2 425 84011 4-1-3 425 840 46 4a-4-3 425 84012 4-1-4 425 840 47 4a-4-4 425 84013 4-1-5 425 840 48 4a-4-5 425 84014 4-2-1 425 840 49 4b-4-1 425 84015 4-2-2 425 840 50 4b-4-2 425 84016 4-2-3 425 840 51 4b-4-3 425 84017 4-2-4 425 840 52 4b-4-4 425 84018 4-2-5 425 840 53 4b-4-5 425 84019 4-3-1 425 840 54 4b-1-1 425 84020 4-3-2 425 840 55 4b-1-2 425 84021 4-3-3 425 840 56 4b-1-3 425 84022 4-3-4 425 840 57 4b-1-4 425 84023 4-3-5 425 840 58 4b-1-5 425 84024 4-4-1 425 840 59 4b-2-1 425 84025 4-4-2 425 840 60 4b-2-2 425 84026 4-4-3 425 840 61 4b-2-3 425 84027 4-4-4 425 840 62 4b-2-4 425 84028 4-4-5 425 840 63 4b-2-5 425 84029 4a-1-1 425 840 64 4b-3-1 425 84030 4a-1-2 425 840 65 4b-3-2 425 84031 4a-1-3 425 840 66 4b-3-3 425 84032 4a-1-4 425 840 67 4b-3-4 425 84033 4a-1-5 425 840 68 4b-3-5 425 84034 4a-2-1 425 840 69 15-7-1 425 84035 4a-2-2 425 840 70 15-7-2 425 840扭力扳手型号AC 记录人卞金铃施工单位江苏恒龙装饰工程有限公司初拧425 N.m 终拧840N.m 螺栓形式大六角等级10.9S 螺栓规格M20序号结点编号初拧(N.m)日期终拧(N.m)日期序号结点编号初拧(N.m)日期终拧(N.m)日期1 15-7-3 425 840 36 15-8-13 425 8402 15-7-4 425 840 37 15-8-14 425 8403 15-7-5 425 840 38 15-8-15 425 8404 15-7-6 425 840 39 15-8-16 425 8405 15-7-7 425 840 40 15-8-17 425 8406 15-7-8 425 840 41 15-8-18 425 8407 15-7-9 425 840 42 15-8-19 425 8408 15-7-10 425 840 43 15-8-20 425 8409 15-7-11 425 840 44 15-8-21 425 84010 15-7-12 425 840 45 15-8-22 425 84011 15-7-13 425 840 46 15-8-23 425 84012 15-7-14 425 840 47 15-8-24 425 84013 15-7-15 425 840 48 15-9-1 425 84014 15-7-16 425 840 49 15-9-2 425 84015 15-7-17 425 840 50 15-9-3 425 84016 15-7-18 425 840 51 15-9-4 425 84017 15-7-19 425 840 52 15-9-5 425 84018 15-7-20 425 840 53 15-9-6 425 84019 15-7-21 425 840 54 15-9-7 425 84020 15-7-22 425 840 55 15-9-8 425 84021 15-7-23 425 840 56 15-9-9 425 84022 15-7-24 425 840 57 15-9-10 425 84023 15-8-1 425 840 58 15-9-11 425 84024 15-8-2 425 840 59 15-9-12 425 84025 15-8-3 425 840 60 15-9-13 425 84026 15-8-4 425 840 61 15-9-13 425 84027 15-8-5 425 840 62 15-9-14 425 84028 15-8-6 425 840 63 15-9-15 425 84029 15-8-7 425 840 64 15-9-16 425 84030 15-8-8 425 840 65 15-9-17 425 84031 15-8-9 425 840 66 15-9-18 425 84032 15-8-10 425 840 67 15-9-19 425 84033 15-8-11 425 840 68 15-9-20 425 84034 15-8-12 425 840 69 15-9-21 425 84035 15-8-13 425 840 70 15-9-22 425 840扭力扳手型号AC 记录人卞金铃施工单位江苏恒龙装饰工程有限公司初拧425 N.m 终拧840N.m 螺栓形式大六角等级10.9S 螺栓规格M20序号结点编号初拧(N.m)日期终拧(N.m)日期序号结点编号初拧(N.m)日期终拧(N.m)日期1 15-9-23 425 840 36 15-11-10 425 8402 15-9-24 425 840 37 15-11-11 425 8403 15-10-1 425 840 38 15-11-12 425 8404 15-10-2 425 840 39 15-11-13 425 8405 15-10-3 425 840 40 15-11-14 425 8406 15-10-4 425 840 41 15-11-15 425 8407 15-10-5 425 840 42 15-11-16 425 8408 15-10-6 425 840 43 15-11-17 425 8409 15-10-7 425 840 44 15-11-18 425 84010 15-10-8 425 840 45 15-11-19 425 84011 15-10-9 425 840 46 15-11-20 425 84012 15-10-10 425 840 47 15-11-21 425 84013 15-10-11 425 840 48 15-11-22 425 84014 15-10-12 425 840 49 15-11-23 425 84015 15-10-13 425 840 50 15-11-24 425 84016 15-10-14 425 840 51 15-12-1 425 84017 15-10-15 425 840 52 15-12-2 425 84018 15-10-16 425 840 53 15-12-3 425 84019 15-10-17 425 840 54 15-12-4 425 84020 15-10-18 425 840 55 15-12-5 425 84021 15-10-19 425 840 56 15-12-6 425 84022 15-10-20 425 840 57 15-12-7 425 84023 15-10-21 425 840 58 15-12-8 425 84024 15-10-22 425 840 59 15-12-9 425 84025 15-10-23 425 840 60 15-12-10 425 84026 15-10-24 425 840 61 15-12-11 425 84027 15-11-1 425 840 62 15-12-12 425 84028 15-11-2 425 840 63 15-12-13 425 84029 15-11-3 425 840 64 15-12-14 425 84030 15-11-4 425 840 65 15-12-15 425 84031 15-11-5 425 840 66 15-12-16 425 84032 15-11-6 425 840 67 15-12-17 425 84033 15-11-7 425 840 68 15-12-18 425 84034 15-11-8 425 840 69 15-12-19 425 84035 15-11-9 425 840 70 15-12-20 425 840扭力扳手型号AC 记录人卞金铃施工单位江苏恒龙装饰工程有限公司初拧425 N.m 终拧840N.m 螺栓形式大六角等级10.9S 螺栓规格M20序号结点编号初拧(N.m)日期终拧(N.m)日期序号结点编号初拧(N.m)日期终拧(N.m)日期1 15-12-21 425 840 36 J-20-2 425 8402 15-12-22 425 840 37 J-20-3 425 8403 15-12-23 425 840 38 J-20-4 425 8404 15-12-24 425 840 39 J-20-5 425 8405 J-19-1 425 840 40 J-20-6 425 8406 J-19-2 425 840 41 J-20-7 425 8407 J-19-3 425 840 42 J-20-8 425 8408 J-19-4 425 840 43 J-20-9 425 8409 J-19-5 425 840 44 J-20-10 425 84010 J-19-6 425 840 45 J-20-11 425 84011 J-19-7 425 840 46 J-20-12 425 84012 J-19-8 425 840 47 J-20-13 425 84013 J-19-9 425 840 48 J-20-14 425 84014 J-19-10 425 840 49 J-20-15 425 84015 J-19-11 425 840 50 J-20-16 425 84016 J-19-12 425 840 51 J-20-17 425 84017 J-19-13 425 840 52 J-20-18 425 84018 J-19-14 425 840 53 J-20-19 425 84019 J-19-15 425 840 54 J-20-20 425 84020 J-19-16 425 840 55 J-20-21 425 84021 J-19-17 425 840 56 J-20-22 425 84022 J-19-18 425 840 57 J-20-23 425 84023 J-19-19 425 840 58 J-20-24 425 84024 J-19-20 425 840 59 J-20-25 425 84025 J-19-21 425 840 60 J-20-26 425 84026 J-19-22 425 840 61 J-20-27 425 84027 J-19-23 425 840 62 J-20-28 425 84028 J-19-24 425 840 63 J-20-29 425 84029 J-19-25 425 840 64 J-20-30 425 84030 J-19-26 425 840 65 J-21-1 425 84031 J-19-27 425 840 66 J-21-2 425 84032 J-19-28 425 840 67 J-21-3 425 84033 J-19-29 425 840 68 J-21-4 425 84034 J-19-30 425 840 69 J-21-5 425 84035 J-20-1 425 840 70 J-21-6 425 840扭力扳手型号AC 记录人卞金铃施工单位江苏恒龙装饰工程有限公司初拧425 N.m 终拧840N.m 螺栓形式大六角等级10.9S 螺栓规格M20序号结点编号初拧(N.m)日期终拧(N.m)日期序号结点编号初拧(N.m)日期终拧(N.m)日期1 J-21-7 425 840 36 J-22-12 425 8402 J-21-8 425 840 37 J-22-13 425 8403 J-21-9 425 840 38 J-22-14 425 8404 J-21-10 425 840 39 J-22-15 425 8405 J-21-11 425 840 40 J-22-16 425 8406 J-21-12 425 840 41 J-22-17 425 8407 J-21-13 425 840 42 J-22-18 425 8408 J-21-14 425 840 43 J-22-19 425 8409 J-21-15 425 840 44 J-22-20 425 84010 J-21-16 425 840 45 J-22-21 425 84011 J-21-17 425 840 46 J-22-22 425 84012 J-21-18 425 840 47 J-22-23 425 84013 J-21-19 425 840 48 J-22-24 425 84014 J-21-20 425 840 49 J-22-25 425 84015 J-21-21 425 840 50 J-22-26 425 84016 J-21-22 425 840 51 J-22-27 425 84017 J-21-23 425 840 52 J-22-28 425 84018 J-21-24 425 840 53 J-22-29 425 84019 J-21-25 425 840 54 J-22-30 425 84020 J-21-26 425 840 55 J-23-1 425 84021 J-21-27 425 840 56 J-23-2 425 84022 J-21-28 425 840 57 J-23-3 425 84023 J-21-29 425 840 58 J-23-4 425 84024 J-21-30 425 840 59 J-23-5 425 84025 J-22-1 425 840 60 J-23-6 425 84026 J-22-2 425 840 61 J-23-7 425 84027 J-22-3 425 840 62 J-23-8 425 84028 J-22-4 425 840 63 J-23-9 425 84029 J-22-5 425 840 64 J-23-10 425 84030 J-22-6 425 840 65 J-23-11 425 84031 J-22-7 425 840 66 J-23-12 425 84032 J-22-8 425 840 67 J-23-13 425 84033 J-22-9 425 840 68 J-23-14 425 84034 J-22-10 425 840 69 J-23-15 425 84035 J-22-11 425 840 70 J-23-16 425 840扭力扳手型号AC 记录人卞金铃施工单位江苏恒龙装饰工程有限公司初拧425 N.m 终拧840N.m 螺栓形式大六角等级10.9S 螺栓规格M20序号结点编号初拧(N.m)日期终拧(N.m)日期序号结点编号初拧(N.m)日期终拧(N.m)日期1 J-23-17 425 840 36 J-24-22 425 8402 J-23-18 425 840 37 J-24-23 425 8403 J-23-19 425 840 38 J-24-24 425 8404 J-23-20 425 840 39 J-24-25 425 8405 J-23-21 425 840 40 J-24-26 425 8406 J-23-22 425 840 41 J-24-27 425 8407 J-23-23 425 840 42 J-24-28 425 8408 J-23-24 425 840 43 J-24-29 425 8409 J-23-25 425 840 44 J-24-30 425 84010 J-23-26 425 840 45 K-27-1 425 84011 J-23-27 425 840 46 K-27-2 425 84012 J-23-28 425 840 47 K-27-3 425 84013 J-23-29 425 840 48 K-28-1 425 84014 J-23-30 425 840 49 K-28-2 425 84015 J-24-1 425 840 50 K-28-3 425 84016 J-24-2 425 840 51 K-29-1 425 84017 J-24-3 425 840 52 K-29-2 425 84018 J-24-4 425 840 53 K-29-3 425 84019 J-24-5 425 840 54 K-30-1 425 84020 J-24-6 425 840 55 K-30-2 425 84021 J-24-7 425 840 56 K-30-3 425 84022 J-24-8 425 840 57 K-31-1 425 84023 J-24-9 425 840 58 K-31-2 425 84024 J-24-10 425 840 59 K-31-3 425 84025 J-24-11 425 840 60 K-32-1 425 84026 J-24-12 425 840 61 K-32-2 425 84027 J-24-13 425 840 62 K-32-3 425 84028 J-24-14 425 840 63 15-8f-1 425 84029 J-24-15 425 840 64 15-8f-2 425 84030 J-24-16 425 840 65 15-8f-3 425 84031 J-24-17 425 840 66 15-10f-1 425 84032 J-24-18 425 840 67 15-10f-2 425 84033 J-24-19 425 840 68 15-10f-3 425 84034 J-24-20 425 840 69 15-12f-1 425 84035 J-24-21 425 840 70 15-12f-2 425 840工长:质检员:扭力扳手型号AC 记录人卞金铃施工单位江苏恒龙装饰工程有限公司初拧425 N.m 终拧840N.m 螺栓形式大六角等级10.9S 螺栓规格M20序号结点编号初拧(N.m)日期终拧(N.m)日期序号结点编号初拧(N.m)日期终拧(N.m)日期1 15-12f-3 425 840 36 4b-5-3 425 8402 4-5-1 425 840 37 4b-5-4 425 8403 4-5-2 425 840 38 4b-6-1 425 8404 4-5-3 425 840 39 4b-6-2 425 8405 4-5-4 425 840 40 4b-6-3 425 8406 4-6-1 425 840 41 4b-6-4 425 8407 4-6-2 425 840 42 4b-35-1 425 8408 4-6-3 425 840 43 4b-35-2 425 8409 4-6-4 425 840 44 4b-35-3 425 84010 4-35-1 425 840 45 4b-35-4 425 84011 4-35-2 425 840 46 4b-36-1 425 84012 4-35-3 425 840 47 4b-36-2 425 84013 4-35-4 425 840 48 4b-36-3 425 84014 4-36-1 425 840 49 4b-36-4 425 84015 4-36-2 425 840 50 4c-17-1 425 84016 4-36-3 425 840 51 4c-17-2 425 84017 4-36-4 425 840 52 4c-17-3 425 84018 4a-5-1 425 840 53 4c-17-4 425 84019 4a-5-2 425 840 54 4c-18-1 425 84020 4a-5-3 425 840 55 4c-18-2 425 84021 4a-5-4 425 840 56 4c-18-3 425 84022 4a-6-1 425 840 57 4c-18-4 425 84023 4a-6-2 425 840 58 4c-1-1 425 84024 4a-6-3 425 840 59 4c-1-2 425 84025 4a-6-4 425 840 60 4c-1-3 425 84026 4a-35-1 425 840 61 4c-2-1 425 84027 4a-35-2 425 840 62 4c-2-2 425 84028 4a-35-3 425 840 63 4c-2-3 425 84029 4a-35-4 425 840 64 4c-3-1 425 84030 4a-36-1 425 840 65 4c-3-2 425 84031 4a-36-2 425 840 66 4c-3-3 425 84032 4a-36-3 425 840 67 4c-4-1 425 84033 4a-36-4 425 840 68 4c-4-2 425 84034 4b-5-1 425 840 69 4c-4-3 425 84035 4b-5-2 425 840 70 4c-9-1 425 840。
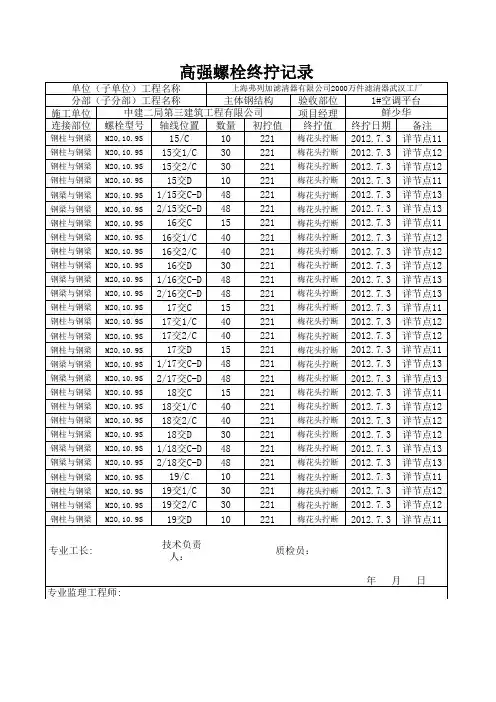
高强螺栓紧固记录
本文是一份钢架高强螺栓紧固记录,记录了___湿式除尘
器工程中湿式除尘器下部钢结构安装的紧固情况。
本文共分为四个部分,分别记录了不同高度层次的紧固情况。
第一部分记录了0-12.549米层的紧固情况,要求梁与柱、梁与梁、柱与柱的初紧扭矩为300(N*m),终紧扭矩为600
(N*m),使用的高强螺栓规格为M22.记录了各个部位的紧固
情况,并留有验收意见和签字的空白。
第二部分记录了12.549-20.350米层的紧固情况,要求同上。
使用的高强螺栓规格也为M22.同样记录了各个部位的紧
固情况,并留有验收意见和签字的空白。
第三部分记录了20.350-32.267米层的紧固情况,要求同上。
使用的高强螺栓规格也为M22.记录了各个部位的紧固情况,并留有验收意见和签字的空白。
最后一部分记录了30.267-43.3米层的紧固情况,要求同上。
使用的高强螺栓规格也为M22.记录了各个部位的紧固情况,并留有验收意见和签字的空白。
整个记录表格清晰明了,记录了每个部位的紧固情况,为后续的验收提供了重要的依据。